Increasing Efficiency of Energy Conversion Systems from Renewable Sources Using Voltage Source Inverters with Soft Switching of Transistors
Abstract
1. Introduction
2. Energy Conversion Systems from Renewable Sources
2.1. Conversion System in Photovoltaic Plants
2.2. Conversion Systems with a Permanent Magnet Synchronous Generator
2.3. Conversion Systems with a Double-Fed Induction Generator
2.4. Conversion Systems with a Squirrel Cage Induction Generator
3. Increasing the Efficiency of Voltage Source Inverters
3.1. Power Losses in Inverters
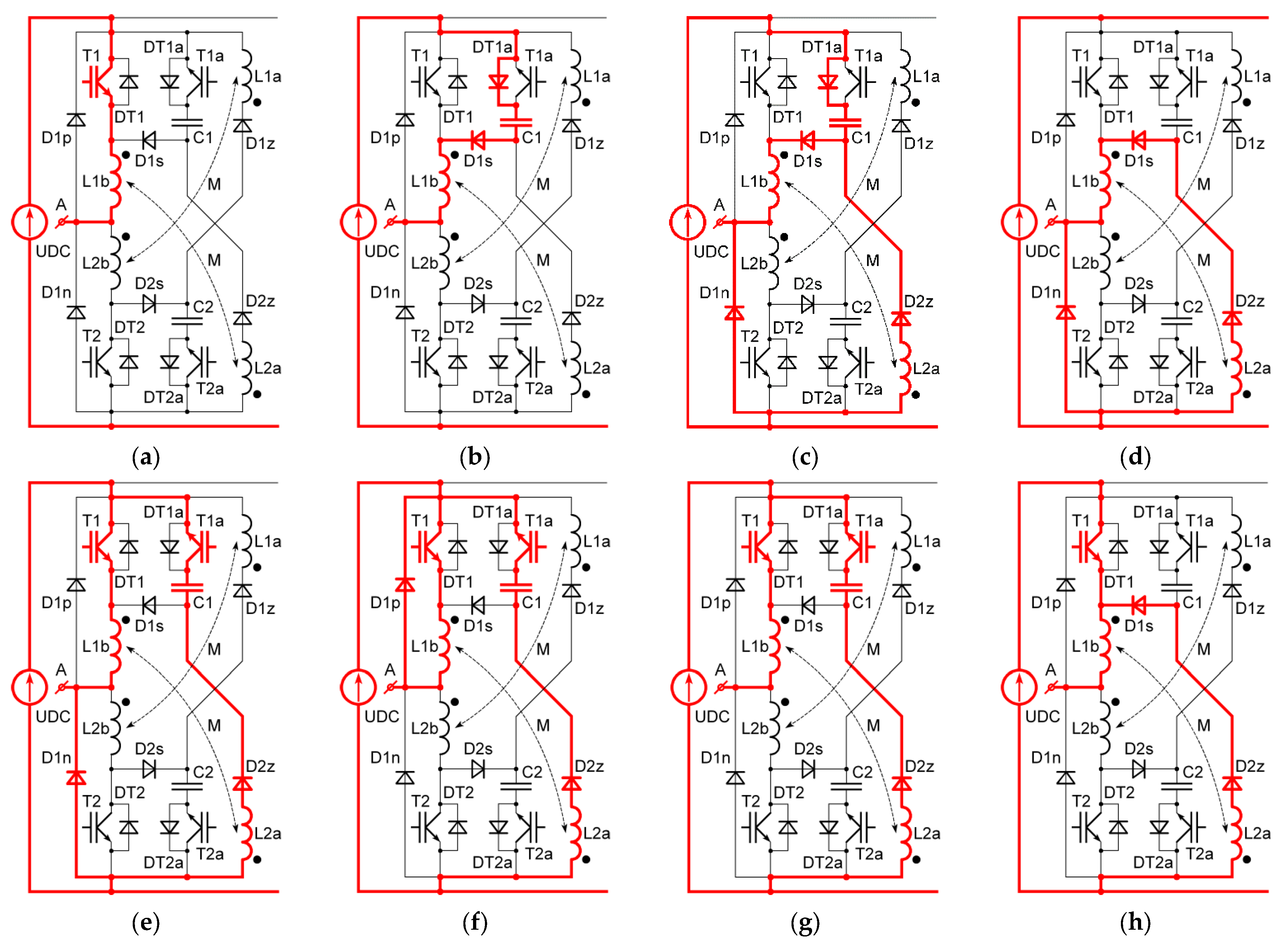
3.2. Voltage Source Inverter with the Soft-Switching Technique
4. Cooperation Between the VSI with Soft Switching and the AC Grid
4.1. Converting Energy from the DC Circuit to the AC Grid
4.2. Converting Energy from the AC Grid to the DC Circuit
5. Efficiency of Energy Conversion Systems Using the VSI with the Soft-Switching Technique
5.1. Efficiency of the Energy Conversion System in Photovoltaic Plants
5.2. Efficiency of the Energy Conversion System with the PMSG
5.3. Efficiency of Energy Conversion Systems with the DFIG and SCIG
5.4. Power Losses in the Energy Conversion System During Reactive Power Transmission
5.5. Cost and Reliability Analyses of the Energy Conversion System
6. Conclusions
Author Contributions
Funding
Data Availability Statement
Conflicts of Interest
References
- Puchalapalli, S.; Singh, B. A novel control scheme for wind turbine driven DFIG interfaced to utility grid. IEEE Trans. Ind. Appl. 2020, 56, 2925–2937. [Google Scholar] [CrossRef]
- Hu, Y.; Chau, T.K.; Zhang, X.; Iu, H.H.C.; Fernando, T.; Fa, D. A novel adaptive model predictive control strategy for DFIG wind turbine with parameter variations in complex power systems. IEEE Trans. Power Syst. 2023, 38, 4582–4592. [Google Scholar] [CrossRef]
- Hussain, H.A.; Loncarski, J.; Ristic, I.B.; Bellini, A. DFIG-based WECS with partial-scale converter: Efficiency, cost, and volume comparison of SiC-based and IGBT-based converter solution. IEEE Access 2024, 12, 89908–89920. [Google Scholar] [CrossRef]
- Alnasir, Z.; Kazerani, M. Standalone SCIG-Based Wind Energy Conversion System Using Z-Source Inverter with Energy Storage Integration. In Proceedings of the IEEE 27th Canadian Conference on Electrical and Computer Engineering (CCECE), Toronto, Canada, 4–7 May 2014. [Google Scholar] [CrossRef]
- Majout, B.; Alami, H.; Salime, H.; Laabidine, N.Z.; Mourabit, Y.E.; Motahhir, S.; Bouderbala, M.; Karim, M.; Bossoufi, B. A review on popular control applications in wind energy conversion system based on permanent magnet generator PMSG. Energies 2022, 15, 6238. [Google Scholar] [CrossRef]
- Prince, M.K.K.; Arif, M.T.; Gargoom, A.; Oo, A.M.T.; Haque, M.E. Modeling, parameter measurement, and control of PMSG-based grid-connected wind energy conversion system. J. Mod. Power Syst. Clean Energy 2021, 9, 1054–1065. [Google Scholar] [CrossRef]
- Kolantla, D.; Mikkili, S.; Pendem, S.R.; Desai, A. Critical review on various inverter topologies for PV system architectures. IET Renew. Power Gener. 2020, 14, 3418–3438. [Google Scholar] [CrossRef]
- Salam, Z.; Rahman, A. Efficiency for Photovoltaic Inverter: A Technological Review. In Proceedings of the IEEE Conference on Energy Conversion (CENCON), Johor Bahru, Malaysia, 25–26 October 2021. [Google Scholar] [CrossRef]
- Laib, H.; Sakri, D.; Barra, K. Advanced topology for grid-connected photovoltaic system based PWM rectifier. Prz. Elektrotechniczny 2023, 4, 266–272. [Google Scholar] [CrossRef]
- Kalaiarasi, N.; Sivapriya, A.; Vishnuram, P.; Pushkarna, M.; Bajaj, M.; Kotb, H.; Alphonse, S. Performance evaluation of various Z-source inverter topologies for PV applications using AI-based MPPT techniques. Int. Trans. Electr. Energy Syst. 2023, 2023, 1134633. [Google Scholar] [CrossRef]
- Li, Y.; Lee, F.C.; Boroyevich, D. A three-phase soft-transition inverter with a novel control strategy for zero-current and near zero-voltage switching. IEEE Trans. Power Electr. 2001, 16, 710–723. [Google Scholar] [CrossRef]
- Pal, A.; Basu, K. A soft-switched high-frequency link single-stage three-phase inverter for grid integration of utility scale renewables. IEEE Trans. Power Electr. 2019, 34, 8513–8527. [Google Scholar] [CrossRef]
- Wang, Q.; Wang, Y. Research on a novel high-efficiency three-phase resonant pole soft-switching inverter. IEEE Trans. Power Electr. 2021, 36, 5845–5857. [Google Scholar] [CrossRef]
- Wang, Q.; Li, L.; Wang, Y. An efficient zero-voltage switching resonant pole inverter with high reliability. IEEE Trans. Circuits Syst. II Express Briefs 2023, 70, 156–160. [Google Scholar] [CrossRef]
- Liu, Y.; Xiao, H.; Hua, W.; Cheng, M. An Improved Zero-Switching-Loss Inverter with Low Conduction Loss. IEEE Trans. Power Electr. 2024, 39, 5913–5923. [Google Scholar] [CrossRef]
- Lu, H.; Wang, Q.; Chai, J.; Li, Y. Review of Three-phase soft switching inverters and challenges for motor drives. CES Trans. Electr. Mach. Syst. 2024, 8, 177–190. [Google Scholar] [CrossRef]
- Wang, Q.; He, J.; Wang, Y.; Bai, H. An efficient three-phase soft-switching inverter with simplified asymmetric single auxiliary circuit on each bridge arm for low-speed AC motor drive. IEEE Trans. Circuits Syst. I Regul. Pap. 2024, 71, 4388–4399. [Google Scholar] [CrossRef]
- Ayad, A.; Hanafiah, S.; Kennel, R. A Comparison of Quasi-Z-Source Inverter and Traditional Two-Stage Inverter for Photovoltaic Application. In International Exhibition and Conference for Power Electronics, Intelligent Motion, Renewable Energy and Energy Management, Proceedings of the PCIM Europe 2015, Nuremberg, Germany, 19–21 May 2015; Available online: https://ieeexplore.ieee.org/abstract/document/7149205 (accessed on 6 July 2015).
- Singh, B.; Jain, V. TOCF based control for optimum operation of a grid tied solar PV system. IEEE Trans. Energy Convers. 2020, 35, 1171–1181. [Google Scholar] [CrossRef]
- Pathak, G.; Singh, B.; Panigrahi, B.K. Multi-operational solar photovoltaic microgrid with synchronization, backup and power quality enhancement ability. e-Prime Adv. Electr. Eng. Electron. Energy 2023, 5, 100256. [Google Scholar] [CrossRef]
- Duong, T.D.; Nguyen, M.K.; Tran, T.T.; Vo, D.V.; Lim, Y.C.; Choi, J.H. Topology review of three-phase two-level transformerless photovoltaic inverters for common-mode voltage reduction. Energies 2022, 15, 3106. [Google Scholar] [CrossRef]
- Bradaschia, F.; Cavalcanti, M.C.; Ferraz, P.E.P.; Neves, F.A.S.; Santos, E.C.; da Silva, J.H.G.M. Modulation for three-phase transformerless Z-source inverter to reduce leakage currents in photovoltaic systems. IEEE Trans. Ind. Electr. 2011, 58, 5385–5395. [Google Scholar] [CrossRef]
- Ellabban, O.; Abu-Rub, H. Z-source inverter topology improvements review. IEEE Ind. Electron. M. 2016, 10, 6–24. [Google Scholar] [CrossRef]
- Espinoza-Trejo, D.R.; Castro, L.M.; Bárcenas, E.; Sánchez, J.P. Data-driven switch fault diagnosis for DC/DC boost converters in photovoltaic applications. IEEE Trans. Ind. Electron. 2024, 71, 1631–1640. [Google Scholar] [CrossRef]
- Hasirci, H.Y.; Vural, A.M. Power Converter Topologies for PMSG Based Wind Energy Systems: Packed U Cell Multilevel Inverter Simulation. In Proceedings of the 5th International Symposium on Multidisciplinary Studies and Innovative Technologies (ISMSIT), Ankara, Turkey, 21–23 October 2021. [Google Scholar] [CrossRef]
- Shahni, A.; Qazi, S.H.; Kaloi, G.S.; Ullah, R. Review on performance analysis of SCIG and PMSG-based wind energy conversion system systems. SSRG Inter. J. Electron. Commun. Eng. (SSRG-IJECE) 2019, 6, 1–10. [Google Scholar] [CrossRef]
- Ghaffarzadeh, H.; Mehrizi-Sani, A. Review of control techniques for wind energy systems. Energies 2020, 13, 6666. [Google Scholar] [CrossRef]
- Xue, T.; Lyu, J.; Wang, H.; Cai, X. A complete impedance model of a PMSG-based wind energy conversion system and its effect on the stability analysis of MMC-HVDC connected offshore wind farms. IEEE Trans. Energy Convers. 2021, 36, 3449–3461. [Google Scholar] [CrossRef]
- Yang, M.; Cai, X.; Wusiman, A.; Zhang, J.; Lyu, J. Distributed-diode-rectifiers-based offshore wind power MVDC direct-transmission system. IEEE Trans. Energy Convers. 2022, 37, 643–653. [Google Scholar] [CrossRef]
- Hamid, B.; Hussain, I.; Iqbal, S.J.; Singh, B.; Das, S.; Kumar, N. Optimal MPPT and BES control for grid-tied DFIG-based wind energy conversion system. IEEE Trans. Ind. Appl. 2022, 58, 7966–7977. [Google Scholar] [CrossRef]
- Das, S.; Singh, B. Enhanced control of DFIG based wind energy conversion system under unbalanced grid voltages using mixed generalized integrator. IEEE J. Emerg. Sel. Top. Ind. Electron. 2022, 3, 308–320. [Google Scholar] [CrossRef]
- Din, Z.; Zhang, J.; Xu, Z.; Zhang, Y.; Zhao, J. Low voltage and high voltage ride-through technologies for doubly fed induction generator system: Comprehensive review and future trends. IET Renew. Power Gener. 2021, 15, 614–630. [Google Scholar] [CrossRef]
- Chen, S.; Yao, J.; Pei, J.; Liu, Y.; Liu, R.; Huang, S. Transient stability analysis and improved control strategy for DC-link voltage of DFIG-based WT during LVRT. IEEE Trans. Energy Convers. 2022, 37, 880–891. [Google Scholar] [CrossRef]
- Zhou, Y.; Zhu, D.; Zou, X.; He, C.; Hu, J.; Kang, Y. Adaptive temporary frequency support for DFIG-based wind turbines. IEEE Trans. Energy Convers. 2023, 38, 1937–1947. [Google Scholar] [CrossRef]
- David, N.; Aliprantis, D.C. Improved Efficiency of DFIG Wind Energy Conversion Systems by Operating in the Rotor-Tied Configuration. In Proceedings of the International Conference on Electrical Machines (ICEM), Berlin, Germany, 2–5 September 2014. [Google Scholar] [CrossRef]
- Akanto, J.M.; Hazari, M.R.; Mannan, M.A. LVRT and stability enhancement of grid-tied wind farm using DFIG-based wind turbine. Appl. Syst. Innov. 2021, 4, 33. [Google Scholar] [CrossRef]
- Hamid, C.; Aziz, D.; Zamzoum, O.; Idrissi, A.E. Robust control system for DFIG-based WECS and energy storage in reel wind conditions. EAI Endorsed Trans. Energy Web 2024, 11, 1–6. [Google Scholar] [CrossRef]
- Sotoudeh, A.; Rezaei, M.M. An adaptive control strategy for grid-forming of SCIG-based wind energy conversion systems. Energy Rep. 2023, 10, 114–122. [Google Scholar] [CrossRef]
- Standard CSN EN 50530; Overall Efficiency of Grid Connected Photovoltaic Inverters. European Standards: Brussels, Belgium, 2010.
- Mazgaj, W.; Rozegnal, B.; Szular, Z. Proposal of a New Soft Switching System for Three-Phase Voltage Source Inverters. In Proceedings of the 19th European Conference on Power Electronics and Applications (EPE’17 ECCE Europe), Warsaw, Poland, 11–14 September 2017. [Google Scholar] [CrossRef]
- Mazgaj, W.; Szular, Z.; Rozegnal, B. Soft-switching system with safe connections of capacitors and inductors in three-phase two-level voltage source inverter. IEEE Trans. Power Electr. 2021, 36, 6443–6456. [Google Scholar] [CrossRef]
- Mazgaj, W.; Szular, Z. Modified soft-switching system with safe connections of capacitors and inductors in three-phase voltage source inverter. IEEE Trans. Power Electr. 2025, 40, 1797–1812. [Google Scholar] [CrossRef]
- Yuan, X.; Laird, I.; Walde, S. Opportunities, challenges, and potential solutions in the application of fast-switching SiC power devices and converters. IEEE Trans. Power Electr. 2021, 36, 3925–3945. [Google Scholar] [CrossRef]
- Cetin, S. Power-factor-corrected and fully soft-switched PWM boost converter. IEEE Trans. Ind. Appl. 2018, 54, 3508–3517. [Google Scholar] [CrossRef]
- Mondzik, A.; Stala, R.; Piróg, S.; Penczek, A.; Gucwa, P.; Szarek, M. High efficiency DC–DC boost converter with passive snubber and reduced switching losses. IEEE Trans. Ind. Electr. 2022, 69, 2500–2510. [Google Scholar] [CrossRef]
- Abbasian, S.; Gohari, H.S.; Farsijani, M.; Abbaszadeh, K.; Hafezi, H.; Filizadeh, S. Single-switch resonant soft-switching ultra-high gain DC-DC converter with continuous input current. IEEE Access 2022, 10, 33482–33491. [Google Scholar] [CrossRef]
- Marangalu, M.G.; Kurdkandi, N.V.; Alavi, P.; Khadem, S.; Tarzamni, H.; Mehrizi-Sani, A. A new single DC source five-level boost inverter applicable to grid-tied systems. IEEE Access 2023, 11, 24112–24127. [Google Scholar] [CrossRef]
- Li, X.; Jiang, J.; Huang, A.Q.; Guo, S.; Deng, X.; Zhang, B. A SiC power MOSFET loss model suitable for high-frequency applications. IEEE Trans. Ind. Appl. 2017, 64, 8268–8276. [Google Scholar] [CrossRef]
- Chimento, F.; Mora, N.; Bellini, M.; Stevanovic, I.; Tomarchio, S. A Simplified Spice Based IGBT Model for Power Electronics Modules Evaluation. In Proceedings of the 37th Annual Conference of the IEEE Industrial Electronics Society, Melbourne, VIC, Australia, 7–10 November 2011. [Google Scholar] [CrossRef]






















| Conversion Type | Switching Frequency of 3 kHz | Switching Frequency of 6 kHz | ||||
|---|---|---|---|---|---|---|
| PDC (W) | PAC (W) | Efficiency (%) | PDC (W) | PAC (W) | Efficiency (%) | |
| DC → AC (k * = 2.0) | 4253 | 4083 | 96 | 4335 | 4118 | 95 |
| 2131 | 2003 | 94 | 2210 | 2055 | 93 | |
| 1220 | 1122 | 92 | 1252 | 1127 | 90 | |
| AC → DC (k * = 2.0) | 4190 | 4411 | 95 | 4134 | 4398 | 94 |
| 2178 | 2317 | 94 | 2123 | 2283 | 93 | |
| 1190 | 1293 | 92 | 1114 | 1224 | 91 | |
| Transistor Type | VDS (V) | ID (A) | ton (μs) | tr (μs) | toff (μs) | tf (μs) | trr (μs) | Irrm (A) | VDS(on) (V) |
|---|---|---|---|---|---|---|---|---|---|
| FMF600DXE- 34BN | 1700 | 600 | 0.10 | 0.06 | 0.19 | 0.04 | 0.11 | 510 | 2.75 |
| Transistor Type | VCC (V) | IC (A) | ton (μs) | tr (μs) | toff (μs) | tf (μs) | trr (μs) | Irrm (A) | VCE (V) |
|---|---|---|---|---|---|---|---|---|---|
| CM1500HC- 90XA | 4500 | 1500 | 0.80 | 0.25 | 7.70 | 0.50 | 1.60 | 2100 | 2.80 |
| 100 kW | 1 MW | |||
|---|---|---|---|---|
| k * | 1.5 | 2.0 | 1.5 | 2.0 |
| La (μH) | 2.23 | 3.77 | 11.60 | 31.20 |
| Ra (mΩ) | 1.60 | 2.08 | 1.02 | 1.68 |
| Lb (μH) | 0.30 | 1.20 | 3.69 | 14.80 |
| Rb (mΩ) | 0.59 | 1.17 | 0.58 | 1.16 |
| C (μF) | 0.26 | 0.26 | 3.80 | 3.80 |
| M (uH) ** | 0.30 | 1.19 | 3.66 | 14.80 |
| Efficiency (%) | ||||||
|---|---|---|---|---|---|---|
| Switching Frequency of 20 kHz | Switching Frequency of 40 kHz | |||||
| Conversion system | VSI hard | VSI soft k = 1.5 | VSI soft k = 2.0 | VSI hard | VSI soft k = 1.5 | VSI soft k = 2.0 |
| VSI → DC → AC * | 98.7 | 99.0 | 99.0 | 98.1 | 98.6 | 98.6 |
| VSI → AC → DC ** | 97.9 | 98.7 | 98.9 | 97.1 | 98.3 | 98.5 |
| DC/DC boost conv. and VSI | 97.5 | 97.8 | 97.8 | 96.5 | 97.0 | 97.1 |
| Efficiency (%) | ||||||
|---|---|---|---|---|---|---|
| Switching Frequency of 2 kHz | Switching Frequency of 4 kHz | |||||
| Conversion system | VSI hard | VSI soft k = 1.5 | VSI soft k = 2.0 | VSI hard | VSI soft k = 1.5 | VSI soft k = 2.0 |
| VSI → DC → AC * | 96.4 | 97.9 | 98.8 | 93.2 | 96.8 | 98.0 |
| VSI → AC → DC ** | 96.2 | 97.6 | 98.7 | 92.7 | 95.8 | 98.0 |
| DC/DC boost conv. and VSI | 95.1 | 96.7 | 97.5 | 90.7 | 94.2 | 95.3 |
| Total Harmonic Distortion (%) | |||||
|---|---|---|---|---|---|
| Switching Frequency of 2 kHz | Switching Frequency of 4 kHz | ||||
| VSI hard | VSI soft k = 1.5 | VSI soft k = 2.0 | VSI hard | VSI soft k = 1.5 | VSI soft k = 2.0 |
| 10.27 | 12.06 | 11.67 | 5.01 | 5.84 | 5.64 |
| Efficiency (%) | ||||||
|---|---|---|---|---|---|---|
| Switching Frequency of 20 kHz | Switching Frequency of 40 kHz | |||||
| Conversion system | VSI hard | VSI soft k = 1.5 | VSI soft k = 2.0 | VSI hard | VSI soft k = 1.5 | VSI soft k = 2.0 |
| Diode rectifier, DC/DC boost conv. and VSI | 97.1 | 97.3 | 97.3 | 96.1 | 96.6 | 96.7 |
| Transistor rectifier and VSI | 96.6 | 97.7 | 97.9 | 95.3 | 96.9 | 97.1 |
| Efficiency (%) | ||||||
|---|---|---|---|---|---|---|
| Switching Frequency of 2 kHz | Switching Frequency of 4 kHz | |||||
| Conversion system | VSI hard | VSI soft k = 1.5 | VSI soft k = 2.0 | VSI hard | VSI soft k = 1.5 | VSI soft k = 2.0 |
| Diode rectifier, DC/DC boost conv. and VSI | 95.0 | 96.6 | 97.4 | 90.6 | 94.1 | 95.2 |
| Transistor rectifier and VSI | 92.7 | 95.6 | 97.4 | 86.4 | 92.8 | 96.1 |
| Power Losses (kW) | ||||
|---|---|---|---|---|
| Reactive Power | 100 kVAr | 1 MVAr | ||
| Switching frequency (kHz) | 20 | 40 | 2 | 4 |
| VSI hard | 1.71 | 2.42 | 37.27 | 72.71 |
| VSI soft; k = 1.5 | 1.15 | 1.55 | 20.40 | 39.74 |
| VSI soft; k = 2.0 | 1.07 | 1.49 | 13.68 | 20.48 |
Disclaimer/Publisher’s Note: The statements, opinions and data contained in all publications are solely those of the individual author(s) and contributor(s) and not of MDPI and/or the editor(s). MDPI and/or the editor(s) disclaim responsibility for any injury to people or property resulting from any ideas, methods, instructions or products referred to in the content. |
© 2025 by the authors. Licensee MDPI, Basel, Switzerland. This article is an open access article distributed under the terms and conditions of the Creative Commons Attribution (CC BY) license (https://creativecommons.org/licenses/by/4.0/).
Share and Cite
Mazgaj, W.; Szular, Z. Increasing Efficiency of Energy Conversion Systems from Renewable Sources Using Voltage Source Inverters with Soft Switching of Transistors. Energies 2025, 18, 3474. https://doi.org/10.3390/en18133474
Mazgaj W, Szular Z. Increasing Efficiency of Energy Conversion Systems from Renewable Sources Using Voltage Source Inverters with Soft Switching of Transistors. Energies. 2025; 18(13):3474. https://doi.org/10.3390/en18133474
Chicago/Turabian StyleMazgaj, Witold, and Zbigniew Szular. 2025. "Increasing Efficiency of Energy Conversion Systems from Renewable Sources Using Voltage Source Inverters with Soft Switching of Transistors" Energies 18, no. 13: 3474. https://doi.org/10.3390/en18133474
APA StyleMazgaj, W., & Szular, Z. (2025). Increasing Efficiency of Energy Conversion Systems from Renewable Sources Using Voltage Source Inverters with Soft Switching of Transistors. Energies, 18(13), 3474. https://doi.org/10.3390/en18133474

