Comparison of Eddy Current Loss Calculation Techniques for Axial Flux Motors with Printed Circuit Board Windings
Abstract
1. Introduction
2. Eddy Current Loss Calculation Techniques
2.1. Prerequisites
2.2. Method 1
2.3. Method 2
2.4. Method 3
2.5. Method 4
2.6. Method 5
2.7. Method 6
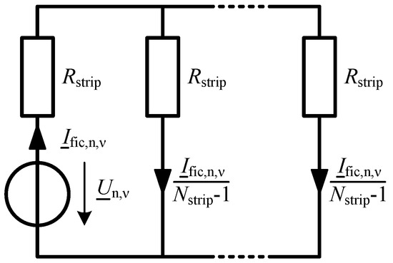
2.8. Method 7
2.9. Method 8
2.10. Method 9
2.11. Method 10
3. Benchmarking/Comparison of Calculation Results
4. Conclusions
Author Contributions
Funding
Data Availability Statement
Acknowledgments
Conflicts of Interest
Nomenclature
| Amplitude of magnetic flux density for harmonic | |
| order with respect to fundamental wave | |
| Amplitude of axial component of magnetic flux density of order with respect | |
| to fundamental wave | |
| Amplitude of tangential component of magnetic flux density of order with | |
| respect to fundamental wave | |
| Peak value of magnetic flux density distribution | |
| Remanence magnetic flux density | |
| Complex Fourier series coefficient of magnetic flux density | |
| Round wire diameter | |
| Electrical frequency of fundamental wave | |
| Coercive magnetic field strength of permanent magnet | |
| Adhesive thickness | |
| Copper track thickness | |
| PCB thickness | |
| Permanent magnet thickness | |
| Thickness of thermal interface material | |
| Complex fictive current phasor n-th strip and -th order | |
| Complex strip current phasor n-th strip and -th order | |
| Carter factor of stator and unslotted rotor | |
| Excess factor | |
| Axial stack length of radial flux machine | |
| Copper track length | |
| Mass of conductor | |
| Number of copper tracks | |
| Number of strips | |
| Number of stator slots | |
| Number of rotor slots | |
| n | Rotational speed |
| Synchronous rotational speed | |
| Mean eddy current losses | |
| Mean eddy current losses for a specific harmonic order | |
| Mean eddy current losses for k-th conductor piece | |
| Specific eddy current losses | |
| Equivalent ohmic resistance | |
| Strip ohmic resistance | |
| Mean radius | |
| Inner radius of axial flux machine | |
| Outer radius of axial flux machine | |
| Rotor slot width | |
| Complex RMS voltage phasor of n-th strip and -th order | |
| Induced RMS voltage of a strip | |
| Copper track volume | |
| Copper track width | |
| Temperature coefficient of copper | |
| Angular width of copper track | |
| Angular position of left copper track edge | |
| Angular position of right copper track edge | |
| Pole covering ratio | |
| Factor for describing magnetic flux density due to slotting | |
| Penetration depth | |
| Auxiliary coefficient | |
| Distortion factor | |
| Copper temperature | |
| Glass transition temperature | |
| Permeability of vacuum | |
| Relative permeability | |
| Permanent magnet recoil permeability | |
| Harmonic order | |
| Specific mass density | |
| Specific electrical conductivity | |
| Effective specific electrical conductivity | |
| Pole pitch | |
| Permanent magnet pitch | |
| Rotor slot pitch | |
| Angular copper track pitch | |
| Mechanical angular frequency | |
| Electrical angular frequency | |
| Abbreviation | |
| FEA | Finite Element Analysis |
| PCB | Printed Circuit Board |
| TIM | Thermal Interface Material |
References
- Jumayev, S.; Boynov, K.O.; Paulides, J.J.H.; Lomonova, E.A.; Pyrhönen, J. Slotless PM Machines with Skewed Winding Shapes: 3-D Electromagnetic Semianalytical Model. IEEE Trans. Magn. 2016, 52, 8108212. [Google Scholar] [CrossRef]
- Gieras, J.; Wang, R.; Kamper, M. Axial Flux Permanent Magnet Brushless Machines, 2nd ed.; Springer Science & Business Media: Berlin/Heidelberg, Germany, 2008. [Google Scholar] [CrossRef]
- Multi Circuit Boards Ltd. Material Default Value—FR4. 26 January 2023. Available online: https://www.multi-circuit-boards.eu/fileadmin/user_upload/downloads/leiterplatten_design-hilfe/e_multi_cb_material-standard-values.pdf (accessed on 23 January 2025).
- Multi Circuit Boards Ltd. Basic Design Rules. Available online: https://www.multi-circuit-boards.eu/en/products/printed-circuit-boards/high-tg-pcb.html (accessed on 23 January 2025).
- Multi Circuit Boards Ltd. Basic Design Rules. 16 January 2025. Available online: https://www.multi-circuit-boards.eu/fileadmin/user_upload/downloads/leiterplatten_design-hilfe/Multi-CB-Leiterplatten_Basic-Design-Rules_en.pdf (accessed on 20 January 2025).
- Bauer, A.; Zacher, B.H.; Schumann, C.; Urschel, S. Challenges and Design Aspects of Power Electronically Fed PCB Motor Windings. In Proceedings of the IKMT 2022—13, GMM/ETG-Symposium, Linz, Austria, 14–15 September 2022; pp. 1–6. [Google Scholar]
- Bauer, A.; Zacher, B.H.; Urschel, S.; Schumann, C. Multilayered PCB-Based Axial Flux Motor Windings with Thermal VIAs to Enhance Thermal Utilization. In Proceedings of the IECON 2023—49th Annual Conference of the IEEE Industrial Electronics Society, Singapore, 16–19 October 2023; pp. 1–6. [Google Scholar] [CrossRef]
- Taran, N.; Ionel, D.M.; Rallabandi, V.; Heins, G.; Patterson, D. An Overview of Methods and a New Three-Dimensional FEA and Analytical Hybrid Technique for Calculating AC Winding Losses in PM Machines. IEEE Trans. Ind. Appl. 2021, 57, 352–362. [Google Scholar] [CrossRef]
- Santiago, J.; Oliveira, J.G.; Lundin, J.; Larsson, A.; Bernhoff, H. Losses in axial-flux permanent-magnet coreless flywheel energy storage systems. In Proceedings of the 18th International Conference on Electrical Machines, Vilamoura, Portugal, 6–9 September 2008; pp. 1–5. [Google Scholar] [CrossRef]
- Würth Elektronik GmbH & Co. KG. Design Guide for High Current Solutions with WIRELAID®. Version 1.4. 14 April 2017. Available online: https://datasheet.datasheetarchive.com/originals/crawler/we-online.de/52cd2d3f59e4ab655b2cb67fc4251db9.pdf (accessed on 11 February 2025).
- Gerling, D. Approximate analytical calculation of the skin effect in rectangular wires. In Proceedings of the 2009 International Conference on Electrical Machines and Systems, Tokyo, Japan, 15–18 November 2009; pp. 1–6. [Google Scholar] [CrossRef]
- Oberretl, K. 13 Rules to Minimize Stray Load Losses in Induction Motors. Bulletin Oerlikon 1969, 389/390, 1–12. [Google Scholar]
- Du-Bar, C.; Wallmark, O. Eddy Current Losses in a Hairpin Winding for an Automotive Application. In Proceedings of the XIII International Conference on Electrical Machines (ICEM), Alexandroupoli, Greece, 1–3 September 2018; pp. 710–716. [Google Scholar] [CrossRef]
- Selema, A.; Ibrahim, M.N.; Sergeant, P. Mitigation of High-Frequency Eddy Current Losses in Hairpin Winding Machines. Machines 2022, 10, 328. [Google Scholar] [CrossRef]
- Oberretl, K. Zusätzliche Wirbelstromverluste in Nutenleitern infolge eindringendem Luftspaltfeld. Arch. Für Elektrotechnik 1978, 60, 121–127. [Google Scholar] [CrossRef]
- Hanselman, D. Brushless Permanent Magnet Motor Design, 2nd ed.; Magna Physics Publishing: Lebanon, OH, USA, 2006. [Google Scholar]
- Müller, G.; Vogt, K.; Ponick, B. Berechnung Elektrischer Maschinen, 6th ed.; WILEY-VCH Verlag GmbH & Co. KGaA: Weinheim, Germany, 2008. [Google Scholar] [CrossRef]
- Binder, A. Energy Converter CAD and System Dynamics; Technische Universität Darmstadt: Darmstadt, Germany, 2023; Available online: https://www.etit.tu-darmstadt.de/media/ew/rd/ew_vorlesungen/lv_cad/CAD_Skript_WS23_24.pdf (accessed on 23 January 2025).
- Burkhardt, Y.; Huth, G.; Urschel, S. Eddy current losses in PM canned motors. In Proceedings of the XIX International Conference on Electrical Machines (ICEM), Rome, Italy, 6–8 September 2010; pp. 1–7. [Google Scholar] [CrossRef]
- Burkhardt, Y. Optimierter Entwurf hocheffizienter PM-Spaltrohrmotoren für Pumpenapplikationen; Kaiserslauterer Beiträge zur Antriebstechnik 5; Shaker: Aachen, Germany, 2011; ISBN 9783844004182. [Google Scholar]
- Bauer, A.; Schumann, C.; Urschel, S. Analytical Calculation of Eddy Current related Losses and Parasitic Torque in PCB Windings. In Proceedings of the 2022 International Conference on Electrical Machines (ICEM), Valencia, Spain, 5–8 September 2022; pp. 1750–1756. [Google Scholar] [CrossRef]
- François, G.; Baudart, F.; Dehez, B. Analytical Estimation of Eddy Current Losses in PCB Winding for the Optimal Sizing of PM Slotless Motor. In Proceedings of the 2019 IEEE International Electric Machines & Drives Conference (IEMDC), San Diego, CA, USA, 12–15 May 2019; pp. 862–869. [Google Scholar] [CrossRef]
- François, G.; Baudart, F.; Henrotte, F.; Dehez, B. Numerical Investigation of Eddy Current Losses in Airgap PCB Windings of Slotless BLDC Motors. In Proceedings of the 2018 21st International Conference on Electrical Machines and Systems (ICEMS), Jeju, Republic of Korea, 7–10 October 2018; pp. 2702–2708. [Google Scholar]
- Scheidt, M. Entwurfskriterien Für Permanentmagneterregte Synchronmaschinen in Zahnspulentechnik Unter Besonderer Berücksichtigung der Zusatzverluste; Kaiserslauterer Beiträge zur Antriebstechnik 3; Shaker: Aachen, Germany, 2009; ISBN 9783832283964. [Google Scholar]








| Method | Original Motor Component | Approach | Magnetic Flux Density Component | Harmonic Content |
|---|---|---|---|---|
| 1 | Electrical steel sheets | Eddy current density distribution and homogenous magnetic flux density distribution | Magnetic flux density vector parallel to sheet surface | Working wave and correction factor for harmonic content |
| 2 | Electrical steel sheets | Eddy current density distribution and homogenous magnetic flux density distribution | Magnetic flux density vector parallel to sheet surface | Working wave amplitude |
| 3 | Motor can | Sinusoidal magnetic flux density distribution in peripheral direction and current density distribution | Only magnetic flux density vector normal to rotor surface | Fourier series coefficients, each order separately |
| 4 | Laminated-core edges after stamping and stacking | Rotor surface losses of induction machines | Only magnetic flux density vector normal to rotor surface | Fourier series coefficients, each order separately |
| 5 | Air gap windings | Eddy current density distribution and homogenous magnetic flux density distribution | Axial and tangential component of magnetic flux density | Either Fourier series coefficients, each order separately, or harmonic correction factor |
| 6 | Round and flat wire in stator slots | Analytical determination of eddy current losses with magnetic flux density from FEA for each conductor in stator slots | Normal and tangential component of magnetic flux density | Fourier series coefficients, each order separately |
| 7 | Rotor cage of induction machines | Strip model with equivalent electrical resistance and equivalent circuit | Only axial component of magnetic flux density | Fourier series coefficients, each order separately |
| 8 | Surface-mounted permanent rotor magnets | Penetration depth of eddy currents in electrically conductive material | Only axial component of magnetic flux density | Fourier series coefficients, each order separately |
| 9 | Ironless planar PCB winding | Lorentzforce and law of conservation of energy | Only axial component of magnetic flux density | Full spectrum with Parseval´s theorem |
| 10 | Round wire air gap windings in coreless axial flux machine | Current displacement with 2D partial differential equations | Only axial component of magnetic flux density | Fourier series coefficients, each order separately |
| Parameter | Value | Parameter | Value |
|---|---|---|---|
| Stator yoke | Hoganäs HR700 | Rotor yoke | S235JR |
| material | 1P 800 MPa | material | |
| Magnet material | NdFeB | , , | |
| 1.17409 | |||
| p | 11 | n | |
| Method | Time Consumed |
|---|---|
| FEA | 3 h 29 min … 3 h 41 min |
| 1 | 7.50 ms |
| 2 | 17.00 ms |
| 3 | 2.61 ms |
| 4 | 7.00 ms |
| 5 | 0.49 ms |
| 6 | 0.50 ms |
| 7a * | 1.28 ms |
| 7b * | 8.14 ms |
| 8 | 2.70 ms |
| 9 ** | 7573.48 ms |
| 1 mm | 1000 r/min | 3500 r/min | 6000 r/min | |||
| Method | Abs | Rel | Abs | Rel | Abs | Rel |
| (mW) | (%) | (mW) | (%) | (mW) | (%) | |
| 1 | +3.23 | +96.7 | +39.37 | +96.0 | +115.27 | +95.3 |
| 2 | +9.72 | +291.3 | +118.91 | +289.9 | +348.99 | +288.5 |
| 3 | +0.37 | +11.1 | +4.38 | +10.7 | +12.43 | +10.3 |
| 4 | +27.31 | +818.4 | +159.62 | +389.1 | +329.36 | +272.2 |
| 5 | +5.32 | +159.3 | +64.97 | +158.4 | +190.49 | +157.5 |
| 6 | +0.39 | +11.7 | +4.66 | +11.4 | +13.26 | +11.0 |
| 7a * | −0.55 | −16.6 | −6.91 | −16.9 | −20.76 | −17.2 |
| 7b * | +0.33 | +10.0 | +3.93 | +9.6 | +11.10 | +9.2 |
| 8 | +0.39 | +11.6 | +4.58 | +11.2 | +13.01 | +10.8 |
| 9 | +0.34 | +10.1 | +3.97 | +9.7 | +11.24 | +9.3 |
| 3 mm | 1000 r/min | 3500 r/min | 6000 r/min | |||
| Method | Abs | Rel | Abs | Rel | Abs | Rel |
| (mW) | (%) | (mW) | (%) | (mW) | (%) | |
| 1 | +80.5 | +83.2 | +970.4 | +80.9 | +2808.0 | +78.6 |
| 2 | +255.7 | +264.4 | +3111.0 | +259.2 | +9059.6 | +253.7 |
| 3 | +0.0 | +0.0 | −14.7 | −1.2 | −87.1 | −2.4 |
| 4 | +179 | +185.1 | +605.6 | +50.5 | +482.2 | +13.5 |
| 5 | +136.9 | +141.5 | +1661.4 | +138.4 | +4838.8 | +135.5 |
| 6 | +3.8 | +3.9 | +31.2 | +2.6 | +47.9 | +1.3 |
| 7a * | −23.2 | −24.0 | −299.1 | −24.9 | −922.8 | −25.8 |
| 7b * | −0.9 | −0.9 | −26.2 | −2.2 | −120.8 | −3.4 |
| 8 | +3.7 | +3.9 | +26.9 | +2.2 | +13.0 | +0.4 |
| 9 ** | −0.8 | −0.8 | −25.3 | −2.1 | −118.1 | −3.3 |
| 5 mm | 1000 r/min | 3500 r/min | 6000 r/min | |||
| Method | Abs | Rel | Abs | Rel | Abs | Rel |
| (mW) | (%) | (mW) | (%) | (mW) | (%) | |
| 1 | +407.6 | +98.8 | +4.88 | +94.5 | +14.03 | +90.5 |
| 2 | +1217.6 | +295.0 | +14.58 | +282.1 | +41.22 | +265.9 |
| 3 | +9.9 | +2.4 | +0.01 | +0.2 | −0.29 | −1.8 |
| 4 | +353.3 | +85.6 | −0.15 | −2.9 | −4.24 | −27.4 |
| 5 | +668.8 | +162 | +8.08 | +156.4 | +23.43 | +151.2 |
| 6 | +52.6 | +12.7 | +0.53 | +10.3 | +1.25 | +8.1 |
| 7a * | −85.7 | −20.8 | −1.16 | −22.5 | −3.73 | −24.1 |
| 7b * | +6.0 | +1.4 | −0.039 | −0.8 | −0.43 | −2.8 |
| 8 | +51.6 | +12.5 | +0.40 | +7.7 | +0.28 | +1.8 |
| 9 ** | +6.2 | +1.5 | −0.036 | −0.7 | −0.42 | −2.7 |
| Unit | Specification |
|---|---|
| CPU | AMD Ryzen Threadripper PRO 7965WX, 128 MB Cache, 24 Cores, |
| 48 Threads, 4.2 … 5.3 GHz | |
| RAM | 256 GB DDR5, 5200 MT/s |
| GPU | NVIDIA ADA 6000, 48 GB, GDDR6 |
| NV Memory | PCIe-NVMe SSD Class 40 |
Disclaimer/Publisher’s Note: The statements, opinions and data contained in all publications are solely those of the individual author(s) and contributor(s) and not of MDPI and/or the editor(s). MDPI and/or the editor(s) disclaim responsibility for any injury to people or property resulting from any ideas, methods, instructions or products referred to in the content. |
© 2025 by the authors. Licensee MDPI, Basel, Switzerland. This article is an open access article distributed under the terms and conditions of the Creative Commons Attribution (CC BY) license (https://creativecommons.org/licenses/by/4.0/).
Share and Cite
Bauer, A.; Dieterich, D.; Urschel, S. Comparison of Eddy Current Loss Calculation Techniques for Axial Flux Motors with Printed Circuit Board Windings. Energies 2025, 18, 2603. https://doi.org/10.3390/en18102603
Bauer A, Dieterich D, Urschel S. Comparison of Eddy Current Loss Calculation Techniques for Axial Flux Motors with Printed Circuit Board Windings. Energies. 2025; 18(10):2603. https://doi.org/10.3390/en18102603
Chicago/Turabian StyleBauer, Andreas, Daniel Dieterich, and Sven Urschel. 2025. "Comparison of Eddy Current Loss Calculation Techniques for Axial Flux Motors with Printed Circuit Board Windings" Energies 18, no. 10: 2603. https://doi.org/10.3390/en18102603
APA StyleBauer, A., Dieterich, D., & Urschel, S. (2025). Comparison of Eddy Current Loss Calculation Techniques for Axial Flux Motors with Printed Circuit Board Windings. Energies, 18(10), 2603. https://doi.org/10.3390/en18102603

