Retrofit of Diesel Engines with H2 for Potential Decarbonization of Non-Electrified Railways: Assessment with Lifecycle Analysis and Advanced Numerical Modeling
Abstract
1. Introduction
2. Materials and Methods
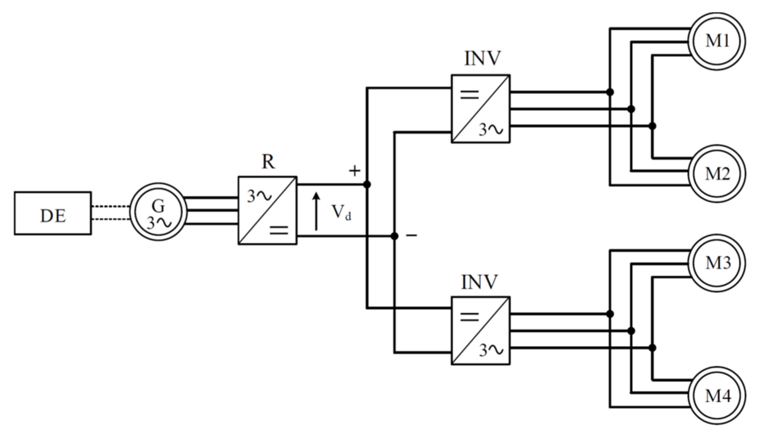
2.1. Performance of the Original Railway Vehicle
2.2. Engine Conversion to Hydrogen Fuel
2.3. Well-to-Wheel Analysis
3. Results and Discussion
3.1. Performance of Modified Diesel Engine (Hydrogen-Fueled Engine)
- Reduced volumetric efficiency due to hydrogen PFI injection. The higher specific volume of hydrogen reduces the amount of air that can be trapped inside the cylinder, resulting in a reduction in the engine power compared to the diesel configuration.
- Lower compression ratio during engine operation to reduce knock risks. This factor clearly affects the efficiency and the maximum achievable power.
- Limited boost pressure. The reduced airflow rate restricts the increase in the boost pressure to achieve the same power as the original engine.
- Engine disassembly;
- Revision and eventual replacement of some components;
- Replacement of pistons to reduce the compression ratio;
- Modification of the cylinder head to place the spark plugs;
- Installation of the phase sensor on the camshaft;
- Engine assembly;
- Installation of throttle valve for load control, ignition system, port-fuel injection system;
- Replacement of the turbocharger unit;
- New engine calibration.
3.2. Train Round-Trip Consumption
3.3. Carbon Footprint
4. Conclusions
- Switching the fuel from diesel to hydrogen causes a reduction in the power generated by the internal combustion engines while the electric traction motors still provide the maximum starting torque. The traction power of 600 kW for the original diesel engine is reduced to 400 kW for the modified engine working with hydrogen.
- In the case of the studied real railway line for suburban services, travel duration slightly increases from the initial 100 to 105 min for the hydrogen version. The low permissible speeds and the proximity between stops help to limit the time increase. However, for lines characterized by higher speeds and heavier rolling stokes, such as freight trains, performance problems might arise.
- The fuel consumption changes from 127 kg of diesel to 87.7 kg of hydrogen for the round trip of the mission profile. The considerable increase in the energy content of the requested fuel for the hydrogen engine is rooted in the engine’s lower maximum power, forcing the hydrogen engine to run at the maximum power for a longer period to achieve nearly the same journey time as the baseline diesel engine.
- The Life Cycle Assessment analysis under a Well-to-Wheel system boundary shows that the carbon footprint of the studied train can significantly drop by utilizing low-carbon hydrogen. Photovoltaic-based green hydrogen can reduce the equivalent CO2 emissions by up to 56% compared to the conventional diesel train. Considering the optimistic methane leakage rate and the carbon capture efficiency for blue hydrogen production, the carbon footprint can decrease by up to 43% with respect to the baseline diesel train.
Author Contributions
Funding
Data Availability Statement
Conflicts of Interest
References
- International Energy Agency (IEA). World Energy Outlook 2022; International Energy Agency (IEA): Paris, France, 2022. [Google Scholar]
- International Energy Agency (IEA). Global Hydrogen Review 2023; International Energy Agency (IEA): Paris, France, 2023. [Google Scholar]
- Bonalumi, D.; Kolahchian Tabrizi, M. Re-Evaluation of the Global Warming Potential for the Production of Lithium-Ion Batteries with Nickel–Manganese–Cobalt Cathode Chemistries in China. Energy Fuels 2022, 36, 13753–13767. [Google Scholar] [CrossRef]
- Kolahchian Tabrizi, M.; Bonalumi, D.; Lozza, G.G. Analyzing the Global Warming Potential of the Production and Utilization of Lithium-Ion Batteries with Nickel-Manganese-Cobalt Cathode Chemistries in European Gigafactories. Energy 2024, 288, 129622. [Google Scholar] [CrossRef]
- Liu, F.; Mauzerall, D.L.; Zhao, F.; Hao, H. Deployment of Fuel Cell Vehicles in China: Greenhouse Gas Emission Reductions from Converting the Heavy-Duty Truck Fleet from Diesel and Natural Gas to Hydrogen. Int. J. Hydrogen Energy 2021, 46, 17982–17997. [Google Scholar] [CrossRef]
- Haseli, Y.; Naterer, G.; Dincer, I. Comparative Assessment of Greenhouse Gas Mitigation of Hydrogen Passenger Trains. Int. J. Hydrogen Energy 2008, 33, 1788–1796. [Google Scholar] [CrossRef]
- Piraino, F.; Genovese, M.; Fragiacomo, P. Towards a New Mobility Concept for Regional Trains and Hydrogen Infrastructure. Energy Convers. Manag. 2021, 228, 113650. [Google Scholar] [CrossRef]
- Jafari Kaleybar, H.; Brenna, M.; Li, H.; Zaninelli, D. Fuel Cell Hybrid Locomotive with Modified Fuzzy Logic Based Energy Management System. Sustainability 2022, 14, 8336. [Google Scholar] [CrossRef]
- Brenna, M.; Foiadelli, F.; Longo, M.; Zaninelli, D. Use of Fuel Cell Generators for Cell-Propelled Trains Renovation. In Proceedings of the 2018 IEEE International Conference on Environment and Electrical Engineering and 2018 IEEE Industrial and Commercial Power Systems Europe (EEEIC/I&CPS Europe), Palermo, Italy, 12–15 June 2018; pp. 1–5. [Google Scholar]
- Bartolucci, L.; Cordiner, S.; Mulone, V.; Pasqualini, F.; Wancura, H. A H2 Based Retrofit of Diesel Locomotives for CO2 Emission Reductions: Design and Control Issues. Int. J. Hydrogen Energy 2022, 47, 32669–32681. [Google Scholar] [CrossRef]
- Nqodi, A.; Mosetlhe, T.C.; Yusuff, A.A. Advances in Hydrogen-Powered Trains: A Brief Report. Energies 2023, 16, 6715. [Google Scholar] [CrossRef]
- Montenegro, G.; Onorati, A.; Della Torre, A. The Prediction of Silencer Acoustical Performances by 1D, 1D–3D and Quasi-3D Non-Linear Approaches. Comput. Fluids 2013, 71, 208–223. [Google Scholar] [CrossRef]
- Cornolti, L.; Onorati, A.; Cerri, T.; Montenegro, G.; Piscaglia, F. 1D Simulation of a Turbocharged Diesel Engine with Comparison of Short and Long EGR Route Solutions. Appl. Energy 2013, 111, 1–15. [Google Scholar] [CrossRef]
- D’Errico, G.; Ferrari, G.; Onorati, A.; Cerri, T. Modeling the Pollutant Emissions from a S.I. Engine. SAE Trans. 2002, 111, 1–11. [Google Scholar]
- D’Errico, G.; Onorati, A.; Ellgas, S. 1D Thermo-Fluid Dynamic Modelling of an S.I. Single-Cylinder H2 Engine with Cryogenic Port Injection. Int. J. Hydrogen Energy 2008, 33, 5829–5841. [Google Scholar] [CrossRef]
- D’Errico, G.; Cerri, T.; Lucchini, T. Development and Application of S.I. Combustion Models for Emissions Prediction; SAE Technical: Warrendale, PA, USA, 2006. [Google Scholar] [CrossRef]
- Gascón, L.; Corberán, J.M. Construction of Second-Order TVD Schemes for Nonhomogeneous Hyperbolic Conservation Laws. J. Comput. Phys. 2001, 172, 261–297. [Google Scholar] [CrossRef]
- Winterbone, D.E.; Pearson, R.J. Theory of Engine Manifold Design; Society of Automotive Engineers: Warrendale, PA, USA, 2000. [Google Scholar]
- Gasdyn Software 2023. Theory Manual. Available online: https://www.polilink.polimi.it/en/casi-di-successo/gasdyn-software-2/ (accessed on 10 November 2023).
- Lipatnikov, A.N.; Chomiak, J. Turbulent Flame Speed and Thickness: Phenomenology, Evaluation, and Application in Multi-Dimensional Simulations. Prog. Energy Combust. Sci. 2002, 28, 1–74. [Google Scholar] [CrossRef]
- Heywood, J.B. Internal Combustion Engine Fundamentals; McGraw-Hill Education: New York, NY, USA, 2018; ISBN 1260116107. [Google Scholar]
- ISO 14040:2006; Environmental Management—Life Cycle Assessment—Principles and Framework. International Organization for Standardization: Geneva, Switzerland, 2006.
- ISO 14044:2006; Environmental Management—Life Cycle Assessment—Requirements and Guidelines. International Organization for Standardization: Geneva, Switzerland, 2006. Available online: https://www.iso.org/standard/38498.html (accessed on 5 July 2022).
- Eriksson, M.; Ahlgren, S. LCAs of Petrol and Diesel: A Literature Review; Rapport (Institutionen för Energi Och Teknik, SLU): Uppsala, Sweden, 2013. [Google Scholar]
- Kolahchian Tabrizi, M.; Famiglietti, J.; Bonalumi, D.; Campanari, S. The Carbon Footprint of Hydrogen Produced with State-of-the-Art Photovoltaic Electricity Using Life-Cycle Assessment Methodology. Energies 2023, 16, 5190. [Google Scholar] [CrossRef]
- Cho, H.H.; Strezov, V.; Evans, T.J. A Review on Global Warming Potential, Challenges and Opportunities of Renewable Hydrogen Production Technologies. Sustain. Mater. Technol. 2023, 35, e00567. [Google Scholar] [CrossRef]
- Jungbluth, N.; Stucki, M.; Frischknecht, R.; Buesser, S. Photovoltaics, Ecoinvent Report No. 6 XII; ESU-Services Ltd.: Uster, Switzerland, 2009. [Google Scholar]
- Wernet, G.; Bauer, C.; Steubing, B.; Reinhard, J.; Moreno-Ruiz, E.; Weidema, B. The Ecoinvent Database Version 3 (Part I): Overview and Methodology. Int. J. Life Cycle Assess. 2016, 21, 1218–1230. [Google Scholar] [CrossRef]
- Terna Electricity Data Archives and the Latest Electricity Report. Available online: https://www.terna.it/it/sistema-elettrico/statistiche/pubblicazioni-statistiche (accessed on 10 February 2023).
- Colbertaldo, P.; Parolin, F.; Campanari, S. A Comprehensive Multi-Node Multi-Vector Multi-Sector Modelling Framework to Investigate Integrated Energy Systems and Assess Decarbonisation Needs. Energy Convers. Manag. 2023, 291, 117168. [Google Scholar] [CrossRef]
- Romano, M.C.; Antonini, C.; Bardow, A.; Bertsch, V.; Brandon, N.P.; Brouwer, J.; Campanari, S.; Crema, L.; Dodds, P.E.; Gardarsdottir, S.; et al. Comment on “How Green Is Blue Hydrogen?”. Energy Sci. Eng. 2022, 10, 1944–1954. [Google Scholar] [CrossRef]
- Makridis, S.S. Hydrogen Storage and Compression. In Methane and Hydrogen for Energy Storage; Institution of Engineering and Technology: Stevenage, UK, 2016; pp. 1–28. [Google Scholar]
- Tahan, M.-R. Recent Advances in Hydrogen Compressors for Use in Large-Scale Renewable Energy Integration. Int. J. Hydrogen Energy 2022, 47, 35275–35292. [Google Scholar] [CrossRef]
- Zhang, J.Z.; Li, J.; Li, Y.; Zhao, Y. Established Methods Based on Compression and Cryogenics. In Hydrogen Generation, Storage, and Utilization; Wiley: Hoboken, NJ, USA, 2014; pp. 75–90. [Google Scholar]
- Valente, A.; Iribarren, D.; Candelaresi, D.; Spazzafumo, G.; Dufour, J. Using Harmonised Life-Cycle Indicators to Explore the Role of Hydrogen in the Environmental Performance of Fuel Cell Electric Vehicles. Int. J. Hydrogen Energy 2020, 45, 25758–25765. [Google Scholar] [CrossRef]
- Linde, A.G. The Ionic Compressor IC90 (90 MPa). Available online: https://www.boconline.co.uk/en/images/Datasheet_Ionic%20Fueler%20IC90_tcm410-410855.pdf (accessed on 10 December 2023).
- Scarlat, N.; Prussi, M.; Padella, M. Quantification of the Carbon Intensity of Electricity Produced and Used in Europe. Appl. Energy 2022, 305, 117901. [Google Scholar] [CrossRef]
- Munshi, S.; Garner, G.; Theissl, H.; Hofer, F.; Raser, B. Total Cost of Ownership (TCO) Analysis for Heavy Duty Hydrogen Fueled Powertrains. Available online: https://www.avl.com/documents/10138/2703324/20201225_Westport_AVL_Whitepaper_Hydrogen_HPDI_final.pdf/3f482167-d9ee-8a00-7e3a-ceb024373fe9 (accessed on 4 May 2021).
- Jin, S.; Li, J.; Deng, L.; Wu, B. Effect of the HPDI and PPCI Combustion Modes of Direct-Injection Natural Gas Engine on Combustion and Emissions. Energies 2021, 14, 1957. [Google Scholar] [CrossRef]
- Green Car Congress Omnitek Develops Diesel-to-Natural Gas Engine Conversion Kits for Mercedes OM904/OM906. Available online: https://www.greencarcongress.com/2012/04/omnitek-20120419.html (accessed on 20 December 2023).
- James, B.D.; Houchins, C.; Huya-Kouadio, J.M.; DeSantis, D.A. Final Report: Hydrogen Storage System Cost Analysis; Strategic Analysis Inc.: Arlington, VA, USA, 2016. [Google Scholar]










| Parameter | Description |
|---|---|
| Diesel engine rated power [kW] | 2 × 365 |
| Vehicle mass [kg] | 68,000 |
| Vehicle maximum speed [km/h] | 140 |
| Maximum power at wheels [kW] | 600 |
| Starting tractive force [kN] | 80 |
| Maximum acceleration [m/s2] | 1.0 |
| Parameter | Description |
|---|---|
| Engine arrangement [-] | 6 in line |
| Bore [cm] | 12.8 |
| Stroke [cm] | 16.6 |
| Total displacement [cm3] | 12,816 |
| Compression ratio [-] | 18:1 |
| Emission compliance | Tier IIIA |
| Parameter | Diesel Engine | Hydrogen Engine |
|---|---|---|
| Fuel injection system | Direct injection | Port injection |
| Ignition system | Compression ignition | Spark ignition |
| Compression ratio [-] | 18:1 | 12:1 |
| Air metering | Turbocharger (turbine diameter: 89.5 mm) | Turbocharger (turbine diameter: 70 mm) |
| Relative air/fuel ratio () at rated power | 1.5 | 1.0 |
| Parameter | Description |
|---|---|
| GWP of green H2 [kg CO2 eq./kg H2] | 2.15 |
| GWP of blue H2 [kg CO2 eq./kg H2] | 3.5 |
| GWP of diesel [kg CO2 eq./kg Diesel] | 3.85 |
| GWP of Italian grid electricity [kg CO2 eq./kWh] | 0.371 |
| GWP of PV electricity for Italy [kg CO2 eq./kWh] | 0.073 |
| Storage pressure [bar] | 700 |
| Compressor power consumption [kWh/kg H2] | 4 |
Disclaimer/Publisher’s Note: The statements, opinions and data contained in all publications are solely those of the individual author(s) and contributor(s) and not of MDPI and/or the editor(s). MDPI and/or the editor(s) disclaim responsibility for any injury to people or property resulting from any ideas, methods, instructions or products referred to in the content. |
© 2024 by the authors. Licensee MDPI, Basel, Switzerland. This article is an open access article distributed under the terms and conditions of the Creative Commons Attribution (CC BY) license (https://creativecommons.org/licenses/by/4.0/).
Share and Cite
Kolahchian Tabrizi, M.; Cerri, T.; Bonalumi, D.; Lucchini, T.; Brenna, M. Retrofit of Diesel Engines with H2 for Potential Decarbonization of Non-Electrified Railways: Assessment with Lifecycle Analysis and Advanced Numerical Modeling. Energies 2024, 17, 996. https://doi.org/10.3390/en17050996
Kolahchian Tabrizi M, Cerri T, Bonalumi D, Lucchini T, Brenna M. Retrofit of Diesel Engines with H2 for Potential Decarbonization of Non-Electrified Railways: Assessment with Lifecycle Analysis and Advanced Numerical Modeling. Energies. 2024; 17(5):996. https://doi.org/10.3390/en17050996
Chicago/Turabian StyleKolahchian Tabrizi, Mehrshad, Tarcisio Cerri, Davide Bonalumi, Tommaso Lucchini, and Morris Brenna. 2024. "Retrofit of Diesel Engines with H2 for Potential Decarbonization of Non-Electrified Railways: Assessment with Lifecycle Analysis and Advanced Numerical Modeling" Energies 17, no. 5: 996. https://doi.org/10.3390/en17050996
APA StyleKolahchian Tabrizi, M., Cerri, T., Bonalumi, D., Lucchini, T., & Brenna, M. (2024). Retrofit of Diesel Engines with H2 for Potential Decarbonization of Non-Electrified Railways: Assessment with Lifecycle Analysis and Advanced Numerical Modeling. Energies, 17(5), 996. https://doi.org/10.3390/en17050996

