Hybrid Deloading Control Strategy in MMC-Based Wind Energy Conversion Systems for Enhanced Frequency Regulation
Abstract
1. Introduction
- (1)
- A hybrid deloading control strategy is proposed for implementing GFM control of offshore WECSs to pursue long-term frequency support to the grid. The proposed strategy could operate the WECSs across a wide range of wind speeds, while ensuring a smooth transition between over-speeding and pitch control modes based on wind speed measurements.
- (2)
- The MSC is controlled to stabilize the DC-link voltage with improved grid support functionality, and the GSC based on the VSG concept efficiently aids in system frequency regulation and inertial response without requiring a PLL.
- (3)
- The performance of the proposed control strategy is evaluated on an MMC-based WECS, reflecting the state of the art in offshore wind energy generation technologies.
2. WECS Modeling
2.1. Wind Turbine Model
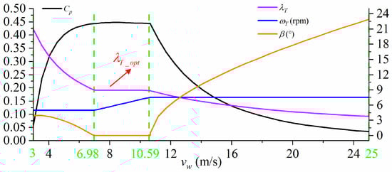
2.1.1. Wind Turbine Aerodynamics
2.1.2. Drivetrain
2.1.3. Pitch Actuator
2.2. PMSG Model
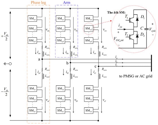
2.3. MMC Model
2.3.1. General MMC Configuration
2.3.2. Machine-Side Control
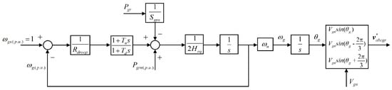
2.3.3. Grid-Side Control
2.3.4. Ancillary Controls
2.4. AC Grid Model
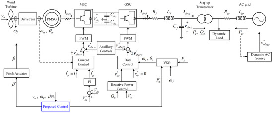
3. Proposed Hybrid Deloading Method
4. Case Studies
4.1. Constant Wind Speeds
4.1.1. Over-Speeding Control Performance
4.1.2. Pitched Control Performance
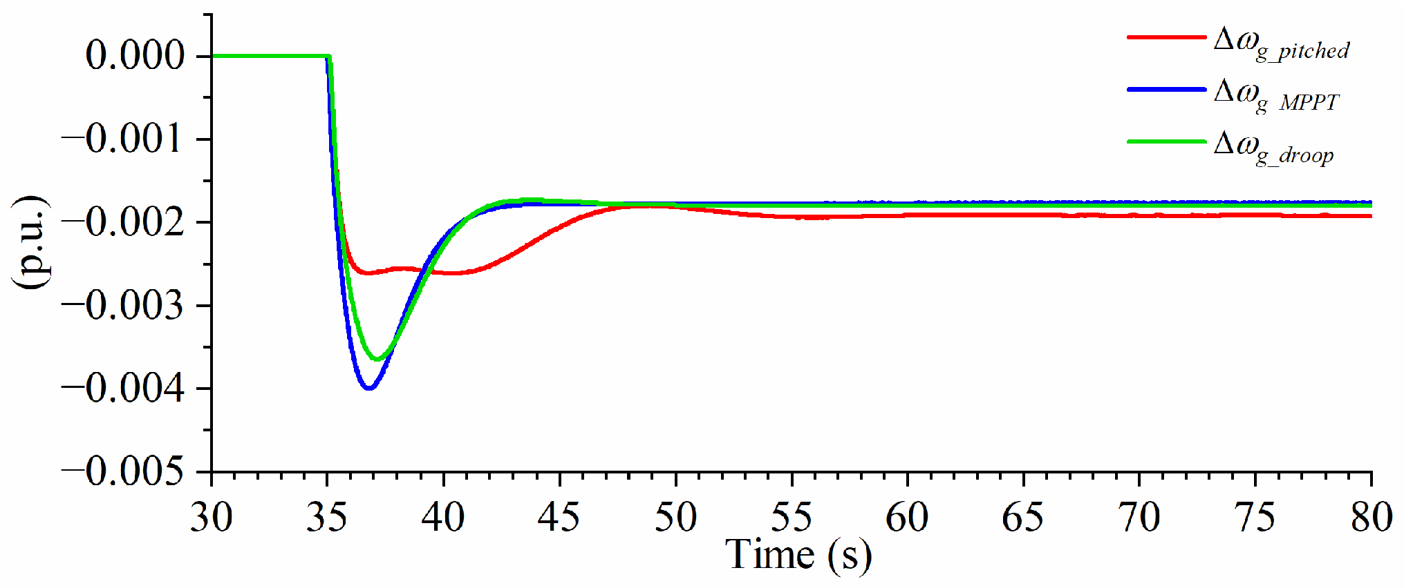
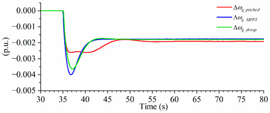
4.2. Varying Wind Speeds
4.3. Future Scope
5. Conclusions
Author Contributions
Funding
Data Availability Statement
Conflicts of Interest
References
- FACT SHEET: Biden-Harris Administration Announces New Actions to Expand U.S. Offshore Wind Energy. Available online: https://www.whitehouse.gov/briefing-room/statements-releases/2022/09/15/fact-sheet-biden-harris-administration-announces-new-actions-to-expand-u-s-offshore-wind-energy (accessed on 21 December 2023).
- Offshore Wind. Available online: https://dep.nj.gov/offshorewind (accessed on 21 December 2023).
- Anaya-Lara, O.; Tande, J.O.; Uhlen, K.; Merz, K. Offshore Wind Energy Technology; John Wiley & Sons: Hoboken, NJ, USA, 2018; pp. 20–23. [Google Scholar]
- Catalán, P.; Wang, Y.; Arza, J.; Chen, Z. A Comprehensive Overview of Power Converter Applied in High-Power Wind Turbine: Key Challenges and Potential Solutions. IEEE Trans. Power Electron. 2023, 38, 6169–6195. [Google Scholar] [CrossRef]
- Li, K.; Liao, Y.; Lin, H.; Liu, R.; Zhang, J. Circulating Current Suppression with Improved DC-Link Power Quality for Modular Multilevel Converter. IET Gener. Transm. Distrib. 2018, 12, 2220–2230. [Google Scholar] [CrossRef]
- Li, K.; Liao, Y.; Liu, R.; Zhang, J. An Improved Nearest-Level Modulation for Modular Multi-Level Converters. Int. J. Power Electron. 2018, 9, 150–166. [Google Scholar] [CrossRef]
- Yaramasu, V.; Wu, B. Model Predictive Control of Wind Energy Conversion Systems; John Wiley & Sons: Hoboken, NJ, USA, 2017; pp. 39–44. [Google Scholar]
- Rosso, R.; Wang, X.; Liserre, M.; Lu, X.; Engelken, S. Grid-Forming Converters: Control Approaches, Grid-Synchronization, and Future Trends—A Review. IEEE Open J. Ind. Appl. 2021, 2, 93–109. [Google Scholar] [CrossRef]
- Pan, D.; Wang, X.; Liu, F.; Shi, R. Transient Stability of Voltage-Source Converters with Grid-Forming Control: A Design-Oriented Study. IEEE Trans. Emerg. Sel. Topics Power Electron. 2020, 8, 1019–1033. [Google Scholar] [CrossRef]
- Qoria, T.; Rokrok, E.; Bruyere, A.; François, B.; Guillaud, X. A PLL-Free Grid-Forming Control with Decoupled Functionalities for High-Power Transmission System Applications. IEEE Access 2020, 8, 197363–197378. [Google Scholar] [CrossRef]
- Chen, J.; Liu, M.; Guo, R.; Zhao, N.; Milano, F.; O’Donnell, T. Co-ordinated Grid Forming Control of AC-Side-Connected Energy Storage Systems for Converter-Interfaced Generation. Int. J. Electr. Power Energy Syst. 2021, 133, 107201. [Google Scholar] [CrossRef]
- Zhao, F.; Wang, X.; Zhou, Z.; Harnefors, L.; Svensson, J.R.; Kocewiak, L.H.; Gryning, M.P.S. Control Interaction Modeling and Analysis of Grid-Forming Battery Energy Storage System for Offshore Wind Power Plant. IEEE Trans. Power Syst. 2022, 37, 497–507. [Google Scholar] [CrossRef]
- Huang, L.; Wu, C.; Zhou, D.; Chen, L.; Pagnani, D.; Blaabjerg, F. Challenges and Potential Solutions of Grid-Forming Converters Applied to Wind Power Generation System—An Overview. Front. Energy Res. 2023, 11, 1040781. [Google Scholar] [CrossRef]
- Strunz, K.; Almunem, K.; Wulkow, C.; Kuschke, M.; Valescudero, M.; Guillaud, X. Enabling 100% Renewable Power Systems Through Power Electronic Grid-Forming Converter and Control: System Integration for Security, Stability, and Application to Europe. Proc. IEEE 2023, 111, 891–915. [Google Scholar] [CrossRef]
- Morren, J.; de Haan, S.W.H.; Kling, W.L.; Ferreira, J.A. Wind Turbines Emulating Inertia and Supporting Primary Frequency Control. IEEE Trans. Power Syst. 2006, 21, 433–434. [Google Scholar] [CrossRef]
- Li, Y.; Yuan, X.; Li, J.; Xiao, H.; Xu, Z.; Du, Z. Novel Grid-Forming Control of PMSG-Based Wind Turbine for Integrating Weak AC Grid Without Sacrificing Maximum Power Point Tracking. IET Gener. Transm. Distrib. 2021, 15, 1613–1625. [Google Scholar] [CrossRef]
- Lu, Z.; Ye, Y.; Qiao, Y. An Adaptive Frequency Regulation Method with Grid-Friendly Restoration for VSC-HVDC Integrated Offshore Wind Farms. IEEE Trans. Power Syst. 2019, 34, 3582–3593. [Google Scholar] [CrossRef]
- Avazov, A.; Colas, F.; Beerten, J.; Guillaud, X. Application of Input Shaping Method to Vibrations Damping in a Type-IV Wind Turbine Interfaced with a Grid-Forming Converter. Electr. Power Syst. Res. 2022, 210, 108083. [Google Scholar] [CrossRef]
- Zhang, J.; Li, J. Modeling and Control of an Islanded Campus Microgrid with Coordinated CHP and PV Systems. In Proceedings of the 2021 IEEE Power & Energy Society General Meeting (PESGM), Washington, DC, USA, 26–29 July 2021. [Google Scholar]
- Lyu, X.; Groß, D. Grid Forming Fast Frequency Response for PMSG-Based Wind Turbines. IEEE Trans. Sustain. Energy 2024, 15, 23–38. [Google Scholar] [CrossRef]
- Wilches-Bernal, F.; Chow, J.H.; Sanchez-Gasca, J.J. A Fundamental Study of Applying Wind Turbines for Power System Frequency Control. IEEE Trans. Power Syst. 2016, 31, 1496–1505. [Google Scholar] [CrossRef]
- Díaz-González, F.; Hau, M.; Sumper, A.; Gomis-Bellmunt, O. Participation of Wind Power Plants in System Frequency Control: Review of Grid Code Requirements and Control Methods. Renew. Sustain. Energy Rev. 2014, 34, 551–564. [Google Scholar] [CrossRef]
- Fernández-Bustamante, P.; Barambones, O.; Calvo, I.; Napole, C.; Derbeli, M. Provision of Frequency Response from Wind Farms: A Review. Energies 2021, 14, 6689. [Google Scholar] [CrossRef]
- Deng, F.; Chen, Z. Elimination of DC-Link Current Ripple for Modular Multilevel Converters with Capacitor Voltage-Balancing Pulse-Shifted Carrier PWM. IEEE Trans. Power Electron. 2014, 30, 284–296. [Google Scholar] [CrossRef]
- Castillo, O.C.; Andrade, V.R.; Rivas, J.J.R.; González, R.O. Comparison of Power Coefficients in Wind Turbines Considering the Tip Speed Ratio and Blade Pitch Angle. Energies 2023, 16, 2774. [Google Scholar] [CrossRef]
- Definition of the IEA 15-Megawatt Offshore Reference Wind; National Renewable Energy Laboratory: Golden, CO, USA, 2020.
- Boukhezzar, B.; Siguerdidjane, H. Nonlinear Control of a Variable-Speed Wind Turbine Using a Two-Mass Model. IEEE Trans. Energy Convers. 2011, 26, 149–162. [Google Scholar] [CrossRef]
- Kim, J.; Lee, S.H.; Park, J.W. Inertia-Free Stand-Alone Microgrid—Part II: Inertia Control for Stabilizing DC-Link Capacitor Voltage of PMSG Wind Turbine System. IEEE Trans. Ind. Appl. 2018, 54, 4060–4068. [Google Scholar] [CrossRef]
- Wu, B.; Lang, Y.; Zargari, N.; Kouro, S. Power Conversion and Control of Wind Energy Systems; John Wiley & Sons: Hoboken, NJ, USA, 2011; pp. 277–279. [Google Scholar]
- Ebrahimi, M.; Khajehoddin, S.A.; Karimi-Ghartemani, M. An Improved Damping Method for Virtual Synchronous Machines. IEEE Trans. Sustain. Enery. 2019, 10, 1491–1500. [Google Scholar] [CrossRef]
- Half-Bridge MMC. Available online: https://www.mathworks.com/help/sps/powersys/ref/halfbridgemmc.html (accessed on 26 December 2023).
- Du, S.; Dekka, A.; Wu, B.; Zargari, N. Modular Multilevel Converters: Analysis, Control, and Applications; John Wiley & Sons: Hoboken, NJ, USA, 2018. [Google Scholar]
- Kundur, P.S. Power System Stability and Control; McGraw Hill: New York, NY, USA, 1994; p. 428. [Google Scholar]
- Hur, S. Short-Term Wind Speed Prediction Using Extended Kalman Filter and Machine Learning. Energy Rep. 2021, 7, 1046–1054. [Google Scholar] [CrossRef]




























| vw (m/s) | βdel (°) |
|---|---|
| 8.83 | 3.2680 |
| 8.87 | 3.2987 |
| 9.25 | 3.3849 |
| 9.66 | 3.3790 |
| 10.08 | 3.3021 |
| 10.49 | 3.1655 |
| Wind turbine | |||
| Power coefficient | 0.481 | Optimal TSR | 8.878 |
| Rotor radius (m) | 120 | Rated speed (rad/s) | 0.7835 |
| Min. speed (rad/s) | 0.5236 | Max. speed (rad/s) | 0.7917 |
| Moment of inertia (kg·m2) | 3.525 × 108 | Viscous friction coeff. KT (p.u.) | 2 × 10−3 |
| Stiffness coeff. KS (p.u.) | 0.4 | Damping coeff. BS (p.u.) | 1.5 |
| Pitch actuator coeffs. [a b c] | [1 5 28] | Pitch angle limits [βmin βmax] (°) | [0 27] |
| Change rates [] (°/s) | [−10 10] | ||
| PMSG | |||
| Rated electrical power ((MW) | 15 | Rated stator frequency (Hz) | 12.6 |
| Rated phase voltage (V rms) | 4770 | Flux linkage (Wb) | 79.321 |
| Stator resistance (Ω) | 0.16 | Self-inductance (H) | 0.0204 |
| Number of pole pairs (Pp) | 100 | Moment of inertia (kg·m2) | 3.1 × 107 |
| Viscous friction coeff. Km (p.u.) | 2 × 10−3 | ||
| MMCs | |||
| Nominal DC-link voltage (kV) | 16 | Number of SMs per arm | 20 |
| Arm inductance (mH) | 3.5 | Arm resistance (mΩ) | 80 |
| DC-link capacitor (mF) | 200 | PWM carrier frequency (Hz) | 600 |
| Droop coeff. (Var/V) | 2.3 × 104 | Droop coeff. (W/rad/s) | 2.06 × 106 |
| VSG time constant (s) | 4.2 | Power damping coeff. (p.u.) | 0.03 |
| LC filter | |||
| Resistance (mΩ) | 20 | Inductance (mH) | 1 |
| Capacitance (mF) | 40 | ||
| Step-up transformer | |||
| Power rating (MVA) | 20 | Voltages: 8262V-D1/66kV-Yg | |
| AC grid | |||
| Droop coeff. (p.u.) | 0.02 | Turbine time constants [] | [2 6] |
| Power rating (MVA) | 50 | Active power ref. | 0 |
| Inertia time constant (s) | 6.7 | ||
Disclaimer/Publisher’s Note: The statements, opinions and data contained in all publications are solely those of the individual author(s) and contributor(s) and not of MDPI and/or the editor(s). MDPI and/or the editor(s) disclaim responsibility for any injury to people or property resulting from any ideas, methods, instructions or products referred to in the content. |
© 2024 by the authors. Licensee MDPI, Basel, Switzerland. This article is an open access article distributed under the terms and conditions of the Creative Commons Attribution (CC BY) license (https://creativecommons.org/licenses/by/4.0/).
Share and Cite
Zhang, J.; Li, J. Hybrid Deloading Control Strategy in MMC-Based Wind Energy Conversion Systems for Enhanced Frequency Regulation. Energies 2024, 17, 1253. https://doi.org/10.3390/en17051253
Zhang J, Li J. Hybrid Deloading Control Strategy in MMC-Based Wind Energy Conversion Systems for Enhanced Frequency Regulation. Energies. 2024; 17(5):1253. https://doi.org/10.3390/en17051253
Chicago/Turabian StyleZhang, Jimiao, and Jie Li. 2024. "Hybrid Deloading Control Strategy in MMC-Based Wind Energy Conversion Systems for Enhanced Frequency Regulation" Energies 17, no. 5: 1253. https://doi.org/10.3390/en17051253
APA StyleZhang, J., & Li, J. (2024). Hybrid Deloading Control Strategy in MMC-Based Wind Energy Conversion Systems for Enhanced Frequency Regulation. Energies, 17(5), 1253. https://doi.org/10.3390/en17051253

