Adaptive Hybrid Overcurrent Protection Scheme with High Shares of Distributed Energy Resources
Abstract
1. Introduction
1.1. Motivation and Challenges
1.2. Contribution and Organization
- Proposing an extension to definite-time overcurrent relays (ANSI 50/51) with a directional feature with the use of current threshold and communication-based CPAD tripping logic for primary and backup protection.
- Implementing the proposed tripping logic in the existing overcurrent relays in pandapower.
- Computing short-circuits in a comprehensive medium voltage benchmark grid to evaluate the range of CPAD in healthy and faulty conditions and in grid-connected and islanded modes.
- Introducing and demonstrating a methodology to analyze the requirements of the proposed scheme concerning the ICT latencies and the CPAD tripping zones.
2. Working Principles of the Proposed Protection Scheme
2.1. Fault Detection with CPAD Measurement
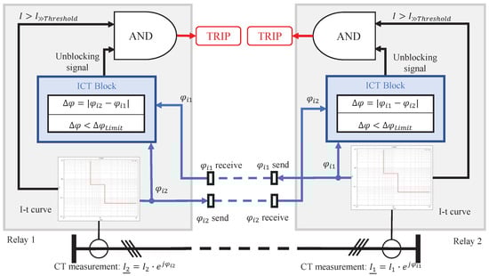
2.2. Proposed ICT-Based Scheme for Primary Protection
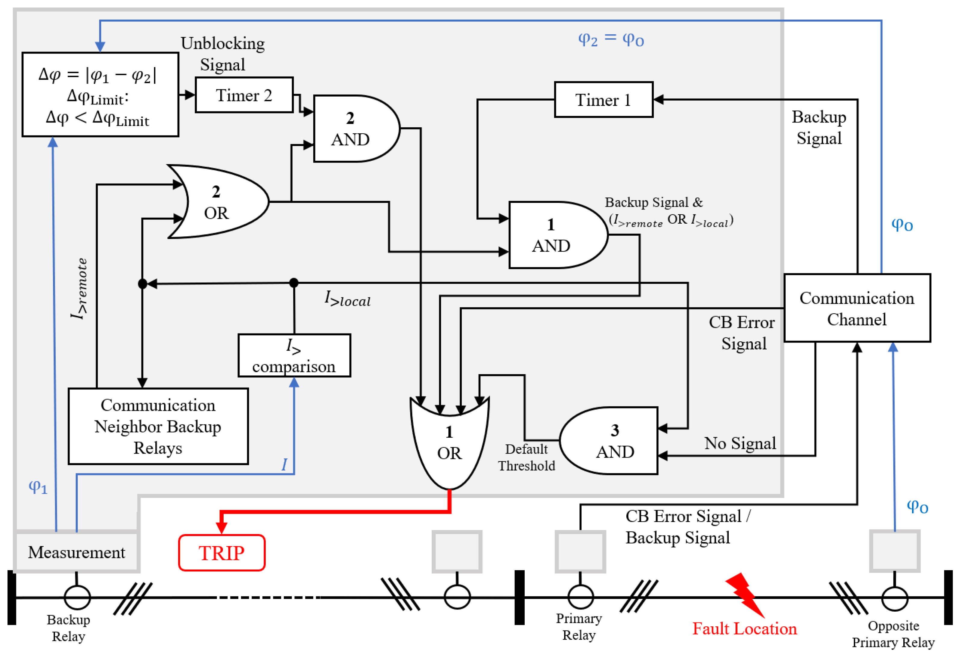
2.3. Proposed ICT-Based Scheme for Backup Protection
- Boolean Signals
- –
- No Signal: This signal is set to true by the signal check if there is no incoming communication from other relays.
- –
- CB Error Signal: It becomes true when the circuit breaker (CB) fails to open.
- –
- Backup Signal: This signal becomes true as soon as the threshold of the primary relay is exceeded. The signal to “AND gate 2” will be received after the preset delay by timer 2.
- –
- Unblocking Signal: It allows the tripping signal if .
- –
- Signal: It is true as long as the threshold is overreached.
- –
- Default Threshold Signal: It considers the default setting of the backup relay as an input to the “AND gate 3” if the CPAD calculation is not possible because of missing measurements and communication.
- Numerical Signal
- –
- Signal: It contains the current phasor angle information and is sent when the threshold of the corresponding opposite primary relay is overreached.
2.4. Communication Requirement Definition
2.4.1. Communication Infrastructure
2.4.2. Requirements Analysis About the ICT Latencies
2.5. Comparison: Conventional and Proposed Method
3. Implementation and Modeling of the Relay Modules
3.1. Overcurrent Module
- Setting calculation;
- Measurement;
- Trip decision.
3.1.1. Overcurrent Relay Implementation: Static
3.1.2. Overcurrent Relay Controller


3.2. Automated Current Threshold Determination and Adaptation
4. System Description, Test Grid, and Simulation Method
4.1. Benchmark Grid Model
4.2. Evaluation of CPAD Limits Concerning Applicability and ICT Latencies
5. Case Study and Results
5.1. Validation of the Proposed Protection Scheme
5.1.1. Grid-Connected Mode
5.1.2. Islanded Mode
5.2. Robustness Check with Different R/X Ratio of the DERs
5.2.1. Grid-Connected Mode
5.2.2. Islanded Mode
5.3. Robustness Check with a Dynamic Simulation
5.3.1. Test Grid Model and Considerations in the Method
5.3.2. CPAD Results with the Dynamic Simulation
5.4. Calculation of the ICT Latencies
6. Discussion and Conclusions
7. Outlook
Author Contributions
Funding
Data Availability Statement
Acknowledgments
Conflicts of Interest
Abbreviations
| HV | High voltage |
| MV | Medium voltage |
| ICT | Information and communication technology |
| DERs | Distributed energy resources |
| CPAD | Current-phasor angular difference |
| CPADP | CPAD primary |
| CPADB | CPAD backup |
| DTOC | Definite time overcurrent |
| IDMT | Inverse definite minimum time |
| DSOs | Distribution system operators |
| VDE | Verband der Elektrotechnik, Elektronik und Informationstechnik |
| GPS | Global Positioning System |
| CT | Current transformer |
| VT | Voltage transformer |
| CB | Circuit breaker |
| PUTT | Permissive underreach transfer trip |
| POTT | Permissive overreach transfer trip |
References
- VDE, e.V. Schutz- und Automatisierungstechnik in Aktiven Verteilnetzen. 2018. Available online: https://www.vde.com/de/etg/publikationen/studien/studie-sua (accessed on 10 December 2024).
- VDE/FNN-Hinweis. Netzschutzkonzepte für Zukünftige Netze; VDE Verlag GmbH: Frankfurt am Main, Germany, 2022. [Google Scholar]
- Xiang, Y.; Wang, T.; Wang, Z. Framework for Preventive Control of Power Systems to Defend Against Extreme Events. CSEE J. Power Energy Syst. 2024, 10, 856–870. [Google Scholar]
- Barranco-Carlos, A.; Orozco-Henao, C.; Marín-Quintero, J.; Mora-Flórez, J.; Herrera-Orozco, A. Adaptive Protection for Active Distribution Networks: An Approach Based on Fuses and Relays with Multiple Setting Groups. IEEE Access 2023, 11, 31075–31091. [Google Scholar] [CrossRef]
- Jain, A.; Mishra, A. Changes & challenges in smart grid towards smarter grid. In Proceedings of the 2016 International Conference on Electrical Power and Energy Systems (ICEPES), Bhopal, India, 14–16 December 2016; pp. 62–67. [Google Scholar]
- Lang, J.; Pascoe, S.; Thompson, J.; Woyak, J.; Rahimi, K.; Broadwater, R. Smart Grid Big Data: Automating Analysis of Distribution Systems. In Proceedings of the 2016 IEEE Rural Electric Power Conference (REPC), Westminster, CO, USA, 15–18 May 2016; pp. 62–67. [Google Scholar]
- Kashyap, N.; Yang, C.; Sierla, S.; Flikkema, P.G. Automated Fault Location and Isolation in Distribution Grids with Distributed Control and Unreliable Communication. IEEE Trans. Ind. Electron. 2015, 62, 2612–2619. [Google Scholar] [CrossRef]
- Banerjee, G.; Klingmann, A.; Valov, M.; Lafferte, D.; Hachmann, C.; Braun, M. Protection and Dynamic Analysis during Bottom-Up Restoration Process in MV/LV Microgrids. In Proceedings of the 2019 International Conference on Smart Energy Systems and Technologies (SEST), Porto, Portugal, 9–11 September 2019; pp. 1–6. [Google Scholar]
- Kashyap, N.; Yang, C.; Sierla, S.; Flikkema, P.G. Protection challenges under bulk penetration of renewable energy resources in power systems: A review. IEEE Trans. Ind. Electron. 2017, 3, 365–379. [Google Scholar]
- Hong, Q.; Yang, C.; Blair, S.M.; Booth, C.D.; Catterson, V.M.; Dysko, A.; Rahman, T. Enabling Efficient Engineering Processes and Automated Analysis for Power Protection Systems. IEEE Trans. Ind. Electron. 2017, 12, 340–349. [Google Scholar] [CrossRef]
- Nikolaidis, V.C.; Papanikolaou, E.; Safigianni, A.S. A Communication-Assisted Overcurrent Protection Scheme for Radial Distribution Systems with Distributed Generation. IEEE Trans. Smart Grid 2016, 7, 114–123. [Google Scholar] [CrossRef]
- Ziegler, G. Numerical Distance Protection: Principles and Applications; Siemens Aktiengesellschaft, Berlin und Mönchen; Publicis Corporate Publishing: Erlangen, Germany, 2011; pp. 32–58. [Google Scholar]
- Shobole, A.A.; Wadi, M. Multiagent systems application for the smart grid protection. Renew. Sustain. Energy Rev. 2021, 149, 111352. [Google Scholar] [CrossRef]
- Khalid, H.; Shobole, A. Existing Developments in Adaptive Smart Grid Protection: A Review. Electr. Power Syst. Res. 2021, 191, 106901. [Google Scholar] [CrossRef]
- Gutierrez-Rojas, D.; Nardelli, P.H.J.; Mendes, G.; Popovski, P. Review of the State of the Art on Adaptive Protection for Microgrids Based on Communications. IEEE Trans. Ind. Informaticse 2021, 17, 1539–1552. [Google Scholar] [CrossRef]
- Kasztenny, B.; Voloh, I.; Udren, E.A. Rebirth of the phase comparison line protection principle. In Proceedings of the 59th Annual Conference for Protective Relay Engineers, College Station, TX, USA, 4–6 April 2006; pp. 1–7. [Google Scholar]
- Thurner, L.; Scheidler, A.; Schafer, F.; Menke, J.-H.; Dollichon, J.; Meier, F.; Meinecke, F.; Braun, M. Pandapower—An Open-Source Python Tool for Convenient Modeling, Analysis, and Optimization of Electric Power Systems. IEEE Trans. Power Syst. 2018, 191, 6510–6521. [Google Scholar] [CrossRef]
- Botong, L.; Fahui, C.; Bin, L.; Jing, Z.; Xiaotong, J.; Fan, X.; Qiteng, H. A Multi-Terminal Current Differential Protection Setting Method for Fully Weak-Infeed Distribution Networks Based on Restricted Enumeration Method. IEEE Trans. Smart Grids 2024, 15, 2570–2585. [Google Scholar]
- Lipphardt, J. Investigation of an ICT-Based Protection Scheme for Short-Circuit Events and an Overload Protection Scheme to Reduce Cascading Outages on hv/mv Grids. Master’s Thesis, University of Kassel, Kassel, Germany, 2023. [Google Scholar]
- Schossig, W.; Schossig, T. Netzschutztechnik, 7th ed.; VDE Verlag GmbH: Berlin, Germany, 2021. [Google Scholar]
- Eder-Neuhauser, P.; Zseby, T.; Fabini, J. Resilience and Security: A Qualitative Survey of Urban Smart Grid Architectures. IEEE Access 2016, 4, 839–848. [Google Scholar] [CrossRef]
- Metchkarski, N.; Stanev, R.; Thompson, J.; Tzolov, A. Information and Communication Technologies Potential for Future Power Systems Control. In Proceedings of the 2019 11th Electrical Engineering Faculty Conference (BulEF), Varna, Bulgaria, 11–14 September 2019; pp. 1–7. [Google Scholar]
- Srikantha, P.; Kundur, J. Intelligent Signal Processing and Coordination for the Adaptive Smart Grid: An Overview of Data-Driven Grid Management. IEEE Signal Process. Mag. 2019, 36, 82–102. [Google Scholar] [CrossRef]
- Korner, C.; Gavriluta, C.; Pröstl Andrén, F.; Meisel, M.; Sauter, T. Impact of communication latency on distributed optimal power flow performance. Energy Inform. 2020, 3, 13. [Google Scholar] [CrossRef]
- Kaderka, J.; Urbanec, U. Time and sample rate synchronization of RTL-SDR using a GPS receiver. In Proceedings of the 2020 30th International Conference Radioelektronika (RADIOELEKTRONIKA), Bratislava, Slovakia, 15–16 April 2020; pp. 1–4. [Google Scholar]
- Ziegler, G. Numerical Differential Protection: Principles and Applications; Siemens Aktiengesellschaft, Berlin und Mönchen; Publicis Corporate Publishing: Erlangen, Germany, 2012. [Google Scholar]
- Bolgaryn, R.; Banerjee, G.; Meinecke, S.; Meinecke, H.; Marten, F.; Richter, M.; Liu, Z.; Lyta, P.; Alfakhouri, B.; Kisse, J.; et al. Open Source Simulation Software pandapower and pandapipes: Recent Developments. In Proceedings of the 2023 Open Source Modelling and Simulation of Energy Systems (OSMSES), Aachen, Germany, 27–29 March 2023; pp. 1–7. [Google Scholar]
- IEC 60255-151; Measuring Relays and Protection Equipment-Part 151: Functional Requirements for Overcurrent Protection. International Electrotechnical Commission: Geneva, Switzerland, 2009.
- ALSTOM. Network Protection and Automation Guide: Protective Relays, Measurement and Control; Alstom Grid; Publicis Corporate Publishing: London, UK, 2011. [Google Scholar]
- Lytaev, P.; Banerjee, P.; Haack, J. Adaptive and Automated Protection Settings for Over-Current Relays in Radial Grid Configuration. In Proceedings of the PESS 2021–Power and Energy Student Summit, Online, 25–26 November 2021; pp. 1–6. [Google Scholar]
- DIgSILENT GmbH. DIgSILENT PowerFactory; Version 2020; DIgSILENT GmbH: Gomaringen, Germany, 2020. [Google Scholar]
- Meinecke, S.; Drauz, S.; Klettke, A.; Sarajlić, S.; Sprey, J.; Spalthoff, C.; Kittl, C.; Braun, M.; Moser, A.; Rehtanz, C. SimBench Documentation-Electric Power System Benchmark Models. 2020. Available online: www.simbench.net (accessed on 10 December 2024).
- Documentation Simulink. Simulation and Model-Based Design. MathWorks, Natick, Massachusetts, United States, 2022. Available online: https://www.mathworks.com (accessed on 2 November 2024).
- The MathWorks Inc. MATLAB Version: 9.13.0 (R2022b); The MathWorks Inc.: Natick, MA, USA, 2022; Available online: https://www.mathworks.com/products/simulink.html (accessed on 2 November 2024).

















| Signal | Case 0 | Case 1 | Case 2 | Case 3 | Case 4 | Case 5 | Case 6 |
|---|---|---|---|---|---|---|---|
| No Signal | False | False | False | False | True | False | False |
| CB Error Signal | False | True | False | False | False | False | False |
| Backup Signal | True | True | True | False | False | False | False |
| Unblocking Signal | False | False | False | True | False | False | False |
| Signal | True | True | True | True | True | False | True |
| Default threshold | False | False | False | False | True | False | False |
| Signal | Valid value | Valid value | Valid value | Valid value | No value | No value | Valid value |
| Signal | Valid value | Valid value | Valid value | Valid value | No value | No value | Valid value |
| Requirement | ANSI 67 Relay | ANSI 21 Relay | ANSI 87 Relay | Proposed Method |
|---|---|---|---|---|
| Measurement hardware | CTs and VTs | CTs and VTs | CTs | CTs |
| Communication | no | optional | yes | yes |
| Hardware installation | more effort | more effort | less effort | less effort |
| Protection zone (Primary and Backup) | Both | Both | Only Primary | Both |
| Installation space required | yes | yes | no | no |
| Setting | Calculation | Description |
|---|---|---|
| (line rated current) | overload factor of line current factor of CT | |
| (3-phase short-circuit current) | minimum short-circuit current calculated at the the faulty line |
| Grid Element | Grid Data: 1-MV-semiurb–0-sw |
|---|---|
| External Grid | 1 |
| Transformer | 2 |
| Bus | 117 |
| Breaker | 239 |
| Line | 121 |
| Load | 115 |
| SGen | 121 |
| CPAD Angle | Faulty Lines | Healthy Lines |
|---|---|---|
| Primary Protection (CPADP) | – | – |
| Backup Protection (CPADB) | – | – |
Disclaimer/Publisher’s Note: The statements, opinions and data contained in all publications are solely those of the individual author(s) and contributor(s) and not of MDPI and/or the editor(s). MDPI and/or the editor(s) disclaim responsibility for any injury to people or property resulting from any ideas, methods, instructions or products referred to in the content. |
© 2024 by the authors. Licensee MDPI, Basel, Switzerland. This article is an open access article distributed under the terms and conditions of the Creative Commons Attribution (CC BY) license (https://creativecommons.org/licenses/by/4.0/).
Share and Cite
Banerjee, G.; Hachmann, C.; Lipphardt, J.; Wiese, N.; Braun, M. Adaptive Hybrid Overcurrent Protection Scheme with High Shares of Distributed Energy Resources. Energies 2024, 17, 6422. https://doi.org/10.3390/en17246422
Banerjee G, Hachmann C, Lipphardt J, Wiese N, Braun M. Adaptive Hybrid Overcurrent Protection Scheme with High Shares of Distributed Energy Resources. Energies. 2024; 17(24):6422. https://doi.org/10.3390/en17246422
Chicago/Turabian StyleBanerjee, Gourab, Christian Hachmann, Jan Lipphardt, Nils Wiese, and Martin Braun. 2024. "Adaptive Hybrid Overcurrent Protection Scheme with High Shares of Distributed Energy Resources" Energies 17, no. 24: 6422. https://doi.org/10.3390/en17246422
APA StyleBanerjee, G., Hachmann, C., Lipphardt, J., Wiese, N., & Braun, M. (2024). Adaptive Hybrid Overcurrent Protection Scheme with High Shares of Distributed Energy Resources. Energies, 17(24), 6422. https://doi.org/10.3390/en17246422

