Abstract
This study investigates the dynamic regulation of the sodium cold trap purification temperature at Argonne National Laboratory’s liquid sodium test facility, employing long short-term memory (LSTM) system identification techniques. The investigation introduces an innovative hybrid approach by integrating model predictive control (MPC) based on first principles dynamic models with a multi-step time–frequency LSTM model in predicting the temperature profiles of a sodium cold trap purification system. The long short-term memory–model predictive controller (LSTM-MPC) model employs a sliding window scheme to gather training samples for multi-step prediction, leveraging historical data to construct predictive models that capture the non-linearities of the complex system dynamics without explicitly modeling the underlying physical processes. The performance of the LSTM-MPC and MPC were evaluated through simulation experiments, where both models were assessed on their capacity to maintain the cold trap temperature within predefined set-points while minimizing deviations and overshoots. Results obtained show how the data-driven LSTM-MPC model demonstrates stability and adaptability. In contrast, the traditional MPC model exhibits irregularities, particularly evident as overshoots around set-point limits, which can potentially compromise its effectiveness over long prediction time intervals. The findings obtained offer valuable insights into integrating data-driven techniques for enhancing real-time monitoring systems.
1. Introduction
Nuclear energy is one of the promising clean energy solutions for the immediate future as a result of its low net-zero carbon emissions. The US department of energy is supporting advanced research technologies for sodium fast-cooled reactors as one of best alternatives for safe and efficient nuclear power production [1]. Actually, the first nuclear power reactor for electricity generation in 1951 was a sodium-cooled reactor. Liquid metal-cooled reactors such as sodium or lead have a number of unique safety features that make them significant alternatives for the nuclear industry [2]. Sodium fast reactors (SFRs) have the capability of minimizing nuclear waste for geological disposal by a closed fuel cycle. Fast reactors also have the advantage of fissioning transuranic actinides since they operate in the fast neutron spectrum. Some thermal hydraulic benefits such as the large boiling temperature margin (500–550 °C during normal operation to 900 °C boiling point) of sodium coolants provide good void reactivity feedback. Again, since an SFR can be operated at a low atmospheric pressure with temperature below the boiling point, loss of coolant accidents such as pipe breaks and neutron leakage occur due to the change in coolant density at bay [3]. The design architecture of SFR also enhances the safety system and circulation of the liquid sodium with very high overall heat capacity, which also controls the escalation of temperatures that would compromise the integrity of the system. By virtue of the excellent thermal hydraulics and neutronics characteristics of liquid sodium, most fast breeder nuclear reactors use liquid metal sodium as a suitable coolant [4]. Monitoring of oxygen and hydrogen impurity levels in liquid sodium is imperative to ensure efficient operation of sodium-cooled reactors. These impurities are mainly in the form of hydrides, oxides, carbon particles, and metallic alloys. Accumulation of these contaminants continuously in the reactor piping system causes corrosion of certain metallic surfaces and embrittlement of some components. Radioactive contamination caused by the fission products transported in the flow of sodium coolant can also cause handling and maintenance problems. Higher background concentration can also result in hydrogen detection challenges of steam generator leaks in the primary circuit of liquid sodium fast breeder reactors. Furthermore, crystallization at the cold sections of the circuit causes sodium oxide and hydride precipitates that can clog piping components and pumps. Related work such as the development of a control system to purify the primary and secondary systems of an Experimental Breeder Reactor II has been accomplished, which shows that oxygen, hydrogen, bismuth, copper, as well as some metallic alloys can be controlled by cold trapping. At reduced temperatures, hydrogen exhibits greater trapping efficiency compared to oxygen, primarily due to disparities in their solubility. Also, findings from the study showed that the effectiveness of the cold trap procedure is a function of sodium velocity and cold trap residence time. In addition, the study by [5] mentioned that impurity removal could be improved by operating the cold trap vessel and heat exchanger at reasonable flow rates. Besides, an analytical study of cold trap technology conducted by [6] identified that using a mesh packing with high transfer coefficient in the economizer model could improve purification performance. Argonne National Laboratory’s Mechanisms Engineering Test Loop (METL) facility was established to provide the required infrastructure and technical expertise to support the ongoing research on SFRs [7]. Several nonlinear systems control approaches exist such as the proportional integral derivative controller (PID) [8], Fuzzy PID controllers [9], linear quadratic regulator [10], and sliding mode control [11], among others. However, all these techniques just assess the control effects on the system and do not account for the effects of the actual constraints of the dynamic process.
Model predictive control (MPC) methods are often applied to multiple-input multiple-output (MIMO) systems that exhibit certain nonlinearities that classical control techniques cannot address effectively [12]. Even in situations of challenging processes, an MPC is capable of accommodating a variety of constraints in ensuring state-of-the-art control. Some successful applications of MPCs include distillation systems [13], fuel cells [14], and heating and air conditioning systems [15], just to mention a few. The control performance of a model predictive controller is significantly improved by accurate sensor measurements of intrinsic process variables [16]. MPC is part of a class of control algorithms that uses explicit process mathematical models to predict the future response of a dynamical system [17]. A combination of recursive feedback optimization strategies is employed to improve the system performance within acceptable constraints [18]. Various applications of neural networks for MPC exist, such as the multilayer perceptron (MLP); however, these artificial neural network applications have some limitations when applied to nonlinear time variant systems by virtue of their static input–output mappings that restrict the prediction steps. On the other hand, long short-term memory (LSTM), which is a special version of RNN architecture, is designed to chronologically model sequences that have long-range time series dependencies more precisely as compared to conventional artificial neural networks [19]. Even though MPC has been combined with artificial neural networks and deep learning mechanical systems in the literature [20], the application of LSTM coupled with an MPC to a sodium-cooled fast reactor cold trap purification system has not yet been established in the literature. This reason motivated the objective of this research to perform a closed-loop control coupled with system identification using LSTM for the temperature control model in the cold trap purification system. The diffusion of air molecules from the surfaces of newly installed components as well as the ingress of ambient air emanating from microscopic leaks in pipping vessels leads to oxygen or hydrogen contamination of the sodium coolant. The accumulation of these impurities in high-temperature liquid sodium, operating at temperatures exceeding 300 °C, can lead to the corrosion of metallic structural components. The target concentration level of oxides and hydrides is below 5 parts per million (ppm).
In this study, a novel heat transfer control model for monitoring the purification system at the Mechanisms Engineering Test Loop (METL) liquid sodium facility located at the Argonne National Laboratory is presented. The high-fidelity first principles model based on coupled differential equations is developed to enhance the automated temperature control of the METL purification system.
The new contributions of this work are as follows:
- 1.
- Development of a novel high-fidelity dynamic model for sodium purification based on first principles.
- 2.
- Coupling a model predictive controller to a multi-step time–frequency LSTM as a predictive model to capture non-linearity using patterns from the time–frequency spectrogram representation of sensor data.
- 3.
- The novel merged structure of the time–frequency LSTM and MPC predictive model in controlling the cold trap purification temperature at the MTL facility.
The remaining sections of this paper are outlined as follows: Section 2 provides a description of the METL purification system. Section 3 describes the heat transfer model development with information about the data acquisition process as well as time–frequency spectrogram analysis of the sensor data. Section 4 gives the control scenarios for MPC development as well as system identification formulation of the cold trap heat transfer model using the coupled LSTM-MPC network. The closed-loop simulation performance results are provided in Section 5 and discussed in Section 6. Section 7 ends with the conclusions and findings of this work.
Cold Trap System Phenomena
In a cold trap purification system, crystallization is performed in the following steps shown in Figure 1. For step 1, the liquid impure sodium is initially cooled down in a heat exchanger sodium to the saturation temperature of oxygen. Step 2 is the stage where the cooled liquid sodium reaches a crystallization temperature below the saturation temperature, which begins by nucleation and progresses by oxide crystal growth [21]. Again, in step 3, the precipitated crystals remain attached to the cooled wire mesh packing or pipe walls. Oxygen concentration is further reduced to a minimum trapping temperature . Finally, in step 4, the purified sodium fluid is re-heated through an economizer heat exchanger back into the expansion liquid sodium tank.
Figure 1.
Liquid sodium purification loop principle.
2. METL Sodium Purification System
Description
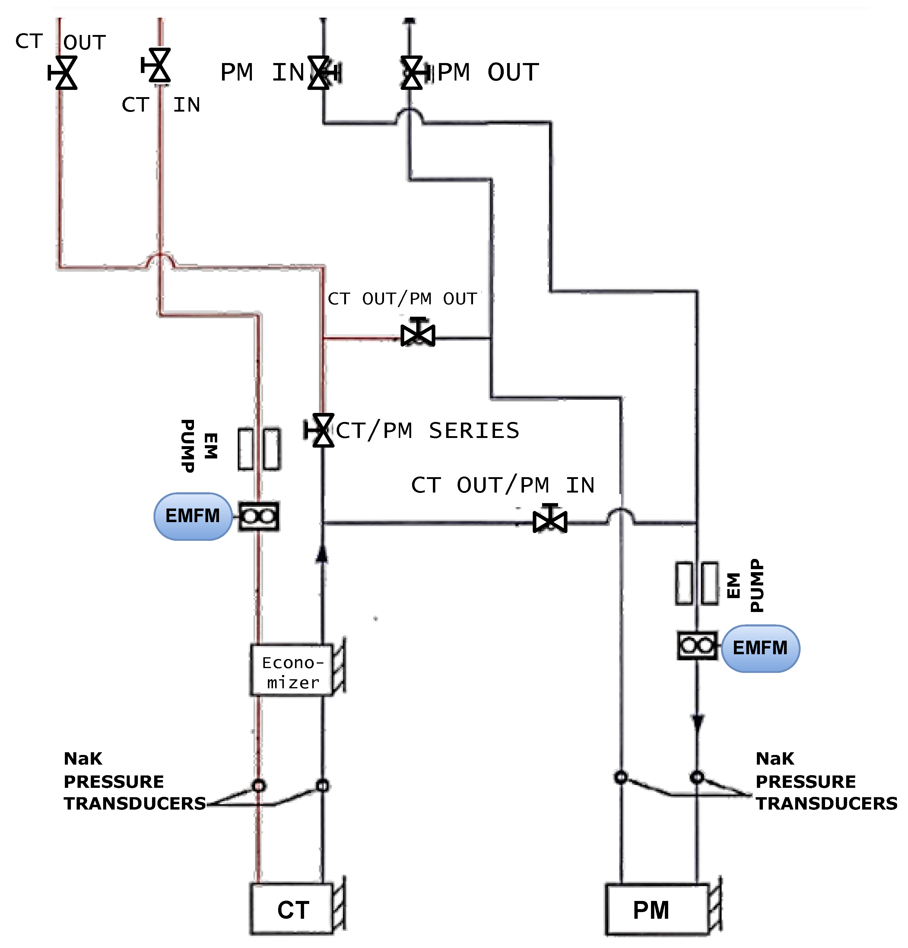
The METL sodium purification system piping layout shown in Figure 2 consists of a cold trap, plugging meter, an economizer, two electromagnetic (EM) pumps, two flow meters, and four pressure transducers. During the purification process within the cold trap vessel, a small portion of the saturated bulk sodium from the piping system is cooled a little bit above the freezing point of liquid sodium. Solubility of oxide and hydroxide impurities tends to reduce at these lower temperatures. Further, these oxide and hydroxide impurities precipitates get adsorbed on the mesh stainless-steel filter located in the cold trap jacket. The cooling process is facilitated by an economizer and blower, which directs ambient air over the cold trap heat transfer fins. The purified sodium coolant circulates through the main loop as the cleaning process continues with reduced oxygen concentrations under 5 ppm at a nominal flow rate of 1 gpm and a minimum temperature range of 110–150 °C [22].
Figure 2.
Piping layout of the METL purification system [22].
The liquid sodium purification system at METL, as shown in Figure 3 below, is designed to operate under four different modes as follows:
Figure 3.
METL system purification test modes: (a) Depicts the series mode of operation. (b) Depicts the parallel mode of operation. Abbreviations are the economizer heat exchanger (HX), cold trap vessel (CT), and plugging meter vessel (PM).
- 1.
- Purification mode: only the cold trap is in use after a test run experiment where there is a likelihood of plugging meter clogging due to high-impurity concentrations.
- 2.
- Measuring mode: only the plugging meter is in use to monitor the impurity levels within the flowing sodium.
- 3.
- Combined purification & measuring mode: the cold trap and plugging meter operate concurrently while connected in parallel to the main loop, enabling the monitoring and purification of the bulk sodium.
- 4.
- Testing mode: in test mode, the cold trap and plugging meter are configured in series; the cold trap effectiveness can be determined at different flow rates and temperatures using this mode.
3. Cold Trap Heat Transfer Model Development
This section describes the heat transfer model in relation to the cold trap control volume depicted in Figure 4 for sodium oxide precipitation. The cold trap control volume heat transfer paths for the analysis are described as follows:
Figure 4.
Heat transfer control volume of the METL cold trap system adapted from [23].
- The first section of the cold trap (CT) control volume considers the incoming sodium from the inlet of the economizer, which acts as an exchanger that adds or removes the required energy with heat rate , and the outlet of the EM pump that enters into the CT with heat rate . Some negligible energy loss to the environment occurs.
- The second control volume section is where the bulk sodium fluid is cooled down by the inlet air from the outlet vent and blower. The sodium fluid is also heated by electrical resistances, and some negligible loss to the environment also occurs given by the heat rate .
- The outgoing purified sodium fluid from the cold trap (CT) vessel is considered in the third control volume section, represented by the heat rate . The plugging meter monitors the impurity levels of the bulk sodium fluid at the saturated temperature of the sodium given by the heat rate .
The assumptions implemented in the cold trap model are listed as follows:
- As the primary focus of the precipitation region is centered on the wire mesh packing, the impurities precipitated on the inner wall or shell of the cold trap are not considered in the model.
- The air vent and blower fan are used to stabilize the temperature in the CT vessel.
- Constant sodium fluid specific heat capacity and density.
- The model incorporates piping wall temperature sensor data rather than the internal bulk sodium temperature. This assumption is in conformance with the operation conditions of the sodium facility.
- First-order crystallization kinetics.
- Constant Volume.
Practically, the performance of the cold trap purification system is based on a heat transfer model that involves the coupling between mass and energy balance equations, hydrodynamics, and crystallization kinetics, and also considers the crystals growth and nucleation illustrated in Figure 5. Understanding the impact and interdependence of these physical couplings in cold trap modeling will improve the evaluation and comparison of various experimental data configurations.
Figure 5.
Cold trap energy model coupling aspects.
The solubility of oxygen and hydrogen impurities in liquid sodium coolants can be very low near the melting temperature of sodium, which is about 98 °C. The design parameters for the cold trap system are tabulated in Table 1. Correlations to calculate the solubilities of oxygen and hydrogen were proposed by [24] as
Table 1.
METL cold trap design parameters.
3.1. Crystallization Kinetics Model
To develop a first-principle heat transfer model for the cold trap phenomena, it is imperative to consider the basic mechanisms of crystallization kinetics, as described by [25], for oxygen impurities in liquid sodium using the following equation:
In Equation (3), r (mg/L/s) denotes the rate of change in oxygen concentration, the index g refers to nucleation or crystal growth, the activation energy for the crystallization reaction is Eg (cal mol−1), the gas constant is denoted by R (cal mol−1K−1 ), Ag is the cross-sectional surface area is the volume of oxygen impurities in liquid sodium, the liquid sodium density is , the order of the crystallization process is , and is the initial concentration. Using the solubility law in Equations (5) and (6), the saturated concentration for a given temperature T (°C) can be calculated. The super saturation temperature can be calculated from , which is the concentration of oxygen. The equilibrium thermodynamic chemical reaction between sodium and oxygen in the crystallization process is given by
The species mole balance model is also given by
3.2. Energy Balance Model
Performing a general energy balance on the cold trap vessel and coupling both the crystallization and species mole balance equations can be represented as
Applying this general energy balance concept for the cold trap CV sections in the PID diagram in Figure 4 yields the following:
Energy input by convection:
Energy by convection from heat exchanger economizer:
Mean of all economizer wall sensor readings:
where N is the sum of all installed internal type-k thermocouple sensors in the economizer vessel and subscript is the index.
Using the logarithmic mean temperature difference (LMTD) assumption,
Then,
Energy out by convection:
The mean of all the internal cold trap wall type-k thermocouple sensor temperature readings can be computed by
where is the sum of all installed internal type-k thermocouple sensors in the cold trap vessel and subscript l is the index.
Energy Accumulated:
Substituting the heat rates in Equations (8)–(15) into Equation (16) yields the CT heat transfer governing equation as
where
The electrical power through the cold trap can be obtained from the following relation:
where is the effectiveness of the economizer computed in terms of the temperature difference as
The cold trap heat transfer model was subject to the following boundary conditions:
Estimating the Overall Heat Transfer Coefficient
Due to the complexity involved in the geometry and heat transfer mechanisms of the various components within the cold trap control volume (CV) depicted in Figure 4, the overall heat transfer coefficients can also be obtained from experimental data. However, with known values of the thermal resistances, it can be estimated as illustrated below.
The description for the thermal resistance is as follows:
- : resistance from convection between the CV inner piping wall and the bulk sodium fluid.
- : resistance from conduction within the CV piping wall.
- : resistance from conduction through the insulation layers.
Considering the heat transfer coefficient for turbulent regime in the plugging meter orifice is given by [26] as
For laminar flow regime under constant heat flux conditions, the heat transfer coefficient of the sodium coolant can be estimated from the following correlation [27]:
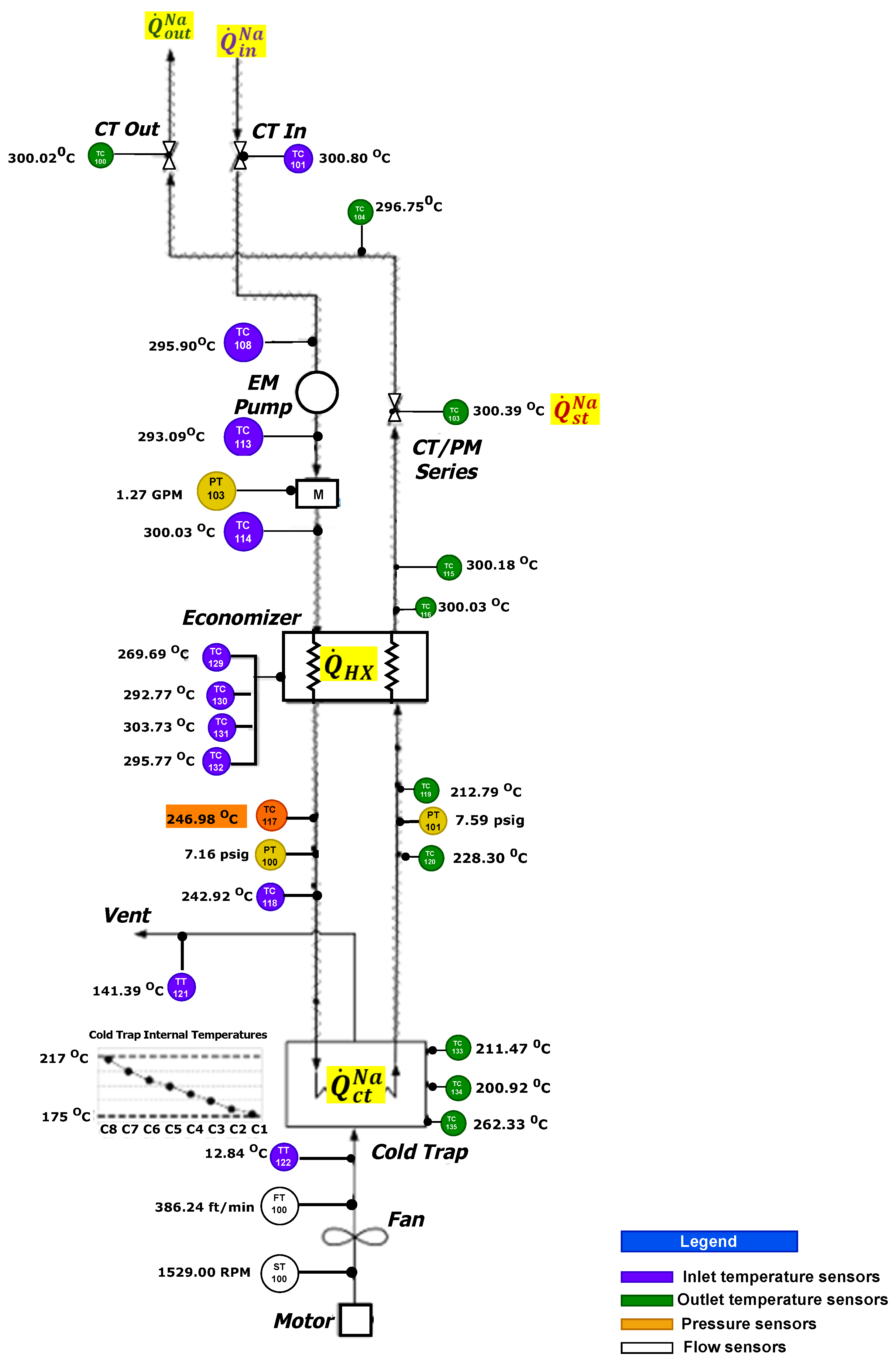
3.3. Cold Trap Experimental Data Acquisition
The experimental data contained sensor measurements for sodium and air temperatures, flow rates, pressures, proportional integral derivative (PID) controller signals from the air blower speed, and electromagnetic (EM) pumps. There are about eight (8) type-k thermocouple sensor vessels housed in a probe welded to the top of the cold trap vessel and placed in contact with the flowing sodium. A recent cold trap experiment was conducted in August 2023 for a duration of about five hundred and forty (545) min, approximately nine (9) h, on the same day. The graphical representation of this dataset is shown in Figure 6. Again, the data acquisition sampling rate for the 2023 cold dataset was 108.9 samples/min corresponding to a frequency bandwidth of 109 Hz with 6536 total number of samples. In comparison with the 2019 dataset, the 2023 dataset had a steady start temperature and short transient, lasting for about 120 min. Also, the precipitation of liquid sodium lasted for about 380 min at a constant temperature and further cooled to about 175 °C within an interval of 45 min.
Figure 6.
Cold trap experimental temperature profile from eight (8) internal type-k thermocouples.
4. LSTM-Based System Identification
The system identification technique in this section involves the approximation of the cold trap system heat transfer model formulated in the previous sections of this work. Deep Neural networks are essential function approximators that are utilized to capture nonlinear trends in dynamical systems [28]. A typical example of such deep learning methods is the long short-term memory (LSTM) networks that are capable of capturing temporal and spatial feature dependencies in dynamical systems to enhance predictive control of engineering and mechanical systems. LSTM’s are well suited in making predictions of state variables multiple steps ahead, where the time step depends on the current state and all control actions within the prediction time interval.
Figure 7 shows the LSTM network structure for the k-step multi-step prediction. The stacked LSTM system comprises replicating cells with four interacting components within each layer that overcome the vanishing gradient problem.
Figure 7.
LSTM system identification architecture: (a) LSTM model structure; (b) time–frequency LSTM structure for multi-step prediction.
In this work, each of the interconnected cell layers represents a time step, such that the cell representing time step serves as the input for a cell representing the next time step . Each state representation is encoded by N number of hidden nodes. Cells within the layer are connected by gating functions such as forget, input, and output gating functions that modulate signal propagations between cells. More details of the description of the structure of the LSTM cell can be found in the literature [29]. Again, the LSTM cell structure in Figure 7 has three inputs defined by , and as well as two outputs, namely, and . At a given time step is the hidden state, is the cell state, and is denoted as the current input.
The first layer is a sigmoid layer known as the forget gate , which takes two inputs and the hidden state of the previous cell . This first layer is represented mathematically as
There is an additional sigmoid second layer—representing the input gate —that decides which new information is to be added to this particular cell. This layer accepts and as the two inputs. The tanh layer then creates a vector of the new candidate values.
The point-wise multiplication of the vector and the input gate together with the new candidate values determines the information to be stored in the LSTM cell state. To predict the current cell state is added to the output of the forget gate multiplied with the previous cell state resulting in the following relation:
The final output of the LSTM cell is calculated by means of a sigmoid and tanh layer through point-wise multiplication to yield the cell output.
The predictive LSTM cell output is characterized by a state vector prediction output for time step p initialized by . The required regressors to predict are represented by . The predictive equation that describes the LSTM prediction is given as
The weights and biases of the different forget gate ; input gate ; and output gate , as well as the current cell states , constitute the set of values that defines the LSTM parameters. The training of the LSTM is performed by minimizing the predictive error of the training set model through a loss function and a learning process using the back-propagation through time (BPTT) algorithm to estimate the gradient of the loss function. During the BPTT learning process, the weights are initialized using the chain rule, and an update of all weights associated with the input, output and forget gates is achieved using all computed gradients.
As represented in Figure 7, the time-frequency spectrogram has high energy with variable characteristics in the low-frequency range. By virtue of this reason, we introduce a stacked time–frequency LSTM that models both the temporal and spectral dynamics in the input signal concurrently. In this architecture, the different frequency bands in the power density log-spectrogram were first scanned for dominant features and fed into the time LSTM.
The output of the time–frequency LSTM concatenates all the output vectors in a 100-unit time-distributed layer, which acts as a transformation layer for dimensionality reduction.
Again, the justification for employing the time–frequency input signals for our proposed LSTM model is because the identified transient regions depicted in the spectrogram contain time-varying spectral features that allow for the use of shorter windows in predicting such regions since short windows sacrifice frequency bandwidth resolution for increased time resolution characteristics. During the prediction process, shorter windows were used to predict transient regions and longer windows for the steady time-invariant regions.
The objective of the time–frequency input LSTM method is to learn the non-linear mapping function between the low magnitude and high magnitude time-frequency signals data. This is achieved by minimizing the reconstruction error between the reconstructed signal magnitudes and the corresponding high-magnitude time–frequency signals using the mean squared error (MSE) as the loss function:
where is the number of training samples. The stochastic gradient descent function is used to minimize the loss.
Multi-Step Prediction and Training Approach
This section describes the stacked LSTM-based multi-step temperature prediction for the cold trap non-linear dynamical MPC system. The multi-step prediction LSTM depicted in Figure 7 has internal multiple hidden layers with multiple memory cells. The multi-layer cell structure introduces a deep learning technique for accuracy improvement. The depth of these inter-connected neural networks contributes to the LSTM’s model success of solving complex sequence time series prediction problems. To sample training inputs for the prediction process, the sliding window technique illustrated in Figure 8 was utilized. The sliding window contains the time sequence of fixed length as well the time interval between the current and future values to be predicted referred to as the pth time step ahead. As the sliding window moves ahead, the predicted time step is computed. During the training process, redundant correlations in the training set are removed randomly and changes in the input dataset are smoothened. A dropout layer is added to the output of the LSTM to prevent overfitting.
Figure 8.
Multi-step prediction sliding window approach.
Following the normalization of the dynamic model output for input into the LSTM network, a sliding window technique was employed to the time sequence data. As depicted in Figure 8, the sliding window method leveraged the previous time step as the input for the prediction of the next output variable. The implemented dynamic sliding window approach uses a fixed length temporal window that shifts to create subsequence sample instances. Multiple subsequences were generated dynamically along the time-dependent dataset. Again, as illustrated in Figure 8, the blue bar represents the input subsequence that was used for training, the red sliding widow bar represents the current time, and the brown bar represents the predicted output variables. Specific window positions produce a fixed sequence that is used to segregate data for further processing.
Training of the LSTM was performed using the measured output of the dynamic model that covers the range of the entire cold trap operation procedure. A pre-defined sequence of the blower temperature is made as the manipulated variable and the dynamic response of the temperature variation are obtained. Regarding the k-step ahead prediction, each data point takes the form with the associated labels . Prior to training, the labeled dataset was split into three parts, namely, training (80%), test (10%), and validation sets.
LSTM models in this work were developed with the Python Keras-TensorFlow library in the Python 3.10 environment. Our LSTM comprises three hidden layers, each containing 100 hidden units, while the output layer consists of a soft-max layer and a learning rate of 0.001 with 100 epochs. The model’s performance was evaluated using root-mean-square error (RMSE) with rectified linear units (Relu) as activation functions. Hyperparameters such as batch size, optimizers, dropout rates, epochs, and hidden units were optimized using a greedy coordinate descent method [30]. Optimal values were determined through iterative adjustments, considering parameters like optimizer type, learning rate, epochs, hidden units, and batch size to achieve superior accuracy. Validation set mean absolute error (MAE) was used for performance evaluation. The investigated hyperparameters and their ranges are outlined in the results section.
5. LSTM–Model Predictive Control Algorithm
The heat transfer model developed for the cold trap purification system was dynamically controlled with a model predictive controller using the Python computational environment. Input reference signals from the cold trap system’s process are utilized as constraints in predicting the future states of the system’s performance together with optimization techniques. The diagram in Figure 9 illustrates the implementation of the MPC approach in this work.
Figure 9.
Illustration of the model predictive control principle.
The developed model predictive controller in this work has three main aspects, namely, the cold trap purification system, which provides the reference signal; the heat transfer model, which serves as the physical model; and an optimizer coupled with a system identification LSTM network, as represented in Figure 10. Equations (36)–(39) describe the MPC formulation with constraints as follows:
Figure 10.
Closed-loop LSTM-MPC feedback control schematic diagram.
Subject to the constraints
The input predicted control vector is defined as
where is the reference temperature from the experimental plant system data, is the predicted model output temperature, is the manipulated control temperature, and and are the output and the input weighting parameters.
Again, k represents the prediction horizon and is the controller steps horizon. In Figure 10, the system reference input signal was obtained from the cold trap purification system.
Minimization of the objective function for a finite prediction horizon of k, utilizing the dynamic system response predictions , is achieved for the future prediction using control moves by the developed predictive controller. The prediction of the temperature state vector for the discrete time step p is obtained from the LSTM network given in Equation (40). The optimal control sequence is obtained iteratively from the optimization process for the multiple time steps. The first manipulated variable step change vector is applied to the system until the next sampling interval repeatedly within the specified moving horizon . The pseudo-code of the LSTM-MPC approach implemented in this paper is given in Algorithm 1.
| Algorithm 1: LSTM-MPC multi-step ahead prediction |
|
6. Results
In this section, simulation results obtained for the closed-loop MPC cold trap dynamical system and the LSTM-MPC system identification are provided and analyzed. The simulated model was developed using the Python (3.10) machine learning library and executed on a PC equipped with an Intel Xeon CPU and 32 GB of memory.
6.1. Spectrogram Feature Extraction Results
In order to identify possible transient events in the sensor signal spectrum, a time–frequency domain representation was implemented. Using the Short-Time Fourier Transform (STFT) method [31], the convolving windowed function signal is given by the following equation:
where denote the time variable and angular frequency spectrum, respectively; is the time window using the Hanning window function [32]; is the shifted time window; is the Fourier factor; and is the input signal.
The corresponding spectrogram is represented by the following relation:
The visual representation of the power spectral density function given as the magnitude squared of yields the STFT, as illustrated in Figure 11. In this work, the power spectra for the frequency domain signals was computed with the dimension [°C2/Hz]. This implemented feature extraction module transforms the input waveform signals into the time–frequency domain, which served as the basis for the pre-processed time–frequency spectrogram for the LSTM-MPC network in this work. Stationary and transient patterns identified are essential for time-scale LSTM analysis and real-time diagnostics, which could also be extended to identify faults for predictive maintenance purposes.
Figure 11.
Time–frequency spectrogram representation of cold tap data.
6.2. Model Predictive Controller Results
Figure 12 illustrates the comparison between the output of the developed model predictive control (MPC) dynamic model during the system purification mode run and the thermocouple sensor data obtained from a recent experimental test run conducted in August 2023. The visualized temperature profile shows that the inlet sodium fluid was further cooled to a temperature of 180 °C. To initiate the crystallization procedure, ceramic heaters were activated to heat the coolant, achieving super saturation of the dissolved oxygen at 230 °C with an oxygen concentration of 24 ppm in the sodium fluid. Additionally, a blower fan was used to dissipate heat energy within the vessel, resulting in a higher heat transfer rate and reducing the temperature of the sodium fluid to approximately 185 °C, reaching a concentration of 8 ppm.
Figure 12.
Cold trap model predictive control output results.
6.3. LSTM-MPC Multi-Step Prediction Results
As a standard machine learning practice, before training an LSTM-MPC model, the labeled dataset was divided into three subsets: for training, for validation, and the remaining for testing. The training subset was used to adjust the network weights during training, while the validation subset helped in tuning hyperparameters to prevent overfitting.
Subsequently, the test subset was used to assess the model’s performance on unseen data, which provides an unbiased evaluation of its generalization ability. The output results of the multi-step prediction time steps set to for the LSTM-MPC model compared with the MPC dynamic model results are depicted in Figure 13. Again, as shown in Figure 13, the LSTM-MPC system identification model effectively captured the overall patterns of previously unseen data for predicting the cold trap temperature, exhibiting a high correlation coefficient.
Figure 13.
LSTM-MPC multi-step prediction results.
To quantitatively assess the predictive capabilities of the MPC and LSTM-MPC models, we employed metrics such as the mean absolute error (MAE), root-mean-square error (RMSE), and correlation coefficient within a 95 percent prediction interval. These metrics are illustrated in Table 2, providing insights into the comparative performance of the two models.
Table 2.
LSTM-MPC and MPC models’ performance comparison.
Again, it can be inferred from Table 2 that the mean absolute error (MAE) of the cold trap purification temperature decreases as the predicted time steps increase for the MPC model. In contrast, for the LSTM-MPC model, there is a relatively higher temperature variation prediction error, which fluctuates with increasing predicted time steps in an evident pattern similar to the MPC uncertainty.
The MPC exhibited smaller RMSE values within the provided prediction horizon, as shown in Table 2. Again, the uncertainty comparison between the MPC and LSTM-MPC reveals that when the predicted step size exceeds three, MPC outperforms LSTM-MPC, as indicated by the lower RMSE of MPC-predicted results compared to LSTM-MPC. However, it is noteworthy that LSTM-MPC exhibits stable growth, implying that it can meet varying accuracy requirements by adjusting the predicted step size.
This suggests that while MPC may excel in certain scenarios, LSTM-MPC offers flexibility in adapting to different accuracy needs, making it a valuable alternative depending on the specific control requirements. In addition, the LSTM-MPC model also demonstrated commendable performance, showing a generalized, minimized RMSE on the test data. This outcome underscores the predictive capability of the LSTM-MPC model, particularly on historical unseen data. The corresponding formulas for computing the metrics used in this study are illustrated in the following equations:
where and are the predicted and real values of the sample measurements of the dynamical system for a predicted time step is the mean of , and k is the number of predicted measurements.
7. Discussion
The main emphasis of this study was on devising a dynamic temperature control system for the cold trap purification setup. Therefore, it was crucial to assess the system’s performance in a closed-loop control configuration, where the system endeavors to track a predefined set-point, as illustrated in Figure 10. This evaluation enables a thorough examination of how well the control system can maintain the desired temperature levels, which is critical for the effective operation of the cold trap purification system. The controller’s objective was to adjust the trapping temperature within the cold trap vessel to reach the target set-point of the flow rate. This adjustment needed to be achieved while also maintaining a constant pressure by regulating the feed blower temperature. This control strategy aimed to ensure optimal operating conditions for the cold trap vessel, facilitating its effective performance in the purification process. Moreover, it is crucial to compare the closed-loop performance of the LSTM-based model predictive control (MPC) against a classical non-linear MPC controller that utilizes the true physical plant model described by Equations (1)–(25) directly. This comparison will provide insights into the effectiveness and advantages of the LSTM-based approach, which employs historical data over traditional control methods in achieving precise and responsive temperature control in the cold trap purification system. Discussion of the entire simulation process is summarized below:
- Dataset Generation: Data was collected from the dynamic system MPC model by perturbing the manipulated variables, such as the feed blower temperature, within the specified prediction horizon. This dataset serves as the foundation for training the LSTM model. By capturing the system’s response to varying input conditions, the dataset enables the LSTM model to learn the underlying patterns and dynamics of the system, ultimately enhancing its predictive capabilities for control applications.
- Dataset Splitting and Training: The dataset was divided into training and validation sets. The LSTM model underwent training using the training dataset obtained through the sliding window technique explained in the previous sections of this work. Subsequently, the performance of the LSTM model was evaluated on the validation dataset to prevent overfitting, employing techniques like early stopping. The hyperparameters specified in Table 3 were utilized to tune the network configurations for optimized performance. This meticulous approach ensures that the LSTM model effectively captures the system dynamics while avoiding issues such as overfitting, leading to robust and accurate predictions. Among the summarized optimal hyperparameter values presented in Table 3, the model optimizers and number of hidden layers in the LSTM model exhibited the most significant influence on the model. The best performance was achieved with the Adam optimizer using one-hundred (100) hidden layers in the LSTM network.
Table 3. Investigated hyperparameter configurations. - Integration with MPC: After identifying the LSTM model with the best performance, it was seamlessly integrated into the MPC framework. This integration allows the LSTM model to serve as the predictive component within the MPC system, providing real-time predictions of the system’s future behavior. By incorporating the LSTM model, the MPC framework gains enhanced predictive capabilities, enabling more informed and proactive control decisions. This integration ensures that the MPC system operates with the most accurate and up-to-date information, optimizing its performance in controlling the dynamic system.
- Closed-Loop Simulations: In the closed-loop simulations, the LSTM-based MPC system undergoes testing to evaluate its control performance across different scenarios and operating conditions. This step aims to assess how accurately the LSTM model predicts the system’s behavior and how effectively the MPC framework utilizes this predictive information to make control decisions. By subjecting the system to various disturbances and set-point changes, the closed-loop simulations provide insights into the robustness and responsiveness of the LSTM-based MPC system. Ultimately, these simulations help validate the effectiveness of the integrated system and identify areas for further refinement.
By diligently following the outlined steps, the objective of integrating an LSTM-based predictive model within an MPC framework has been comprehensively evaluated, resulting in enhanced control performance. Through dataset generation, model training, integration with MPC, and closed-loop simulations, the LSTM-based predictive model’s ability to accurately forecast system behavior and facilitate proactive control decisions has been thoroughly assessed. This systematic approach ensures that the integrated system operates effectively in real-world scenarios, leading to improved control performance, increased system stability, and enhanced efficiency.
The observation that the MPC model exhibits irregular points, particularly noticeable as overshoots around the set-point limit of 230 °C, highlights a potential limitation of the MPC approach. These overshoots, as depicted in prediction step 6 in Figure 11, suggest that the MPC controller may struggle to effectively regulate the system within the desired set-point range. This behavior stems from the reliance of the MPC model on the stability of temporal data, where more stable data typically lead to better performance within the prediction horizon. In situations where the prediction of a dynamical system involves one or more unstable factors, the MPC model may struggle to capture such changes over time, unlike the LSTM-MPC model. The LSTM-MPC model demonstrates an ability to capture and adapt to these unstable factors, resulting in improved predictive performance.
It is observed again from Table 2 that when the predicted time ahead steps increase, MPC outperforms LSTM-MPC, as evidenced by the lower MAE and RMSE of the MPC-predicted results compared to LSTM-MPC. However, it is noteworthy that LSTM-MPC exhibits stable growth, indicating the potential to meet various accuracy requirements by adjusting the predicted step size. This suggests that while MPC may perform better in certain scenarios, LSTM-MPC offers flexibility in meeting different accuracy needs.
The utilization of LSTM-MPC offers a promising solution to address the issue of overshoots observed in traditional MPC systems. By leveraging the predictive capabilities of LSTM models, LSTM-MPC can anticipate system behavior more accurately, allowing for proactive adjustments to control inputs and mitigating overshoots effectively. This improvement is attributed to the LSTM’s ability to capture complex temporal dependencies in the data, enabling more precise predictions of system responses to control actions. Consequently, LSTM-MPC demonstrates superior performance in controlling dynamic systems, minimizing overshoots, and optimizing overall control performance.
Again, the control response results depicted in Figure 11 provide valuable insights about how the data-driven LSTM-MPC leverages historical data to build predictive models, enabling it to adapt to complex system dynamics without explicitly modeling the underlying physical processes. This approach offers flexibility and scalability but may struggle to generalize well to novel operating conditions outside the training dataset. On the other hand, model-based MPC utilizes mathematical models of the system dynamics, which are often derived from first principles or detailed system knowledge. This approach provides robustness and interpretability, as the model captures the underlying physics of the system. Model-based MPC can handle a wide range of operating conditions, including those not encountered during training, but it requires accurate models and may be limited by model inaccuracies or simplifications.
The Parameter-Free Reasoning Operator for Automated Identification and Diagnosis (PRO-AID), developed by Argonne National Laboratory, is a cutting-edge tool designed for the real-time monitoring and diagnostics of engineering systems [33]. By harnessing advanced reasoning algorithms and machine learning techniques, PRO-AID facilitates intelligent decision-making and problem-solving across various domains, including diagnostics, fault detection, and system optimization. Its parameter-free nature enhances adaptability and applicability across diverse scenarios, making it invaluable for improving efficiency and accuracy in complex decision-making tasks. The system identification task undertaken in this study, utilizing LSTM-MPC for cold trap purification temperature control, can be seamlessly integrated into the PRO-AID software. This integration enables real-time sampling of dynamic responses of state variables and set-point temperature trajectories. As a result, the system dynamics matrices representing the dynamic purification system are continuously updated to provide the most accurate approximation of the system under current operating conditions. Furthermore, by integrating with a cloud or edge computing platform, the PRO-AID system can extend its capabilities to similar sodium fast reactor purification facilities. This integration enables real-time training of LSTM-MPC approaches using sensor data from multiple facilities, facilitating fault identification for predictive maintenance. Using this approach, downtime and maintenance costs can be significantly reduced, leading to improved operational efficiency and cost-effectiveness across the broader network of facilities [34].
8. Conclusions
This study demonstrates the capabilities of using a data-driven LSTM-MPC approach alongside conventional model-based MPC control strategies for monitoring the cold trap purification system at the Mechanisms Engineering Test Loop (METL), which is a liquid sodium experimental facility situated at the Argonne National Laboratory. The METL sodium purification system was chosen as it requires significant human interaction to fulfill its design function. Implementation of the LSTM framework in the time–frequency domain enhances the detection of periodic oscillations and frequency-specific phenomena, thus improving the predictive accuracy of the LSTM-MPC approach. The LSTM-MPC and traditional MPC dynamic models have demonstrated effectiveness in controlling the operating temperature of the developed sodium cold trap model. By integrating real-time data, the innovative framework proposed in this study provides significant potential in controlling cold trap purification temperatures, providing adaptable performance for enhanced system reliability. Future research in this area will focus on expanding these data-driven control concepts to broader operating conditions for various experimental scenarios to further validate the model’s predictive capabilities. Ongoing research can also incorporate the developed concepts in this study to multi-variable control scenarios and large-scale systems such as energy systems, chemical processes, and manufacturing systems where adaptive control and accurate predictions are a priority. Transfer learning techniques could also be integrated with the LSTM-MPC architecture for better adaptability.
Author Contributions
Conceptualization, A.H. and R.A.; methodology, R.A. and A.H.; software, R.A.; validation, R.A., A.H. and D.K.; formal analysis, R.A. and A.H.; investigation, R.A.; resources, D.K., L.H.T. and R.B.V.; data curation, A.H. and D.K.; writing—original draft preparation, R.A. and A.H.; writing—review and editing, R.A., A.H. and R.B.V.; visualization, R.A.; supervision, A.H., L.H.T. and R.B.V.; project administration, A.H.; funding acquisition, R.B.V., A.H. and L.H.T. All authors have read and agreed to the published version of the manuscript.
Funding
This work was funded by the US Department of Energy, Office of Nuclear Energy, Nuclear Energy Enabling Technology (NEET) Advanced Sensors and Instrumentation (ASI) program under contract DE-AC02-06CH11357.
Institutional Review Board Statement
Not applicable.
Informed Consent Statement
Not applicable.
Data Availability Statement
The data presented in this study are available on request from the corresponding author.
Conflicts of Interest
The authors declare no conflicts of interest.
Abbreviations
The following abbreviations are used in this manuscript:
| METL | Mechanisms Engineering Test Loop |
| P&ID | Piping and Instrumentation Diagram |
| PRO-AID | Parameter-Free Reasoning Operator for Automated Identification and Diagnosis |
| LSTM | Long Short-Term Memory |
| MPC | Model Predictive Controller |
| Symbols | |
| Sodium coolant mass flow rate | |
| Sodium inlet channel heat transfer rate | |
| Economizer heat exchanger outlet heat transfer rate | |
| Sodium outlet channel heat transfer rate | |
| Sodium coolant specific heat capacity | |
| Overall heat transfer coefficient for sodium (Wm−2°C−1) | |
| Overall heat transfer coefficient for air (Wm−2°C−1) | |
| Average vent air temperature (°C) | |
| Dynamic viscosity | |
| u | Sodium coolant velocity |
| Sodium channel hydraulic diameter | |
| Sodium coolant thermal conductivity | |
| Sodium channel heat transfer coefficient (Wm−2°C−1) | |
| Sodium heat transfer coefficient in the inner piping wall (Wm−2°C−1) | |
| Sodium heat transfer coefficient in the insulation layer (Wm−2°C−1) | |
| Sodium coolant channel inner diameter (m) | |
| Sodium coolant channel outer diameter (m) | |
| l | Sodium coolant channel length (m) |
| V | Volume of sodium coolant channel () |
| Nusselt number (non-dimensional) | |
| Reynolds number (non-dimensional) | |
| Prandtl number (non-dimensional) |
References
- Lake, J.A.; Bennett, R.G.; Kotek, J.F. Next-generation nuclear power. Sci. Am. 2002, 286, 72–81. [Google Scholar] [CrossRef] [PubMed]
- Tuček, K.; Carlsson, J.; Wider, H. Comparison of sodium and lead-cooled fast reactors regarding reactor physics aspects, severe safety and economical issues. Nucl. Eng. Des. 2006, 236, 1589–1598. [Google Scholar] [CrossRef]
- Kessides, I.N.; Kuznetsov, V. Small Modular Reactors for Enhancing Energy Security in Developing Countries. Sustainability 2012, 4, 1806–1832. [Google Scholar] [CrossRef]
- Shaw, M. Fast breeder reactor programme in the United States. In Proceedings of the London Conference on Fast Breeder Reactors Organized by the British Nuclear Energy Society, London, UK, 17–19 May; 1966; Volume 103, p. 35. [Google Scholar]
- Momozaki, Y.; Cho, D.H.; Sienicki, J.J.; Moisseytsev, A. Experimental investigations on sodium plugging in narrow flow channels. Nucl. Technol. 2010, 127, 153–160. [Google Scholar] [CrossRef]
- Holmes, J.T.; Smith, C.R.F.; Osterhout, M.M.; Olson, W.H. Sodium purification by cold trapping at the experimental breeder reactor II. Nucl. Technol. 1977, 32, 304–314. [Google Scholar] [CrossRef]
- Kultgen, D.; Grandy, C.; Kent, E.; Weathered, M.; Andujar, D.; Reavis, A. Mechanism Engineering Test Loop—Phase I Status Report—FY2018; Update to FY2017 Report, ANL-ART-148, Argonne National Laboratory: Lemont, IL, USA, 2018. [Google Scholar]
- Wu, Z.L.; Gao, Z.Q.; Li, D.H.; Chen, Y.Q.; Liu, Y.H. On transitioning from PID to ADRC in thermal power plants. Control. Theory Technol. 2021, 19, 3–18. [Google Scholar] [CrossRef]
- Cetin, S.; Akkaya, A.V. Simulation and hybrid fuzzy-PID control for positioning of a hydraulic system. Nonlinear Dyn. 2010, 61, 465–476. [Google Scholar] [CrossRef]
- Ahmed, M.; Alsokhiry, F.; Abdel-Khalik, A.S.; Ahmed, K.H.; Al-Turki, Y. Improved Damping Control Method for Grid-Forming Converters Using LQR and Optimally Weighted Feedback Control Loops. IEEE Access. 2021, 9, 87484–87500. [Google Scholar] [CrossRef]
- Roy, S.; Baldi, S.; Fridman, L.M. Adaptive sliding mode control without a priori bounded uncertainty. Automatica. 2020, 111, 1–6. [Google Scholar] [CrossRef]
- Tatjewski, P. Advanced Control of Industrial Processes. In Structures and Algorithms; Springer: London, UK, 2007. [Google Scholar]
- Assandri, A.D.; de Prada, C.; Rueda, A.; Martínez, J.S. Nonlinear parametric predictive temperature control of a distillation column. Control. Eng. Pr. 2013, 21, 1795–1806. [Google Scholar] [CrossRef]
- Gruber, J.K.; Doll, M.; Bordons, C. Design and experimental validation of a constrained MPC for the air feed of a fuel cell. Control. Eng. Pract. 2009, 17, 874–885. [Google Scholar] [CrossRef]
- Carli, R.; Cavone, G.; Ben Othman, S.; Dotoli, M. IoT Based Architecture for Model Predictive Control of HVAC Systems in Smart Buildings. Sensors. 2020, 20, 781. [Google Scholar] [CrossRef] [PubMed]
- Bassolillo, S.R.; D’Amato, E.; Notaro, I.; Blasi, L.; Mattei, M. Decentralized Mesh-Based Model Predictive Control for Swarms of UAVs. Sensors. 2020, 20, 4324. [Google Scholar] [CrossRef] [PubMed]
- Mauky, E.; Weinrich, S.; Jacobi, H.; Naegele, H.J.; Liebetrau, J.; Nelles, M. Model Predictive Control for Demand-Driven Biogas Production in Full Scale. Chem. Eng. Technol. 2016, 39, 652–664. [Google Scholar] [CrossRef]
- Qin, S.; Badgwell, T.A. A survey of industrial model predictive control technology. Control. Eng. Pr. 2002, 11, 733–764. [Google Scholar] [CrossRef]
- Li, S.; He, J.; Li, Y.; . Rafique, M.U. Distributed recurrent neural networks for cooperative control of manipulators: A game-theoretic perspective. IEEE Trans. Neural Netw. Learn. Syst. 2016, 28, 415–426. [Google Scholar] [CrossRef]
- Pan, Y.; Wang, J. Model predictive control of unknown nonlinear dynamical systems based on recurrent neural networks. IEEE Trans. Ind. Electron. 2011, 59, 3089–3101. [Google Scholar] [CrossRef]
- Khatcheressian, N.; Latgé, C.; Joulia, X.; Gilardi, T.; Meyer, X. Modelling of Cold Traps for Sodium purification in Fast Reactor. Comput. Aided Chem. Eng. 2012, 11, 1033–1037. [Google Scholar]
- Kultgen, D.; Grandy, C.; Hyasta, M.; Lisowski, D.; Toter, W.; Borowski, A. Mechanisms Engineering Test Loop—Phase 1 Status Report; Argonne National Laboratory: Lemont, IL, USA, 2016. [Google Scholar]
- Appiah, R.; Heifetz, A.; Nguyen, T.; Ponciroli, R.; Ley, H.; Kultgen, D.; Vilim, R.B. Advanced Monitoring and Control in the ANL METL Facility Using an Engineering Digital Twin; Argonne National Laboratory (ANL): Argonne, IL, USA, 2023. [Google Scholar]
- Noden, J.D. General Equation for the Solubility of Oxygen in Liquid Sodium. Central Electricity Generating Board: Berkeley, UK, 1973. [Google Scholar]
- Latge, C. Sodium quality control. In Proceedings of the International Conference on Fast Reactor, Kyoto, Japan, 7–11 December; 2009. [Google Scholar]
- Sienicki, J.J. Unified Analysis of Sodium Oxide Deposit Growth and Sodium Plugging. In Proceedings of the ANS Winter Meeting and Nuclear Technology EXPO, San Diego, CA, USA, 17–21 November; 2012. [Google Scholar]
- Shong-Leih, L. Liquid metal heat transfer in turbulent pipe flow with uniform wall flux. Int. J. Heat Mass Transf. 1983, 26, 349–356. [Google Scholar] [CrossRef]
- Temesgen, D.T.; Chimdessa, S.Y.; Carlos, F.P. Parameter Estimation for Dynamical Systems Using a Deep Neural Network. Appl. Comput. Intell. Soft Comput. 2022, 2022, 2014510. [Google Scholar]
- Hochreiter, S.; Schmidhuber, J. Long short-term memory. Neural Comput. 1997, 9, 1735–1780. [Google Scholar] [CrossRef] [PubMed]
- Wang, Q.; Li, W.; Bao, W.; Zhang, F. Accelerated randomized coordinate descent for solving linear systems. NeuMathematics 2022, 10, 4379. [Google Scholar] [CrossRef]
- Durak, L.; Arikan, O. Short-time Fourier transform: Two fundamental properties and an optimal implementation. IEEE Trans. Signal Process. 2003, 51, 1231–1242. [Google Scholar] [CrossRef]
- Testa, A.; Gallo, D.; Langella, R. On the processing of harmonics and interharmonics: Using Hanning window in standard framework. IEEE Trans. Power Deliv. 2004, 19, 28–34. [Google Scholar] [CrossRef]
- Nuclear Science and Engineerng PRO-AID. Available online: https://www.anl.gov/nse/ai-ml/proaid (accessed on 7 April 2024).
- Walker, C.; Appiah, R.; Agarwal, V. Development of a Scalable, Risk-Informed, Predictive Maintenance Cloud Based Strategy at Nuclear Power Plants. In Proceedings of the 13th Nuclear Plant Instrumentation, Control & Human-Machine Interface Technologies, Knoxville, TN, USA, 15–20 July; 2023; pp. 942–952. [Google Scholar]
Disclaimer/Publisher’s Note: The statements, opinions and data contained in all publications are solely those of the individual author(s) and contributor(s) and not of MDPI and/or the editor(s). MDPI and/or the editor(s) disclaim responsibility for any injury to people or property resulting from any ideas, methods, instructions or products referred to in the content. |
© 2024 by the authors. Licensee MDPI, Basel, Switzerland. This article is an open access article distributed under the terms and conditions of the Creative Commons Attribution (CC BY) license (https://creativecommons.org/licenses/by/4.0/).












