The Wideband Oscillatory Localization Method Based on Combining Compressed Sensing and Graph Attention Networks
Abstract
1. Introduction
2. Compression Method for Wideband Oscillating Signals
2.1. Principle of Compressed Sensing
- (1)
- Design the sparse transform to find the proper basis to make the signal sparse in the domain;
- (2)
- Design the projection measurement matrix so that it satisfies the RIP criterion;
- (3)
- The classical CS reconstruction algorithm is selected to perform signal recovery based on the a priori information of the selected measurement matrix and sparse matrix . The signal recovery is performed by the classical CS reconstruction algorithm.
2.2. Wideband Oscillation Signal Compression Sensing and Reconstruction
| Algorithm 1: CoSaMP Algorithm Signal Reconstruction Steps |
Input
|
3. GAT-Based Wideband Oscillation Localization Method
3.1. GAT Multiple Attention Mechanism
3.2. Broadband Oscillation Localization Model
3.3. Implementation of Oscillatory Source Localization Based on Compressed Sensing Combined with GAT
- (1)
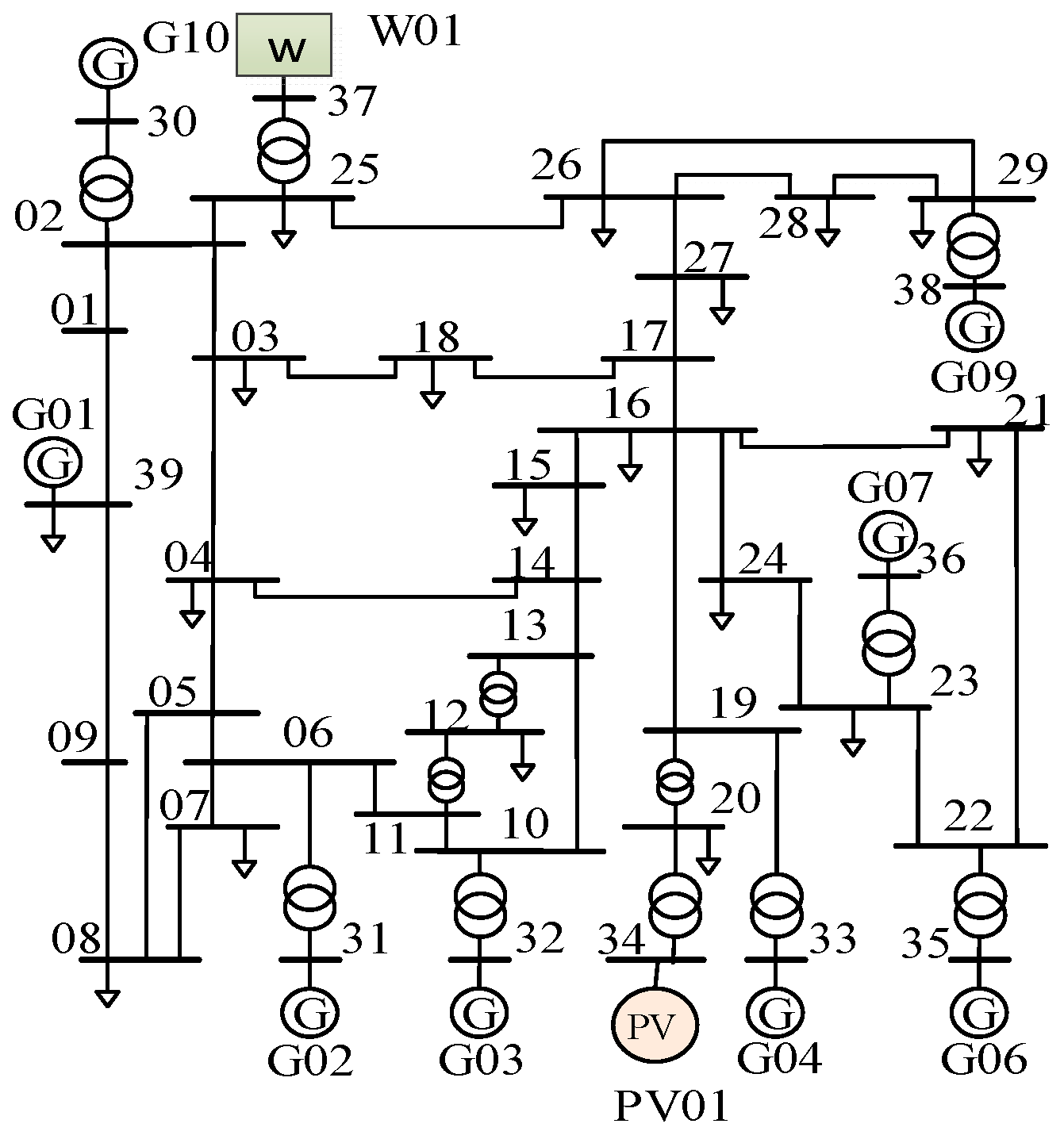
- Simulation data generation. The PSASP simulation software is utilized to set different frequency perturbations and model control parameters on the improved IEEE-39 buses to make it undergo broadband oscillations, and to extract the diverse simulation data generated under different scenarios.
- (2)
- Data compression. Low-dimensional signal data characterizing the current state is obtained by compressing the simulation data according to the CS principle, and categorical data labels are added sequentially.
- (3)
- Selection of feature inputs. Select the input features of the broadband oscillatory localization model from the labeled simulation data and set up the training set, validation set, and test set according to 6:2:2.
- (4)
- Offline training. A collection of training samples is input into the oscillatory localization model, and the feature data embedded in the input samples are fully learned by the model.
- (1)
- The PMU measurement tool is used to detect the dynamic data of each node in the sub-station in real time, and compress and upload them to the main station; and extract the transient stability determination-related feature information.
- (2)
- The compressed relevant feature information of each sub-station is packed and fed into the trained broadband oscillation localization model for state determination.
- (3)
- According to the broadband oscillation model’s output judgment results, decide whether to use the appropriate measures, such as if the results of the judgment for the stability of the data only need to continue to monitor the rolling, if there is oscillation, to take measures to prevent further expansion of the fault.
4. Calculus Analysis
4.1. Wideband Oscillation Data Compression Sampling
4.2. Analysis of Model Training Results
4.3. Comparative Analysis of Model Performance
5. Conclusions
Author Contributions
Funding
Data Availability Statement
Acknowledgments
Conflicts of Interest
References
- Chen, W.; Wei, Z.; Zhen, W.; Yang, D.; Ping, J. Partition-based Network Equivalent Method for Power System Subsynchronous Oscillation Analysis. J. Mod. Power Syst. Clean Energy 2024, 12, 313–320. [Google Scholar]
- Ma, W. Thoughts on the development of frontier technology in electrical engineering. Trans. China Electrotech. Soc. 2021, 36, 4627–4636. [Google Scholar]
- Ma, N.; Xie, X.; He, J.; Wang, H. A review of broadband oscillations in power systems with a high proportion of new energy and power electronic devices. Chin. J. Electr. Eng. 2020, 40, 4720–4732. [Google Scholar]
- Nong, L.; Ma, N.; Ding, M.; Hao, L.; Shi, B.; Xiao, X. New Power System Broadband Oscillation Prevention and Control System Architecture. Grid Technol. 2023, 47, 4092–4102. [Google Scholar]
- Chen, L.; Xie, X.; He, J.; Xu, T.; Xu, D.; Ma, N. Wideband oscillation monitoring in power systems with high-penetration of renewable energy sources and power electronics: A review. Renew. Sustain. Energy Rev. 2023, 175, 113148. [Google Scholar] [CrossRef]
- Ji, H.; Li, Y.; Ding, X.; Alghamdi, S.M.; Lu, J. Stability analysis of Boolean networks: An eigenvalue approach. Appl. Math. Comput. 2024, 463, 128361. [Google Scholar] [CrossRef]
- Frutos, P.; Guerrero, J.M.; Muniategui, I.; Endemaño, A.; Ortega, D.; Briz, F. Low-frequency oscillations in AC railway traction power systems: Train input admittance calculation and stability analysis. Int. J. Electr. Power Energy Syst. 2024, 162, 110284. [Google Scholar] [CrossRef]
- Liang, C.; Zuo, X.; Li, J.; Liu, R.; Huang, C. Stability analysis of doubly-fed fan with small disturbance oscillation based on regional decoupling impedance model. Int. J. Electr. Power Energy Syst. 2024, 162, 110236. [Google Scholar] [CrossRef]
- Jin, B.; Yu, Y.; Fan, C.; Yi, W.; Ju, P. Tracing method of sub-/super-synchronous oscillation based on interharmonic power flow calculation of wide frequency measurement. Electr. Power Auto Mation Equip. 2022, 42, 221–228. [Google Scholar]
- Liu, Z.; Yang, X.; Lv, X.; Chen, B.; Zhang, Y. Dynamic interaction analysis among different control loops and stability enhancement strategy for MMC-HVDC systems. Int. J. Electr. Power Energy Syst. 2023, 147, 108835. [Google Scholar] [CrossRef]
- Hu, Y.; Bu, S.; Luo, J.; Wen, J. Generalization of oscillation loop and energy flow analysis for investigating various oscillations of renewable energy systems. Renew. Energy 2023, 218, 119352. [Google Scholar] [CrossRef]
- Mohd, Z.; Mohd, R.; Mohd, T. A novel method for locating the source of sustained oscillation in power system using synchrophasors data. Prot. Control. Mod. Power Syst. 2020, 5, 1–12. [Google Scholar]
- Yan, X.; Zheng, G.; Kai, S. Location and Mechanism Analysis of Oscillation Source in Power Plant. IEEE Access 2020, 8, 97452–97461. [Google Scholar]
- Ren, Y.; Chen, L.; Min, Y.; Li, Y. Relationship between transient energy flow, electric power and damping torque in subsynchronous oscillation. Autom. Electr. Power Syst. 2018, 42, 52–58. [Google Scholar]
- Chen, L.; Wang, W.; Wang, M.; Min, Y. Disturbance source location of subsynchronous forced oscillation and damping evaluation using transient energy flow. Autom. Electr. Power Syst. 2016, 40, 1–8. [Google Scholar]
- He, J.; Luo, G.; Cheng, M. A Research Review on Application of Artificial Intelligence in Power System Fault Analysis and Location. Proc. Chin. Soc. Electr. Eng. 2020, 40, 5506–5515. [Google Scholar]
- Liu, D.; Zhang, D.; Sun, H.; Ma, S. Construction of stability situation quantitative assessment and adaptive control system for large-scale power grid in the spatio-temporal big data environment. Proc. Chin. Soc. Electr. Eng. 2015, 35, 268–276. [Google Scholar]
- Feng, S.; Cui, H.; Wu, X.; Feng, J.; Zou, C.; Zhao, X.; Tang, Y. Monitoring method of wide-band oscillation based on compressed sensing of diagonalizable LDPC and k-nearest neighbour algorithm. Power Syst. Technol. 2021, 45, 3025–3033. [Google Scholar]
- Cui, H.; Feng, S.; Chen, J.; Ye, Y. Wide-area location method of wide-band oscillations based on autoencoder and Long Short-term Memory network. Autom. Electr. Power Syst. 2022, 46, 194–201. [Google Scholar]
- Wu, Y.; Yao, J.; Chang, N.; Zhang, Q.; Fan, C.; Dou, R. Design and implementation of multi-functional wide-frequency measurement device. Autom. Electr. Power Syst. 2020, 44, 136–141. [Google Scholar]
- Zhang, C.; Xue, S.; Li, J.; Wu, J.; Du, B.; Liu, D.; Chang, J. Multi-Aspect enhanced Graph Neural Networks for recommendation. Neural Netw. 2023, 157, 90–102. [Google Scholar] [CrossRef] [PubMed]
- Wang, X.; Ji, H.; Shi, C.; Wang, B.; Ye, Y.; Cui, P.; Yu, P.S. Heterogeneous graph attention network. In Proceedings of the World Wide Web Conference, San Francisco, CA, USA, 13–17 May 2019; pp. 2022–2032. [Google Scholar]
- Wu, H.; Xu, Z. Multi-energy flow calculation in integrated energy system via topological graph attention convolutional network with transfer learning. Energy 2024, 303, 132018. [Google Scholar] [CrossRef]
- Zhang, J.; Guo, L.; Wang, G.; Yu, J.; Zheng, X.; Mei, Y.; Han, B. A dual-level graph attention network and transformer for enhanced trajectory prediction under road network constraints. Expert Syst. Appl. 2025, 261, 125510. [Google Scholar] [CrossRef]
- Xie, Z.; Liu, L.; Chen, Z. Image compressed sensing: From deep learning to adaptive learning. Knowl.-Based Syst. 2024, 293, 111659. [Google Scholar] [CrossRef]
- Ding, H.; Zhao, H.; Liu, J.; Ren, M.; Dai, R. Power equipment state sensing technology based on compressed sensing. High Volt. Eng. 2020, 46, 1877–1885. [Google Scholar]
- Shao, M.; Wu, J.; Li, B.; Zhang, R. Transient stability assessment of power system based on two-stage ensemble deep belief network. Power Syst. Technol. 2020, 44, 1776–1787. [Google Scholar]














| Compression-Aware Reconfiguration Methods | Epoch | Reconstruction Error (Normalized L2 Norm) | Reconfiguration Time/s |
|---|---|---|---|
| CoSaMP | 50 | 0.06465830 | 30.394 |
| 100 | 0.05457703 | 63.331 | |
| 200 | 0.03188598 | 107.565 | |
| OMP | 0.26317165 | 33.137 |
| Projected Value | Actual Value | |
|---|---|---|
| Stabilization | Destabilization | |
| Stabilization | ||
| Destabilization | ||
| Mould | Parameterization |
|---|---|
| CNN | 4-layer convolutional structure, convolutional kernel 3 × 3, learning rate 0.005, 80 iterations |
| GCN | 4-layer convolutional structure, convolutional kernel as Chebyshev polynomials, learning rate 0.001, 64 iterations |
| TCN | Stacking 4 residual blocks, convolution kernel 3 × 3, and null coefficients of 1, 2, and 4 |
| Positioning Method | Applicable Oscillation Type | Methodological Features |
|---|---|---|
| Integrated learning | Negatively damped oscillations and forced power oscillations | The performance is good under both topology changes and measurement errors. There is still a need to consider how to further improve the performance through correlation analysis and feature selection. |
| Dempster-Shafer theory of evidence | Negatively damped oscillations and forced power oscillations | It is also possible to accurately localize forced oscillations that contain two sources of oscillation. |
| DTW and KNN based on Mahalanobis distance | Forced power oscillations | Higher robustness for unsynchronized data still requires further consideration of load-induced forced oscillations. |
| Deep migratory learning | Sub-synchronous oscillation | Deep learning is used for the first time to localize the subsynchronous oscillations with good noise immunity, and the performance in more complex wind farms is to be further studied. |
| Deep migratory learning | Forced power oscillations | Good localization of both noise content and recording incompleteness, as well as topology changes, needs to be explored for performance in larger systems. |
| Combination of compressed sensing and graphical attention networks | Forced power oscillations | Good localization effect for noise and incomplete recording, and good localization for topology change, which can be applied to all kinds of complex new power systems. |
Disclaimer/Publisher’s Note: The statements, opinions and data contained in all publications are solely those of the individual author(s) and contributor(s) and not of MDPI and/or the editor(s). MDPI and/or the editor(s) disclaim responsibility for any injury to people or property resulting from any ideas, methods, instructions or products referred to in the content. |
© 2024 by the authors. Licensee MDPI, Basel, Switzerland. This article is an open access article distributed under the terms and conditions of the Creative Commons Attribution (CC BY) license (https://creativecommons.org/licenses/by/4.0/).
Share and Cite
Gao, J.; Yang, Y.; Xu, H.; Xie, Y.; Zhou, C.; Dong, H. The Wideband Oscillatory Localization Method Based on Combining Compressed Sensing and Graph Attention Networks. Energies 2024, 17, 6062. https://doi.org/10.3390/en17236062
Gao J, Yang Y, Xu H, Xie Y, Zhou C, Dong H. The Wideband Oscillatory Localization Method Based on Combining Compressed Sensing and Graph Attention Networks. Energies. 2024; 17(23):6062. https://doi.org/10.3390/en17236062
Chicago/Turabian StyleGao, Jinggeng, Yong Yang, Honglei Xu, Yingzhou Xie, Chen Zhou, and Haiying Dong. 2024. "The Wideband Oscillatory Localization Method Based on Combining Compressed Sensing and Graph Attention Networks" Energies 17, no. 23: 6062. https://doi.org/10.3390/en17236062
APA StyleGao, J., Yang, Y., Xu, H., Xie, Y., Zhou, C., & Dong, H. (2024). The Wideband Oscillatory Localization Method Based on Combining Compressed Sensing and Graph Attention Networks. Energies, 17(23), 6062. https://doi.org/10.3390/en17236062
