Performance and Optimization of Novel Solar-Assisted Heat Pump System with Hybrid Thermal Energy Storage
Abstract
1. Introduction
2. TRNSYS Simulation Modeling
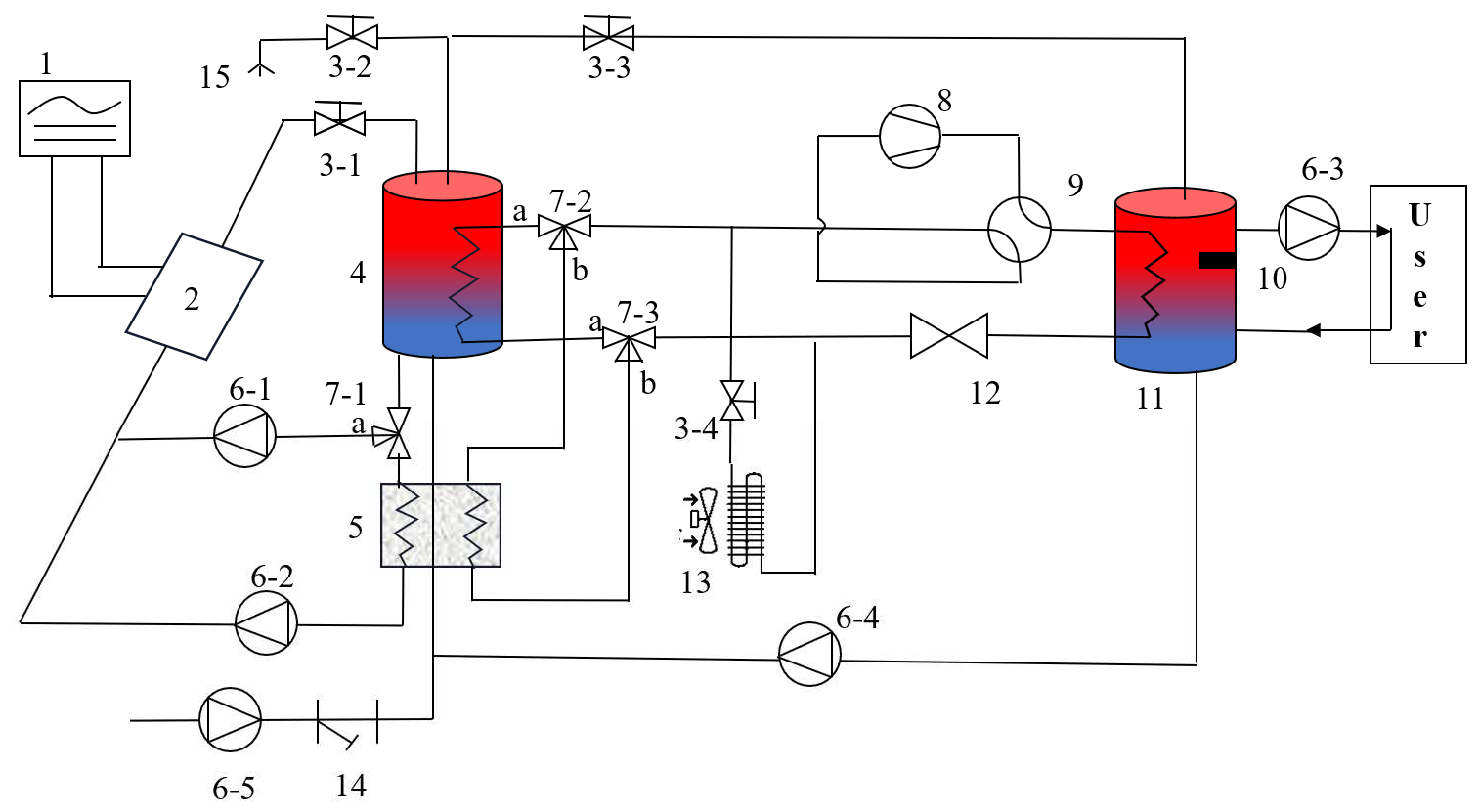
2.1. Description of the SAHP System
2.2. Introduction of TRNSYS18 [19]
2.3. Establishment of TRNSYS Simulation Model
- The simulation time is the local heating time, such as in the Tianjin area; the simulation time ranges from 15 November to 15 March the following year.
- Collector control: The temperature difference controller (type2b) is used to manage the collector’s operation status. When the collector outlet water temperature exceeds a return water temperature of 8 °C, the collector circulating pump begins to run. When the difference between the collector outlet water temperature and the return water temperature is less than two °C, the collector circulation pump should turn off. When the hot water storage tank is heated to 95 °C, it enters into the high-temperature protection phase, and the collector pump is turned off to stop heat collection.
- Heating water tank (HWT) heating control: The temperature of the HWT is monitored using the temperature controller (type 108). When the temperature of the HWT is lower than 47 °C, the output signal is 1. When the temperature of the HWT is higher than 49 °C, the output signal is 0. This signal is one of the control conditions for the system to switch to different operation modes.
- Tank direct supply mode (Mode 1) control: Using the temperature difference controller (type2b), the direct supply pump is turned on when the temperature of the HST is 3 °C higher than 45 °C and turned off when the HST is lower than 45 °C.
- HST heat pump mode (Mode 2) control: Using the temperature difference controller (type2b), when the temperature of the HST is lower than 45 °C, the tank heat pump is turned on; when the temperature of the HST is lower than the temperature of the PCES or the temperature of the PCES is lower than 18.5 °C, the HST heat pump mode is turned off.
- PCES heat pump mode (Mode 3) control: Using the temperature difference controller (type2b), when the temperature of the PCES is higher than the temperature of the HST and the temperature of the PCES is higher than 18.5 °C, the circulating water pump will be turned on; otherwise, the circulating water pump will be turned off.
- ASHP mode (Mode 4) control: Using the equation controller (equation), when the temperature of the PCES is lower than 18 °C, it cannot provide a stable low-temperature heat source for the heat pump, so the air ASHP circulating water pump will turn on; otherwise, the ASHP circulating water pump will turn off.
- Heating pump control: According to the room heat load, the heating pump should turn on when the heat load is greater than 0 and turn off the heating pump when the room heat load is less than 0.
3. Analysis and Optimization of Simulation Results
3.1. Month-by-Month Operational Analysis
3.2. System Performance Analysis for a Typical Day
3.3. Analysis of the Effect of Structural Parameters on System’s Performance
3.4. Optimization of System Parameters
3.5. Analysis of the Economic Feasibility of the System in Different Regions
4. Conclusions
- (1)
- In terms of system performance analysis, with the increase in the collector area, the collector efficiency and power generation efficiency show a decreasing trend, and the system performance coefficient is improved; with the rise of the TES’s volume, the collector efficiency and power generation efficiency increase firstly, and then tend to stabilize, and the system performance coefficient increases firstly, and then decreases.
- (2)
- The Hooke–Jeeves optimization algorithm was used for parameter optimization. The optimization results show that under the condition of meeting the heating demand of 116 square meters of a building in the Tianjin area, the optimal collector area of the system is 31 square meters, the optimal volume of the HST is 0.4 cubic meters, and the volume of the PCES is 0.2 cubic meters. In this configuration, the system has the lowest EAC, CNY 3963, and the COP of the system reaches 4.32, achieving the best balance between economy and performance.
- (3)
- The Lhasa, Shenyang, and Tianjin areas were selected for economic analysis, and the payback period was calculated by comparing the ASHPs. The results show that Lhasa has the lowest EAC and payback period, CNY 1579 and 8.53 years, respectively, and Tianjin and Shenyang have payback periods of 10.59 years and 10.3 years, with EACs of CNY 3963 and CNY 5096, respectively.
Author Contributions
Funding
Data Availability Statement
Conflicts of Interest
References
- Zhu, L.; Liao, H.; Hou, B.; Cheng, L.; Li, H. The status of household heating in northern China: A field survey in towns and villages. Environ. Sci. Pollut. Res. 2020, 27, 16145–16158. [Google Scholar] [CrossRef] [PubMed]
- Wang, M.; Wei, C. Toward sustainable heating: Assessment of the carbon mitigation potential from residential heating in northern rural China. Energy Policy 2024, 190, 114141. [Google Scholar] [CrossRef]
- Wang, X.; Xia, L.; Bales, C.; Zhang, X.; Copertaro, B.; Pan, S.; Wu, J. A systematic review of recent air source heat pump (ASHP) systems assisted by solar thermal, photovoltaic, and photovoltaic/thermal sources. Renew. Energy 2020, 146, 2472–2487. [Google Scholar] [CrossRef]
- Ravi Kumar, K.; Krishna Chaitanya, N.V.; Sendhil Kumar, N. Solar thermal energy technologies and its applications for process heating and power generation—A review. J. Clean. Prod. 2021, 282, 125296. [Google Scholar] [CrossRef]
- Ni, L.; Qv, D.; Yao, Y.; Niu, F.; Hu, W. An experimental study on performance enhancement of a PCM-based solar-assisted air source heat pump system under cooling modes. Appl. Therm. Eng. 2016, 100, 434–452. [Google Scholar] [CrossRef]
- Vahidhosseini, S.M.; Rashidi, S.; Hsu, S.-H.; Yan, W.-M.; Rashidi, A. Integration of solar thermal collectors and heat pumps with thermal energy storage systems for building energy demand reduction: A comprehensive review. J. Energy Storage 2024, 95, 112568. [Google Scholar] [CrossRef]
- Yıldız, Ç.; Seçilmiş, M.; Arıcı, M.; Mert, M.S.; Nižetić, S.; Karabay, H. An experimental study on a solar-assisted heat pump incorporated with a PCM-based thermal energy storage unit. Energy 2023, 278, 128035. [Google Scholar] [CrossRef]
- Yang, L.W.; Xu, R.J.; Hua, N.; Xia, Y.; Zhou, W.B.; Yang, T.; Belyayev, Y.; Wang, H.S. Review of the advances in solar-assisted air source heat pumps for the domestic sector. Energy Convers. Manag. 2021, 247, 114710. [Google Scholar] [CrossRef]
- Osterman, E.; Stritih, U. Review on compression heat pump systems with thermal energy storage for heating and cooling of buildings. J. Energy Storage 2021, 39, 102569. [Google Scholar] [CrossRef]
- Wang, Z.; Wang, F.; Li, G.; Song, M.; Ma, Z.; Ren, H.; Li, K. Experimental investigation on thermal characteristics of transcritical CO2 heat pump unit combined with thermal energy storage for residential heating. Appl. Therm. Eng. 2020, 165, 114505. [Google Scholar] [CrossRef]
- Wu, J.; Yang, Z.; Wu, Q.; Zhu, Y. Transient behavior and dynamic performance of cascade heat pump water heater with thermal storage system. Appl. Energy 2012, 91, 187–196. [Google Scholar] [CrossRef]
- Dannemand, M.; Perers, B.; Furbo, S. Performance of a demonstration solar PVT assisted heat pump system with cold buffer storage and domestic hot water storage tanks. Energy Build. 2019, 188, 46–57. [Google Scholar] [CrossRef]
- Ma, Y.; Xi, J.; Cai, J.; Gu, Z. TRNSYS simulation study of the operational energy characteristics of a hot water supply system for the integrated design of solar coupled air source heat pumps. Chemosphere 2023, 338, 139453. [Google Scholar] [CrossRef] [PubMed]
- Wang, Y.; Quan, Z.; Zhao, Y.; Wang, L.; Liu, Z. Performance and optimization of a novel solar-air source heat pump building energy supply system with energy storage. Appl. Energy 2022, 324, 119706. [Google Scholar] [CrossRef]
- Liu, Z.; Xu, W.; Qian, C.; Chen, X.; Jin, G. Investigation on the feasibility and performance of ground source heat pump (GSHP) in three cities in a cold climate zone, China. Renew. Energy 2015, 84, 89–96. [Google Scholar] [CrossRef]
- Zhu, C.; Li, B.; Yan, S.; Luo, Q.; Li, C. Experimental research on solar phase change heat storage evaporative heat pump system. Energy Convers. Manag. 2021, 229, 113683. [Google Scholar] [CrossRef]
- Sharma, A.; Chauhan, R.; Kallioğlu, M.A.; Chinnasamy, V.; Singh, T. A review of phase change materials (PCMs) for thermal storage in solar air heating systems. Mater. Today Proc. 2021, 44, 4357–4363. [Google Scholar] [CrossRef]
- Gu, H.; Chen, Y.; Yao, X.; Huang, L.; Zou, D. Review on heat pump (HP) coupled with phase change material (PCM) for thermal energy storage. Chem. Eng. J. 2023, 455, 140701. [Google Scholar] [CrossRef]
- Beaulac, A.; Lalonde, T.; Haillot, D.; Monfet, D. Energy modeling, calibration, and validation of a small-scale greenhouse using TRNSYS. Appl. Therm. Eng. 2024, 248, 123195. [Google Scholar] [CrossRef]
- Yao, J.; Xu, H.; Dai, Y.; Huang, M. Performance analysis of solar-assisted heat pump coupled with build-in PCM heat storage based on PV/T panel. Sol. Energy 2020, 197, 279–291. [Google Scholar] [CrossRef]
- Gao, J.; Li, S.; Adnouni, M.; Huang, Y.; Yu, M.; Zhao, Y.; Zhang, X. Simulation study on the thermal performance of solar coupled air source heat pump system with phase change heat storage in cold regions. Energy 2024, 308, 132921. [Google Scholar] [CrossRef]
- Lin, Y.; Fan, Y.; Yu, M.; Jiang, L.; Zhang, X. Performance investigation on an air source heat pump system with latent heat thermal energy storage. Energy 2022, 239, 121898. [Google Scholar] [CrossRef]
- Liu, Y.; Ma, J.; Zhou, G.; Zhang, C.; Wan, W. Performance of a solar air composite heat source heat pump system. Renew. Energy 2016, 87, 1053–1058. [Google Scholar] [CrossRef]
- Fernandes, M.S.; Gaspar, A.R.; Costa, V.A.F.; Costa, J.J.; Brites, G.J.V.N. Optimization of a thermal energy storage system provided with an adsorption module—A GenOpt application in a TRNSYS/MATLAB model. Energy Convers. Manag. 2018, 162, 90–97. [Google Scholar] [CrossRef]

















| Optimization Variables | Collector Area/m2 | HST’s Volume/m3 | PCM’s Volume/m3 | Initial Investment/CNY | Operating Costs/CNY | Power Generation/CNY |
|---|---|---|---|---|---|---|
| Before | 40 | 0.8 | 0.6 | 60,868 | 1198 | 1156.50 |
| After | 31 | 0.4 | 0.2 | 50,880 | 1455 | 903.45 |
Disclaimer/Publisher’s Note: The statements, opinions and data contained in all publications are solely those of the individual author(s) and contributor(s) and not of MDPI and/or the editor(s). MDPI and/or the editor(s) disclaim responsibility for any injury to people or property resulting from any ideas, methods, instructions or products referred to in the content. |
© 2024 by the authors. Licensee MDPI, Basel, Switzerland. This article is an open access article distributed under the terms and conditions of the Creative Commons Attribution (CC BY) license (https://creativecommons.org/licenses/by/4.0/).
Share and Cite
Ren, C.; Lin, J.; Guo, N. Performance and Optimization of Novel Solar-Assisted Heat Pump System with Hybrid Thermal Energy Storage. Energies 2024, 17, 5944. https://doi.org/10.3390/en17235944
Ren C, Lin J, Guo N. Performance and Optimization of Novel Solar-Assisted Heat Pump System with Hybrid Thermal Energy Storage. Energies. 2024; 17(23):5944. https://doi.org/10.3390/en17235944
Chicago/Turabian StyleRen, Chaojie, Jie Lin, and Nini Guo. 2024. "Performance and Optimization of Novel Solar-Assisted Heat Pump System with Hybrid Thermal Energy Storage" Energies 17, no. 23: 5944. https://doi.org/10.3390/en17235944
APA StyleRen, C., Lin, J., & Guo, N. (2024). Performance and Optimization of Novel Solar-Assisted Heat Pump System with Hybrid Thermal Energy Storage. Energies, 17(23), 5944. https://doi.org/10.3390/en17235944

