You are currently viewing a new version of our website. To view the old version click .
Energies
  • Article
  • Open Access

26 November 2024

Performance and Optimization of Novel Solar-Assisted Heat Pump System with Hybrid Thermal Energy Storage

,
and
1
School of Mechanical Engineering, Zhejiang University of Technology, Hangzhou 310023, China
2
School of Mechanical Engineering, Quzhou University, Quzhou 324000, China
*
Author to whom correspondence should be addressed.
This article belongs to the Section A2: Solar Energy and Photovoltaic Systems

Abstract

In this study, a novel solar-assisted heat pump (SAHP) system with hybrid thermal energy storage is proposed. The system can address the problems of large space requirements and the unstable heating of solar heating systems and tackle the energy-efficient degradation of air source heat pumps (ASHPs) in winter. This study utilized TRNSYS18 software to establish a dynamic simulation model of the system, including the system’s model construction and the control scheme’s design. This performance study focused on analyzing the effects of the collector area and thermal energy storage (TES). The results show that with the increase in the collector area, the collector and power generation efficiencies decrease, and the system performance coefficient improves; the rise in the volume of TES leads to the collector and power generation efficiencies first increasing, and then they tend to stabilize, and the performance coefficient shows a trend of firstly increasing, and then decreasing. In terms of parameter optimization, a target optimization scheme and an evaluation model are constructed. The results indicate that the heating demand for a 116-square-meter building in the Tianjin area is met. The equivalent annual cost (EAC) of the system cost is the lowest, which is CNY 3963, when the collector area of the system is 31 square meters, the heat storage tank (HST) volume is 0.4 cubic meters and the phase-change energy storage (PCES) volume is 0.2 cubic meters. The payback period of the system is 10.59 years, which was compared to that of the ASHP. The further comparison of the economic feasibility of the system in the Lhasa, Shenyang, and Tianjin regions shows that the Lhasa region has the lowest EAC and payback period of CNY 1579 and 8.53 years, respectively, while the payback periods of Tianjin and Shenyang are 10.59 and 10.3 years, with EACs of CNY 3963 and CNY 5096, respectively.

1. Introduction

Against the backdrop of increasing global energy consumption, energy consumption in buildings constitutes a significant share of total energy usage. Especially in rural areas in northern China, more than 75% of rural households rely on traditional heating methods, such as coal, firewood, and simple stoves. These heating methods result in excessive carbon emissions [1]. This not only exacerbates air pollution in winter, but also poses a serious risk to human health. Other researchers have identified strategies that could substantially decrease carbon emission levels, including expanding renewable energy utilization and advancing heat pump technology. These measures are estimated to reduce emission levels by between 41.2% and 76.2% [2].
Heat pumps are essential for enhancing indoor settings because of their low energy consumption, consistent performance, and significant energy-saving potential [3]. At the same time, solar energy, one of the most abundant renewable energies, shows great potential in the heating field [4]. Although heat pumps and solar energy each have distinct advantages in the field of heating, each has its own set of challenges; heat pumps in low-temperature environments may experience performance failure and frost problems. In contrast, weather and seasonal constraints influence solar energy collection and conversion, resulting in intermittency and instability. Therefore, some scholars have proposed the concept of solar-assisted heat pumps (SAHPs) to combine the advantages of the two [3].
SAHPs combine solar and heat pump technologies, making them adaptable and sustainable [5]. However, the volatility of solar radiation remained one of the key issues, resulting in the birth of thermal storage technology [6]. When solar radiation increases, the thermal energy storage materials effectively store surplus thermal energy generated by the solar collector. When the solar input is insufficient, this stored energy ensures that the heat pump receives a consistent heat supply, thus optimizing the system’s efficiency, effectiveness, and reliability [7].
Scholars from both home and abroad have recently performed comprehensive and in-depth studies on SAHP systems and associated thermal storage technologies [8,9]. Wang [10] et al. evaluated the operational parameters of a system that combined an air source heat pump with thermal storage technology. The results showed that the system’s performance coefficient was 17% higher than that of a typical air source heat pump. Wu [11] et al. investigated a heat pump water heater system combining thermal storage with phase-change materials. Dannemand [12] et al. presented a system that utilizes solar photovoltaic technology to enhance the performance of a heat pump, which included an insulated cold water buffer tank for temperature regulation and an insulated hot water storage tank for efficient heat retention. The study showed that the system significantly improved the performance and energy utilization efficiency. By analyzing the dynamic performance of the experimental systems, these studies have fully demonstrated the significant advantages and potential applications of thermal energy storage (TES) technology in enhancing the efficiency of heat pump systems.
Experimental studies can be affected by environmental conditions; furthermore, they frequently require significant cash and equipment investment to depict a system’s performance and produce extremely trustworthy data. Ma [13] et al. simulated a solar-assisted air source heat pump system using the TRNSYS. In this study, they helped enhance the system’s performance. Wang [14] et al. optimized the operation strategy and design of a novel solar–air source heat pump system by constructing a TRNSYS simulation model. Liu [15] et al. utilized TRNSYS software to evaluate the applicability and performance of a ground source heat pump system in the cities of Qiqihar, Shenyang, and Beijing in the cold climate zone of China. Zhu [16] et al. simulated a solar phase-change thermal storage evaporative heat pump system using TRNSYS. The results showed that the experimental data were in agreement with the simulated data, verifying that TRNSY is a reliable tool to optimize and evaluate the performance of SAHP systems. These studies provide theoretical support for the development of SAHP systems and valuable references for their practical application.
In current related research, most studies focus on a single form of energy storage technology, failing to utilize the complementary advantages of sensible and latent heat energy storage. The former technology is widely used due to its simplicity, low cost, and maturity. However, its low energy density and significant temperature fluctuations restrict performance improvement. Meanwhile, latent heat energy storage technology has attracted attention for its high energy density, small space occupation, and stable temperature output [17,18]. To overcome the limitations of a single energy storage technology and fully use the advantages of both, combining sensible and latent heat energy storage has become a strategy worth exploring in depth.
This paper proposes a novel solar-assisted heat pump system with hybrid thermal energy storage, which fully utilizes the dual advantages of sensible and latent heat storage. Sensible heat storage, with its fast response and low cost, is crucial in enhancing thermal storage efficiency. Additionally, latent heat storage offers significant benefits, including a high energy density and temperature stability. These characteristics substantially enhance the overall efficiency of the system. To comprehensively evaluate the integrated performance of the system during the heating season, this study thoroughly investigates the impact of the collector area and TES volume on the system’s performance coefficient, heat collection, and power generation efficiency. The system’s energy efficiency can be maximized by fine-tuning its key parameters. Finally, this paper analyzes and compares the equivalent annual cost of operating the system in different regions and its payback period and evaluates the potential for the widespread applicability of the system.

2. TRNSYS Simulation Modeling

2.1. Description of the SAHP System

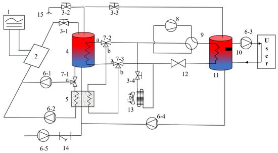
The working principle of a novel solar-assisted heat pump system with hybrid thermal energy storage is shown in Figure 1. The system utilizes composite energy storage technology to optimize solar energy use and maintain stable building heating. The system has the following operation modes: when solar energy is sufficient, the temperature in the heat storage tank (HST) meets the heating water temperature, and then the system can directly utilize heat for heating (Mode 1); when solar energy is insufficient, the temperature of the HST cannot meet the heating demand and the heat pump system is activated to utilize heat in the HST as a heat source (Mode 2); if the temperature of the HST is lower than the temperature of the PCES, then the heat pump will utilize heat in the PCES (Mode 3); in case of insufficient solar energy and no remaining heat in the TES, the heat pump system will switch to utilizing heat in the surrounding air as a heat source (Mode 4). This system uses hybrid thermal energy storage to make the most of solar energy, ensuring stable heating even when solar energy is scarce. It boosts energy efficiency and offers a sustainable solution for heating buildings.
Figure 1. System schematic diagram. 1. Inverter; 2. PV/T collector; from 3–1 to 3–4. Shut-off valve; 4. HST; 5. PCES; from 6–1 to 6–5. Water pump; from 7–1 to 7–3. Three-way valve; 8. Compressor; 9. Four-way valve; 10. Electric heater; 11. HWT; 12. Throttle valve; 13. Evaporator; 14. Filter; 15. Hot water.

2.2. Introduction of TRNSYS18 [19]

In this study, a typical rural residence located in Tianjin (39°08′01″ N, 117°12′19″ E), with a building area of 116 square meters, was selected as the research object. This paper uses TRNSYS18 to conduct the detailed simulation analysis of the residence’s heat load in the heating season. A schematic model of the simulation is shown in Figure 2.
Figure 2. Building heat load simulation model.

2.3. Establishment of TRNSYS Simulation Model

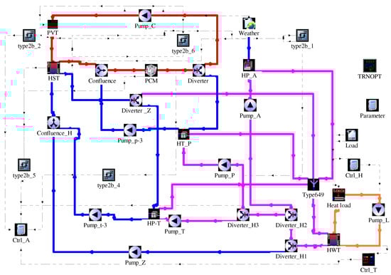
Based on the building’s heat load demand, the area of the solar collector and the heat pump’s rated heat production capacity were determined. The volume of the TES was then calculated to achieve the best match between heat collection and energy storage in the system to maximize system efficiency [20]. A simulation model was built based on the data obtained from calculation. Figure 3 shows the structure of this simulation model.
Figure 3. Schematic diagram of TRNSY simulation.
The system consists of four circuits, each of which takes on a different function to form an efficient energy management system. Specifically, the red loop focuses on the solar collector cycle, the blue loop is responsible for the heat pump chilled water cycle, the pink loop is designed for the cooling water cycle, and the orange loop is tasked with the building heating cycle.
A control scheme of the system is shown in Figure 4:
Figure 4. TRNSYS simulation control flowchart.
  • The simulation time is the local heating time, such as in the Tianjin area; the simulation time ranges from 15 November to 15 March the following year.
  • Collector control: The temperature difference controller (type2b) is used to manage the collector’s operation status. When the collector outlet water temperature exceeds a return water temperature of 8 °C, the collector circulating pump begins to run. When the difference between the collector outlet water temperature and the return water temperature is less than two °C, the collector circulation pump should turn off. When the hot water storage tank is heated to 95 °C, it enters into the high-temperature protection phase, and the collector pump is turned off to stop heat collection.
  • Heating water tank (HWT) heating control: The temperature of the HWT is monitored using the temperature controller (type 108). When the temperature of the HWT is lower than 47 °C, the output signal is 1. When the temperature of the HWT is higher than 49 °C, the output signal is 0. This signal is one of the control conditions for the system to switch to different operation modes.
  • Tank direct supply mode (Mode 1) control: Using the temperature difference controller (type2b), the direct supply pump is turned on when the temperature of the HST is 3 °C higher than 45 °C and turned off when the HST is lower than 45 °C.
  • HST heat pump mode (Mode 2) control: Using the temperature difference controller (type2b), when the temperature of the HST is lower than 45 °C, the tank heat pump is turned on; when the temperature of the HST is lower than the temperature of the PCES or the temperature of the PCES is lower than 18.5 °C, the HST heat pump mode is turned off.
  • PCES heat pump mode (Mode 3) control: Using the temperature difference controller (type2b), when the temperature of the PCES is higher than the temperature of the HST and the temperature of the PCES is higher than 18.5 °C, the circulating water pump will be turned on; otherwise, the circulating water pump will be turned off.
  • ASHP mode (Mode 4) control: Using the equation controller (equation), when the temperature of the PCES is lower than 18 °C, it cannot provide a stable low-temperature heat source for the heat pump, so the air ASHP circulating water pump will turn on; otherwise, the ASHP circulating water pump will turn off.
  • Heating pump control: According to the room heat load, the heating pump should turn on when the heat load is greater than 0 and turn off the heating pump when the room heat load is less than 0.

3. Analysis and Optimization of Simulation Results

3.1. Month-by-Month Operational Analysis

As shown in Figure 5, the irradiation intensity and ambient temperature of the heating season in the Tianjin area change month by month, and the figure shows that the average irradiation intensity and the ambient temperature have the lowest values from December to January, which are 295.60 W/m2 and −3.12 °C, respectively. The highest irradiation intensity and average ambient temperature were found from February to March, 355.23 W/m2 and 3.24 °C, respectively.
Figure 5. Monthly variation in irradiation intensity and ambient temperature in Tianjin.
Figure 6 demonstrates the month-to-month variation in the system’s heat collection and power generation. It is evident that the system’s heat collection and power generation trends align with the fluctuations in local irradiation intensity, and in particular, the system’s average heat collection decreases significantly between February and March, a phenomenon that is directly correlated with the increase in water temperature. A lower inlet water temperature in solar collector systems contributes to higher collector efficiency because a more considerable temperature difference increases heat transfer efficiency from the collector to the TES. Conversely, a high incoming water temperature causes the temperature differential to drop, reducing heat transmission effectiveness. Higher heat losses in the energy storage element are also caused by the material’s enhanced convection and thermal radiation losses at high temperatures.
Figure 6. Monthly variation in heat collection and power generation of system.
Figure 7 illustrates a significant correlation between the monthly variations in system heat supply and power consumption relative to the building’s heat load, thereby underscoring their interrelated dynamics, which rises first, and then falls. The system’s total heat supply throughout the heating season is 8152.15 kWh; the total power consumption is 1485.92 kWh.
Figure 7. Monthly variation in system heat supply and electricity.
Significant differences exist in the amount of heat supplied by each heating mode at different stages of the heating season. Overall, the system mainly operates in Mode 2 and Mode 3, which account for 60.81% of the total heat supply. In particular, from December to January, due to the decrease in intensity of solar radiation, the heat provided by the solar energy was not enough to meet the heating demand of the building, resulting in a significant increase in heat supplied by Mode 4, which reached 1005.53 kWh, accounting for 41.59% of the total heat provided in that month. In contrast, from February to March, the heat supply of Mode 1 increased significantly due to the higher average ambient temperature and irradiation intensity, the ability of the TES to absorb sufficient heat, and the high HST temperature, which led to direct solar heating. It reached 682.29 kWh, accounting for 45.61% of the total heat supply in that month.
In addition, the system’s COP demonstrates a trend that initially decreases, and then increases. From December to January, the system’s COP is the lowest, at only 4.29. This is because the system mainly operates in Mode 1 during this period, i.e., the ASHP mode; a low-temperature environment reduces the performance coefficient of the heat pump. On the contrary, the system performance coefficient reaches a maximum value of 12.25 from February to March. During this period, the system operates directly with solar energy without using the heat pump, reducing power consumption, and thus enhancing the COP.

3.2. System Performance Analysis for a Typical Day

In this study, 6th January was selected as a typical day for the heating system to evaluate its hour-by-hour operational performance, and the relevant results are shown in Figure 8. On that day, the average solar irradiation intensity was 431.26 W/m2, and the average ambient temperature was −4.07 °C. The collectors operated from 10 a.m. to 5 p.m.
Figure 8. The operating parameters on a typical day for the system.
The system automatically switches to the appropriate operating mode according to the demand of different periods. Specifically, the system operates in Mode 2 from 0:00 (midnight) to 1:00 a.m. and from 11:00 a.m. to 24:00 (midnight); from 1:00 a.m. to 11:00 a.m., the system switches to Mode 3. This mode-switching strategy is based on the fact that the water temperature in the HST is lower than the temperature of the PCES at nighttime, and thus Mode 3 is required to maintain the system’s performance. As the intensity of solar radiation increases, the temperature of HST rises, and the system switches to Mode 2. On 6th January, the total collector capacity of the system reached 7.18 kWh, while power generation totaled 1.78 kWh; the average COPs of Mode 2 and Mode 3 are 6.93 and 5.77, respectively. It is noteworthy that the system’s coefficient of performance (COP) exhibits a marked elevation during the operational phase of the collector. This enhancement in COP is predominantly attributed to the concurrent rise in both the tank temperature and the evaporation temperature, which synergistically contribute to the augmented COP of the system.

3.3. Analysis of the Effect of Structural Parameters on System’s Performance

In the design of SAHP systems, the optimization of critical parameters is essential to improve the systems’ performance [21,22,23]. Studying and optimizing these parameters can significantly improve the system’s energy and thermal efficiency. This also reduces the operating costs, making the system more economical and environmentally friendly.
Figure 9 illustrates the impact of varying collector areas on the system parameters. As the collector area increases, both the total heat collection and power generation of the system rise; heat collection increases from 3362.23 kWh to 7006.43 kWh, and power generation increases from 987.80 kWh to 2805.34 kWh. Conversely, the average efficiencies of the collector and power generation decrease. Collector efficiency drops from 39.91% to 31.05%, a reduction of approximately 20.69%, while power generation efficiency falls from 12.73% to 12.29%, a decrease of about 3.46%. These declines are attributed to increased heat collection raising the TES’s temperature, elevating the collector inlet water temperature and narrowing the temperature differential between the collector and the fluid. This reduction in temperature difference diminishes heat transfer efficiency, leading to a decrease in heat collection efficiency.
Figure 9. Effect of collector area on performance parameters.
Furthermore, the system’s annual COP improves significantly with an increase in the collector area from 3.87 to 7.53, marking an increase of about 94.57%. This enhancement is due to the larger collector area, which boosts the system’s collector volume, thereby increasing the system’s heat source heating capacity and improving the system’s overall COP.
In analyzing the effects of the volumes of the HST and the PCES on the performance of the thermal energy system, it is evident that both the variables exhibit comparable trends. With the increase in the TES, both the system’s collector and power generation efficiency show a changing trend of first increasing, and then stabilizing. Specifically, as shown in Figure 10, with the increase in the volume of the HST, heat collection efficiency increases from 34.17% to 35.69%, with an increase of about 4.45%; power generation efficiency increases from 12.44% to 12.55%, with an increase of about 0.88%. As shown in Figure 11, with the increase in the volume of the PCES, the collector efficiency increases from 35.31% to 35.76%, an increase of 1.27%; power generation efficiency increases from 12.52% to 12.56%, an increase of 0.32%, which is attributed to the decrease in internal water temperature due to the increase in the volume of the TES, which reduces the inlet water temperature of the collector and improves the collector efficiency.
Figure 10. Effect of volume of HST on system performance parameters.
Figure 11. Effect of volume of PCES on system performance parameters.
Further observation reveals that with the increase in the TES volume, the COP of the system shows a tendency to increase, and then decrease, and the highest COP of the system is 5.51 when the volume of the HST is 0.6 cubic meters. The highest COP of the system is 5.52 when the volume of the PCES reaches 1.2 cubic meters. This is because in the case of a small-volume TES, the system cannot store enough heat as a low-temperature heat source for the heat pump. When the volume of the TES is too large, the overall temperature of water decreases, resulting in a lower evaporation temperature of the heat pump and a lower COP.

3.4. Optimization of System Parameters

Considering the resource and time constraints of this study and due to space constraints, the optimization parameters in this study are characterized by a certain degree of locality. The Hooke–Jeeves algorithm can strike a better balance between efficiency and effectiveness, which quickly converge in a locally optimal solution. However, finding the optimal combination of input variables becomes challenging due to the complexity of interactions between the system parameters. Therefore, the GenOpt optimization procedure was developed [24]. The program allows the user to define the optimization variables and find the optimal solution automatically through an iterative process, simplifying the complexity of dealing with the system variables’ interaction and facilitating the user to perform parameter optimization calculations. Figure 12 illustrates a flowchart of system optimization.
Figure 12. Flowchart of system parameter optimization.
In the process of optimizing the system, it is necessary to consider the operating cost and the investment cost of the system. The EAC of the system is used as an indicator to analyze the optimal selection of system component parameters. The EAC represents the initial investment and the operating cost and is the best way to balance the two. The formula for calculating the EAC is shown below [14]:
Z = i ( 1 + i ) n ( 1 + i ) n 1 × L 0 + C D
where Z is the EAC, CNY; i is the deposit interest rate; n is the system life, years; L 0 is the initial investment, CNY; C is the annual operating cost, CNY; and D is the cost of PV power generation to be connected to the grid, CNY.
In this study, the collector area and the volume of the TES are selected as the optimization variables, and Figure 13 demonstrates the interface of GenOpt to invoke the optimization algorithm, in which the maximum, minimum, and iteration steps of the optimization variables are set to optimize the operation with the EAC as the optimization index.
Figure 13. Genopt’s interface for calling the Hooke–Jeeves algorithm.
After optimization, the optimal system configuration is finally obtained with a minimum EAC, as shown in Table 1. The initial volume of the HST was 0.8 cubic meters, and the PCES was 0.6 cubic meters. After optimization, the system’s collector area was reduced to 31 square meters, with the HST volume decreasing to 0.4 cubic meters and the PCES decreasing to 0.2 cubic meters. A larger collector area and TES volume initially resulted in higher initial investment costs, but lower operating expenses and grid integration revenue due to the ample collector area. Post-optimization, both the collector area and the TES volumes decreased, leading to reduced initial investment costs, but increased operating expenses and lower grid integration revenue. The optimized system significantly reduced the EAC, achieving optimal performance and economic efficiency.
Table 1. Comparison of parameters before and after optimization.
Figure 14 illustrates the month-by-month performance factor trends before and after system optimization. Before optimization, the average COP was 5.49, and the highest COP reached 12.25, while after optimization, the average COP decreased to 4.32, and the highest COP reached 6.94. The COP of the optimized system is generally lower than that of the pre-optimized system. This is because the reduction in heat collection area after optimization reduces the available heat source, which reduces the system’s COP.
Figure 14. Variation in month-by-month collector efficiency of system before and after optimization.
Figure 15 demonstrates the month-by-month trend of the collector efficiency of the system before and after optimization. After optimization, the average collector efficiency of the system increases from 35.34% to 36.98%, and the maximum collector efficiency rises from 36.16% to 38.40%. It is worth noting that in the middle of the heating period, the collector efficiency of the system before and after optimization is almost unchanged, which is due to the high building heat load and excessive heat consumption during this period, resulting in little change in the temperature of the TES, and therefore a smaller impact on the collector efficiency.
Figure 15. Variation in month-by-month COP of system before and after optimization.

3.5. Analysis of the Economic Feasibility of the System in Different Regions

It is crucial to analyze the system’s performance in regions with different irradiation intensities to ensure the effectiveness and adaptability of solar energy systems in various areas. Therefore, three cities with different climatic and irradiation characteristics, namely Lhasa, Shenyang, and Tianjin, were selected for comparative in this study. Optimization was carried out for the climatic characteristics of the different regions.
Figure 16 shows the optimized system’s initial investment and operation costs in the different regions. The Lhasa region has the lowest initial investment and operation costs, CNY 35.57 K and CNY 0.24 K, respectively; however, Shenyang has the highest, CNY 89.17 K and CNY 1.75 K, respectively.
Figure 16. Comparison of costs in different cities after optimization.
In addition, the system’s payback period compared to that of the ASHP was calculated. Figure 17 demonstrates the optimized EACs and their payback periods for the three regions, and the results show that the shortest payback period is 8.53 years, with a cost-year value of CNY 1579 in the Lhasa region, compared to 10.59 years and 10.3 years with cost-year values of CNY 3963 and CNY 5096 in Tianjin and Shenyang, respectively. Specific analyses show that Lhasa has a lower cost-year value of CNY 3963 due to its abundant solar energy resources, low initial investment and operation costs, and lower EAC. Shenyang and Tianjin, due to the relatively low irradiation intensity, need to configure a larger area of collectors, resulting in higher initial investment and operating costs of the heating system, so the EAC increases.
Figure 17. Comparison of EACs for different cities after optimization.

4. Conclusions

This study constructed a dynamic simulation model using the TRNSYS18 to evaluate the performance of a novel solar-assisted heat pump system with hybrid thermal energy storage. The system’s critical parameters were adjusted by applying optimization algorithms, and the economic feasibility of the system in different regions was explored. The following are the main conclusions based on simulation modeling and data analysis:
(1)
In terms of system performance analysis, with the increase in the collector area, the collector efficiency and power generation efficiency show a decreasing trend, and the system performance coefficient is improved; with the rise of the TES’s volume, the collector efficiency and power generation efficiency increase firstly, and then tend to stabilize, and the system performance coefficient increases firstly, and then decreases.
(2)
The Hooke–Jeeves optimization algorithm was used for parameter optimization. The optimization results show that under the condition of meeting the heating demand of 116 square meters of a building in the Tianjin area, the optimal collector area of the system is 31 square meters, the optimal volume of the HST is 0.4 cubic meters, and the volume of the PCES is 0.2 cubic meters. In this configuration, the system has the lowest EAC, CNY 3963, and the COP of the system reaches 4.32, achieving the best balance between economy and performance.
(3)
The Lhasa, Shenyang, and Tianjin areas were selected for economic analysis, and the payback period was calculated by comparing the ASHPs. The results show that Lhasa has the lowest EAC and payback period, CNY 1579 and 8.53 years, respectively, and Tianjin and Shenyang have payback periods of 10.59 years and 10.3 years, with EACs of CNY 3963 and CNY 5096, respectively.
The core objective of this study is to analyze and evaluate in depth the operational performance of the system during the heating season. Notably, the system has the potential to generate electricity throughout the year and is capable of supplying domestic hot water during the non-heating season, which has important implications for year-round energy management and supply. In future studies, analysis should be further extended to obtain more comprehensive and in-depth results.

Author Contributions

Writing—original draft preparation, C.R.; formal analysis, C.R. and J.L.; writing—review and editing, J.L.; supervision, N.G. All authors have read and agreed to the published version of the manuscript.

Funding

This work was supported by the Natural Science Foundation of Zhejiang Province (LZY22E060004 and LZY24E050003) and the National Natural Science Foundation of China (52106019).

Data Availability Statement

The original contributions presented in the study are included in the article, further inquiries can be directed to the corresponding author.

Conflicts of Interest

The authors declare no conflicts of interest.

References

  1. Zhu, L.; Liao, H.; Hou, B.; Cheng, L.; Li, H. The status of household heating in northern China: A field survey in towns and villages. Environ. Sci. Pollut. Res. 2020, 27, 16145–16158. [Google Scholar] [CrossRef] [PubMed]
  2. Wang, M.; Wei, C. Toward sustainable heating: Assessment of the carbon mitigation potential from residential heating in northern rural China. Energy Policy 2024, 190, 114141. [Google Scholar] [CrossRef]
  3. Wang, X.; Xia, L.; Bales, C.; Zhang, X.; Copertaro, B.; Pan, S.; Wu, J. A systematic review of recent air source heat pump (ASHP) systems assisted by solar thermal, photovoltaic, and photovoltaic/thermal sources. Renew. Energy 2020, 146, 2472–2487. [Google Scholar] [CrossRef]
  4. Ravi Kumar, K.; Krishna Chaitanya, N.V.; Sendhil Kumar, N. Solar thermal energy technologies and its applications for process heating and power generation—A review. J. Clean. Prod. 2021, 282, 125296. [Google Scholar] [CrossRef]
  5. Ni, L.; Qv, D.; Yao, Y.; Niu, F.; Hu, W. An experimental study on performance enhancement of a PCM-based solar-assisted air source heat pump system under cooling modes. Appl. Therm. Eng. 2016, 100, 434–452. [Google Scholar] [CrossRef]
  6. Vahidhosseini, S.M.; Rashidi, S.; Hsu, S.-H.; Yan, W.-M.; Rashidi, A. Integration of solar thermal collectors and heat pumps with thermal energy storage systems for building energy demand reduction: A comprehensive review. J. Energy Storage 2024, 95, 112568. [Google Scholar] [CrossRef]
  7. Yıldız, Ç.; Seçilmiş, M.; Arıcı, M.; Mert, M.S.; Nižetić, S.; Karabay, H. An experimental study on a solar-assisted heat pump incorporated with a PCM-based thermal energy storage unit. Energy 2023, 278, 128035. [Google Scholar] [CrossRef]
  8. Yang, L.W.; Xu, R.J.; Hua, N.; Xia, Y.; Zhou, W.B.; Yang, T.; Belyayev, Y.; Wang, H.S. Review of the advances in solar-assisted air source heat pumps for the domestic sector. Energy Convers. Manag. 2021, 247, 114710. [Google Scholar] [CrossRef]
  9. Osterman, E.; Stritih, U. Review on compression heat pump systems with thermal energy storage for heating and cooling of buildings. J. Energy Storage 2021, 39, 102569. [Google Scholar] [CrossRef]
  10. Wang, Z.; Wang, F.; Li, G.; Song, M.; Ma, Z.; Ren, H.; Li, K. Experimental investigation on thermal characteristics of transcritical CO2 heat pump unit combined with thermal energy storage for residential heating. Appl. Therm. Eng. 2020, 165, 114505. [Google Scholar] [CrossRef]
  11. Wu, J.; Yang, Z.; Wu, Q.; Zhu, Y. Transient behavior and dynamic performance of cascade heat pump water heater with thermal storage system. Appl. Energy 2012, 91, 187–196. [Google Scholar] [CrossRef]
  12. Dannemand, M.; Perers, B.; Furbo, S. Performance of a demonstration solar PVT assisted heat pump system with cold buffer storage and domestic hot water storage tanks. Energy Build. 2019, 188, 46–57. [Google Scholar] [CrossRef]
  13. Ma, Y.; Xi, J.; Cai, J.; Gu, Z. TRNSYS simulation study of the operational energy characteristics of a hot water supply system for the integrated design of solar coupled air source heat pumps. Chemosphere 2023, 338, 139453. [Google Scholar] [CrossRef] [PubMed]
  14. Wang, Y.; Quan, Z.; Zhao, Y.; Wang, L.; Liu, Z. Performance and optimization of a novel solar-air source heat pump building energy supply system with energy storage. Appl. Energy 2022, 324, 119706. [Google Scholar] [CrossRef]
  15. Liu, Z.; Xu, W.; Qian, C.; Chen, X.; Jin, G. Investigation on the feasibility and performance of ground source heat pump (GSHP) in three cities in a cold climate zone, China. Renew. Energy 2015, 84, 89–96. [Google Scholar] [CrossRef]
  16. Zhu, C.; Li, B.; Yan, S.; Luo, Q.; Li, C. Experimental research on solar phase change heat storage evaporative heat pump system. Energy Convers. Manag. 2021, 229, 113683. [Google Scholar] [CrossRef]
  17. Sharma, A.; Chauhan, R.; Kallioğlu, M.A.; Chinnasamy, V.; Singh, T. A review of phase change materials (PCMs) for thermal storage in solar air heating systems. Mater. Today Proc. 2021, 44, 4357–4363. [Google Scholar] [CrossRef]
  18. Gu, H.; Chen, Y.; Yao, X.; Huang, L.; Zou, D. Review on heat pump (HP) coupled with phase change material (PCM) for thermal energy storage. Chem. Eng. J. 2023, 455, 140701. [Google Scholar] [CrossRef]
  19. Beaulac, A.; Lalonde, T.; Haillot, D.; Monfet, D. Energy modeling, calibration, and validation of a small-scale greenhouse using TRNSYS. Appl. Therm. Eng. 2024, 248, 123195. [Google Scholar] [CrossRef]
  20. Yao, J.; Xu, H.; Dai, Y.; Huang, M. Performance analysis of solar-assisted heat pump coupled with build-in PCM heat storage based on PV/T panel. Sol. Energy 2020, 197, 279–291. [Google Scholar] [CrossRef]
  21. Gao, J.; Li, S.; Adnouni, M.; Huang, Y.; Yu, M.; Zhao, Y.; Zhang, X. Simulation study on the thermal performance of solar coupled air source heat pump system with phase change heat storage in cold regions. Energy 2024, 308, 132921. [Google Scholar] [CrossRef]
  22. Lin, Y.; Fan, Y.; Yu, M.; Jiang, L.; Zhang, X. Performance investigation on an air source heat pump system with latent heat thermal energy storage. Energy 2022, 239, 121898. [Google Scholar] [CrossRef]
  23. Liu, Y.; Ma, J.; Zhou, G.; Zhang, C.; Wan, W. Performance of a solar air composite heat source heat pump system. Renew. Energy 2016, 87, 1053–1058. [Google Scholar] [CrossRef]
  24. Fernandes, M.S.; Gaspar, A.R.; Costa, V.A.F.; Costa, J.J.; Brites, G.J.V.N. Optimization of a thermal energy storage system provided with an adsorption module—A GenOpt application in a TRNSYS/MATLAB model. Energy Convers. Manag. 2018, 162, 90–97. [Google Scholar] [CrossRef]
Disclaimer/Publisher’s Note: The statements, opinions and data contained in all publications are solely those of the individual author(s) and contributor(s) and not of MDPI and/or the editor(s). MDPI and/or the editor(s) disclaim responsibility for any injury to people or property resulting from any ideas, methods, instructions or products referred to in the content.

Article Metrics

Citations

Article Access Statistics

Multiple requests from the same IP address are counted as one view.