Mobile Charging Stations: A Comprehensive Review of Converter Topologies and Market Solutions
Abstract
1. Introduction
- A discussion on the need for an operational EV charging infrastructure to support the rising global demand for EVs, along with the distinctions between FCSs and MCSs.
- A discussion on MCSs’ contributions to grid and cost efficiency, highlighting how MCSs can help reduce peak demand stress on the power grid by enabling EVs to be charged during off-peak times, thus offering a more cost-effective solution.
- Fundamental concepts related to the MCS architecture, EV charging standards, and energy storage technologies.
- A classification of mobile EV charging systems into unidirectional MCSs and bidirectional MCSs, along with an overview of the main isolated and non-isolated converter topologies and V2V solutions that can be used in this application. The key results of the literature review are presented in tables.
- A discussion on the adoption of MCSs by the market and its application as a product or service, including examples of companies operating within this business model. The results of this assessment are presented in tables.
- Comments on recent studies that explore strategies for optimal MCS dispatch, focusing on reducing wait times, lowering operating costs, and maximizing service efficiency.
2. Introduction to Mobile Charging Stations
2.1. Basic Architecture of an Mobile Charging Stations
- A user interface, which manages payment authorization and billing;
- Communication with the server, which is responsible for maintaining user accounts and authorizing payment/billing transactions;
2.2. Electric Vehicle Charging Modes
- AC Level 1 chargers are designed for slower charging (around 4 to 11 h) using low power (maximum power of 1.9 kW [28]), typically with a low single-phase voltage, typically 120 VAC [28,48]. As such, they are most commonly found in homes and offices and are built to be plugged directly into residential AC outlets with only a single phase;
- AC Level 2 chargers, known as semi-fast, also utilize a direct connection to AC outlets, which can be either single-phase or three-phase, with typical voltages of 240 VAC [28,48]. They are used both at home and in public locations (such as shopping mall parking lots). However, it is important to note that these outlets are for the exclusive use of chargers. According to SAE J1772, the maximum power of charging stations in this category is 19.2 kW [28]. Due to the higher power, EV charging becomes faster, typically taking between 2 to 3 h [43];
- Finally, DC Level 3 charging stations, known as fast or ultra-fast chargers, are designed to meet commercial demand, where high power (starting at 50 kW) and rapid charging (in a matter of minutes, up to 1 h [43]) become priorities.
- Mode 1 is a type of AC charging that connects the EV directly to a standard outlet, without the need for specialized infrastructure to control the EV’s charging. The nominal values for current and voltage must not exceed 16 A and 250 VAC when supplied by a single-phase grid, and 16 A and 480 VAC when supplied by a three-phase grid. According to [49], this charging mode should only be used when no other option is available and should be considered as an emergency charging method.
- Mode 2 is a type of AC charging in which the connection between the EV and the grid is still made through a standard outlet. However, the cable used for charging incorporates an in-cable control box, which includes a pilot control function and an electric shock protection system. The nominal limits for current and voltage for this charging mode are 32 A and 250 VAC when connected to a single-phase grid, and 32 A and 480 VAC when connected to a three-phase grid [50]. In this charging mode, the onboard chargers perform the function of controlling the battery charging.
- Finally, Mode 4 is the only one that includes DC charging. This charging mode is characterized by the direct connection of the external DC charger to the terminals of the EV’s battery, allowing for higher power transfers, with capabilities of up to hundreds of kW [49]. For this charging mode, the nominal current limit is 400 A [51].
2.3. AC and DC Charging Connectors
- The first connector in Table 1 is the SAE J1772 Type 1 connector, which is a North American charging standard maintained by SAE. This plug is used exclusively for single-phase AC chargers, as this type of distribution network is more common in the USA [54]. In fact, this connector is compatible with EVs primarily sold in the USA, Canada, and and Japan. Examples include the Nissan Leaf, Chevrolet Volt, Toyota Prius Plug-in Hybrid, Mitsubishi i-MiEV, Honda Fit EV, Kia Soul EV, and Tesla Model S (via a portable adapter provided by Tesla).
- The second connector in Table 1 is the IEC 62196-2 Type 2 connector, also known as Mennekes. This is a European standard adopted by the European Automobile Manufacturers Association (ACEA), suitable for single-phase and three-phase connections (Modes 1, 2, and 3). Some EVs already using this standard include the Renault Kangoo ZE, Renault ZOE, Renault Fluence ZE, BYD e6, BMW i3, Volkswagen e-Up, and Volkswagen e-Golf.
- The third and fourth connectors in Table 1 represent the combined charging system, or CCS. These models are a combination of Type 1 (CCS-1) and Type 2 (CCS-2) connectors with an additional DC connection. This allows the DC charging system to use the communication and grounding pins from AC charging plug, which reduces the space required for connectors on the EV’s surface, minimizes cabling and circuitry, and lowers the cost of implementing charging ports compared to cars that require two separate connectors. Some examples of cars using the CCS standard are the GM Chevy Spark EV (Type 1), BMW i3 (Type 1 in the USA, Type 2 in Europe), Volkswagen e-Up (Type 2), and Volkswagen e-Golf (Type 2).
| Charging Method | Connector | Topology | Country | Communication Protocol | Maximum Voltage | Maximum Power |
|---|---|---|---|---|---|---|
| AC charging | SAE J1772 Type 1 | ![]() | USA Japan S. Korea | AC Level 1: PLC AC Level 1: PLC | AC Level 1: 120 VAC for AC Level 2: 240 VAC for split-phase | AC Level 1: 1.9 kW AC Level 2: 19.2 kW |
| AC charging | IEC 62196-2 Type 2 | ![]() | Europe Australia | Mode 1: None Modes 2 and 3: PLC | Mode 1: 250 VAC for (480 VAC for ) Modes 2 and 3: 250 VAC for (480 VAC for ) | Mode 1: 4 kW (13.3 kW) Modes 2 and 3: 8 kW (22kW) |
| DC fast charging/ AC charging | SAE J1772 CCS-1 | ![]() | USA S. Korea | PLC | AC charging: Equivalent to AC Level 2 DC charging: 1000 VDC | AC charging: Equivalent to AC Level 2 DC charging: 350 kW |
| DC fast charging/ AC charging | IEC 62196-2 CCS-2 | ![]() | Europe Australia | PLC | AC charging: Equivalent to Modes 2 and 3 DC charging: 1000 VDC | AC charging: Equivalent to Modes 2 and 3 DC charging: 350 kW |
| DC fast charging | CHAdeMO | ![]() | Global | CAN | 1000 VDC | 400 kW |
2.4. Energy Storage Technologies for Mobile Charging Stations
3. Power Converter Topologies for Mobile Charging Stations
- Non-isolated DC/DC converters, unidirectional (considering the unidirectional MCS topology), and bidirectional (considering the bidirectional MCS topology);
- Isolated DC/DC converters, unidirectional (considering the unidirectional MCS topology), and bidirectional (considering the bidirectional MCS topology);
- DC/AC converters.
3.1. Non-Isolated DC/DC Converters for MCSs
3.1.1. Basic Topologies
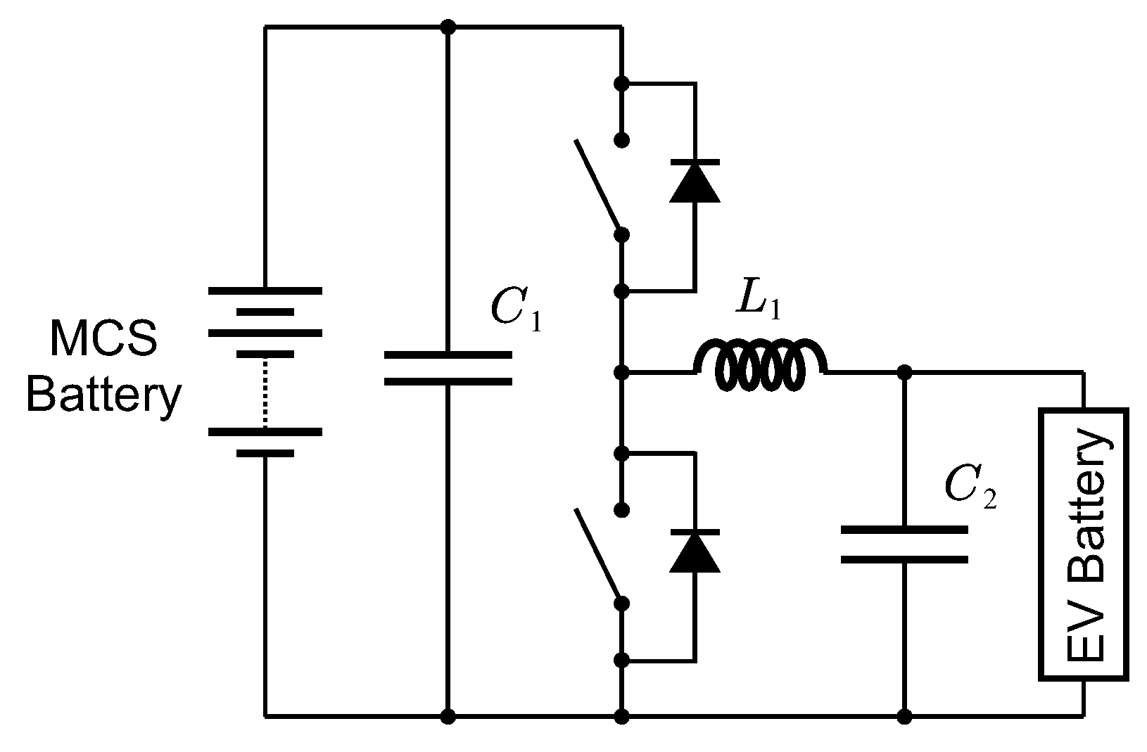
- The buck converter requires the input voltage to be higher than the output voltage. This means that the MCS battery voltage must always be higher than the EV battery voltage. Moreover, the buck converter still has three other significant drawbacks [73,74,76]: the converter’s power rating is limited due to the fact that the entire input current passes through a single switch; there is a high input current ripple, which is undesirable to this application; and since the current ripple must be kept low to reduce losses associated with the charging and discharging processes, it requires a high inductance and results in reduced power density.
- The buck–boost converter has the advantages of its simple construction, requiring only one magnetic element, and the ability to operate as either a step-up or step-down converter. This latter characteristic allows the nominal voltage of the MCS battery to be lower than the EV’s battery voltage. However, capacitors need to be added to both sides of the converter (and present significant current ripple), the inductor current is usually high, and the output voltage is negatively polarized [72]. Due to the last one, voltage stress on the switches is high.
- The Cuk converter does not require input or output capacitors. This happens due to the fact that reduced input and output current ripples are expected in this topology. On the other hand, it requires two magnetic elements and a high capacitor rating for transferring power, in addition to the fact that the output voltage is negatively polarized [72]. Due to the latter, voltage stress on the switches is high.
- The SEPIC converter offers significant advantages for this application when compared to other basic converters, such as the buck–boost and Cuk ones. The use of this converter results in a decrease in the transfer capacitor rating when compared to the Cuk converter, and it does not present an output polarity inversion, allowing the EV and MCS to share the same ground connection. On the other hand, higher inductance values are required to control the input and output current ripples [72].
3.1.2. Derived Topologies
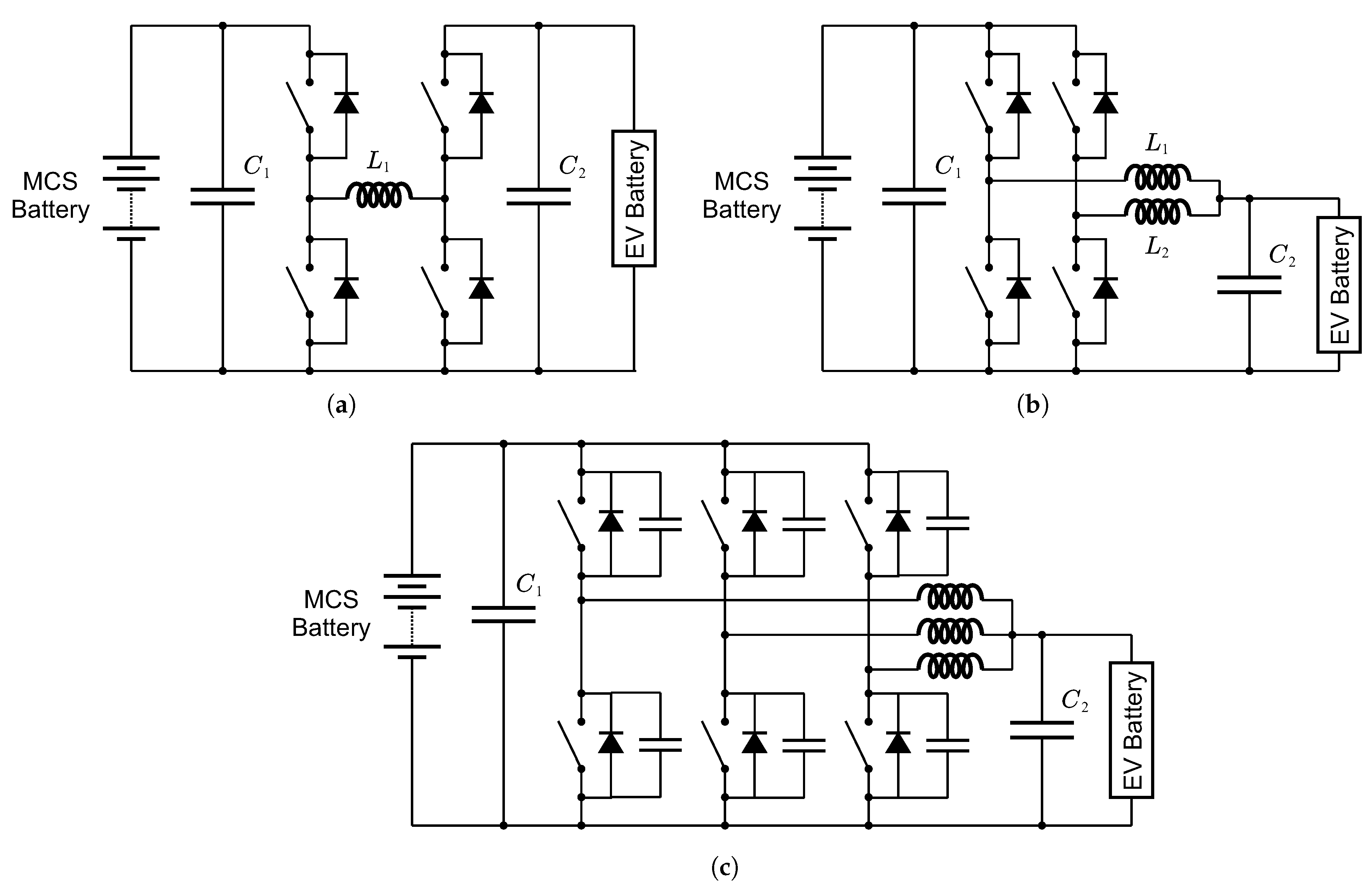
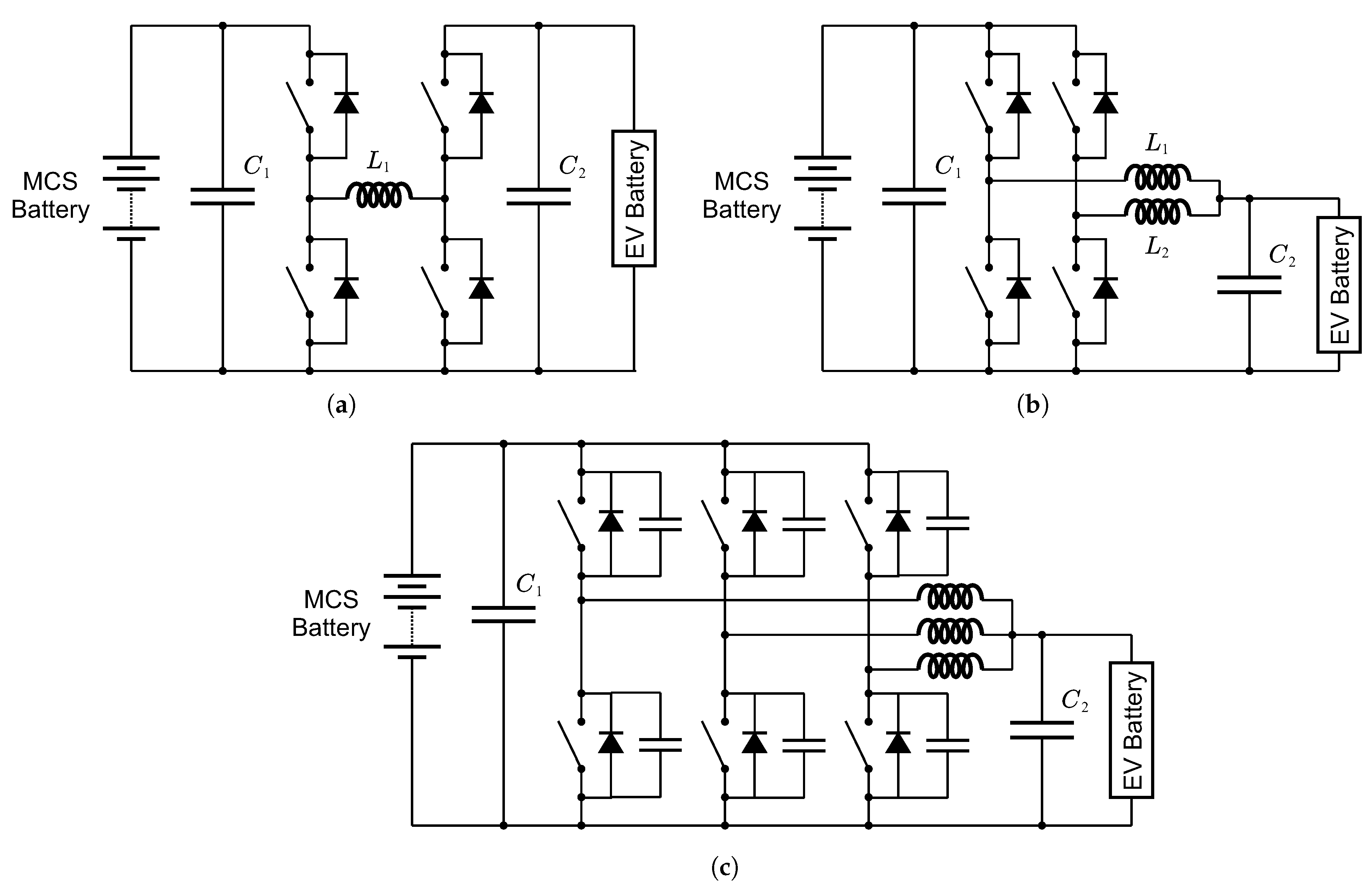
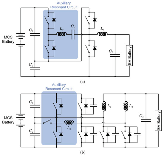
- Kwon et al. [84] proposed a high-step-up soft-switched bidirectional DC/DC converter that, according to [73], could be applied for DC fast charging applications, considering a DC bus (to which the MCS’s battery could be connected). Some papers in literature refer to this converter as a “half-bridge charger with auxiliary resonant circuit” [80], while others name it as a “Zero Voltage Transition (ZVT) converter” [73]. As can be seen in Figure 7a, this converter has a auxiliary resonant circuit formed by and and two switches that help the system to perform zero voltage switching (ZVS) [84].
- Han et al. [85] proposed a non-isolated bidirectional ZVT converter with interleaved characteristics, also referred to by [73] as the “interleaved ZVT converter”. Due to its interleaved design, the current stresses on the switches are lower than those observed in the simple ZVT converter [84]. Figure 7a shows the converter and highlights its auxiliary resonant circuit.
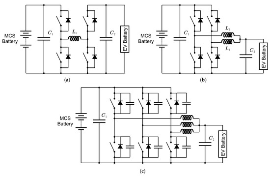
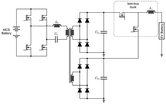
- Monteiro et al. [86] proposed a dual-stage AC/DC converter for off-board fast EV charging. The second power stage of that solution, which was the bidirectional three-level asymmetrical voltage source converter, as shown in Figure 8, appeared as a solution applicable to MCSs. In their paper, Monteiro et al. [86] validated that solution in simulation with a power of 40 kW and building a 7.6 kW experimental prototype. That converter offered several advantages [73], including a low output and inductor current ripple, a compact structure, reduced price and size, and smaller inductors. However, the trade-off for these benefits was the lack of soft-switching capability.
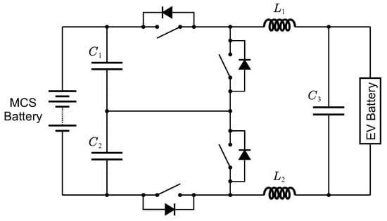
- Badawy et al. [72] proposed an interleaved bidirectional cascade buck-boost (CBB) converter, specifically for MCS applications (Figure 9). That work stood out not only for explicitly presenting itself as an MCS solution but also for the authors’ design and implementation of a 75 kW experimental prototype.
3.2. Isolated DC/DC Converters for MCSs
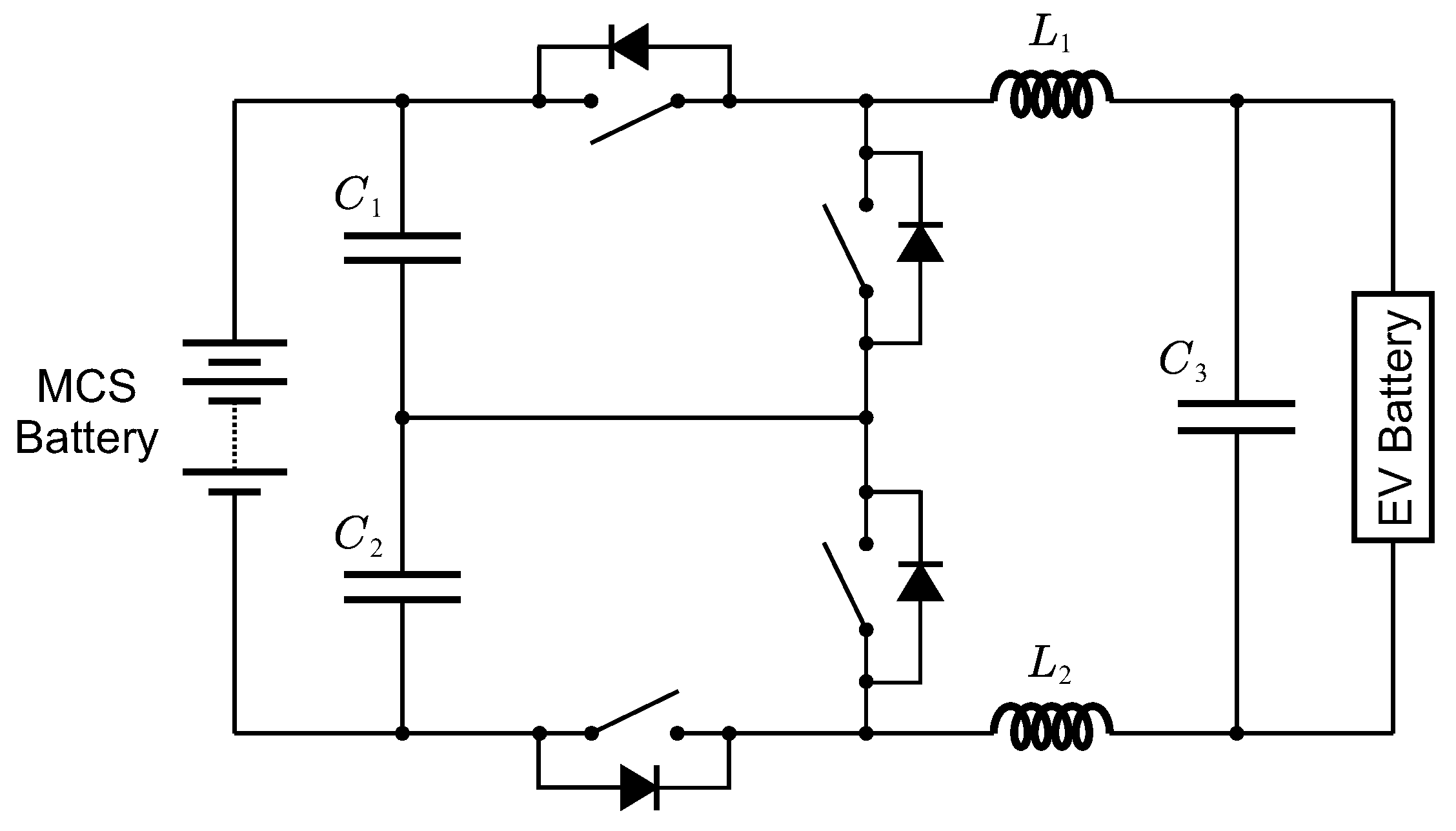
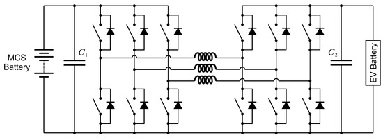
- The PSFB converter (Figure 10a) features ZVS capability at the turn-on of the primary switches, which allows it to operate at a high switching frequency, resulting in a good power density. Despite having some dependence on the load to achieve ZVS, this topology has proven suitable for fast EV charging applications, as the ZVS switching range can be adjusted by the designer [36,99].
- The LLC resonant converter (Figure 10b) is also an alternative for isolated DC-DC converters. In this case, the ZVS condition is achieved over a wider load range compared to that of the PSFB. For this converter, voltage regulation is usually performed by varying the switching frequency, making the design of passive components more complex. In cases where large variations in voltage gain are not required, the switching frequency remains within a narrower operating range, improving operational efficiency [36]. However, for the application in question, this is not the case, as the battery voltage varies over a wide range.
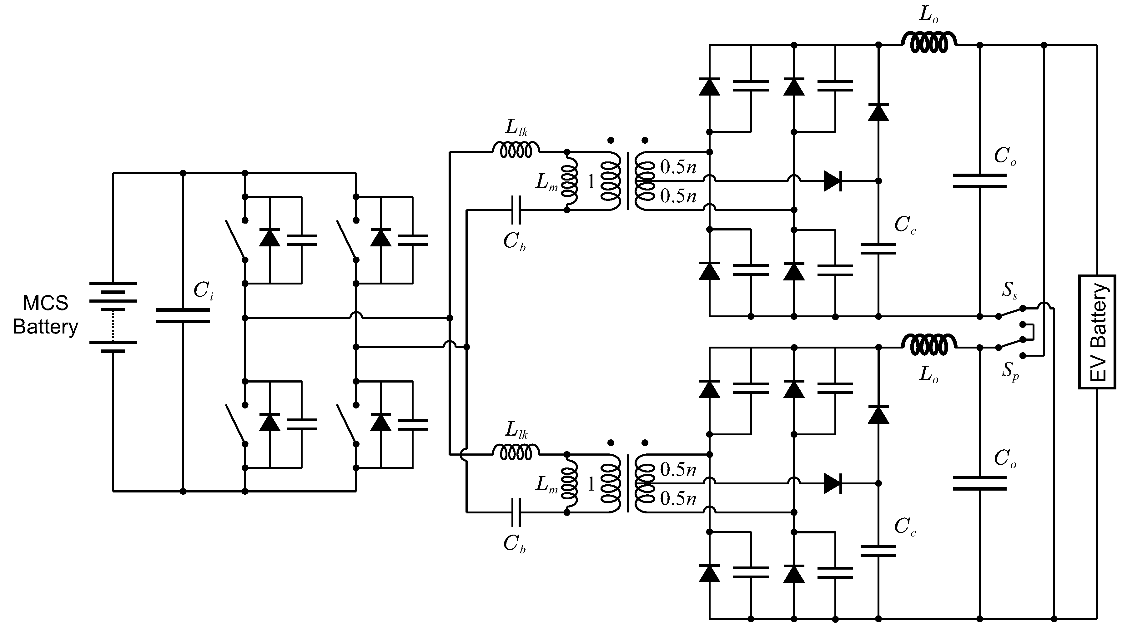
- The DAB converter (Figure 10c) offers the same ZVS advantages as the PSFB converter; however, different output voltage control modes can be applied, such as single-phase shift, dual-phase shift, and triple-phase shift. These different modulation techniques aim to improve the converter performance in response to the wide range of voltages and powers required by the EV load profile [61]. Bidirectional power flow is achieved by controlling the phase shift between the voltages of the two bridges.
- The bidirectional CLLC resonant converter (Figure 10d), due to its symmetrical structure (with capacitors on both primary and secondary sides of the converter), can achieve ZVS with lower transformer leakage inductance, and control in both directions is easier compared to the bidirectional LLC converter. In [121], a new stage is added to the CLLC converter to reduce the voltage stresses on the input switches by half, allowing for higher input voltages and lower input currents.
3.3. DC/AC Converters for MCSs
- A low-frequency transformer can be used at the input of the EV charging station, before its AC charger;
- A high-frequency transformer can be used in a DC/AC converter with multiple power conversion stages.
3.4. Alternative Vehicle-to-Vehicle Solutions
- In the first approach, the portable charger consists of a four-stage conversion solution, requiring an AC/DC power factor correction converter as a front-end conversion stage and an isolated DC/DC converter as back-end conversion stage for each EV. This topology is shown in Figure 13a, where it can be seen that an AC bus is used as the electrical interface between the EVs. Although functional, this solution exhibits significant losses due to the number of conversion stages.
- In the second approach, proposed in [132], only DC/DC converters are used to connect the EVs, as shown in Figure 13b. By doing this, the number of conversion stages is reduced, which consequently lowers conduction and switching losses, thereby increasing the efficiency of the solution. To ensure electrical isolation between the EVs, in this solution, one of the DC/DC converters should be isolated.
- (i)
- Using onboard chargers based on buck–boost topologies.
- (ii)
- Using onboard chargers based on DABs.
- (iii)
- Using a four-stage off-board charger, directly connected to the batteries through the DC charging connector. Although functional, due to the large number of power conversion stages, it is not widely used, and there are few studies on topologies for this classification.
- (iv)
- Wireless charging, which can be done using either onboard or off-board converters, though it always requires additional hardware compared to the previous solutions.
- (v)
- Using the internal chargers of the EVs, but bypassing its DC/AC converters, which may result in systems with one, two, or four stages, depending on the number of DC/DC converters involved in the setup;
- (vi)
- Using the EV’s onboard motor windings and drivetrain to enable DC fast charging;
- (vii)
- Using an off-board charger directly connected to the batteries through their DC charging connectors.
4. Main Market Solutions and Complementary Studies
5. Conclusions
Author Contributions
Funding
Informed Consent Statement
Data Availability Statement
Acknowledgments
Conflicts of Interest
Abbreviations
| BEV | Battery Electrical Vehicle |
| BMS | Battery Monitoring System |
| CaaS | Charging as a service |
| CAN | Controller area network |
| CBB | Cascade buck–boost |
| CCS | Combined charging system |
| DAB | Dual Active Bridge |
| EDLC | Electric Double-Layer Capacitors |
| ESS | Energy storage system |
| EV | Electric vehicle |
| FCS | Fixed charging station |
| LVDC | Low-Voltage Direct Current |
| MCS | Mobile charging station |
| MILP | Mixed-integer linear programming |
| MLI | Multi-Level Inverter |
| PHEVs | Plug-in hybrid electric vehicle |
| PLC | Power line communication |
| PSFB | Phase-Shift Full Bridge |
| PWM | Pulse width modulation |
| SEPIC | Single-Ended Primary-Inductance Converter |
| TLI | Two-Level Inverter |
| V2V | Vehicle-to-vehicle |
| ZCS | Zero current switching |
| ZEV | Zero-emission vehicles |
| ZQR | Z-Quasi Resonant |
| ZVS | Zero voltage switching |
| ZVT | Zero Voltage Transition |
References
- Cavalcante Junior, V.M.; Neto, R.C.; Barbosa, E.J.; Bradaschia, F.; Cavalcanti, M.C.; Azevedo, G.M.d.S. Evaluation of the Effectiveness of Solar Array Simulators in Reproducing the Characteristics of Photovoltaic Modules. Sustainability 2024, 16, 6932. [Google Scholar] [CrossRef]
- United Nations. Paris Agreement. 2015. Available online: https://unfccc.int/sites/default/files/english_paris_agreement.pdf (accessed on 1 October 2024).
- USA Government. The United States of America Nationally Determined Contribution. 2021. Available online: https://unfccc.int/sites/default/files/NDC/2022-06/United%20States%20NDC%20April%2021%202021%20Final.pdf (accessed on 1 October 2024).
- China Government. China’s Achievements, New Goals and New Meaasures for Nationally Determined Contributions. 2021. Available online: https://unfccc.int/sites/default/files/NDC/2022-06/China%E2%80%99s%20Achievements%2C%20New%20Goals%20and%20New%20Measures%20for%20Nationally%20Determined%20Contributions.pdf (accessed on 1 October 2024).
- IEA. Global EV Outlook 2024; IEA: Paris, France, 2024.
- Enge, P.; Enge, N.; Zoepf, A. Electric Vehicle Engineering; McGraw Hill: New York, NY, USA, 2021. [Google Scholar]
- Government, C. Incentives for Zero-Emission Vehicles (iZEV). 2024. Available online: https://tc.canada.ca/en/road-transportation/innovative-technologies/zero-emission-vehicles/incentives-zero-emission-vehicles-izev (accessed on 1 October 2024).
- Uni. Plug-In Grant for Cars to End as Focus Moves to Improving Electric Vehicle Charging. 2022. Available online: https://www.gov.uk/government/news/plug-in-grant-for-cars-to-end-as-focus-moves-to-improving-electric-vehicle-charging (accessed on 1 October 2024).
- Energate. German Government Allocates 400 Million Euros for Company Fast Chargers. 2023. Available online: https://www.energate-messenger.com/news/236540/german-government-allocates-400-million-euros-for-company-fast-chargers (accessed on 1 October 2024).
- The White House. Building a Clean Energy Economy: A Guidebook to the Inflation Reduction Act’s Investments in Clean Energy and Climate Action. 2023. Available online: https://www.whitehouse.gov/wp-content/uploads/2022/12/Inflation-Reduction-Act-Guidebook.pdf (accessed on 1 October 2024).
- Pevec, D.; Babic, J.; Carvalho, A.; Ghiassi-Farrokhfal, Y.; Ketter, W.; Podobnik, V. A survey-based assessment of how existing and potential electric vehicle owners perceive range anxiety. J. Clean. Prod. 2020, 276, 122779. [Google Scholar] [CrossRef]
- Soczówka, P.; Lasota, M.; Franke, P.; Żochowska, R. Method of Determining New Locations for Electric Vehicle Charging Stations Using GIS Tools. Energies 2024, 17, 4546. [Google Scholar] [CrossRef]
- Mohammadi, M.; Thornburg, J.; Mohammadi, J. Towards an Energy Future with Ubiquitous Electric Vehicles: Barriers and Opportunities. Energies 2023, 16, 6379. [Google Scholar] [CrossRef]
- Feng, Y.; Saphores, J.D.; Nixon, H.; Ramirez Ibarra, M. Battery Electric Vehicles: Travel Characteristics of Early Adopters. Sustainability 2024, 16, 4263. [Google Scholar] [CrossRef]
- Wang, J.; Huang, C.; He, D.; Tu, R. Range Anxiety among Battery Electric Vehicle Users: Both Distance and Waiting Time Matter. Proc. Hum. Factors Ergon. Soc. Annu. Meet. 2023, 67, 1309–1315. [Google Scholar] [CrossRef]
- Jeon, S.; Choi, D.H. Optimal Energy Management Framework for Truck-Mounted Mobile Charging Stations Considering Power Distribution System Operating Conditions. Sensors 2021, 21, 2798. [Google Scholar] [CrossRef] [PubMed]
- ANSI. Roadmap of Standards and Codes for Electric Vehicles at Scale; Technical Report; ANSI Electric Vehicles Standards Panel (EVSP): Washington, DC, USA, 2023. [Google Scholar]
- Liu, W.; Placke, T.; Chau, K. Overview of batteries and battery management for electric vehicles. Energy Rep. 2022, 8, 4058–4084. [Google Scholar] [CrossRef]
- Acharige, S.S.G.; Haque, M.E.; Arif, M.T.; Hosseinzadeh, N.; Hasan, K.N.; Oo, A.M.T. Review of Electric Vehicle Charging Technologies, Standards, Architectures, and Converter Configurations. IEEE Access 2023, 11, 41218–41255. [Google Scholar] [CrossRef]
- Atmaja, T.D.; Amin. Energy Storage System Using Battery and Ultracapacitor on Mobile Charging Station for Electric Vehicle. Energy Procedia 2015, 68, 429–437. [Google Scholar] [CrossRef]
- Un-Noor, F.; Wu, G.; Perugu, H.; Collier, S.; Yoon, S.; Barth, M.; Boriboonsomsin, K. Off-Road Construction and Agricultural Equipment Electrification: Review, Challenges, and Opportunities. Vehicles 2022, 4, 780–807. [Google Scholar] [CrossRef]
- Saboori, H.; Jadid, S.; Savaghebi, M. Optimal Management of Mobile Battery Energy Storage as a Self-Driving, Self-Powered and Movable Charging Station to Promote Electric Vehicle Adoption. Energies 2021, 14, 736. [Google Scholar] [CrossRef]
- Zhang, Y.; Liu, X.; Wei, W.; Peng, T.; Hong, G.; Meng, C. Mobile charging: A novel charging system for electric vehicles in urban areas. Appl. Energy 2020, 278, 115648. [Google Scholar] [CrossRef]
- Fodorean, D.; Cirlea, F.; Raboaca, M.S.; Filote, C. New Mobile Charging Station for Urban and Resort Areas. In Proceedings of the 2019 Electric Vehicles International Conference (EV), Bucharest, Romania, 3–4 October 2019; pp. 1–6. [Google Scholar] [CrossRef]
- Afshar, S.; Pecenak, Z.K.; Disfani, V. Mobile Charging Station: A Complementary Charging Technology for Electric Vehicles. In Proceedings of the 2022 IEEE Transportation Electrification Conference & Expo (ITEC), Anaheim, CA, USA, 15–17 June 2022; pp. 953–957. [Google Scholar] [CrossRef]
- Afshar, S.; Macedo, P.; Mohamed, F.; Disfani, V. A Literature Review on Mobile Charging Station Technology for Electric Vehicles. In Proceedings of the 2020 IEEE Transportation Electrification Conference & Expo (ITEC), Chicago, IL, USA, 23–26 June 2020; pp. 1184–1190. [Google Scholar] [CrossRef]
- Li, H.; Son, D.; Jeong, B. Electric vehicle charging scheduling with mobile charging stations. J. Clean. Prod. 2024, 434, 140162. [Google Scholar] [CrossRef]
- Rivera, S.; Kouro, S.; Vazquez, S.; Goetz, S.M.; Lizana, R.; Romero-Cadaval, E. Electric Vehicle Charging Infrastructure: From Grid to Battery. IEEE Ind. Electron. Mag. 2021, 15, 37–51. [Google Scholar] [CrossRef]
- Afshar, S.; Pecenak, Z.K.; Barati, M.; Disfani, V. Mobile charging stations for EV charging management in urban areas: A case study in Chattanooga. Appl. Energy 2022, 325, 119901. [Google Scholar] [CrossRef]
- Liu, L.; Zhang, H.; Xu, J.; Wang, P. Providing Active Charging Services: An Assignment Strategy with Profit-Maximizing Heat Maps for Idle Mobile Charging Stations. IEEE Trans. Mob. Comput. 2024, 23, 2139–2152. [Google Scholar] [CrossRef]
- Afshar, S.; Macedo, P.; Mohamed, F.; Disfani, V. Mobile charging stations for electric vehicles—A review. Renew. Sustain. Energy Rev. 2021, 152, 111654. [Google Scholar] [CrossRef]
- IEC 61851-23; Electric Vehicle Conductive Charging System—Part 23: DC Electric Vehicle Supply Equipment. International Electrotectinal Commission: Geneva, Switzerland, 2023.
- IEC 61851-24; Electric Vehicle Conductive Charging System—Part 24: Digital Communication Between a DC EV Supply Equipment and an Electric Vehicle for Control of DC Charging. International Electrotectinal Commission: Geneva, Switzerland, 2023.
- ISO 15118; Road Vehicles—Vehicle to Grid Communication Interface. International Electrotectinal Commission: Geneva, Switzerland, 2019.
- Richard, L.; Petit, M. Fast Charging Station with Battery Storage System for EV: Optimal Integration into the Grid. In Proceedings of the 2018 IEEE Power & Energy Society General Meeting (PESGM), Portland, OR, USA, 5–10 August 2018; pp. 1–5. [Google Scholar] [CrossRef]
- Rafi, M.A.H.; Bauman, J. A Comprehensive Review of DC Fast-Charging Stations with Energy Storage: Architectures, Power Converters, and Analysis. IEEE Trans. Transp. Electrif. 2021, 7, 345–368. [Google Scholar] [CrossRef]
- Dericioglu, C.; YiriK, E.; Unal, E.; Cuma, M.U.; Onur, B.; Tumay, M. A review of charging technologies for commercial electric vehicles. Int. J. Adv. Automot. Technol. 2018, 2, 61–70. [Google Scholar]
- Yang, X.; Du, R.; Ji, Z.; Wang, Q.; Qu, M.; Gao, W. A Management Framework and Optimization Scheduling for Electric Vehicles Participating in a Regional Power Grid Demand Response under Battery Swapping Mode. Electronics 2024, 13, 3987. [Google Scholar] [CrossRef]
- Alharbi, W. Assessment of Distribution System Margins Considering Battery Swapping Stations. Sustainability 2023, 15, 6782. [Google Scholar] [CrossRef]
- Bian, H.; Ren, Q.; Guo, Z.; Zhou, C. Optimal Scheduling of Integrated Energy System Considering Electric Vehicle Battery Swapping Station and Multiple Uncertainties. World Electr. Veh. J. 2024, 15, 170. [Google Scholar] [CrossRef]
- Wu, Y.; Zhuge, S.; Han, G.; Xie, W. Economics of Battery Swapping for Electric Vehicles—Simulation-Based Analysis. Energies 2022, 15, 1714. [Google Scholar] [CrossRef]
- Pisano, A.; Saba, M.; Baldovino, J.A. A Critical Review of NIO’s Business Model. World Electr. Veh. J. 2023, 14, 251. [Google Scholar] [CrossRef]
- Rajendran, G.; Vaithilingam, C.A.; Misron, N.; Naidu, K.; Ahmed, M.R. A comprehensive review on system architecture and international standards for electric vehicle charging stations. J. Energy Storage 2021, 42, 103099. [Google Scholar] [CrossRef]
- Nasr Esfahani, F.; Darwish, A.; Ma, X.; Twigg, P. Non-Integrated and Integrated On-Board Battery Chargers (iOBCs) for Electric Vehicles (EVs): A Critical Review. Energies 2024, 17, 2285. [Google Scholar] [CrossRef]
- SAE J1772; SAE Electric Vehicle and Plug in Hybrid Electric Vehicle Conductive Charge Coupler J1772_201710. Society of Automotive Engineers: Warrendale, PA, USA, 2017.
- Falvo, M.C.; Sbordone, D.; Bayram, I.S.; Devetsikiotis, M. EV charging stations and modes: International standards. In Proceedings of the 2014 International Symposium on Power Electronics, Electrical Drives, Automation and Motion, Ischia, Italy, 18–20 June 2014; pp. 1134–1139. [Google Scholar] [CrossRef]
- ZVEI. Voltage Classes for Electric Mobility; Technical Report; ZVEI—German Electrical and Electronic Manufacturers’ Association: Frankfurt, Germany, 2014; Available online: https://www.zvei.org/fileadmin/user_upload/Presse_und_Medien/Publikationen/2014/april/Voltage_Classes_for_Electric_Mobility/Voltage_Classes_for_Electric_Mobility.pdf (accessed on 1 October 2024).
- Khan, W.; Ahmad, A.; Ahmad, F.; Alam, M.S. A Comprehensive Review of Fast Charging Infrastructure for Electric Vehicles. Smart Sci. 2018, 6, 256–270. [Google Scholar] [CrossRef]
- BEAMA. Guide to Electric Vehicle Infrastructure. 2024. Available online: https://www.beama.org.uk/resourceLibrary/beama---gfi-guide-to-electric-vehicle-infrastructure.html (accessed on 19 September 2024).
- IEC61851-1; Electric Vehicle Conductive Charging System—Part 1: General Requirements. International Electrotectinal Commission: Geneva, Switzerland, 2017.
- IEC 62196-1; Plugs, Socket-Outlets, Vehicle Connectors and Vehicle Inlets—Conductive Charging of Electric Vehicles—Part 1: General Requirements. International Electrotectinal Commission: Geneva, Switzerland, 2022.
- GB/T 20234.2; Connection Set for Conductive Charging of Electric Vehicles—Part 2: AC Charging Coupler. Standardization Administration of China: Beijing, China, 2015.
- Ayob, A.; Wan Mahmood, W.M.F.; Mohamed, A.; Che Wanik, M.Z.; Mohd Siam, M.F.; Sulaiman, S.; Azit, A.H.; Mohamed Ali, M.A. Review on Electric Vehicle, Battery Charger, Charging Station and Standards. Res. J. Appl. Sci. Eng. Technol. 2014, 7, 364–373. [Google Scholar] [CrossRef]
- Longo, M.; Zaninelli, D.; Viola, F.; Romano, P.; Miceli, R.; Caruso, M.; Pellitteri, F. Recharge stations: A review. In Proceedings of the 2016 Eleventh International Conference on Ecological Vehicles and Renewable Energies (EVER), Monte Carlo, Monaco, 6–8 April 2016; pp. 1–8. [Google Scholar] [CrossRef]
- Mateen, S.; Amir, M.; Haque, A.; Bakhsh, F.I. Ultra-fast charging of electric vehicles: A review of power electronics converter, grid stability and optimal battery consideration in multi-energy systems. Sustain. Energy Grids Netw. 2023, 35, 101112. [Google Scholar] [CrossRef]
- Sanguesa, J.A.; Torres-Sanz, V.; Garrido, P.; Martinez, F.J.; Marquez-Barja, J.M. A Review on Electric Vehicles: Technologies and Challenges. Smart Cities 2021, 4, 372–404. [Google Scholar] [CrossRef]
- Amry, Y.; Elbouchikhi, E.; Le Gall, F.; Ghogho, M.; El Hani, S. Electric Vehicle Traction Drives and Charging Station Power Electronics: Current Status and Challenges. Energies 2022, 15, 6037. [Google Scholar] [CrossRef]
- Khaligh, A.; D’Antonio, M. Global Trends in High-Power On-Board Chargers for Electric Vehicles. IEEE Trans. Veh. Technol. 2019, 68, 3306–3324. [Google Scholar] [CrossRef]
- Dimitriadou, K.; Rigogiannis, N.; Fountoukidis, S.; Kotarela, F.; Kyritsis, A.; Papanikolaou, N. Current Trends in Electric Vehicle Charging Infrastructure; Opportunities and Challenges in Wireless Charging Integration. Energies 2023, 16, 2057. [Google Scholar] [CrossRef]
- Khalid, M.R.; Khan, I.A.; Hameed, S.; Asghar, M.S.J.; Ro, J. A Comprehensive Review on Structural Topologies, Power Levels, Energy Storage Systems, and Standards for Electric Vehicle Charging Stations and Their Impacts on Grid. IEEE Access 2021, 9, 128069–128094. [Google Scholar] [CrossRef]
- Ahmad, A.; Qin, Z.; Wijekoon, T.; Bauer, P. An Overview on Medium Voltage Grid Integration of Ultra-Fast Charging Stations: Current Status and Future Trends. IEEE Open J. Ind. Electron. Soc. 2022, 3, 420–447. [Google Scholar] [CrossRef]
- Alera, A.C.; Benitez, J.P.; Fernandez, R.J.; Pascual, C.K.; Policarpio, F.; Lopez, E.C.R. Recent Advances in Lithium Extraction. Eng. Proc. 2024, 67, 52. [Google Scholar] [CrossRef]
- Liu, Y.; Ma, B.; Lü, Y.; Wang, C.; Chen, Y. A review of lithium extraction from natural resources. Int. J. Miner. Metall. Mater. 2023, 30, 209–224. [Google Scholar] [CrossRef]
- Nandihalli, N.; Chouhan, R.K.; Kuchi, R.; Hlova, I.Z. Aspects of Spodumene Lithium Extraction Techniques. Sustainability 2024, 16, 8513. [Google Scholar] [CrossRef]
- Wang, W.; Shao, L. Lithium extraction with energy generation. Nat. Water 2024, 2, 1051–1052. [Google Scholar] [CrossRef]
- Vega-Muratalla, V.O.; Ramírez-Márquez, C.; Lira-Barragán, L.F.; Ponce-Ortega, J.M. Review of Lithium as a Strategic Resource for Electric Vehicle Battery Production: Availability, Extraction, and Future Prospects. Resources 2024, 13, 148. [Google Scholar] [CrossRef]
- Schmuch, R.; Wagner, R.; Hörpel, G.; Placke, T.; Winter, M. Performance and cost of materials for lithium-based rechargeable automotive batteries. Nat. Energy 2018, 3, 267–278. [Google Scholar] [CrossRef]
- Zhang, R.; Xia, B.; Li, B.; Cao, L.; Lai, Y.; Zheng, W.; Wang, H.; Wang, W. State of the Art of Lithium-Ion Battery SOC Estimation for Electrical Vehicles. Energies 2018, 11, 1820. [Google Scholar] [CrossRef]
- Li, W.; Erickson, E.M.; Manthiram, A. High-nickel layered oxide cathodes for lithium-based automotive batteries. Nat. Energy 2020, 5, 26–34. [Google Scholar] [CrossRef]
- Tie, S.F.; Tan, C.W. A review of energy sources and energy management system in electric vehicles. Renew. Sustain. Energy Rev. 2013, 20, 82–102. [Google Scholar] [CrossRef]
- Burke, A. Ultracapacitor technologies and application in hybrid and electric vehicles. Int. J. Energy Res. 2009, 34, 133–151. [Google Scholar] [CrossRef]
- Badawy, M.O.; Arafat, M.N.; Ahmed, A.; Anwar, S.; Sozer, Y.; Yi, P.; De Abreu-Garcia, J.A. Design and Implementation of a 75-kW Mobile Charging System for Electric Vehicles. IEEE Trans. Ind. Appl. 2016, 52, 369–377. [Google Scholar] [CrossRef]
- Nasr Esfahani, F.; Darwish, A.; Williams, B.W. Power Converter Topologies for Grid-Tied Solar Photovoltaic (PV) Powered Electric Vehicles (EVs)—A Comprehensive Review. Energies 2022, 15, 4648. [Google Scholar] [CrossRef]
- Safayatullah, M.; Elrais, M.T.; Ghosh, S.; Rezaii, R.; Batarseh, I. A Comprehensive Review of Power Converter Topologies and Control Methods for Electric Vehicle Fast Charging Applications. IEEE Access 2022, 10, 40753–40793. [Google Scholar] [CrossRef]
- Du, Y.; Zhou, X.; Bai, S.; Lukic, S.; Huang, A. Review of non-isolated bi-directional DC-DC converters for plug-in hybrid electric vehicle charge station application at municipal parking decks. In Proceedings of the 2010 Twenty-Fifth Annual IEEE Applied Power Electronics Conference and Exposition (APEC), Palm Springs, CA, USA, 21–25 February 2010; pp. 1145–1151. [Google Scholar] [CrossRef]
- Ali, A.; Mousa, H.H.H.; Shaaban, M.F.; Azzouz, M.A.; Awad, A.S.A. A Comprehensive Review on Charging Topologies and Power Electronic Converter Solutions for Electric Vehicles. J. Mod. Power Syst. Clean Energy 2024, 12, 675–694. [Google Scholar] [CrossRef]
- Al Hysam, M.A.; Ul Haque, M.Z.; Saifullah, K.; Asif, S.; Sarowar, G. New topologies of Cuk PFC converter with switched capacitor for low power applications. In Proceedings of the 2017 IEEE Region 10 Humanitarian Technology Conference (R10-HTC), Dhaka, Bangladesh, 21–23 December 2017; pp. 620–623. [Google Scholar] [CrossRef]
- Uddin, K.; Moore, A.D.; Barai, A.; Marco, J. The effects of high frequency current ripple on electric vehicle battery performance. Appl. Energy 2016, 178, 142–154. [Google Scholar] [CrossRef]
- Brand, M.J.; Hofmann, M.H.; Schuster, S.S.; Keil, P.; Jossen, A. The Influence of Current Ripples on the Lifetime of Lithium-Ion Batteries. IEEE Trans. Veh. Technol. 2018, 67, 10438–10445. [Google Scholar] [CrossRef]
- Sujitha, N.; Krithiga, S. RES based EV battery charging system: A review. Renew. Sustain. Energy Rev. 2017, 75, 978–988. [Google Scholar] [CrossRef]
- Zhang, J.; Lai, J.S.; Kim, R.Y.; Yu, W. High-Power Density Design of a Soft-Switching High-Power Bidirectional dc–dc Converter. IEEE Trans. Power Electron. 2007, 22, 1145–1153. [Google Scholar] [CrossRef]
- Kuperman, A.; Levy, U.; Goren, J.; Zafransky, A.; Savernin, A. Battery Charger for Electric Vehicle Traction Battery Switch Station. IEEE Trans. Ind. Electron. 2013, 60, 5391–5399. [Google Scholar] [CrossRef]
- Li, X.; Bhat, A.K.S. Analysis and Design of High-Frequency Isolated Dual-Bridge Series Resonant DC/DC Converter. IEEE Trans. Power Electron. 2010, 25, 850–862. [Google Scholar] [CrossRef]
- Kwon, M.; Park, J.; Choi, S. High gain soft-switching bidirectional DC-DC converters for eco-friendly vehicles. In Proceedings of the 2013 Twenty-Eighth Annual IEEE Applied Power Electronics Conference and Exposition (APEC), Long Beach, CA, USA, 17–21 March 2013; pp. 1776–1782. [Google Scholar] [CrossRef]
- Han, J.; Lim, C.S.; Cho, J.H.; Kim, R.Y.; Hyun, D.S. A high efficiency non-isolated bidirectional DC-DC converter with zero-voltage-transition. In Proceedings of the IECON 2013—39th Annual Conference of the IEEE Industrial Electronics Society, Vienna, Austria, 10–13 November 2013; pp. 198–203. [Google Scholar] [CrossRef]
- Monteiro, V.; Ferreira, J.C.; Nogueiras Meléndez, A.A.; Couto, C.; Afonso, J.L. Experimental Validation of a Novel Architecture Based on a Dual-Stage Converter for Off-Board Fast Battery Chargers of Electric Vehicles. IEEE Trans. Veh. Technol. 2018, 67, 1000–1011. [Google Scholar] [CrossRef]
- Jiang, L.; Zhang, X.; Yin, C.; Mi, C.; Li, S.; Zhang, M. A novel soft-switching bidirectional DC-DC converter with coupled inductors. In Proceedings of the 2013 Twenty-Eighth Annual IEEE Applied Power Electronics Conference and Exposition (APEC), Long Beach, CA, USA, 17–21 March 2013; pp. 3040–3044. [Google Scholar] [CrossRef]
- Harini, S.; Chellammal, N.; Chokkalingam, B.; Mihet-Popa, L. A Novel High Gain Dual Input Single Output Z-Quasi Resonant (ZQR) DC/DC Converter for Off-Board EV Charging. IEEE Access 2022, 10, 83350–83367. [Google Scholar] [CrossRef]
- Sedaghati, F.; Azimi, S.A. A Non-Isolated Bidirectional DC-DC Converter Connected to the T-Type Three Level Converter for Electric Vehicle Battery Charger. In Proceedings of the 2023 13th Smart Grid Conference (SGC), Tehran, Iran, 5–6 December 2023; pp. 1–5. [Google Scholar] [CrossRef]
- Chandel, A.; Singh, R.K. Analysis of Non-isolated Bi-directional DC-DC Converter for Battery Charging Application. In Proceedings of the 2022 4th International Conference on Energy, Power and Environment (ICEPE), Shillong, India, 29 April–1 May 2022; pp. 1–6. [Google Scholar] [CrossRef]
- Naeiji, S.; Abdollahi, S.E.; Abdollahi, S.R.; Baigzadehnoe, B. An Improved Bidirectional Non-Isolated Dual-Input DC-DC Converter for Electric Vehicles Application. In Proceedings of the 2023 14th Power Electronics, Drive Systems, and Technologies Conference (PEDSTC), Babol, Iran, 31 January–2 February 2023; pp. 1–7. [Google Scholar] [CrossRef]
- Bhattacharyya, P.; Ghorai, S.; Sen, S.; Giri, S.K. A Flexible Non-Isolated Multiport Converter to Integrate Battery and Ultracapacitor for Electric Vehicle Applications. IEEE Trans. Circuits Syst. Ii: Express Briefs 2023, 70, 1044–1048. [Google Scholar] [CrossRef]
- Leal, W.C.; Godinho, M.O.; Bastos, R.F.; de Aguiar, C.R.; Fuzato, G.H.F.; Machado, R.Q. Cascaded Interleaved DC–DC Converter for a Bidirectional Electric Vehicle Charging Station. IEEE Trans. Ind. Electron. 2024, 71, 3708–3717. [Google Scholar] [CrossRef]
- Monteiro, V.; Oliveira, C.F.; Afonso, J.L. Experimental Validation of a Bidirectional Multilevel dc–dc Power Converter for Electric Vehicle Battery Charging Operating under Normal and Fault Conditions. Electronics 2023, 12, 851. [Google Scholar] [CrossRef]
- Tekin, H.; Setrekli, G.; Murtulu, E.; Karşıyaka, H.; Ertekin, D. A Proposed Single-Input Multi-Output Battery-Connected DC–DC Buck–Boost Converter for Automotive Applications. Electronics 2023, 12, 4381. [Google Scholar] [CrossRef]
- Wei, X.; Shi, Y.; Li, G.; Zhang, Z.; Chang, S. Wide-Load-Range Double-T Resonant Converter for CC/CV Battery Charging. Electronics 2024, 13, 533. [Google Scholar] [CrossRef]
- Sampath, H.; Nallaperumal, C.; Hossain, M.J. Quasi-Resonant Converter for Electric Vehicle Charging Applications: Analysis, Design, and Markov Model Use for Reliability Estimation. Energies 2024, 17, 815. [Google Scholar] [CrossRef]
- Tu, H.; Feng, H.; Srdic, S.; Lukic, S. Extreme Fast Charging of Electric Vehicles: A Technology Overview. IEEE Trans. Transp. Electrif. 2019, 5, 861–878. [Google Scholar] [CrossRef]
- Hassanzadeh, N.; Yazdani, F.; Haghbin, S.; Thiringer, T. Design of a 50 kW Phase-Shifted Full-Bridge Converter Used for Fast Charging Applications. In Proceedings of the 2017 IEEE Vehicle Power and Propulsion Conference (VPPC), Belfort, France, 11–14 December 2017; pp. 1–5. [Google Scholar] [CrossRef]
- Zhou, Y.; Huang, J.; Huang, L.; Zhang, S.; Chen, G. A Hybrid ZVZCS Full-Bridge Converter for DC Microgrid Applications. In Proceedings of the 2020 IEEE 9th International Power Electronics and Motion Control Conference (IPEMC2020-ECCE Asia), Nanjing, China, 29 November–2 December 2020; pp. 3355–3360. [Google Scholar] [CrossRef]
- Surkod, V.V.; Vasudevan, K. Design and Analysis of an Active Adaptive and Regenerative Snubber for PSFB Converter. In Proceedings of the 2022 IEEE International Conference on Power Electronics, Drives and Energy Systems (PEDES), Jaipur, India, 14–17 December 2022; pp. 1–6. [Google Scholar] [CrossRef]
- Pahlevaninezhad, M.; Das, P.; Drobnik, J.; Jain, P.K.; Bakhshai, A. A Novel ZVZCS Full-Bridge DC/DC Converter Used for Electric Vehicles. IEEE Trans. Power Electron. 2012, 27, 2752–2769. [Google Scholar] [CrossRef]
- Yuan, Z.; Xu, H.; Chao, Y.; Zhang, Z. A novel fast charging system for electrical vehicles based on input-parallel output-parallel and output-series. In Proceedings of the 2017 IEEE Transportation Electrification Conference and Expo, Asia-Pacific (ITEC Asia-Pacific), Harbin, China, 7–10 August 2017; pp. 1–6. [Google Scholar] [CrossRef]
- You, J.; Cheng, L.; Fu, B.; Deng, M. Analysis and Control of Input-Parallel Output-Series Based Combined DC/DC Converter with Modified Connection in Output Filter Circuit. IEEE Access 2019, 7, 58264–58276. [Google Scholar] [CrossRef]
- Gong, B.; Liu, K.; Luan, H.; Wu, J.; Zhou, J.; Tan, S.; Huang, C.; Wu, H. Design of a Dynamic Hybrid Compensator for Current Sharing Control of Parallel Phase-Shifted Full-Bridge Converter. Energies 2023, 16, 2204. [Google Scholar] [CrossRef]
- Deng, J.; Li, S.; Hu, S.; Mi, C.C.; Ma, R. Design Methodology of LLC Resonant Converters for Electric Vehicle Battery Chargers. IEEE Trans. Veh. Technol. 2014, 63, 1581–1592. [Google Scholar] [CrossRef]
- Musavi, F.; Craciun, M.; Edington, M.; Eberle, W.; Dunford, W.G. Practical design considerations for a LLC multi-resonant DC-DC converter in battery charging applications. In Proceedings of the 2012 Twenty-Seventh Annual IEEE Applied Power Electronics Conference and Exposition (APEC), Orlando, FL, USA, 5–9 February 2012; pp. 2596–2602. [Google Scholar] [CrossRef]
- Beiranvand, R.; Rashidian, B.; Zolghadri, M.R.; Hossein Alavi, S.M. A Design Procedure for Optimizing the LLC Resonant Converter as a Wide Output Range Voltage Source. IEEE Trans. Power Electron. 2012, 27, 3749–3763. [Google Scholar] [CrossRef]
- Deng, J.; Mi, C.C.; Ma, R.; Li, S. Design of LLC Resonant Converters Based on Operation-Mode Analysis for Level Two PHEV Battery Chargers. IEEE/ASME Trans. Mechatronics 2015, 20, 1595–1606. [Google Scholar] [CrossRef]
- Xu, H.; Yin, Z.; Zhao, Y.; Huang, Y. Accurate Design of High-Efficiency LLC Resonant Converter with Wide Output Voltage. IEEE Access 2017, 5, 26653–26665. [Google Scholar] [CrossRef]
- Lee, W.S.; Kim, J.H.; Lee, J.Y.; Lee, I.O. Design of an Isolated DC/DC Topology with High Efficiency of Over 97% for EV Fast Chargers. IEEE Trans. Veh. Technol. 2019, 68, 11725–11737. [Google Scholar] [CrossRef]
- Zanatta, N.; Caldognetto, T.; Biadene, D.; Spiazzi, G.; Mattavelli, P. A Two-Stage DC-DC Isolated Converter for Battery-Charging Applications. IEEE Open J. Power Electron. 2023, 4, 343–356. [Google Scholar] [CrossRef]
- Shahzad, M.I.; Iqbal, S.; Taib, S. Interleaved LLC Converter with Cascaded Voltage-Doubler Rectifiers for Deeply Depleted PEV Battery Charging. IEEE Trans. Transp. Electrif. 2018, 4, 89–98. [Google Scholar] [CrossRef]
- Narasipuram, R.P.; Mopidevi, S. A Novel Hybrid Control Strategy and Dynamic Performance Enhancement of a 3.3 kW GaN–HEMT-Based iL2C Resonant Full-Bridge DC–DC Power Converter Methodology for Electric Vehicle Charging Systems. Energies 2023, 16, 5811. [Google Scholar] [CrossRef]
- Narasipuram, R.P.; Mopidevi, S.; Dianov, A.; Tandon, A.S. Analysis of Scalable Resonant DC–DC Converter Using GaN Switches for xEV Charging Stations. World Electr. Veh. J. 2024, 15, 218. [Google Scholar] [CrossRef]
- Ilahi, T.; Izhar, T.; Zahid, M.; Rasool, A.; Tsamaase, K.; Zahid, T.; Khan, E.M. Design Analysis of High-Power Level 4 Smart Charging Infrastructure Using Next-Generation Power Devices for EVs and Heavy Duty EVs. World Electr. Veh. J. 2024, 15, 66. [Google Scholar] [CrossRef]
- Muhammetoglu, B.; Jamil, M. Dual Active Bridge Converter with Interleaved and Parallel Operation for Electric Vehicle Charging. Energies 2024, 17, 4258. [Google Scholar] [CrossRef]
- Wrona, G.; Zdanowski, M.; Trochimiuk, P.; Rąbkowski, J.; Sobieski, R. Experimental Validation of 40 kW EV Charger Based on Vienna Rectifier and Series-Resonant Dual Active Bridge. Energies 2023, 16, 5797. [Google Scholar] [CrossRef]
- ElMenshawy, M.; Massoud, A. Multimodule ISOP DC-DC Converters for Electric Vehicles Fast Chargers. In Proceedings of the 2019 2nd International Conference on Smart Grid and Renewable Energy (SGRE), Doha, Qatar, 19–21 November 2019; pp. 1–6. [Google Scholar] [CrossRef]
- Goto, T.; Pham, T.T.; Nguyen, N.D.; Yukita, K.; Nguyen, D.D. Mitigation of Low Harmonic Ripples Based on the Three-Phase Dual Active Bridge Converter in Charging Station Applications. Electronics 2024, 13, 2527. [Google Scholar] [CrossRef]
- Takarli, R.; Adib, M.; Vahedi, A.; Beiranvand, R. A Bidirectional CLLC Resonant Converter for EV Battery Charger Applications. In Proceedings of the 2023 14th Power Electronics, Drive Systems, and Technologies Conference (PEDSTC), Babol, Iran, 31 January–2 February 2023; pp. 1–6. [Google Scholar] [CrossRef]
- Wu, Z.; Chen, P.; Tang, Y.; Yang, Z.; Zhao, S.; Li, H.; Ding, L. Hybrid Mode Control Strategy of a CLLC Resonant Converter with Wide Voltage Gain for EV On-Board Chargers. In Proceedings of the 2024 IEEE 10th International Power Electronics and Motion Control Conference (IPEMC2024-ECCE Asia), Chengdu, China, 17–20 May 2024; pp. 2016–2021. [Google Scholar] [CrossRef]
- Zou, S.; Lu, J.; Mallik, A.; Khaligh, A. Bi-Directional CLLC Converter with Synchronous Rectification for Plug-In Electric Vehicles. IEEE Trans. Ind. Appl. 2018, 54, 998–1005. [Google Scholar] [CrossRef]
- Zayed, O.; Elezab, A.; Abuelnaga, A.; Narimani, M. A Dual-Active Bridge Converter with a Wide Output Voltage Range (200–1000 V) for Ultrafast DC-Connected EV Charging Stations. IEEE Trans. Transp. Electrif. 2023, 9, 3731–3741. [Google Scholar] [CrossRef]
- Lyu, D.; Soeiro, T.B.; Bauer, P. Design and Implementation of a Reconfigurable Phase Shift Full-Bridge Converter for Wide Voltage Range EV Charging Application. IEEE Trans. Transp. Electrif. 2023, 9, 1200–1214. [Google Scholar] [CrossRef]
- Benites Quispe, J.B.; Mezaroba, M.; Batschauer, A.L.; de Souza Ribeiro, J.M. A Reconfigurable Phase-Shifted Full-Bridge DC–DC Converter with Wide Range Output Voltage. Energies 2024, 17, 3483. [Google Scholar] [CrossRef]
- Serban, E.; Pondiche, C.; Ordonez, M. Analysis and Design of Bidirectional Parallel-Series DAB-Based Converter. IEEE Trans. Power Electron. 2023, 38, 10370–10382. [Google Scholar] [CrossRef]
- Althurthi, S.B.; Rajashekara, K.; Debnath, T. A Novel Ultrawide Output Range DC–DC Converter for EV Fast Charging. IEEE J. Emerg. Sel. Top. Ind. Electron. 2024, 5, 586–596. [Google Scholar] [CrossRef]
- Aarninkhof, B.O.; Lyu, D.; Soeiro, T.B.; Bauer, P. A Reconfigurable Two-Stage 11 kW DC–DC Resonant Converter for EV Charging with a 150–1000 V Output Voltage Range. IEEE Trans. Transp. Electrif. 2024, 10, 509–522. [Google Scholar] [CrossRef]
- Elezab, A.; Zayed, O.; Abuelnaga, A.; Narimani, M. High Efficiency LLC Resonant Converter with Wide Output Range of 200–1000 V for DC-Connected EVs Ultra-Fast Charging Stations. IEEE Access 2023, 11, 33037–33048. [Google Scholar] [CrossRef]
- Sayed, K.; Almutairi, A.; Albagami, N.; Alrumayh, O.; Abo-Khalil, A.G.; Saleeb, H. A Review of DC-AC Converters for Electric Vehicle Applications. Energies 2022, 15, 1241. [Google Scholar] [CrossRef]
- Wang, S.; Li, H.; Zhang, Z.; Li, M.; Zhang, J.; Ren, X.; Chen, Q. Multifunction Capability of SiC Bidirectional Portable Chargers for Electric Vehicles. IEEE J. Emerg. Sel. Top. Power Electron. 2021, 9, 6184–6195. [Google Scholar] [CrossRef]
- Shafiqurrahman, A.; Khadkikar, V.; Rathore, A.K. Electric Vehicle-to-Vehicle (V2V) Power Transfer: Electrical and Communication Developments. IEEE Trans. Transp. Electrif. 2024, 10, 6258–6284. [Google Scholar] [CrossRef]
- Mosayebi, M.; Fathollahi, A.; Gheisarnejad, M.; Farsizadeh, H.; Khooban, M.H. Smart Emergency EV-to-EV Portable Battery Charger. Inventions 2022, 7, 45. [Google Scholar] [CrossRef]
- Zhang, R.; Cheng, X.; Yang, L. Stable Matching Based Cooperative V2V Charging Mechanism for Electric Vehicles. In Proceedings of the 2017 IEEE 86th Vehicular Technology Conference (VTC-Fall), Toronto, ON, Canada, 24–27 September 2017; pp. 1–5. [Google Scholar] [CrossRef]
- Zhang, R.; Cheng, X.; Yang, L. Flexible Energy Management Protocol for Cooperative EV-to-EV Charging. IEEE Trans. Intell. Transp. Syst. 2019, 20, 172–184. [Google Scholar] [CrossRef]
- Bulut, E.; Kisacikoglu, M.C.; Akkaya, K. Spatio-Temporal Non-Intrusive Direct V2V Charge Sharing Coordination. IEEE Trans. Veh. Technol. 2019, 68, 9385–9398. [Google Scholar] [CrossRef]
- Taghizadeh, S.; Hossain, M.J.; Poursafar, N.; Lu, J.; Konstantinou, G. A Multifunctional Single-Phase EV On-Board Charger with a New V2V Charging Assistance Capability. IEEE Access 2020, 8, 116812–116823. [Google Scholar] [CrossRef]
- Nasr, M.; Gupta, K.; da Silva, C.; Amon, C.H.; Trescases, O. SiC based on-board EV power-hub with high-efficiency DC transfer mode through AC port for vehicle-to-vehicle charging. In Proceedings of the 2018 IEEE Applied Power Electronics Conference and Exposition (APEC), San Antonio, TX, USA, 4–8 March 2018; pp. 3398–3404. [Google Scholar]
- Abhyankar, R.; Keshri, R.K.; Mahure, P.; Buja, G. Sizing and Operation of a Wireless Power Transfer System for Bidirectional V2V Energy Exchange. In Proceedings of the IECON 2020 The 46th Annual Conference of the IEEE Industrial Electronics Society, Singapore, 18–21 October 2020; pp. 2075–2080. [Google Scholar]
- Taghizadeh, S.; Jamborsalamati, P.; Hossain, M.J.; Lu, J. Design and Implementation of an Advanced Vehicle-to-Vehicle (V2V) Power Transfer Operation Using Communications. In Proceedings of the 2018 IEEE International Conference on Environment and Electrical Engineering and 2018 IEEE Industrial and Commercial Power Systems Europe (EEEIC/I& CPS Europe), Palermo, Italy, 12–15 June 2018; pp. 1–6. [Google Scholar]
- B S, U.; Khadkikar, V.; Zeineldin, H.H.; Singh, S.; Otrok, H.; Mizouni, R. Direct Electric Vehicle to Vehicle (V2V) Power Transfer Using On-Board Drivetrain and Motor Windings. IEEE Trans. Ind. Electron. 2022, 69, 10765–10775. [Google Scholar] [CrossRef]
- Chaurasiya, S.; Mishra, N.; Singh, B. A 50kW Bidirectional Fast EV Charger with G2V & V2G/V2V Capability and Wide Voltage Range. In Proceedings of the 2020 IEEE 5th International Conference on Computing Communication and Automation (ICCCA), Greater Noida, India, 30–31 October 2020; pp. 652–657. [Google Scholar]
- Spark Charge. Spark Charge—Charging as a Service. 2024. Available online: https://www.sparkcharge.io/pages/charging-as-a-service (accessed on 1 October 2024).
- Hopcharge. Hopcharge—Electric Vehicle Charging at Your Doorstep. 2024. Available online: https://hopcharge.com/ (accessed on 1 October 2024).
- Zhang, X.; Cao, Y.; Peng, L.; Li, J.; Ahmad, N.; Yu, S. Mobile Charging as a Service: A Reservation-Based Approach. IEEE Trans. Autom. Sci. Eng. 2020, 17, 1976–1988. [Google Scholar] [CrossRef]
- Nazari-Heris, M.; Loni, A.; Asadi, S.; Mohammadi-ivatloo, B. Toward social equity access and mobile charging stations for electric vehicles: A case study in Los Angeles. Appl. Energy 2022, 311, 118704. [Google Scholar] [CrossRef]
- IRENA. Innovation Landscape for Smart Electrification. 2023. Available online: https://www.irena.org/-/media/Files/IRENA/Agency/Publication/2023/Jun/IRENA_Innovation_landscape_for_smart_electrification_2023.pdf (accessed on 1 October 2024).
- Singh, T. Angel Car: World’s First Mobile Charging Station For Electric Cars. 2010. Available online: https://inhabitat.com/angel-car-worlds-first-mobile-charging-station-for-electric-cars/ (accessed on 1 October 2024).
- Portable Electric. Voltstack 5k Level 2 Portable e-Charger. 2024. Available online: https://portable-electric.com/voltstack-power-stations/voltstack-5k-level-2-portable-e-charger/ (accessed on 1 October 2024).
- Portable Electric. Voltstack 30k Level 2 Mobile e-Charger. 2024. Available online: https://portable-electric.com/voltstack-power-stations/voltstack-30k-level-2-mobile-e-charger/ (accessed on 1 October 2024).
- Portable Electric. Voltstack 30k Level 3 Mobile e-Charger. 2024. Available online: https://portable-electric.com/voltstack-power-stations/voltstack-30k-level-3-mobile-e-charger/ (accessed on 1 October 2024).
- NIO. NIO Service. 2024. Available online: https://www.nio.com/nio-service?&noredirect= (accessed on 1 October 2024).
- Addvolt. Addvolt Products. 2023. Available online: https://addvolt.com/products/ (accessed on 1 October 2024).
- RAC. EV Boost Mobile Charging System. 2024. Available online: https://www.rac.co.uk/innovation/ev-boost (accessed on 1 October 2024).
- EV Safe Charge. EV Safe Charge—Charging as a Service. 2024. Available online: https://evsafecharge.com/mobile-ev-charging-stations/ (accessed on 1 October 2024).
- Spark Charge. Roadie Portable. 2023. Available online: https://cdn.shopify.com/s/files/1/0664/6936/3947/files/Roadie_Portable_Spec_Sheet.pdf?v=1689172788&submissionGuid=31981ab1-5691-41e8-b7bb-c4f64189837d (accessed on 1 October 2024).
- Kempower. Technical Datasheet—Kempower Movable Charger. 2023. Available online: https://mediabank.kempower.com/l/GNKg7dkBg2Tw (accessed on 1 October 2024).
- Lectron. 40 Amp Portable EV Charger Compatible with Tesla—User Manual. 2023. Available online: https://cdn.shopify.com/s/files/1/2948/6296/files/LECHG14-50-40ATSLBLKUS_UM.pdf?v=1689750409 (accessed on 1 October 2024).
- Jplus. J+ Booster 2 Set. 2023. Available online: https://jplusbooster.com/products/j-booster-2-level-2-ev-charger-portable-40a-fast-charging-station-for-all-electric-vehicles-home-indoors-or-outdoors-9-6-kw-240v-evse-ul-certified-nema-14-50-wall-bracket-carrying-case (accessed on 1 October 2024).
- Lectron. 40 Amp Portable EV Charger—User Manual. 2023. Available online: https://cdn.shopify.com/s/files/1/2948/6296/files/UM_LECHG14-50-40ABLKUS_GG_181223_v25.pdf?v=1711445132 (accessed on 1 October 2024).
- Lectron. 15 Amp Portable EV Charger—User Manual. 2023. Available online: https://cdn.shopify.com/s/files/1/2948/6296/files/UM_LECHG5-15-15ABLKUS_GG_270923_v19.pdf?v=1711445117 (accessed on 1 October 2024).
- Lectron. 15 Amp Portable EV Charger Compatible with Tesla—User Manual. 2023. Available online: https://cdn.shopify.com/s/files/1/2948/6296/files/LECHG5-15-15ATSLBLKUS_UM.pdf?v=1689674134 (accessed on 1 October 2024).
- Moghaddam, V.; Ahmad, I.; Habibi, D.; Masoum, M.A. Dispatch management of portable charging stations in electric vehicle networks. eTransportation 2021, 8, 100112. [Google Scholar] [CrossRef]
- Aktar, A.K.; Taşcıkaraoğlu, A.; Catalão, J.P. Scheduling of mobile charging stations with local renewable energy sources. Sustain. Energy Grids Networks 2024, 37, 101257. [Google Scholar] [CrossRef]
- Chen, F.; Wang, Q.; Song, J.; Buja, G. A Scheduling Algorithm for Mobile Charging Devices in Distribution System Considering the Comprehensive Influence of Multiple Factors. In Proceedings of the 2024 IEEE 10th International Power Electronics and Motion Control Conference (IPEMC2024-ECCE Asia), Chengdu, China, 17–20 May 2024; pp. 744–749. [Google Scholar] [CrossRef]
- Qureshi, U.; Ghosh, A.; Panigrahi, B.K. Dynamic Routing and Scheduling of Mobile Charging Stations for Electric Vehicles Using Deep Reinforcement Learning. In Proceedings of the 2024 IEEE Power & Energy Society General Meeting (PESGM), Seattle, WA, USA, 21–25 July 2024; pp. 1–5. [Google Scholar] [CrossRef]
- Teimoori, Z.; Yassine, A.; Hossain, M.S. Empowering Consumer Electric Vehicle Mobile Charging Services with Secure Profit Optimization. IEEE Trans. Consum. Electron. 2024. [Google Scholar] [CrossRef]
- Ding, Y.; Chen, F.; Feng, J.; Cheng, H. Competition and Pricing Strategy of Electric Vehicle Charging Services Considering Mobile Charging. IEEE Access 2024, 12, 88739–88755. [Google Scholar] [CrossRef]
- Lai, Z.; Li, S. On-demand valet charging for electric vehicles: Economic equilibrium, infrastructure planning and regulatory incentives. Transp. Res. Part Emerg. Technol. 2022, 140, 103669. [Google Scholar] [CrossRef]
- Wang, Y.; Zhou, Q.; Xiong, H.; Cheng, L.; Wu, S. Optimizing Urban Parking Utility: Strategic and Operational Planning of Fixed and Mobile EV Charging Services in Hybrid Parking Systems. IEEE Access 2024, 12, 91807–91822. [Google Scholar] [CrossRef]
- Zhang, Z.; Dong, Z.Y.; Yip, C. A New Charging Scheme Based on Mobile Charging Robots Cluster: A Three-Level Coordinated Perspective. IEEE Trans. Ind. Inform. 2024, 20, 6900–6912. [Google Scholar] [CrossRef]














| Battery Technology | Lithium Nickel- Cobalt-Manganese Oxide (NCM) | Lithium Nickel- Cobalt-Aluminum Oxide (NCA) | Lithium-Manganese Oxide (LMO) | Lithium-Titanium Oxide (LTO) |
|---|---|---|---|---|
| Nominal voltage (V) | 3.65 ∼ 4.0 | 3.6 ∼ 3.65 | 3.7 ∼ 4 | 2.3 ∼ 2.5 |
| Specific energy (Wh/kg) | 130 ∼ 241 | 200 ∼ 310 | 100 ∼ 189 | 70 ∼ 89 |
| Energy density (Wh/L) | 215 ∼ 466 | 673 ∼ 683 | 218 ∼ 375 | 200 |
| Charge rate (C) | 0.7 ∼ 1 | 0.7 | 0.7 ∼ 1 | 1 |
| Discharge rate (C) | 1 | 1 | 1 | 10 |
| Lifetime (in cycles) | 1000 ∼ 2000 | 500 | 300 ∼ 700 | 3000 ∼ 7000 |
| Maximum Temperature (ºC) | 210 | 150 | 250 | - |
| Examples of electric vehicle | Audi e-tron (2020) Chevrolet Bolt (2016) Renault Zoe 50 (2017) | Tesla X (2015) Tesla 3 (2017) Tesla Y (2020) | BMW i3 (2017) Nissan Leaf (2015) | - |
| Capacitor Technology | Electric Double-Layer Capacitor (EDLC) | Psedo- Capacitors | Hybrid Capacitors |
|---|---|---|---|
| Electrode material | Activated carbon | Metal oxides | Carbon/metal oxide |
| Specific energy (Wh/kg) | 5 ∼ 7 | 10 ∼ 15 | 10 ∼ 12 |
| Power density (kW/kg) | 1 ∼ 3 | 1 ∼ 2 | 1 ∼ 2 |
| Lifetime (in years) | 40 | 40 | 40 |
| Energy efficiency | >95% | >95% | >95% |
| Reference | Number of Components | Nominal Power | Type | Advantages | Disadvantages |
|---|---|---|---|---|---|
| [84] | 4 switches | 5 kW | Step up and down | ZVS turn-on of switches in CCM operation, compatibility with different voltage ranges, high voltage conversion ratio | High conduction losses in the auxiliary resonant circuit |
| [85] | 5 switches | 1 kW | Step up and down | Low input current ripple, soft-switching operation, ZCS in body diodes | Higher number of components |
| [86] | 4 switches | 7.6 kW | Step down | Low output and inductor current ripple, smaller inductors due to the doubled switching frequency | Hard-switching |
| [87] | 1 diode 4 switches | 1 kW | Step up or step down | ZVS at the turn-on and turn-off of switches | Snubbers’ conduction losses, low conversion ratio |
| [88] | 1 diode 2 switches | 300 W | Step up | High voltage gain, continuous current at low duty cycle, reduced voltage stress | High winding conduction losses |
| [89] | 10 diodes 8 switches | 500 W | Step down | Low voltage stresses | High number of semiconductor devices |
| [90] | 2 switches | - | Step down | Simple circuit and control, low number of components, hard switching | High current stress, high input current ripple, low power density |
| [91] | 5 switches | 5 kW | Step up and down | High gain at low duty cycles, combined input with RES | Hard switching |
| [92] | 1 diode 6 switches | - | Step up | Combined input with RES re-allocatable power flow paths | Limitations on energy contributions, one mechanical switch is required to swap between the battery and the supercapacitor |
| [93] | 8 switches | - | Step up | Reduced current stress and ripple because of the interleaved topology. Wide conversion range | High number of switches |
| [94] | 4 switches | - | Step down | It has the ability to maintain power supply during faults, interleaved and multilevel functions | A bipolar DC bus is necessary |
| [95] | 5 diodes 1 switch | 250 W | Step up and down | Simple control (only one switch) | To achieve a wider voltage range a second stage is necessary |
| [96] | 4 diodes 4 switches | 300 W | Step up and down | Resonant converter with fixed operating frequency | Additional switches for reconfigurable topology, the switch is designed for on-load conditions |
| [97] | 1 diode 1 switch | 400 W | Step up | Soft-switching, low number of switches, simple control | Limited voltage gain |
| Reference | Number of Components | Nominal Power | Type | Advantages | Disadvantages |
|---|---|---|---|---|---|
| [101] | 7 diodes 5 switches | 6 kW | PSFB | ZVS on turn-on of switches, wide-load ZVS capability | Necessity of snubbers on diode rectifier bridge |
| [102] | 4 diodes 4 switches | 3 kW | ZVS on all-load conditions, natural lossless commutation of output diodes | Higher number of passive elements | |
| [100] | 6 diodes 8 switches | 500 W | ISOP PSFB | Allows high input voltage and high output current | High component count, stability issues on the input DC bus |
| [104] | 8 diodes 8 switches | 20 kW | IPOS PSFB | Allows high input current and high output voltage | More complex control, high component count, voltage balance issues on output side |
| [105] | 8 diodes 8 switches | 800 W | IPOP PSFB | Allows high input and output current | More complex control, high component count, current sharing issues |
| [106] | 4 diodes 4 switches | 3.3 kW | LLC | Optimized converter designs to achieve charger requirements, wider output voltage, and narrower range of switching frequency | Wide switching frequency for wide voltage regulation, big passive elements for higher power applications, complex design of reactive elements |
| [107] | 650 W | ||||
| [108] | - | ||||
| [109] | 6.6 kW | ||||
| [110] | 3.3 kW | ||||
| [111] | 9 diodes 5 switches | 20 kW | Dual output LLC + buck | Fixed frequency operation at the resonance frequency, ZVS of switches and ZCS of diodes, | High component count, necessity of a soft-start control to avoid inrush currents |
| [113] | 4 diodes 4 switches | 1.5 kW | Interleaved LLC + cascaded voltage-doubler rectifiers | Frequency modulation, input voltage control by enabling or disabling one of the interleaved converters, ability to achieve a wide voltage output | More complex component designs, wide frequency operation |
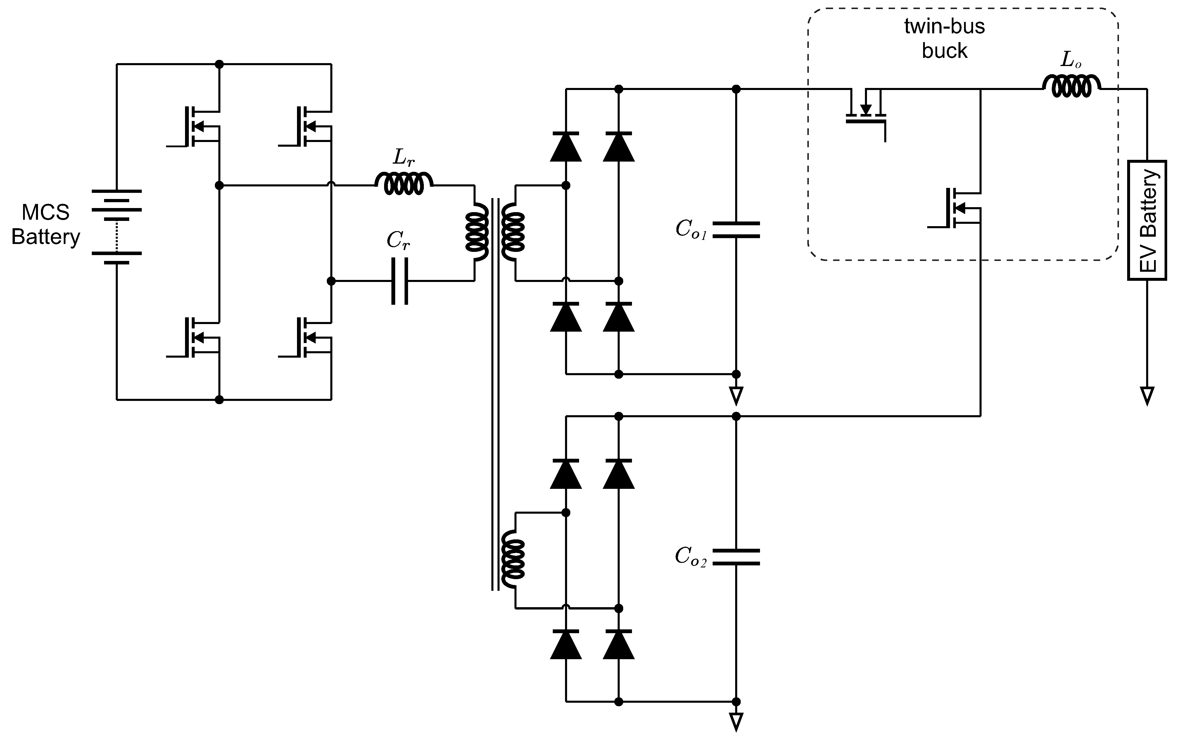
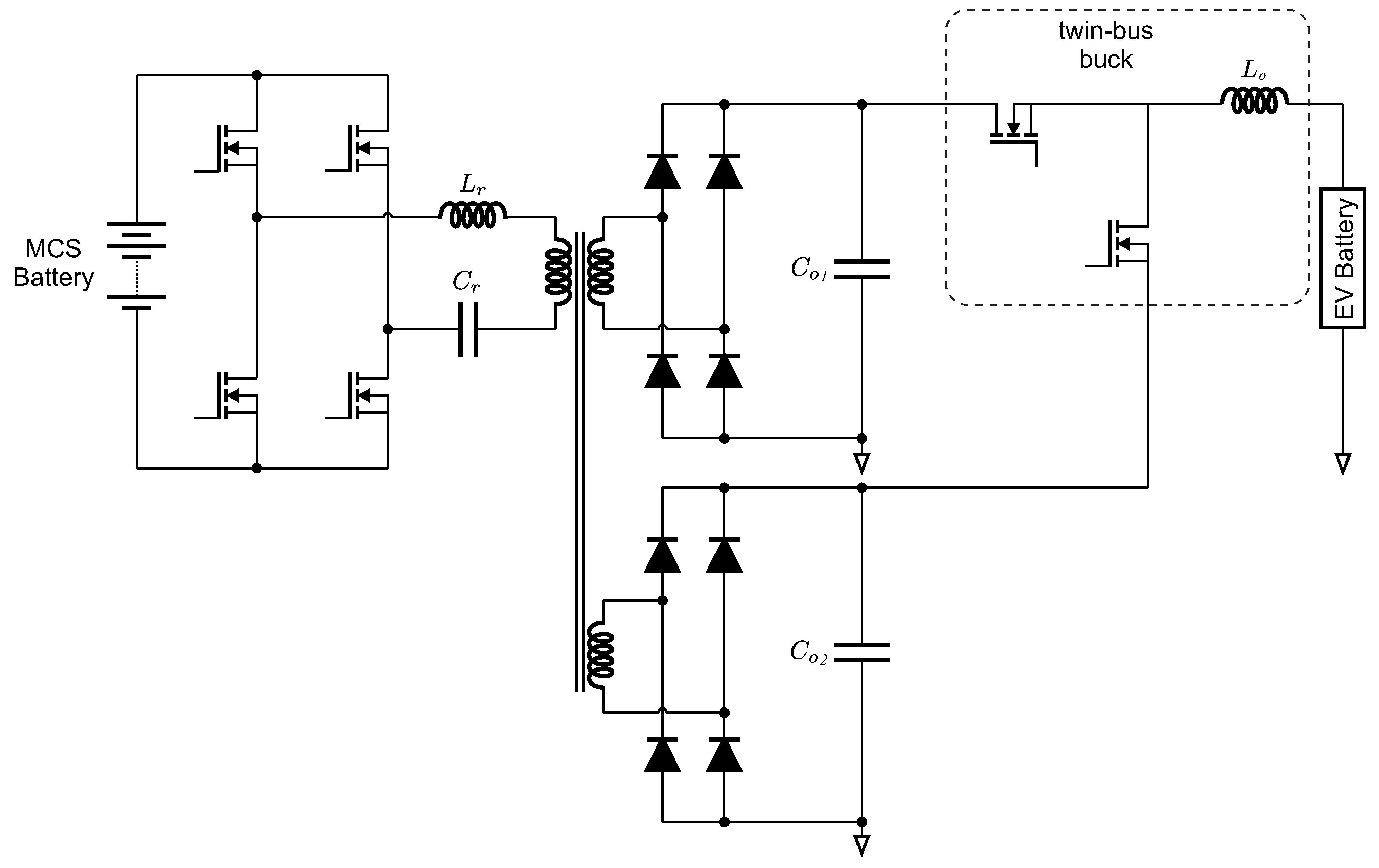
| [112] | 8 diodes 6 switches | 10 kW | Dual output LLC + twin-bus buck | Fixed frequency operation at the resonance frequency, post-regulator is lower than the output voltage | High component count |
| [114] | 4 diodes 4 switches | 3.3 kW | Interleaved LLC | Better input current sharing, hybrid modulation control, reduced current ripple | Limited output power |
| [115] | |||||
| [116] | 24 switches | 1 MW | Interleaved DAB | High power capacity, high output voltage | High volume, high component count |
| [118] | 24 switches | 11.2 kW | IPOP DAB | High component count | |
| [119] | 24 switches | 350 kW | ISOP DAB | Power-sharing control strategy | High component count, input voltage balance issues |
| [117] | 12 switches | 1.5 kW | Three-phase DAB | Attenuation of low-harmonic-current ripples | More complex control: PI + resonant |
| [121] | 10 switches | 3 kW | CLLC | Half voltage stress on input switches, soft switching | High circulating current |
| [122] | 8 switches | 11 kW | CLLC | Hybrid frequency and phase-shift control strategy | Wide frequency variation, more complex due to the SR |
| [123] | 4 switches | 3.3 kW | CLLC | Component design strategy to improve ZVS range | More complex due to the SR |
| Reference | Number of Components | Nominal Power | Type | Advantages | Disadvantages |
|---|---|---|---|---|---|
| [103] | 8 diodes 18 power switches | 30 kW | PSFB | Possible configuration of IPOS or IPOP, greater reliability with module redundancy, higher output voltage (1000 V) | Higher number of components, current sharing issues, and voltage balancing issues |
| [124] | 15 switches | 10 kW | DAB | ||
| [125] | 8 diodes 7 switches | 11 kW | PSFB | ||
| [126] | 8 diodes 6 switches | 10 kW | PSFB | ||
| [127] | 15 switches | 5 kW | DAB | ||
| [128] | 6 diodes 6 switches | 700 W | LLC | ||
| [129] | 8 diodes 7 switches | 11 kW | LLC + buck | ||
| [130] | 8 diodes 4 switches | 10 kW | LLC |
| When Using an AC Bus for Power Transfer | |||||
| Reference | Interface Between EVs * | Nominal Power | Converter | Advantages | Disadvantages |
| [138] | (i) | 3.3 kW | Each onboard charger is composed of one boost converter and one front-end H-bridge. | Does not require additional external hardware. | Single-phase connection limits the maximum power transfer. It lacks galvanic isolation. |
| [139] | () | 6.6 kW | Each onboard charger is composed of one DAB converter and one front-end H-bridge. | Does not require additional external hardware. It has galvanic isolation. | Single-phase connection limits the maximum power transfer. |
| [140] | () | Not specified | Off-board charger is composed of two bidirectional H-bridges, LCL compensation, and charging coil. | It makes available wireless power transfer. It presents galvanic isolation. | Requires additional external hardware and presents slow charging rate. |
| When Using a DC Bus for Power Transfer | |||||
| Reference | Interface Between EVs * | Nominal Power | Converter | Advantages | Disadvantages |
| [141] | (v) | 3.0 kW | The AC/DC converters of the onboard chargers are bypassed, resulting in four cascaded DC/DC converters. | It has two DABs that ensure galvanic isolation. | The onboard chargers limit the maximum power transfer. |
| [142] | () | 150 kW | The EV’s drivetrain and motor windings are used to enable DC fast charging. | It enables DC fast charging without demanding additional external hardware. | It lacks galvanic isolation. |
| [143] | () | 50 kW | Off-board charger composed of a three- level DAB converter. | It presents fast charging rate and has galvanic isolation. | Requires additional external hardware and has a high implementation cost. |
| Manufacturer | Product | Reference | Electrical Characteristics | EV Connector | Type of MCS |
|---|---|---|---|---|---|
| SparkCharge | Roadie Portable | [157] | Power: 20 kW; Capacity: 3.35 kWh; Output voltage: 150–500 ; Output current: 40 | CCS-1 | Conventional |
| Addvolt | ADDS | [154] | Power: 5 kW; Capacity: 5–7 kWh | Undefined | Conventional |
| ADDM | [154] | Power: 7–19 kW; Capacity: 7–19 kWh | Undefined | Conventional | |
| Slim | [154] | Power: 7–19 kW; Capacity: 7–19 kWh | Undefined | Conventional | |
| ADDL | [154] | Power: 12–19 kW; Output voltage: 150–800 | Undefined | Conventional | |
| Portable Electric | 5k L2 e-Charger | [150] | Power: 4.8 kW; Capacity: 5.6 kWh; Output voltage: 120 | SAE J1772 | Conventional |
| 30k L2 e-Charger | [151] | Power: 27 kW; Capacity: 80 kWh; Output voltage: 120 and 208 | SAE J1772 | Conventional | |
| 30k L3 e-Charger | [152] | Power: 27 kW; Capacity: 80 kWh; Output voltage: 120 and 208 | SAE Combo CHAdeMO | Conventional | |
| Kempower | Kempower Movable Charger | [158] | Power: up to 40 kW; Output voltage: 400 and 800 ; Output current: 125 | CCS-2 and CHAdeMO | Grid-connected |
| Level 2 Tesla | [159] | Output voltage: 208–240 ; Output current: 40 | Tesla | Grid-connected | |
| Jplus | J+ Booster 2 | [160] | Power: 9.6 kW; Output voltage: 120 and 240 ; Output current: 40 | SAE J1772 or Tesla with adapter | Grid-connected |
| Lectron | Level 2 J1772 | [161] | Output voltage: 240 ; Output current: 40 | SAE J1772 | Grid-connected |
| Level 2 Tesla | [159] | Output voltage: 208–240 ; Output current: 40 | Tesla | Grid-connected | |
| Level 1 J1772 | [162] | Output voltage: 120 ; Output current: 15 | SAE J1772 | Grid-connected | |
| Level 1 Tesla | [163] | Output voltage: 120 ; Output current: 15 | Tesla | Grid-connected |
| References | Objective of Study |
|---|---|
| [164] | Optimization of MCSs’ locations |
| [27,65,146,165,166,167,168] | MCSs’ scheduling and routing |
| [30,165,166,168,169,170,171] | Optimize operator’s profit and pricing definition |
| [164,166] | Reduce waiting time |
| [164,167,172] | Reduce power grid impact |
Disclaimer/Publisher’s Note: The statements, opinions and data contained in all publications are solely those of the individual author(s) and contributor(s) and not of MDPI and/or the editor(s). MDPI and/or the editor(s) disclaim responsibility for any injury to people or property resulting from any ideas, methods, instructions or products referred to in the content. |
© 2024 by the authors. Licensee MDPI, Basel, Switzerland. This article is an open access article distributed under the terms and conditions of the Creative Commons Attribution (CC BY) license (https://creativecommons.org/licenses/by/4.0/).
Share and Cite
Neto, R.C.; Bandeira, C.M.; Azevedo, G.M.S.; Limongi, L.R.; de Carvalho, M.R.S.; Castro, J.F.C.; Rosas, P.A.C.; Venerando, A.C.; Spader, N.; Bueno, E. Mobile Charging Stations: A Comprehensive Review of Converter Topologies and Market Solutions. Energies 2024, 17, 5931. https://doi.org/10.3390/en17235931
Neto RC, Bandeira CM, Azevedo GMS, Limongi LR, de Carvalho MRS, Castro JFC, Rosas PAC, Venerando AC, Spader N, Bueno E. Mobile Charging Stations: A Comprehensive Review of Converter Topologies and Market Solutions. Energies. 2024; 17(23):5931. https://doi.org/10.3390/en17235931
Chicago/Turabian StyleNeto, Rafael C., Camila M. Bandeira, Gustavo M. S. Azevedo, Leonardo R. Limongi, Márcio R. S. de Carvalho, José F. C. Castro, Pedro A. C. Rosas, Augusto C. Venerando, Newmar Spader, and Emilio Bueno. 2024. "Mobile Charging Stations: A Comprehensive Review of Converter Topologies and Market Solutions" Energies 17, no. 23: 5931. https://doi.org/10.3390/en17235931
APA StyleNeto, R. C., Bandeira, C. M., Azevedo, G. M. S., Limongi, L. R., de Carvalho, M. R. S., Castro, J. F. C., Rosas, P. A. C., Venerando, A. C., Spader, N., & Bueno, E. (2024). Mobile Charging Stations: A Comprehensive Review of Converter Topologies and Market Solutions. Energies, 17(23), 5931. https://doi.org/10.3390/en17235931






