Matching Analysis of Technical Parameters and Safety Standards for Nuclear Replacement of Coal-Fired Units
Abstract
1. Introduction
2. Comparison of Thermal Systems
2.1. Thermal System of Coal-Fired Units
2.1.1. Coal-Fired Units with Steam Parameters of High Pressure and Below
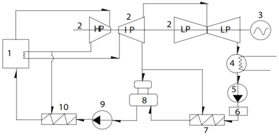
2.1.2. Coal-Fired Units with Ultra-High Pressure and Above Steam Parameters
2.2. Thermal System of Nuclear Power Units
2.2.1. Thermal Systems for PWR
2.2.2. Thermal Systems for HTGR
2.3. Comparative Analysis of Thermal System
3. Steam Parameters and Equipment Difference Analysis
3.1. Comparative Analysis of Steam Parameters
3.2. Differences in Turbine Equipment
4. Safety Matching Analysis
4.1. Comparative Analysis of Site Selection
4.1.1. Site Selection for Nuclear Power Plants
- (1)
- The effect of external natural or man-made events on the nuclear power plant that may occur in the area of a particular site.
- (2)
- Site characteristics and environmental characteristics that may affect the transfer of released radioactive materials to human bodies.
- (3)
- Population density, distribution, and other characteristics of the relevant peripheral zones relevant to the possibility of implementing emergency measures and to the evaluation of individual and group risks required.
- (4)
- Social factors such as the level of public awareness, understanding and support for nuclear safety.
- (5)
- The need for adequate cooling water sources for nuclear power plants, usually in close proximity to large bodies of water.
4.1.2. Site Selection for Coal Power Plants
- (1)
- Coal power plants are close to raw materials, fuel and consumption areas, while ensuring convenient transportation and hence continuous fuel supply.
- (2)
- The amount of ash discharged from coal power plants accounts for about 15% to 20% of the amount of coal, while the coal power plant can reduce water dependence through the circulating water-cooling system.
- (3)
- Water supply problem: the site area should have a reliable water source and backup water source, and the coal power plant can reduce the dependence on water resources through its circulating water-cooling system.
- (4)
- Social factors such as public concern about air pollution and greenhouse gas emissions.
4.2. Comparative Analysis of the Construction of Nuclear and Coal-Fired Power Plants
4.3. Matching of Safety Standards
- (1)
- SSR-2/1 Safety of Nuclear Power Plants: Design (2016): This safety requirement specifies the requirements to be met in the design of safety-important structures, systems, and components of nuclear power plants, as well as procedures and organizational processes.
- (2)
- SSG-2 Deterministic Safety Analysis for Nuclear Power Plants (2019): This safety guideline specifies the overall considerations for determining safety analysis, plant state classification, calculation procedures, safety margins, and other aspects.
- (3)
- TECDOC-1791 Considerations on the Application of the IAEA Safety Requirements for Design of Nuclear Power Plants (2016): This technical document is a supplement to the specific requirements set out in standard SSR-2/1 [48] and its implementation.
- (4)
- SSG-3 Development and Application of Leve l Probabilistic Safety Assessment for Nu-clear Power Plants (2010): This safety guideline specifies the contents related to the level 1 probabilistic safety analysis of nuclear power plants, including Level 1 PSA for internal events of power operation, Level 1 PSA for low power and shutdown conditions, etc.
- (5)
- SSG-4 Development and Application of Level 2 Probabilistic Safety Assessment for Nuclear Power Plants (2010): This safety guideline specifies the content related to level 2 probabilistic safety analysis of nuclear power plants, including interface with Level 1 PSA, containment response to severe accidents, and source term analysis.
5. Discussion
6. Conclusions
Author Contributions
Funding
Data Availability Statement
Acknowledgments
Conflicts of Interest
References
- National Bureau of Statistics. China Statistical Yearbook—2022; National Bureau of Statistics, China Statistics Press: Beijing, China, 2022.
- Department of Industry, National Bureau of Statistics. Annual Economic Operation Report of Energy Industry 2023; IEA: Paris, France, 2024.
- Henderson, C. Increasing the Flexibility of Coal-Fired Power Plants; IEA Clean Coal Centre: Paris, France, 2014; Volume 15, p. 15. [Google Scholar]
- Yu, X.; Zheng, D.; Yang, K.; Kong, J.; Zhang, T. Opportunities and challenges of energy and power industry under the goal of carbon peak carbon neutrality. Huadian Technol. 2019, 43, 21–32. [Google Scholar]
- Fan, J.L.; Li, Z.; Huang, X.; Li, K.; Zhang, X.; Lu, X.; Shen, B. A net-zero emissions strategy for China’s power sector using carbon-capture utilization and storage. Nat. Commun. 2023, 14, 5972. [Google Scholar] [CrossRef] [PubMed]
- Wang, B.; Wang, L.; Zhong, S.; Xiang, N.; Qu, Q. Low-carbon transformation of electric system against power shortage in China: Policy optimization. Energies 2022, 15, 1574. [Google Scholar] [CrossRef]
- Zhang, X.; Cui, X.; Li, B.; Hidalgo-Gonzalez, P.; Kammen, D.M.; Zou, J.; Wang, K. Immediate actions on coal phaseout enable a just low-carbon transition in China’s power sector. Appl. Energy 2022, 308, 118401. [Google Scholar] [CrossRef]
- Wei, F.; Li, L. Research and practice on development path of low-carbon, zero-carbon and negative carbon transformation of coal-fired power units under “double carbon” targets. Power Gener. Technol. 2022, 43, 452. [Google Scholar]
- Qu, X.; Yuan, Z.; Peng, T.; Sun, Z.; Zhou, S. The low-carbon transition toward sustainability of regional coal-dominated energy consumption structure: A case of Hebei province in China. Sustainability 2017, 9, 1184. [Google Scholar] [CrossRef]
- Gaudard, L.; Avanzi, F.; De, M. Seasonal aspects of the energy-water nexus: The case of a run-of-the-river hydropower plant. Appl. Energy 2018, 210, 604–612. [Google Scholar] [CrossRef]
- Converse, A. Seasonal energy storage in a renewable energy system. Proc. IEEE 2011, 100, 401–409. [Google Scholar] [CrossRef]
- Bodansky, D. Nuclear Energy: Principles, Practices, and Prospects; Springer Science & Business Media: Berlin/Heidelberg, Germany, 2007. [Google Scholar]
- Lenzen, M. Life cycle energy and greenhouse gas emissions of nuclear energy: A review. Energy Convers. Manag. 2008, 49, 2178–2199. [Google Scholar] [CrossRef]
- Dittmar, M. Nuclear energy: Status and future limitations. Energy 2012, 37, 35–40. [Google Scholar] [CrossRef]
- Zhou, S.; Zhang, X. Nuclear energy development in China: A study of opportunities and challenges. Energy 2010, 35, 4282–4288. [Google Scholar] [CrossRef]
- Chen, Y.; Martin, G.; Chabert, C.; Eschbach, R.; He, H.; Ye, G.A. Prospects in China for nuclear development up to 2050. Prog. Nucl. Energy 2018, 103, 81–90. [Google Scholar] [CrossRef]
- Yu, S.; Yarlagadda, B.; Siegel, J. The role of nuclear in China’s energy future: Insights from integrated assessment. Energy Policy 2020, 139, 111344. [Google Scholar] [CrossRef]
- International Atomic Energy Agency. Power Reactor Information System (PRIS) [EB/OL]. Available online: https://www.iaea.org/PRIS/home.aspx (accessed on 1 August 2020).
- Lu, H.; Gao, B.; Li, L.; Cheng, G.S. China’s Nuclear Energy Development and Prospects (2023); China Nuclear Energy Association: Beijing, China, 2023.
- China Nuclear Energy Industry Association. Blue Book of Nuclear Energy Development: Report on China’s Nuclear Energy Development (2024); Social Sciences Academic Press: Beijing, China, 2024.
- China Nuclear Power Development Center, State Grid Energy Research Institute Co. Ltd. Research on Nuclear Power Development Planning in China; China Atomic Energy Press: Beijing, China, 2019.
- Griffith, G. Transitioning Coal Power Plants to Nuclear Power; Idaho National Laboratory (INL): Idaho Falls, ID, USA, 2021.
- Hansen, J.; Jenson, W.; Wrobel, A.; Biegel, K.; Kim, T. Investigating Benefits and Challenges of Converting Retiring Coal Plants into Nuclear Plants; Idaho National Laboratory (INL): Idaho Falls, ID, USA, 2022.
- Ochmann, J.; Niewiński, G.; Łukowicz, H.; Bartela, Ł. Potential for Repowering Inland Coal-Fired Power Plants Using Nuclear Reactors According to the Coal-to-Nuclear Concept. Energies 2024, 17, 3545. [Google Scholar] [CrossRef]
- Weng, T.; Zhang, G.; Wang, H.; Qi, M.; Qvist, S.; Zhang, Y. The impact of coal to nuclear on regional energy system. Energy 2024, 302, 131765. [Google Scholar] [CrossRef]
- Virdis, M.R.; Rieber, M. The cost of switching electricity generation from coal to nuclear fuel. Energy J. 1991, 12, 109–134. [Google Scholar] [CrossRef]
- Hou, Y. High temperature gas cooled reactor: A replacement for small and medium-sized thermal power. Energy 2020, 1, 83–86. [Google Scholar]
- Sun, J. The United States plans to convert coal power plants into nuclear power plants. Therm. Energy Power Eng. 2024, 39, 37. [Google Scholar]
- Kasperson, R.E.; Berk, G.; Pijawka, D.; Sharaf, A.B.; Wood, J. Public opposition to nuclear energy: Retrospect and prospect. Sci. Technol. Hum. Values 1980, 5, 11–23. [Google Scholar] [CrossRef]
- De, G.; Steg, L.; Poortinga, W. Values, perceived risks and benefits, and acceptability of nuclear energy. Risk Anal. Int. J. 2013, 33, 307–317. [Google Scholar]
- The Global Coal Plant Tracker. Global Coal Plant Tracker [EB/OL]. 2021 [2022-01-12]. Available online: https://globalenergymonitor.org/projects/global-coal-plant-tracker/ (accessed on 7 October 2022).
- Global Power Plant Database. Global Power Plant Database v1.3.0 [EB/OL]. 2018 [2022-01-06]. Available online: https://datasets.wri.org/dataset/globalpowerplantdatabase (accessed on 6 January 2022).
- Cui, R.; Hultman, N.; Cui, D.; McJeon, H.; Yu, S.; Edwards, M.R.; Sen, A.; Song, K. A plant-by-plant strategy for high-ambition coal power phaseout in China. Nat. Commun. 2021, 12, 1468. [Google Scholar] [CrossRef] [PubMed]
- Yan, X.; Tong, D.; Zheng, Y.; Liu, Y.; Chen, S.; Qin, X.; Chen, C.; Xu, R.; Cheng, J.; Shi, Q. Cost-effectiveness uncertainty may bias the decision of coal power transitions in China. Nat. Commun. 2024, 15, 2272. [Google Scholar] [CrossRef] [PubMed]
- Liu, C. Supercritical Carbon Dioxide Coal-Fired Power Generation System of Boiler and Regenerator Research. Ph.D. Thesis, North China Electric Power University, Beijing, China, 2022. [Google Scholar] [CrossRef]
- Yang, W.; Liu, X. Natural gas distributed energy station host scheme selection. Constr. Shanxi Prov. 2012, 38, 158–160. [Google Scholar] [CrossRef]
- Geng, J.; Zheng, D.; Zhang, C.; Yi, S. Discussion on Host Parameter selection of 600MW thermal power Unit. Power Plant Syst. Eng. 2011, 27, 8–10. [Google Scholar]
- Wu, X. Research on Parameters and Structure Selection of Ultra-supercritical Units in China. Electr. Power Sci. Eng. 2008, 24, 45–50. [Google Scholar]
- International Atomic Energy Agency (IAEA). World Nuclear Power Reactors (2023 Edition); International Atomic Energy Agency: Vienna, Austria, 2023. [Google Scholar]
- Nagatsuka, K.; Noguchi, H.; Nagasumi, S.; Nomoto, Y.; Shimizu, A.; Sato, H.; Nishihara, T.; Sakaba, N. Current status of high temperature gas-cooled reactor development in Japan. Nucl. Eng. Des. 2024, 425, 113338. [Google Scholar] [CrossRef]
- McDonald, C. The key role of heat exchangers in advanced gas-cooled reactor plants. Heat Recovery Syst. CHP 1994, 14, 7–28. [Google Scholar] [CrossRef]
- Bolfo, L.; Devia, F.; Lomonaco, G. Nuclear hydrogen production: Modeling and preliminary optimization of a helical tube heat exchanger. Energies 2021, 14, 3113. [Google Scholar] [CrossRef]
- Radar. Comparison between nuclear power plant and conventional thermal power plant. J. Wuhan Univ. Eng. Technol. 2009, 42, 85–89. [Google Scholar]
- Sheng, W. A brief about code on the safety of nuclear power plants (Rev. 1). Nucl. Power Eng. 1994, 15, 181–186. [Google Scholar]
- Lu, B. Research on Site Selection of a Large Thermal Power Plant. Master’s Thesis, Jilin University, Changchun, China, 2014. [Google Scholar]
- Zhao, Y. Plant ci compared with power plant turbine plant construction time limit for a project. J. Eng. Constr. Des. 2016, 14, 23–24+29. [Google Scholar] [CrossRef]
- Zhang, Z.; Wu, Z.; Wang, D.; Tong, J. Research on development strategy of high temperature gas cooled reactor in China. Eng. Sci. 2019, 21, 12–19. [Google Scholar]
- International Atomic Energy Agency. Safety of Nuclear Power Plants: Design; IAEA Safety Standards Series No: SSR-2/1 (Rev.1); IAEA: Vienna, Austria, 2016. [Google Scholar]







| Main Steam Flow (t/h) | Main Steam Temperature (°C) | Main Steam Pressure (MPa) | |
|---|---|---|---|
| 50 MW | ~220 | 540 | 9.8 |
| Main/Reheat Steam Flow (t/h) | Main/Reheat Steam Temperature (°C) | Main Steam Pressure (MPa) | |
|---|---|---|---|
| 135 MW class | ~440/360 | 541/541 | 13.7 |
| 200 MW class | ~670/584 | 541/541 | 13.7 |
| 300 MW class | ~1025/874 | 541/541 | 17.5 |
| 350 MW class | ~1204/1021 | 571/569 | 25.4 |
| 600 MW class | ~1900/1600 | 571/569 | 25.4 |
| 660 MW class | ~1960/1596 | 605/623 | 29.3 |
| 1000 MW class | ~3110/2600 | 605/603 | 26~28 |
| Parameter Name | Value |
|---|---|
| Thermal power/MW | 200 |
| Design life/a | 60 |
| Coolant working pressure (rated condition)/MPa | 8.0 |
| Core inlet/outlet temperature (rated working condition)/°C | 232/280 |
| Intermediate circuit working pressure (rated condition)/MPa | 8.8 |
| Steam generator outlet steam pressure (rated condition)/MPa | 1.6 |
| Steam generator outlet steam temperature (rated working condition)/°C | 201.4 |
| Number of fuel assemblies/box | 208 |
| Refueling cycle/a | 2 |
| Parameters | Unit | Value |
|---|---|---|
| Nominal electric power | MWe | 200 |
| Total thermal power of the reactor | MWt | 2 × 250 |
| Design life | Year | 40 |
| Average core power density | MW/m | 33.22 |
| Generation efficiency | % | 40 |
| Primary helium working pressure | MPa | 7 |
| Reactor inlet/outlet temperature | °C | 250/750 |
| Steam generator type | Direct-current steam generator | |
| Main steam pressure | MPa | 13.24 |
| Main steam temperature | °C | 566 |
| Main feed water temperature | °C | 205 |
| The main steam flow into the turbine | t/h | 673 |
| Turbine type | Ultra-high-pressure condensing type | |
| Main Steam Flow (t/h) | Main Steam Temperature (°C) | Main Steam Pressure (MPa) | Reheat or Not | |
|---|---|---|---|---|
| 50 MW coal-fired units | ~220 | 540 | 9.8 | No |
| HTR-PM | 673 | 570 | 13.7 | No |
| Main Steam Flow (t/h) | Main Steam Temperature (°C) | Main Steam Pressure (MPa) | Reheat or Not | |
|---|---|---|---|---|
| 135 MW (Coal) | ~440/360 | 541/541 | 13.7/2.6 | Yes |
| 350 MW (Coal) | ~1204/1021 | 571/569 | 25.4/4.3 | Yes |
| NHR200-II | ~258/? | 201/? | 1.6/? | Yes |
Disclaimer/Publisher’s Note: The statements, opinions and data contained in all publications are solely those of the individual author(s) and contributor(s) and not of MDPI and/or the editor(s). MDPI and/or the editor(s) disclaim responsibility for any injury to people or property resulting from any ideas, methods, instructions or products referred to in the content. |
© 2024 by the authors. Licensee MDPI, Basel, Switzerland. This article is an open access article distributed under the terms and conditions of the Creative Commons Attribution (CC BY) license (https://creativecommons.org/licenses/by/4.0/).
Share and Cite
Zhang, D.; Zhou, T.; Liu, Z.; Yang, H.; Bie, R.; Zhang, M. Matching Analysis of Technical Parameters and Safety Standards for Nuclear Replacement of Coal-Fired Units. Energies 2024, 17, 5583. https://doi.org/10.3390/en17225583
Zhang D, Zhou T, Liu Z, Yang H, Bie R, Zhang M. Matching Analysis of Technical Parameters and Safety Standards for Nuclear Replacement of Coal-Fired Units. Energies. 2024; 17(22):5583. https://doi.org/10.3390/en17225583
Chicago/Turabian StyleZhang, Dongwang, Tuo Zhou, Zhihong Liu, Hairui Yang, Rushan Bie, and Man Zhang. 2024. "Matching Analysis of Technical Parameters and Safety Standards for Nuclear Replacement of Coal-Fired Units" Energies 17, no. 22: 5583. https://doi.org/10.3390/en17225583
APA StyleZhang, D., Zhou, T., Liu, Z., Yang, H., Bie, R., & Zhang, M. (2024). Matching Analysis of Technical Parameters and Safety Standards for Nuclear Replacement of Coal-Fired Units. Energies, 17(22), 5583. https://doi.org/10.3390/en17225583

