Control of Large Wind Energy Converters for Aeroacoustic Noise Mitigation with Minimal Power Reduction
Abstract
1. Introduction
2. Control-Based Noise Mitigation
2.1. Overall Aspects
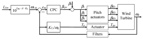
2.2. Active Sound Damping Control with Cascade Configuration
2.3. Active Sound Damping Control and up/down-Regulation
2.4. Active Sound Damping Control with Variable Reference
2.5. Torque Control for an Active Sound Damping Control Scheme
2.6. Acoustic Model Requirements for the Control System Design
3. Modelling Acoustic Properties of Wind Turbines for Control Purposes
3.1. Models for Sound Power Level Estimation
3.1.1. Model Based on the Rotor Radius
3.1.2. Model Based on the Rated Power
3.1.3. Model Based on the Generator Speed
3.2. Models to Describe the Noise Propagation
3.3. Models to Express the Ambient Acoustic Noise
3.4. Estimation of Maximum Allowed Generator Speed
4. Simulation Study
4.1. Overview of the Reference Wind Turbine
4.2. Aeroacoustic Setup for the Numerical Study
4.3. Simulation Setup and Experimental Plan
4.4. Controller Parametrisation
5. Simulation Results
5.1. Results for Experiment 1
5.2. Results for Experiment 2
5.3. Results for Experiment 3
5.4. Results for Experiment 4
5.5. Final Analysis
6. Conclusions
Author Contributions
Funding
Data Availability Statement
Conflicts of Interest
Abbreviations
| ASDC | Active sound damping control |
| CPC | Collective pitch control |
| InPC | Inverse proportional control |
| OTC | Optimal torque control |
| PI, PID | Proportional Integral, Proportional Integral Derivative |
| Nomenclature | |
| Parameters | |
| A | Attenuation, dBA |
| Aatm | Atmospheric absorption, dBA |
| Abar | Screening, dBA |
| Afol | Foliage attenuation, dB |
| Agd | Geometric divergence |
| Agr | Ground absorption, dB |
| Aσ | Sound insulation, dB |
| Cp,max | Maximum value of the power coefficient, -- |
| d0, d | Reference distance, distance, m |
| eω, ep | Control errors for speed and power control loops |
| eω1,eω2 | Control errors for two speed control loops |
| ha | Average height over ground, m |
| hh | Hub height, m |
| K | Constant representing all correction factors |
| Kp, Ki | Proportional and integral gains of the PI controller |
| Kopt | Optimal proportional constant |
| KT | Gain of the inverse proportional controller |
| KwA | Summary constant in Equations (14) and (16) |
| K1, K2, K3 | Parameters in the noise model depending on the wind speed |
| ld | Horizontal distance, m |
| Lsp | Setpoint for the sound pressure level control loop |
| Lbg | Sound pressure level of background |
| Ldc | Directivity correction, dBA |
| Llimit | Limit for the sound pressure level, dBA |
| Lp,max | Maximum permitted sound pressure level, dBA |
| Ltot, | Total sound pressure level, dBA |
| LwA | Sound power level, dBA |
| nx | Gearbox ratio, -- |
| nf | Number of considered frequency bands, -- |
| Pm,rated | Rated mechanical power, MW |
| Pe,rated | Rated electrical power, MW |
| R | Rotor radius, m |
| Tg,rated | Rated generator torque, kg m2 |
| Tg | Generator torque, kg m2 |
| Tga | Generator torque after the actuator, kg m2 |
| vci | Cut-in value for the wind speed, m/s |
| vco | Cut-out value for the wind speed, m/s |
| vv,rated | Rated value for the wind speed, m/s |
| α | Atmospheric absorption, dB/m |
| β0 | Pitch angle at the operating point, rad |
| λ* | Optimal tip-speed ratio |
| ηx, ηg | Efficiency of gearbox and generator |
| ρa | Density of air, kg/m3 |
| ωg,max | Generator speed corresponding to Lp,max, rad/s |
| ωg,rated | Rated value of the generator speed, rad/s |
| ωg,ref | Reference signal for the generator speed, rad/s |
| ωgsp1, ωgsp2 | Setpoints for the generator speed, rad/s |
| Variables | |
| LpA | Sound pressure level, dBA |
| Lpwind | Sound pressure level of wind, dBA |
| LwA | Sound power level, dBA |
| Pe | Electrical power, MW |
| Pref | Reference signal for the electrical power, MW |
| Pm | Mechanical power, MW |
| Tg | Generator torque (on the high-speed shaft), kg m2 |
| vtip | Tip speed, m/s |
| vv | Wind speed, m/s |
| β | Pitch angle, rad |
| βcpc | Pitch angle as output from CPC, rad |
| ωg | Generator speed, rad/s |
| ωr | Rotor speed, rad/s |
| Functions | |
| f(·) | Functional relationship between (β, Tg) and ωg |
| g(·) | Functional relationship between (β, Tg) and Pe |
| h(·) | Functional relationship between ωg and Lp |
References
- Mackowski, L.; Carolus, T.H. Wind turbine trailing edge noise: Mitigation of normal amplitude modulation by individual blade pitch control. J. Sound Vib. 2021, 510, 116279. [Google Scholar] [CrossRef]
- Hubbard, H.H.; Shepherd, K.P. Aeroacoustics of large wind turbines. J. Acoust. Soc. Am. 1991, 89, 2495–2508. [Google Scholar] [CrossRef]
- Howe, M.S. A review of the theory of trailing edge noise. J. Sound Vib. 1978, 61, 437–465. [Google Scholar] [CrossRef]
- Wagner, S.; Bareib, R.; Guidati, G. Wind Turbine Noise; Springer: Berlin, Germany, 1996. [Google Scholar]
- Rogers, A.L.; Manwell, J.F.; Wright, S. Wind Turbine Acoustic Noise; White paper; University of Massachusetts: Amherst, MA, USA, 2006. [Google Scholar]
- Barone, M.F. Survey of Techniques for Reduction of Wind Turbine Blade Trailing Edge Noise; Research report; Sandia National Laboratories: Albuquerque, NM, USA, 2011. [Google Scholar]
- Sørensen, J.N. Noise from Wind Turbines. In Comprehensive Renewable Energy 2; Elsevier: Amsterdam, The Netherlands, 2012; pp. 225–241. [Google Scholar]
- Burton, T.; Jenkins, N.; Sharpe, D.; Bossanyi, E. Wind Energy Handbook, 2nd ed.; John Wiley & Sons: Chichester, UK, 2011. [Google Scholar]
- Gambier, A. Control of Large Wind Energy Systems; Springer Nature: Basel, Switzerland, 2022. [Google Scholar]
- Amiet, R.K. Acoustic radiation from an airfoil in a turbulent stream. J. Sound Vib. 1975, 41, 407–420. [Google Scholar] [CrossRef]
- Brooks, T.F.; Pope, D.S.; Marcolini, M.A. Airfoil Self-Noise and Prediction; Research report; NASA: Hampton, VA, USA, 1989.
- Rozenberg, Y.; Roger, M.; Moreau, S. Rotating blade trailing-edge noise: Experimental validation of analytical model. AIAA J. 2010, 48, 951–962. [Google Scholar] [CrossRef]
- Deshmukh, S.; Bhattacharyaa, S.; Jainb, A.; Paul, A.R. Wind turbine noise and its mitigation techniques: A review. Energy Procedia 2019, 160, 633–640. [Google Scholar] [CrossRef]
- Cardenas-Dobson, R.; Asher, G.M. Power limitation in variable vpeed wind turbines using pitch control and a mechanical observer. Wind Eng. 1996, 20, 363–387. [Google Scholar]
- Rivarola, A.; Gambier, A. Control of large wind energy systems for acoustic noise reduction by using multi-objective optimal control. IFAC-Pap. 2023, 56, 11255–11260. [Google Scholar] [CrossRef]
- Møller, H.; Pedersen, C.S. Low-frequency noise from large wind turbines. J. Acoust. Soc. Am. 2011, 129, 3727–3744. [Google Scholar] [CrossRef]
- Bertagnolio, F.; Aagaard Madsen, H.; Fischer, A.; Bak, C. Cyclic pitch for the control of wind turbine noise amplitude modulation. In Proceedings of the Inter-Noise 2014, Melbourne, Australia, 16–19 November 2014; pp. 1–8. [Google Scholar]
- Maizi, M.; Dizene, R.; Mihoubi, M.C. Reducing noise generated from a wind turbine blade by using pitch angle control using CFD and acoustic analogy. J. Appl. Fluid Mech. 2017, 10, 1201–1209. [Google Scholar] [CrossRef]
- Oerlemans, S.; Sijtsma, P.; Méndez López, B. Location and quantification of noise sources on a wind turbine. J. Sound Vib. 2007, 299, 869–883. [Google Scholar] [CrossRef]
- Gambier, A. Simultaneous design of pitch control and active tower damping by using multi-objective optimization. In Proceedings of the 1st IEEE Conference on Control Technology and Applications, Kohala Cost, HI, USA, 17–20 December 2017; pp. 1679–1684. [Google Scholar] [CrossRef]
- Gambier, A. Power–pitch cascade control-based approach for the up/down-regulated operation of large wind turbines. Appl. Sci. 2024, 14, 3396. [Google Scholar] [CrossRef]
- Abdullah, M.A.; Yatim, A.H.M.; Tan, C.W.; Saidur, R. A review of maximum power point tracking algorithms for wind energy systems. Renew. Sustain. Energy Rev. 2012, 16, 3220–3227. [Google Scholar] [CrossRef]
- Kumar, D.; Chatterjee, K. A review of conventional and advanced MPPT algorithms for wind energy systems. Renew. Sustain. Energy Rev. 2016, 55, 957–970. [Google Scholar] [CrossRef]
- Hellman, R.P. Asymmetry of masking between noise and tone. Percept. Psychophys. 1972, 11, 241–246. [Google Scholar] [CrossRef]
- Scharf, B. Fundamentals of auditory masking. Int. J. Audiol. 1971, 10, 30–40. [Google Scholar] [CrossRef]
- Lowson, M.V. Assessment and Prediction of Wind Turbine Noise; Research report; Flow Solutions Ltd.: Bristol, UK, 1992. [Google Scholar]
- Zidan, E.; Elnady, T.; Elsabbagh, A. Comparison of sound power prediction models of wind turbines. In Proceedings of the International Conference on Advances in Agricultural, Biological & Environmental Sciences, Dubai, United Arab Emirates, 15–16 October 2014; pp. 49–54. [Google Scholar] [CrossRef]
- Hau, E.; Langenbrinck, J.; Palz, W. WEGA Large Wind Turbines; Springer: Berlin, Germany, 1993. [Google Scholar]
- Hagg, F.; van der Borg, N.J.; Bruggeman, J.C. Definite Aero-Geluidonderzoek Twin; SPE 92-025; Stork Product Engineering B. V.: Utrecht, The Netherlands, 1992. [Google Scholar]
- Hagg, F. Aerodynamic noise reduced design of large advanced wind turbines. In Proceedings of the European Community Wind Energy Conference, Madrid, Spain, 10–14 September 1990; pp. 384–388. [Google Scholar]
- Royster, L.H.; Roystel, J.D. The Noise-Vibration Problem-Solution Workbook; American Industrial Hygiene Association: Falls Church, VA, USA, 2002. [Google Scholar]
- ISO 9613-2:2024; Acoustics—Attenuation of Sound During Propagation Outdoors. International Organization for Standardization: Geneva, Switzerland, 1996.
- Lovtidende. Statutory Order on Noise from Wind Turbines; Gazette; Danish Environmental Protection Agency: Odense, Denmark, 2017. [Google Scholar]
- Fitzell, R.; Phil, M. Expected ambient noise levels in different land-use areas. In Proceedings of the Acoustics 2019, Cape Schanck, Australia, 10–13 November 2019; pp. 1–10. [Google Scholar]
- Hansen, C.; Hansen, K. Recent advances in wind turbine noise research. Acoustics 2020, 2, 171–206. [Google Scholar] [CrossRef]
- Fégeant, O. On the masking of wind turbine noise by ambient noise. In Proceedings of the European Wind Energy Conference, Nice, France, 1–5 March 1999; pp. 184–188. [Google Scholar]
- Ashuri, T.; Martins, J.R.R.A.; Zaaijer, M.B.; van Kuik, G.A.M.; van Bussel, G.J.W. Aeroservoelastic design definition of a 20 MW common research wind turbine model. Wind. Energy 2016, 19, 2071–2087. [Google Scholar] [CrossRef]
- Gambier, A.; Meng, F. Control system design for a 20 MW reference wind turbine. In Proceedings of the 12th Asian Control Conference, Hong Kong, China, 19–21 August 2019; pp. 258–263. [Google Scholar] [CrossRef]
- Jonkman, J.; Jonkman, B. FAST modularization framework for wind turbine simulation: Full-system linearization. J. Phys. Conf. Ser. 2016, 753, 082010. [Google Scholar] [CrossRef]
- Edwards, C.; Postlethwaite, I. Anti-windup and bumpless-transfer schemes. Automatica 1998, 34, 199–210. [Google Scholar] [CrossRef]
- Zaccariana, L.; Teel, A.R. The L2 (l2) bumpless transfer problem for linear plants: Its definition and solution. Automatica 2005, 41, 1273–1280. [Google Scholar] [CrossRef]
- Oerlemans, S. Wind Turbine Noise Mitigation. In Handbook of Wind Energy Aerodynamics; Springer Nature: Basel, Switzerland, 2021; pp. 1447–1462. [Google Scholar] [CrossRef]
















| Parameter | Notation | Values | Units |
|---|---|---|---|
| Rated mechanical power | Pm,rated | 21.191 | MW |
| Rated electrical power | Pe,rated | 20.000 | MW |
| Rated rotor speed | ωrrated | 7.1567 | rpm |
| Rated generator speed | ωg,rated | 1173.7 | rpm |
| Rated generator torque | Tg,rated | 169.76 | kNm |
| Cut-in, cut-out and rated wind speed | vci, vco, vw,rated | 4.48, 25.0, 10.92 | m/s |
| Rotor radius | R | 138 | m |
| Gearbox ratio | nx | 164 | -- |
| Peak power coefficient, optimal TSR | Cp,max, λ* | 0.4812, 10.115 | -- |
| Gearbox and generator efficiencies | ηx, ηg | 95.0, 97.8 | % |
| Acoustic Scenario | Values |
|---|---|
| Distance to receiver | 850 m |
| Total attenuation (estimated) | 69.13 dBA |
| Legal restriction (day, night) | 55 dBA, 40 dBA |
| Noise range at emission place | 102.20–121.08 dBA |
| Noise range at receiver place | 32.95–51.95 dBA |
| 1173.7 rpm | 700 rpm | 650 rpm | 600 rpm | |
| Energy Converted (kWh) | 20,773.51 | 7603.94 | 6362.64 | 6276.79 |
| Normal Operation | Reduced with OTC | Reduced with InPC | Reduced with OTC and InPC | |
|---|---|---|---|---|
| Energy Converted (kWh) | 20,773.51 | 6239.71 | 13,851.12 | 15,013.97 |
| Normal Operation | Calculation Using Lpa | Calculation Using LpBG | |
|---|---|---|---|
| Energy Converted (kWh) | 20,773.51 | 13,758.11 | 15,529.91 |
| Normal Operation | Calculation Using LpBG | Masked Wind Turbine Noise | |
|---|---|---|---|
| Energy Converted (kWh) | 20,773.51 | 15,529.91 | 15,866.57 |
| Normal Operation | Calculation Using LpBG | Cascade Control | |
|---|---|---|---|
| Energy Converted (kWh) | 20,773.51 | 15,529.91 | 16,024.81 |
Disclaimer/Publisher’s Note: The statements, opinions and data contained in all publications are solely those of the individual author(s) and contributor(s) and not of MDPI and/or the editor(s). MDPI and/or the editor(s) disclaim responsibility for any injury to people or property resulting from any ideas, methods, instructions or products referred to in the content. |
© 2024 by the authors. Licensee MDPI, Basel, Switzerland. This article is an open access article distributed under the terms and conditions of the Creative Commons Attribution (CC BY) license (https://creativecommons.org/licenses/by/4.0/).
Share and Cite
Rivarola, A.; Gambier, A. Control of Large Wind Energy Converters for Aeroacoustic Noise Mitigation with Minimal Power Reduction. Energies 2024, 17, 5530. https://doi.org/10.3390/en17225530
Rivarola A, Gambier A. Control of Large Wind Energy Converters for Aeroacoustic Noise Mitigation with Minimal Power Reduction. Energies. 2024; 17(22):5530. https://doi.org/10.3390/en17225530
Chicago/Turabian StyleRivarola, Andrea, and Adrian Gambier. 2024. "Control of Large Wind Energy Converters for Aeroacoustic Noise Mitigation with Minimal Power Reduction" Energies 17, no. 22: 5530. https://doi.org/10.3390/en17225530
APA StyleRivarola, A., & Gambier, A. (2024). Control of Large Wind Energy Converters for Aeroacoustic Noise Mitigation with Minimal Power Reduction. Energies, 17(22), 5530. https://doi.org/10.3390/en17225530

