Experimental Determination of a Mixture Composed of Camisea Natural Gas and CO2 Laminar Burning Velocity
Abstract
1. Introduction
2. Materials and Methods
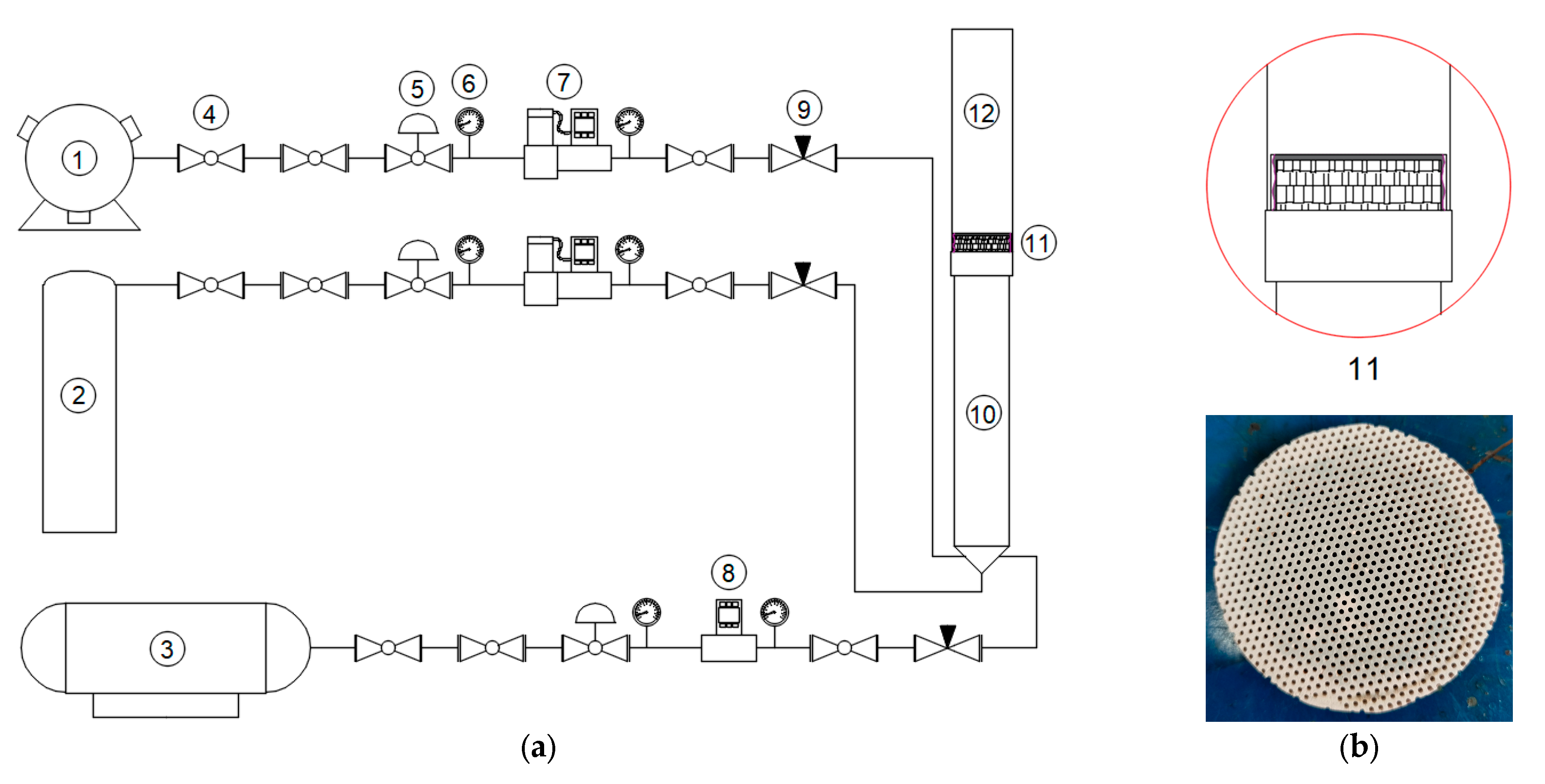
2.1. Materials and Experimental Equipment
2.2. Experimental Procedure and Risks Assessment
2.2.1. General Inspection
2.2.2. Initial Calibration
2.2.3. Ignition of the Flame
2.2.4. Risks Assessment—Hazards and Control Measures
- (1)
- Gas leaks: Considering the fact that Camisea natural gas has a specific smell, it is possible to determine whether a natural gas leak has occurred; should a leak occur, the windows and doors should be opened for ventilation, and no power supplies should be plugged in until several minutes have passed and the smell completely disappears. People must wait outside the room. As an alternative approach for gas leak detection, a leak-detection system such as gas sensors could be implemented; alternatively, there is a fast and simple method of gas detection that uses a mixture of soap and water. It is mandatory to perform gas leak checks after opening the cut valves for all three sources of gas; such checks through be especially vigilant to the Camisea natural gas supply line. Regular inspections of the integrity of the gas connectors and tubes must be performed, ensuring that all connections are properly sealed. Proper ventilation must be ensured to disperse any potential gas accumulation inside the room.
- (2)
- Electrical hazards: It is necessary to ensure that all electrical systems are identified inspected, grounded, and properly rated for their use. Employees must be trained in electrical safety. The use of insulated boots and gloves should be considered for extra protection in cases where the procedure is applied in an industrial environment.
- (3)
- Fire or explosion: Before igniting the match, ensure no gas is present in the immediate area. When turning on the flame, use a long-reach match or ignition tool to minimize the distance between the person and the flame zone. A fire suppression system must be present at a minimum during the execution of the methodology (e.g., fire extinguishers and fire blankets), and the people involved must be trained in fire emergency procedures. Proper ventilation must be in place to disperse any potential gas accumulation. During the monitoring and data-obtaining processes, a safe distance must be maintained at all times.
- (4)
- Pressure hazards: Regular inspection of the pressure systems must be performed; these includes the flowmeters, manometers, and valves; one must ensure that all pressure relief valves are functioning and set to the correct pressures during the application of the procedure.
2.3. Laminar Burning Velocity Determination Method
2.4. Uncertainty Determination
3. Results and Discussion
3.1. Experimental Results
3.2. ANOVA Statistical Results Analysis
3.3. Comparison of Results with Other Studies
4. Conclusions
- From the total of points tested, 2.62% were flat flames, 14.66% were conical, and 82.72% were conical trunk flames.
- The laminar burning velocity decreases with the increase in CO2 percentage in the mixture, due to the CO2 decrease flame temperature effect.
- The flat flame type gives the highest value of burning velocity for each CO2 percentage group in which it appears.
- The highest obtained laminar burning velocity value was 22.64 ± 0.15 cm/s, for a flat flame with a ratio of 0.72 and 29.98% of CO2. Meanwhile, the lowest obtained value was 6.78 ± 0.15 cm/s, for a conical trunk flame with a ratio of 0.59 and 49.83% of CO2.
- The highest evaluated CO2 percentage was 50.97% for a conical trunk flame with a ratio of 0.69 and a burning velocity value of 11.04 cm/s.
- The flat-flame burner method applied in this study demonstrates that the methodology was limited to lower ratios for mixtures with lower amounts of CO2 due to acoustic vibration presence and noise caused by heat phenomena.
- On the other hand, the cooling effect of CO2 allowed the experimental configuration to evaluate higher ratios for higher percentages of CO2.
- The ANOVA analysis demonstrates a statistically significant difference in the average laminar burning velocities, according to the CO2 percentage values.
- A comparison between the results of different research works shows a good agreement with the literature for all the CO2 percentage groups; the strongest similarity was found between the results of the present study and those of W. Anggono et al. [19], for the range of CO2 between 25 and 35% and more than 45%.
Supplementary Materials
Author Contributions
Funding
Data Availability Statement
Acknowledgments
Conflicts of Interest
References
- Corral, L.R.; Schling, M.; Montiel, C. The economic and ecological impact of natural resource extraction: The case of the Camisea Gas Project in Peru. IDB Work. Pap. 2018, 934. [Google Scholar] [CrossRef]
- Badami, G.N.; Egerton, A. The Determination of Burning Velocities of Slow Flames. Proc. R. Soc. Lond. Ser. A Math. Phys. Sci. 1955, 228, 297–322. [Google Scholar] [CrossRef]
- Khudhair, O.; Shahad, H.A.K. A Review of Laminar Burning Velocity and Flame Speed of Gases and Liquid Fuels. Int. J. Curr. Eng. Technol. 2017, 7, 183–197. [Google Scholar]
- Bradley, D.; Hundy, G.F. Burning velocities of methane-air mixtures using hot-wire anemometers in closed-vessel explosions. Symp. (Int.) Combust. 1971, 13, 575–583. [Google Scholar] [CrossRef]
- Liao, S.Y.; Jiang, D.M.; Cheng, Q. Determination of laminar burning velocities for natural gas. Fuel 2004, 83, 1247–1250. [Google Scholar] [CrossRef]
- Pareja, J.; Burbano, H.J.; Ogami, Y. Measurements of the laminar burning velocity of hydrogen-air premixed flames. Int. J. Hydrogen Energy 2010, 35, 1812–1818. [Google Scholar] [CrossRef]
- Fedoryk, M.; Stelzner, B.; Harth, S.; Trimis, D. Experimental investigation of the laminar burning velocity of iron-air flames in a tube burner. Appl. Energy Combust. Sci. 2023, 13, 100111. [Google Scholar] [CrossRef]
- Stone, R.; Clarke, A.; Beckwith, P. Correlations for the Laminar-Burning Velocity of Methane/Diluent/Air Mixtures Obtained in Free-Fall Experiments. Combust. Flame 1998, 114, 546–555. [Google Scholar] [CrossRef]
- Chan, Y.L.; Zhu, M.M.; Zhang, Z.Z.; Liu, P.F.; Zhang, D.K. The Effect of CO2 Dilution on the Laminar Burning Velocity of Premixed Methane/Air Flames. Energy Procedia 2015, 75, 3048–3053. [Google Scholar] [CrossRef]
- Xiang, L.; Chu, H.; Ren, F.; Gu, M. Numerical analysis of the effect of CO2 on combustion characteristics of laminar premixed methane/air flames. J. Energy Inst. 2019, 92, 1487–1501. [Google Scholar] [CrossRef]
- Bai, Z.; Wang, Z.; Yu, G.; Yang, Y.; Metghalchi, H. Experimental study of laminar burning speed for premixed biomass/air flame. J. Energy Resour. Technol. 2019, 141, 022206. [Google Scholar] [CrossRef]
- Anggono, W.; Hayakawa, A.; Okafor, E.C.; Gotama, G.J. Experimental and numerical investigation of laminar burning velocities of artificial biogas under various pressure and CO2 concentration. E3S Web Conf. 2019, 130, 01037. [Google Scholar] [CrossRef]
- Cisneros, R.F.; Rojas, F.J. Determination of 12 Combustion Products, Flame Temperature and Laminar Burning Velocity of Saudi LPG Using Numerical Methods Coded in a MATLAB Application. Energies 2023, 16, 4688. [Google Scholar] [CrossRef]
- Cisneros, R.F.; Rojas, F.J. MATLAB Application for Determination of 12 Combustion Products, Adiabatic Temperature and Laminar Burning Velocity: Development, Coding and Explanation. Computation 2024, 12, 189. [Google Scholar] [CrossRef]
- Osinergmin. Available online: http://gasnatural.osinerg.gob.pe/contenidos/uploads/GFGN/presentacion-tecnica.pdf (accessed on 14 March 2023).
- Giurcan, V.; Movileanu, C.; Musuc, A.; Mitu, M. Laminar Burning Velocity of Biogas-Containing Mixtures. A Literature Review. Processes 2023, 9, 996. [Google Scholar] [CrossRef]
- Shree, K.; Acharya, V.; Lieuwen, T. Flame response to equivalence ratio fluctuations—Relationship between chemiluminescence and heat release. Int. J. Spray Comb. Dyn. 2013, 5, 329–358. [Google Scholar]
- Anggono, W.; Wardana, I.N.G.; Lawes, M.; Hughes, K.J.; Wahyudi, S.; Hamidi, N.; Hayakawa, A. The influence of CO2 in biogas flammability limit and laminar burning velocity in spark ignited premix combustion at various pressures. AIP Conf. Proc. 2016, 1717, 030001. [Google Scholar]
- Anggono, W.; Wardana, I.; Lawes, M.; Hughes, K. Effect of Inhibitors on Biogas Laminar Burning Velocity and Flammability Limits in Spark Ignited Premix Combustion. Int. J. Eng. Tech. 2013, 5, 4980–4987. [Google Scholar]















| Camisea Natural Gas Element | Chemical Formula | % |
|---|---|---|
| Methane | CH4 | 88.54 |
| Ethane | C2H6 | 10.32 |
| Propane | C3H8 | 0.02 |
| Nitrogen | N2 | 0.54 |
| Carbon Dioxide | CO2 | 0.58 |
| %Camisea Natural Gas | %CO2 | Evaluated Ratios ϕ |
|---|---|---|
| [50, 61.1, 71.5, 78.8, 100] | [0, 21.2, 28.5, 38.9, 50] | [0.58–0.92] |
| Gas | CnHmOlNkArj | AVM (kg/kmol) | Density (kg/m3) | LFL % | UFL % | ||||
|---|---|---|---|---|---|---|---|---|---|
| n | m | l | k | j | |||||
| Camisea natural gas | 1.0982 | 4.1624 | 0.0116 | 0.0108 | 0 | 17.722 | 0.7442 | 5.3 | 14 |
| Carbon dioxide | 1 | 0 | 2 | 0 | 0 | 44.01 | 1.847 | - | - |
| Atmospheric air | 0 | 0 | 2 | 7.455 | 0.0444 | 28.965 | 1.2 | - | - |
| Number in Figure 2 | Description | Material | Quantity |
|---|---|---|---|
| 1 | Masuki Air Compressor, 1.2 hp, China | Steel | 1 |
| 2 | CO2 storage tank, Peru | Steel | 1 |
| 3 | Camisea natural gas storage tank, Peru | Steel | 1 |
| 4 | Generic Cut valve, Peru | Bronze | 9 |
| 5 | Generic Pressure regulated valve, Peru | Bronze | 3 |
| 6 | Bourdon pressure gauge, Peru | Bronze | 6 |
| 7 | ALICAT Whisper flowmeter and controller, USA | Plastic and Steel | 2 |
| 8 | ALICAT SCIENTIFIC flowmeter, USA | Plastic and Steel | 1 |
| 9 | Generic Needle valve, Peru | Bronze | 3 |
| 10 | Flat-flame burner of 3 mm wall thickness, Peru | Stainless Steel 304 | 1 |
| 11 | Diffuser, ceramics of 58 mm diameter each, 11.5 mm thickness, and 1.45 mm holes diameter (805 holes), Peru | Ceramic | 2 |
| 12 | Glass tube of 400 mm length, 75 mm external diameter, and 3.5 mm thickness | Glass | 1 |
| Procedure Step | Identified Hazards | Identified Risks | Necessary Control Measures |
|---|---|---|---|
| General inspection | Gas leaks, electrical hazards, fire, explosion, and pressure hazards | Explosions, fire, and burns | Gas leak detection using a mixture of soap and water or gas-detection system should be implemented; routine equipment inspections; fire safety equipment and routes of evacuation must be identified; personal protective equipment and training on handling pressuring systems must be performed. |
| Initial Calibration | Gas leaks, fire, and explosion | Explosions, fire, and electrical shock injuries | Cut valves closure checks; electrical safety equipment checks; grounding; regular maintenance; use of leak-detection systems. |
| Ignition of Flame | Gas leaks, burns injuries, fire, explosions, and pressure hazards | Explosions, fire, burns, and body injuries due to pressure | Use long-reach ignition tools; conduct slow valve operations; conduct gas leak checks; fire safety equipment and routes of evacuation must be identified. |
| Instrument | Range | Precision | Working Conditions |
|---|---|---|---|
| Analogical manometers (for CO2 and air measurement) | 0–60 mbar | ±2 mbar | 20–40 °C |
| Digital manometer (for Camisea natural gas measurement) | 0–2 bar | ±0.1 mbar | 20–40 °C |
| ALICAT Whisper flowmeter and controller (for CO2 and air measurement volumetric flow and temperature measurement) | 0–200 L/min −10 to 60 °C | ±0.75% ±0.75 °C | 20–40 °C |
| ALICAT SCIENTIFIC model flowmeter (for Camisea natural gas volumetric flow and temperature measurement) | 0–200 L/min −10 to 60 °C | ±0.75% ±0.75 °C | 20–40 °C |
| Ratio Group | Source | SS | df | MS | F | Prob > F (p) |
|---|---|---|---|---|---|---|
| 0.5 ≤ ϕ < 0.6 | Groups | 5.59924 | 1 | 5.59924 | 38.38 | 0.0085 |
| Error | 0.43772 | 3 | 0.14591 | |||
| Total | 6.03696 | 4 | ||||
| 0.6 ≤ ϕ < 0.7 | Groups | 252.881 | 4 | 63.2202 | 15.21 | 1.0471 × 10−9 |
| Error | 407.386 | 98 | 4.157 | |||
| Total | 660.267 | 102 | ||||
| 0.7 ≤ ϕ < 0.8 | Groups | 419.48 | 4 | 104.87 | 43.85 | 1.12976 × 10−17 |
| Error | 153.045 | 64 | 2.391 | |||
| Total | 572.525 | 68 | ||||
| Groups | 15.75 | 1 | 15.75 | 6.41 | 0.0279 | |
| 0.8 ≤ ϕ < 0.9 | Error | 27.0384 | 11 | 2.458 | ||
| Total | 42.7884 | 12 |
| Work | Experimental Configuration | Tested Conditions | Mixture Composition | |||
|---|---|---|---|---|---|---|
| Pressure (atm) | Initial Temperature (K) | %CO2 | %CH4 | %Camisea Natural Gas | ||
| Present Work | Flat-flame burner method | 1 | 298 | [0, 21.2, 28.5, 38.9, 50] | - | [50–100] |
| R. Stone et al. [8] | Constant-volume combustion method | 1 | 298 | [0, 20, 33, 50, 60] | [40, 50, 67, 80, 100] | - |
| Y. L. Chan et al. [9] | Flat-flame burner using heat-flux method | 1 | 298 | [0, 10, 15] | [85, 90, 100] | - |
| L. Xiang et al. [10] | Numerical | 1 | 298 | [0, 5, 15, 25, 35] | [65, 75, 85, 95, 100] | - |
| Z. Bai et al. [11] | Constant-volume combustion method | 1 | 300 | [0, 20, 40, 60] | [40, 60, 80, 100] | - |
| W. Anggono et al. [19] | Spherical combustion bomb | 1 | 298 | [0, 25, 50] | [50, 75, 100] | - |
Disclaimer/Publisher’s Note: The statements, opinions and data contained in all publications are solely those of the individual author(s) and contributor(s) and not of MDPI and/or the editor(s). MDPI and/or the editor(s) disclaim responsibility for any injury to people or property resulting from any ideas, methods, instructions or products referred to in the content. |
© 2024 by the authors. Licensee MDPI, Basel, Switzerland. This article is an open access article distributed under the terms and conditions of the Creative Commons Attribution (CC BY) license (https://creativecommons.org/licenses/by/4.0/).
Share and Cite
Rojas, F.J.; Cisneros, R.F.; De-La-Cruz, C.; Jimenez, F. Experimental Determination of a Mixture Composed of Camisea Natural Gas and CO2 Laminar Burning Velocity. Energies 2024, 17, 5529. https://doi.org/10.3390/en17225529
Rojas FJ, Cisneros RF, De-La-Cruz C, Jimenez F. Experimental Determination of a Mixture Composed of Camisea Natural Gas and CO2 Laminar Burning Velocity. Energies. 2024; 17(22):5529. https://doi.org/10.3390/en17225529
Chicago/Turabian StyleRojas, Freddy Jesus, Roberto Franco Cisneros, Celso De-La-Cruz, and Fernando Jimenez. 2024. "Experimental Determination of a Mixture Composed of Camisea Natural Gas and CO2 Laminar Burning Velocity" Energies 17, no. 22: 5529. https://doi.org/10.3390/en17225529
APA StyleRojas, F. J., Cisneros, R. F., De-La-Cruz, C., & Jimenez, F. (2024). Experimental Determination of a Mixture Composed of Camisea Natural Gas and CO2 Laminar Burning Velocity. Energies, 17(22), 5529. https://doi.org/10.3390/en17225529

