Quantitative and Qualitative Experimental Assessment of Water Vapor Condensation in Atmospheric Air Transonic Flows in Convergent–Divergent Nozzles
Abstract
1. Introduction
2. Experimental Facility
2.1. Test Rig and Test Section
2.2. Investigated Geometry
2.3. Experimental Techniques
- Possibility of obtaining information on not only the water vapor wetness factor but also the size and concentration of liquid phase droplets.
- Measuring fiber-optic probes are treated as non-invasive (or hardly invasive) due to the transparency of the measuring space, where only light is present.
- Analysis of scattered light data is usually carried out for the visible and UV wavelength range (240–800 nm), so simple and relatively inexpensive optics and spectroscope systems can be used.
- Sampling is unnecessary as measurements can be made directly inside the test space; local thermodynamic parameters are not disturbed.
- Measurement is fast, possibly within a few milliseconds depending on the size of the measuring space and used equipment.
2.4. Experimental Method
- Analysis of the process of spontaneous condensation of water vapor in flows through nozzles with different expansion rates for raw parameters of moist air. The aim was to establish the impact of the nozzle expansion rate on the intensity and location of the process of the liquid-phase formation.
- Measurement using a particulate filter for the selected nozzle geometry. Analysis of the impact of particulates contained in the air on the condensation process; in particular, on heterogeneous condensation.
- Measurement of selected nozzles with air heating at the test section inlet. The aim of the measurement was to perform testing for a relative humidity value lower than ambient. Assuming a constant moisture content in the air (constant water vapor mass fraction), determined for ambient conditions, the relative humidity value was recalculated for a higher value of temperature using Formula (8).
- For selected conditions and geometries, measurements were carried out of the impact of the size and number of droplets for constant relative humidity at a temperature rise at the test section inlet. The relative humidity value was kept constant by increasing the water vapor mass fraction in the air.
3. Results and Discussion
3.1. Effect of the Nozzle Expansion Rate on the Process of Water Vapor Spontaneous Condensation
3.2. Impact of Particulates on the Process of Water Vapor Spontaneous Condensation in the Nozzle
3.3. Impact of the Relative Humidity Value on the Process of Water Vapor Spontaneous Condensation in the Nozzle
3.4. Impact of a Change in the Air Temperature at a Constant Relative Humidity Value on the Process of Water Vapor Spontaneous Condensation in the Nozzle
4. Summary and Conclusions
- the impact of the expansion rate in the nozzle on the location of the condensation wave formation and on the droplet size,
- the impact of the air relative humidity on the condensation conditions in the nozzle,
- the impact of the content of particulate matter in the air,
- the impact of a change in the inlet air temperature on the condensation process at constant relative humidity.
- An increase in the nozzle expansion rate contributes to a faster occurrence of the processes of steam spontaneous condensation.
- An increase in the air relative humidity at the nozzle inlet causes a rise in the pressure increment on the condensation wave and in the amount of the formed liquid phase.
- Typical atmospheric air pollutants weaken the spontaneous condensation process very slightly.
- An increase in the air temperature while maintaining a constant level of relative humidity results in a decrease in the size of the droplets and a significant increase in their number.
Author Contributions
Funding
Data Availability Statement
Conflicts of Interest
Nomenclature
| c | speed of sound: m/s |
| D | diameter, m |
| I | light intensity, W/m2 |
| l | length, m |
| M | molecular mass, g/mol |
| N | number of particles, 1/kg |
| n | refractive index, - |
| p | absolute pressure, Pa |
| expansion rate, 1/s | |
| PM | particulate matter, μg/m3 |
| T | temperature, K |
| x | humidity ratio, - |
| X | Mie parameter, - |
| Greek symbols | |
| λ | wavelength, m |
| relative humidity, - | |
| ρ | density, kg/m3 |
| Subscripts | |
| 0 | total conditions or the reference state |
| a | dry air |
| v | vapor |
| s | saturation |
References
- Prandtl, L. Allgemeineüberlegungen die strömung zusammendrückbarer flüssigkeiten. In Atti del V Convegno Volta, 1st ed.; Roma Reale Accademia: Rome, Italy, 1936; Volume XIV, p. 167. [Google Scholar]
- Hermann, R. Luftfahrt-Forschung; XIX, 201; Mittler & Sohn Verlag: Hamburg, Germany, 1942. [Google Scholar]
- Oswatitsch, K. Kondensationserscheinungen in Überschalldüsen. ZAMM J. Appl. Math. Mech. 1942, 22, 1–14. [Google Scholar] [CrossRef]
- Zierep, J.; Lin, S. Bestimmung des Kondensationsbeginns bei der Entspannung von feuehter. Luft. Forsch. Ing. Wesen 1967, 88, 169–172. [Google Scholar] [CrossRef]
- Frank, W. Stationäre Kondensationsprozesse in Überschalldüsen. Forsch. Ing. Wesen 1983, 49, 189–194. [Google Scholar] [CrossRef]
- Schnerr, G.H. Homogene Kondensation in Stationfiren Transsonischen Strömungen Durch Lavaldiisen und um Profile. Ph.D. Thesis, Fakultät für Maschinenbau, Universitat Karlsruhe, Karlsruhe, Germany, 1986. [Google Scholar]
- Schnerr, G. 2-D transonic flow with energy supply by homogeneous condensation: Onset condition and 2-D structure of steady Laval nozzle flow. Exp. Fluids 1988, 7, 145–156. [Google Scholar] [CrossRef]
- Bartlmä, F. Berechnung des Strömungsvorgangs bei Überschreiten der kritischen Wärmezufuhr. DVL Ber. 1961, 168. [Google Scholar]
- Griffin, J.L.; Sherman, P.M. Computer Analysis of Condensation in Highly Expanded Flows. AIAA J. 1965, 3, 1813. [Google Scholar] [CrossRef]
- Puzyrewski, R.; Król, T. Numerical analysis of Hertz-Knudsen model of condensation upon small droplets in water vapor. IFFM 1976, 70–72, 285–307. [Google Scholar]
- Guha, A. A unified theory of aerodynamic and condensation shock waves in vapor-droplet flows with or without a carrier gas. Phys. Fluids 1994, 6, 1893–1913. [Google Scholar] [CrossRef]
- Setoguchi, T.; Matsuo, S.; Yu, S. Effect of Nonequilibrium Homogenous Condensation on Flow Fields in a Supersonic Nozzle. J. Therm. Sci. 1997, 6, 90–96. [Google Scholar] [CrossRef]
- Wiśniewski, P.; Dykas, S.; Majkut, M.; Smołka, K.; Nocoń, M.; Wittmann, T.; Friedrichs, J. A comprehensive analysis of the moist air transonic flow in a nozzle with a very low expansion rate. Appl. Therm. Eng. 2022, 217, 119185. [Google Scholar] [CrossRef]
- Wiśniewski, P.; Dykas, S.; Majkut, M.; Smołka, K. Analysis of the moist air transonic flow in the symmetric and asymmetric nozzle of the low expansion. J. Phys. Conf. Ser. 2022, 2367, 012031. [Google Scholar] [CrossRef]
- Schnerr, G.H.; Dohrmann, U. Transonic Flow Around Airfoils with Relaxation and Energy Supply by Homogeneous Condensation. AIAA J. 1990, 28, 1187–1193. [Google Scholar] [CrossRef]
- Schnerr, G.H.; Mundinger, G. Numerical Visualization of Self-Excited Shock Oscillations in Two-Phase Flows. In Proceedings of the 5th International Symposium on Computational Fluid Dynamics, Sendai, Japan, 31 August–3 September 1993; Daiguji, H., Ed.; Japan Society of CFD: Sendai, Japan, 1993. [Google Scholar]
- Schnerr, G.H.; Dohrmann, U. Drag and Lift in Nonadiabatic Transonic Flow. AIAA J. 1994, 32, 101–107. [Google Scholar] [CrossRef]
- Schnerr, G.H.; Heiler, M. Two-phase Flow Instabilities in Channels and Turbine Cascades. Comput. Fluid Dyn. Rev. 1998, II, 668–690. [Google Scholar]
- Zhang, G.; Yang, Y.; Chen, J.; Jin, Z.; Majkut, M.; Smołka, K.; Dykas, S. Effect of relative humidity on the nozzle performance in non-equilibrium condensing flows for improving the compressed air energy storage technology. Energy 2023, 280, 128240. [Google Scholar] [CrossRef]
- Sokolichin, A.; Eigenberger, G.; Lapin, A.; Lübert, A. Dynamic numerical simulation of gas-liquid two-phase flows Euler/Euler versus Euler/Lagrange. Chem. Eng. Sci. 1997, 52, 611–626. [Google Scholar] [CrossRef]
- Davy, G.; Reyssat, E.; Vincent, S.; Mimouni, S. Euler–Euler simulations of condensing two-phase flows in mini-channel: Combination of a sub-grid approach and an interface capturing approach. Int. J. Multiph. Flow 2022, 149, 103964. [Google Scholar] [CrossRef]
- Ding, H.; Zhang, Y.; Yang, Y.; Wen, C. A modified Euler-Lagrange-Euler approach for modelling homogeneous and heterogeneous condensing droplets and films in supersonic flows. Int. J. Heat Mass Transf. 2023, 200, 123537. [Google Scholar] [CrossRef]
- Wiśniewski, P.; Dykas, S.; Miyazawa, H.; Furusawa, T.; Yamamoto, S. Modified heat transfer correction function for modeling multiphase condensing flows in transonic regime. Int. J. Heat Mass Transf. 2023, 201, 123597. [Google Scholar] [CrossRef]
- Marynowski, T.; Desevaux, P.; Mercadier, Y. CFD Modeling of the Two-Phase Flow in a Moist Air Powered Ejector. J. Comput. Multiph. Flows 2009, 1, 283–294. [Google Scholar] [CrossRef]
- Zhang, G.; Yang, Y.; Chen, J.; Jin, Z.; Dykas, S. Numerical study of heterogeneous condensation in the de Laval nozzle to guide the compressor performance optimization in a compressed air energy storage system. Appl. Energy 2024, 356, 122361. [Google Scholar] [CrossRef]
- Poškas, R.; Sirvydas, A.; Salem, M.; Poškas, P.; Jouhara, H. Experimental investigation of water vapor condensation from hot humidified air in serpentine heat exchanger. Int. J. Heat Mass Transf. 2024, 221, 125068. [Google Scholar] [CrossRef]
- Yang, P.; Cao, X.; Liu, J.; Zhou, S. Experimental study of steam condensation heat transfer in an inclined tube at low mass fluxes. Int. J. Heat Mass Transf. 2024, 224, 125257. [Google Scholar] [CrossRef]
- Siddiqui, M.; Azam, M.A.; Ali, H.M. Parametric Evaluation of Condensate Water Yield from Plain Finned Tube Heat Exchangers in Atmospheric Water Generation. Arab. J. Sci. Eng. 2022, 47, 16251–16271. [Google Scholar] [CrossRef]
- Majkut, M. Advanced Techniques of Experimental Research and Visualization of the Compressible Gas Flow in Power Engineering Machinery; Silesian University of Technology: Gliwice, Poland, 2019. (In Polish) [Google Scholar]
- Wang, Y.; Mu, X.; Shen, S.; Zhang, W. Heat transfer characteristics of steam condensation flow in vacuum horizontal tube. Int. J. Heat Mass Transf. 2017, 108, 128–135. [Google Scholar] [CrossRef]
- Cai, X.S.; Wang, N.N.; Wei, J.M.; Zheng, G. Experimental investigation of the light extinction method for measuring aerosol size distributions. J. Aerosol. Sci. 1992, 23, 749–757. [Google Scholar] [CrossRef]
- Cai, X.; Wanc, L.; Ouyang, X.; Pan, Y. A novel integrated probe system for measuring the two phase wet steam flow in steam turbine. J. Eng. Thermophys. 1992, 22, 52–57. [Google Scholar]
- Majkut, M.; Dykas, S.; Smołka, K. Light extinction and ultrasound method in the identification of liquid mass fraction content in wet steam. Arch. Thermodyn. 2020, 41, 63–92. [Google Scholar] [CrossRef]
- Twomney, S. On the Numerical Solution of Fredholm Integral Equations of the First Kind by the Inversion of the Linear System Produced by Quadrature. J. ACM 1963, 10, 97–101. [Google Scholar] [CrossRef]
- Lawson, C.L.; Hanson, R.J. Solving Least Squares Problems; SIAM: Philadelphia, PA, USA, 1995. [Google Scholar]
- Jiang, M.; Liu, X.; Han, J.; Wang, Z.; Xu, M. Influence of particle properties on measuring a low-particulate-mass concentration by light extinction method. Fuel 2021, 286, 119460. [Google Scholar] [CrossRef]











| Nozzle Geometry | ||
|---|---|---|
| Nozzle 1 | ![]() | b0 = 1.000 × 10−2 b1 = 2.273 × 10−3 b2 = 3.293 b3 = −1.613 × 10 b4 = 2.989 × 10 |
| Nozzle 2 | ![]() | b0 = 1.000 × 10−2 b1 = −1.346 × 10−2 b2 = 1.239 b3 = 3.215 × 10−2 b4 = 1.965 |
| Nozzle 3 | ![]() | b0 = 1.000 × 10−2 b1 = −3.116 × 10−3 b2 = 6.501 × 10−1 b3 = −4.696 × 10−1 b4 = 2.794 |
| Nozzle 1 | Nozzle 2 | Nozzle 3 | |
|---|---|---|---|
| p0, kPa | 100.2 | 99.22 | 97.16 |
| t0, °C | 12 | 9.1 | 8.9 |
| Φ0, % | 91 | 86.5 | 83.7 |
| PM1.0, μg/m3 | 7 | 40 | 9 |
| PM2.5, μg/m3 | 7 | 48 | 10 |
| PM4.0, μg/m3 | 7 | 53 | 10 |
| PM10, μg/m3 | 7 | 55 | 10 |
| Nozzle 1 | ![]() |
| Nozzle 2 | ![]() |
| Nozzle 3 | ![]() |
| Nozzle 1 | D32 = 3.75∙10−7 m N = 2.73∙1014 1/kg | ![]() |
| Nozzle 2 | D32 = 3.30∙10−7 m N = 3.08∙1014 1/kg | ![]() |
| Nozzle 3 | D32 = 4.11∙10−7 m N = 1.50∙1014 1/kg | ![]() |
| Nozzle 2 | |
|---|---|
| p0, kPa | 98.76 |
| t0, °C | 9.6 |
| Φ0, % | 71.3 |
| PM1.0, μg/m3 | 69 |
| PM2.5, μg/m3 | 72 |
| PM4.0, μg/m3 | 72 |
| PM10, μg/m3 | 72 |
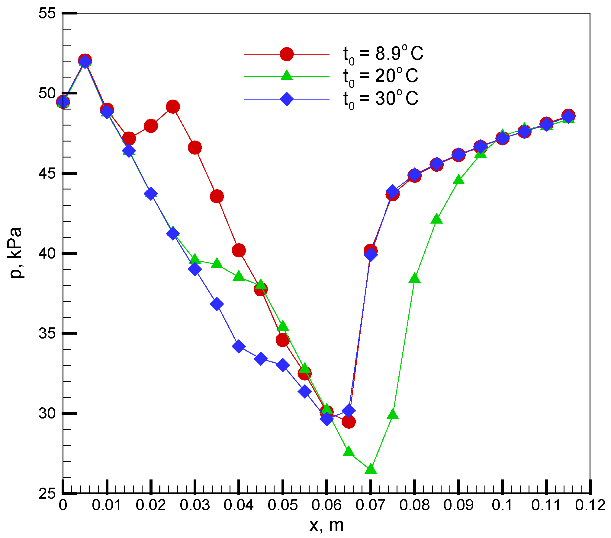
| t0 = 8.9 °C, Φ0 = 83.7% | ![]() |
| t0 = 20 °C, Φ0 = 43.7% | ![]() |
| t0 = 30 °C, Φ0 = 24.7% | ![]() |
| t0 = 8.9 °C, Φ0 = 83.7% | D32 = 3.75∙10−7 m N = 2.73∙1014 1/kg | ![]() |
| t0 = 20 °C, Φ0 = 43.7% | D32 = 2.12∙10−7 m N = 8.98∙1014 1/kg | ![]() |
| t0 = 30 °C, Φ0 = 24.7% | Measurement data outside the range (Equation (2)) | |
| Nozzle 2 | |
|---|---|
| p0, kPa | 96.50 |
| t0, °C | 0.8, 20, 30 |
| Φ0, % | 76.7 |
| PM1.0, μg/m3 | 45 |
| PM2.5, μg/m3 | 50 |
| PM4.0, μg/m3 | 51 |
| PM10, μg/m3 | 52 |
Disclaimer/Publisher’s Note: The statements, opinions and data contained in all publications are solely those of the individual author(s) and contributor(s) and not of MDPI and/or the editor(s). MDPI and/or the editor(s) disclaim responsibility for any injury to people or property resulting from any ideas, methods, instructions or products referred to in the content. |
© 2024 by the authors. Licensee MDPI, Basel, Switzerland. This article is an open access article distributed under the terms and conditions of the Creative Commons Attribution (CC BY) license (https://creativecommons.org/licenses/by/4.0/).
Share and Cite
Majkut, M.; Dykas, S.; Smołka, K.; Wittmann, T.; Kuhlmann, A.; Thorey, F. Quantitative and Qualitative Experimental Assessment of Water Vapor Condensation in Atmospheric Air Transonic Flows in Convergent–Divergent Nozzles. Energies 2024, 17, 5459. https://doi.org/10.3390/en17215459
Majkut M, Dykas S, Smołka K, Wittmann T, Kuhlmann A, Thorey F. Quantitative and Qualitative Experimental Assessment of Water Vapor Condensation in Atmospheric Air Transonic Flows in Convergent–Divergent Nozzles. Energies. 2024; 17(21):5459. https://doi.org/10.3390/en17215459
Chicago/Turabian StyleMajkut, Mirosław, Sławomir Dykas, Krystian Smołka, Tim Wittmann, Axel Kuhlmann, and Florian Thorey. 2024. "Quantitative and Qualitative Experimental Assessment of Water Vapor Condensation in Atmospheric Air Transonic Flows in Convergent–Divergent Nozzles" Energies 17, no. 21: 5459. https://doi.org/10.3390/en17215459
APA StyleMajkut, M., Dykas, S., Smołka, K., Wittmann, T., Kuhlmann, A., & Thorey, F. (2024). Quantitative and Qualitative Experimental Assessment of Water Vapor Condensation in Atmospheric Air Transonic Flows in Convergent–Divergent Nozzles. Energies, 17(21), 5459. https://doi.org/10.3390/en17215459















