Next Article in Journal
Energy and Economic Analysis of a New Combination Cascade Waste Heat Recovery System of a Waste-to-Energy Plant
Previous Article in Journal
Envelope Deficiencies and Thermo-Hygrometric Challenges in Warehouse-Type Buildings in Subtropical Climates: A Case Study of a Nori Distribution Center
 
 
Font Type:
Arial Georgia Verdana
Font Size:
Aa Aa Aa
Line Spacing:
Column Width:
Background:
Article

Research on Energy-Saving Transformation of Rural Residential Building Envelope Structures and Heating Modes in Northeast China

by
Zhizheng Zhang
,
Yunfeng Hua
*,
Na Peng
and
Kailong Liu
School of Energy and Power Engineering, Changchun Institute of Technology, Changchun 130012, China
*
Author to whom correspondence should be addressed.
Energies 2024, 17(20), 5195; https://doi.org/10.3390/en17205195
Submission received: 18 September 2024 / Revised: 15 October 2024 / Accepted: 16 October 2024 / Published: 18 October 2024
(This article belongs to the Section G: Energy and Buildings)

Abstract

Rural areas in Northeast China present a large demand for heating energy in winter, but there are problems in such areas with poor thermal performance of building envelopes and poor indoor thermal comfort. In addition, coal-fired boilers are still widely used. China’s “Dual-Carbon Goals” and “Clean Heating” policy call for the creation of a green and comfortable living environment for rural residential buildings. This paper considers the impact of the improvement of the thermal performance of envelope structures on the initial investment of the transformation program and the rated power of the ASHP and proposes an energy-saving transformation method to replace traditional coal-fired boilers with the ASHP on the basis of the improvement of the thermal performance of envelope structures. By establishing a typical rural residential building model in Northeast China, this energy-saving method is simulated based on TRNSYS. The results show that the payback period of investment of the transformation method of “envelope structure + heating system” is not superior to that of the transformation method of only improving the thermal performance of the envelope structure, but it has advantages in the comprehensive life-cycle benefits and it has great advantages in improving the satisfaction of rural residents in the use of heating systems.

1. Introduction

1.1. Literature Review

The northeast of China comprises severe cold and cold regions, with a rural resident population of nearly 30 million [1] and a vast construction area of farm houses. However, these are generally built over a long time, with a lack of insulation measures in the envelope structure [2], resulting in a poor indoor thermal environment and large heating energy consumption. In addition, traditional coal-fired boilers are still widely used as heating systems in rural residential buildings [3], which have problems such as high pollution, continual labor (coal ash removal), and a discontinuous heating cycle (the fuel runs out late at night). In the face of people’s increasing demand for indoor thermal comfort and in response to the call of China’s “Double-Carbon” [4] (realizing carbon peak before 2030 and carbon neutrality before 2060) and “Clean Heating” [5] goals, the energy-saving transformation of existing rural residential buildings of northeast China is pressing.
Based on WUFI Plus, Małgorzata Basi’nska et al. [6] studied the impact of additional internal insulation on the energy consumption of buildings with heating and cooling needs, and the results showed that internal insulation can replace traditional external insulation transformation in terms of energy consumption. Moreover, the economic and energy consumption benefits obtained by internal thermal insulation transformation in low-energy-consumption buildings (u = 0.22 W/m2·K) are not ideal. Li Yitong et al. [7] used DesignBuilder to establish a model of typical rural residential buildings in severe cold and cold regions, and carried out a simulation study on improving the thermal performance of the envelope structure and adding a solar house to save energy and analyzed the economic benefits. The results show that the thermal performance of the enclosure structure in severe cold and cold regions needs to be improved by 35% and 40%, respectively, on the basis of the current standard; the thermal performance only needs to be improved by 20% and 30% if the solar room is added, and the cost of energy-saving transformation can be recovered in the 11~12th year. By using DeST building energy consumption simulation software and the orthogonal test, Kang Mengqi et al. [8] obtained an energy-saving transformation program for the external envelope structure of a rural residential building in Nantong City, Jiangsu Province. The energy-saving rate reached 43.97%, and the static investment payback period was 5.8 years. Kroetz et al. [9] investigated optimal heating models in the north of England from an economic and energy perspective, and the results showed that the heating model with wood as a heat source was suitable for that region. Gao Chengkang et al. [3] constructed a comprehensive index system for seven heating modes and analyzed them using the Analytic Hierarchy Process (AHP) and grey relation analysis. The results show that the ground-source heat pump heating mode has the best comprehensive benefits.

1.2. Research Goal, Novelty, and Gaps

The goal, novelties, and gaps of the research in this paper are shown in Table 1 below.

1.3. Establishment of Research Method and Route

In this paper, taking into account the advantages of low running cost, clean and convenient use of ASHP, and the fact that the improvement of the thermal performance of the envelope structure can reduce the rated power of supporting ASHP and thus reduce the initial investment, additional energy-saving transformation is carried out on the heating system based on the upgrading of thermal performance parameters of the envelope structure, replacing the traditional coal-fired boiler with ASHP, and proposing an energy-saving transformation method of “envelope structure + heating system” as shown in the logic diagram of this paper. The ASHP replaces the traditional coal-fired boiler, and the energy-saving transformation of “envelope structure + heating system” is proposed; the logic diagram of the research content of this paper is shown in Figure 1 below.
In this research, the running cost of the ASHP heating system was simulated and analyzed based on TRNSYS 18 software, and the energy-saving transformation method of “envelope structure + heating system” was analyzed in terms of life-cycle cost. Ultimately, the orthogonal test method [11] was used to set the parameters of the envelope structure as the independent variables and the annual cost of the heating system as the response variable for the design of the experiment, and the transformation program with optimal economics was selected from a number of the envelope structure transformation programs. The research route of this paper is shown in Figure 2 below.
The brown module in Figure 2 is mainly about the creation of the simulation model, which is introduced in Section 2 of this paper; the pink module is about the cost analysis of the energy-saving transformation program, which is introduced in Section 3 of this paper; the blue module is about the design of the orthogonal test, the results, and the analysis, which is introduced in Section 4 of this paper; and the red module is about the final objective of this paper.

2. Energy Simulation

2.1. Building Model

Based on the literature and actual visits, a typical rural residential building model in Northeast China was established. The building, located in Changchun City and facing south, is a one-story residence with a height of 3.9 m and a construction area of 80 m2. There are two windows in the south, both of which are 5.4 m2. The roof of the building is a pitched roof; the Sketch Up architectural model and floor plan are shown in Figure 3 and Figure 4.

2.2. Building Envelope

In this paper, two working conditions are set: “the working condition with under-floor heating as the heating terminal” and “the working condition with radiator as the heating terminal”. Considering that the floor of the building has its own thermal insulation layer when the under-floor heating is the heating terminal, and it is impossible to carry out energy-saving transformation on the existing structure, the thermal parameters of the envelope under the two working conditions are differentiated and set, and the ASHP is simulated for the two working conditions. The thermal parameters of envelope structure of typical rural residential building under two working conditions are shown in Table 2.

2.3. Indoor and Outdoor Parameter Settings

According to the indoor temperature parameter setting standards of the Design Standard for Energy Conservation of Rural Residential Buildings [13] (GB/T 50824-2013), the indoor temperature in the heating season is set at 18 °C. The outdoor meteorological parameters are selected from the typical meteorological data of Changchun downloaded by Meteonorm 8 software.

2.4. Modules of Heating System

The unit parameters of the ASHP used in this paper refer to the KV14W air source heat pump of PHNIX, which is rated for an outside temperature of −12 °C, a return water temperature of 40 °C, a rated COP of 2.2, and a surface plot of the COP correction factor, as shown in Figure 5 below.
The rated heat capacity of the selected ASHP was calculated by the following equations:
Q1 = Qs/K1/K2
where Q1 is the rated heat capacity of the selected ASHP, kW; Qs is the designed heating capacity of ASHP, kW, equal to the building design heat load; K1 is the COP correction factor, and according to the lowest outdoor air temperature in Changchun City of −27.8 °C and the return water temperature of 40 °C, this paper takes 0.647; K2 is the defrost correction factor, with this paper taking 0.9.
The running power of circulating water pumps was calculated by the following equation:
Pw = ρ × g × H × V/η/3.6/106
where Pw is the running power of circulating water pumps, kW; ρ is the density of water, 1000 kg/m3; g is the gravitational acceleration, 9.807 m/s2; H is the pump head, m, and in this paper, the pump head of the load side is taken as 15 m, and the pump head of the heating side is taken as 8 m; V is the pump flow rate, m3/h; η is the pump efficiency, with this paper taking 0.6.
The pump flow rate was calculated by the following equation:
V = Q × 3600/Tw/c/ρ
where Q is the building design heat load, kW; Tw is the temperature difference between supply and return water, °C; c is the specific heat capacity of water, 4.19 kj/(kg × °C).
The buffer tank volume was calculated by the following equation:
M = Q1 × T/c/Tmax
where M is the minimum buffer tank capacity, L; T is the defrosting time of ASHP, s, with this paper taking 240 s; Tmax is the maximum permissible reduction in water supply temperature for ASHP, °C, with this paper taking 3 °C.
The main parameters of the other main modules of the heating system are shown in Table 3 below.

2.5. The Model of the Heating System

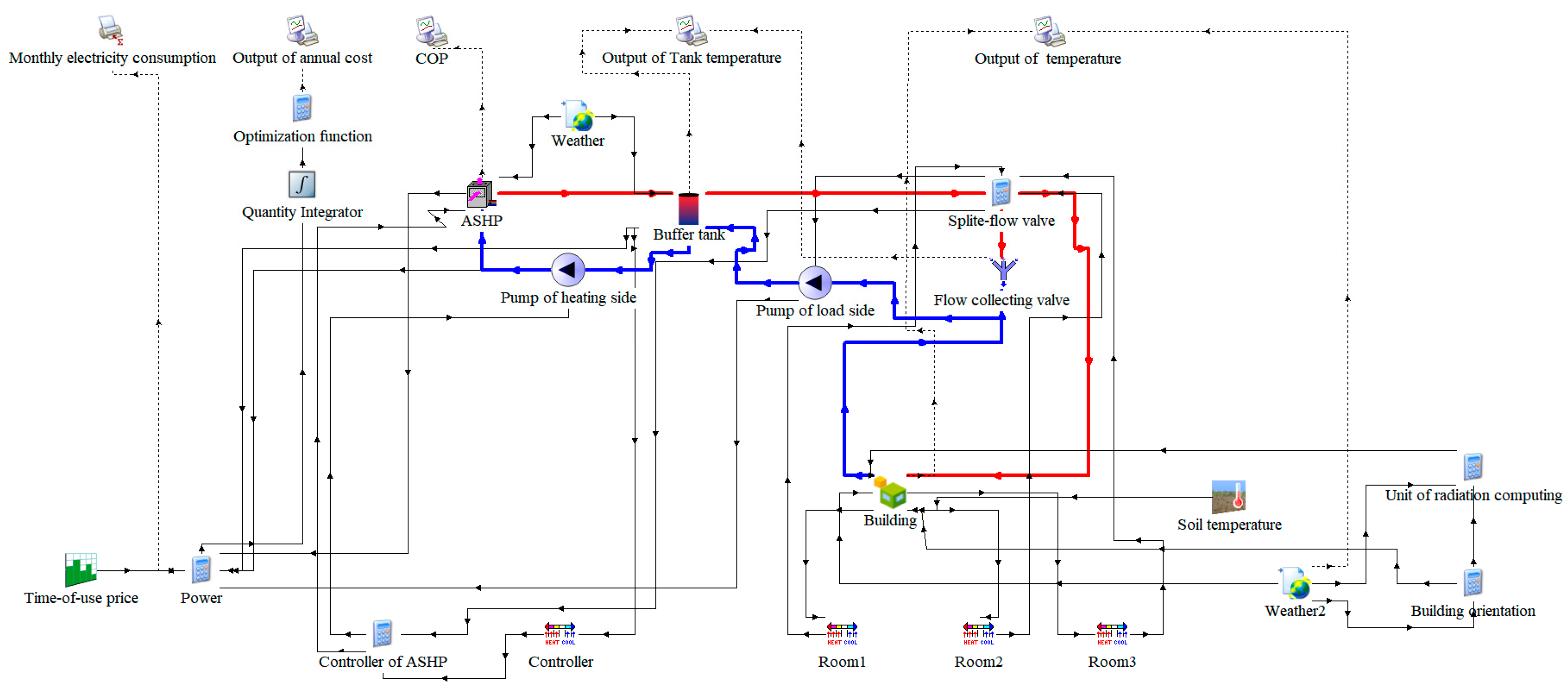
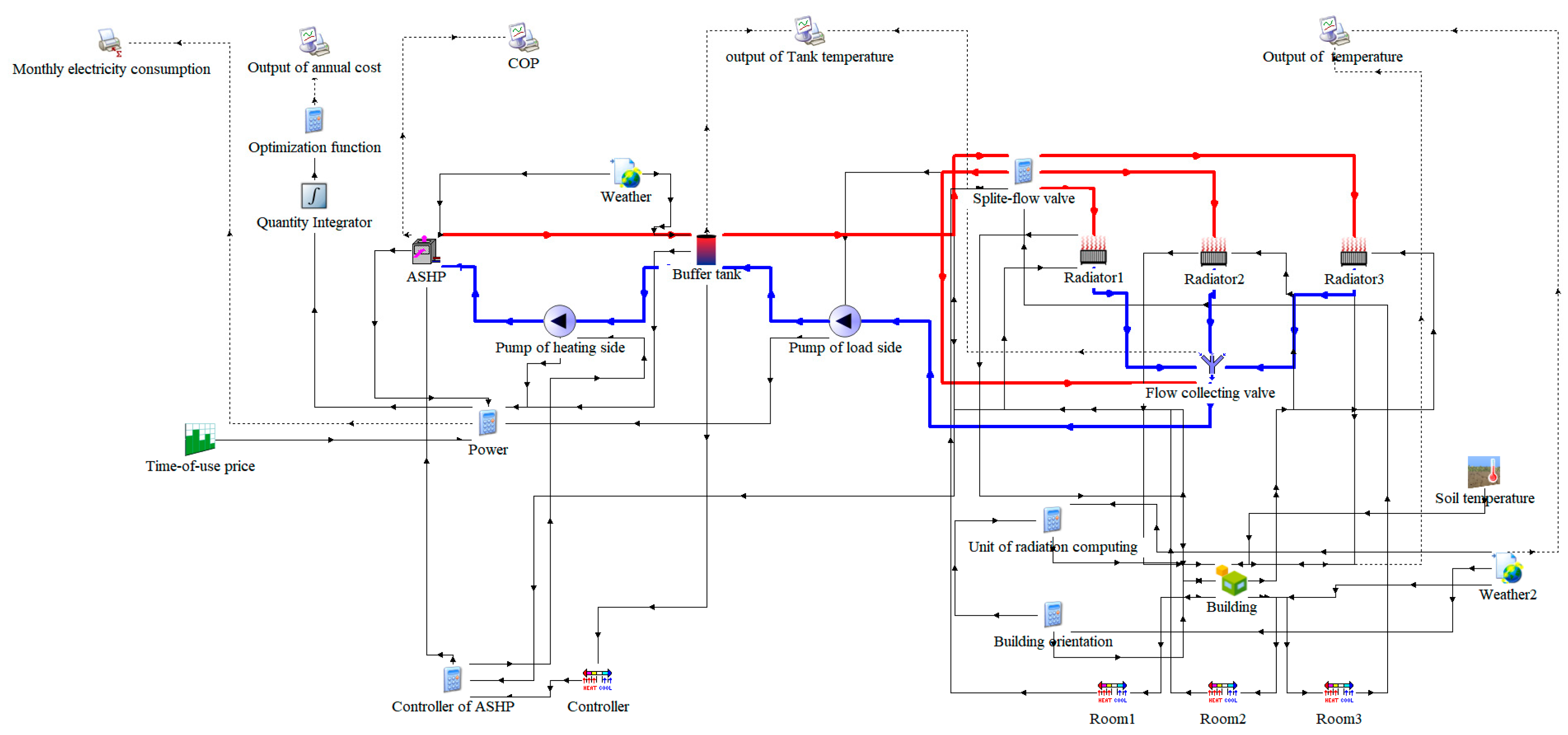
TRNSYS software was used to simulate the heating conditions of a rural residential building with a split air source heat pump. The system model diagram is shown in Figure 6 and Figure 7. The heating season period was set to be from 20 October to 7 April of the following year. The total duration of the simulation is 4056 h, with a step size of 0.1 h.
The red thick solid lines in Figure 6 and Figure 7 represent the water supply routes of the heating system; the blue thick solid lines represent the return routes; and the black thin dashed lines represent the real-time output data routes of the system.
In Figure 7, because there is no under-floor heating module in TRNSYS software, only the under-floor heating layer can be constructed in the column of the envelope structure in the module “Building” (Type 56), so the module “Building” in the figure can be regarded as the under-floor heating module.
A schematic of the ASHP heating system and the control logic diagram are shown in Figure 7 and Figure 8 below.
The names of the blocks in Figure 8 and Figure 9 correspond to the modules in Figure 6 and Figure 7. The signals in Figure 9 are explained as follows:
  • “TAIR_1”, “TAIR_2”, and “TAIR_3” represent the indoor temperatures of each of the three rooms of the building.
  • “KZ1”, “KZ2”, and “KZ3” represent the control signals from the three room temperature controllers.
  • “kz_zong” represents the control signal output from the “Split-flow valve” module to the pump of the load side; output 1 is on, and output 0 is off.
  • “T_out2” represents the outlet temperature of the load side of the buffer tank.
  • “kz108” represents the control signal output from the “Controller”.
  • “ashp_kz” represents the control signal of the pump of the heating side and ASHP; output 1 is on, and output 0 is off.
Figure 9. The control logic block diagram of the heating system.
Figure 9. The control logic block diagram of the heating system.
Energies 17 05195 g009

3. Analysis of Cost

3.1. Initial Investment

The initial investment includes the cost of materials and labor required for energy-saving transformation of the building envelope and the cost of purchasing heating equipment (ASHP), as shown in Table 4 and Table 5.

3.2. Running Cost

The running cost includes the energy consumption of ASHP as well as the pump of the load side and pump of the heating side. The electricity price adopts the time-of-use price of “Electric Heating” implemented in the heating season of Changchun City, as shown in Table 6.

3.3. Dynamic Calculation of the Annual Cost

The method of dynamically calculating the annual cost means that the initial investment of the system is converted to each year within the life of the system according to the capital recovery formula, and the sum of the initial investment converted value and the running cost of the year is the annual cost of the year. In this paper, the annual cost is used as the criterion to evaluate the quality of the energy-saving transformation program, and the energy-saving transformation program corresponding to the lowest annual cost is the best.
The annual cost is calculated by the following formula:
Z = i(1 + i)n/[i(1 + i)n − 1] × L0 + C
where Z is the annual cost, CNY/year; i is the deposit rate, %, with Jilin Province currently having 5.5%; n is the life-cycle, year, with this paper taking 20 years; L0 is the initial investment, CNY; C is the annual running cost, CNY/year.

4. Orthogonal Test Design

4.1. Orthogonal Test

The orthogonal test is a method of experimental design in which the full experimental set is derived by setting multiple factors (independent variables), each of which can have multiple levels (values), from which experimental combinations are systematically selected to ensure that each level of each factor can be tested uniformly, ultimately to achieve the goal of maximizing information with a minimum number of experiments.
The orthogonal test significantly reduces the number of experiments required compared to the full combination experiment, thus saving time and resources. Through this method, researchers are able to effectively identify important factors in complex experimental environments, thus improving the efficiency of experiments and the reliability of results. This is mainly used to study the effect of multiple factors on a response variable, especially in the fields of industry, agriculture, and scientific research.

4.2. Factors and Levels

For the four factors that affect the building heat load [14] (exterior wall, roof, ground, and exterior window), the thickness of different insulation layers, and the heat transfer coefficient of the whole window are comprehensively considered; each factor is divided into four levels and different heating terminals [15] and insulation materials [16] are considered. Two four-factor four-level orthogonal tables, L16(44), and two three-factor four-level orthogonal tables, L16(43), are formed. The orthogonal tests are shown in Table 7 and Table 8.

4.3. Range Analysis Method

The range analysis method (also known as intuitive analysis) is a method used to analyze the results of orthogonal tests, also known as the R-method, by calculating the R-value (the extreme difference value of the factors) to determine the superiority or inferiority of the factors, and, of course, to determine the optimal level of a certain factor, so as to obtain the final combination. The process of performing a range analysis method is as follows:
  • Calculation of the K-value: for different levels of each factor, the summed value of its corresponding response variable is calculated, which is expressed using the K-value.
  • Calculation of the k-value: for different levels of each factor, the mean of its corresponding response variable is calculated, which is expressed using the k-value.
  • Optimal level selection: for each factor, the level that corresponds to the smallest value of k is optimal.
  • Calculation of the R-value: for each factor, the extreme difference value of the corresponding k-value (i.e., the difference between the smallest and largest values in the data set) is calculated, which is represented by the R-value.
  • Contrasting the magnitude of the effect of individual factors on the response variable: for each factor, the larger the corresponding R-value, the greater the effect on the response variable.

4.4. Analysis of Orthogonal Test Results

The calculation results of Table 9, Table 10, Table 11 and Table 12 are obtained through the simulation operation and cost statistics of the heating system, The results obtained by the range analysis method are shown in Table 13, Table 14, Table 15 and Table 16. The response variable for the orthogonal test is set to the annual cost of the heating system.
The respective k-values and R-values in the above table were analyzed by the range analysis method, and the following conclusions were drawn:
  • Through the analysis of the k-values in each table, the optimal transformation program for each of the four cases are derived, and further comparisons are made for the insulation materials to derive the optimal transformation program corresponding to each of the two heating terminals; the results are shown in Table 17.
2.
The R-values of the tables were analyzed to determine the magnitude of influence of the respective factors of the two heating terminals on the respective response variables; the results are shown in Table 18.

5. Analysis of Economic Benefit

5.1. Life-Cycle Cost

This paper mainly studies the incremental costs incurred in the reconstruction of existing buildings compared with the reconstruction before, which are composed of three main parts: material costs, labor costs, and procurement cost of air source heat pump (see Section 3.1 for details). The life-cycle costs [17] of the two energy-saving transformation methods are shown in Table 19 below.
From Table 19, it can be seen that the initial investment of “envelope structure + heating system” is increased by 43.42~55.28% compared with that of “envelope structure”, which shows that the initial investment of ASHP accounts for a larger proportion of the total investment.

5.2. Life-Cycle Benefit

By analogy with life-cycle cost, life-cycle benefit is the sum of the benefits generated by the existing building after transformation compared with before transformation. This paper considers three main parts: incremental benefit of energy conservation, incremental benefit of labor, and incremental benefit of society. The life cycle of the heating system in this paper is taken as 20 years.

5.2.1. Incremental Benefit of Energy Conservation

The economic benefit of energy savings in the operation of the heating system after the energy-saving transformation of the existing buildings is the incremental benefit of energy conservation. In this paper, the original heating system of the existing building is a coal-fired boiler, and the ASHP is reconstructed. The coal price in 2023 is selected as the coal price in Changchun, CNY 1300/t, and the electricity price is referred to Table 4. Through TRNSYS simulation, the annual running costs of building heating after and before the transformation of the two energy-saving reconstruction methods are shown in Table 20 below.
In summary, the incremental benefits of energy conservation of the two energy-saving transformation methods are shown in Table 21 below.
From Table 21, it can be seen that the incremental energy-saving transformation of the “envelope structure + heating system” is limited compared to that of the “envelope structure”, with an increase in energy-saving transformation of only 1.20% to 8.8%.

5.2.2. Incremental Benefit of Labor

The economic benefits generated by saving labor in the operation of the heating system after the energy-saving transformation of the existing building are the incremental benefits of labor. The labor demand in this paper mainly arises from the coal ash cleaning link during the use of traditional coal-fired boilers. The specific calculation process of the labor cost used in the coal ash cleaning link during the whole heating season is shown in Table 22 below.
In summary, the annual incremental benefit of labor of the energy-saving transformation method of “envelope structure + heating system” is CNY 1436.5 (USD 203.20). While the annualized incremental benefit of labor increment is limited, the full life-cycle incremental benefit is a significant CNY 28,730 (USD 4064.00), which is a non-negligible gain.

5.2.3. Incremental Benefit of Society

Incremental benefit of society is a non-monetary directly measured benefit. In rural areas of Northeast China, the traditional coal-fired boilers commonly used in the heating season are limited by the combustible speed of the combustion materials (coal, straw [18], corn cobs, firewood). In farm houses, the boilers often go out in the middle of the night, and the buildings cannot maintain constant temperature. In addition, there is still the problem of “coal ash removal” in the use of traditional coal-fired boilers, which involves labor costs and can include unclean operational processes, which undoubtedly does not support people’s desire for a better life.
The use of ASHP after the energy-saving transformation avoids the above problems, greatly improves the comfort of residents, and ensures the satisfaction of the transformation project under the premise of ensuring monetary economic benefits.

5.3. Comprehensive Life-Cycle Benefits

The comprehensive life-cycle benefit is the difference between the life-cycle benefit and life-cycle cost, and the expression is as follows. The life-cycle is taken as 20 years in this paper.
SE = NPVLCB − NPVLCC
where SE is the comprehensive life-cycle benefits of energy-saving transformation of the building, CNY; NPVLCB is the life-cycle benefit of the energy-saving transformation of the building, CNY; NPVLCC is the life-cycle cost of the energy-saving transformation of the building, CNY.
The comprehensive benefits of the two energy-saving transformation methods are listed in Table 23.
Table 23 shows that the “envelope structure + heating system” retrofit approach is more valuable in comprehensive life-cycle benefits, with benefits ranging from 9.5 per cent to 23.79 per cent.

5.4. Payback Period of Investment

The payback period of investment [19] is the time required for the incremental benefit of the project to reach the initial investment. The payback periods of investment of the two energy-saving transformation methods are listed in Table 24.
From Table 24, it is concluded that from the point of view of the payback period of investment, the mode of energy-saving transformation of the envelope structure only is more valuable, with its cycle relatively shortened by 16.84% to 20.93%.

6. Conclusions and Prospects

This paper looks at the energy-saving rate and residential satisfaction of typical rural residential building in Northeast China, studies the energy-saving technologies of existing rural residential buildings in the region based on TRNSYS simulation and modelling software, and conducts monetary and non-monetary economic analysis. Finally, the following conclusions and prospects are drawn:
  • According to the annual cost of the optimal transformation program, although the initial investment cost of the ASHP is relatively high, the improvement of the thermal parameters of the building envelope indirectly leads to a significant reduction in the initial investment, and the positive benefits are obtained combined with the characteristics of low operating costs.
  • The technical measures adopted to replace the heating system and improve the thermal performance of the envelope structure are compared with the technical measures that only improve the thermal performance of the envelope structure, although the payback period of investment is 26% longer (under-floor heating and radiator), the comprehensive life-cycle benefit is 23.8% higher (under-floor heating) and 9.5% higher (radiator). It is indicated that the technical measures to replace the heating system and improve the thermal performance of the envelope structure are economically feasible.
  • From the perspective of non-monetary economy, the replacement of the heating system and the improvement of the thermal performance of the envelope structure greatly improve the use experience of the heating system for rural residents and fully meet the needs of rural residents for improving indoor thermal comfort.
  • In this research, we selected XPS and EPS as the insulation materials for the envelope structure. However, there are many other insulation materials on the market that are worthy of further exploration and that have research value. Future research could consider using insulation materials with different heat transfer coefficients and costs to broaden the scope of the study. In addition, apart from adding insulation to the envelope structure, it is also possible to explore combining the replacement of traditional coal-fired boilers by ASHP with other energy-saving transformation programs, such as the energy-saving transformation of “adding a solar house + heating system”. These directions will provide more possibilities for the energy-saving transformation of existing buildings in rural areas of Northeast China.
  • Southern China is located in hot summer and cold winter and hot summer and warm winter regions; it is necessary to use ASHP for refrigeration in summer, but there is a general lack of building insulation measures, resulting in excessive initial investment for ASHP. Therefore, it is feasible to study the energy-saving method of improving the thermal parameters of the envelope structure to reduce the initial investment of refrigeration equipment and operation energy consumption.
  • In this research, the orthogonal test method was used to derive the optimal transformation program, but it is important to note that there are some limitations of this method. Due to the design characteristics of the orthogonal test, the optimal solution obtained cannot achieve a high degree of accuracy. Therefore, in practical applications, further verification and optimization in combination with other analytical methods are still required to ensure the validity and reliability of the transformation program if highly accurate results are to be obtained.

Author Contributions

Conceptualization, Y.H. and Z.Z.; methodology, Y.H. and Z.Z.; data curation, Y.H. and N.P.; writing—original draft, Y.H.; software, Y.H.; writing—review and editing, Z.Z., N.P. and K.L. All authors have read and agreed to the published version of the manuscript.

Funding

This research received no external funding.

Data Availability Statement

The original contributions presented in the study are included in the article, further inquiries can be directed to the corresponding author.

Conflicts of Interest

The authors declare no conflicts of interest.

References

  1. You, H.; Yang, J.; Xue, B.; Xiao, X.; Xia, J.; Jin, C.; Li, X. Spatial evolution of population change in Northeast China during 1992–2018. Sci. Total Environ. 2021, 776, 146023. [Google Scholar] [CrossRef]
  2. Li, C.; Li, Z.; Bai, L.; Guo, Y.; Qin, J.; Wang, H. Estimating air pollutant emissions from burning straw for heating in rural Northeast China: Based on the heat load for building heating. J. Build. Eng. 2023, 72, 106642. [Google Scholar] [CrossRef]
  3. Gao, C.; You, H.; Tian, M.; Wu, Y. Comprehensive Evaluation of Different Heating Modes in Northeast China. Sustainability 2023, 15, 13494. [Google Scholar] [CrossRef]
  4. Wei, Y.-M.; Chen, K.; Kang, J.-N.; Chen, W.; Wang, X.-Y.; Zhang, X. Policy and management of carbon peaking and carbon neutrality: A literature review. Engineering 2022, 14, 52–63. [Google Scholar] [CrossRef]
  5. Zhang, Z.; Zhou, Y.; Zhao, N.; Li, H.; Tohniyaz, B.; Mperejekumana, P.; Hong, Q.; Wu, R.; Li, G.; Sultan, M.; et al. Clean heating during winter season in Northern China: A review. Renew. Sustain. Energy Rev. 2021, 149, 111339. [Google Scholar] [CrossRef]
  6. Basińska, M.; Kaczorek, D.; Koczyk, H. Economic and Energy Analysis of Building Retrofitting Using Internal Insulations. Energies 2021, 14, 2446. [Google Scholar] [CrossRef]
  7. Li, Y.; Chen, L.; Cheng, X.; Sun, S. Effect Analysis of Energy-saving Technologies for Green and Livable Rural Residential Building in Severe Cold and Cold Regions. Green Build. 2023, 51, 32–36, 64. [Google Scholar]
  8. Kang, M.; Hu, Z.; Wang, J. Analysis of Energy Efficiency Renovation of a Rural Residence in Nantong based on DeST. Archit. Cult. 2024, 150–152. [Google Scholar] [CrossRef]
  9. Kroetz, K.M.; Friedland, A.J. Comparing costs and emissions of northern New England space heating fuel options. Biomass Bioenergy 2008, 32, 1359–1366. [Google Scholar] [CrossRef]
  10. Wang, X.; Xia, L.; Bales, C.; Zhang, X.; Copertaro, B.; Pan, S.; Wu, J. A systematic review of recent air source heat pump (ASHP) systems assisted by solar thermal, photovoltaic and photovoltaic/thermal sources. Renew. Energy 2020, 146, 2472–2487. [Google Scholar] [CrossRef]
  11. Quan, H.; Guo, Y.; Li, R.; Su, Q.; Chai, Y. Optimization design and experimental study of vortex pump based on orthogonal test. Sci. Prog. 2020, 103, 0036850419881883. [Google Scholar] [CrossRef] [PubMed]
  12. JGJ26-2018; Energy Conservation Design Standard for Residential Buildings in Severe Cold and Cold Regions. Ministry of Housing and Urban-Rural Development, People’s Republic of China: Beijing, China, 2018.
  13. GB/T 50824-2013; Design Standard for Energy Conservation of Rural Residential Buildings. Ministry of Housing and Urban-Rural Development, People’s Republic of China: Beijing, China, 2013.
  14. Luo, Y.; Zhang, L.; Bozlar, M.; Liu, Z.; Guo, H.; Meggers, F. Active building envelope systems toward renewable and sustainable energy. Renew. Sustain. Energy Rev. 2019, 104, 470–491. [Google Scholar] [CrossRef]
  15. Hu, B.; Wang, R.Z.; Xiao, B.; He, L.; Zhang, W.; Zhang, S. Performance evaluation of different heating terminals used in air source heat pump system. Int. J. Refrig. 2019, 98, 274–282. [Google Scholar] [CrossRef]
  16. Kumar, D.; Alam, M.; Zou, P.X.W.; Sanjayan, J.G.; Memon, R.A. Comparative analysis of building insulation material properties and performance. Renew. Sustain. Energy Rev. 2020, 131, 110038. [Google Scholar] [CrossRef]
  17. Larsen, V.G.; Tollin, N.; Sattrup, P.A.; Birkved, M.; Holmboe, T. What are the challenges in assessing circular economy for the built environment? A literature review on integrating LCA, LCC and S-LCA in life cycle sustainability assessment, LCSA. J. Build. Eng. 2022, 50, 104203. [Google Scholar] [CrossRef]
  18. Liu, Y.; Li, Z.; Floess, E.; Zhang, Y.; Lam, N.; Mawusi, S.K.; Shrestha, P.; Li, X.; Xue, C.; Liu, G. Field assessment of straw pellet combustion in improved heating stoves in rural Northeast China. J. Environ. Sci. 2023, 127, 295–307. [Google Scholar] [CrossRef] [PubMed]
  19. Gorshkov, A.S.; Vatin, N.I.; Rymkevich, P.P.; Kydrevich, O.O. Payback period of investments in energy saving. Mag. Civ. Eng. 2018, 2, 65–75. [Google Scholar]
Figure 1. The logic diagram of the research content.
Figure 1. The logic diagram of the research content.
Energies 17 05195 g001
Figure 2. Diagram of the research route.
Figure 2. Diagram of the research route.
Energies 17 05195 g002
Figure 3. Sketch Up architectural model of typical rural residential building.
Figure 3. Sketch Up architectural model of typical rural residential building.
Energies 17 05195 g003
Figure 4. Floor plan of typical rural residential building.
Figure 4. Floor plan of typical rural residential building.
Energies 17 05195 g004
Figure 5. The surface plot of the COP correction factor of ASHP.
Figure 5. The surface plot of the COP correction factor of ASHP.
Energies 17 05195 g005
Figure 6. The diagram of under-floor heating system.
Figure 6. The diagram of under-floor heating system.
Energies 17 05195 g006
Figure 7. The diagram of radiator heating system.
Figure 7. The diagram of radiator heating system.
Energies 17 05195 g007
Figure 8. Schematic layout of the TRNSYS simulation model of ASHP.
Figure 8. Schematic layout of the TRNSYS simulation model of ASHP.
Energies 17 05195 g008
Table 1. The goal, gaps and novelties of the research in this paper.
Table 1. The goal, gaps and novelties of the research in this paper.
NameContent
Research goals
  • Reduce the heat load of the building.
  • Reduce building heating energy consumption.
  • Reduce the rated power of the ASHP (air source heat pump) [10].
  • Improve thermal performance of building envelope.
  • Find the best transformation program that minimizes the annual cost.
  • Research the economy of energy-saving transformation.
Research gaps
  • Unlike previous research, which usually focuses on a single aspect (envelope structure or heating mode), this paper considers both the thermal performance of the envelope structure and the modification of the heating system, reflecting a more comprehensive research perspective.
  • This paper provides an in-depth analysis of the impact of envelope structure thermal performance enhancement on the rated power of the heating system and explores the resulting equilibrium relationship between the positive and negative effects on initial investment and running costs, which has been less addressed in previous research.
Research novelties
  • This paper presents a program for replacing traditional coal-fired boilers with ASHP, emphasizing energy-saving transformation of the heating system on the basis of enhancing the thermal performance of the envelope structure, demonstrating a novel application of the technology.
  • Focusing not only on the economic perspective but also on the usage satisfaction of rural residents, this paper highlights innovative ideas for balancing economic benefits and user experience in energy-saving transformation.
  • This paper provides a systematic analytical framework for future research on energy-saving transformation by comprehensively considering the interactions between envelope structure and heating system, which provides a new direction for future research on energy-saving transformation.
Table 2. Thermal parameters of building envelopes.
Table 2. Thermal parameters of building envelopes.
ProjectBuilding Envelope (From the Inside Out)Heat Transfer Coefficient
[W/(m2‧K)]
Limits of Thermal Performance
[W/(m2‧K)]
Comment
Exterior wall15 mm Cement mortar + 37 mm Common brick + 15 mm Cement mortar + (Layer for heat preservation)1.0780.3The brackets in the column of the building envelope are the thermal insulation structure of the transformation; reference to the Energy Conservation Design Standard for Residential Buildings in Severe Cold and Cold Regions (JGJ26-2018) [12] in the column of limits of thermal performance.
Roof(Layer for heat preservation) + 20 mm Cement mortar + 40 mm Cement-based expanded perlite + 40 mm Concrete with crushed stone + 4 mm Asphalt felt + 20 mm Reinforced concrete1.9690.2
Ground
(Radiator)
(20 mm Cement mortar + 40 mm Concrete with crushed stone + Layer for heat preservation) + 20 mm Cement mortar + 100 mm Concrete with crushed stone3.881.8
Ground
(Under-floor heating)
20 mm Cement mortar + 55 mm Concrete with crushed stone + 50 mm EPS + 20 mm Cement mortar + 100 mm Concrete with crushed stone0.649
Exterior windowWindow with wooden single frame and single glass pane4.72.2
Table 3. Table of main parameters of other main modules of the heating system.
Table 3. Table of main parameters of other main modules of the heating system.
NameValue
Heat loss coefficient of the buffer tank envelope structure [W/(m2‧K)]0.4
Spacing of the under-floor heating pipes (m)0.15
Outer diameter of the under-floor heating pipes (m)0.02
Wall thickness of the under-floor heating pipes (m)0.002
Thermal conductivity of the under-floor heating pipe walls [W/(m‧K)]1.26
Number of pipes in the radiator10
Designed surface temperature of the radiator (°C)42.5
Type of the radiatorradiator of foundry iron
Table 4. Initial investment in heating equipment and the cost of improving the thermal performance of the walls.
Table 4. Initial investment in heating equipment and the cost of improving the thermal performance of the walls.
ProjectUnit Price
Expanded polystyrene (EPS)CNY 210/m3 (USD 29.71/m3)
Extruded polystyrene (XPS)CNY 240/m3 (USD 33.96/m3)
Concrete with crushed stoneCNY 300/m3 (USD 42.45/m3)
Cement mortarCNY 38/m2 (USD 9.81/m2)
Labor costs for exterior wall transformationCNY 50/m2 (USD 7.07/m2)
Labor costs for roof transformationCNY 40/m2 (USD 5.66/m2)
Labor costs for ground transformationCNY 42/m2 (USD 5.94/m2)
Buffer tankCNY 600/m3 (USD 84.90/m3)
ASHPCNY 1000/kW (USD 141.50/kW)
Table 5. Cost of transformation to improve thermal performance of exterior windows.
Table 5. Cost of transformation to improve thermal performance of exterior windows.
Code NameClassesHeat Transfer Coefficient [W/(m2·K)]Integrated Unit PriceComment
APlastic insulating glass windows2.423CNY 280/m2 (USD 39.61/m2)The Integrated unit price includes labor and materials
BLow-e film-coated plastic steel insulating glass window1.761CNY 360/m2 (USD 50.93/m2)
CThree-glass, two-chamber insulation aluminum alloy hollow glass window 1.52CNY 900/m2 (USD 127.34/m2)
DThree-glass, two-chamber, double-Low-e film aluminum-wood composite window1.1CNY 2600/m2 (USD 367.89/m2)
Table 6. The time-of-use price of the heating season in Changchun City.
Table 6. The time-of-use price of the heating season in Changchun City.
ClassesTime FramePrice (CNY/kWh)
Peak power8:00–21:000.562
Valley power21:00–8:000.329
Table 7. The orthogonal test factor level setting table of EPS as an energy-saving transformation program for thermal insulation materials.
Table 7. The orthogonal test factor level setting table of EPS as an energy-saving transformation program for thermal insulation materials.
NumberExterior WindowExterior Wall (mm)Roof (mm)Ground (mm)
1A12020020
2B16024030
3C20028040
4D24032050
Table 8. The orthogonal test factor level setting table of XPS as an energy-saving transformation program for thermal insulation materials.
Table 8. The orthogonal test factor level setting table of XPS as an energy-saving transformation program for thermal insulation materials.
NumberExterior WindowExterior Wall (mm)Roof (mm)Ground (mm)
1A8020020
2B11023030
3C14026040
4D17029050
Table 9. The orthogonal test table for energy-saving transformation (EPS, Radiator).
Table 9. The orthogonal test table for energy-saving transformation (EPS, Radiator).
NumberExterior WindowExterior Wall (mm)Roof (mm)Ground (mm)Annual Cost (CNY/year)
1A120200207098.93 (USD 1003.22/year)
2A160240306451.00 (USD 912.81/year)
3A200280406105.09 (USD 863.86/year)
4A240320505923.50 (USD 838.17/year)
5B120240406261.79 (USD 886.04/year)
6B160200505959.57 (USD 843.27/year)
7B200320207028.93 (USD 994.58/year)
8B240280306463.93 (USD 917.64/year)
9C120280506383.02 (USD 903.19/year)
10C160320406516.37 (USD 922.06/year)
11C200200306788.90 (USD 960.02/year)
12C240240207328.26 (USD 1036.94/year)
13D120320308475.83 (USD 1199.32/year)
14D160280208897.07 (USD 1258.92/year)
15D200240507774.97 (USD 1100.15/year)
16D240200407999.16 (USD 1131.87/year)
Table 10. The orthogonal test table for energy-saving transformation (XPS, Radiator).
Table 10. The orthogonal test table for energy-saving transformation (XPS, Radiator).
NumberExterior WindowExterior Wall (mm)Roof (mm)Ground (mm)Annual Cost (CNY/year)
1A80200206526.59 (USD 923.56/year)
2A110230305844.76 (USD 827.07/year)
3A140260405617.25 (USD 794.88/year)
4A170290505458.16 (USD 772.37/year)
5B80230405837.18 (USD 826.00/year)
6B110200505514.28 (USD 780.31/year)
7B140290206404.66 (USD 906.30/year)
8B170260305886.23 (USD 832.94/year)
9C80260506011.22 (USD 850.63/year)
10C110290406058.77 (USD 857.36/year)
11C140200306205.62 (USD 878.14/year)
12C170230206668.25 (USD 943.60/year)
13D80290308005.87 (USD 1132.88/year)
14D110260208301.32 (USD 1174.69/year)
15D140230507320.29 (USD 1035.87/year)
16D170200407459.20 (USD 1055.53/year)
Table 11. The orthogonal test table for energy-saving transformation (EPS, Under-floor heating).
Table 11. The orthogonal test table for energy-saving transformation (EPS, Under-floor heating).
NumberExterior WindowExterior Wall (mm)Roof (mm)Annual Cost (CNY/year)
1A1202005445.26 (USD 770.54/year)
2A1602405317.10 (USD 752.41/year)
3A2002805286.37 (USD 748.06/year)
4A2403205333.39 (USD 754.71/year)
5B1202405488.25 (USD 776.62/year)
6B1602005399.68 (USD 764.09/year)
7B2003205386.21 (USD 762.19/year)
8B2402805377.01 (USD 760.88/year)
9C1202805813.06 (USD 822.59/year)
10C1603205745.36 (USD 813.01/year)
11C2002005683.66 (USD 804.28/year)
12C2402405688.88 (USD 805.01/year)
13D1203207359.52 (USD 1041.42/year)
14D1602807239.49 (USD 1024.44/year)
15D2002407211.36 (USD 1020.46/year)
16D2402007207.58 (USD 1019.92/year)
Table 12. The orthogonal test table for energy-saving transformation (XPS, Under-floor heating).
Table 12. The orthogonal test table for energy-saving transformation (XPS, Under-floor heating).
NumberExterior WindowExterior Wall (mm)Roof (mm)Annual Cost (CNY/year)
1A802005394.76 (USD 763.40/year)
2A1102305237.98 (USD 741.21/year)
3A1402605198.38 (USD 735.61/year)
4A1702905192.65 (USD 734.80/year)
5B802305451.21 (USD 771.38/year)
6B1102005289.19 (USD 748.46/year)
7B1402905274.20 (USD 746.33/year)
8B1702605238.77 (USD 741.32/year)
9C802605792.40 (USD 819.66/year)
10C1102905671.00 (USD 802.48/year)
11C1402005548.93 (USD 785.21/year)
12C1702305554.37 (USD 785.98/year)
13D802907409.01 (USD 1048.43/year)
14D1102607163.11 (USD 1013.63/year)
15D1402307089.55 (USD 1003.22/year)
16D1702007063.12 (USD 999.48/year)
Table 13. Table of the results of the range analysis method of Table 9.
Table 13. Table of the results of the range analysis method of Table 9.
NameLevelFactor1 (Exterior Window)Factor2 (Exterior Wall)Factor3 (Roof)Factor4 (Ground)
K125,578.5128,219.5727,846.5530,353.19
225,714.2127,824.0127,816.0128,179.65
327,016.5527,697.8927,849.1126,882.42
433,147.0327,714.8427,944.6326,041.05
k16394.637054.896961.647588.30
26428.556956.006954.007044.91
36754.146924.476962.286720.60
48286.766928.716986.166510.26
optimum level1324
R−1892.13−130.42−32.15−1078.03
Table 14. Table of the results of the range analysis method of Table 10.
Table 14. Table of the results of the range analysis method of Table 10.
NameLevelFactor1 (Exterior Window)Factor2 (Exterior Wall)Factor3 (Roof)Factor4 (Ground)
K123,786.7626,720.8626,045.6928,240.81
223,982.3526,059.1426,010.4826,282.48
325,283.8625,887.8226,156.0325,312.39
431,426.6825,811.8426,267.4624,643.96
k15946.696680.226511.427060.20
25995.596514.786502.626570.62
36320.976471.966539.016328.10
47856.676452.966566.876160.99
optimum level1424
R−1909.98−227.26−64.25−899.21
Table 15. Table of the results of the range analysis method of Table 11.
Table 15. Table of the results of the range analysis method of Table 11.
NameLevelFactor1 (Exterior Window)Factor2 (Exterior Wall)Factor3 (Roof)
K123,446.7626,380.8625,705.69
223,642.3525,719.1425,670.48
324,943.8625,547.8225,816.03
431,086.6825,471.8425,927.46
k15861.696595.226426.42
25910.596429.786417.62
36235.976386.966454.01
47771.676367.966481.87
optimum level142
R−1909.98−227.26−64.25
Table 16. Table of the results of the range analysis method of Table 12.
Table 16. Table of the results of the range analysis method of Table 12.
NameLevelFactor1 (Exterior Window)Factor2 (Exterior Wall)Factor3 (Roof)
K121,023.7724,047.3823,296.01
221,253.3623,361.2823,333.10
322,566.7123,111.0623,392.66
428,724.7923,048.9023,546.87
k15255.946011.855824.00
25313.345840.325833.28
35641.685777.775848.16
47181.205762.235886.72
optimum level141
R−1925.26−249.62−62.71
Table 17. The optimal program of energy-saving transformation.
Table 17. The optimal program of energy-saving transformation.
Heating TerminalOptimal ProgramOptimal Annual Cost (CNY/year)
Under-floor heatingXPS is used as insulation material, and the thickness of each insulation layer is set as follows: Exterior wall 170 mm + Roof 200 mm + Exterior window A5146.17 (USD 728.22/year)
RadiatorXPS is used as insulation material, and the thickness of each insulation layer is set as follows: Exterior wall 170 mm + Roof 230 mm + Ground 50 mm + Exterior window A5499.15 (USD 778.17/year)
Table 18. Ranking table of the magnitude of the effect of each factor on the response variable.
Table 18. Ranking table of the magnitude of the effect of each factor on the response variable.
Heating TerminalRanking of Factors in Order of Influence
Under-floor heatingroof > exterior wall > ground > exterior window
Radiatorroof > exterior wall > exterior window
Table 19. The life-cycle costs of the two energy-saving transformation methods.
Table 19. The life-cycle costs of the two energy-saving transformation methods.
Heating TerminalEnvelope StructureEnvelope Structure + Heating System
Under-floor heatingCNY 23,131.90 CNY 35,920.34
RadiatorCNY 27,802.74 CNY 39,874.07
Table 20. Annual running cost of heating under two working conditions before and after transformation.
Table 20. Annual running cost of heating under two working conditions before and after transformation.
Heating TerminalAnnual Running Cost
Before TransformationAfter Transformation
Envelope StructureEnvelope Structure + Heating System
Under-floor heatingCNY 9736.52/yearCNY 2638.3/yearCNY 2012.56/year
RadiatorCNY 13,770.35/yearCNY 2092.4/yearCNY 1951.99/year
Table 21. The table of the incremental benefits of energy conservation of the two energy-saving transformation methods.
Table 21. The table of the incremental benefits of energy conservation of the two energy-saving transformation methods.
Heating TerminalEnvelope StructureEnvelope Structure + Heating System
Under-floor heatingCNY 141,964.4 CNY 154,479.2
RadiatorCNY 233,559 CNY 236,367.2
Table 22. Table labor cost for coal ash cleaning in the whole heating season.
Table 22. Table labor cost for coal ash cleaning in the whole heating season.
Minimum Wage for Part-Time Workers in ChangchunSingle Cleaning Time of Coal AshTimes of Coal Ash Removal per DayHeating Season CycleThe Cost of Labor in Whole Heating Season
CNY 17/h (USD 2.41/h)10 min3 times169 daysCNY 1436.5 (USD 203.20)
Table 23. Table of comprehensive benefits of two energy-saving transformation methods.
Table 23. Table of comprehensive benefits of two energy-saving transformation methods.
Heating TerminalEnvelope StructureEnvelope Structure + Heating System
Under-floor heatingCNY 23,131.90 CNY 35,920.34
RadiatorCNY 27,802.74CNY 39,874.07
Table 24. Table of payback period of investment of two energy-saving transformation methods.
Table 24. Table of payback period of investment of two energy-saving transformation methods.
Heating TerminalEnvelope StructureEnvelope Structure + Heating System
Under-floor heating3.26 years3.92 years
Radiator2.38 years3.01 years
Disclaimer/Publisher’s Note: The statements, opinions and data contained in all publications are solely those of the individual author(s) and contributor(s) and not of MDPI and/or the editor(s). MDPI and/or the editor(s) disclaim responsibility for any injury to people or property resulting from any ideas, methods, instructions or products referred to in the content.

Share and Cite

MDPI and ACS Style

Zhang, Z.; Hua, Y.; Peng, N.; Liu, K. Research on Energy-Saving Transformation of Rural Residential Building Envelope Structures and Heating Modes in Northeast China. Energies 2024, 17, 5195. https://doi.org/10.3390/en17205195

AMA Style

Zhang Z, Hua Y, Peng N, Liu K. Research on Energy-Saving Transformation of Rural Residential Building Envelope Structures and Heating Modes in Northeast China. Energies. 2024; 17(20):5195. https://doi.org/10.3390/en17205195

Chicago/Turabian Style

Zhang, Zhizheng, Yunfeng Hua, Na Peng, and Kailong Liu. 2024. "Research on Energy-Saving Transformation of Rural Residential Building Envelope Structures and Heating Modes in Northeast China" Energies 17, no. 20: 5195. https://doi.org/10.3390/en17205195

APA Style

Zhang, Z., Hua, Y., Peng, N., & Liu, K. (2024). Research on Energy-Saving Transformation of Rural Residential Building Envelope Structures and Heating Modes in Northeast China. Energies, 17(20), 5195. https://doi.org/10.3390/en17205195

Note that from the first issue of 2016, this journal uses article numbers instead of page numbers. See further details here.

Article Metrics

Back to TopTop