A Review on the Recent Development of High-Frequency Inverters for Wireless Power Transfer
Abstract
1. Introduction
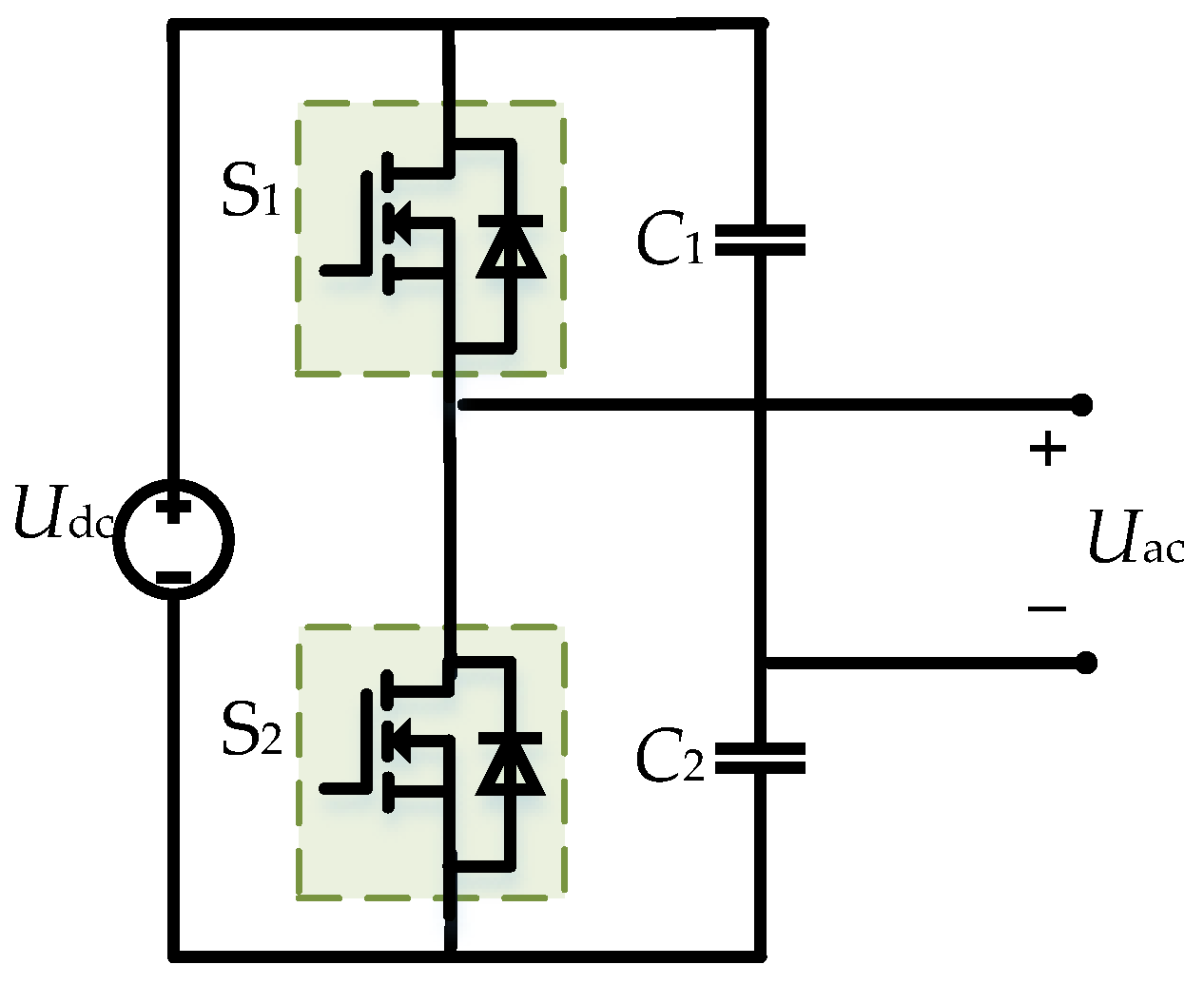
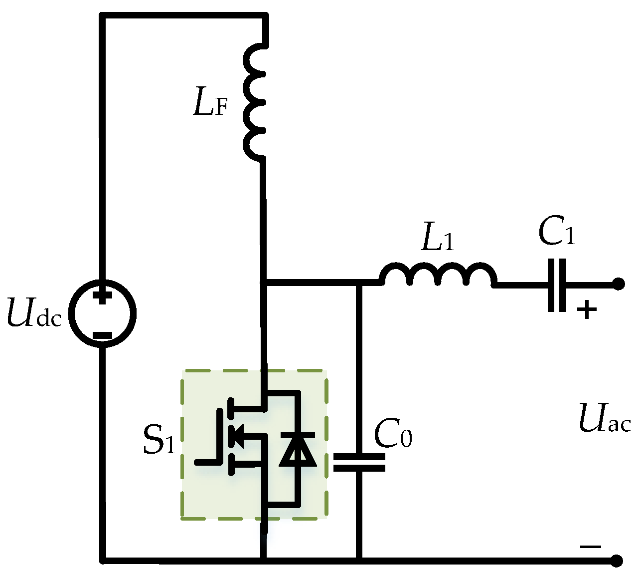
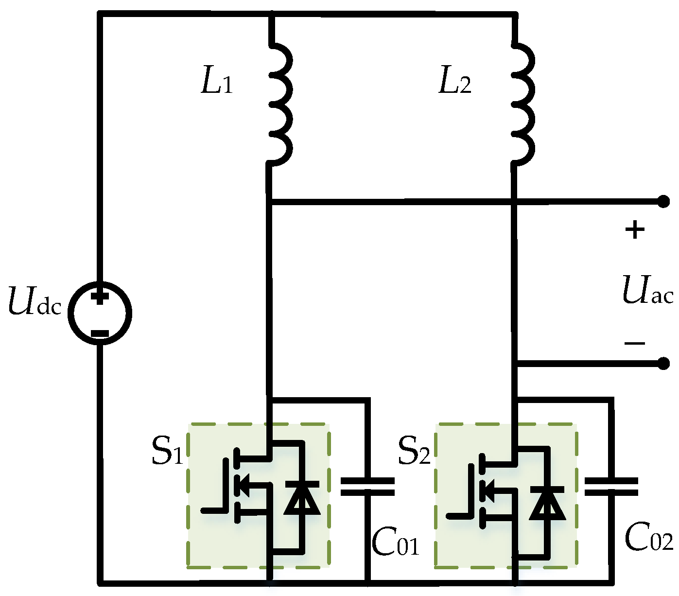
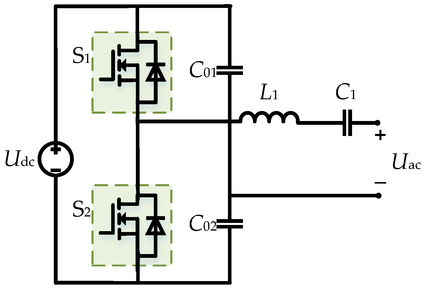
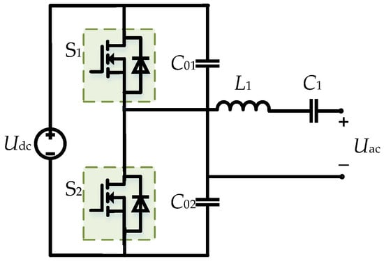
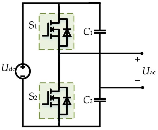
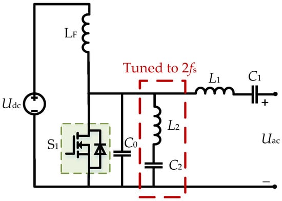
2. Inverters Based on Power Amplifiers
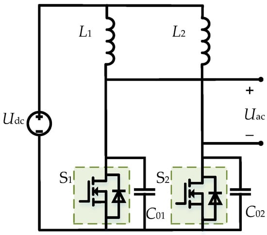
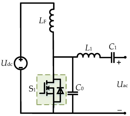
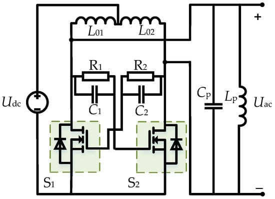
3. Inverters Based on H-Bridge
4. Critical Techniques for High-Frequency Inverters
5. Potential Issues and Future Research Directions
5.1. Potential Issues
5.1.1. High Frequency Loss of Inductors
5.1.2. Mutual Constraints on Operating Frequency and Power Level of Inverters
5.2. Future Research Directions
5.2.1. Driving Technology
5.2.2. High Frequency Rectifier
5.2.3. Wide-Band Semiconductor Applications
6. Conclusions
Author Contributions
Funding
Data Availability Statement
Conflicts of Interest
References
- Zhang, Z.; Pang, H.; Georgiadis, A.; Cecati, C. Wireless Power Transfer—An Overview. IEEE Trans. Ind. Electron. 2019, 66, 1044–1058. [Google Scholar] [CrossRef]
- Zhang, J.; Yao, S.; Pan, L.; Liu, Y.; Zhu, C. A Review of Capacitive Power Transfer Technology for Electric Vehicle Applications. Electronics 2023, 12, 3534. [Google Scholar] [CrossRef]
- Sun, M.; Dai, X.; Li, Y.; Su, Y. Research Status of Bidirectional Wireless Power Transfer Technology. In Proceedings of the 8th World Congress on Civil, Structural, and Environmental Engineering, Lisbon, Portugal, 29–31 March 2023; pp. 1–19. [Google Scholar]
- Williams, K.J.; Wiseman, K.; Deilami, S.; Town, G.; Taghizadeh, F. A Review of Power Transfer Systems for Light Rail Vehicles: The Case for Capacitive Wireless Power Transfer. Energies 2023, 16, 5750. [Google Scholar] [CrossRef]
- Yu, Z.; Xiao, W.; Zhang, B.; Qiu, D. Development Status of Electric-Field Coupled Wireless Power Transmission Technology. Trans. China Electrotech. Soc. 2022, 37, 1051–1069. [Google Scholar]
- Zhang, J.; Yao, S.; Wang, S.; Pan, L.; Liu, Y.; Zhu, C. Vertical Self-Coupling Plates Design for Capacitive Power Transfer System. In Proceedings of the International Conference on Wireless Power Transfer, ICWPT 2023, Weihai, China, 13–15 October 2023; Springer: Berlin/Heidelberg, Germany, 2024; Volume 1158 LNEE, pp. 136–144. [Google Scholar]
- Wang, D.; Zhang, J.; Zhu, C.; Bie, Z.; Cui, S. Review of Progress in the Study of Marine Environment Effects on Underwater Wireless Power Transfer Systems. Trans. China Electrotech. Soc. 2024, 1–22. [Google Scholar]
- Cai, J.; Wu, X.; Sun, P.; Sun, J.; Zhang, X. Research progress of magnetic coupling wireless power transmission technology and its high power realization method. J. Nav. Univ. Eng. 2021, 33, 19–27. [Google Scholar]
- Xue, M.; Yang, Q.; Zhang, P.; Guo, J.; Li, Y.; Zhang, X. Application Status and Key Issues of Wireless Power Transmission Technology. Trans. China Electrotech. Soc. 2021, 36, 1547–1568. [Google Scholar]
- Xingming, F.; Linlin, G.; Xiaoyong, M.; Qian, Z.; Erju, J. Overview of Research Status and Application of Wireless Power Transmission Technology. Trans. China Electrotech. Soc. 2019, 34, 1353–1380. [Google Scholar]
- Wang, Y.; Wang, K.; Li, K.; Yang, Y.; Hui, S.Y.R. Multi-MHz Inductive and Capacitive Power Transfer Systems with PCB-Based Self-Resonators. IEEE Trans. Power Electron. 2024, 39, 14077–14090. [Google Scholar] [CrossRef]
- Wang, Y.; Yang, Y.A. Comparative Review on the Development of High-Frequency and High-Power Capacitive Power Transfer Technology. In Proceedings of the 2024 10th International Conference on Power Electronics Systems and Applications (PESA), Hong Kong, 5–7 June 2024; pp. 1–9. [Google Scholar]
- Wang, Y.; Lucia, O.; Zhang, Z.; Guan, Y.; Xu, D. Review of Very High Frequency Power Converters and Related Technologies. IET Power Electron. 2020, 13, 1711–1721. [Google Scholar] [CrossRef]
- Kurs, A.; Karalis, A.; Moffatt, R.; Joannopoulos, J.D.; Fisher, P.; Soljacic, M. Wireless Power Transfer via Strongly Coupled Magnetic Resonances. Science 2007, 317, 83–86. [Google Scholar] [CrossRef] [PubMed]
- Rooij, M.A. The ZVS Voltage-Mode Class-D Amplifier, an eGaN® FET-Enabled Topology for Highly Resonant Wireless Energy Transfer. In Proceedings of the 2015 IEEE Applied Power Electronics Conference and Exposition (APEC), Charlotte, NC, USA, 15–19 March 2015; pp. 1608–1613. [Google Scholar]
- Phan, T.; Zulauf, G.; Fan, J.A.; Rivas-Davila, J.M. 1 kW, Multi-MHz Wireless Charging for Electric Transportation. In Proceedings of the 2020 IEEE 21st Workshop on Control and Modeling for Power Electronics (COMPEL), Aalborg, Denmark, 9–12 November 2020; pp. 1–7. [Google Scholar]
- Li, H.; Wang, K.; Huang, L.; Chen, W.; Yang, X. Dynamic Modeling Based on Coupled Modes for Wireless Power Transfer Systems. IEEE Trans. Power Electron. 2015, 30, 6245–6253. [Google Scholar] [CrossRef]
- Li, H.; Liu, Y.; Ying, Y.; Fu, M. Circular Capacitive Coupler for Stable Output Under Horizontal Misalignment. In Proceedings of the 2022 IEEE 31st International Symposium on Industrial Electronics (ISIE), Anchorage, AK, USA, 1 June 2022; pp. 768–773. [Google Scholar]
- Li, H.; Liu, Y.; Fu, M. Circular Capacitive Coupler With Multilayer Interleaving for Stable Output. IEEE Trans. Microw. Theory Tech. 2023, 71, 719–726. [Google Scholar] [CrossRef]
- Chu, S.Y.; Cui, X.; Zan, X.; Avestruz, A.-T. Transfer-Power Measurement Using a Non-Contact Method for Fair and Accurate Metering of Wireless Power Transfer in Electric Vehicles. IEEE Trans. Power Electron. 2022, 37, 1244–1271. [Google Scholar] [CrossRef]
- Wang, Y.; Liu, W.; Huangfu, Y. A Primary-Sided CLC Compensated Wireless Power Transfer System Based on the Class D Amplifier. In Proceedings of the IECON 2018—44th Annual Conference of the IEEE Industrial Electronics Society, Washington, DC, USA, 21–23 October 2018; pp. 943–947. [Google Scholar]
- Ge, X.; Cheng, L.; Ki, W.-H. A DCM ZVS Class-D Power Amplifier for Wireless Power Transfer Applications. In Proceedings of the 2019 IEEE Asian Solid-State Circuits Conference (A-SSCC), Macau, Macao, 4–6 November 2019; pp. 43–44. [Google Scholar]
- Shao, L.; Li, Q.; Tan, C.; Yao, K.; Song, J. A Study of Magnetic Resonance Wireless Power Transfer System Based on Half Bridge Inverter. In Proceedings of the 2016 IEEE Vehicle Power and Propulsion Conference (VPPC), Hangzhou, China, 17–20 October 2016; pp. 1–5. [Google Scholar]
- Mishima, T.; Morita, E. High-Frequency Bridgeless Rectifier Based ZVS Multiresonant Converter for Inductive Power Transfer Featuring High-Voltage GaN-HFET. IEEE Trans. Ind. Electron. 2017, 64, 9155–9164. [Google Scholar] [CrossRef]
- Choi, S.-J.; Choi, H.-S. Capacitive Wireless Power Transfer System with Double Matching Transformers for Reduced Stress and Extended ZVS Range. In Proceedings of the 2015 IEEE International Telecommunications Energy Conference (INTELEC), Osaka, Japan, 18–22 October 2015; pp. 1–6. [Google Scholar]
- Piedrahita-Echavarría, E.Y.; Alvarez-Duque, M.; Escobar-Mejía, A.; Gil-González, W. Design and Control of a Series-Parallel Compensation Topology for Wireless Power Transfer Applications. In Proceedings of the 2023 IEEE 6th Colombian Conference on Automatic Control (CCAC), Popayan, Columbia, 17–20 October 2023; pp. 1–6. [Google Scholar]
- Choi, U.-G.; Yang, J.-R. A 120 W Class-E Power Module with an Adaptive Power Combiner for a 6.78 MHz Wireless Power Transfer System. Energies 2018, 11, 2083. [Google Scholar] [CrossRef]
- Weng, Y.-C.; Wu, C.-C.; Chang, E.L.; Chieng, W.-H. Minimum Power Input Control for Class-E Amplifier Using Depletion-Mode Gallium Nitride High Electron Mobility Transistor. Energies 2021, 14, 2302. [Google Scholar] [CrossRef]
- Wen, F.; Li, R. Parameter Analysis and Optimization of Class-E Power Amplifier Used in Wireless Power Transfer System. Energies 2019, 12, 3240. [Google Scholar] [CrossRef]
- Xiao, W.; Shen, R.; Zhang, B.; Qiu, D.; Chen, Y.; Li, T. Effects of Foreign Metal Object on Soft-Switching Conditions of Class-E Inverter in WPT. Energies 2018, 11, 1926. [Google Scholar] [CrossRef]
- Narayanamoorthi, R.; Juliet, V.A.; Chokkalingam, B.; Padmanaban, S.; Leonowicz, Z.M. Class E Power Amplifier Design and Optimization for the Capacitive Coupled Wireless Power Transfer System in Biomedical Implants. Energies 2017, 10, 1409. [Google Scholar] [CrossRef]
- Li, B.; Ngo, K. Analysis and Design of an Isolated Current Source Class-E Inverter With Significant Harmonics. IEEE Trans. Power Electron. 2024, 39, 14877–14887. [Google Scholar] [CrossRef]
- Aditya, K.; Pradhan, S.; Raj, A. Class-E Power Amplifier Design for Wireless Power Transfer. In Proceedings of the 2024 IEEE 3rd International Conference on Electrical Power and Energy Systems (ICEPES), Bhopal, India, 21–22 June 2024; pp. 1–5. [Google Scholar]
- Lai, C.-M.; Lin, D.-T.; Liu, H.-E.; Mishima, T.; Tse, C.K. A Single-Stage DC Motor Driver Based on Class-E Resonant Wireless Power Transfer Technique. In Proceedings of the 2023 IEEE Transportation Electrification Conference and Expo, Asia-Pacific (ITEC Asia-Pacific), Chiang Mai, Thailand, 28 November–1 December 2023; pp. 1–7. [Google Scholar]
- Xu, J.; Tong, Z.; Rivas-Davila, J. 1 kW MHz Wideband Class E Power Amplifier. In Proceedings of the 2021 IEEE 22nd Workshop on Control and Modelling of Power Electronics (COMPEL), Cartagena, Colombia, 2–5 November 2021; pp. 1–6. [Google Scholar]
- Sample, A.P.; Waters, B.H.; Wisdom, S.T.; Smith, J.R. Enabling Seamless Wireless Power Delivery in Dynamic Environments. Proc. IEEE 2013, 101, 1343–1358. [Google Scholar] [CrossRef]
- Song, J.; Liu, M.; Ma, C. Analysis and Design of a High-Efficiency 6.78-MHz Wireless Power Transfer System With Scalable Number of Receivers. IEEE Trans. Ind. Electron. 2020, 67, 8281–8291. [Google Scholar] [CrossRef]
- Liu, M.; Zhao, C.; Song, J.; Ma, C. Battery Charging Profile-Based Parameter Design of a 6.78-MHz Class E^2 Wireless Charging System. IEEE Trans. Ind. Electron. 2017, 64, 6169–6178. [Google Scholar] [CrossRef]
- Nagashima, T.; Wei, X.; Suetsugu, T.; Sekiya, H. Inductively Coupled Wireless Power Transfer with Class-DE Power Amplifier. In Proceedings of the 2012 IEEE Asia Pacific Conference on Circuits and Systems, Kaohsiung, Taiwan, 2–5 December 2012; pp. 73–76. [Google Scholar]
- Nikiforidis, I.; Kwan, C.H.; Yates, D.C.; Bampouras, K.; Gawith, J.; Pucci, N.; Mitcheson, P.D. A 3 kW 3.39 MHz DC/DC Inductive Power Transfer System with Power Combining Converters. In Proceedings of the 2023 IEEE Wireless Power Technology Conference and Expo (WPTCE), San Diego, CA, USA, 4–8 June 2023; pp. 1–6. [Google Scholar]
- Aviles, J.P.O.; Tofoli, F.L.; Ribeiro, E.R. Novel Control Approach for Resonant Class-DE Inverters Applied in Wireless Power Transfer Systems. Energies 2023, 16, 7238. [Google Scholar] [CrossRef]
- Raab, F.H. Class-F Power Amplifiers with Maximally Flat Waveforms. IEEE Trans. Microw. Theory Tech. 1997, 45, 2007–2012. [Google Scholar] [CrossRef]
- Huang, X.; Lin, Y.; Dou, Y.; Lin, S.; Huang, J. Load-Independent Push–Pull Class-Φ2 Inverter With Single Compact Three-Winding Inductor. IEEE Trans. Power Electron. 2023, 38, 11916–11927. [Google Scholar] [CrossRef]
- Aldhaher, S.; Yates, D.C.; Mitcheson, P.D. Design and Development of a Class EF2 Inverter and Rectifier for Multimegahertz Wireless Power Transfer Systems. IEEE Trans. Power Electron. 2016, 31, 8138–8150. [Google Scholar] [CrossRef]
- Choi, J.; Tsukiyama, D.; Rivas, J. Evaluation of a 900 V SiC MOSFET in a 13.56 MHz 2 kW Resonant Inverter for Wireless Power Transfer. In Proceedings of the 2016 IEEE 17th Workshop on Control and Modeling for Power Electronics (COMPEL), Trondheim, Norway, 27–30 June 2016; pp. 1–6. [Google Scholar]
- Choi, J.; Tsukiyama, D.; Rivas, J. Comparison of SiC and eGaN Devices in a 6.78 MHz 2.2 kW Resonant Inverter for Wireless Power Transfer. In Proceedings of the 2016 IEEE Energy Conversion Congress and Exposition (ECCE), Milwaukee, WI, USA, 18–22 September 2016; pp. 1–6. [Google Scholar]
- Zhou, X.; Wang, J.; Yang, L. A Light-Load Efficiency Improvement Technique for an Inductive Power Transfer System through a Reconfigurable Circuit. Energies 2024, 17, 3024. [Google Scholar] [CrossRef]
- Kumar, A.; Bertoluzzo, M.; Jha, R.K.; Sagar, A. Analysis of Losses in Two Different Control Approaches for S-S Wireless Power Transfer Systems for Electric Vehicle. Energies 2023, 16, 1795. [Google Scholar] [CrossRef]
- Lee, S.-H.; Yi, K.-P.; Kim, M.-Y. 6.78-MHz, 50-W Wireless Power Supply Over a 60-Cm Distance Using a GaN-Based Full-Bridge Inverter. Energies 2019, 12, 371. [Google Scholar] [CrossRef]
- Lu, F.; Zhang, H.; Mi, C. A Review on the Recent Development of Capacitive Wireless Power Transfer Technology. Energies 2017, 10, 1752. [Google Scholar] [CrossRef]
- Sinha, S.; Regensburger, B.; Doubleday, K.; Kumar, A.; Pervaiz, S.; Afridi, K.K. High-Power-Transfer-Density Capacitive Wireless Power Transfer System for Electric Vehicle Charging. In Proceedings of the 2017 IEEE Energy Conversion Congress and Exposition (ECCE), Cincinnati, OH, USA, 1–5 October 2017; pp. 967–974. [Google Scholar]
- Lu, F.; Zhang, H.; Hofmann, H.; Mi, C. A CLLC-Compensated High Power and Large Air-Gap Capacitive Power Transfer System for Electric Vehicle Charging Applications. In Proceedings of the 2016 IEEE Applied Power Electronics Conference and Exposition (APEC), Long Beach, CA, USA, 20–24 March 2016; pp. 1721–1725. [Google Scholar]
- Wang, Y.; Kheirollahi, R.; Lu, F.; Zhang, H. Exploring Switching Limit of SiC Inverter for Multi-kW Multi-MHz Wireless Power Transfer System. In Proceedings of the 2023 IEEE Applied Power Electronics Conference and Exposition (APEC), Orlando, FL, USA, 19–23 March 2023; pp. 2952–2957. [Google Scholar]
- Chang, E.-C. Improving Performance for Full-Bridge Inverter of Wind Energy Conversion System Using a Fast and Efficient Control Technique. Energies 2018, 11, 262. [Google Scholar] [CrossRef]
- Wang, Y.; Zhang, H.; Lu, F. Current-Fed Capacitive Power Transfer With Parallel–Series Compensation for Voltage Step-Down. IEEE J. Emerg. Sel. Top. Ind. Electron. 2022, 3, 454–464. [Google Scholar] [CrossRef]
- Samanta, S.; Rathore, A.K. A New Current-Fed CLC Transmitter and LC Receiver Topology for Inductive Wireless Power Transfer Application: Analysis, Design, and Experimental Results. IEEE Trans. Transp. Electrif. 2015, 1, 357–368. [Google Scholar] [CrossRef]
- Samanta, S.; Rathore, A.K.; Sahoo, S.K. Concept Study and Feasibility Analysis of Current-Fed Power Electronics for Wireless Power Transfer System. In Proceedings of the 2016 IEEE International Conference on Power Electronics, Drives and Energy Systems (PEDES), Trivandrum, India, 14–17 December 2016; pp. 1–6. [Google Scholar]
- Fan, F.; Chen, Q.; Wang, J.; Chen, W. Accurate Calculation Method of Rectifier Load and Time-Domain Analysis in PS/S Current-Fed WPT System. In Proceedings of the 2022 IEEE 5th International Electrical and Energy Conference (CIEEC), Nangjing, China, 27–29 May 2022; pp. 466–471. [Google Scholar]
- Waite, M.; Zane, R.; Wang, H. A New Current-Fed Inductive Wireless Charging Transmitter for Large-Scale EV In-Motion Wireless Charging Infrastructure. In Proceedings of the 2024 IEEE Wireless Power Technology Conference and Expo (WPTCE), Kyoto, Japan, 8–11 May 2024; pp. 193–198. [Google Scholar]
- Li, Y.; Duan, Q.; Li, W. A Short-Current Control Method for Constant Frequency Current-Fed Wireless Power Transfer Systems. Energies 2017, 10, 585. [Google Scholar] [CrossRef]
- Duan, Q.; Li, Y.; Dai, X.; Zou, T. A Novel High Controllable Voltage Gain Push-Pull Topology for Wireless Power Transfer System. Energies 2017, 10, 474. [Google Scholar] [CrossRef]
- Yu, A.; Zeng, X.; Xiong, D.; Tian, M.; Li, J. An Improved Autonomous Current-Fed Push-Pull Parallel-Resonant Inverter for Inductive Power Transfer System. Energies 2018, 11, 2653. [Google Scholar] [CrossRef]
- Mishima, T.; Liu, S.; Taguchi, R.; Lai, C.-M. MHz-Driven Snubberless Soft-Switching Current-Fed Multiresonant DC–DC Converter. IEEE Trans. Power Electron. 2024, 39, 8404–8416. [Google Scholar] [CrossRef]
- Hu, A.P.; Liu, C.; Li, H.L. A Novel Contactless Battery Charging System for Soccer Playing Robot. In Proceedings of the 2008 15th International Conference on Mechatronics and Machine Vision in Practice, Auckland, New Zealand, 2–4 December 2008; pp. 646–650. [Google Scholar]
- Namadmalan, A. Bidirectional Current-Fed Resonant Inverter for Contactless Energy Transfer Systems. IEEE Trans. Ind. Electron. 2015, 62, 238–245. [Google Scholar] [CrossRef]
- Mai, R.; Li, H.; Liu, Y.; Zhou, K.; Fu, L.; He, Z. A Three-Phase Dynamic Wireless Charging System with Constant Output Voltage. Energies 2018, 11, 45. [Google Scholar] [CrossRef]
- Colussi, J.; La Ganga, A.; Re, R.; Guglielmi, P.; Armando, E. 100 kW Three-Phase Wireless Charger for EV: Experimental Validation Adopting Opposition Method. Energies 2021, 14, 2113. [Google Scholar] [CrossRef]
- Colussi, J.; Re, R.; Guglielmi, P. Modelling and Design of a Coils Structure for 100 kW Three-Phase Inductive Power Transfer System. Energies 2022, 15, 5079. [Google Scholar] [CrossRef]
- Huang, Z.; Xie, R.; Pan, W.; Shen, Z.; Zhuang, Y.; Zhang, Y. Integrated Four-LCC-Parallel Circuit for Wireless Power Transfer of Electric Vehicles with Vector Synthesis Strategy. In Proceedings of the 2024 IEEE 19th Conference on Industrial Electronics and Applications (ICIEA), Kristiansand, Norway, 5–8 August 2024; pp. 1–6. [Google Scholar]
- Yu, Y.; Nian, C.; Xie, G.; Liu, Z.; Jia, N.; Xia, C.; Wu, X. Current control strategy of three-phase series resonant inverter under unbalanced load. Trans. China Electrotech. Soc. 2014, 29, 49–53. [Google Scholar]
- Xia, C.; Zhuang, Y.; Jia, N.; Wu, X. Research on mixed symmetric control scheme for three-phase series resonance inverter system. J. Sichuan Univ. Eng. Sci. Ed. 2013, 45, 143–148. [Google Scholar]
- Hao, H.; Covic, G.A.; Boys, J.T. A Parallel Topology for Inductive Power Transfer Power Supplies. IEEE Trans. Power Electron. 2014, 29, 1140–1151. [Google Scholar] [CrossRef]
- Deng, Q.; Sun, P.; Hu, W.; Czarkowski, D.; Kazimierczuk, M.K.; Zhou, H. Modular Parallel Multi-Inverter System for High-Power Inductive Power Transfer. IEEE Trans. Power Electron. 2019, 34, 9422–9434. [Google Scholar] [CrossRef]
- Mai, R.; Lu, L.; Li, Y.; Lin, T.; He, Z. Circulating Current Reduction Strategy for Parallel-Connected Inverters Based IPT Systems. Energies 2017, 10, 261. [Google Scholar] [CrossRef]
- Bojarski, M.; Asa, E.; Czarkowski, D. Three-Phase Resonant Inverter for Wireless Power Transfer. In Proceedings of the 2015 IEEE Wireless Power Transfer Conference (WPTC), Boulder, CO, USA, 13–15 May 2015; pp. 1–4. [Google Scholar]
- Afonso, J.L.; Lisboa Cardoso, L.A.; Pedrosa, D.; Sousa, T.J.C.; Machado, L.; Tanta, M.; Monteiro, V. A Review on Power Electronics Technologies for Electric Mobility. Energies 2020, 13, 6343. [Google Scholar] [CrossRef]
- Shevchenko, V.; Pakhaliuk, B.; Husev, O.; Veligorskyi, O.; Stepins, D.; Strzelecki, R. Feasibility Study GaN Transistors Application in the Novel Split-Coils Inductive Power Transfer System with T-Type Inverter. Energies 2020, 13, 4535. [Google Scholar] [CrossRef]
- Rahnamaee, H.R.; Thrimawithana, D.J.; Madawala, U.K. MOSFET Based Multilevel Converter for IPT Systems. In Proceedings of the 2014 IEEE International Conference on Industrial Technology (ICIT), Busan, Republic of Korea, 26 February–1 March 2014; pp. 295–300. [Google Scholar]
- Li, Y.; Mai, R.; Lu, L.; He, Z. A harmonic elimination and power regulation approach of a cascaded multilevel technology in IPT systems. Proc. CSEE 2015, 35, 5278–5285. [Google Scholar]
- Ge, X.-J.; Sun, Y.; Wang, Z.-H.; Tang, C.-S. A Single-Source Switched-Capacitor Multilevel Inverter for Magnetic Coupling Wireless Power Transfer Systems. Electr. Eng. 2019, 101, 1083–1094. [Google Scholar] [CrossRef]
- Qin, R.; Li, J.; Costinett, D. A 6.6-kW High-Frequency Wireless Power Transfer System for Electric Vehicle Charging Using Multilayer Nonuniform Self-Resonant Coil at MHz. IEEE Trans. Power Electron. 2022, 37, 4842–4856. [Google Scholar] [CrossRef]
- Jiang, Y.; Wang, L.; Wang, Y.; Liu, J.; Li, X.; Ning, G. Analysis, Design, and Implementation of Accurate ZVS Angle Control for EV Battery Charging in Wireless High-Power Transfer. IEEE Trans. Ind. Electron. 2019, 66, 4075–4085. [Google Scholar] [CrossRef]
- Sun, M.; Dai, X.; Su, Y.; Li, Y.; Zhao, S. Frequency and Phase Synchronous Control Method Without Communication of the BCPT System. IEEE Trans. Power Electron. 2024, 39, 4792–4804. [Google Scholar] [CrossRef]
- Dai, X.; Sun, M.; Deng, P.; Wang, R.; Su, Y. Asymmetric Bidirectional Capacitive Power Transfer Method With Push–Pull Full-Bridge Hybrid Topology. IEEE Trans. Power Electron. 2022, 37, 13902–13913. [Google Scholar] [CrossRef]
- Josifović, I.; Popović-Gerber, J.; Ferreira, J.A. Improving SiC JFET Switching Behavior Under Influence of Circuit Parasitics. IEEE Trans. Power Electron. 2012, 27, 3843–3854. [Google Scholar] [CrossRef]
- Niu, Y.-C.; Huang, Y.-T.; Chen, C.-L.; Chen, Y.-M. Design Considerations of the Gate Drive Circuit for GaN HEMT Devices. In Proceedings of the 2018 Asian Conference on Energy, Power and Transportation Electrification (ACEPT), Singapore, 30 October–2 November 2018; pp. 1–6. [Google Scholar]
- Nayak, P.; Hatua, K. Parasitic Inductance and Capacitance-Assisted Active Gate Driving Technique to Minimize Switching Loss of SiC MOSFET. IEEE Trans. Ind. Electron. 2017, 64, 8288–8298. [Google Scholar] [CrossRef]
- Ionescu, C. Analysis of PCB Parasitic Influences in Uninterruptible Power Supplies. In Proceedings of the 24th International Spring Seminar on Electronics Technology. Concurrent Engineering in Electronic Packaging ISSE 2001 (Cat. No.01EX492), Calimanesti-Caciulata, Romania, 5–9 May 2001; pp. 83–87. [Google Scholar]
- Liu, Z.; Huang, X.; Lee, F.C.; Li, Q. Package Parasitic Inductance Extraction and Simulation Model Development for the High-Voltage Cascode GaN HEMT. IEEE Trans. Power Electron. 2014, 29, 1977–1985. [Google Scholar] [CrossRef]
- Huang, Y.; Zhang, J.; Wang, N. A Resonant Auxiliary Drive Circuit for SiC MOSFET to Suppress Crosstalk. Trans. China Electrotech. Soc. 2022, 37, 3004–3015. [Google Scholar]
- Zhao, Q.; Cui, S.; Yuan, J.; Wang, D. Resonant Drive Technology and Reverse Conduction Characteristics of Low Voltage GaN Devices. Trans. China Electrotech. Soc. 2019, 34, 133–140. [Google Scholar]
- Wu, Y.; Chen, Q.; Ren, X.; Zhang, Z. Efficiency Optimization Based Parameter Design Method for the Capacitive Power Transfer System. IEEE Trans. Power Electron. 2021, 36, 8774–8785. [Google Scholar] [CrossRef]
- Song, J.; Liu, M.; Ma, C. Class E Active Rectifier with Controlled Output Voltage for MHz Wireless Power Transfer. In Proceedings of the IECON 2020 The 46th Annual Conference of the IEEE Industrial Electronics Society, Singapore, 18–21 October 2020; pp. 4561–4565. [Google Scholar]
- Fu, X.; Liu, M.; Tang, Z.; Ma, C. Design Procedure of a Class E2 DC-DC Converter for Megahertz Wireless Power Transfer Based on a Compact Class E Current-Driven Rectifier. In Proceedings of the 2017 IEEE 26th International Symposium on Industrial Electronics (ISIE), Edinburgh, UK, 19–21 June 2017; pp. 694–699. [Google Scholar]
- Liu, M.; Fu, M.; Ma, C. A Compact Class E Rectifier for Megahertz Wireless Power Transfer. In Proceedings of the 2015 IEEE PELS Workshop on Emerging Technologies: Wireless Power (2015 WoW), Daejeon, Republic of Korea, 5–6 June 2015; pp. 1–5. [Google Scholar]
- Chevinly, J.; Rad, S.S.; Nadi, E.; Proca, B.; Wolgemuth, J.; Calabro, A.; Zhang, H.; Lu, F. Gallium Nitride (GaN) Based High-Power Multilevel H-Bridge Inverter for Wireless Power Transfer of Electric Vehicles. In Proceedings of the 2024 IEEE Transportation Electrification Conference and Expo (ITEC), Chicago, IL, USA, 19–21 June 2024; pp. 1–5. [Google Scholar]



















| Literatures | Power Amplifiers | Advantages | Disadvantages | Power Level |
|---|---|---|---|---|
| [15,16,17,18,19,20,21,22] | Class-D | Simple structure and small size | DC component present in output, complex high side drive | low |
| [23,24,25,26] | Half-bridge | No DC component, more flexible compensation | Low power density; capacitor voltage equalization issues | medium |
| [27,28,29,30,31,32,33,34,35,37,38] | Class-E | High efficiency, suitable for high frequency | High MOSFET voltage stress, sensitive system parameters | low |
| [5] | Double Class-E | High efficiency, higher power | High system complexity due to increased switching devices | medium |
| [39,40,41] | Class-DE | Low MOSFET voltage stress, high efficiency | Difficult to control | medium |
| [43,44,45,46] | Class-EFn | Less output harmonic content, more efficient system | Adding extra devices increases the cost and volume | low |
| Literatures | Inverters | Advantages | Disadvantages | Power Level |
|---|---|---|---|---|
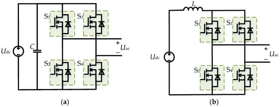
| [47,48,49,50,51,52,53,54] | H-bridge inverter (voltage-type) | Better load adaptability, high power density | Dead time needs to be set, body diode reverse recovery needs to be considered | high |
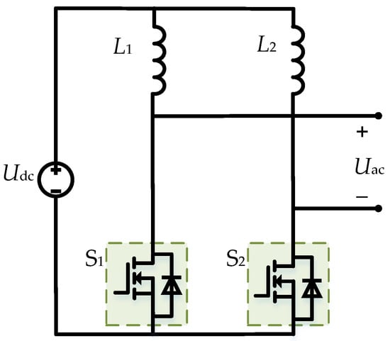
| [55,56,57,58,59,60] | H-bridge inverter (current-type) | short-circuit resistance, capable of voltage pumping up | Low power density, poor load adaptability | high |
| [61,62,63,64,65] | Push-pull inverter | Self-excited oscillation drive, no need for external drive circuitry | Low power density, sensitive to system parameters | high |
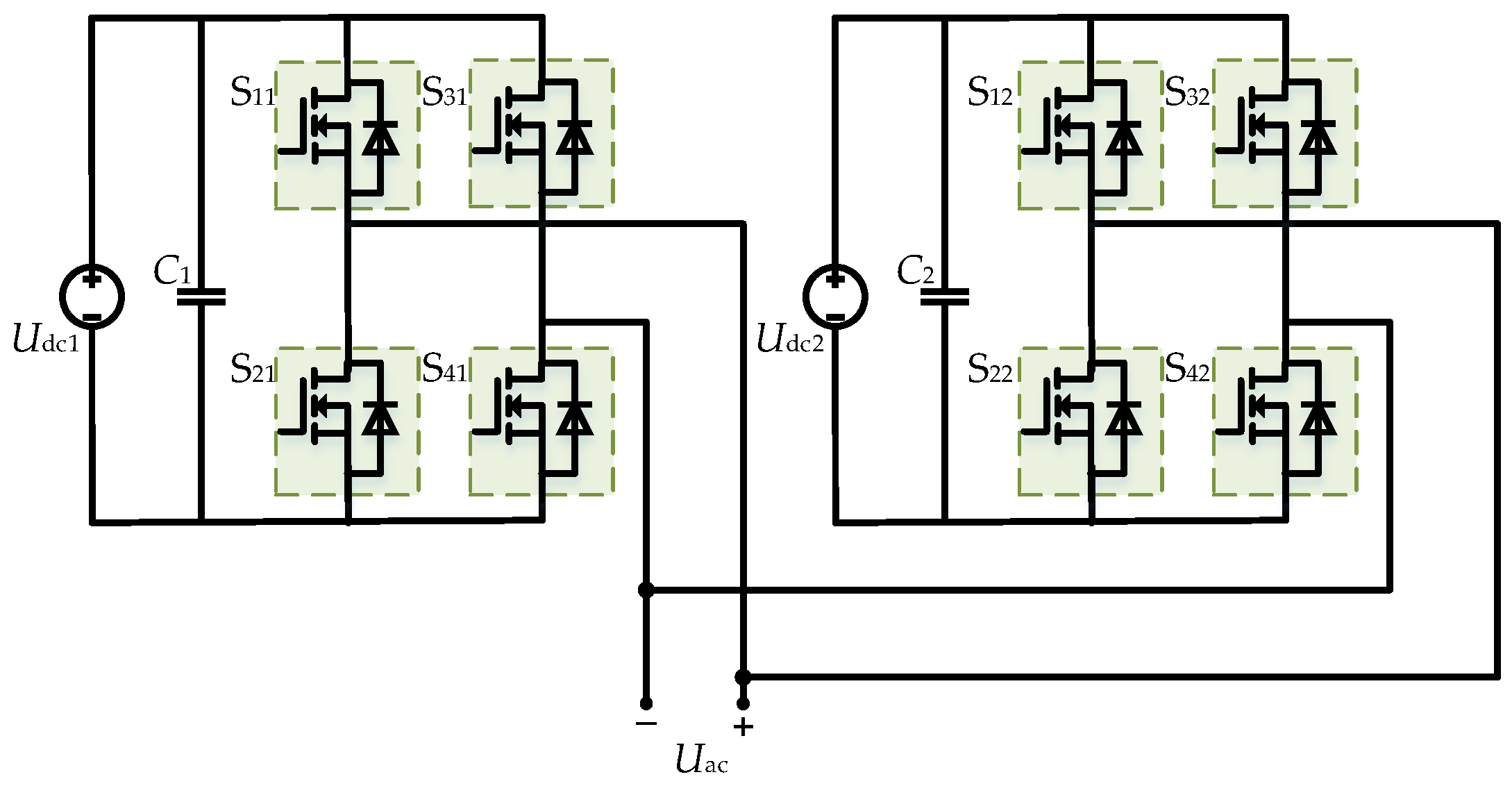
| [66,67,68,69,70,71] | Three-phase inverter | Increases output power, equalizes magnetic field, and increases the offset resistance | Output current imbalance in each phase due to load asymmetry | ultra-high |
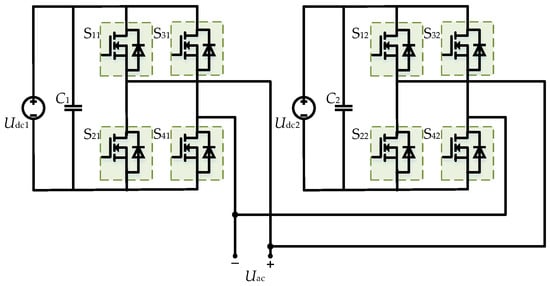
| [72,73,74,75] | multi-parallel inverter | Flexible configuration of output power, easy redundancy design | Circulation due to parameter differences between inverters | ultra-high |
| [76,77,78,79,80] | multilevel inverter | Increase power while reducing EMI | Complexity of control | ultra-high |
Disclaimer/Publisher’s Note: The statements, opinions and data contained in all publications are solely those of the individual author(s) and contributor(s) and not of MDPI and/or the editor(s). MDPI and/or the editor(s) disclaim responsibility for any injury to people or property resulting from any ideas, methods, instructions or products referred to in the content. |
© 2024 by the authors. Licensee MDPI, Basel, Switzerland. This article is an open access article distributed under the terms and conditions of the Creative Commons Attribution (CC BY) license (https://creativecommons.org/licenses/by/4.0/).
Share and Cite
Liu, Y.; Pan, L.; Yao, S.; Zhang, J.; Cui, S.; Zhu, C. A Review on the Recent Development of High-Frequency Inverters for Wireless Power Transfer. Energies 2024, 17, 5153. https://doi.org/10.3390/en17205153
Liu Y, Pan L, Yao S, Zhang J, Cui S, Zhu C. A Review on the Recent Development of High-Frequency Inverters for Wireless Power Transfer. Energies. 2024; 17(20):5153. https://doi.org/10.3390/en17205153
Chicago/Turabian StyleLiu, Ying, Liangyi Pan, Shunyu Yao, Jiantao Zhang, Shumei Cui, and Chunbo Zhu. 2024. "A Review on the Recent Development of High-Frequency Inverters for Wireless Power Transfer" Energies 17, no. 20: 5153. https://doi.org/10.3390/en17205153
APA StyleLiu, Y., Pan, L., Yao, S., Zhang, J., Cui, S., & Zhu, C. (2024). A Review on the Recent Development of High-Frequency Inverters for Wireless Power Transfer. Energies, 17(20), 5153. https://doi.org/10.3390/en17205153

