Optimizing Energy Efficiency in a Peltier-Module-Based Cooling Microunit through Selected Control Algorithms
Abstract
1. Introduction
2. Materials and Methods
2.1. Experimental Setup
2.2. Step Response
2.3. Model of the Plant
- s—Laplace operator;
- T—time constant;
- To—delay;
- kob—coefficient of static amplification.
2.4. Model Validation
- ɛmod—sum of squared absolute errors;
- N—number of measurements;
- ɛi—absolute error of the model fit:
- Ti—output signal in a real system;
- —output signal calculated using the model.
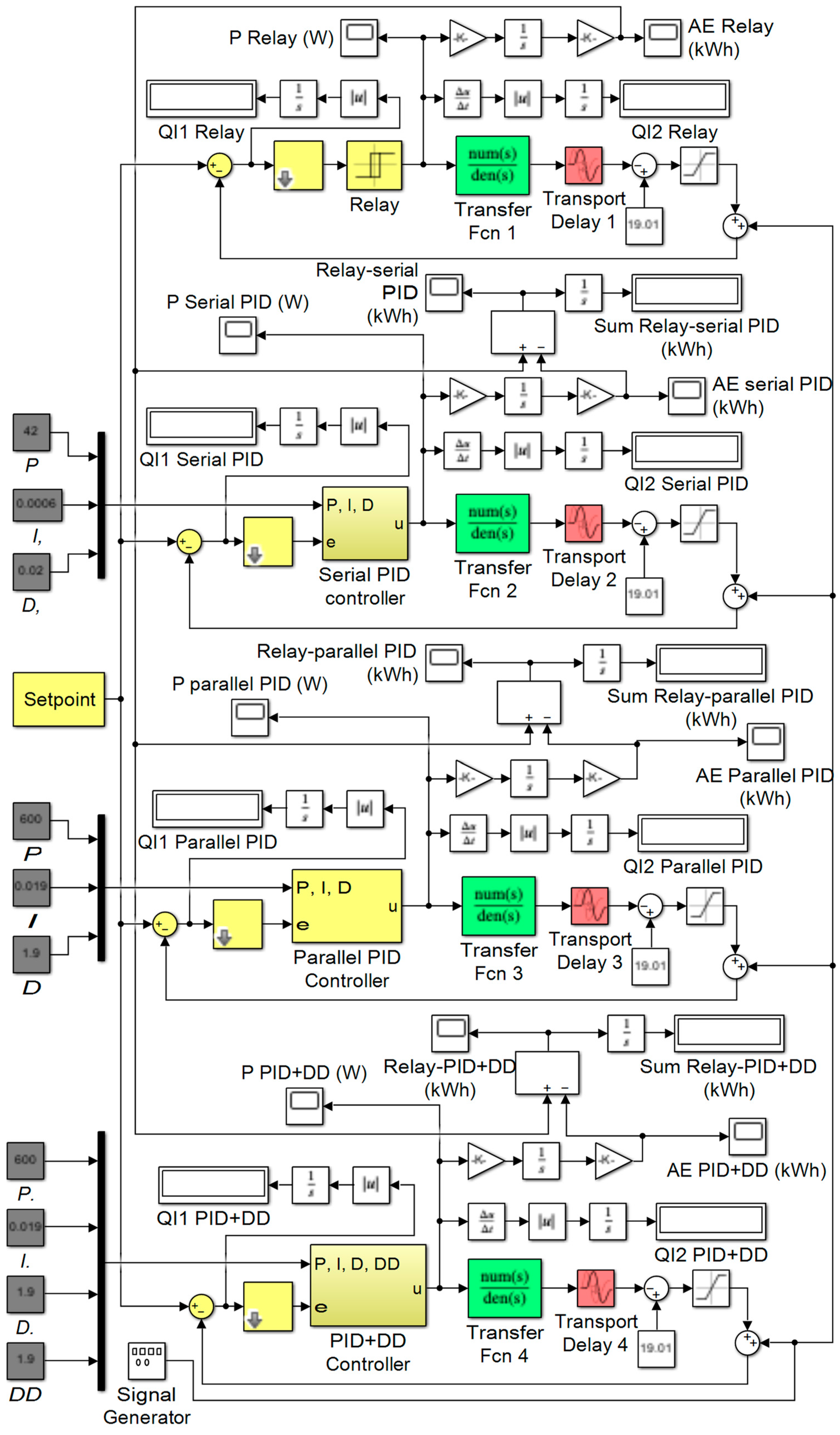
2.5. General Concept of the Control System
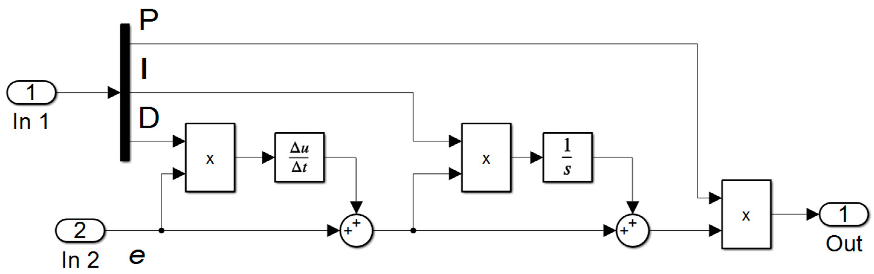
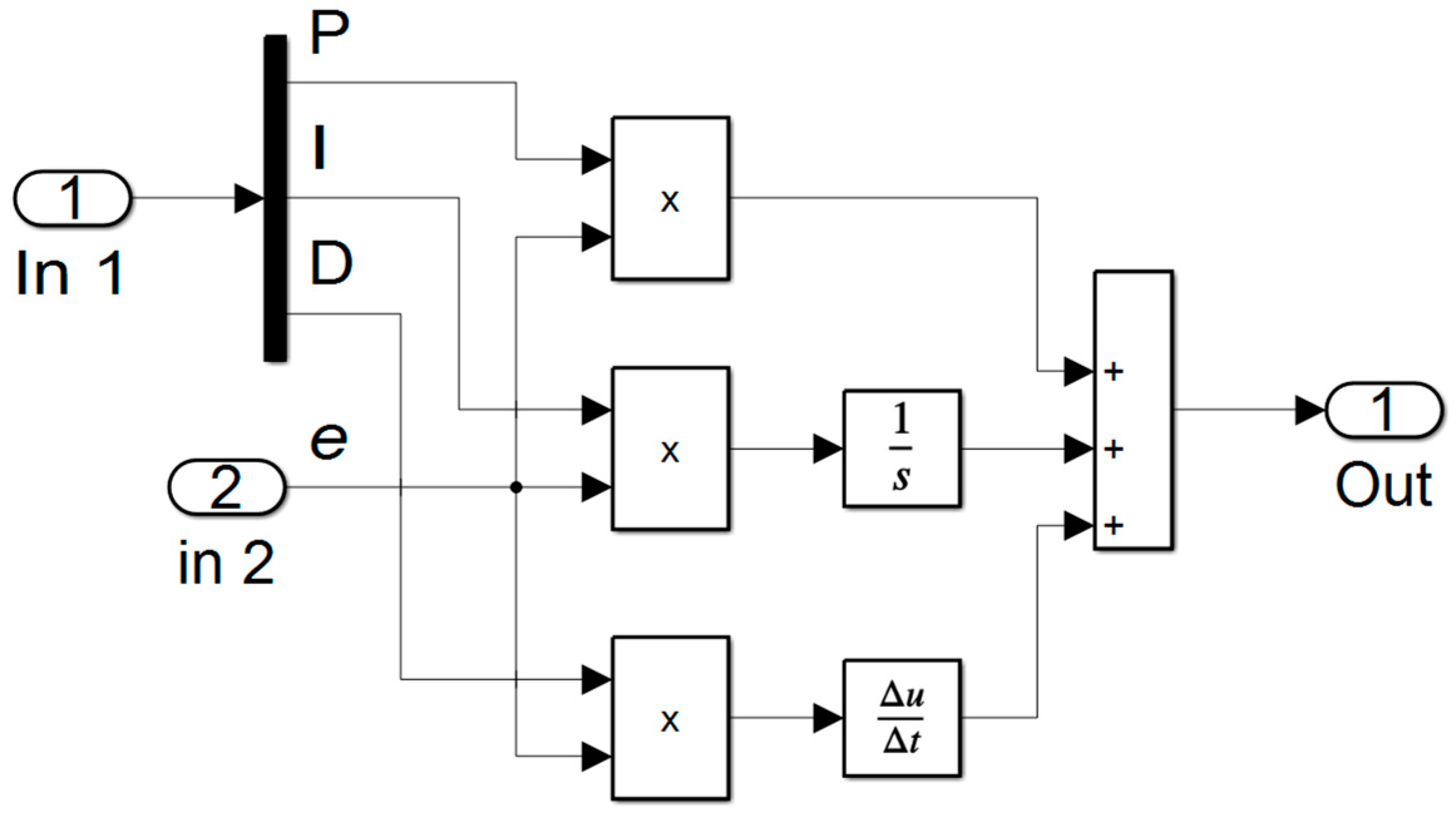
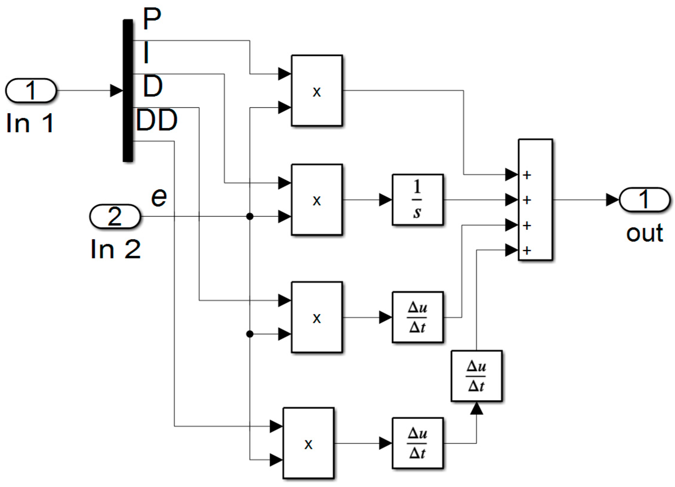
2.6. Control Algorithms
2.7. Model of the Control System
2.8. Simulation
2.9. Indicators of Signal Quality and Energy Use
- e—error between the set value and the output;
- —control signal derivative;
- t—time;
- tp—start of the control time interval;
- tf—end of the control time interval.
- P—power at the controller output;
- PA—power in the system with the controller A;
- PB—power in the system with the controller B;
- t—time;
- tp—start of the control time interval;
- tf—end of the control time interval.
3. Results and Discussion
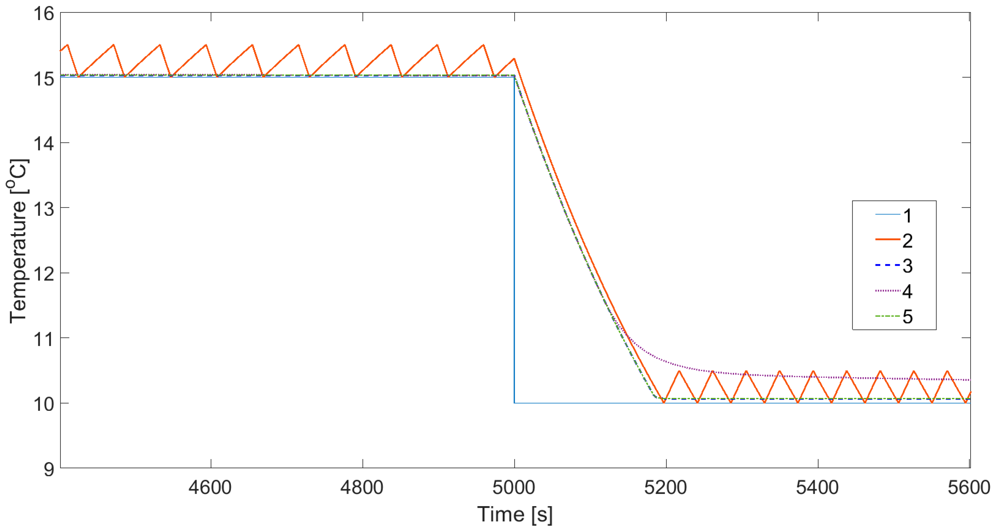
3.1. Control Signals
3.2. Analysis of the Control Quality
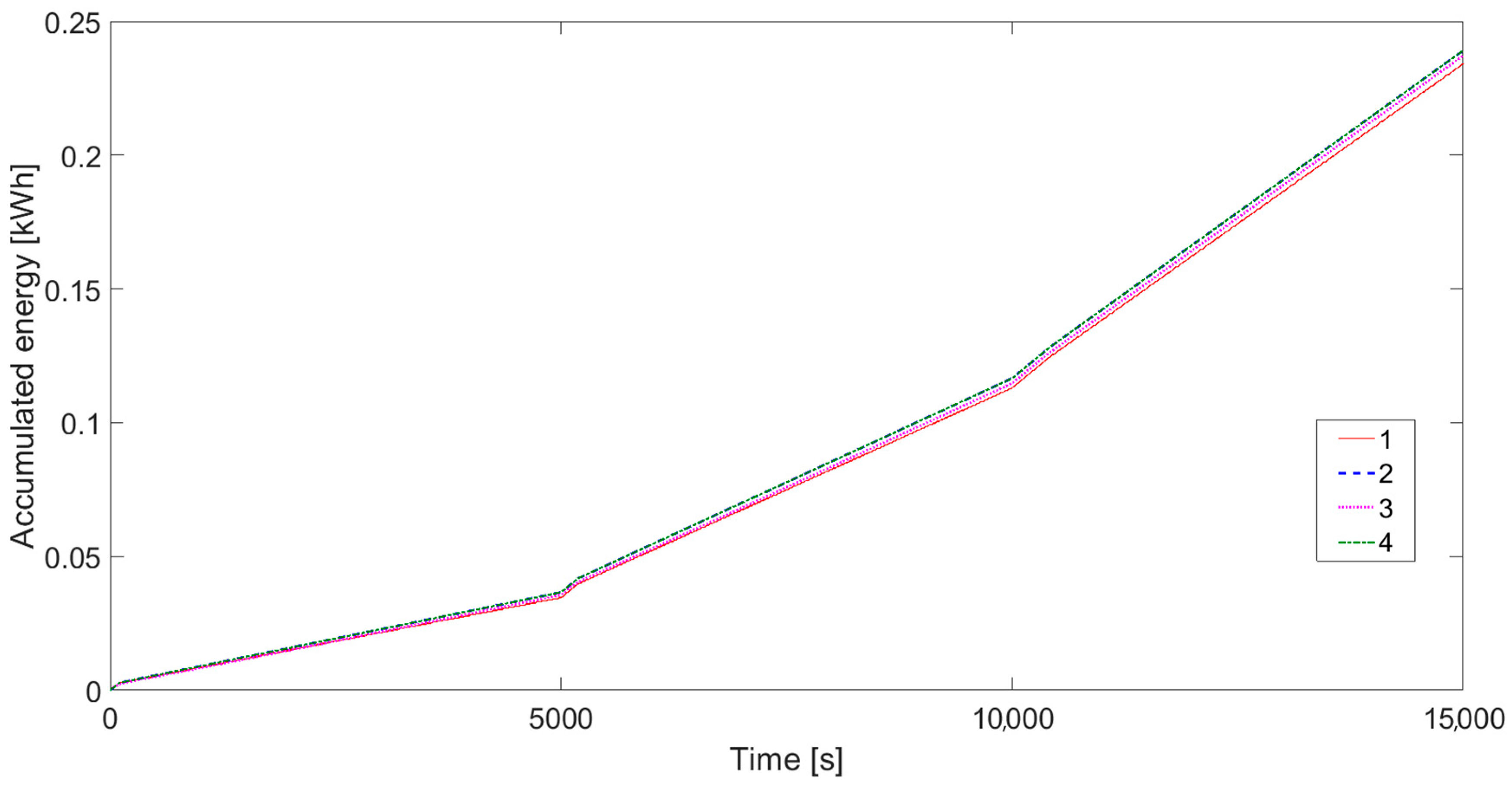
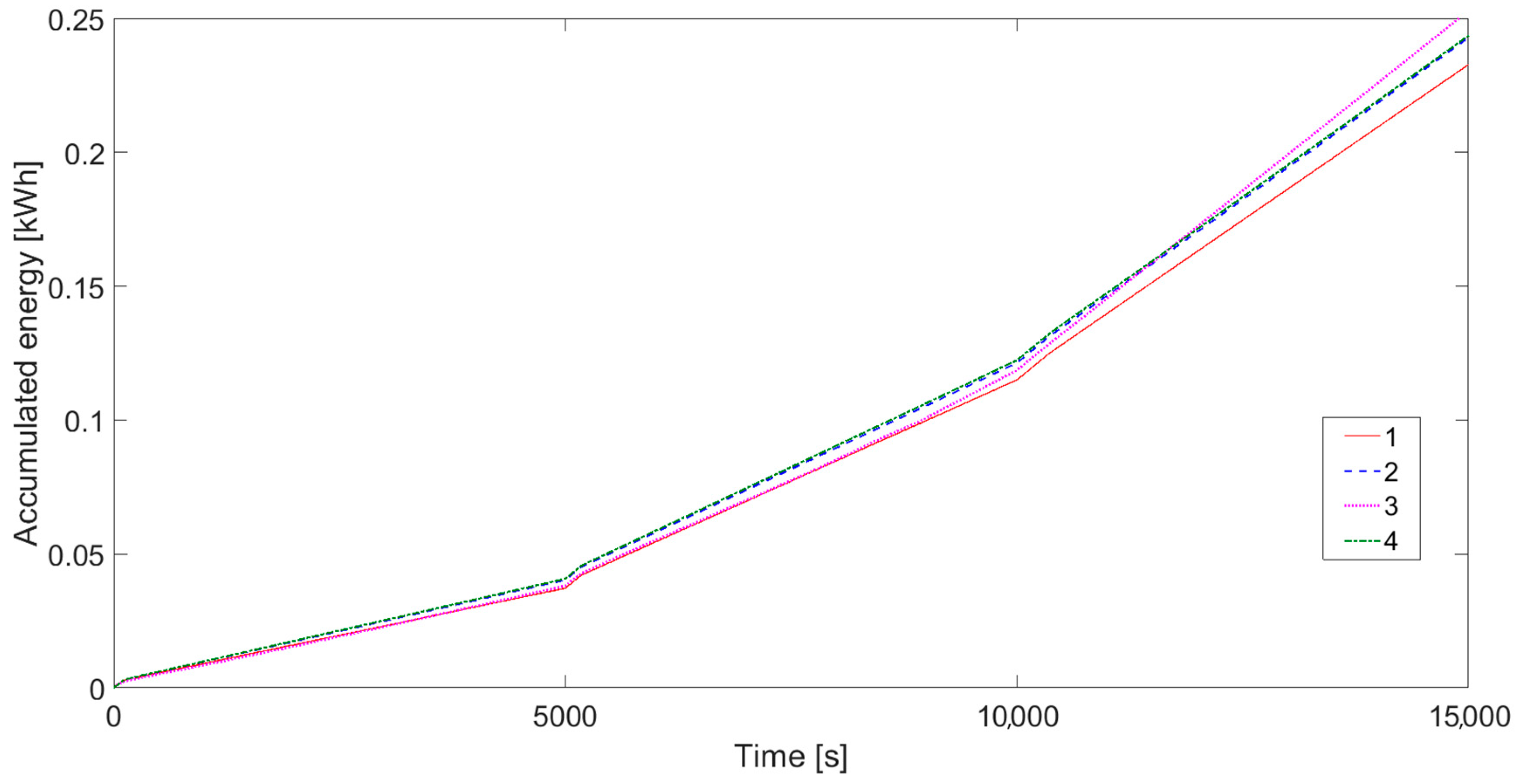
3.3. Impact of the Control Algorithm on Energy Consumption
4. Conclusions
- The best result in terms of control quality for the simulations in ideal conditions (without disturbances) was obtained for the parallel PID and PID + DD controllers. In both cases, the QI1 indicators reached the same value. However, on the basis of the QI2 values, it was found that to achieve the same effect, the dynamics of the control signal for the PID + DD controller was much higher. The worst result in terms of control quality was obtained for the relay controller.
- During the simulation tests assuming the presence of a disturbance signal, the best result in terms of control quality was obtained for the control system model with the parallel PID controller. The worst result was recorded for the system with the serial PID controller.
- In terms of energy consumption, the best control solution for a cooling unit based on Peltier modules is the relay controller. However, the temperature value maintained by this controller oscillates in the range of 0.5 °C.
- Considering the quality of the maintained temperature and energy consumption, a parallel PID or PID + DD controller should be recommended to control the power supply to the cooling unit equipped with Peltier modules.
- A detailed analysis showed the possibility of applying an interesting solution, namely a combined controller consisting of a serial PID and one of the other PID-type controllers (parallel PID or PID + DD), with the switch between controllers depending on the temperature. This conceptual solution will be subjected to simulation tests in our future research.
Author Contributions
Funding
Data Availability Statement
Acknowledgments
Conflicts of Interest
References
- Sugarman, S.C. HVAC Fundamentals, 3rd ed.; CRC Press: Boca Raton, FL, USA, 2020; ISBN 978-87-7022-328-7. [Google Scholar]
- Dincer, I.; Rosen, M.A. Exergy Analysis of Heating, Refrigerating and Air Conditioning, 1st ed.; Elsevier: Amsterdam, The Netherlands, 2015; ISBN 978-0-12-417211-1. [Google Scholar]
- Corberan, J.M. 13—New Trends and Developments in Ground-Source Heat Pumps. In Advances in Ground-Source Heat Pump Systems; Rees, S.J., Ed.; Woodhead Publishing: Sawston, UK, 2016; pp. 359–385. ISBN 978-0-08-100311-4. [Google Scholar]
- Pezzutto, S.; Quaglini, G.; Riviere, P.; Kranzl, L.; Novelli, A.; Zambito, A.; Wilczynski, E. Screening of Cooling Technologies in Europe: Alternatives to Vapour Compression and Possible Market Developments. Sustainability 2022, 14, 2971. [Google Scholar] [CrossRef]
- Wang, J.; Cao, P.; Li, X.; Song, X.; Zhao, C.; Zhu, L. Experimental Study on the Influence of Peltier Effect on the Output Performance of Thermoelectric Generator and Deviation of Maximum Power Point. Energy Convers. Manag. 2019, 200, 112074. [Google Scholar] [CrossRef]
- Rowe, D.M. CRC Handbook of Thermoelectrics; CRC Press: Boca Raton, FL, USA; London, UK; New York, NY, USA; Washington, DC, USA, 1995; ISBN 0-8493-0146-7. [Google Scholar]
- Enescu, D. Thermoelectric Energy Harvesting: Basic Principles and Applications. In Green Energy Advances; Enescu, D., Ed.; IntechOpen: London, UK, 2019; ISBN 978-1-78984-199-2. [Google Scholar]
- Al-Madhhachi, H.; Min, G. Effective Use of Thermal Energy at Both Hot and Cold Side of Thermoelectric Module for Developing Efficient Thermoelectric Water Distillation System. Energy Convers. Manag. 2017, 133, 14–19. [Google Scholar] [CrossRef]
- Jouhara, H.; Żabnieńska-Góra, A.; Khordehgah, N.; Doraghi, Q.; Ahmad, L.; Norman, L.; Axcell, B.; Wrobel, L.; Dai, S. Thermoelectric Generator (TEG) Technologies and Applications. Int. J. Thermofluids 2021, 9, 100063. [Google Scholar] [CrossRef]
- Champier, D. Thermoelectric Generators: A Review of Applications. Energy Convers. Manag. 2017, 140, 167–181. [Google Scholar] [CrossRef]
- He, W.; Zhang, G.; Zhang, X.; Ji, J.; Li, G.; Zhao, X. Recent Development and Application of Thermoelectric Generator and Cooler. Appl. Energy 2015, 143, 1–25. [Google Scholar] [CrossRef]
- Tan, S.O.; Demirel, H. Performance and Cooling Efficiency of Thermoelectric Modules on Server Central Processing Unit and Northbridge. Comput. Electr. Eng. 2015, 46, 46–55. [Google Scholar] [CrossRef]
- Shen, L.; Pu, X.; Sun, Y.; Chen, J. A Study on Thermoelectric Technology Application in Net Zero Energy Buildings. Energy 2016, 113, 9–24. [Google Scholar] [CrossRef]
- Wang, N.; Liu, Z.X.; Ding, C.; Zhang, J.-N.; Sui, G.-R.; Jia, H.-Z.; Gao, X.-M. High Efficiency Thermoelectric Temperature Control System with Improved Proportional Integral Differential Algorithm Using Energy Feedback Technique. IEEE Trans. Ind. Electron. 2022, 69, 5225–5234. [Google Scholar] [CrossRef]
- He, W.; Zhou, J.; Hou, J.; Chen, C.; Ji, J. Theoretical and Experimental Investigation on a Thermoelectric Cooling and Heating System Driven by Solar. Appl. Energy 2013, 107, 89–97. [Google Scholar] [CrossRef]
- Manikandan, S.; Kaushik, S.C. Energy and Exergy Analysis of an Annular Thermoelectric Cooler. Energy Convers. Manag. 2015, 106, 804–814. [Google Scholar] [CrossRef]
- Hamid Elsheikh, M.; Shnawah, D.A.; Sabri, M.F.M.; Said, S.B.M.; Haji Hassan, M.; Ali Bashir, M.B.; Mohamad, M. A Review on Thermoelectric Renewable Energy: Principle Parameters That Affect Their Performance. Renew. Sustain. Energy Rev. 2014, 30, 337–355. [Google Scholar] [CrossRef]
- Ibáñez-Puy, M.; Martín-Gómez, C.; Vidaurre-Arbizu, M.; Sacristán-Fernández, J.A. Theoretical Design of an Active Façade System with Peltier Cells. Energy Procedia 2014, 61, 700–703. [Google Scholar] [CrossRef]
- Dizaji, H.S.; Jafarmadar, S.; Khalilarya, S. Novel Experiments on COP Improvement of Thermoelectric Air Coolers. Energy Convers. Manag. 2019, 187, 328–338. [Google Scholar] [CrossRef]
- Khire, R.A.; Messac, A.; Van Dessel, S. Design of Thermoelectric Heat Pump Unit for Active Building Envelope Systems. Int. J. Heat Mass Transf. 2005, 48, 4028–4040. [Google Scholar] [CrossRef]
- Yilbas, B.S.; Sahin, A.Z. Thermal Characteristics of Combined Thermoelectric Generator and Refrigeration Cycle. Energy Convers. Manag. 2014, 83, 42–47. [Google Scholar] [CrossRef]
- Abdulghani, Z.R. A Novel Experimental Case Study on Optimization of Peltier Air Cooler Using Taguchi Method. Results Eng. 2022, 16, 100627. [Google Scholar] [CrossRef]
- Zhao, D.; Tan, G. A Review of Thermoelectric Cooling: Materials, Modeling and Applications. Appl. Therm. Eng. 2014, 66, 15–24. [Google Scholar] [CrossRef]
- Freire, L.O.; Navarrete, L.M.; Corrales, B.P.; Castillo, J.N. Efficiency in Thermoelectric Generators Based on Peltier Cells. Energy Rep. 2021, 7, 355–361. [Google Scholar] [CrossRef]
- Najafi, H.; Woodbury, K.A. Optimization of a Cooling System Based on Peltier Effect for Photovoltaic Cells. Sol. Energy 2013, 91, 152–160. [Google Scholar] [CrossRef]
- Ari, N.; Kribus, A. Impact of the Peltier Effect on Concentrating Photovoltaic Cells. Sol. Energy Mater. Sol. Cells 2010, 94, 2446–2450. [Google Scholar] [CrossRef]
- Huang, H.; Shen, J.; Li, Z.; Li, K.; Hai, P.; Zheng, W.; Huang, R.; Dai, W. Numerical Simulation of a Hybrid System Using Peltier Thermal Switches in Magnetic Refrigeration. Appl. Therm. Eng. 2022, 217, 119056. [Google Scholar] [CrossRef]
- Taylor, R.A.; Solbrekken, G.L. Comprehensive System-Level Optimization of Thermoelectric Devices for Electronic Cooling Applications. IEEE Trans. Compon. Packag. Technol. 2008, 31, 23–31. [Google Scholar] [CrossRef]
- Mannella, G.A.; La Carrubba, V.; Brucato, V. Peltier Cells as Temperature Control Elements: Experimental Characterization and Modeling. Appl. Therm. Eng. 2014, 63, 234–245. [Google Scholar] [CrossRef]
- Astrain, D.; Vián, J.G.; Albizua, J. Computational Model for Refrigerators Based on Peltier Effect Application. Appl. Therm. Eng. 2005, 25, 3149–3162. [Google Scholar] [CrossRef]
- He, J.; Wu, J.; Zhang, H.; Zhang, Y.; Lu, B. Numerical Simulation of a Fully Solid-State Micro-Unit Regeneration Magnetic Refrigerator with Micro Peltier Elements. Appl. Therm. Eng. 2021, 186, 116545. [Google Scholar] [CrossRef]
- Bubnicki, Z. Modern Control Theory; Springer: Berlin/Heidelberg, Germany, 2005; ISBN 978-3-540-23951-2. [Google Scholar]
- Pawlak, M.; Bocianiak, C. Modelling of control systems for superheated steam temperature. Autom. Elektr. Zakłócenia 2020, 11, 32–41. [Google Scholar]
- Valsalam, S.R.; Anish, S.; Singh, B.R. Boiler Modelling and Optimal Control of Steam Temperature in Power Plants. IFAC Proc. Vol. 2009, 42, 125–130. [Google Scholar] [CrossRef]
- Liu, X.; Zhou, Y.; Cong, L.; Ding, F. High-Purity Control of Internal Thermally Coupled Distillation Columns Based on Nonlinear Wave Model. J. Process Control 2011, 21, 920–926. [Google Scholar] [CrossRef]
- Nakaiwa, M.; Huang, K.; Owa, M.; Akiya, T.; Nakane, T.; Takamatsu, T. Operating an Ideal Heat Integrated Distillation Column with Different Control Algorithms. Comput. Chem. Eng. 1998, 22, S389–S393. [Google Scholar] [CrossRef]
- Bartman, A.R.; Zhu, A.; Christofides, P.D.; Cohen, Y. Minimizing Energy Consumption in Reverse Osmosis Membrane Desalination Using Optimization-Based Control. J. Process Control 2010, 20, 1261–1269. [Google Scholar] [CrossRef]
- Shi, H.; Zuo, L.; Wang, S.; Yuan, Y.; Su, C.; Li, P. Robust predictive fault-tolerant switching control for discrete linear systems with actuator random failures. Comput. Chem. Eng. 2024, 181, 108554. [Google Scholar] [CrossRef]
- Kherkhar, A.; Chiba, Y.; Tlemçani, A.; Mamur, H. Thermal Investigation of a Thermoelectric Cooler Based on Arduino and PID Control Approach. Case Stud. Therm. Eng. 2022, 36, 102249. [Google Scholar] [CrossRef]
- Ziółkowski, E.; Śmierciak, P. Porównanie wyników symulacji wpływu kształtu i amplitudy zakłóceń na jakość sterowania piecem oporowym w układzie z regulatorem PID lub rozmytym. Arch. Foundry Eng. 2015, 15, 133–138. [Google Scholar]
- Ziółkowski, E.; Śmierciak, P. Porównanie energochłonności klasycznego (PID) i rozmytego sterowania odlewniczym piecem oporowym. Arch. Foundry Eng. 2012, 12, 195–198. [Google Scholar]
- Knaga, J.; Lis, S.; Kurpaska, S.; Łyszczarz, P.; Tomasik, M. Optimisation of Energy Use in Bioethanol Production Using a Control Algorithm. Processes 2021, 9, 282. [Google Scholar] [CrossRef]
- Åström, K.J.; Hägglund, T. PID Controllers: Theory, Design, and Tuning, 2nd ed.; Instrument Society of America: Research Triangle Park, NC, USA, 1995; ISBN 978-1-55617-516-9. [Google Scholar]
- Byrski, W. Obserwacja i Sterowanie w Systemach Dynamicznych; Monografie/Komitet Automatyki i Robotyki Polskiej Akademii Nauk; Uczelniane Wydawnictwa Naukowo-Dydaktyczne Akademii Górniczo-Hutniczej: Kraków, Poland, 2007; ISBN 978-83-7464-046-6. [Google Scholar]
- Hägglund, T. A Unified Discussion on Signal Filtering in PID Control. Control Eng. Pract. 2013, 21, 994–1006. [Google Scholar] [CrossRef]
- Micić, A.D.; Mataušek, M.R. Optimization of PID Controller with Higher-Order Noise Filter. J. Process Control 2014, 24, 694–700. [Google Scholar] [CrossRef]
- Liu, T.; Wang, Q.-G.; Huang, H.-P. A Tutorial Review on Process Identification from Step or Relay Feedback Test. J. Process Control 2013, 23, 1597–1623. [Google Scholar] [CrossRef]
- Tarnowski, W. Projektowanie Układów Regulacji Automatycznej. Ciągłych z Liniowymi Korektorami ze Wspomaganiem za Pomocą Matlab’a; Uczelniane Politechniki Koszalińskiej: Koszalin, Poland, 2008; ISBN 0239-7129. [Google Scholar]
- Tadeusiewicz, R. Biocybernetyka: Metodologiczne Podstawy dla Inżynierii Biomedycznej; Wydawnictwo Naukowe PWN: Warsaw, Poland, 2014; ISBN 978-83-01-17376-0. [Google Scholar]
- Kabeel, A.; Mousa, M.; Elsayed, M. Theoretical Study of Thermoelectric Cooling System Performance. J. Eng. Res. 2019, 3, 10–19. [Google Scholar] [CrossRef]
- Raju, M.; Saikia, L.C.; Sinha, N. Automatic Generation Control of a Multi-Area System Using Ant Lion Optimizer Algorithm Based PID plus Second Order Derivative Controller. Int. J. Electr. Power Energy Syst. 2016, 80, 52–63. [Google Scholar] [CrossRef]
- Gruk, W.; Habecki, S.; Piotrowski, R. Implementacja niekonwencjonalnych regulatorów PID w sterowniku programowalnym. Pomiary Autom. Robot. 2017, R. 21, 31–39. [Google Scholar] [CrossRef]
- Rajinikanth, V.; Latha, K. Setpoint Weighted PID Controller Tuning for Unstable System Using Heuristic Algorithm. Arch. Control Sci. 2012, 22, 481–505. [Google Scholar] [CrossRef]
- Śmierciak, P.; Ziółkowski, E. Wpływ wybranych parametrów zakłóceń na jakość klasycznego i rozmytego sterowania piecem oporowym. Arch. Foundry Eng. 2014, 14, 123–126. [Google Scholar]
- Witanowski, Ł.; Breńkacz, Ł.; Szewczuk-Krypa, N.; Dorosińska-Komor, M.; Puchalski, B. Comparable Analysis of PID Controller Settings in Order to Ensure Reliable Operation of Active Foil Bearings. Eksploat. Niezawodn. Maint. Reliab. 2022, 24, 377–385. [Google Scholar] [CrossRef]
- Lis, S.; Tomasik, M.; Szul, T. Quality Assessment of Induction Furnace Control for Biomass Ash Fusibility Determination. J. Phys. Conf. Ser. 2022, 2408, 012012. [Google Scholar] [CrossRef]
- Shi, H.; Gao, W.; Jiang, X.; Su, C.; Li, P. Two-dimensional model-free Q-learning-based output feedback fault-tolerant control for batch processes. Comput. Chem. Eng. 2024, 182, 108583. [Google Scholar] [CrossRef]
- Li, H.; Wang, S.; Shi, H.; Su, C.; Li, P. Two-Dimensional Iterative Learning Robust Asynchronous Switching Predictive Control for Multiphase Batch Processes with Time-Varying Delays. IEEE Trans. Syst. Man Cybern. Syst. 2023, 53, 6488–6502. [Google Scholar] [CrossRef]






















| Controller | Relay | Parallel PID | Serial PID | PID + DD | |
|---|---|---|---|---|---|
| Indicator | |||||
| QI1 | 5141 | 2332 | 3438 | 2332 | |
| QI2 | 2.78 × 108 | 6206 | 6567 | 1.07 × 105 | |
| Controller | Relay | Parallel PID | Serial PID | PID + DD | |
|---|---|---|---|---|---|
| Indicator | |||||
| QI1 | 8881 | 7937 | 1.23 × 104 | 8065 | |
| QI2 | 7.50 × 108 | 3.61 × 1010 | 2.15 × 108 | 4.56 × 107 |
Disclaimer/Publisher’s Note: The statements, opinions and data contained in all publications are solely those of the individual author(s) and contributor(s) and not of MDPI and/or the editor(s). MDPI and/or the editor(s) disclaim responsibility for any injury to people or property resulting from any ideas, methods, instructions or products referred to in the content. |
© 2024 by the authors. Licensee MDPI, Basel, Switzerland. This article is an open access article distributed under the terms and conditions of the Creative Commons Attribution (CC BY) license (https://creativecommons.org/licenses/by/4.0/).
Share and Cite
Lis, S.; Knaga, J.; Kurpaska, S.; Famielec, S.; Łyszczarz, P.; Machaczka, M. Optimizing Energy Efficiency in a Peltier-Module-Based Cooling Microunit through Selected Control Algorithms. Energies 2024, 17, 5031. https://doi.org/10.3390/en17205031
Lis S, Knaga J, Kurpaska S, Famielec S, Łyszczarz P, Machaczka M. Optimizing Energy Efficiency in a Peltier-Module-Based Cooling Microunit through Selected Control Algorithms. Energies. 2024; 17(20):5031. https://doi.org/10.3390/en17205031
Chicago/Turabian StyleLis, Stanisław, Jarosław Knaga, Sławomir Kurpaska, Stanisław Famielec, Piotr Łyszczarz, and Marek Machaczka. 2024. "Optimizing Energy Efficiency in a Peltier-Module-Based Cooling Microunit through Selected Control Algorithms" Energies 17, no. 20: 5031. https://doi.org/10.3390/en17205031
APA StyleLis, S., Knaga, J., Kurpaska, S., Famielec, S., Łyszczarz, P., & Machaczka, M. (2024). Optimizing Energy Efficiency in a Peltier-Module-Based Cooling Microunit through Selected Control Algorithms. Energies, 17(20), 5031. https://doi.org/10.3390/en17205031

