Next Article in Journal
Controlling Factors of Vertical Geochemical Variations in Hydrate-Rich Sediments at the Site GMGS5-W08 in the Qiongdongnan Basin, Northern South China Sea
Next Article in Special Issue
Machine Learning-Based Automated Fault Detection and Diagnostics in Building Systems
Previous Article in Journal
Effect of Tributyl Citrate as a Cosolvent on the Phase Behavior of Crude Oil during CO2 Injection Process
Previous Article in Special Issue
A Diagnostic Method for Open-Circuit Faults in DC Charging Stations Based on Improved S-Transform and LightGBM
 
 
Font Type:
Arial Georgia Verdana
Font Size:
Aa Aa Aa
Line Spacing:
Column Width:
Background:
Article

A Novel Approach for Evaluating Power Quality in Distributed Power Distribution Networks Using AHP and S-Transform

1
Department of Electrical Engineering, Fuzhou University, Fuzhou 350116, China
2
Fujian YILI Information Technology Co., Ltd., Fuzhou 350001, China
3
Fujian Great Power Group Co., Ltd., Fuzhou 350001, China
*
Authors to whom correspondence should be addressed.
Energies 2024, 17(2), 411; https://doi.org/10.3390/en17020411
Submission received: 1 December 2023 / Revised: 20 December 2023 / Accepted: 8 January 2024 / Published: 14 January 2024
(This article belongs to the Special Issue Machine Learning and Deep Learning for Energy Systems II)

Abstract

As the penetration rate of new energy generation in distributed distribution networks continues to increase, the integration of numerous new energy power plants and associated power electronic devices presents challenges to the power quality of traditional power systems. Therefore, conducting power quality-related research in distribution networks is of significant importance for maintaining power system stability, safeguarding electrical equipment, and enhancing electrical safety. A framework for evaluating the overall power quality of new energy-penetrated distribution network systems based on the analytic hierarchy process (AHP) is proposed. This framework aggregates and calculates the global power quality index (GPQI) through averaging, thereby completing the assessment of power quality situations. By enhancing the computation speed of evaluation metrics through an improved S-transform and considering various disturbances such as diminished illumination, wind power disconnection, and high-current grounding, the GPQI values are used to assess power quality under diverse scenarios. Simulation and experimental results confirm the framework’s close alignment with real scenarios and its effectiveness in evaluating power quality within distribution networks. This method is crucial for maintaining power system stability, protecting electrical equipment, and enhancing overall electrical safety within distribution networks.

1. Introduction

In the context of China’s comprehensive promotion of the “dual-carbon” goals, improving the energy structure is a necessary process [1]. Among them, the vigorous development of both centralized and distributed energy integration technologies is one of the main methods for improvement, where cleaner forms of new energy will gradually shift towards becoming the main energy supply sources [2]. As the penetration rate of new energy in the grid continues to rise, the issues related to power quality in distributed power distribution networks are becoming increasingly serious [3]. For instance, photovoltaic (PV) power generation commonly employs the maximum power point tracking (MPPT) control strategy [4,5], which makes the total output power of PV generation dependent on surrounding environmental factors. Factors such as sunlight intensity, temporal variations, and weather uncertainties contribute to fluctuations in output power, posing risks to the power system. Furthermore, the direct output of PV modules is in direct current (DC); thus, power electronic devices such as inverters are needed to convert the DC into alternating current (AC) that is in-phase and in-frequency with the grid [6]. During this conversion process, inevitable power quality disturbances (PQD) such as harmonics and voltage sags occur, which will cause distortion of the power signal [7,8,9].
Similarly, whether it is onshore or offshore wind power, the output power is also influenced by environmental conditions, and considerable power electronic equipment is required to integrate them into the grid, adding uncertainties to the power system [10,11]. Events like the switching of large equipment or the integration of distributed power sources into the grid may result in transient oscillations, voltage pulses, and other power quality issues. A low level of power quality in distribution networks can lead to malfunctioning of critical equipment, misalignment of high-precision devices, and erroneous operations of production machinery, resulting in irreversible economic losses. Analysis methods of power quality disturbances involve applying various mathematical transformations to disturbance signals, analyzing their key parameters in the time domain, frequency domain, and time–frequency domain, and extracting their signal characteristics. These characteristics serve as preliminary preparations for subsequent computations, disturbance classification, and other processing steps. With the rapid development of modern signal processing and analysis methods, researchers have explored techniques such as fast Fourier transform [12], wavelet transform [13], empirical mode decomposition [14], Stockwell transform [15], and Hilbert transform [16] to extract features like time–amplitude and time–frequency from disturbance signals. Furthermore, scholars have proposed improved algorithms to reduce computational complexity, enhance processing speed, and improve the accuracy of feature extraction, aiming to enhance the accuracy of subsequent processing steps.
The Stockwell transform (ST) and its various optimized algorithms are common methods for detecting power quality disturbance signals. They possess advantages such as high time–frequency characteristics and effective feature extraction properties [17]. In [18], power quality disturbance signals were partially transformed using ST at specific frequencies to obtain time–frequency matrices. Various original features were extracted and evaluated using gradient boosting trees to identify important features, demonstrating the robustness of ST. In [19], the modulus of the time–frequency matrix obtained from ST was used to detect the start and end times of disturbances using contour lines, while the standard deviation between time–frequency curves was used to detect the magnitudes of voltage signal disturbances, such as sags and interruptions. In [20], the authors compared ST with other signal detection methods, highlighting ST’s effectiveness in detecting noisy power quality disturbances. However, ST also has notable disadvantages, such as the need to perform inverse operations on multiple frequency points of the FFT. This can lead to significant computational demands when disturbance signals have numerous sampling points. Additionally, the fixed Gaussian window of ST can lead to inaccurate time–frequency characteristics, impacting tasks like localization and disturbance classification. Nonetheless, the introduction of incomplete ST and various improved versions have addressed these drawbacks [21,22]. However, these methods have not been fully demonstrated in comprehensive power quality evaluation.
A systematic and standardized power quality assessment framework is crucial for monitoring the power quality status of distribution networks. Monitoring and identification techniques for voltage signal disturbances can provide a foundation for power quality disturbance prediction, source identification, fault localization, and other research areas. Such techniques hold significant importance in enhancing power quality, fault localization, and source identification [23,24]. Power quality encompasses various indicators including amplitude, frequency, stability, and more [25,26]. However, individual assessment metrics cannot cope with the increasingly complex operational environment of present-day distribution grids. Comprehensive power quality assessment involves quantifying the evaluation results of multiple indicators then aggregating them through weighted averaging to derive standardized assessment outcomes. Proposing a scientifically viable comprehensive evaluation system or method that encompasses various scenarios is the focal point and challenge of this field. Assessing the power quality of distribution grids enables practitioners to effectively comprehend the energy’s operational status and quality within the network. This understanding guides subsequent targeted actions; thus, a focused research direction involves objectively weighting various metrics to acquire information on the power quality of distribution grids.
Based on the aforementioned analysis, a framework for assessing the overall power quality of new energy-penetrated distribution network systems using the analytic hierarchy process is proposed in this paper. In contrast to references [18,19,20,21,22], this framework considers different network bus types and calculates the weights of five power quality indicators obtained from an improved S-transform. These indicators are aggregated by averaging to obtain the global power quality index (GPQI), thereby completing the assessment of power quality situations. By enhancing the computation speed of evaluation metrics through the improved S-transform and categorizing the power quality indicators mentioned in [23,24,25,26], considering disturbances such as diminished illumination, wind power disconnection, high-current grounding, this framework evaluates the power quality using GPQI values for various scenarios. Even with changes in the distribution network structure using energy storage systems, this approach effectively evaluates power quality situations under similar events in different network structures using the global power quality index. It has been demonstrated that this evaluation framework can effectively represent the overall power quality situation of the distribution network in numerical form, thereby enhancing the efficiency of feature recognition.
This study primarily focuses on the following aspects. First, an introduction to power quality standards is provided. A distribution network test system is constructed that includes photovoltaic power generation, wind energy conversion, and energy storage systems. This system serves as a foundational data source for subsequent power quality evaluation and classification simulations. Second, leveraging the advantages of the improved S-transform in terms of accurate and swift signal detection, this paper proposes an AHP-based composite index evaluation method using the improved S-transform. The application steps of the improved S-transform algorithm are initially outlined. Following this, based on the principles of the analytic hierarchy process (AHP), five indicators are proposed, and their respective weights are calculated. An algorithm for global evaluation is summarized, utilizing the constructed distribution network system for simulation verification of the proposed method.

2. Distributed Power Grid Testing System

The studied testing system for the distributed power grid is based on the IEEE 13-node test system, as shown in Figure 1. A doubly fed induction generator (DFIG) and a photovoltaic array are connected to the distribution grid at the point of common coupling (PCC) bus through a series of control systems. The battery–ultracapacitor energy storage system serves as a system for mitigating power fluctuations [27], and its connection status is used for evaluating power quality index (PQI) comparisons. The single-line diagram of the testing system is illustrated in Figure 1.

2.1. Photovoltaic System Modeling

The photovoltaic system module and single photovoltaic array unit simulation circuit are shown in Figure 2. Multiple photovoltaic units are connected in parallel. Their output is first converted into a stable DC voltage by a boost converter, and then the power output of the DC converter is controlled by maximum power point tracking (MPPT). By obtaining relevant parameters of the power grid, the three-phase bridge inverter is controlled by the PQ control system to complete the conversion of electric energy [28]. Filters and transformers are used, respectively, to enhance and couple the power signal to the IEEE 13 bus system.

2.2. Modeling of Wind Energy Conversion System

A doubly fed induction generator (DFIG) composed of a controllable speed induction motor and a wound rotor forms the wind energy conversion system, driven by a wind turbine. DFIG offers advantages such as high output, minimized mechanical loading, easier control, and a wide range of active and reactive power control [29]. The stator of the DFIG is coupled to the IEEE 13-bus power system through transformers and filters. The decoupled control of active and reactive power of the DFIG is achieved through the rotor-side converter (RSC) connected to the rotor, the grid-side converter (GSC), the DC link capacitor, and filters. The control of both the rotor-side and grid-side converters is implemented using back-to-back pulse-width modulation (PWM) converters based on sampled proportional–integral (PI) controllers. Refer to Figure 3 for illustration.

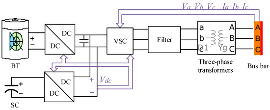
2.3. Modeling of Battery–Supercapacitor Energy Storage System

In reference [30], the combination of a distribution static compensator (DSTATCOM) and a battery energy storage system demonstrated significant effects in load compensation, harmonic current elimination, voltage flicker mitigation, voltage, and frequency regulation. However, the presence of the DSTATCOM considerably improved the power quality of the system, resulting in a notable gap in power quality without the DSTATCOM. To examine the effects of subtle variations in the distribution network on grid power quality index (GPQI) parameters, this study proposes a battery-supercapacitor energy storage system.
The energy storage system plays a role in mitigating power fluctuations [05]. The combination of battery (BT) and supercapacitor (SC) can reduce the impact of fluctuations in wind and solar power on the distribution network. The rated voltage of the energy storage system is set at 220 V and is connected to the point of common coupling (PCC) of the distribution network via a step-up transformer and voltage source converter (VSC), as shown in Figure 4.

3. Extracting Power Quality Indices Based on Improved S-Transform

3.1. Incomplete S-Transform with Improved Effective Window Width

The S-transform is a signal time–frequency analysis method introduced by Stockwell in 1996. Its principle is illustrated in Equation (1), where a one-dimensional signal x(t) undergoes windowing and Fourier transformation to obtain a two-dimensional matrix ST(τ, f):
S T ( τ , f ) = x ( t ) w ( τ t , f ) e i 2 π f t d t .
In the equation, w(τ-t, f) represents the window function. Traditional S-transform uses the Gaussian window function, which is expressed as Equation (2). The choice of window function determines the time–frequency resolution. The expression of the Gaussian window in the frequency domain is given by Equation (3).
w ( τ t , f ) = 1 σ 2 π e ( τ t ) 2 2 σ 2 ( f )
W ( σ , f ) = e 2 π 2 σ 2 f 2
In the traditional S-transform, where σ is set as f-1, the controllability of the Gaussian window function’s width is poor. This leads to difficulties in achieving ideal time–frequency resolution at low and high frequencies, resulting in lower identification accuracy. To address this issue, researchers introduced the generalized S-transform, which improves time–frequency resolution by modifying the window function’s expression. For instance, in reference [14], σ(f) was improved to enhance the controllability of the window width, thereby achieving better time–frequency resolution. However, these methods often rely on empirically modifying the window function’s expression, leading to complex parameter tuning and suboptimal performance when facing changes in parameters like sampling frequency.
To overcome these limitations, this paper proposes an incomplete S-transform algorithm based on an improved effective window width.
The expression for the S-transform can be rewritten as shown in Equation (4), where U(α) represents the Fourier transform result of the signal x(t):
S T ( τ , f ) = U ( α + f ) W ( σ , f ) e i 2 π α τ d α .
The Fourier transform results of the signal U and the window function W can be used to transform a specific frequency point f, obtaining the time-domain information of that frequency point, thereby completing the incomplete S transform. Finally, the optimal σ values corresponding to the best window width for each frequency point can be determined. This is represented in Equation (5), where [fan, fbn] represents the interval of effective window width that contains energy ED, accounting for 95% of the energy across all frequency points:
σ = 3 π ( f b n f a n ) .
When analyzing sampled voltage and current signals, the complete S-transform can be applied. After identifying characteristic frequency points, the incomplete S-transform is utilized to process the signals. This approach eliminates a significant amount of redundant computations, thereby enhancing computational speed and accuracy.

3.2. Selection of Power Quality Evaluation Indices

Harmonic distortion is generated by various types of harmonic-producing devices, such as power converters, rotating machinery, arc furnaces, fluorescent lamps, and more. In many cases, when distributed generation units are connected to nonlinear loads, harmonic distortion in the distribution system can be exacerbated. According to IEEE 519, THDv (total harmonic distortion of voltage) and THDi (total harmonic distortion of current) serve as power quality indices for harmonic distortion. The harmonic frequencies at the point of common coupling (PCC) are typically calculated up to the 40th harmonic, as shown in Equations (6) and (7):
T H D v = h > 1 h = 40 | V h | 2 / V 1 ,
T H D i = h > 1 h = 40 | I h | 2 / I 1 .
In the equations, Vh and Ih represent the RMS value of the hth harmonic current and voltage measured at the PCC, while V1 and I1 are the RMS values of their fundamental components. According to IEEE 519, for the studied system, THDv and THDi values are not expected to exceed 5%.
In IEEE Std. 1159, voltage sags and swells are defined as instances where the effective value of voltage deviates within a time range of 0.5 cycles to 1 min. Based on this, in this paper, the voltage deviation score (ADS) is calculated from the RMS values of the three-phase voltages (Va, Vb, Vc). The expression for the voltage deviation score is given by Equation (8):
A D S = 1 V a + 1 V b + 1 V c 3 × 100 .
The standard definition for frequency deviation is the increase or decrease in the power system frequency, lasting from a few cycles to several hours. According to EN 50,160, within 95% of a cycle, the frequency deviation should be within a certain percentage around the rated frequency (50 or 60 Hz), and over the entire cycle, the frequency deviation should be within −6% to +4% of the rated frequency [10]. The frequency deviation ratio (FDR) is defined as shown in Equation (9):
F D R = f m f 1 f 1 × 100 .
In the equation, fm represents the measured voltage fundamental frequency, which changes over time, and f1 is the system’s rated frequency.
Voltage flicker is also a significant factor influencing power quality. It is defined as twice the amplitude of the voltage signal at various frequencies, corresponding to the peak-to-peak fluctuation of the root mean square (RMS) values of the voltage waveform at that frequency. This value represents the voltage flicker at that frequency. The International Electrotechnical Commission (IEC) recognized voltage flicker as a crucial indicator for assessing power system quality in 1994. The expressions for VFL are given by Equations (10) and (11):
p = k = 1 l 2 U f k d u k 2 ,
V F L = 0.0314 p 0.1 + 0.0525 p 1 + 0.0657 p 3 + 0.28 p 10 + 0.08 p 50 .
In the equation, Uf(k) represents the discrete spectral sequence, duk is the instantaneous flicker value corresponding to a sine voltage fluctuation value at a specific frequency when p = 1, and l is the value corresponding to the maximum frequency within the spectrum. p0.1, p1, p3, p10, and p50, respectively, represent the instantaneous flicker values at the cumulative probability points of 0.1%, 1%, 3%, 10%, and 50% in the voltage flicker accumulated probability function over the monitoring period.
Power factor (PF) is the ratio of active power to apparent power. Low PF values often arise from inductive loads, such as induction motors and transformers. The actual power factor measured at the point of common coupling (PCC) should be maintained within an acceptable range (>90%) to enhance energy transfer efficiency of the system. This is expressed in Equation (12):
P F = P 1 + h > 1 40 P h / S 1 + h > 1 40 S h .
In the equation, Ph and S1 represent the active power and apparent power of the fundamental frequency signal at the monitoring point, respectively. Ph and Sh represent the active and reactive power of the h-th harmonic component, respectively.
Through the analysis of the above power quality evaluation indicators, it can be seen that THD can be used to measure the total distortion of all harmonics in an electrical signal relative to the fundamental wave. ADS can be used to describe the nonlinear distortion of a voltage or current waveform. It can help evaluate the asymmetry and nonlinearity of the waveform. FDR measures instantaneous changes in voltage or current, specifically the frequency and amplitude of instantaneous changes in voltage or current. VFL can be used to evaluate instantaneous changes in voltage in the power grid, especially rapid changes in voltage over a short period of time. PF is a measure of the relationship between active power and apparent power, indicating how efficiently energy is used in equipment and systems. These indicators cover different aspects of power quality, from harmonics and distortion to voltage and power factor, enabling a comprehensive assessment of power quality issues in distribution networks. These indicators are selected to comprehensively consider the impact of different power quality aspects in order to evaluate and monitor the operating status of the power system more comprehensively.

4. Determining PQ Index Weights Based on Analytic Hierarchy Process (AHP)

4.1. Analytic Hierarchy Process (AHP) Procedure

In the assessment of power quality, multiple indicators may be involved, each impacting the system’s performance differently. To systematically evaluate the significance and weights of various power quality indicators, especially when multiple indicators need consideration, the analytic hierarchy process (AHP) provides a hierarchical analytical method. It allows for the breakdown of complex decision problems into a series of hierarchies, providing a clearer understanding of the relationships between different factors and enabling appropriate weight allocation. The relative importance of indicators such as THD, ADS, FDR, VFL, and PF in power quality assessment can be determined comprehensively via the AHP. This scientific approach facilitates their incorporation into the final comprehensive assessment. The analytic hierarchy process (AHP) is a decision-making and analysis method that combines quantitative and qualitative aspects, is systematic, and operates in a hierarchical manner. It was initially introduced by American operations researcher Thomas Saaty in the 1970s. The AHP is based on pairwise comparisons between different attributes, which are used to form a judgment matrix. The weights of each attribute are determined by calculating the maximum eigenvalue of the judgment matrix [31]. The steps of AHP are as follows:
(1)
Build the hierarchical model and establish the judgment matrix.
(2)
Calculate the maximum eigenvalue (λmax) of the judgment matrix and its corresponding eigenvector. The elements of the eigenvector correspond to the weights of each attribute.
(3)
Calculate the consistency index (CI) and the consistency ratio (CR) to check whether the results are acceptable, as shown in Equation (13):
C I = λ max N f / N f 1 C R = C I / R I .
In the equation, Nf represents the dimension of the judgment matrix, and RI is the average random consistency index associated with the dimension of the judgment matrix. For the six criteria used to assess power quality in this paper, which corresponds to a sixth-order matrix, RI is taken as 1.26 [32,33,34]. The fundamental scale for comparisons is 1–9, as shown in Table 1. Figure 5 illustrates the complete flowchart of the AHP process.
To validate the superiority of the proposed method, a comparison was made between the analytic hierarchy process (AHP) method, the average weighting method, and the rank order method. The average weighting method is a common decision-making approach used to determine the weights or importance of multiple evaluation indicators. In this method, each indicator is considered equally important and thus assigned equal weights. The rank order method involves decision-makers ranking or ordering indicators based on their perceived importance or subjective judgment of the relationships between the indicators. To comprehensively compare the strengths and weaknesses of these three methods, scenarios were constructed for the PCC bus, the public grid bus, and the load bus.
For the point of common coupling (PCC) bus, three scenarios are considered: assuming THDi is the most critical indicator affecting power quality; assuming VF is the most critical element affecting power quality; and assuming THDv is the most critical element affecting power quality. The judgment matrices for these scenarios are shown in Table 2. The composite reliable weight vector for this type of bus, considering the three hypothetical scenarios, is calculated as Wpcc = [0.267, 0.243, 0.11, 0.267, 0.113]T.
For the public grid bus, the three hypothetical scenarios are as follows: assuming THDv is the most crucial indicator affecting power quality; assuming AD is the most crucial element affecting power quality; and assuming VF is the most crucial element affecting power quality. The judgment matrices for these scenarios are shown in Table 3. The composite reliable weight vector for this type of bus, derived from the calculations considering the three scenarios, is Wgrido = [0.29, 0.134, 0.243, 0.243, 0.09]T.
Similarly, for the load bus, most electrical devices require relatively high voltage magnitude and power factor to ensure normal operation, reduce damage, and extend their lifespan. Hence, two scenarios were considered: assuming AD is the most crucial element affecting power quality; and assuming PF is the most critical element affecting power quality. The judgment matrices for these scenarios are presented in Table 4. Combining the weight vectors corresponding to the two assumed scenarios, the average reliable weight vector for this type of bus is calculated as Wloado = [0.2, 0.135, 0.3, 0.1, 0.265]T.
The average weight method is also a commonly used statistical method to evaluate system index, that is, the average weight of five types of weights is calculated for each bus, which is also used as a reference object for index evaluation and comparison.
Looking at the overall trend first, in Table 5, the analysis through GPQI shows a consistent outcome among the three algorithms, indicating that integrating energy storage can effectively improve the power quality environment in the distribution network. This outcome suggests that both the proposed method and the comparative methods can effectively evaluate the overall power quality level of the distribution network. Upon closer examination, the PCC bus, being closer to the disturbance source, exhibits the lowest power quality level, reflected in the highest PQI value. The load bus, situated in the low-voltage area and prone to the impact of disturbance sources, should rank second in PQI values. In contrast, the public bus, being farther from the disturbance source and supported by the main grid, demonstrates the best power quality level and hence the lowest PQI value. In terms of specific numerical results, the average weighting method contradicts this trend, while only the ordinal method and the proposed algorithm accurately depict the power quality levels of each bus. However, the AHP results align more closely with the actual scenario of the distribution network, displaying a clearer distinction among the PQI values of the three buses and providing a more precise real-time assessment of power quality levels.

4.2. Establishment of Weights for Various PQ Indices of Different Bus Types

In this study’s system, each bus type considers the indices proposed in Section 2: THDv, THDi, ADS, FDR, VFL, and 1/PF. The inclusion of the inverse of power factor here is to ensure that for all six indices, smaller values represent better power quality and higher evaluation, while larger values indicate poorer power quality. In the distribution network system, different bus types have varying importance for each index in power quality assessment.
For distributed energy resources connected to the point of common coupling (PCC) bus, THDi, FDR and VFL are relatively more crucial. These factors play a significant role in ensuring stable integration of renewable energy sources into the distribution network. The importance of other indices may vary for different bus types. Considering the diversity of distributed distribution network structures, this paper categorizes bus types into PCC bus, public grid bus, and load bus. Considering the various scenarios in distributed distribution network configurations, this paper calculates the weighted averages of the indices for each bus type, thus determining their significance for the six indices.
For the PCC bus, the three scenarios are as follows: assuming THDi is the most important indicator affecting power quality; assuming ADS is the most important element affecting power quality; and assuming VFL is the most important element affecting power quality. The judgment matrices for these scenarios are presented in Table 6. By calculating the consistency ratio, it is determined that the assessment of the comparison matrices is consistent.
By synthesizing the three weight vectors from these assumptions, the average reliable weight vector for this bus type is calculated as Wpcc = [0.1387, 0.2074, 0.1709, 0.1855, 0.2118, 0.0857]T.
For the public grid bus, the three scenarios are as follows: assuming THDv is the most important indicator affecting power quality; assuming ADS is the most important element affecting power quality; and assuming FDR is the most important element affecting power quality. The judgment matrices for these scenarios are presented in Table 7. By calculating the consistency ratio, it is determined that the assessment of the comparison matrices is consistent.
For the load bus, the three scenarios are as follows: assuming PF is the most important indicator affecting power quality; assuming ADS is the most important element affecting power quality; and assuming THDi is the most important element affecting power quality. The judgment matrices for these scenarios are presented in Table 8. By calculating the consistency ratio, it is determined that the assessment of the comparison matrices is consistent.
By synthesizing the three weight vectors from these assumptions, the average reliable weight vector for this bus type is calculated as Wload = [0.1199, 0.1949, 0.2629, 0.0950, 0.0647, 0.2624]T.
The PQI (power quality index) is calculated for each bus using the average weight vector. The expression for PQI is given by Equation (14):
P Q I = p = 1 N f w p F p   , p = 1 N f w p = 1 .
In the equation, Nf represents the number of selected power quality influencing indices, Fp is the measured value of index p, and wp is the corresponding weight of index p. Therefore, in this paper, the PQI calculation formula can be rewritten as follows:
P Q I = w 1 T H D v + w 2 T H D i + w 3 A D S + w 4 P D R + w 5 V F L + w 6 1 / P F
For each bus type, the average sum of all power quality indices is calculated. The overall power quality of the distribution network system can be expressed as shown in Equation (16):
G P Q I = ( i = 1 m P Q I p c c m + i = 1 n P Q I g r i d n + i = 1 l P Q I l o a d l ) / 3
In the equation, m, n, and l represent the number of PCC buses, public grid buses, and load buses in the studied distribution network system, respectively. These numbers are determined by the structure and distribution of the distribution network system. In the hybrid distribution network test system studied in this paper, m = 1, n = 1, and l = 11.

5. Simulation Analysis and Validation Results

In this section, the simulation results and analysis are discussed for a hybrid distribution network system with new energy sources under three different scenarios: reduction in photovoltaic (PV) generation; wind power disconnection; and a three-phase fault. The simulation was conducted under two conditions: when the hybrid energy storage system is connected and disconnected. The distribution network results are illustrated in Figure 1. The simulation time was set to 3 s, and the occurrences of the three events are described as follows:
  • At 0.7 s, the environmental light gradually decreases and returns to its original value at 1 s.
  • At 1.7 s, a wind power disconnection event occurs.
  • At 2.5 s, a sudden three-phase high current-to-ground fault occurs on the line between node 684 and node 671.

5.1. Simulation Analysis of Distribution Network System Events

As shown in Figure 6, the amplitude–frequency–time contour plot of the voltage at the measurement point of the PCC bus in the distribution network system is obtained through S-transform. The vertical axis represents signal frequency, the horizontal axis represents time, and the color represents amplitude. It can be observed that during the wind power disconnection event and the three-phase ground fault, the contour lines clearly indicate fluctuations in voltage amplitude and frequency. The fluctuations in amplitude and frequency are particularly significant after the occurrence of the three-phase fault. For a more detailed representation, Figure 7 and Figure 8 illustrate the relationship between AD (amplitude distortion) and total harmonic distortion of voltage and current at the PCC bus over a 3 s period.
By shifting the sampled signals with a certain step size and performing an improved S-transform, the main changes in the evaluation indices at different times can be obtained. In Figure 7, the blue line represents the relationship between power quality indices and time for the distribution network test system without energy storage system, while the red line represents the relationship between indices and time when the energy storage system is connected. It is evident that under stable system conditions, the amplitude distortion (AD) score is almost close to 0.01. After 0.7 s, due to fluctuations in the photovoltaic system, AD increases noticeably, indicating a decline in power quality. Comparatively, with the integration of the energy storage system, the increase in AD at the PCC node of the distribution network system is lower than that without energy storage.
This trend becomes more pronounced after the wind power disconnection event at 1.7 s. The disconnection of wind power leads to an increase in voltage amplitude. Despite the energy storage system’s ability to dampen it, the value still reaches around 0.07. The AD score in the presence of energy storage is relatively lower compared to the case without energy storage in the distribution network system. This is consistent with expectations, demonstrating that the proposed AD index can effectively detect and participate in evaluating the power quality of the distribution network.
In the distribution network test system, the total harmonic distortion (THD) of voltage and current at the PCC bus during normal operation and when disturbance events occur are shown in Figure 8. It can be observed that under normal system operation and minor disturbance events like a slight reduction in photovoltaic generation due to reduced sunlight, both THDv and THDi are within 0.05. After the wind power disconnection event, THDv increases significantly, while THDi increases relatively less. Moreover, the THDv and THDi with the energy storage system in the network are smaller compared to the case without energy storage, which is consistent with expectations. This demonstrates the accuracy of the algorithm in assessing the total harmonic distortion indices.
In the case of the distribution network test system with energy storage, when a high current-to-ground fault occurs at 2.5 s, THDv decreases slightly while THDi increases. This indicates that a large current-to-ground fault has a significant impact on the THDi, highlighting the sensitivity of this index to such fault conditions.
Similarly, the proposed method can measure the variation of power factor (PF) under different operating conditions of the distribution network system, as shown in Figure 9. In the distribution network with an energy storage system, the PF at the PCC node is higher. This is because the presence of the energy storage system, with its supercapacitor component, can mitigate the significant variations in power. Additionally, the large capacitor in the energy storage system functions similarly to a reactive power compensator, thus helping to stabilize the power factor.
Under events like high current-to-ground faults or wind power disconnection, the proposed method successfully detects and quantifies the changes in power factor. This demonstrates the capability of the proposed evaluation method to accurately assess the power factor as an important power quality indicator.
By segmenting the sampled signals and applying the improved S-transform, the variations of the proposed evaluation indices at different time intervals are visually represented. This approach provides a clear depiction of the rise and fall of various indices calculated at the node buses. It also illustrates the sensitivity of different power quality indices to disturbances such as decreasing sunlight, wind power disconnection, and sudden three-phase fault events on the lines.
Furthermore, this visualization showcases the effectiveness of the algorithm in capturing the impact of these disturbances on the power quality indices. It offers insights into the degree to which different power quality indicators respond to varying magnitudes of disturbances, demonstrating the validity and robustness of the proposed algorithm.

5.2. Evaluation of Power Quality Data in the Distribution Network

The measured voltage and current at different bus types are used to estimate the power quality performance in the distribution network. The overall simulation results of the system within a 3 s timeframe, both with and without energy storage, are presented in Table 9. When considering the presence or absence of an energy storage system, the THDV at the common grid bus can be nearly neglected. Furthermore, most power quality indicators for the common grid bus do not show significant differences between the two distribution network configurations, except for the power factor (PF). Due to the compensatory effect of the energy storage system in providing reactive power, the PF-related indicator, 1/PF, is smaller in the network with energy storage.
The PCC bus is closest to the time of disturbance occurrence, resulting in relatively high total harmonic distortion (THDi) for both voltage and current. Due to the events of disturbance, the power quality indicator AD averages 0.0354 over the 3 s interval, with the common grid bus having a voltage dip of only 0.0025. In relative terms, the load bus is situated at the end of the distribution network testing system, leading to a higher AD score of 0.0831. The impact of the energy storage system on AD is minimal, while it plays a mitigating role on various power quality indicators at the PCC bus. Notably, the energy storage system effectively reduces the value of the THDi indicator.
Based on Equations (15) and (16), the PQI values for each bus type within the distribution network system for the 3 s period can be calculated, along with the overall global power quality index (GPQI), as shown in Table 10. It is evident that the load bus has the highest PQI in both distribution network configurations, indicating relatively poorer power quality. The common grid bus, due to its less direct impact from the distribution network system, has a lower PQI. In the case of the network with energy storage, its PQI is only 0.2695. The load bus, being situated farther from the main grid, has a PQI of 0.4580, which is higher than that of the common grid bus, primarily due to the impact of voltage magnitude drops.
The presence of the energy storage system has the most significant impact on the power quality of the PCC bus. This is because the energy storage system is connected near distributed renewable energy sources, and it can mitigate their impact on the distribution network during events like power drops or disconnections of the renewable sources. In cases where the distribution network is not connected to the energy storage system, the PQI for the PCC bus is 0.5031, which is 7.846% higher compared to when the energy storage system is connected. In terms of the overall power quality, the GPQI for the distribution network with the energy storage system is 0.3981, which is 0.0134 lower than without the energy storage system. This indicates that the energy storage system provides some optimization benefits to the distribution network with renewable sources, enhancing the overall power quality level.
In addition to evaluating power quality for the overall simulation of the distribution network system, the power quality indicators during the three different disturbance events—reduction in photovoltaic power due to reduced sunlight, wind power disconnection, and three-phase fault with large current—are analyzed. The corresponding GPQI values calculated using Equations (15) and (16) are presented in Table 11 and Table 12. During the short-term reduction in sunlight, where photovoltaic power decreases slowly, both distribution network structures exhibit relatively good power quality, with GPQI values of 0.3868 and 0.3842, which are 6.002% and 3.492% lower than the GPQI for the 3 s period in the distribution network. The impact of the energy storage system on power quality during relatively stable disturbance events is minimal.
During the period of wind power disconnection, as indicated in the schematic diagrams from Figure 7, Figure 8 and Figure 9 in the previous subsection, the numerical values of power quality indicators exhibit relatively significant fluctuations. Wind power disconnection notably affects the power quality at the PCC bus, leading to increased values in THDV, THDi, and AD, which signifies a deterioration in power quality. In the distribution network system without energy storage, the global power quality index (GPQI) during this period is 0.5536. This is 43.12% higher compared to the period with reduced sunlight, which is closest to normal operation. In the distribution network system with energy storage, the GPQI during the wind power disconnection period is 34.83% higher compared to the period with reduced sunlight. This indicates that the presence of the energy storage system effectively mitigates power quality losses caused by highly disruptive network events.
For the public grid buses, wind power disconnection leads to a more noticeable increase in the amplitude deviation score indicator. This is because when the wind power conversion system disconnects, the distribution network system lacks the active and reactive output of this power generation system. As a result, the output current of the main grid increases, leading to a higher amplitude deviation. Compared to the first two types of bus types, this event has relatively less impact on the power quality of the load bus, which is located at the end of the distribution network.
By evaluating the power quality simulation of three different disturbance events under two different distribution network system structures, it is demonstrated that the proposed use of GPQI for global assessment of distribution network power quality is effective and consistent with the actual situation of power quality in distribution networks.

6. Conclusions

This paper introduces a structured framework to evaluate the comprehensive power quality across diverse configurations of new energy-infused distribution network systems, employing the analytic hierarchy process (AHP). This framework accounts for various network bus types, computes the weights for five power quality metrics derived from an enhanced S-transform, and amalgamates them to establish the global power quality index (GPQI) for comprehensive quality assessment. The utilization of the enhanced S-transform significantly accelerates indicator computations, encompassing factors like diminished sunlight, wind power disconnection, and instances of high-current grounding. By integrating an energy storage system to modify the distribution network structure, this approach adeptly appraises power quality under analogous events across distinct network structures, leveraging the GPQI. The framework convincingly portrays its capacity to quantitatively capture the holistic power quality panorama in distribution networks.

Author Contributions

Conceptualization, T.J.; methodology, Y.C., T.J. and D.Y.; software, X.W. and M.H.; validation, M.H.; formal analysis, X.W.; investigation, G.Z.; resources, X.W. and G.Z.; data curation, Z.T.; writing—original draft preparation, Y.C.; writing—review and editing, Y.C. and D.Y.; visualization, M.H.; supervision, Z.T. and T.J.; project administration, Z.T. All authors have read and agreed to the published version of the manuscript.

Funding

This research received no external funding.

Data Availability Statement

Our dataset was collected under laboratory conditions and is not au-thorized for publication.

Conflicts of Interest

Author Zhenli Tang, Xiaofeng Weng, Min He were employed by Fujian YILI Information Technology Co., Ltd. Author Guanghong Zhang was employed by State Grid Fujian Electric Power Co., Ltd. The remaining authors declare that the research was conducted in the absence of any commercial or financial relationships that could be construed as a potential conflict of interest. The authors declare no conflicts of interest.

References

  1. Zheng, X.; Bai, F.; Zhuang, Z.; Chen, Z.; Jin, T. A New Demand Response Management Strategy Considering Renewable Energy Prediction and Filtering Technology. Renew. Energy 2023, 211, 656–668. [Google Scholar] [CrossRef]
  2. Liu, Y.; Yuan, D.; Gong, Z.; Jin, T.; Mohamed, A. Adaptive Spectral Trend Based Optimized EWT for Monitoring the Parameters of Multiple Power Quality Disturbances. Int. J. Electr. Power Energy Syst. 2023, 146, 108797. [Google Scholar] [CrossRef]
  3. Ashley, M.J.; Johnson, M.S. Establishing a Secure, Transparent, and Autonomous Blockchain of Custody for Renewable Energy Credits and Carbon Credits. IEEE Eng. Manag. Rev. 2018, 46, 100–102. [Google Scholar] [CrossRef]
  4. Nabil, K.; Moubayed, N.; Outbib, R. General review and classification of different MPPT Techniques. Renew. Sustain. Energy Rev. 2017, 68, 1–18. [Google Scholar]
  5. Mirza, A.F.; Mansoor, M.; Ling, Q.; Yin, B.; Javed, M.Y. A Salp-Swarm Optimization based MPPT technique for harvesting maximum energy from PV systems under partial shading conditions. Energy Convers. Manag. 2020, 209, 112625. [Google Scholar] [CrossRef]
  6. Jin, T.; Lin, J.; Li, H.; Yan, X.; Weng, Y.; Mao, X. A Novel Three-Winding Coupled Inductor-Based High Step-up DC-DC Converter for Renewable Energy Application. IEEE J. Emerg. Sel. Top. Power Electron. 2023, 11, 4477–4490. [Google Scholar] [CrossRef]
  7. Pragnyashree, R.; Ray, P.K.; Dash, S.K. Power quality enhancement and power flow analysis of a PV integrated UPQC system in a distribution network. IEEE Trans. Ind. Appl. 2021, 58, 201–211. [Google Scholar]
  8. Qiu, W.; Tang, Q.; Liu, J.; Yao, W. An automatic identification framework for complex power quality disturbances based on multifusion convolutional neural network. IEEE Trans. Ind. Inform. 2019, 16, 3233–3241. [Google Scholar] [CrossRef]
  9. Caicedo, J.E.; Agudelo-Martínez, D.; Rivas-Trujillo, E.; Meyer, J. A systematic review of real-time detection and classification of power quality disturbances. Prot. Control. Mod. Power Syst. 2023, 8, 1–37. [Google Scholar] [CrossRef]
  10. Shen, Y.; Abubakar, M.; Liu, H.; Hussain, F. Power quality disturbance monitoring and classification based on improved PCA and convolution neural network for wind-grid distribution systems. Energies 2019, 12, 1280. [Google Scholar] [CrossRef]
  11. Huang, S.; Wang, J.; Huang, C.; Zhou, L.; Xiong, L.; Liu, J.; Li, P. A fixed-time fractional-order sliding mode control strategy for power quality enhancement of PMSG wind turbine. Int. J. Electr. Power Energy Syst. 2022, 134, 107354. [Google Scholar] [CrossRef]
  12. Pinto, L.S.; Assunção, M.V.; Ribeiro, D.A.; Ferreira, D.D.; Huallpa, B.N.; Silva, L.R.; Duque, C.A. Compression method of power quality disturbances based on independent component analysis and fast fourier transform. Electr. Power Syst. Res. 2020, 187, 106428. [Google Scholar] [CrossRef]
  13. Vinayagam, A.; Veerasamy, V.; Radhakrishnan, P.; Sepperumal, M.; Ramaiyan, K. An ensemble approach of classification model for detection and classification of power quality disturbances in PV integrated microgrid network. Appl. Soft Comput. 2021, 106, 107294. [Google Scholar] [CrossRef]
  14. Sahani, M.; Dash, P.K.; Samal, D. A real-time power quality events recognition using variational mode decomposition and online-sequential extreme learning machine. Measurement 2020, 157, 107597. [Google Scholar] [CrossRef]
  15. Cui, C.; Duan, Y.; Hu, H.; Wang, L.; Liu, Q. Detection and classification of multiple power quality disturbances using stockwell transform and deep learning. IEEE Trans. Instrum. Meas. 2022, 71, 3214284. [Google Scholar] [CrossRef]
  16. Rodriguez, M.A.; Sotomonte, J.F.; Cifuentes, J.; Bueno-López, M. A classification method for power-quality disturbances using Hilbert–Huang transform and LSTM recurrent neural networks. J. Electr. Eng. Technol. 2021, 16, 249–266. [Google Scholar] [CrossRef]
  17. Venkateswara, R.M.; Sodhi, R. A modified S-transform and random forests-based power quality assessment framework. IEEE Trans. Instrum. Meas. 2017, 67, 78–89. [Google Scholar] [CrossRef]
  18. Wang, T.; Xu, H.; Han, J.; Elbouchikhi, E.; Benbouzid, M.E.H. Cascaded H-bridge multilevel inverter system fault diagnosis using a PCA and multiclass relevance vector machine approach. IEEE Trans. Power Electron. 2015, 30, 7006–7018. [Google Scholar] [CrossRef]
  19. Dash, P.K.; Panigrahi, B.K.; Panda, G. Power quality analysis using S-transform. IEEE Power Eng. Rev. 2002, 22, 60. [Google Scholar] [CrossRef]
  20. Prakash, K.; Kishor, N.; Mohanty, S.R. Islanding and power quality disturbance detection in grid-connected hybrid power system using wavelet and S-transform. IEEE Trans. Smart Grid 2012, 3, 1082–1094. [Google Scholar]
  21. Li, P.; Gao, J.; Xu, D.; Wang, C.; Yang, X. Hilbert-Huang transform with adaptive waveform matching extension and its application in power quality disturbance detection for microgrid. J. Mod. Power Syst. Clean Energy 2016, 4, 19–27. [Google Scholar] [CrossRef]
  22. Nilanjan, S.; Suryanarayanan, S.; Ribeiro, P.F. An improved Hilbert–Huang method for analysis of time-varying waveforms in power quality. IEEE Trans. Power Syst. 2007, 22, 1843–1850. [Google Scholar]
  23. Garcia, C.I.; Grasso, F.; Luchetta, A.; Piccirilli, M.C.; Paolucci, L.; Talluri, G. A comparison of power quality disturbance detection and classification methods using CNN, LSTM and CNN-LSTM. Appl. Sci. 2020, 10, 6755. [Google Scholar] [CrossRef]
  24. Mahela, O.P.; Khan, B.; Alhelou, H.H.; Tanwar, S. Assessment of power quality in the utility grid integrated with wind energy generation. IET Power Electron. 2020, 13, 2917–2925. [Google Scholar] [CrossRef]
  25. Kharrazi, A.; Sreeram, V.; Mishra, Y. Assessment techniques of the impact of grid-tied rooftop photovoltaic generation on the power quality of low voltage distribution network-A review. Renew. Sustain. Energy Rev. 2020, 120, 109643. [Google Scholar] [CrossRef]
  26. Bulatov, Y.N.; Kryukov, A.; Suslov, K. Group predictive voltage and frequency regulators for small hydro power plant in the context of low power quality. Renew. Energy 2022, 200, 571–578. [Google Scholar] [CrossRef]
  27. Sun, Y.; Zhao, Z.; Yang, M.; Jia, D.; Pei, W.; Xu, B. Overview of energy storage in renewable energy power fluctuation mitigation. CSEE J. Power Energy Syst. 2019, 6, 160–173. [Google Scholar]
  28. Worku, M.Y.; Abido, M.A. Real-time implementation of grid-connected PV system with decoupled P-Q controllers. In Proceedings of the 22nd Mediterranean Conference on Control and Automation, Palermo, Italy, 16–19 June 2014; pp. 16–19. [Google Scholar]
  29. Hu, B.; Nian, H.; Li, M.; Liao, Y.; Yang, J.; Tong, H. Impedance characteristic analysis and stability improvement method for DFIG system within PLL bandwidth based on different reference frames. IEEE Trans. Ind. Electron. 2022, 70, 532–543. [Google Scholar] [CrossRef]
  30. Dash, A.; Bagarty, D.P.; Hota, P.K.; Muduli, U.R.; Al Hosani, K.; Behera, R.K. Performance evaluation of three-phase grid-tied SPV-DSTATCOM with DC-offset compensation under dynamic load condition. IEEE Access 2021, 9, 161395–161406. [Google Scholar] [CrossRef]
  31. Saaty, T.L. Decision making-the Analytic Hierarchy and Network Processes (AHP/ANP). Syst. Sci. Syst. Eng. 2004, 233, 363–419. [Google Scholar] [CrossRef]
  32. Ge, Z.; Liu, Y. Analytic Hierarchy Process Based Fuzzy Decision Fusion System for Model Prioritization and Process Monitoring Application. IEEE Trans. Ind. Inform. 2018, 15, 357–365. [Google Scholar] [CrossRef]
  33. Gu, H.; Wang, J.; Yu, J.; Wang, D.; Li, B.; He, X.; Yin, X. Towards virtual machine scheduling research based on multi-decision AHP method in the cloud computing platform. PeerJ Comput. Sci. 2023, 9, e1675. [Google Scholar] [CrossRef] [PubMed]
  34. Shi, D.; Guo, Y.; Gu, X.; Feng, G.; Xu, Y.; Sun, S. Evaluation of the ventilation system in an LNG cargo tank construction platform (CTCP) by the AHP-entropy weight method. Build. Simul. 2022, 15, 1277–1294. [Google Scholar] [CrossRef]
Figure 1. Distribution network system test system.
Figure 1. Distribution network system test system.
Energies 17 00411 g001
Figure 2. Schematic diagram of grid connected photovoltaic system.
Figure 2. Schematic diagram of grid connected photovoltaic system.
Energies 17 00411 g002
Figure 3. Schematic diagram of grid connected wind generator.
Figure 3. Schematic diagram of grid connected wind generator.
Energies 17 00411 g003
Figure 4. Battery–supercapacitor energy storage system.
Figure 4. Battery–supercapacitor energy storage system.
Energies 17 00411 g004
Figure 5. Flowchart for procedure of implementation of the AHP.
Figure 5. Flowchart for procedure of implementation of the AHP.
Energies 17 00411 g005
Figure 6. Frequency–amplitude–time contour plots without energy storage.
Figure 6. Frequency–amplitude–time contour plots without energy storage.
Energies 17 00411 g006
Figure 7. AD–time relationship graph.
Figure 7. AD–time relationship graph.
Energies 17 00411 g007
Figure 8. Voltage–current harmonic–time relationship graph.
Figure 8. Voltage–current harmonic–time relationship graph.
Energies 17 00411 g008
Figure 9. Power factor–time relationship graph.
Figure 9. Power factor–time relationship graph.
Energies 17 00411 g009
Table 1. Scale table of AHP.
Table 1. Scale table of AHP.
Quantification Scale (i Relative to j)Meaning
1i and j are equally important
3i is slightly more important than j
5i is moderately more important than j
7i is very much more important than j
9i is extremely more important than j
2, 4, 6, 8Take the middle value
Table 2. Three scenarios of PCC bus.
Table 2. Three scenarios of PCC bus.
Scenario 1THDvTHDiADVF1/PFWeights
THDv101010.20
THDi111110.33
AD001010.13
VF101110.27
1/PF000010.07
THDi is the most important indicator affecting power quality.
Scenario 2THDvTHDiADVF1/PFWeights
THDv111010.27
THDi011000.13
AD001000.07
VF111110.33
1/PF011010.20
VF is the most important element affecting power quality.
Scenario 3THDvTHDiADVF1/PFWeights
THDv111110.33
THDi011110.27
AD001010.13
VF001110.20
1/PF000010.07
THDv is the most important element affecting power quality.
Table 3. Three scenarios of public grid bus.
Table 3. Three scenarios of public grid bus.
Scenario 1THDvTHDiADVF1/PFWeights
THDv111110.33
THDi010000.07
AD011010.20
VF011110.27
1/PF010010.13
THDv is the most important indicator affecting power quality.
Scenario 2THDvTHDiADVF1/PFWeights
THDv110110.27
THDi010110.20
AD111110.33
VF000110.13
1/PF000010.07
AD is the most important indicator affecting power quality.
Scenario 3THDvTHDiADVF1/PFWeights
THDv111010.27
THDi010010.13
AD011010.20
VF111110.33
1/PF000010.07
VF is the most important indicator affecting power quality.
Table 4. Two scenarios of load bus.
Table 4. Two scenarios of load bus.
Scenario 1THDvTHDiADVF1/PFWeights
THDv110110.27
THDi010000.07
AD111110.33
VF010100.13
1/PF010110.20
AD is the most crucial element affecting power quality.
Scenario 2THDvTHDiADVF1/PFWeights
THDv100100.13
THDi110100.20
AD111100.27
VF000100.07
1/PF111110.33
PF is the most critical element affecting power quality.
Table 5. The GPQI of the distribution network within a 3 s timeframe.
Table 5. The GPQI of the distribution network within a 3 s timeframe.
Solving AlgorithmExcluding Energy StorageIncluding Energy Storage
Index\BusPCC BusPublic Grid BusLoad BusPCC BusPublic Grid BusLoad Bus
Average Weighting MethodPQI0.51270.47510.41990.484020.42120.4201
GPQI0.47540.4445
Rank Order MethodPQI0.50290.33510.43420.46800.31070.4344
GPQI0.48320.4006
AHPPQI0.50310.27340.45800.46650.26950.4583
GPQI0.41150.3981
Table 6. Judgment matrices and the resultant weights vectors of the three scenarios of PCC bus.
Table 6. Judgment matrices and the resultant weights vectors of the three scenarios of PCC bus.
Scenario 1THDvTHDiADSPDRVFL1/PF
THDv11/321/21/23
THDi314235
ADS1/21/411/31/22
PDR21/23124
VFL21/321/213
1/PF1/31/51/21/41/31
Largest eigenvalue λ max = 6.1275, CI = 0.0255, CR = 0.0202 < 0.1 (Accept).
The weight vector is [0.1220, 0.3632, 0.0795, 0.2297, 0.1545, 0.0511]T.
Scenario 2THDvTHDiADSPDRVFL1/PF
THDv11/21/41/322
THDi211/31/223
ADS431256
PDR321/2134
VFL1/21/21/51/312
1/PF1/21/31/61/41/21
Largest eigenvalue λ max = 6.0998, CI = 0.0200, CR = 0.0158 < 0.1 (Accept).
The weight vector is [0.0985, 0.1469, 0.3906, 0.2380, 0.0750, 0.0510]T.
Scenario 3THDvTHDiADSPDRVFL1/PF
THDv12421/32
THDi1/21321/41/2
ADS1/41/311/31/61/4
PDR1/21/2311/41/2
VFL346413
1/PF1/22421/31
Largest eigenvalue λ max = 6.1994, CI = 0.0399, CR = 0.0316 < 0.1 (Accept).
The weight vector is [0.1957, 0.1120, 0.0427, 0.0887, 0.4060, 0.1549]T.
Table 7. Judgment matrices and the resultant weights vectors of the three scenarios of grid bus.
Table 7. Judgment matrices and the resultant weights vectors of the three scenarios of grid bus.
Scenario 1THDvTHDiADSPDRVFL1/PF
THDv164235
THDi1/611/31/51/41/2
ADS1/4311/31/22
PDR1/253124
VFL1/3421/213
1/PF1/521/21/41/31
Largest eigenvalue λ max = 6.1225, CI = 0.0245, CR = 0.0194 < 0.1 (Accept).
The weight vector is [0.3825, 0.0428, 0.1006, 0.2504, 0.1596, 0.0641]T.
Scenario 2THDvTHDiADSPDRVFL1/PF
THDv11/31/2246
THDi311/41/224
ADS241357
PDR1/221/3135
VFL1/41/21/51/313
1/PF1/61/41/71/51/31
Largest eigenvalue λ max = 6.6123, CI = 0.1225, CR = 0.0972 < 0.1 (Accept).
The weight vector is [0.1839, 0.1961, 0.3776, 0.1652, 0.0646, 0.0326]T.
Scenario 3THDvTHDiADSPDRVFL1/PF
THDv1321/245
THDi1/311/21/423
ADS1/2211/334
PDR243156
VFL1/41/21/31/512
1/PF1/51/31/41/61/21
Largest eigenvalue λ max = 6.1225, CI = 0.0245, CR = 0.0194 < 0.1 (Accept).
The weight vector is [0.2504, 0.1006, 0.1596, 0.3825, 0.0641, 0.0428]T.
Table 8. Judgment matrices and the resultant weights vectors of the three scenarios of load bus.
Table 8. Judgment matrices and the resultant weights vectors of the three scenarios of load bus.
Scenario 1THDvTHDiADSPDRVFL1/PF
THDv11/31/41/221/5
THDi311/2241/3
ADS421341/3
PDR21/21/3131/4
VFL1/21/41/41/311/6
1/PF532461
Largest eigenvalue λ max = 6.1408, CI = 0.0282, CR = 0.0223 < 0.1 (Accept).
The weight vector is [0.0646, 0.1609, 0.2445, 0.1016, 0.0450, 0.3834]T.
Scenario 2THDvTHDiADSPDRVFL1/PF
THDv151/2342
THDi1/511/61/31/21/4
ADS261453
PDR1/331/4121/2
VFL1/421/51/211/3
1/PF1/241/3231
Largest eigenvalue λ max = 6.1225, CI = 0.0245, CR = 0.0194 < 0.1 (Accept).
The weight vector is [0.2504, 0.0428, 0.3825, 0.1006, 0.0641, 0.1596]T.
Scenario 3THDvTHDiADSPDRVFL1/PF
THDv11/61/41/31/21/4
THDi613452
ADS41/31231/2
PDR31/41/211/21/3
VFL21/51/3211/4
1/PF41/22341
Largest eigenvalue λ max = 6.2480, CI = 0.0496, CR = 0.0394 < 0.1 (Accept).
The weight vector is [0.0448, 0.3811, 0.1618, 0.0828, 0.0851, 0.2443]T.
Table 9. Evaluation indicators of the distribution network within a 3 s time period.
Table 9. Evaluation indicators of the distribution network within a 3 s time period.
Without Energy StorageWith Energy Storage
Index\
Bus Bar
PCC
Bus Bar
Public Grid Bus BarLoad Bus BarPCC Bus BarPublic Grid Bus BarLoad
Bus Bar
THDV0.09540.00320.05860.08610.00320.0586
THDi0.04350.01320.01240.01580.00730.0121
AD0.03540.00250.08310.03020.00230.0830
VF1.2530.78260.72531.1640.78340.7261
1/PF1.1361.5741.2201.1241.3101.221
Table 10. Distribution network GPQI within a 3 s time period.
Table 10. Distribution network GPQI within a 3 s time period.
Without Energy StorageWith Energy Storage
Index\
Bus Bar
PCC Bus BarPublic Grid Bus BarLoad Bus BarPCC Bus BarPublic Grid Bus BarLoad Bus Bar
PQI0.50310.27340.45800.46650.26950.4583
GPQI0.41150.3981
Table 11. Distribution network evaluation indicators during diminished illumination period.
Table 11. Distribution network evaluation indicators during diminished illumination period.
Without Energy StorageWith Energy Storage
Index\
Bus Bar
PCC
Bus Bar
Public Grid Bus BarLoad Bus BarPCC Bus BarPublic Grid Bus BarLoad
Bus Bar
THDV0.01040.00320.03610.00910.00310.0362
THDi0.00930.00360.01210.00760.00210.0119
AD0.03030.00130.06130.01860.00130.0616
VF1.1540.77650.68621.1540.77260.6862
1/PF1.2301.2561.2201.2051.2031.221
GPQI0.38680.3842
Table 12. Distribution network evaluation indicators during wind power disconnection period.
Table 12. Distribution network evaluation indicators during wind power disconnection period.
Without Energy StorageWith Energy Storage
Index\Bus BarPCC
Bus Bar
Public Grid Bus BarLoad
Bus Bar
PCC
Bus Bar
Public Grid Bus BarLoad Bus Bar
THDV0.21580.00360.06150.18760.00360.0614
THDi0.76520.02310.01220.48940.01240.0122
AD0.81820.07650.12670.71360.07330.1266
VF1.4320.98460.72551.4030.98230.7254
1/PF1.1031.4231.2211.0881.3561.221
GPQI0.55360.5180
Disclaimer/Publisher’s Note: The statements, opinions and data contained in all publications are solely those of the individual author(s) and contributor(s) and not of MDPI and/or the editor(s). MDPI and/or the editor(s) disclaim responsibility for any injury to people or property resulting from any ideas, methods, instructions or products referred to in the content.

Share and Cite

MDPI and ACS Style

Chen, Y.; Tang, Z.; Weng, X.; He, M.; Zhang, G.; Yuan, D.; Jin, T. A Novel Approach for Evaluating Power Quality in Distributed Power Distribution Networks Using AHP and S-Transform. Energies 2024, 17, 411. https://doi.org/10.3390/en17020411

AMA Style

Chen Y, Tang Z, Weng X, He M, Zhang G, Yuan D, Jin T. A Novel Approach for Evaluating Power Quality in Distributed Power Distribution Networks Using AHP and S-Transform. Energies. 2024; 17(2):411. https://doi.org/10.3390/en17020411

Chicago/Turabian Style

Chen, Yin, Zhenli Tang, Xiaofeng Weng, Min He, Guanghong Zhang, Ding Yuan, and Tao Jin. 2024. "A Novel Approach for Evaluating Power Quality in Distributed Power Distribution Networks Using AHP and S-Transform" Energies 17, no. 2: 411. https://doi.org/10.3390/en17020411

APA Style

Chen, Y., Tang, Z., Weng, X., He, M., Zhang, G., Yuan, D., & Jin, T. (2024). A Novel Approach for Evaluating Power Quality in Distributed Power Distribution Networks Using AHP and S-Transform. Energies, 17(2), 411. https://doi.org/10.3390/en17020411

Note that from the first issue of 2016, this journal uses article numbers instead of page numbers. See further details here.

Article Metrics

Back to TopTop