Next Article in Journal
Energy Generation Intensity (EGI) of Solar Updraft Tower (SUT) Power Plants Relative to CSP Plants and PV Power Plants Using the New Energy Simulator “Aladdin”
Next Article in Special Issue
A Novel Approach for Evaluating Power Quality in Distributed Power Distribution Networks Using AHP and S-Transform
Previous Article in Journal
The Economic and Social Dimension of Energy Transformation in the Face of the Energy Crisis: The Case of Poland
Previous Article in Special Issue
Predicting Steam Turbine Power Generation: A Comparison of Long Short-Term Memory and Willans Line Model
 
 
Font Type:
Arial Georgia Verdana
Font Size:
Aa Aa Aa
Line Spacing:
Column Width:
Background:
Article

A Diagnostic Method for Open-Circuit Faults in DC Charging Stations Based on Improved S-Transform and LightGBM

1
Department of Electrical Engineering, Fuzhou University, Fuzhou 350116, China
2
Fujian YILI Information Technology Co., Ltd., Fuzhou 350001, China
3
State Grid Fujian Electric Power Company Limited, Fuzhou 350001, China
*
Authors to whom correspondence should be addressed.
Energies 2024, 17(2), 404; https://doi.org/10.3390/en17020404
Submission received: 28 November 2023 / Revised: 29 December 2023 / Accepted: 5 January 2024 / Published: 13 January 2024
(This article belongs to the Special Issue Machine Learning and Deep Learning for Energy Systems II)

Abstract

The open-circuit fault in electric vehicle charging stations not only impacts the power quality of the electrical grid but also poses a threat to charging safety. Therefore, it is of great significance to study open-circuit fault diagnosis for ensuring the safe and stable operation of power grids and reducing the maintenance cost of charging stations. This paper addresses the multidimensional characteristics of open-circuit fault signals in charging stations and proposes a fault diagnosis method based on an improved S-transform and LightGBM. The method first utilizes improved incomplete S-transform and principal component analysis (PCA) to extract features of front- and back-stage faults separately. Subsequently, LightGBM is employed to classify the extracted features, ultimately achieving fault diagnosis. Simulation results demonstrate the method’s effectiveness in feature extraction, achieving an average diagnostic accuracy of 97.04% on the test dataset, along with notable noise resistance and real-time performance. Additionally, we designed an experimental platform for diagnosing open-circuit faults in DC charging station and collected experimental fault data. The results further validate the effectiveness of the proposed method.

1. Introduction

In recent years, energy reform and the use of clean energy have received worldwide attention as people are concerned about protecting the environment and reducing pollutant emissions [1]. As one of the effective ways to save energy and reduce emissions, electric vehicles have caught the eyes of many people and are developing rapidly [2,3]. As the number of electric vehicles continues to expand around the world, more and more charging piles are being established, and the problem of charging piles malfunctioning during operation is beginning to come to the fore [4]. Charging piles contain complex hardware and software systems, which are prone to a series of problems such as uncontrolled output voltage and failure to start normally. DC charging piles are widely used for their advantages of high efficiency and speed, but nevertheless, DC charging piles are prone to open-circuit failures and short-circuit failures of IGBTs and charging capacitors due to high operating voltages and the presence of many power electronic devices [5,6].
Open-circuit fault diagnosis techniques for DC charging piles are essentially power electronic converter fault diagnosis techniques [7], which can be broadly categorized into two types [8]: analytical model-based diagnostic methods and signal-based diagnostic methods. The analytical model-based fault diagnosis method, first proposed by Beard in 1971 [9], uses the analytical knowledge of the system to establish a mathematical model of the system to be diagnosed. A state observer is designed to monitor the measured output of the system and the predicted output of the mathematical model, and finally diagnoses the fault based on the residual difference between the two. DC charging pile circuits are difficult to establish using an accurate mathematical model, thus making it difficult to use analytical model-based fault diagnosis methods.
Signal-based diagnostic methods can effectively diagnose faults by analyzing only the fault signals [10], which can be divided into traditional two-step methods and deep learning-based diagnostic methods. The traditional two-step method first uses signal analysis algorithms such as Pike transform [11], fast Fourier transform (FFT) [12], discrete wavelet transform (DWT) [13], empirical modal decomposition (EMD) [14,15], and other signal processing algorithms to analyze the signal characteristics of the system failure, and then uses classification algorithms such as support vector machines (SVMs) [16,17], artificial neural networks (ANNs) [18,19], etc., to classify the extracted features for diagnosis. In recent years, with the continuous development of computer software and hardware technology, deep learning technology in the field of machine learning has risen rapidly. For example, a back propagation neural network (BPNN) algorithm is composed of layers of “neural network” superposition. Generally, the more layers of the network (that is, the deeper the network), the better the recognition ability of the algorithm. Therefore, deep learning algorithms with a multilayer network structure (such as deep convolutional neural networks (CNNS)) can automatically learn and recognize high-dimensional data directly and have better versatility. In reference [20], the authors proposed a fault diagnosis method in the nuclear power application domain by combining deep learning with transfer learning. This was aimed at addressing the issue of decreased generalization performance due to inconsistent probability distributions at different power levels. They preprocessed monitoring parameters to adapt them to the input of a deep convolutional neural network (DCNN) and effectively extracted transferable features between source and target power levels. In reference [21], scholars introduced a novel fault diagnosis method, the multidimensional aggregation decoupling network (MADN). This deep learning structure comprises three sequential stages: the multidimensional image construction (MIB) stage, feature decoupling mapping (FDM) stage, and system fault state classification (SSC) stage. By applying these stages, critical information from multiple signals is automatically amalgamated, and latent features are decoupled and mapped into higher-level spaces. In reference [22], researchers proposed a deep reinforcement learning-based approach for fault diagnosis in photovoltaic power systems. A fault diagnosis model for photovoltaic power systems was established based on interaction rules and other factors. This model utilized deep neural networks to approximate decision-making networks, aiming to identify the optimal strategy for fault diagnosis in photovoltaic power systems. To sum up, deep learning-based diagnostic methods include two directions [23,24]: one is to transform the signal into a feature image in the deep learning algorithm for diagnosis, but the image generation, storage, and reading process of this method affects the real-time algorithm, and the image process can easily lose features and increase data redundancy [25]. The second is to use the deep learning algorithm to directly extract one-dimensional signal features for diagnosis, but this method cannot fully utilize the parallel processing ability of deep learning algorithms [26]. The computing resources involved in charging piles are relatively limited, so the fault diagnosis method of deep learning is not practical at present.
The two-step method has the advantages of clear principles, easy implementation, small computational burden, and no need for a large number of samples. On this basis, this section proposes an open-circuit fault diagnosis method based on an improved S-transform, PCA algorithms, and a light gradient boosting machine (LightGBM) framework for DC charging piles of electric vehicles. S-transform is a time-frequency analysis method that combines the advantages of short time Fourier transform (STFT) and wavelet transform (WT). In comparison to STFT, S-transform uses a Gaussian window function with a width factor inversely proportional to frequency for windowing the time-domain signal, allowing for variable time-frequency resolution. In contrast to WT, S-transform employs sine functions as the basis wavelets for transformation, maintaining the phase relationship between various frequency components in the resulting signal. Consequently, S-transform extracts more feature information, and its computation using FFT algorithms enables faster and more real-time processing. Reference [10] introduced a window width correction factor, “v” to enhance the relationship between window width and frequency in the window function. This improved S-transform was utilized for extracting fault characteristics in voltage source inverters to facilitate diagnostic purposes. PCA is a dimensionality reduction technique based on the concept of maximizing data separability. It achieves this by linearly projecting data from higher dimensions to lower dimensions, generating principal component data that encapsulate the primary characteristics of the original data while eliminating some of the inherent correlations. PCA has been widely applied by many scholars in various fault diagnosis scenarios. Reference [27] validated PCA’s successful application in image processing algorithms to determine the slope of the PV module, effectively detecting faults in trackers, even when incomplete object parts are present in the image. In reference [28], PCA was used to prepare datasets of microgrid parameters such as voltage and current signals under normal and abnormal states. The dataset, preprocessed using PCA, facilitated feature removal of power flow parameters, describing the characteristic properties of various signals in microgrid systems. LightGBM is an ensemble learning model based on decision trees (DTs). It selectively samples data to remove samples that have minimal impact on computations, thereby improving computational efficiency and reducing errors without sacrificing algorithm accuracy. It also enhances feature augmentation in input data. Reference [29] utilized the LightGBM algorithm for fault identification in sound signals, while reference [30] proposed an electrical grid fault diagnosis method based on the LightGBM algorithm.
The proposed method is based on the optimal window-width incomplete S-transform algorithm for feature extraction of the front-stage signals, which improves the speed of feature extraction by reducing redundant computation. Next, the principal component features of the back-stage signal are analyzed using the PCA algorithm, and the first six principal components are selected as the features of the back-stage fault based on the contribution rate. Then, the extracted fault features are used to train and parameterize the LightGBM classification model algorithm, and the model trained with optimal parameters is selected as the fault diagnosis model. Finally, the proposed diagnostic model is tested and compared in terms of generalization ability, noise immunity, and real-time performance through simulation experiments. The results show that the diagnostic model can obtain excellent diagnostic ability based on a small amount of data sample training, and has excellent generalization ability, noise resistance, and real-time performance.
The rest of this paper can be divided into four parts. In Section 2, the characterization of DC charging piles for electric vehicles is carried out. In Section 3, an open-circuit fault diagnosis method for electric vehicle DC charging piles based on improved S-conversion and LightGBM is proposed. Simulation and experimental validation are given in Section 4. Finally, conclusions are given in Section 5.

2. Characterization of DC Charging Pile for Electric Vehicles

2.1. The Topology of DC Charging Pile Charging Module

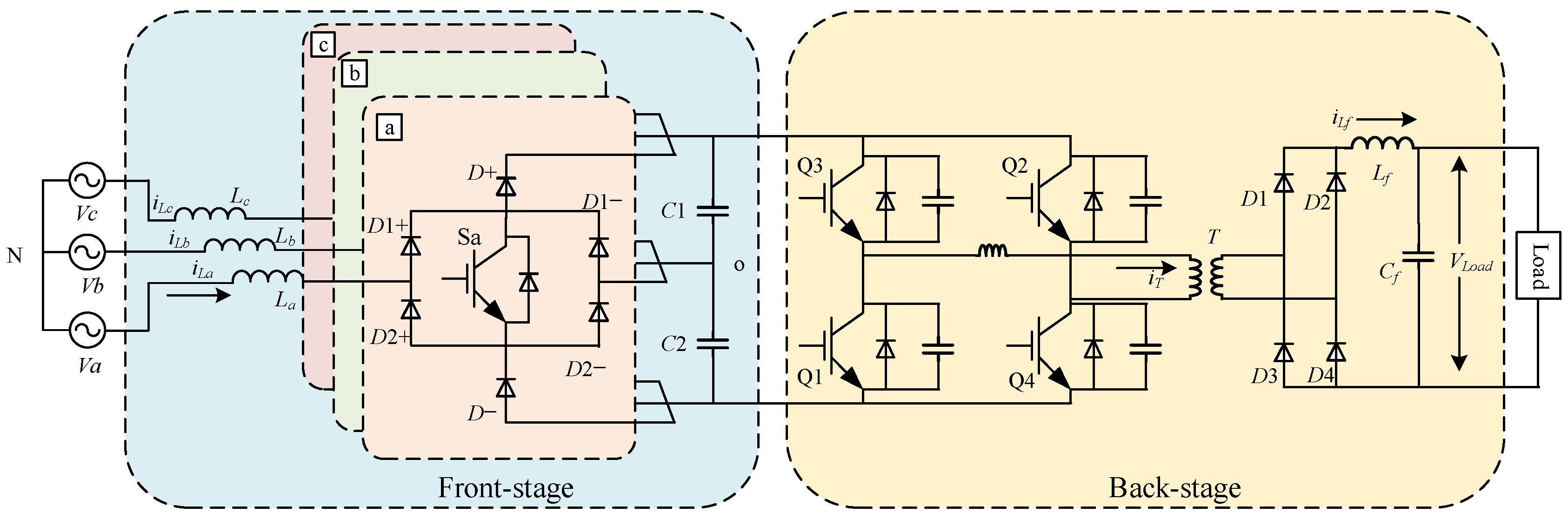
At present, a three-phase, three-level VIENNA rectifier is widely used in the front-stage circuit of charging piles in the market for rectifying and power factor correction, and an isolated, high-frequency DC/DC converter is used in the back-stage circuit to achieve power conversion and electrical isolation. This scheme has the advantages of low harmonic content, high power factor, good safety performance, and fewer power devices, so this paper uses this scheme for the study of fault diagnosis. Its circuit topology is shown in Figure 1.
The front-stage rectifier consists of three-phase input inductors La, Lb, Lc, three-phase power modules, and DC-side capacitors C1 and C2. The three phases of the front-stage power modules are the same, and each phase consists of the fully controlled switching device (S), four shunt diodes (D1+, D2+, D1−, D2−), and two clamping diodes (D+ and D−), respectively. The DC/DC converter consists of an inverter bridge, high-frequency transformer (T), rectifier bridge, and filter. The DC/DC converter used in the back stage consists of an inverter bridge, a high-frequency transformer (T), a rectifier bridge, and a filter. The four power modules (Q1~Q4) of the inverter bridge contain switching tubes, parasitic capacitors, and anti-parallel diodes, respectively. The rectifier bridge consists of four diodes (D1~D4), and the filter module consists of a filter inductor Lf, a filter capacitor Cf, and an inductor Lf. The filter module consists of filter inductor Lf and filter capacitor Cf. The control strategy of both front and back stages is a PI control.

2.2. Open-Circuit Fault Types and Characteristic Signals

Since each switch tube in the main circuit component of the charging pile works at high temperature and high frequency, the inside of the switch tube is prone to short-circuit or open-circuit failure due to stress deformation of different materials. When a short-circuit fault occurs, the switch tube protection action can convert the short-circuit fault into an open-circuit fault [31,32]. Capacitors are also one of the components that are prone to failure in charging piles. The capacitors in the charging pile circuit include the DC side capacitance of the rectifier, the filter capacitor, and the parasitic capacitance of the switching tube. However, because the parasitic capacitance of the switching tube and the switching tube fail at the same time, they are divided into one category: fault. Components such as diodes, inductors, power lines, etc., have relatively stable performance and are not the research object of this diagnostic technology. In this paper, we study the diagnosis of component open-circuit faults in DC charging piles for electric vehicles. According to the location of the component in the charging module where the open-circuit fault occurs, the faults are divided into a total of 10 categories, as shown in Table 1.
The open-circuit fault occurs in the front and back stages of the charging module circuit, and when the front-stage circuit fails, the three-phase currents iLa, iLb, and iLc in the front-stage inductor L contain the characteristics of the fault of the front-stage circuit, which can be used for the troubleshooting of the front-stage circuit components, as shown in Figure 2a,b.
Figure 2c,d shows that the effects of faults E7 and E9 on the inductor currents of the front stage are similar, and iLa, iLb, and iLc are difficult to be used for fault diagnosis of the back-stage circuits.
Figure 3 shows the waveform of current iT in the back-stage transformer T for the fault in Figure 2. Figure 3a shows that when the fault signal of the front stage reaches the transformer through the inverter bridge of the back-stage circuit, the fault characteristics have already disappeared, and the iT cannot be used to differentiate and locate the faulty components in the front-stage circuit. Figure 3b shows that that when a fault occurs in the subsequent circuit, the current iT in the back-stage circuit contains the fault characteristics of the back-stage circuit. Therefore, iT can be used for fault diagnosis in the back-stage circuit. To accurately identify the faults occurring in the front and back stages in the charging module of the charging pile, this paper uses iLa, iLb, iLc, and iT in the charging module circuit for feature fusion diagnosis.

3. Diagnostic Method Based on S-Transform and LightGBM

In this section, we’ll delve into the diagnostic methodology for electric vehicle DC charging pile openings, outlining a framework intricately woven with advancements in S-transform and LightGBM. First, we enhance the S-transform algorithm by tailoring it to the distinct characteristics of charging pile fault signals. The optimization process focuses on refining the window width, addressing incompleteness for an optimal outcome. Subsequently, we employ LightGBM to adeptly classify and extract features, culminating in a robust system for diagnosing charging pile failures.

3.1. Feature Extraction of Preliminary Faults Based on Improved S-Transform

S-transform is a proposed signal time-frequency analysis method. The principle involves a one-dimensional signal x(t), undergoing windowing operations and Fourier transformation to obtain a two-dimensional matrix ST(τ, f). The formula is as follows:
S T ( τ , f ) = x ( t ) w ( τ t , f ) e i 2 π f t d t
where w(τt, f) is the window function. The traditional S-transform uses the Gaussian window function. The expression is as follows:
w ( τ t , f ) = 1 σ 2 π e ( τ t ) 2 2 σ 2 ( f )
where τ represents the central position of the window, and the variation of τ controls the sliding of the window along the time axis. σ(f) denotes the standard deviation of the Gaussian function and simultaneously serves as the window function adjustment factor.
In the realm of traditional S-transform, its limited control over the Gaussian window function width impedes the attainment of ideal time-frequency resolution at both low and high frequencies, resulting in suboptimal recognition accuracy. To address this challenge, researchers have introduced an enhanced version of S-transform. By refining the window function expression, this modified S-transform achieves superior time-frequency resolution. An example of such improvement is evident in the adjusted formulation of σ(f), as depicted in the following equation.
σ ( f ) = a b | f | c + d
where a, b, c, and d are adjustment factors that can be customized based on the actual signal. The generalized S-transform with adjustable window width offers better time-frequency resolution. However, such methods often rely on empirically enhanced window function expressions without clear theoretical foundations. Moreover, parameter tuning is intricate, and these approaches may not perform optimally when faced with changes in parameters such as sampling frequency. Hence, this paper introduces an incomplete S-transform algorithm based on effective window width improvement.
The two-dimensional matrix obtained through traditional S-transform encompasses temporal information for various frequency points. However, a substantial portion of these frequency point details constitute redundant values that are unnecessary for transformation. Hence, the principle of the incomplete S-transform is as follows:
S-transformation expression (1) can be transformed to the following expression:
S T ( τ , f ) = U ( α + f ) W ( σ , f ) e i 2 π α τ d α
where U(α) represents the Fourier transform result of the signal x(t). Equation (4) indicates that the Fourier transform results U and W of the signal and the window function, respectively, can be used to transform specific frequency points f, yielding the temporal information for that frequency point. When the transformation is applied only to certain frequency points within U(α), it is referred to as incomplete S-transform. When analyzing fault characteristics, one can initially employ complete S-transformation. After selecting the characteristic frequency points, utilizing incomplete S-transform for signal processing eliminates a significant number of redundant calculations, thereby enhancing the real-time performance of the diagnostic algorithm.
Before performing the S-transform on specific frequency points, it is advisable to calculate the optimal window width for that frequency to achieve the best time-frequency resolution. The effective window width D for each frequency point with a Gaussian window function can be computed based on the frequency domain expansion σf and the 3σ energy coverage criterion of the window function. The process is outlined as follows:
σ f 2 = + f 2 | W ( σ , f ) | 2 d f + | W ( σ , f ) | 2 d f = 1 8 π 2 σ 2
σ f = 1 2 2 π σ
In accordance with the 3σ criterion, the effective window width D is defined as the length of the horizontal axis interval covering 99.73% of the window function’s area. When f = x σ f , the Gaussian window function is as follows:
W = e x 2 / 4
According to the normal curve nature, the horizontal axis interval [ 3 2 , 3 2 ] contains the area of 99.73% of the Gaussian window function shown in Formula (7), so the Gaussian window function effective window width D is:
D = 6 2 σ f = 3 π σ
After performing the FFT transformation on the one-dimensional signal x(t), the spectrum U(fk) is obtained. When the S-transform applies windowing to the spectrum, the effective window width Dn of the window function at the main frequency point fn should cover the main value interval of fn, as illustrated in Figure 4.
The main value interval corresponding to the main frequency point fn can be calculated using the frequency point energy En, as follows:
E n = k = f s f e | U ( f k ) | 2
where fs and fe represent three-fourths between the main frequency point fn and the preceding main frequency point fn−1, and the succeeding main frequency point fn+1. This can be expressed as follows:
{ f s = f n + 3 f n 1 4 f e = 3 f n + 1 + f n 4
Taking into account noise interference, when the energy ED within the interval [fan, fbn] covered by the effective window width Dn accounts for 95% or more of En, it can be considered that the Gaussian window corresponding to this σ value has covered the main value interval of the frequency point fn. The expression is as follows:
E D E n = k = f a n f b n | U ( f k ) | 2 E n 95 %
With the interval [fan, fbn] being symmetric about the fn axis, obtaining [fan, fbn], the calculation for σ is as follows:
σ = 3 π ( f b n f a n )
In summary, this method calculates the optimal window width corresponding to each frequency point’s σ value through the effective window width D of the Gaussian window and the energy distribution characteristics of the test signal. It enables the selection of the optimal window width for each frequency point in the test signal, thereby conducting the S-transform. This approach mitigates issues arising from excessively narrow window widths, such as low-frequency domain resolution problems, or overly broad window widths leading to frequency aliasing and low time-domain resolution problems. The resulting improved S-transform achieves commendable time-frequency resolution.
Based on the analysis in the previous section, the signal used for identifying primary faults is the three-phase sinusoidal waveform of the power frequency, suitable for feature extraction using the improved S-transform. The collected signal results with the improved S-transform for faults E0 and E1 are shown in Figure 5. In this case, the fused data x processed by the improved S-transform are formed by concatenating the three-phase currents (ia, ib, ic) of the primary inductance A, B, and C, and the high-frequency transformer current iT of the secondary stage. The data processing is described by the following equation:
x = [ i a i b i c i T ]
Therefore, the results of the complete S-transform in Figure 5c,g can be divided into four parts based on the sampling points. These parts represent the complete S-transform results of the primary inductance currents ia, ib, and ic for phases A, B, and C, and the high-frequency transformer current iT of the secondary stage. Figure 5d,h depicts the improved incomplete S-transform results for the fundamental frequency and the 3rd and 5th harmonic components of the E0 and E1 fault data, respectively.
From the complete S-transform results in Figure 5, specifically c and g, it can be observed that after the occurrence of the E1 fault, the fundamental frequency amplitude of phase A decreases. Additionally, the waveforms of the three-phase currents A, B, and C contain 3rd and 5th harmonic components. However, the S-transform results of the secondary transformer current do not show a clear distinction within 700 Hz. As shown in Figure 5, specifically d and h, during the E1 fault occurrence, compared with phases B and C, the fundamental frequency amplitude of phase A is lower, the amplitude of the 3rd harmonic is higher, and the amplitude of the 5th harmonic is slightly higher.
Due to the three-phase symmetry of faults E2 and E3 with E1, fault characteristics for the primary faults E1, E2, and E3 can be extracted based on the results of the improved incomplete S-transform. The designated feature values for primary faults are set as follows.
The average values of the fundamental frequency in the incomplete S-transform results within each interval:
M 1 = k = 1 N S T ( k , 50 ) N
where N represents the number of sampled data points for each phase.
The average values of the 3rd and 5th harmonic incomplete S-transform results within each interval are expressed as the following equations:
M 3 = k = 1 N S T ( k , 150 ) N
M 5 = k = 1 N S T ( k , 250 ) N
For the imbalance capacitor faults E4 and E5 in the VIENNA rectifier front stage, the fault waveforms and S-transform results are illustrated in Figure 6.
From the complete S-transform results in Figure 6, it can be observed that for faults E4 and E5, there is no distinct feature differentiation in the S-transform results. However, as shown in Figure 6a,d, due to the fault occurring at the balancing capacitor of the primary rectifier, causing the output voltage of the converter to be 0 during either the positive or negative half-cycle, the three-phase input currents will be clamped at a fixed value with a 120° phase difference during the positive and negative half-cycles due to the influence of inductance and other factors after the capacitor fault occurs. Based on this, specific feature values can be determined as follows, with the sum of the maximum and minimum values of the primary input current denoted as SM:
S M = max ( x ) + min ( x )

3.2. Feature Extraction for Back-Stage Faults Based on PCA

PCA is a data dimensionality reduction method based on the concept of maximizing separability. It achieves this by linearly projecting data from high-dimensional space to a lower-dimensional one, generating principal component data. The principal component data encapsulates the primary features of the original data while eliminating certain inherent correlations. The process of extracting principal components in this data dimensionality reduction primarily relies on the theory of maximizing variance, as outlined below.
Assume that there are N groups of data [ x 1 x 2 x N ] T to be processed, and the length of each group of data is p, then there is a sample matrix X.
X = [ x 11 x 12 x 1 p x 21 x 22 x 2 p x N 1 x N 2 x N p ]
Calculate the covariance matrix C of the sample matrix X and obtain the correlation coefficient between each sample.
C = [ c ( x 1 , x 1 ) c ( x 1 , x 2 ) c ( x 1 , x N ) c ( x 2 , x 1 ) c ( x 2 , x 2 ) c ( x 2 , x N ) c ( x N , x 1 ) c ( x N , x 2 ) c ( x N , x N ) ]
c ( x m , x k ) = 1 N 1 i = 1 N ( x m i x m ¯ ) ( x k i x k ¯ )
Then, perform eigenvalue decomposition on the covariance matrix C to obtain its eigenvalue λ and eigenvector w.
C w = λ w
The eigenvalues of the covariance matrix represent the contribution of each principal component. The ordering of them is as follows: λ 1 λ 2 λ N . The eigenvectors corresponding to the largest d eigenvalues can be taken to form a reduced-dimensional projection matrix W = [ w 1 w 2 w d ] . The process of reducing the sample matrix X from N dimensions to d dimensions through principal component analysis is as follows.
Y = X W
Finally, a d-dimensional sample matrix Y is obtained, and the contribution rate ri of each principal component is:
r i = λ i k = i p λ k
Perform PCA processing on the collected downstream transformer current iT data. The processed data are set to be iT data 0.02s after the fault. The data length is 160 points. The top 10 contribution rates of the extracted principal components are shown in the Table 2.
As can be seen in Table 2, the contribution rate of the top 10 features accounted for 85.62%, and the contribution rate of the top six principal components accounted for 85.32%. Therefore, the first six principal components with contribution rates are selected as the subsequent stage fault characteristic values.

3.3. Feature Classification Diagnosis Based on LightGBM

The LightGBM algorithm is an ensemble learning model based on a decision tree (DT), with the DT serving as its foundational classifier model. LightGBM utilizes gradient boosting technology. Boosting is an ensemble learning algorithm that involves linearly combining multiple sequentially generated base classifiers to integrate training and obtain a more powerful model. Its framework can be described as follows:
F ( x ) = i = 1 m α i f i ( x )
where F(x) represents the ensemble classification model obtained through training, m denotes the number of base classifiers fi(x), and αi represents the weight of the base classifier.
Each time a new base classifier is generated, gradient boosting follows the direction of gradient descent based on the loss function of the previous base classifier. Assuming the loss function of the ensemble classification model is L(F(x), y) for gradient boosting, the framework would be as follows:
F i ( x ) = F i 1 ( x ) α i L ( F i 1 ( x ) , y ) F i 1 ( x )
f i ( x ) L ( F i 1 ( x ) , y ) F i 1 ( x )
In other words, each newly generated base classifier fi(x) fits the negative gradient of the loss function of the previous ensemble classifier Fi−1(x). Through continuous iterations, the ensemble classifier F(x) systematically reduces errors, ultimately resulting in a classifier with higher accuracy. Its fundamental principle is depicted in Figure 7.
LightGBM is a lightweight gradient boosting model developed to cater to the needs of handling massive datasets, building upon the foundation of XGBoost. Addressing the challenges posed by XGBoost, such as high memory requirements and computational time, LightGBM optimizes various aspects. This includes reducing the computational load of splitting points, minimizing the quantity of training data, managing the number of feature values, and optimizing decision tree construction strategies.
With these enhancements and optimizations, LightGBM achieves faster data processing speed and lower memory usage without compromising accuracy. It demonstrates the capability to swiftly handle massive datasets.

3.4. LightGBM Diagnosis Model and Process

Based on the aforementioned content, this section employs the LightGBM diagnosis model to diagnose open-circuit faults in electric vehicle DC charging piles. The overall process of obtaining the diagnosis model is illustrated in Figure 8.
As illustrated in the flowchart, the original dataset undergoes S-transforms such as the improved S-transform and PCA to generate a feature dataset. The training section of the LightGBM diagnostic model utilizes this feature dataset for training and testing adjustments, enabling the diagnostic model to develop the ability to diagnose faults based on features.
During the diagnosis process, this diagnostic model employs improved S-transform and PCA algorithms to extract fault features from the fault signals ia, ib, ic, and iT in the charging module circuit of the electric vehicle charging pile. Subsequently, the LightGBM algorithm is used to recognize and diagnose the extracted fault features.

4. Simulation and Experimental Analysis

In this section, the dataset is established through the Simulink simulation model, the diagnostic model is trained and tested by Python, and finally, a charging module fault diagnosis experimental platform is built based on RT-Lab to experimentally verify the diagnostic model. The software/hardware environment used for simulation verification is shown in Table 3.

4.1. Create the Dataset

A simulation model was built based on the charging module circuit topology in Section 2.1. The circuit design parameters are shown in Table 4.
During each simulation, the capacitance component parameters in the circuit fluctuate by ±20%, the inductance parameters fluctuate by ±10%, the load fluctuation range is 10~200%, and the set fault occurs randomly within 0.1~0.2 s after reaching the steady state. The operating data are collected within 0.2 s after the fault occurs. The signal sampling frequency is 8 kHz, and a total of 4 × 1600 data of ia, ib, ic, and iT are collected each time. Each fault type is simulated 1000 times, and a total of 11,000 sets of noise-free fault data are generated to form the dataset.
Since LightGBM can obtain good diagnostic results using a small amount of data training, this article randomly intercepts 1/5 of the data of each fault type in the dataset, and intercepts the data 0.02 s after the fault occurs. Each set of data is 4 × 160 points long. Finally, the dataset Do is obtained.
The feature dataset Do is divided into a noise-free training set Tr and a noise-free test set Te according to 1:1. Different levels of noise are added to Tr and Te to obtain the signal dataset, as shown in Table 5.
The improved S transform is used to extract the front-stage features M1, M3, M5, and SM from the data in the signal dataset Tr_0. In order to reflect the characteristics of four-dimensional data, Figure 9a shows the scatterplot of M1, M3, and M5 feature spaces, and Figure 9b shows the scatterplot of M1, M3, and SM feature spaces.
From Figure 9a, we can see that E0, E1, E2, E3, and E6 have good separation from other faults in the M1, M3, and M5 feature spaces, but E4, E5, and E7~E10 E4, E5 and E7~E10 have poor separation in the feature space. From Figure 9b, we can see that E0, E1, E4, E5, and E6 all have good separation in the feature spaces of M1, M3, and SM, but back-stage faults E7~E10 have poor separation in the feature space. Fault types with good separation in the feature space are easier to classify. Therefore, the features M1, M3, M5, and SM extracted based on the improved S transform can differentiate and diagnose faults E0~E5 and fault E6.
As shown in the Figure 8, the improved S-transform is used to extract the features M1, M3, M5, and SM of all signal datasets ia, ib, and ic in Table 5 to form the feature datasets Ptr and Pte.
The high-frequency transformer current iT data of the downstream circuit in the signal dataset Tr_0 are processed by PCA, and the extracted principal components y1~y4 are drawn into a feature space scatter diagram, as shown in Figure 10. As can be seen in Figure 10, the back-stage faults E7, E8, E9, and E10 have good separation in the feature spaces of Figure 10a,b,d. There is also a certain degree of separation between E7 and E8, and E9 and E10. Therefore, selecting the top six features y1~y6 in the contribution rate of the principal component analysis results as the back-stage features can identify the back-stage faults E7~E10.
As shown in the Figure 8, PCA is used to extract the top six principal component features y1~y6 of iT contribution rate in all signal datasets in Table 6 to form the feature datasets Btr and Bte.
The training set Train and test set Test 1~8 of the diagnostic model are combined with the extracted front and back stages feature datasets, as shown in the table below.

4.2. Fault Diagnosis Model Training

The LightGBM diagnostic model training flowchart in Section 3.4 is followed to train the diagnostic model. The initial parameters are set as: N = 5, Nbr = 3000, Lr = 0.01, ES = 5, and the parameters Nle and Mdl are optimized. The Nle value range [2, 100] is set with a step size of 1, and the Mdl value range [100, 1010] with a step size of 100, and the training parameters of the model are optimized.
Diagnostic accuracy Acc is used to evaluate model performance, and its expression is:
A c c = 1 m i = 1 N T P i
In the formula, m represents the number of all samples, N represents the number of sample types, and TPi represents the number of correct diagnoses in the i-th type of samples.
The relationship between model Acc and Nle and Mdl parameters is obtained as shown in Figure 11.
As can be seen in Figure 11, when the values of Nle and Mdl are small, the change of model diagnosis accuracy Acc is related to the two values. When Nle is greater than 40 and Mdl is greater than 200, Acc and the value are only related to the change of Mdl. This shows that when the Mdl number of LightGBM is constant, Nle is set to a larger value. In the actual model, the number of decision tree leaves will also be maintained at a relatively small optimal value through training and optimization. When Nle is constant, the model diagnostic performance is related to the Mdl setting. Taking the minimum Nle value and Mdl value when Acc is the highest in the Figure 11 as training parameters, and their values are 25 and 400, respectively.
After selecting the parameters, the training data are used to train the model, and the importance score of each feature for classification is obtained, as shown in Figure 12 below. The feature importance score reflects the contribution of the feature to the classification gain during classification, and is calculated using the Gini coefficient in LightGBM. It can be seen that each feature value extracted through S-transform and PCA plays a certain role in classification. Among them, the subsequent feature y2 extracted through PCA makes the greatest contribution to classification.
The change results of the multi-classification loss value of the training set are as follows.
As can be seen in Figure 13, the classification loss of LightGBM continues to decrease during training, until ES is triggered to converge at 437 generations, and the model training is completed.

4.3. Diagnostic Model Comparison Test

In order to further test the effectiveness, noise resistance, generalization ability, and real-time performance of the algorithm proposed in this section, this section compares the trained diagnostic model with the traditional diagnostic model. The diagnostic algorithms compared include stochastic gradient descent (SGD), SVM, DT, GBDT, and XGBoost.
All algorithms are trained using the training set Train obtained before. The anti-noise test set Test 1~8 is used for accuracy testing. The test results are shown in Table 7.
The accuracy of each algorithm in diagnosing the features extracted by the method proposed is above 70%, in Table 7, with the highest diagnostic accuracy reaching 98.45%. This indicates that the features extracted by the method proposed in this paper can achieve fault diagnosis for electric vehicle charging stations.
The training set and verification set used by the diagnostic algorithm only contain 15 dB, 20 dB, 30 dB, 40 dB, and noise-free data. The diagnostic accuracy of each algorithm in the 10 dB, 25 dB, and 35 dB test set is not significantly lower than other results, which means that the algorithms tested and compared all have certain generalization capabilities. In Table 7, The accuracy of each algorithm increases as the noise intensity in the test dataset decreases. Compared with other decision tree-related algorithms, SGD and SVM have overall lower diagnostic accuracy and poorer diagnostic performance, which shows that the decision tree related algorithm is more suitable for classifying and diagnosing the characteristics of electric vehicle charging piles. Among the decision tree-related algorithms, the diagnostic accuracy of DT drops by 14.73% when the SNR is 15 dB, and its noise immunity is poorer than other algorithms.
The diagnostic accuracy of the GBDT, XGBoost, and LightGBM algorithms in the noisy test set with SNR greater than 15 dB is no more than 2% different from the accuracy in the noise-free test set. Even in the case of high noise with SNR 10 dB, the three algorithms still have an accuracy of more than 90%. It shows good noise immunity. In particular, LightGBM has the highest diagnostic accuracy in the test set, with SNR greater than 25 dB.
The comparison content of the real-time comparison test is the training time and single diagnosis time of each algorithm. The algorithm’s single diagnosis time consumption is recorded as the diagnosis time of each group of data when the algorithm diagnoses 1000 groups of data. The training time is drawn as a line chart, and the 1000 groups of single diagnosis time is drawn as a box plot for comparison. The results are shown in Figure 14 below.
In Figure 14, it can be observed that the single-diagnosis time of the SGD, SVM, and DT algorithms is at a relatively low level, with an average single-diagnosis time of less than 0.5 ms. This is because these three algorithms have relatively simple principles and require lower computational effort for diagnosis. However, the simplicity of their algorithmic principles also leads to poorer performance in noise resistance testing.
Among the remaining three algorithms, LightGBM has the shortest training time due to lightweight improvements in reducing split point computation, optimizing decision tree construction strategies, reducing the amount of training data, and decreasing the number of feature values. It only takes 0.67 s to complete the training of the diagnostic model. The training times are 31.3% and 2.9% of the training times for XGBoost (2.14 s) and GBDT (22.96 s), respectively.
However, the leaf-wise growth strategy and histogram algorithm make LightGBM build deeper trees, resulting in longer single-diagnosis times compared with GBDT and XGBoost, which directly classify feature values. The diagnostic model proposed in this section requires only 0.67 s for training in the simulation platform’s software and hardware environment, and the single-signal processing and classification diagnosis time is only 3.91 ms. This indicates that the proposed method requires lower computational effort for training and diagnosis, making it suitable for deployment on low-cost and low-performance computing platforms on a large scale.
The average time consumption for each stage of single-fault diagnosis, considering 1000 instances of single-feature extraction time for front and back stages signals, combined with the single-diagnosis time and signal sampling time of LightGBM, is presented in Table 8.
From the results in Table 8, it can be observed that in a single diagnosis, the average time consumption for the feature extraction and classification diagnosis processes on the simulation platform is 3.91 ms. Moreover, the signal processing time is much lower than the signal sampling time, enabling real-time signal processing. The comparison of the single-diagnosis time of the proposed diagnostic method in this section with the diagnostic time data from literature on open-circuit fault diagnosis in some power electronic devices is shown in Table 9 below.
From Table 9, the total time for single diagnosis of 23.91 ms is excellent for open-circuit fault diagnosis in power electronic devices, meeting the requirements for electric vehicle charging station fault diagnosis.
In summary, the proposed method for open-circuit fault diagnosis in electric vehicle DC charging stations based on S-transform and LightGBM is effective in extracting fault features and achieving accurate diagnosis. Its average diagnostic accuracy reaches up to 97.04%, the highest among the compared algorithms. The method demonstrates excellent generalization, noise resistance, and real-time performance.

4.4. Experimental Diagnostic Effect Verification

To further validate the effectiveness of the proposed fault diagnosis technology, this paper constructs a semi-physical simulation experimental platform, as shown in Figure 15.
RT-LAB consists primarily of an upper computer, communication module, power module, and OP5700 simulator. Among these, the OP5700 simulator stands as the core for real-time simulation. The simulator houses multiple I/O boards internally, supporting up to 128 channels of analog signals or 256 channels of digital signals for input and output. During RT-LAB operation, models are transmitted to the OP5700 simulator via the communication module. The OP5700 compiles the simulation model and initiates real-time simulation. Real-time signal interaction is accomplished through integrated I/O boards. Within the simulation platform, a signal acquisition card collects fault signals outputted in real time by RT-LAB. These signals are simultaneously transmitted to the signal diagnostic upper computer for diagnosis. The signal acquisition card utilized is the USB DAQ-7606I produced by AUMANYU. It supports synchronized sampling of eight channels of analog signals, bidirectional input functionality, and has a range of −10 V to +10 V, a 16-bit AD resolution, and a multi-channel continuous sampling speed of 100 Hz to 20 kHz. This meets the 8 kHz data sampling frequency requirements for the diagnostic method proposed in this paper. In this experimental platform, RT-LAB is capable of compiling and running power electronics simulation models built in Simulink. It can interact with external hardware circuits through the onboard IO card and FPGA, enabling semi-physical simulation. The platform can simulate fault scenarios in the charging module under different circuit parameters and test the fault diagnosis capability of the proposed diagnostic model.
During the experiment, RT-LAB simulates faults in the charging module and generates fault signals. These signals, including iLa, iLb, iLc, and iT, are then collected by the signal acquisition card. The collected data are transmitted to the signal analysis host computer, where the host computer utilizes the trained diagnostic model for fault diagnosis.
The waveforms of faults E1 to E6 obtained under rated power conditions are shown in Figure 16. In the oscilloscope display, the upper half shows the waveforms of ia, ib, and ic, while the lower half displays the waveform of iT.
The oscilloscope current waveforms for the back-stage faults E7 to E10 obtained under rated power conditions are shown in Figure 17.
In Figure 17, it can be observed that under rated power conditions, the measured input current waveforms for front-stage faults and the input current waveforms for back-stage high-frequency transformer faults are generally consistent with the simulated current waveforms. This indicates that the experimental platform operates stably, and the collected experimental fault data can be used to test the diagnostic algorithms.
To adapt to the range of the data acquisition card, the current data output has been scaled down by a factor of 10. Therefore, the experimental fault data collected by the data acquisition card need to be amplified by a factor of 10 first. Then, based on the set data size of 160 for each type of fault and the sampling frequency of 8 kHz of the data acquisition card, fault data are extracted for 0.02 s after each type of fault occurs. Since there is no specific fault occurrence time in the normal state, data for 0.02 s before each type of fault occurrence are randomly selected as the normal state type. After processing the data for each type of fault, the final experimental dataset De is established.
For fault diagnosis, it is necessary to extract features from the fault data in De. Therefore, the improved S-transform and PCA are first used to extract the front-stage features P for all ia, ib, ic data in the experimental fault dataset and the back-stage features B for all iT data. The feature data P and B are then combined into the feature dataset T and input into LightGBM for diagnosis.
The confusion matrix obtained from diagnosing the experimental fault data using the diagnostic model is shown in Figure 18.
In Figure 18, it can be observed that the recall rates for diagnosing various faults are above 80%, with a recall rate of 100% for front-stage faults. The diagnostic model achieves an accuracy of 96.36% for the experimental data, slightly lower than the performance of 98.45% for the simulated noise-free test set. This discrepancy is speculated to be due to the smaller sample size in the experimental test dataset, leading to a greater impact of misdiagnosis. In Figure 18, the diagnostic algorithm primarily exhibits diagnostic errors for back-stage faults. Some fault experimental waveforms collected by the acquisition card, along with the misdiagnosed waveforms, are shown in Figure 18.
Figure 19a shows the waveform of the normal state at 20% load. Figure 19b displays the waveform of the E6 fault misdiagnosed under the same power, indicating a small difference in waveforms between E6 and the normal state at lower loads. Figure 19c presents the waveforms of E7 and E8 faults at 200% load, where E8 is misdiagnosed. Similarly, the small difference in waveforms between E7 and E8 can lead to misdiagnosis, especially when the load approaches 200%. This is because the waveforms of back-stage faults (E7, E8) and faults (E9, E10) in the symmetrical bridge arm exhibit small differences. When the load is close to 200%, the relative differences between fault signals become even smaller, contributing to diagnostic errors. Training the proposed method with measured fault waveforms theoretically leads to better diagnostic results.
Based on the confusion matrix, the model’s average precision, average recall, and accuracy, along with the average single-diagnosis time, are presented in Table 10.
From the results in Table 10, it can be observed that the diagnostic precision (Pr), recall (Re), and accuracy (Acc) of the model are all above 96%. This indicates that the fault diagnosis method for open-circuit faults in electric vehicle charging stations based on the improved S-transform and LightGBM can effectively diagnose fault data collected in the experiment.

5. Conclusions

The objective of this paper is to investigate a two-stage structure for the diagnosis of open-circuit faults in DC charging stations and propose a fault diagnosis method based on an improved S-transform and LightGBM. The method utilizes the optimal window width incomplete S-transform algorithm for feature extraction from the front-stage signals, improving feature extraction speed by reducing redundant calculations. Subsequently, the PCA algorithm is employed to analyze the principal component features of the back-stage signals, and the top six principal components with the highest contribution rates are selected as features for back-stage faults. Then, the extracted fault features are used to train and fine-tune a LightGBM classification model, selecting the model trained with optimal parameters as the fault diagnosis model. Finally, the proposed diagnostic model is verified on a semi-physical simulation platform. The results demonstrate the method’s effectiveness in extracting fault features, accurately diagnosing circuit faults in charging stations, and exhibiting excellent noise resistance and real-time performance. With the popularity of cloud interaction technology and edge computing devices, the promotion and application of this method in the industry have become possible and have positive significance.

Author Contributions

Conceptualization, T.J.; methodology, Y.C., T.J. and Z.L.; software, X.W. and M.H.; validation, M.H.; formal analysis, X.W.; investigation, S.Z.; resources, X.W. and S.Z.; data curation, Z.T.; writing—original draft, Y.C.; writing—review and editing, Y.C. and Z.L.; visualization, M.H.; supervision, Z.T. and T.J.; project administration, Z.T. All authors have read and agreed to the published version of the manuscript.

Funding

This research received no external funding.

Conflicts of Interest

Author Zhenli Tang, Xiaofeng Weng, Min He were employed by Fujian YILI Information Technology Co., Ltd. Author Sheng Zhou was employed by State Grid Fujian Electric Power Co., Ltd. The remaining authors declare that the research was conducted in the absence of any commercial or financial relationships that could be construed as a potential conflict of interest. The authors declare no conflicts of interest.

References

  1. Liu, Y.; Yuan, D.; Fan, H.; Jin, T.; Mohamed, A. A Multidimensional Feature-Driven Ensemble Model for Accurate Classification of Complex Power Quality Disturbance. IEEE Trans. Instrum. Meas. 2023, 72, 1501613. [Google Scholar] [CrossRef]
  2. Chen, C.; Huang, Y.; Wu, J.; Lin, H. Fuelling the Sustainable Future: A Comparative Analysis Between Battery Electrical Vehicles (BEV) and Fuel Cell Electrical Vehicles (FCEV). Environ. Sci. Pollut. Res. 2023, 30, 57236–57252. [Google Scholar]
  3. Zhang, Z.; Jin, T.; Xiao, X.; Wu, W.; Yuan, Y. A Novel Bidirectional Five-Level Multimode CLLC Resonant Converter. IEEE Trans. Power Electron. 2022, 37, 6972–6985. [Google Scholar] [CrossRef]
  4. Sun, L.; Ma, Y.; Li, X.; Guo, D.; Liu, J.; Wu, P.; Xiao, P. Research on Integrated Safety Assessment Model of Electric Vehicle Charging Process. IET Smart Grid 2023, 6, 17–27. [Google Scholar] [CrossRef]
  5. Zhang, Z.; Xiao, X.; You, W.; Li, H.; Jin, T. A Novel Bidirectional Wider Range of Boost-Buck Three-Level LCC Resonant Converter as an Energy Link. IEEE Trans. Power Electron. 2023, 38, 2143–2155. [Google Scholar] [CrossRef]
  6. Chen, Y.; Li, W.; Iannuzzo, F.; Luo, H.; He, X.; Blaabjerg, F. Investigation and Classification of Short-Circuit Failure Modes Based on Three-Dimensional Safe Operating Area for High-Power IGBT Modules. IEEE Trans. Power Electron. 2017, 33, 1075–1108. [Google Scholar] [CrossRef]
  7. Xue, Z.Y.; Xiahou, K.S.; Li, M.S.; Ji, T.Y.; Wu, Q.H. Diagnosis of Multiple Open-Circuit Switch Faults Based on Long Short-Term Memory Network for DFIG-Based Wind Turbine Systems. IEEE J. Emerg. Sel. Top. Power Electron. 2020, 8, 2600–2610. [Google Scholar] [CrossRef]
  8. Gao, Z.; Cecati, C.; Ding, S.X. A Survey of Fault Diagnosis and Fault-Tolerant Techniques—Part I: Fault Diagnosis with Model-Based and Signal-Based Approaches. IEEE Trans. Ind. Electron. 2015, 62, 3757–3767. [Google Scholar] [CrossRef]
  9. Beard, R.V. Failure Accommodation in Linear Systems through Self-Reorganization; Massachusetts Institute of Technology: Cambridge, MA, USA, 1971. [Google Scholar]
  10. Li, D.; Ukil, A.; Satpathi, K.; Yeap, Y.M. Improved S Transform-Based Fault Detection Method in Voltage Source Converter Interfaced DC System. IEEE Trans. Ind. Electron. 2021, 68, 5024–5035. [Google Scholar] [CrossRef]
  11. Anand, A.; Raj, N.; Jagadanand, G.; George, S. A Generalized Switch Fault Diagnosis for Cascaded H-bridge Multilevel Inverters Using Mean Voltage Prediction. IEEE Trans. Ind. Appl. 2020, 56, 1563–1574. [Google Scholar] [CrossRef]
  12. Gorla, N.B.Y.; Kolluri, S.; Chai, M.; Panda, S.K. A Novel Open-Circuit Fault Detection and Localization Scheme for Cascaded H-bridge Stage of a Three-Stage Solid-State Transformer. IEEE Trans. Power Electron. 2021, 36, 8713–8729. [Google Scholar] [CrossRef]
  13. Mendes, A.M.S.; Abadi, M.B.; Cruz, S.M.A. Fault Diagnostic Algorithm for Three-Level Neutral Point Clamped AC Motor Drives, Based on The Average Current Park’s Vector. IET Power Electron. 2014, 7, 1127–1137. [Google Scholar] [CrossRef]
  14. Gou, B.; Xu, Y.; Xia, Y.; Deng, Q.; Ge, X. An Online Data-Driven Method for Simultaneous Diagnosis of IGBT and Current Sensor Fault of Three-Phase PWM Inverter in Induction Motor Drives. IEEE Trans. Power Electron. 2020, 35, 13281–13294. [Google Scholar] [CrossRef]
  15. Ye, X.; Hu, Y.; Shen, J.; Chen, C.; Zhai, G. An Adaptive Optimized TVF-EMD Based on A Sparsity-Impact Measure Index for Bearing Incipient Fault Diagnosis. IEEE Trans. Instrum. Meas. 2021, 70, 3507311. [Google Scholar] [CrossRef]
  16. Ye, S.; Jiang, J.; Li, J.; Liu, Y.; Zhou, Z.; Liu, C. Fault Diagnosis and Tolerance Control of Five-Level Nested NPP Converter Using Wavelet Packet and LSTM. IEEE Trans. Power Electron. 2020, 35, 1907–1921. [Google Scholar] [CrossRef]
  17. Lee, J.S.; Lee, K.B. An Open-Switch Fault Detection Method and Tolerance Controls Based on SVM in A Grid-Connected T-Type Rectifier with Unity Power Factor. IEEE Trans. Ind. Electron. 2014, 61, 7092–7104. [Google Scholar] [CrossRef]
  18. Rahimilarki, R.; Gao, Z.; Zhang, A.; Binns, R.J. Robust Neural Network Fault Estimation Approach for Nonlinear Dynamic Systems with Applications to Wind Turbine Systems. IEEE Trans. Ind. Inform. 2019, 15, 6302–6312. [Google Scholar] [CrossRef]
  19. Joly, R.B.; Ogaji, S.O.T.; Singh, R.; Probert, S.D. Gas-turbine Diagnostics Using Artificial Neural-Networks for A High Bypass Ratio Military Turbofan Engine. Appl. Energy 2004, 78, 397–418. [Google Scholar] [CrossRef]
  20. Wang, Z.; Xia, H.; Zhang, J.; Annor-Nyarko, M.; Zhu, S.; Jiang, Y.; Yin, W. A deep transfer learning method for system-level fault diagnosis of nuclear power plants under different power levels. Ann. Nucl. Energy 2022, 166, 108771. [Google Scholar] [CrossRef]
  21. Pang, Y.; Yang, D.; Teng, R.; Zhou, B.; Xu, C. A deep learning based multiple signals fusion architecture for power system fault diagnosis. Sustain. Energy Grids Netw. 2022, 30, 100660. [Google Scholar] [CrossRef]
  22. Dai, S.; Wang, D.; Li, W.; Zhou, Q.; Tian, G.; Dong, H. Fault Diagnosis of Data-Driven Photovoltaic Power Generation System Based on Deep Reinforcement Learning. Math. Probl. Eng. 2021, 2021, 2506286. [Google Scholar] [CrossRef]
  23. Yu, Y.; Li, M.S.; Ji, T.Y.; Wu, Q.H. Fault Location in Distribution System Using Convolutional Neural Network Based on Domain Transformation. CSEE J. Power Energy Syst. 2021, 7, 472–484. [Google Scholar]
  24. Cai, F.; Zhan, M.; Chai, Q.; Jiang, J. Fault Diagnosis of DAB Converters Based on ResNet with Adaptive Threshold Denoising. IEEE Trans. Instrum. Meas. 2022, 71, 3515510. [Google Scholar] [CrossRef]
  25. Duan, R.C.; Wang, F.H. Fault Diagnosis of On-Load Tap-Changer in Converter Transformer Based on Time-Frequency Vibration Analysis. IEEE Trans. Ind. Electron. 2016, 56, 3815–3823. [Google Scholar] [CrossRef]
  26. Yuan, W.; Li, Z.; He, Y.; Cheng, R.; Lu, L.; Ruan, Y. Open-Circuit Fault Diagnosis of NPC Inverter Based on Improved 1-D CNN Network. IEEE Trans. Instrum. Meas. 2022, 71, 3510711. [Google Scholar] [CrossRef]
  27. Amaral, T.G.; Pires, V.F.; Pires, A.J. Fault Detection in PV Tracking Systems Using an Image Processing Algorithm Based on PCA. Energies 2021, 14, 7278. [Google Scholar] [CrossRef]
  28. Singaram Gopinath, P.; Balakrishnan, A. PCA-NPOGBDT strategy-based protection scheme to differentiate between inverter and distribution line faults plus detection and identification of faulty section in microgrid. Int. J. Intell. Syst. 2022, 37, 1273–1298. [Google Scholar] [CrossRef]
  29. Guo, M.; Guo, Y.; Peng, Y.; Zhang, W.; Ling, Q. Fault diagnosis of bolt loosening based on LightGBM recognition of sound signal features. IEEE Sens. J. 2023, 23, 1. [Google Scholar] [CrossRef]
  30. Tao, G.; Wang, Z.; Zhang, X. Power Grid Fault Diagnosis Method Based on LightGBM. J. Phys. Conf. Ser. 2023, 2479, 012029. [Google Scholar] [CrossRef]
  31. Genduso, F.; Cecati, C.; Di Tommaso, A.O.; Miceli, R.; Galluzzo, G.R. Comprehensive Modeling and Experimental Testing of Fault Detection and Management of a Nonredundant Fault-Tolerant VSI. IEEE Trans. Ind. Electron. 2015, 62, 3945–3954. [Google Scholar]
  32. Laadjal, K.; Sahraoui, M.; Cardoso, A.J.M. On-Line Fault Diagnosis of DC-Link Electrolytic Capacitors in Boost Converters Using the STFT Technique. IEEE Trans. Power Electron. 2021, 36, 6303–6312. [Google Scholar] [CrossRef]
Figure 1. Circuit topology of the DC charging module.
Figure 1. Circuit topology of the DC charging module.
Energies 17 00404 g001
Figure 2. Three-phase inductance current waveform of different faults.
Figure 2. Three-phase inductance current waveform of different faults.
Energies 17 00404 g002
Figure 3. High-frequency transformer current waveforms under different faults.
Figure 3. High-frequency transformer current waveforms under different faults.
Energies 17 00404 g003
Figure 4. Schematic diagram of signal spectrum and effective window width.
Figure 4. Schematic diagram of signal spectrum and effective window width.
Energies 17 00404 g004
Figure 5. Analysis of the improved S-transform for primary switch tube faults.
Figure 5. Analysis of the improved S-transform for primary switch tube faults.
Energies 17 00404 g005
Figure 6. Analysis of the improved S-transform for primary capacitor faults.
Figure 6. Analysis of the improved S-transform for primary capacitor faults.
Energies 17 00404 g006
Figure 7. Schematic diagram of gradient boosting principles.
Figure 7. Schematic diagram of gradient boosting principles.
Energies 17 00404 g007
Figure 8. Flowchart of LightGBM diagnostic model training.
Figure 8. Flowchart of LightGBM diagnostic model training.
Energies 17 00404 g008
Figure 9. Scatterplot of phase A characteristic distribution based on the improved S transform.
Figure 9. Scatterplot of phase A characteristic distribution based on the improved S transform.
Energies 17 00404 g009
Figure 10. Back-stage feature distribution scatterplot of basic principal component analysis.
Figure 10. Back-stage feature distribution scatterplot of basic principal component analysis.
Energies 17 00404 g010
Figure 11. Parameter optimization results of LightGBM.
Figure 11. Parameter optimization results of LightGBM.
Energies 17 00404 g011
Figure 12. Importance rating of each feature classification.
Figure 12. Importance rating of each feature classification.
Energies 17 00404 g012
Figure 13. Changes in classification loss value of training set.
Figure 13. Changes in classification loss value of training set.
Energies 17 00404 g013
Figure 14. Comparison of real-time test results of LightGBM.
Figure 14. Comparison of real-time test results of LightGBM.
Energies 17 00404 g014
Figure 15. Charging station fault diagnosis experimental platform.
Figure 15. Charging station fault diagnosis experimental platform.
Energies 17 00404 g015
Figure 16. Oscilloscope waveforms for faults E1 to E6.
Figure 16. Oscilloscope waveforms for faults E1 to E6.
Energies 17 00404 g016
Figure 17. Oscilloscope waveforms for back-stage faults.
Figure 17. Oscilloscope waveforms for back-stage faults.
Energies 17 00404 g017
Figure 18. Confusion matrix for the diagnostic model based on the improved S-transform and LightGBM.
Figure 18. Confusion matrix for the diagnostic model based on the improved S-transform and LightGBM.
Energies 17 00404 g018
Figure 19. Partial misdiagnosis waveforms.
Figure 19. Partial misdiagnosis waveforms.
Energies 17 00404 g019
Table 1. Table of fault types.
Table 1. Table of fault types.
Fault TypesFault LocationFault TypesFault Location
E1Open circuit of Sa in front stageE6Open circuit of Cf in back stage
E2Open circuit of Sb in front stageE7Open circuit of Q1 in front stage
E3Open circuit of Sc in front stageE8Open circuit of Q2 in front stage
E4Open circuit of C1 in front stageE9Open circuit of Q3 in front stage
E5Open circuit of C2 in front stageE10Open circuit of Q4 in front stage
Table 2. Contribution rates of the principal components extracted through PCA for the secondary stage.
Table 2. Contribution rates of the principal components extracted through PCA for the secondary stage.
Featurey1y2y3y4y5y6y7y8y9y10
Contribution rate0.69370.14160.01000.00410.00410.00110.00090.00080.00070.0007
Table 3. Simulation test environment.
Table 3. Simulation test environment.
Software/HardwareModel/VersionSoftware/HardwareModel/Version
OSWin10 64 bitRAMDDR4 8 GB
CPUi5 9300HHDDSSD 500 GB
GPUGTX 1650 4 GBPython3.6
Table 4. Table of circuit parameters.
Table 4. Table of circuit parameters.
ParametersValue
Three-phase line voltage of front stage380 V ± 5%
Output voltage of front-stage VIENNA rectifier750 V ± 10%
Switching frequency of front-stage VIENNA rectifier50 kHz
Output voltage of back-stage phase-shifted full-bridge converter375 V ± 5%
Switching frequency of back-stage phase-shifted full-bridge converter20 kHz
Rated output power of charging module15 kW
Front-stage inductor1.5 mH
Flat capacitor of front-stage VIENNA rectifier3 mF
Inductor of back-stage output filter100 µH
Capacitor of back-stage output filter100 µF
Load resistance of back stage20 Ω
Table 5. Fault signal dataset composition.
Table 5. Fault signal dataset composition.
DatasetSNR/dBDatasetSNR/dB
Tr_0noise-freeTe_215
Tr_115Te_320
Tr_220Te_425
Tr_330Te_530
Te_0noise-freeTe_635
Te_110Te_740
Table 6. Simulation test environment.
Table 6. Simulation test environment.
DatasetFeature SetOriginal Signal SetDatasetFeature SetOriginal Signal Set
TrainPtr0, Btr0Tr_0Test_3Pte2, Bte2Te_2
Ptr1, Btr1Tr_1Test_4Pte3, Bte3Te_3
Ptr2, Btr2Tr_2Test_5Pte4, Bte4Te_4
Ptr3, Btr3Tr_3Test_6Pte5, Bte5Te_5
Test_1Pte0, Bte0Te_0Test_7Pte6, Bte6Te_6
Test_2Pte1, Bte1Te_1Test_8Pte7, Bte7Te_7
Table 7. Comparison of diagnostic algorithm noise immunity test results.
Table 7. Comparison of diagnostic algorithm noise immunity test results.
AlgorithmAccuracy/%
10 dB15 dB20 dB25 dB30 dB35 dB40 dBNoise-Free
SGD70.9071.1872.6471.5471.0971.6372.4572.18
SVM86.3692.0092.0093.1893.1893.2793.1893.63
DT75.0981.2790.3691.9093.2794.4595.4596.00
GBDT92.4596.5497.4597.4598.1897.7297.7297.45
XGBoost90.0096.7297.0097.9098.1898.2798.0998.27
LightGBM90.8197.1897.1897.9098.1898.2798.3698.45
Table 8. The average time consumption for each stage of single-fault diagnosis.
Table 8. The average time consumption for each stage of single-fault diagnosis.
StageAverage Time Consumption/ms
Signal sampling20
Front-stage feature extraction based on S-transform0.27
Back-stage feature extraction based on PCA0.049
LightGBM feature classification diagnosis3.59
Total time for single diagnosis23.91
Table 9. Real-time performance comparison of diagnostic methods.
Table 9. Real-time performance comparison of diagnostic methods.
AlgorithmSampling Time/msDiagnostic Computation Time/msTotal Time for Single Diagnosis/ms
MB-3.45–113-
MVP-12–14-
RVFL202242
WPT-LSTM1015–3325–43
LSTM16616182
1DCNN-LSTM20--
Proposed method203.9123.91
Note: “-” indicates that the data are not mentioned.
Table 10. Diagnostic performance of the improved S-transform and LightGBM model.
Table 10. Diagnostic performance of the improved S-transform and LightGBM model.
IndicatorsValue
Average precision Pr96.82%
Average recall Re96.36%
Accuracy Acc96.36%
Average diagnosis time t23.88ms
Disclaimer/Publisher’s Note: The statements, opinions and data contained in all publications are solely those of the individual author(s) and contributor(s) and not of MDPI and/or the editor(s). MDPI and/or the editor(s) disclaim responsibility for any injury to people or property resulting from any ideas, methods, instructions or products referred to in the content.

Share and Cite

MDPI and ACS Style

Chen, Y.; Tang, Z.; Weng, X.; He, M.; Zhou, S.; Liu, Z.; Jin, T. A Diagnostic Method for Open-Circuit Faults in DC Charging Stations Based on Improved S-Transform and LightGBM. Energies 2024, 17, 404. https://doi.org/10.3390/en17020404

AMA Style

Chen Y, Tang Z, Weng X, He M, Zhou S, Liu Z, Jin T. A Diagnostic Method for Open-Circuit Faults in DC Charging Stations Based on Improved S-Transform and LightGBM. Energies. 2024; 17(2):404. https://doi.org/10.3390/en17020404

Chicago/Turabian Style

Chen, Yin, Zhenli Tang, Xiaofeng Weng, Min He, Sheng Zhou, Ziqiang Liu, and Tao Jin. 2024. "A Diagnostic Method for Open-Circuit Faults in DC Charging Stations Based on Improved S-Transform and LightGBM" Energies 17, no. 2: 404. https://doi.org/10.3390/en17020404

APA Style

Chen, Y., Tang, Z., Weng, X., He, M., Zhou, S., Liu, Z., & Jin, T. (2024). A Diagnostic Method for Open-Circuit Faults in DC Charging Stations Based on Improved S-Transform and LightGBM. Energies, 17(2), 404. https://doi.org/10.3390/en17020404

Note that from the first issue of 2016, this journal uses article numbers instead of page numbers. See further details here.

Article Metrics

Back to TopTop