Minimum Risk Quantification Method for Error Threshold of Wind Farm Equivalent Model Based on Bayes Discriminant Criterion
Abstract
1. Introduction
2. Equivalent Modeling of WFs and Error Analysis Methods
2.1. Single-Machine Equivalent Modeling Method for WFs
2.2. WF Equivalent Error Calculation
2.3. Probability Density Function of Equivalent Errors
3. Quantitative Model of Minimum Risk of Error Threshold of WF Equivalent Model
3.1. The Bayes Discriminant Criterion and Mathematical Model
3.2. Real-Time Weighted Prior Probability Algorithm
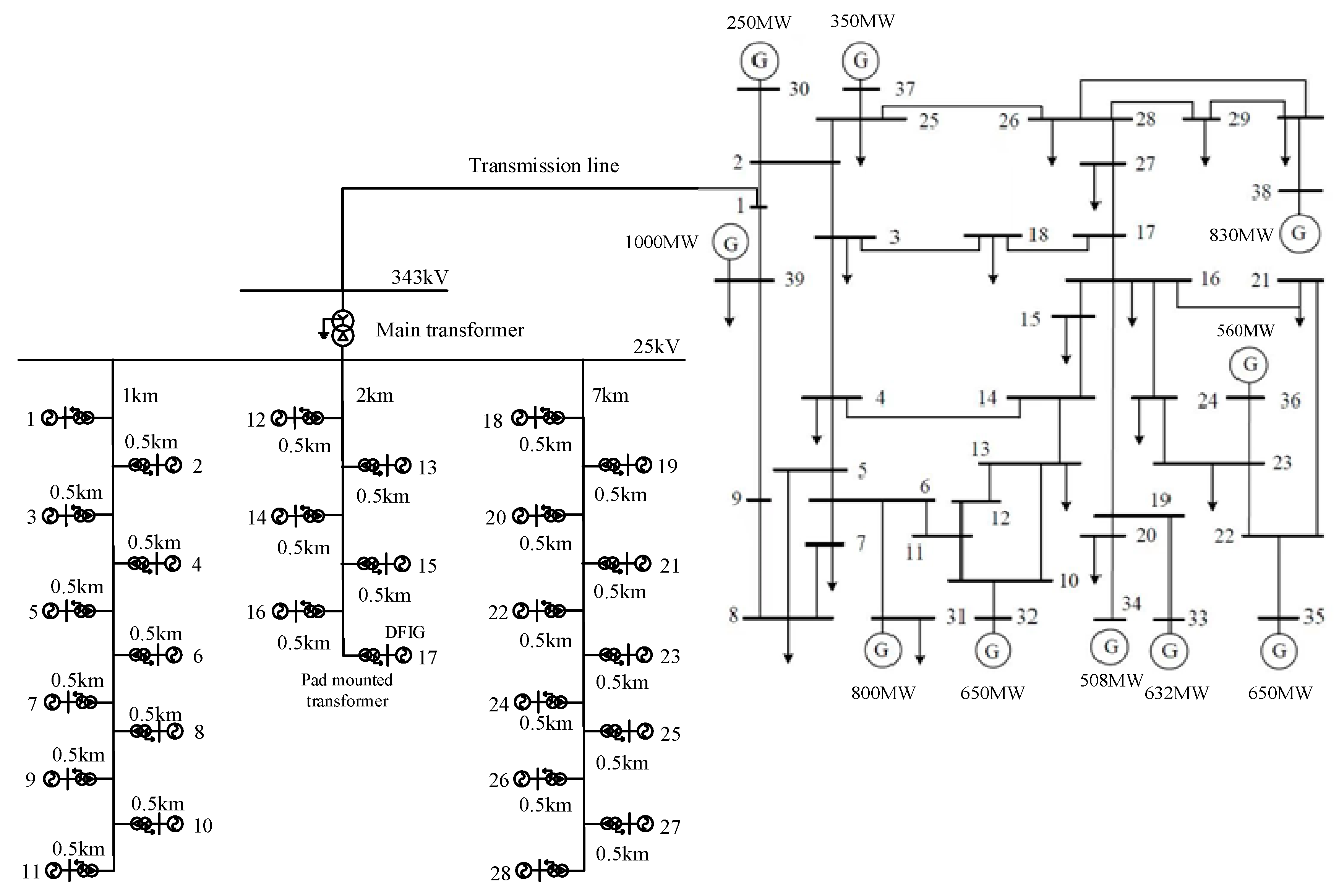
4. Example Analysis
4.1. Determination of WF Equivalent Error Probability Density Function
4.2. Influence of Different Missed Judgment and Misjudgment Loss Ratio Thresholds
4.3. Determination of Equivalent Error Threshold for WFs
4.4. Verification in Different Wind Speed Scenarios
5. Conclusions
- (1)
- In the case that prior knowledge cannot be obtained, the real-time weighted prior probability solving algorithm can update the probability of the validity of the WF equivalent models according to the dynamic data set, and solve the problem of prior distribution selection in the Bayes discrimination criterion.
- (2)
- The identification method of “error thresholds of the windows 3 and 4 are the main ones, and error threshold of the window 5 is the auxiliary one” can accurately and efficiently determine the validity of the WF equivalent model, and improve the engineering practical value of the threshold quantization results.
- (3)
- Compared with the error threshold of existing wind power models, the Bayes threshold quantization result oriented to minimum risk can more accurately determine the validity of WF equivalent models.
Author Contributions
Funding
Data Availability Statement
Conflicts of Interest
Appendix A

| DFIG | Wind turbine | |||
| Blade radius (m) | 31 | Stiffness coefficient of shafting (pu/rad) | 1.11 | |
| Inertial time constant (s) | 4.32 | Rated wind speed (m/s) | 12.5 | |
| Cut-in wind speed (m/s) | 4 | Cut-out wind speed (m/s) | 22 | |
| Doubly fed induction generator | ||||
| Rated power (MW) | 1.5 | Rated frequency (Hz) | 50 | |
| Rated voltage (kV) | 0.575 | Stator impedance (pu) | 0.016 + j0.16 | |
| Rotor impedance (pu) | 0.023 + j0.18 | Mutual impedance of stator and rotor (pu) | j2.9 | |
| Power converter | ||||
| Rotor side converterRated capacity (MVA) | 0.525 | Network side converterRated capacity (MVA) | 0.75 | |
| Rated voltage of DC bus (kV) | 1.15 | DC side bus capacitance (F) | 0.01 | |
| Pry bar circuit input threshold (pu) | 2 | Pry bar circuit cut out threshold (pu) | 0.35 | |
| Pry resistance (pu) | 0.1 | |||
| Pad Mounted Transformer | Rated capacity (MVA) | 1.75 | Rated frequency (Hz) | 50 |
| Rated ratio (kV) | 25/0.575 | Impedance (pu) | 0.06 | |
| Main Transformer | Rated capacity (MVA) | 150 | Rated frequency (Hz) | 50 |
| Rated ratio (kV) | 343/25 | Impedance (pu) | 0.135 | |
| Cable Line | Unit resistance (Ω/km) | 0.1153 | Unit inductance (Ω/km) | j0.3297 |
Appendix B. Random Wind Speed
| Test Group Number | Time Window 3 | Time Window 4 | Time Window 5 | Time Window 6 | Decision Result | ||||||
|---|---|---|---|---|---|---|---|---|---|---|---|
| Active Power | Reactive Power | Active Power | Reactive Power | Active Power | Reactive Power | Active Power | Reactive Power | 3σ Criterion | Minimum Error Probability Criterion | Proposed Method | |
| 1 | 0.0846 | 0.1566 | 0.0077 | 0.0881 | 0.0037 | 0.0293 | 0.0005 | 0.0250 | right | right | right |
| 2 | 0.3197 | 0.2718 | 0.0512 | 0.1965 | 0.0107 | 0.0290 | 0.0012 | 0.0342 | right | right | right |
| 3 | 0.5126 | 1.9903 | 0.0779 | 0.3969 | 0.0142 | 0.0258 | 0.0049 | 0.0238 | right | right | right |
| 4 | 1.3435 | 1.7370 | 1.2144 | 1.0222 | 1.1117 | 1.0768 | 0.9668 | 0.8299 | right | right | right |
| 5 | 1.4019 | 0.5076 | 1.0836 | 1.2057 | 0.9696 | 0.9295 | 0.9713 | 0.8331 | right | right | right |
| Test Group Number | Pre-Failure Mean Absolute Deviation | Mean Absolute Deviation during Failure | Mean Absolute Deviation after Failure | Weighted Mean Absolute Deviation | Decision Result | ||||
|---|---|---|---|---|---|---|---|---|---|
| Active Power | Reactive Power | Active Power | Reactive Power | Active Power | Reactive Power | Active Power | Reactive Power | ||
| 1 | 0.005 | 0.014 | 0.013 | 0.010 | 0.005 | 0.034 | 0.009 | 0.018 | right |
| 2 | 0.005 | 0.014 | 0.035 | 0.092 | 0.018 | 0.049 | 0.026 | 0.072 | right |
| 3 | 0.005 | 0.014 | 0.034 | 0.020 | 0.029 | 0.106 | 0.030 | 0.045 | right |
| 4 | 0.005 | 0.014 | 0.028 | 0.013 | 1.026 | 0.935 | 0.325 | 0.290 | right |
| 5 | 0.005 | 0.014 | 0.009 | 0.004 | 0.993 | 0.872 | 0.304 | 0.266 | right |
| Test Group Number | Error Sampling Point Below 0.1 p.u./% | Decision Result | |
|---|---|---|---|
| Active Power | Reactive Power | ||
| 1 | 93.03 | 78.11 | wrong |
| 2 | 79.6 | 54.73 | wrong |
| 3 | 74.63 | 72.64 | wrong |
| 4 | 73.13 | 73.13 | right |
| 5 | 73.63 | 75.12 | right |
Appendix C. Rated Wind Speed
| Test Group Number | Time Window 3 | Time Window 4 | Time Window 5 | Time Window 6 | Decision Result | ||||||
|---|---|---|---|---|---|---|---|---|---|---|---|
| Active Power | Reactive Power | Active Power | Reactive Power | Active Power | Reactive Power | Active Power | Reactive Power | 3σ Criterion | Minimum Error Probability Criterion | Proposed Method | |
| 1 | 0.1253 | 0.2715 | 0.0422 | 0.0699 | 0.0207 | 0.0814 | 0.0302 | 0.1145 | right | right | right |
| 2 | 0.1813 | 0.2862 | 0.0381 | 0.0228 | 0.0242 | 0.0745 | 0.0362 | 0.1101 | right | right | right |
| 3 | 0.5885 | 1.2373 | 0.0805 | 0.1556 | 0.0300 | 0.0711 | 0.0357 | 0.0953 | right | right | right |
| 4 | 1.1798 | 0.9082 | 1.3726 | 1.0970 | 1.2661 | 1.0904 | 1.2692 | 1.0554 | right | right | right |
| 5 | 2.1337 | 0.8535 | 1.4845 | 0.7110 | 1.3119 | 1.1293 | 1.2385 | 1.0630 | right | right | right |
| Test Group Number | Pre-Failure Mean Absolute Deviation | Mean Absolute Deviation during Failure | Mean Absolute Deviation after Failure | Weighted Mean Absolute Deviation | Decision Result | ||||
|---|---|---|---|---|---|---|---|---|---|
| Active Power | Reactive Power | Active Power | Reactive Power | Active Power | Reactive Power | Active Power | Reactive Power | ||
| 1 | 0.036 | 0.108 | 0.035 | 0.163 | 0.033 | 0.108 | 0.035 | 0.141 | right |
| 2 | 0.036 | 0.108 | 0.157 | 0.147 | 0.039 | 0.101 | 0.109 | 0.129 | right |
| 3 | 0.036 | 0.108 | 0.051 | 0.025 | 0.057 | 0.127 | 0.051 | 0.064 | right |
| 4 | 0.036 | 0.108 | 0.057 | 0.028 | 1.275 | 1.063 | 0.420 | 0.346 | right |
| 5 | 0.036 | 0.108 | 0.010 | 0.014 | 1.301 | 1.055 | 0.400 | 0.336 | right |
| Test Group Number | Error Sampling Point below 0.1 p.u./% | Decision Result | |
|---|---|---|---|
| Active Power | Reactive Power | ||
| 1 | 85.07 | 17.91 | wrong |
| 2 | 29.85 | 28.36 | wrong |
| 3 | 74.13 | 63.68 | wrong |
| 4 | 73.13 | 62.69 | right |
| 5 | 74.13 | 65.17 | right |
Appendix D. Sub-Synchronous Speed (Five Groups of Detailed WF Models and SEMs Are Valid)
| Test Group Number | Time Window 3 | Time Window 4 | Time Window 5 | Time Window 6 | Decision Result | ||||||
|---|---|---|---|---|---|---|---|---|---|---|---|
| Active Power | Reactive Power | Active Power | Reactive Power | Active Power | Reactive Power | Active Power | Reactive Power | 3σ Criterion | Minimum Error Probability Criterion | Proposed Method | |
| 1 | 0.0242 | 0.0943 | 0.0058 | 0.0134 | 0.0053 | 0.0355 | 0.0086 | 0.0069 | right | right | right |
| 2 | 0.0848 | 0.1675 | 0.0128 | 0.0689 | 0.0036 | 0.0335 | 0.0071 | 0.0166 | right | right | right |
| 3 | 0.0963 | 0.1689 | 0.0160 | 0.1174 | 0.0030 | 0.0296 | 0.0062 | 0.0234 | right | right | right |
| 4 | 0.2173 | 0.2840 | 0.0361 | 0.2084 | 0.0077 | 0.0259 | 0.0053 | 0.0304 | right | right | right |
| 5 | 0.2054 | 0.3129 | 0.0468 | 0.1313 | 0.0106 | 0.0367 | 0.0092 | 0.0305 | right | right | right |
| Test Group Number | Pre-Failure Mean Absolute Deviation | Mean Absolute Deviation during Failure | Mean Absolute Deviation after Failure | Weighted Mean Absolute Deviation | Decision Result | ||||
|---|---|---|---|---|---|---|---|---|---|
| Active Power | Reactive Power | Active Power | Reactive Power | Active power | Reactive Power | Active Power | Reactive Power | ||
| 1 | 0.001 | 0.009 | 0.013 | 0.040 | 0.008 | 0.018 | 0.010 | 0.030 | right |
| 2 | 0.001 | 0.009 | 0.020 | 0.007 | 0.009 | 0.029 | 0.015 | 0.014 | right |
| 3 | 0.001 | 0.009 | 0.020 | 0.004 | 0.009 | 0.035 | 0.015 | 0.014 | right |
| 4 | 0.001 | 0.009 | 0.017 | 0.017 | 0.015 | 0.047 | 0.015 | 0.025 | right |
| 5 | 0.001 | 0.009 | 0.003 | 0.001 | 0.019 | 0.047 | 0.008 | 0.016 | right |
| Test Group Number | Error Sampling Point below 0.1 p.u./% | Decision Result | |
|---|---|---|---|
| Active Power | Reactive Power | ||
| 1 | 100 | 92.04 | right |
| 2 | 91.04 | 87.06 | right |
| 3 | 87.56 | 80.1 | wrong |
| 4 | 84.58 | 80.1 | wrong |
| 5 | 77.11 | 78.61 | wrong |
References
- Teng, Y.; Lin, B. New energy supply chain configuration diversified development: The role of the digital economy. IEEE Trans. Eng. Manag. 2024, 71, 8140–8152. [Google Scholar] [CrossRef]
- Wang, T.; Gao, M.; Mi, D.; Huang, S.; Wang, Z. Dynamic equivalent method of PMSG-based wind farm for power system stability analysis. IET Gener. Transm. Distrib. 2020, 14, 3488–3497. [Google Scholar] [CrossRef]
- Mohammadpour, H.A.; Ghaderi, A.; Santi, E. Analysis of sub-synchronous resonance in doubly-fed induction generator-based wind farms interfaced with gate–controlled series capacitor. IET Gener. Transm. Distrib. 2014, 8, 1998–2011. [Google Scholar] [CrossRef]
- Pourbeik, P.; Etzel, N.; Wang, S. Model validation of large wind power plants through field testing. IEEE Trans. Sustain. Energy 2018, 9, 1212–1219. [Google Scholar] [CrossRef]
- Zou, J.; Peng, C.; Yan, Y.; Zheng, H.; Li, Y. A survey of dynamic equivalent modeling for wind farm. Renew. Sustain. Energy Rev. 2014, 40, 956–963. [Google Scholar] [CrossRef]
- Doekemeijer, B.M.; Simley, E.; Fleming, P. Comparison of the Gaussian wind farm model with historical data of three offshore wind farms. Energies 2022, 15, 1964. [Google Scholar] [CrossRef]
- Meuser, M.; Brennecke, M. Analysis and comparison of national and international validation methods to assess the quality of DG simulation models. In Proceedings of the International ETG Congress 2015, Die Energiewende-Blueprints for the New Energy Age, VDE, Bonn, Germany, 17–18 November 2015; pp. 1–7. [Google Scholar]
- FGW. Technical Guidelines for Power Generating Units and Systems Part 4; Demands on Modelling and Validating Simulation Models of the Electrical Characteristics of Power Generating Units and Systems; FGW-TR4, Revision 8; FGW e.V.: Berlin, Germany, 2016. [Google Scholar]
- AEE. Procedimientos de Verificación, Validación y Certificación de los Requisitos del PO 12.3 y P.O.12.2.’ Sobre la Respuestade las Instalaciones Eólicas y Fotovoltaicas ante Huecos de Tensión, 11th ed.; Asociación Empresarial Eólica: Madrid, Spain, 2017. [Google Scholar]
- Jiménez-Buendía, F.; Villena-Ruiz, R.; Honrubia-Escribano, A.; Molina-Garcia, A.; Gomez-Lazaro, E. Submission of a WECC DFIG wind turbine model to Spanish operation procedure 12.3. Energies 2019, 12, 3749. [Google Scholar] [CrossRef]
- National Electricity Market Management Company Limited. Wind Farm Model Guidelines and Checklist-Memmco; National Electricity Market Management Company Limited: Melbourne, VIC, Australia, 2006. [Google Scholar]
- Li, W.; Chao, P.; Liang, X.; Xu, D.; Jin, X. An improved single-machine equivalent method of wind power plants by calibrating power recovery behaviors. IEEE Trans. Power Syst. 2018, 33, 4371–4381. [Google Scholar] [CrossRef]
- WECC. Renewable Energy Modeling Task Force. WECC Wind Power Plant Dynamic Modeling Guidelines; EPRI: Palo Alto, CA, USA, 2014. [Google Scholar]
- IEC 61400-27-2; Wind Energy Generation Systems—Part 27-2: Electrical Simulation Models—Model Validation. International Electrotechnical Commission: Geneva, Switzerland, 2020.
- GB/T 36237-2023; Wind Power Generation System General Electric Simulation Model. Standards Press of China: Beijing, China, 2023.
- NB/T 31053-2021; Verification Procedure for Electrical Simulation Model of Wind Turbine. China Electric Power Press: Beijing, China, 2021.
- Chen, P.; Chen, C.C.; Peng, Y.H.; Wang, K.M.; Wang, Y.S. A time-domain SAR smart temperature sensor with curvature compensation and a 3σ inaccuracy of −0.4 °C~+0.6 °C over a 0 °C to 90 °C range. IEEE J. Solid-State Circuits 2010, 45, 600–609. [Google Scholar] [CrossRef]
- Sadasivan, J.; Mukherjee, S.; Seelamantula, C.S. An optimum shrinkage estimator based on minimum-probability-of-error criterion and application to signal denoising. In Proceedings of the 2014 IEEE International Conference on Acoustics, Speech and Signal Processing (ICASSP), Florence, Italy, 4–9 May 2014. [Google Scholar]
- Brochu, J.; Larose, C.; Gagnon, R. Validation of single- and multiple-machine equivalents for modeling wind power plants. IEEE Trans. Energy Convers. 2011, 26, 532–541. [Google Scholar] [CrossRef]
- Zhu, Q.; Tao, J.; Deng, T.; Zhu, M. A general equivalent modeling method for DFIG wind farms based on data-driven modeling. Energies 2022, 15, 7205. [Google Scholar] [CrossRef]
- Zhu, Q. Quantitative evaluation method for error of wind farm equivalent model based on multiscale entropy-greedy Gaussian segmentation. Electr. Power Syst. Res. 2023, 220, 109270. [Google Scholar] [CrossRef]
- Wang, Y.; Tan, R.; Zheng, Z.; Ni, F.; Xiao, X. Method to estimate sag frequency in doubly fed induction generator integrated power system based on adaptive kernel density estimation. IET Gener. Transm. Distrib. 2020, 14, 1261–1270. [Google Scholar] [CrossRef]





| Active Time Window | 1 | 2 | 3 | 4 | 5 | 6 |
|---|---|---|---|---|---|---|
| Proposed method | 0.0356 | 0.181 | 0.6525 | 0.1328 | 0.1322 | 0.0876 |
| Minimum error probability criterion | 0.0236 | 0.1462 | 0.2377 | 0.1025 | 0.0899 | 0.0535 |
| 3σ criterion | 0.0387 | 0.1422 | 0.4753 | 0.1121 | 0.0944 | 0.06 |
| Reactive Time Window | 1 | 2 | 3 | 4 | 5 | 6 |
|---|---|---|---|---|---|---|
| Proposed method | 0.0316 | 0.2431 | 0.6335 | 0.2708 | 0.0447 | 0.0323 |
| Minimum error probability criterion | 0.0254 | 0.2219 | 0.5749 | 0.2257 | 0.0367 | 0.0218 |
| 3σ criterion | 0.0384 | 0.2226 | 0.4508 | 0.1935 | 0.0591 | 0.0398 |
| The Main Discriminant Time Window | Secondary Discriminant Time Window | Number of Wrong Judgments | Correct Rate/% |
|---|---|---|---|
| Window 3, 4 | Window 5, 6 | 2 | 97.5 |
| Window 5, 6 | Window 3, 4 | 2 | 97.5 |
| Window 3, 4 | Window 5 | 2 | 97.5 |
| Window 3, 4 | Window 6 | 2 | 97.5 |
| Window 3, 4 | none | 5 | 93.75 |
| Window 5, 6 | none | 21 | 73.75 |
| Test Group Number | Time Window 3 | Time Window 4 | Time Window 5 | Time Window 6 | Decision Result | ||||||
|---|---|---|---|---|---|---|---|---|---|---|---|
| Active Power | Reactive Power | Active Power | Reactive Power | Active Power | Reactive Power | Active Power | Reactive Power | 3σ Criterion | Minimum Error Probability Criterion | Methodology of This Paper | |
| 1 | 0.0677 | 0.1248 | 0.0765 | 0.0634 | 0.0569 | 0.0683 | 0.0409 | 0.0942 | right | right | right |
| 2 | 0.5976 | 1.2545 | 0.0810 | 0.1642 | 0.1583 | 0.0249 | 0.1261 | 0.0633 | right | right | right |
| 3 | 1.3517 | 0.8261 | 0.3966 | 1.1961 | 0.1089 | 0.1610 | 0.1303 | 0.0305 | wrong | wrong | right |
| 4 | 0.6323 | 1.4061 | 1.4189 | 0.9739 | 1.3036 | 1.0969 | 1.2914 | 1.0548 | right | right | right |
| 5 | 2.0831 | 0.8932 | 1.4873 | 0.6725 | 1.3176 | 1.1206 | 1.2867 | 1.0569 | right | right | right |
| Test Group Number | Pre-Failure Mean Absolute Deviation | Mean Absolute Deviation during Failure | Mean Absolute Deviation after Failure | Weighted Mean Absolute Deviation | Decision Result | ||||
|---|---|---|---|---|---|---|---|---|---|
| Active Power | Reactive Power | Active Power | Reactive Power | Active Power | Reactive Power | Active Power | Reactive Power | ||
| 1 | 0.046 | 0.093 | 0.006 | 0.142 | 0.047 | 0.086 | 0.023 | 0.120 | right |
| 2 | 0.046 | 0.093 | 0.052 | 0.024 | 0.145 | 0.095 | 0.079 | 0.053 | right |
| 3 | 0.046 | 0.091 | 0.065 | 0.030 | 0.187 | 0.157 | 0.099 | 0.074 | wrong |
| 4 | 0.046 | 0.093 | 0.031 | 0.027 | 1.281 | 1.073 | 0.408 | 0.347 | right |
| 5 | 0.046 | 0.093 | 0.010 | 0.014 | 1.335 | 1.048 | 0.411 | 0.332 | right |
| Test Group Number | Parameters | Error Sampling Point below 0.1 p.u./% | Decision Result |
|---|---|---|---|
| 1 | Active power | 96.02 | wrong |
| Reactive power | 17.91 | ||
| 2 | Active power | 74.13 | wrong |
| Reactive power | 73.63 | ||
| 3 | Active power | 72.64 | wrong |
| Reactive power | 75.12 | ||
| 4 | Active power | 74.13 | right |
| Reactive power | 75.62 | ||
| 5 | Active power | 73.63 | right |
| Reactive power | 73.63 |
| Criterion | Number of Misjudgments (Sample Number is 20)/Piece | False Judgment Rate/% | Correct Rate/% |
|---|---|---|---|
| Proposed method | 0 | 0 | 100 |
| 3σ criterion | 1 | 5 | 95 |
| MPE criterion | 1 | 5 | 95 |
| NB/T 31053-2021 | 1 | 5 | 95 |
| PO 12.3 | 12 | 60 | 40 |
Disclaimer/Publisher’s Note: The statements, opinions and data contained in all publications are solely those of the individual author(s) and contributor(s) and not of MDPI and/or the editor(s). MDPI and/or the editor(s) disclaim responsibility for any injury to people or property resulting from any ideas, methods, instructions or products referred to in the content. |
© 2024 by the authors. Licensee MDPI, Basel, Switzerland. This article is an open access article distributed under the terms and conditions of the Creative Commons Attribution (CC BY) license (https://creativecommons.org/licenses/by/4.0/).
Share and Cite
Shen, Y.; Yang, H.; Xu, J.; Li, K.; Wang, J.; Zhu, Q. Minimum Risk Quantification Method for Error Threshold of Wind Farm Equivalent Model Based on Bayes Discriminant Criterion. Energies 2024, 17, 4793. https://doi.org/10.3390/en17194793
Shen Y, Yang H, Xu J, Li K, Wang J, Zhu Q. Minimum Risk Quantification Method for Error Threshold of Wind Farm Equivalent Model Based on Bayes Discriminant Criterion. Energies. 2024; 17(19):4793. https://doi.org/10.3390/en17194793
Chicago/Turabian StyleShen, Yuming, Hao Yang, Jiayin Xu, Kun Li, Jiaqing Wang, and Qianlong Zhu. 2024. "Minimum Risk Quantification Method for Error Threshold of Wind Farm Equivalent Model Based on Bayes Discriminant Criterion" Energies 17, no. 19: 4793. https://doi.org/10.3390/en17194793
APA StyleShen, Y., Yang, H., Xu, J., Li, K., Wang, J., & Zhu, Q. (2024). Minimum Risk Quantification Method for Error Threshold of Wind Farm Equivalent Model Based on Bayes Discriminant Criterion. Energies, 17(19), 4793. https://doi.org/10.3390/en17194793

