Experimental Investigations into a Hybrid Energy Storage System Using Directly Connected Lead-Acid and Li-Ion Batteries
Abstract
1. Introduction
1.1. Hybrid Battery Storage Systems
1.2. Dual-Chemistry Energy Storage System
2. Materials and Methods
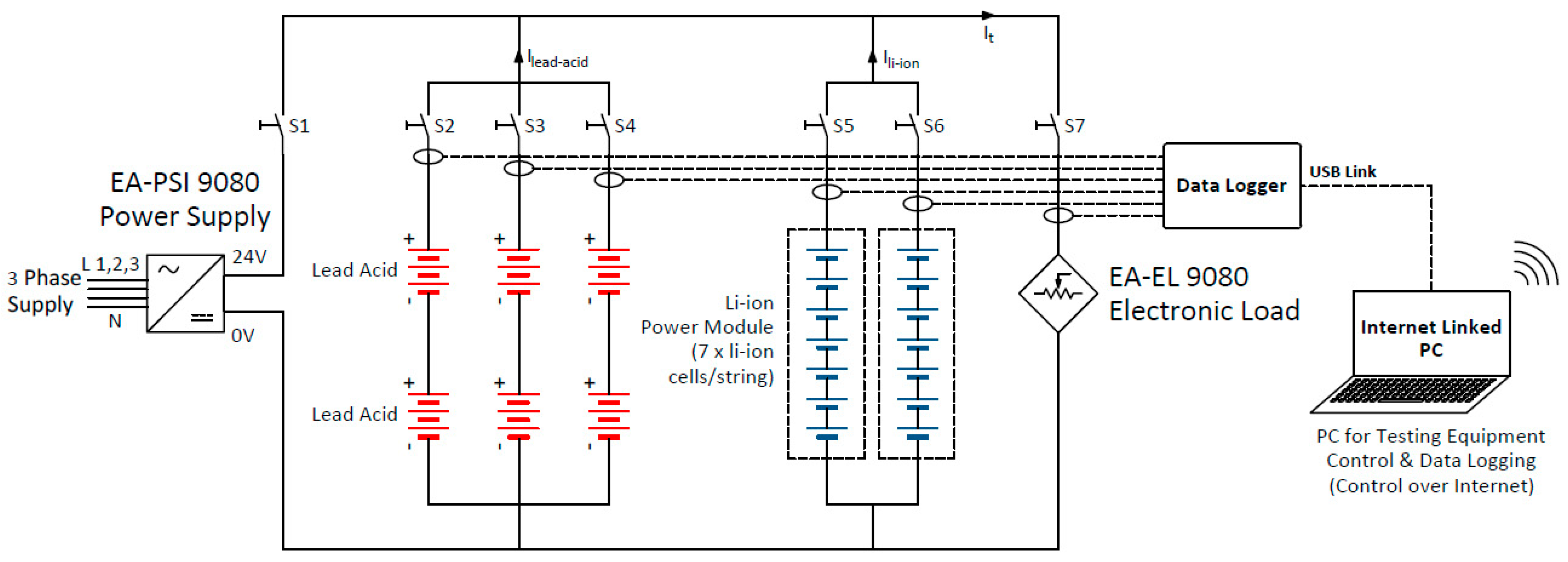
- Hybrid System 1: 2LI&1LA (24 V)—Two strings of Li-ion and one of lead-acid at 24 V. Switches S5, S6, and S4 are closed, and S2 and S3 are opened. The power supply and electronic load switches are kept closed all the time.
- Hybrid System 2: 1LI&1LA (24 V)—One string of Li-ion and one of lead-acid. Switches S5 and S2 are closed, along with the power supply and electronic load, and S3, S4, and S6 are opened.
- Hybrid System 3: 1LI&2LA (24 V)—One string of Li-ion and two lead-acid strings at 24V. Switches S5, S2, and S3 are closed and S4 is opened.
- Hybrid System 4: 1LI&3LA (24 V)—One string of Li-ion and three strings of lead-acid at 24V. Switches S2, S3, S4, and S5 are closed and S6 is opened.
- Hybrid System 5: 1LI&1LA (48 V)—Hybrid system at 48 V using one Li-ion string and one lead-acid string.
- Link the Li-ion and lead-acid strings and let the system rest for 3–5 h at room temperature or until the system reaches equilibrium.
- Cycle the system between 100% SoC, for both strings, and various SoC percentages for the lead-acid string. Since the Li-ion string discharges first, the disconnection point is set by the minimum voltage allowed by the lead-acid strings. To avoid rapid degradation, the lead-acid strings were kept above 50% SoC. The cycling intervals are as follows (see Figure 4):
- a.
- Cycling Range 1: charge/discharge of the hybrid system from 100% SoC (both Li-ion and lead-acid strings at 100% SoC and at a system voltage of 28.1 V) and discharge to 2.25 V/cell for the lead-acid cells, corresponding to a 100% lead-acid SoC.
- b.
- Cycling Range 2: charge/discharge of the hybrid system from 100% SoC (both Li-ion and lead-acid strings at 100% SoC and at a system voltage of 28.1 V) and discharge to 2.091 V/cell for the lead-acid cells, corresponding to a 90% lead-acid SoC.
- c.
- Cycling Range 3: charge/discharge of the hybrid system from 100% SoC (both Li-ion and lead-acid strings at 100% SoC and at a system voltage of 28.1 V) discharge to 2.067 V/cell for the lead-acid cells, corresponding to an 80% lead-acid SoC.
- d.
- Cycling Range 4: charge/discharge of the hybrid system from 100% SoC (both Li-ion and lead-acid strings at 100% SoC and at a system voltage of 28.1 V) discharge to 2.047 V/cell for the lead-acid cells, corresponding to a 70% lead-acid SoC.
- e.
- Cycling Range 5: charge/discharge of the hybrid system from 100% SoC (both Li-ion and lead-acid strings at 100% SoC and at a system voltage of 28.1 V) discharge to 2.027 V/cell for the lead-acid cells, corresponding to a 60% lead-acid SoC.
- f.
- Cycling Range 6: charge/discharge of the hybrid system from 100% SoC (both Li-ion and lead-acid strings at 100% SoC and at a system voltage of 28.1 V) discharge to 2 V/cell for the lead-acid cells, corresponding to a 50% lead-acid SoC.
- Let the system rest for 3–6 h until the circulation currents between the strings become negligible.
- Record the currents ILi-ion and Ilead-acid indicated in Figure 3, as well as the system voltage every second.
- Repeat the steps above for the different C rates, with 0.2–1C for the lead and lithium configurations indicated. The C rate of the hybrid system is dictated by the lowest C rate sum between the two chemistries. Increasing the lead-acid strings does not automatically mean increasing the maximum discharge current for the whole system, as this might be limited by the Li-ion bank. For the 1LI&1LA system, for example, the 1C rate is 50 A, the same as the 1C rate of one Li-ion string, which is lower that the 1C rate of the lead-acid (100 Ah at 0.1C). Again, for the 2LI&1LA system, the current is limited by the Li-ion battery strings to 100 A at the 1C rate.
3. Results
- The energy (kWh) and charge (Ah), charged/discharged as a function of the charge/discharge rate, the depth of discharge, and the number of strings of each chemistry.
- The hybrid system’s round-trip efficiency as a function of the depth of discharge (DoD), the charge/discharge rate, and the number of lead-acid and Li-ion strings operating in parallel.
- The Li-ion DoD, before the currents delivered by both chemistry strings become equal between points A and B and between A and X in Figure 5, as a function of the discharge rate and the hybrid configuration.
- The energy and charge transfer between the strings, and between points D and E at the end of discharge, as a function of the lead-acid battery’s depth of discharge, discharge current, and system configuration.
3.1. Hybrid System 24 V, 1 Li-ion String, and 1 Lead-Acid (1LI&1LA)
3.2. Comparison between Hybrid System Configurations
3.3. Hybrid Systems with Different Voltage Levels: 24 V vs. 48 V
3.4. Intermittent Charging
4. Conclusions
Supplementary Materials
Author Contributions
Funding
Data Availability Statement
Acknowledgments
Conflicts of Interest
Nomenclature
| Ah | Ampere hour |
| BESS | Battery energy storage system |
| CSP | Concentrating solar power |
| DoD | Depth of discharge |
| GW, GWh | Gigawatt, gigawatt hour |
| kW, kWh | Kilowatt, kilowatt hour |
| LI, LA/la | Li-ion, lead-acid |
| OCV | Open circuit voltage |
| PV | Photovoltaic |
| SoC | State of charge |
References
- IEA. World Energy Outlook—2023; IEA: Paris, France, 2023; p. 661. [Google Scholar]
- REN21. Key Messages for Decision Makers; REN21: Paris, France, 2021; p. 32. [Google Scholar]
- IRENA. Renewable Power Generation Costs 2020; International Renewable Energy Agency: Masdar City, United Arab Emirates, 2021. [Google Scholar]
- Department for Business, Energy and Industrial Strategy. Modelling 2050: Electricity System Analysis; Department for Business, Energy and Industrial Strategy: London, UK, 2020. [Google Scholar]
- Zerrahn, A.; Schill, W.-P.; Kemfert, C. On the economics of electrical storage for variable renewable energy sources. Eur. Econ. Rev. 2018, 108, 259–279. [Google Scholar] [CrossRef]
- Schill, W.-P.; Zerrahn, A. Long-run power storage requirements for high shares of renewables: Results and sensitivities. Renew. Sustain. Energy Rev. 2018, 83, 156–171. [Google Scholar] [CrossRef]
- Woodward, E.; Still, C. Long Duration Electricity Storage in GB; Aurora: Oxford, UK, 2022; p. 43. [Google Scholar]
- Ramírez Torrealba, P.J. The Benefits of Pumped Storage Hydro to the UK; Technical Report; DNV KEMA Ltd.: London, UK, 2016; 50p. [Google Scholar]
- Media, S. UK Battery Storage Project Database Report. 2020. Available online: https://marketresearch.solarmedia.co.uk/products/uk-battery-storage-project-database-report (accessed on 17 September 2024).
- Hemmati, R.; Saboori, H. Emergence of hybrid energy storage systems in renewable energy and transport applications–A review. Renew. Sustain. Energy Rev. 2016, 65, 11–23. [Google Scholar] [CrossRef]
- Chong, L.W.; Wong, Y.W.; Rajkumar, R.K.; Rajkumar, R.K.; Isa, D. Hybrid energy storage systems and control strategies for stand-alone renewable energy power systems. Renew. Sustain. Energy Rev. 2016, 66, 174–189. [Google Scholar] [CrossRef]
- Hajiaghasi, S.; Salemnia, A.; Hamzeh, M. Hybrid energy storage system for microgrids applications: A review. J. Energy Storage 2019, 21, 543–570. [Google Scholar] [CrossRef]
- Zimmermann, T.; Keil, P.; Hofmann, M.; Horsche, M.F.; Pichlmaier, S.; Jossen, A. Review of system topologies for hybrid electrical energy storage systems. J. Energy Storage 2016, 8, 78–90. [Google Scholar] [CrossRef]
- Farhadi, M.; Mohammed, O. Energy storage technologies for high-power applications. IEEE Trans. Ind. Appl. 2015, 52, 1953–1961. [Google Scholar] [CrossRef]
- Lain, M.J.; Brandon, J.; Kendrick, E. Design Strategies for High Power vs. High Energy Lithium Ion Cells. Batteries 2019, 5, 64. [Google Scholar] [CrossRef]
- Kim, B.K.; Sy, S.; Yu, A.; Zhang, J. Electrochemical supercapacitors for energy storage and conversion. In Handbook of Clean Energy Systems; John Whiley and Sons: Hoboken, NJ, USA, 2015; pp. 1–25. [Google Scholar]
- IEA-ETSAP, I. Thermal Energy Storage: Technology Brief; International Renewable Energy Agency (IRENA): Masdar City, United Arab Emirates, 2013; p. 24. [Google Scholar]
- Dambone Sessa, S.; Tortella, A.; Andriollo, M.; Benato, R. Li-Ion Battery-Flywheel Hybrid Storage System: Countering Battery Aging During a Grid Frequency Regulation Service. Appl. Sci. 2018, 8, 2330. [Google Scholar] [CrossRef]
- Becker, J.; Nemeth, T.; Wegmann, R.; Sauer, D. Dimensioning and optimization of hybrid li-ion battery systems for EVs. World Electr. Veh. J. 2018, 9, 19. [Google Scholar] [CrossRef]
- Oxford, E.S. Powering Oxford to a Net Zero Future. 2021. Available online: https://energysuperhuboxford.org/ (accessed on 17 September 2024).
- PressCenter. Bosch: Double Battery for Energy Storage Facility in Braderup. 2014. Available online: https://presscenter.com/bosch-double-battery-for-energy-storage-facility-in-braderup/ (accessed on 17 September 2024).
- Held, L.; Gerhardt, N.; Zimmerlin, M.; Suriyah, M.R.; Leibfried, T.; Armbruster, M. Grid-friendly operation of a hybrid battery storage system. In Proceedings of the 25th International Conference on Electricity Distribution, Madrid, Spain, 3–6 June 2019. [Google Scholar]
- Thien, T.; Axelsen, H.; Merten, M.; Zurmühlen, S.; Münderlein, J.; Leuthold, M.; Sauer, D.U. Planning of grid-scale battery energy storage systems: Lessons learned from a 5 MW hybrid battery storage project in Germany. In Proceedings of the Battcon-International Stationary Battery Conference, Orlando, FL, USA, 12–14 May 2015; Hilton Bonnet Creek Orlando: Orlando, FL, USA, 2015; pp. 11–18. [Google Scholar]
- Thien, T.; Axelsen, H.; Merten, M.; Sauer, D.U. Energy management of stationary hybrid battery energy storage systems using the example of a real-world 5 MW hybrid battery storage project in Germany. J. Energy Storage 2022, 51, 104257. [Google Scholar] [CrossRef]
- Hayashi, K.; Mikami, Y.; Hirano, K.; Terayama, H. Development of Large-Scale Hybrid Power Storage System. 2020. Available online: https://www.hitachi.com/rev/archive/2020/r2020_04/04c02/index.html (accessed on 17 September 2024).
- Hitachi, L. Poland’s Largest Hybrid Battery Energy Storage System Commences Full-Scale Technology Demonstration. 2020. Available online: https://www.hitachi.eu/en/poland-largest-hybrid-battery-energy-storage-system (accessed on 17 September 2024).
- HOPPECKE. On the Grid: Innovative HOPPECKE Hybrid Storage System Successfully Commissioned. 2017. Available online: https://www.hoppecke.com/de/stories/show/am-netz-innovativer-hoppecke-hybrid-grossspeicher-erfolgreich-in-betrieb-genommen/ (accessed on 17 September 2024).
- Takeda, K.; Takahashi, C.; Arita, H.; Kusumi, N.; Amano, M.; Emori, A. Design of hybrid energy storage system using dual batteries for renewable applications. In Proceedings of the 2014 IEEE PES General Meeting|Conference & Exposition, Harbor, MD, USA, 27–31 July 2014; pp. 1–5. [Google Scholar]
- GS-Yuasa. GS Yuasa Power the World’s First Container Dual Chemistry Energy Storage System. 2019. Available online: https://www.yuasa.co.uk/2019/01/gs-yuasa-power-the-worlds-first-container-dual-chemistry-energy-storage-system/ (accessed on 17 September 2024).
- Yuasa, G. GS Yuasa Hybrid Battery for EV Charging Station—Portsmouth Port. 2021. Available online: https://www.yuasa.co.uk/2020/10/gs-yuasa-batteries-installed-in-ground-breaking-portsmouth-port-electric-vehicle-charging-station/ (accessed on 17 September 2024).
- BOS. BOS-LE300. 2021. Available online: https://www.bos-ag.com/products/le300/ (accessed on 17 September 2024).
- Elkadragy, M.M. Off-Grid Hybrid Systems Techno-Economic Study. 2020. Available online: https://uwaterloo.ca/waterloo-institute-sustainable-energy/grid-hybrid-systems-techno-economic-study (accessed on 17 September 2024).
- Elkadragy, M.M.; Alici, M.; Alsersy, A.; Opal, A.; Nathwani, J.; Knebel, J.; Hiller, M. Off-grid and decentralized hybrid renewable electricity systems data analysis platform (OSDAP): A building block of a comprehensive techno-economic approach based on contrastive case studies in Sub-Saharan Africa and Canada. J. Energy Storage 2021, 34, 101965. [Google Scholar] [CrossRef]
- Elkadragy, M.M.; Baumann, M.; Moore, N.; Weil, M.; Lemmertz, N.; Hiller, M. Contrastive Techno-Economic Analysis Concept for Off-Grid Hybrid Renewable Electricity Systems Based on comparative case studies within Canada and Uganda. In Proceedings of the 3rd International Hybrid Power Systems Workshop, Tenerife, Spain, 8–9 May 2018. [Google Scholar]
- Khazali, A.; Al-Wreikat, Y.; Fraser, E.J.; Sharkh, S.M.; Cruden, A.J.; Naderi, M.; Smith, M.J.; Palmer, D.; Gladwin, D.T.; Foster, M.P. Planning a hybrid battery energy storage system for supplying electric vehicle charging station microgrids. Energies 2024, 17, 3631. [Google Scholar] [CrossRef]
- Chung, S. Hybrid Lead-Acid/Lithium-Ion Energy Storage System with Power-Mix Control for Light Electric Vehicles. In Electrical and Computer Engineering; University of Toronto: Toronto, ON, Canada, 2016; p. 95. [Google Scholar]
- New Energy and Industrial Technology Development Organization (NEDO); et al. Demonstration Project in Germany Large-Scale Hybrid Power Storage System Starting to Operate in November. 2018. Available online: https://www.nedo.go.jp/english/news/AA5en_100396.html (accessed on 17 September 2024).
- International Renewable Energy Agency IRENA. Renewables: Costs and Market to 2030; International Renewable Energy Agency IRENA: Masdar City, United Arab Emirates, 2017. [Google Scholar]
- Chung, S.; Trescases, O. Hybrid energy storage system with active power-mix control in a dual-chemistry battery pack for light electric vehicles. IEEE Trans. Transp. Electrif. 2017, 3, 600–617. [Google Scholar] [CrossRef]
- Dascalu, A.; Fraser, E.J.; Al-Wreikat, Y.; Sharkh, S.M.; Wills, R.G.; Cruden, A.J. A techno-economic analysis of a hybrid energy storage system for EV off-grid charging. In Proceedings of the 2023 International Conference on Clean Electrical Power (ICCEP), Terrasini, Italy, 27–29 June 2023. [Google Scholar]
- Byrne, V.M.; Ng, P.K. Behaviour of systems mixing parallel strings of lithium-ion and lead-acid batteries for telecommunications applications. In Proceedings of the INTELEC 05-Twenty-Seventh International Telecommunications Conference, Berlin, Germany, 18–22 September 2005; IEEE: Piscataway, NJ, USA, 2005. [Google Scholar]
- Ng, P.K. Feasibility Study of Mixing Parallel Strings of Lithium-Ion Batteries and Lead Acid Batteries for Telecomunications Applications. In Proceedings of the 9th International Stationary Battery Conference, Orlando, FL, USA, 2–5 May 2005. Tyco/Electronics Power Systems. [Google Scholar]
- Feng, J.; He, Y.; Wang, G. Comparison study of equivalent circuit model of Li-Ion battery for electrical vehicles. Res. J. Appl. Sci. Eng. Technol. 2013, 6, 3756–3759. [Google Scholar]
- Shchegolkov, A.V.; Komarov, F.F.; Lipkin, M.S.; Milchanin, O.V.; Parfimovich, I.D.; Shchegolkov, A.V.; Semenkova, A.V.; Velichko, A.V.; Chebotov, K.D. Synthesis and study of carbon nanotube-based cathode materials for lithium-ion batteries. Neorg. Mater. Dec. Res. 2021, 12, 1281–1287. [Google Scholar]

























| Battery/ Cell Type | Voltage Range [V] | Capacity [Ah] | Total Energy [Wh] | Internal Resistance [mΩ] |
|---|---|---|---|---|
| SWL3300 | 10.8–13.6 V (Nominal 12 V) | 100 (At C/10 rate) | 1200 (At C/10 rate) | 5.64 |
| LEV50 | 2.75–4.1 V (Nominal 4.1 V) | 50 (At 1 C rate) | 167.5 | 3.2 |
| Hybrid/DoD% | 0% | 10% | 20% | 30% | 40% | 50% |
|---|---|---|---|---|---|---|
| 1LI&1LA (0.2C) | 0.0183 | 0.0182 | 0.0244 | 0.0388 | 0.0427 | 0.0104 |
| 1LI&1LA (0.4C) | 0.0260 | 0.0336 | 0.0461 | 0.0580 | 0.0615 | 0.0128 |
| 1LI&1LA (0.6C) | 0.0480 | 0.0489 | 0.0689 | 0.0774 | 0.0621 | 0 |
| 1LI&1LA (0.8C) | 0.0617 | 0.0687 | 0.0742 | 0.0663 | 0.0345 | 0 |
| 1LI&1LA (1C) | 0.0721 | 0.0837 | 0.0884 | 0.0507 | 0.0217 | 0 |
| Hybrid/DoD% | 0% | 10% | 20% | 30% | 40% | 50% |
|---|---|---|---|---|---|---|
| 1LA&1LI | 86.5 | 86.9 | 86.3 | 86.1 | 84.9 | 91.2 |
| 1LA&2LI | 87.8 | 86.5 | 86.3 | 86.7 | 86.5 | 89.3 |
| 2LA&1LI | 83.6 | 85.2 | 83.6 | 83.2 | 78.9 | 80.2 |
| 3LA&1LI | 68.8 | 77.9 | 81.8 | 83.1 | 84.1 | 85.0 |
| Hybrid/DoD% | 0% | 10% | 20% | 30% | 40% | 50% |
|---|---|---|---|---|---|---|
| 1LI&1LA | 0.0452 | 0.0506 | 0.0604 | 0.0582 | 0.0445 | 0.0046 |
| 1LI&2LA | 0.0264 | 0.0335 | 0.0437 | 0.0536 | 0.0605 | 0.0015 |
| 1LI&3LA | 0.0193 | 0.0217 | 0.0308 | 0.0451 | 0.0592 | 0.0015 |
| 2LI&1LA | 0.0729 | 0.0793 | 0.1008 | 0.1071 | 0.0965 | 0.0051 |
Disclaimer/Publisher’s Note: The statements, opinions and data contained in all publications are solely those of the individual author(s) and contributor(s) and not of MDPI and/or the editor(s). MDPI and/or the editor(s) disclaim responsibility for any injury to people or property resulting from any ideas, methods, instructions or products referred to in the content. |
© 2024 by the authors. Licensee MDPI, Basel, Switzerland. This article is an open access article distributed under the terms and conditions of the Creative Commons Attribution (CC BY) license (https://creativecommons.org/licenses/by/4.0/).
Share and Cite
Dascalu, A.; Cruden, A.J.; Sharkh, S.M. Experimental Investigations into a Hybrid Energy Storage System Using Directly Connected Lead-Acid and Li-Ion Batteries. Energies 2024, 17, 4726. https://doi.org/10.3390/en17184726
Dascalu A, Cruden AJ, Sharkh SM. Experimental Investigations into a Hybrid Energy Storage System Using Directly Connected Lead-Acid and Li-Ion Batteries. Energies. 2024; 17(18):4726. https://doi.org/10.3390/en17184726
Chicago/Turabian StyleDascalu, Andrei, Andrew J. Cruden, and Suleiman M. Sharkh. 2024. "Experimental Investigations into a Hybrid Energy Storage System Using Directly Connected Lead-Acid and Li-Ion Batteries" Energies 17, no. 18: 4726. https://doi.org/10.3390/en17184726
APA StyleDascalu, A., Cruden, A. J., & Sharkh, S. M. (2024). Experimental Investigations into a Hybrid Energy Storage System Using Directly Connected Lead-Acid and Li-Ion Batteries. Energies, 17(18), 4726. https://doi.org/10.3390/en17184726

