A Multi-Functional Reactive Power Compensation Device with the Capability of Grounding Fault Regulation and Its Parameter Design Method
Abstract
1. Introduction
Literature Review
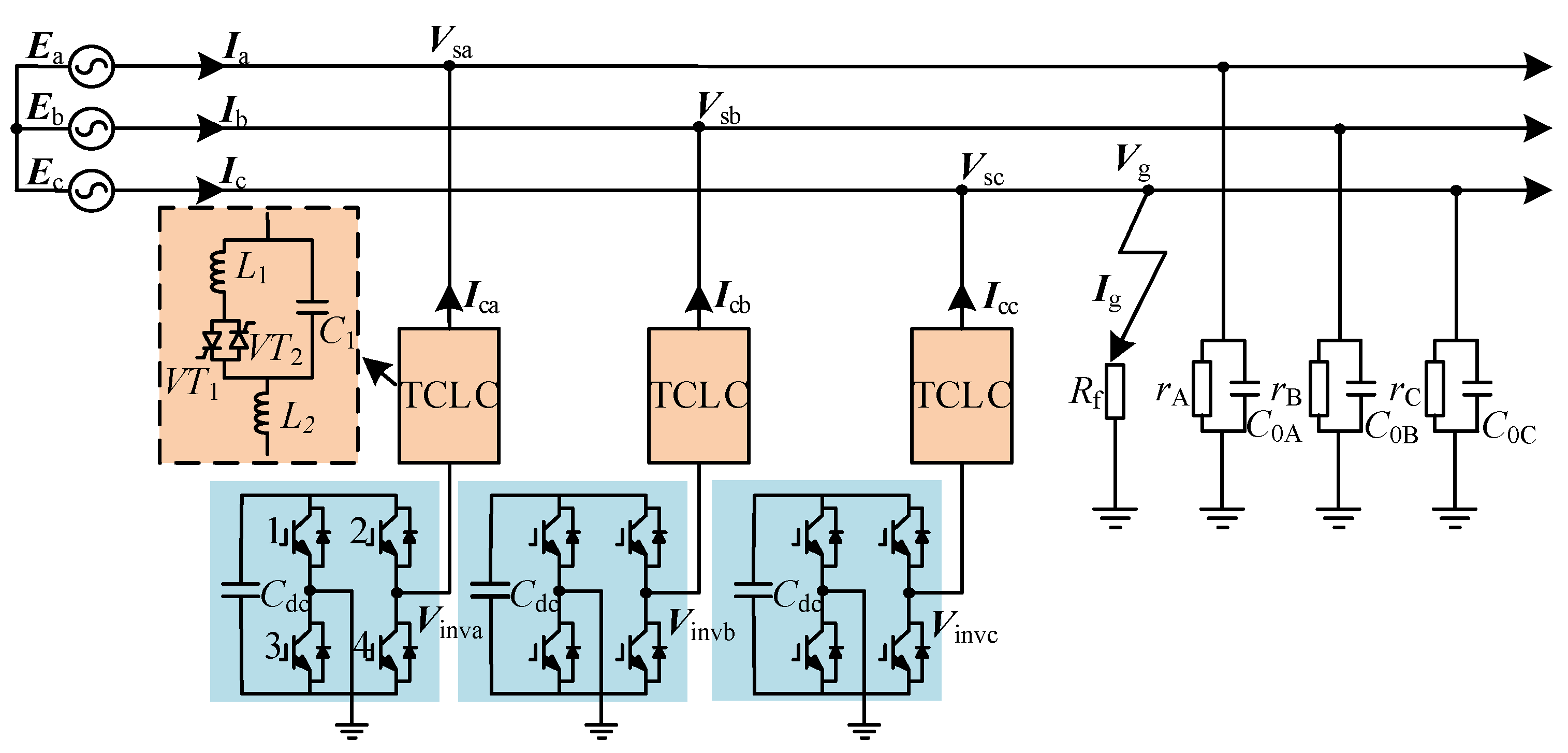
2. Topology of MF-RPCD
3. Operation Mechanism of MF-RPCD
3.1. Analysis of the Working Mode of MF-RPCD
3.2. Control Strategy of MF-RPCD
4. Parameter Design of MF-RPCD
4.1. Design of TCLC Capacitance C1
4.2. Design of TCLC Inductance L1
4.3. Design of Filter Inductor L2
4.4. Design of DC-Link Voltage Vdcx
4.5. Comparison of Schemes
5. Simulation Results
5.1. Simulation of a Power Grid in a Normal Condition
5.2. Simulation of an SLG Fault Condition
6. Experimental Results
7. Conclusions
- (1)
- Reactive power compensation and arc suppression were realized, greatly improving the utilization and practicability of the device.
- (2)
- The TCLC could be equivalent to a continuously controllable capacitance and inductance. When MF-RPCD worked in a reactive power compensation mode or fault-regulation mode, a large capacitive or inductive voltage could be output by the TCLC, which could effectively reduce the capacity of the converter and the cost.
- (3)
- The correctness, feasibility and effectiveness of the MF-RPCD topology and functions were verified in this paper, providing theoretical support for engineering applications.
Author Contributions
Funding
Data Availability Statement
Conflicts of Interest
Nomenclature
| Parameter | Definition |
| Ex | System voltage |
| Vsx | Busbar voltage |
| Vinvx | Output voltage of the converter |
| Vg | Fault voltage |
| Ix | System current |
| Ig | Fault current |
| Icx | Output current of MF-RPCD |
| VTCLCx | Output voltage of the TCLC |
| rx | Line-to-earth leakage resistance |
| C0x | Line-to-earth leakage capacitance |
| C1 | TCLC capacitance |
| Cdc | DC-link capacitance |
| L1 | TCLC inductance |
| L2 | Filter inductance |
| Rf | Ground-fault resistance |
| Qinv | Reactive power compensated by the converter |
| QTCLC | Reactive power compensated by the TCLC |
| QC0 | Reactive power generated by the phase-to-ground leakage capacitance |
| QL | Reactive power consumed by the load |
| Xcap | Impedance of equivalent capacitance |
| Pinv | Active power compensated by the converter |
| PC0 | Active power generated by the phase-to-ground leakage resistance |
| Xind | Impedance of equivalent inductance |
| α | Firing angle |
| XL1 | Impedance of the TCLC inductance |
| XC1 | Impedance of the TCLC capacitance |
| XTCLC | Impedance of the TCLC |
| δ | Angle between the busbar voltage and output voltage of the converter |
| IR | Amplitude of the active current |
| Im | Amplitude of the reactive current |
| QMaxCap | Maximum value of the TCLC capacitive reactive power |
| IRMax | Maximum arc-suppression active current |
| ImMax | Maximum arc-suppression reactive current |
| Vdcx | DC-link voltage |
| fs | Switching frequency |
| △icxmax | Maximum output current ripple |
| m | Modulation ratio |
References
- Spoor, D.; Zhu, J. Improved Single-Ended Traveling-Wave Fault Location Algorithm Based on Experience with Conventional Substation Transducers. IEEE Trans. Power Del. 2006, 21, 1714–1720. [Google Scholar] [CrossRef]
- Korkali, M.; Lev-Ari, H.; Abur, A. Traveling-Wave-Based Fault Location Technique for Transmission Grids via Wide-Area Synchronized Voltage Measurements. IEEE Trans. Power Syst. 2012, 27, 1003–1011. [Google Scholar] [CrossRef]
- Bains, T.; Sidhu, T.; Xu, Z.; Voloh, I.; Zadeh, M. Impedance-Based Fault Location Algorithm for Ground Faults in Series-Capacitor-Compensated Transmission Lines. IEEE Trans. Power Del. 2018, 33, 189–199. [Google Scholar] [CrossRef]
- Brenna, M.; Berardinis, E.; Carpini, L.; Paulon, P.; Petroni, P.; Sapienza, G.; Scrosati, G.; Zaninelli, D. Petersen Coil Regulators Analysis Using a Real-Time Digital Simulator. IEEE Trans. Power Del. 2011, 26, 1479–1488. [Google Scholar] [CrossRef]
- Sörensen, S.; Nielsen, H.; Jørgensen, H. Influence of Harmonic Voltages on Single Line to Ground Faults in Distribution Networks with Isolated Neutral or Resonant Earthing. In Proceedings of the CIRED 2005—18th International Conference and Exhibition on Electricity Distribution, Turin, Italy, 6–9 June 2005; pp. 1–4. [Google Scholar]
- Lei, Y.; Xia, L.; Li, M.; Zheng, S.; Zhao, J.; Liu, M. Small-disturbance line selection method applied to turn-adjusting arc suppression coil. In Proceedings of the 2020 12th IEEE PES Asia-Pacific Power and Energy Engineering Conference (APPEEC), Nanjing, China, 20–23 September 2020; pp. 1–5. [Google Scholar]
- Hu, J.; Lu, R. Research on fault line detection and restraining transient over-voltage under arc-suppression coil with paralleled resistance grounding mode. In Proceedings of the CICED 2010 Proceedings, Nanjing, China, 13–16 September 2010; pp. 1–6. [Google Scholar]
- Zeng, X.; Xu, Y.; Wang, Y. Some Novel Techniques for Insulation Parameters Measurement and Petersen-Coil Control in Distribution Systems. IEEE Trans. Ind. Electron. 2010, 57, 1445–1451. [Google Scholar] [CrossRef]
- Karymov, R.; Ebadian, M. Comparison of Magnetically Controlled Reactor (MCR) and Thyristor Controlled Reactor (TCR) from Harmonics Point of View. Int. J. Electr. Power Energy Syst. 2007, 29, 191–198. [Google Scholar] [CrossRef]
- Winter, K. The RCC Ground Fault Neutralizer—A novel scheme for fast earth-fault protection. In Proceedings of the CIRED 2005—18th International Conference and Exhibition on Electricity Distribution, Turin, Italy, 6–9 June 2005; pp. 1–4. [Google Scholar]
- Wang, W.; Yan, L.; Zeng, X.; Fan, B.; Guerrero, J. Principle and Design of a Single-Phase Inverter-Based Grounding System for Neutral-to-Ground Voltage Compensation in Distribution Networks. IEEE Trans. Ind. Electron. 2017, 64, 1204–1213. [Google Scholar] [CrossRef]
- Wang, P.; Chen, B.; Zhou, H.; Tian, C.; Sun, B. Fault Location in Resonant Grounded Network by Adaptive Control of Neutral-to-Earth Complex Impedance. IEEE Trans. Power Del. 2018, 33, 689–698. [Google Scholar] [CrossRef]
- Zheng, Z.; Guo, M.; Yang, N.; Jin, T. Flexible arc-suppression method based on improved distributed commutations modulation for distribution networks. Int. J. Electr. Power Energy Syst. 2020, 116, 105580. [Google Scholar] [CrossRef]
- Chen, Y.; Lu, S.; Zhou, X.; Liang, S. Two-Phase Current Injection Method for Single Line-to-Ground Fault Arc-Suppression with Revised STATCOM. IEEE Access. 2020, 8, 188299–188308. [Google Scholar] [CrossRef]
- Huang, Z.; Guo, Q.; Tu, C.; Hou, Y.; Jiang, F.; Wang, X.; Xiao, F.; Xiao, Z. A Non-neutral Alternate Arc Suppression Method for Single Phase Grounding Fault in Active Distribution Network. Int. J. Electr. Power Energy Syst. 2023, 152, 109182. [Google Scholar] [CrossRef]
- Ouyang, S.; Liu, J.; Yang, Y.; Chen, X.; Song, S.; Wu, H. Control Strategy for Arc-Suppression-Coil-Grounded Star-Connected Power Electronic Transformers. IEEE Trans. Power Electron. 2019, 34, 5294–5311. [Google Scholar] [CrossRef]
- Jian, Y.; Guo, M.; Zhang, B. Active Arc-Suppression Principle Based on Two-Phase T-Type CHB Topology Without DC Power Supply in Distribution Networks. IEEE Trans. Circuits Syst. II Exp. Briefs. 2022, 69, 2842–2846. [Google Scholar] [CrossRef]
- Gargoom, A.; Oo, A.; Cavanagh, M. A Method for Calculating the Asymmetry in the Shunt Parameters of Power Lines in Compensated Distribution Networks. IEEE Trans. Power Del. 2020, 35, 2168–2176. [Google Scholar] [CrossRef]
- Yu, K.; Li, J.; Zeng, X.; Peng, H.; Ni, Y.; Liu, F.; Zhuo, C. Insulation Parameter Online Measurement Technology Based on Extended Zero-Sequence Circuits for Resonant Grounding Distribution Networks. IEEE Trans. Power Del. 2022, 37, 4679–4689. [Google Scholar] [CrossRef]











| Type | Traditional Non-Neutral Arc-Suppression Device | MF-RPCD | |
|---|---|---|---|
| Number | CHB module | 30 | 12 |
| DC-link capacitor (5 mF/1200 V) | 30 | 12 | |
| FF300R12KE3 | 60 | 24 | |
| VS-ST1000C24K0 | / | 6 | |
| Filter inductance | 3 | 3 | |
| TCLC inductance | / | 3 | |
| TCLC capacitor | / | 3 | |
| Cost | DC-link capacitor (1200 V) | USD 3300 | USD 1320 |
| FF300R12KE3 | USD 9720 | USD 3888 | |
| VS-ST1000C24K0 | / | USD 1896 | |
| Filter inductance | USD 1500 | USD 1500 | |
| TCLC inductance | / | USD 2100 | |
| TCLC capacitor | / | USD 600 | |
| Total cost | USD 14,520 | USD 11,304 | |
| Parameter | Value | Parameter | Value |
|---|---|---|---|
| Distribution network voltage (kV) | 10 | Filter inductance (mH) | 5 |
| Phase-to-ground leakage resistance (kΩ) | 10 | Load impedance (Ω) | 110 |
| Phase-to-ground leakage capacitance (uF) | 7 | Power factor of load | 0.7 |
| Ground-fault resistance (Ω) | 100 | DC-link capacitance (mF) | 5 |
| TCLC capacitance (mF) | 0.2 | TCLC inductance (mH) | 20 |
| Type | Reactive Power Compensation Mode | Fault-Regulation Mode |
|---|---|---|
| Eb | 5774 V | 5774 V |
| Ib | 25.5 A | 21.9 A |
| Ig | / | 1 A |
| Vsb | 5774 V | 10,000 V |
| Vinvb | 4200 V | 4200 V |
| VTCLCb1 | 1574 V | 5800 V |
| Characteristics of TCLC | Capacitive | Inductive |
| Type | Reactive Power Compensation Mode | Fault-Regulation Mode |
|---|---|---|
| Eb | 5774 V | 5774 V |
| Vg | 5774 V | 50 V |
| Ig | / | 0.5 A |
| Vsb | 5774 V | 10,000 V |
| Vinvb | 4200 V | 4200 V |
| VTCLCb1 | 1574 V | 5800 V |
| Characteristics of TCLC | Capacitive | Inductive |
Disclaimer/Publisher’s Note: The statements, opinions and data contained in all publications are solely those of the individual author(s) and contributor(s) and not of MDPI and/or the editor(s). MDPI and/or the editor(s) disclaim responsibility for any injury to people or property resulting from any ideas, methods, instructions or products referred to in the content. |
© 2024 by the authors. Licensee MDPI, Basel, Switzerland. This article is an open access article distributed under the terms and conditions of the Creative Commons Attribution (CC BY) license (https://creativecommons.org/licenses/by/4.0/).
Share and Cite
Huang, Z.; Hou, Y.; Zhang, H.; Liu, H.; Liang, X.; Guo, Q. A Multi-Functional Reactive Power Compensation Device with the Capability of Grounding Fault Regulation and Its Parameter Design Method. Energies 2024, 17, 4531. https://doi.org/10.3390/en17184531
Huang Z, Hou Y, Zhang H, Liu H, Liang X, Guo Q. A Multi-Functional Reactive Power Compensation Device with the Capability of Grounding Fault Regulation and Its Parameter Design Method. Energies. 2024; 17(18):4531. https://doi.org/10.3390/en17184531
Chicago/Turabian StyleHuang, Zejun, Yuchao Hou, Huaying Zhang, Huicong Liu, Xiaorui Liang, and Qi Guo. 2024. "A Multi-Functional Reactive Power Compensation Device with the Capability of Grounding Fault Regulation and Its Parameter Design Method" Energies 17, no. 18: 4531. https://doi.org/10.3390/en17184531
APA StyleHuang, Z., Hou, Y., Zhang, H., Liu, H., Liang, X., & Guo, Q. (2024). A Multi-Functional Reactive Power Compensation Device with the Capability of Grounding Fault Regulation and Its Parameter Design Method. Energies, 17(18), 4531. https://doi.org/10.3390/en17184531
