Mechanism of High-Pressure Dilation of Steam-Assisted Gravity Drainage by Cyclic Multi-Agent Injection
Abstract
1. Introduction
2. Methodology
2.1. Rock Geomechanical Properties Test
- (1)
- Triaxial test under different confining pressures
- (2)
- Petrophysical property test at elevated injection pressures
- (3)
- SEM image analysis after dilation test
2.2. Two-Dimensional Scaled Physical Experiments
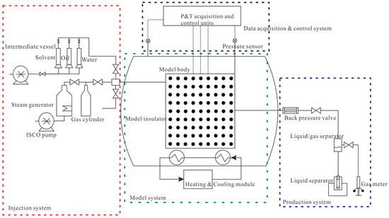
2.2.1. Experiment Apparatus
- (1)
- Modularization of experimental model: the high-pressure and high-temperature model is equipped with an automatic data-collection function for pressure data and temperature data from thermocouples.
- (2)
- Integral operation control panel: the temperature, pressure and other parameters of the model can be displayed and controlled by the modules, and can be recorded, and controlled by the computer; The model body-heat insulation and injection and production well-heat insulation structure are innovative design in this system.
- (3)
- Diversification of experimental schemes: the model can be designed to simulate various conditions of injecting agents, operational parameters and well patterns.
- (1)
- Working pressure: 0–10 MPa;
- (2)
- Working temperature: room temperature—270 °C;
- (3)
- Core specification: 400 mm × 200 mm × 70 mm, flexible graphite seal;
- (4)
- Steam displacement: 12 L/h, maximum working output temperature 350 °C;
- (5)
- Software: automatic data gathering of temperature, pressure, saturation point, flow and other data;
- (6)
- Measuring points: the temperature field is 14 × 8 = 112; the number of pressure measuring points is 9;
- (7)
- Two vertical wells; three SAGD pairs.
2.2.2. Design of the Experiment
2.2.3. Sand-Pack Design Based on Heterogeneous Formation Characteristics
2.2.4. Experimental Schemes and Methodology
- (1)
- Conventional dual-horizontal well SAGD;
- (2)
- Conventional steam huff-n-puff dilation—SAGD;
- (3)
- Solvent-assisted steam huff-n-puff dilation—SAGD;
- (4)
- Non-condensate gas-assisted steam huff-n-puff dilation—SAGD;
- (5)
- Solvent plus non-condensate gas-assisted steam huff-n-puff dilation—SAGD.
3. Results and Discussion
3.1. Rock Geomechanical-Properties Test
3.1.1. Triaxial Test under Different Confining Pressures
3.1.2. Petrophysical Property Test at Elevated Injection Pressures
3.1.3. SEM Image Analysis after Dilation Test
3.2. Two-Dimensional Scaled Physical Experiments
- (1)
- Temperature field
- (2)
- Steam-chamber comparison for different cycles
- (3)
- Steam-chamber comparison for different injection agents
- (4)
- SAGD production dynamics
4. Conclusions
Author Contributions
Funding
Data Availability Statement
Acknowledgments
Conflicts of Interest
References
- Zhang, L.; Wu, W.; Chen, S.; You, H.; Lin, B. Hydraulic Connection Model in Squeeze Preprocessing SAGD Start-Up. In Proceedings of the International Field Exploration and Development Conference 2017; Springer: Singapore, 2019; pp. 466–474. [Google Scholar]
- Collins, P.M.; Carlson, M.R.; Walters, D.A.; Settari, A. Geomechanical and thermal reservoir simulation demonstrates SAGD enhancement due to shear dilation. In SPE/ISRM Rock Mechanics Conference; SPE: Kuala Lumpur, Malaysia, 2002; p. SPE–78237. [Google Scholar]
- Mojarad, R.S.; Tran, D. Coupled Modeling of High Pressure Start-Up SAGD with Geomechanics; U.S. Department of Energy, Office of Scientific and Technical Information: Oak Ridge, TN, USA, 2010.
- Rivero, J.A.; Li, Q. Modeling the Effects of Reservoir Deformation during Steam Injection Operations: From Empirical Models to a More Rigorous Geomechanical Treatment in the Numerical Simulation of SAGD. In SPE Canada Heavy Oil Conference; SPE: Kuala Lumpur, Malaysia, 2020; p. D051S010R003. [Google Scholar]
- Gong, X.; Wan, R.; Mohamadi, M. Coupled fluid flow-thermoplastic deformation of oil sand and shale in SAGD process. In SPE Canada Heavy Oil Conference; SPE: Kuala Lumpur, Malaysia, 2013; p. SPE–165501. [Google Scholar]
- Pang, H.; Lin, B.; Chen, M.; Jin, Y.; Chen, S.; You, H. Numerical simulation of hydraulic fracture propagation of landfacies ultra-heavy oilsands in Xinjiang Oilfield. In ISRM Congress; ISRM: Salzburg, Austria, 2015; p. ISRM–13CONGRESS. [Google Scholar]
- Zhang, J.; Fan, Y.; Xu, B.; Yang, B.; Yuan, Y.; Yu, Y. Steam circulation strategies for SAGD wells after geomechanical dilation start-up. In SPE Canada Heavy Oil Conference; SPE: Kuala Lumpur, Malaysia, 2016; p. D011S002R002. [Google Scholar]
- Sun, X.; Qian, G.; Xu, B.; Li, B.; Du, J. SAGD dilation startup and its applications in a shallow super heavy-oil reservoir in Xinjiang Oil Field, China. In ARMA US Rock Mechanics/Geomechanics Symposium; ARMA: Sydney, Australia, 2020; p. ARMA–2020. [Google Scholar]
- Wang, X.; Zhang, F.; Sun, J.; Xu, B. Experimental investigation on the SAGD dilation start-up in shallow heavy oil reservoirs. In IOP Conference Series: Earth and Environmental Science; IOP Publishing: Bristol, UK, 2020; Volume 570, p. 032046. [Google Scholar]
- Pinto, H.; Wang, X.; Gates, I. On the ratio of energy produced to energy injected in SAGD: Long-term consequences of early stage operational decisions. J. Pet. Sci. Eng. 2021, 199, 108271. [Google Scholar] [CrossRef]
- Lin, B.; Chen, S.; Jin, Y. Evaluation of reservoir deformation induced by water injection in SAGD wells considering formation anisotropy, heterogeneity and thermal effect. J. Pet. Sci. Eng. 2017, 157, 767–779. [Google Scholar] [CrossRef]
- Kashihara, K.; Okamoto, N. Thought about Constitutive Model of Oil Sands during SAGD Process. In SPWLA Formation Evaluation Symposium of Japan; SPWLA: Houston, TX, USA, 2015; p. SPWLA–JFES. [Google Scholar]
- Nassir, M.; Walters, D. Permeability enhancement of oil sands. In ARMA US Rock Mechanics/Geomechanics Symposium; ARMA: Sydney, Australia, 2018; p. ARMA–2018. [Google Scholar]
- Khademi, M.; Chalaturnyk, R. Geomechanical Characterization of Inclined Heterolithic Stratification Lithosome and Its Permeability Evolution under SAGD Stress Paths. In SPE Annual Technical Conference and Exhibition? SPE: Kuala Lumpur, Malaysia, 2019; p. D011S007R001. [Google Scholar]
- Wong RC, K.; Li, Y. A stress-dependent model for permeability changes in oil sand due to shear dilation. In PETSOC Canadian International Petroleum Conference; PETSOC: Mumbai, India, 2000; p. PETSOC–2000. [Google Scholar]
- Chen, S.; Xiang, H.; Li, B.; Xu, B. Geomechanical dilation assisted VHSD process in altered-stress mature oilsands reservoir: Geomechanical studies and field experiences. In ARMA US Rock Mechanics/Geomechanics Symposium; ARMA: Sydney, Australia, 2022; p. ARMA–2022. [Google Scholar]
- Meng, H.; Jin, Y.; Lin, B.T.; Wang, P.F.; Lyu, Z.L.; Liu, X. Evaluation of influences of mudstone barriers on the water injection performance in SAGD wells. In ARMA US Rock Mechanics/Geomechanics Symposium; ARMA: Sydney, Australia, 2019; p. ARMA–2019. [Google Scholar]
- Gao, Y.; Ren, Z.; Chen, M.; Jiang, H.; Ding, S. Coupled geomechanical-thermal simulation for oil sand reservoirs with shale barriers under hot water injection in vertical well-assisted SAGD wells. J. Pet. Sci. Eng. 2022, 208, 109644. [Google Scholar] [CrossRef]
- Abbasi-Asl, Y.; Chalaturnyk, R.J. Understanding the Role of Reservoir Dilation on Solvent Assisted SAGD (SA-SAGD) Performance in Oil Sands Reservoirs; a Semi-Analytical Study. In ARMA US Rock Mechanics/Geomechanics Symposium; ARMA: Sydney, Australia, 2017; p. ARMA–2017. [Google Scholar]
- Abbasi Asl, Y.; Chalaturnyk, R.J. In–Situ Dilation Affects Solvent–Assisted Steam–Assisted–Gravity–Drainage Performance: The Case of a Shallow Athabasca–Type Oil–Sands Reservoir. SPE Reserv. Eval. Eng. 2018, 21, 418–432. [Google Scholar] [CrossRef]
- Garipov, T.T.; Voskov, D.V.; Tchelepi, H.A. Rigorous coupling of geomechanics and thermal-compositional flow for SAGD and ES-SAGD operations. In SPE Canada Heavy Oil Conference; SPE: Kuala Lumpur, Malaysia, 2015; p. SPE–174508. [Google Scholar]
- Wu, Y.; Li, X.; Shen, D.; He, W.; Liu, X. Solvent-assisted start-up of SAGD in shallow heavy oil reservoirs. In SPE Asia Pacific Enhanced Oil Recovery Conference; SPE: Kuala Lumpur, Malaysia, 2015; p. D031S014R005. [Google Scholar]
- Shokri, A.R.; Hosseini, B.K. Contribution of Geomechanics in Evaluation of Heat Transfer Mechanisms at Mobile Zone of SAGD and ES-SAGD. In SPE Canada Heavy Oil Conference; SPE: Kuala Lumpur, Malaysia, 2014; p. D021S010R001. [Google Scholar]
- Abbasi Asl, Y.; Chalaturnyk, R. Effect of Geomechanics on Optimization of Solvent Assisted SAGD SA-SAGD in Oil Sands Reservoirs. In SPE Canada Heavy Oil Conference; SPE: Kuala Lumpur, Malaysia, 2016; p. D021S008R001. [Google Scholar]
- Ni, Y.; Ding, B.; Yu, L.; Dong, M.; Gates, I.D.; Yuan, Y. Conformance control for SAGD using oil-in-water emulsions in heterogeneous oil sands reservoirs. In International Petroleum Technology Conference; IPTC: Kuala Lumpur, Malaysia, 2019; p. D021S037R001. [Google Scholar]
- Fan, Y.; Sun, X.; Mai, X.; Xu, B.; Dong, M.; Yuan, Y. In-situ catalytic aquathermolysis combined with geomechanical dilation to enhance thermal heavy-oil production. In SPE Canada Heavy Oil Conference; SPE: Kuala Lumpur, Malaysia, 2017; p. D021S007R001. [Google Scholar]
- Gao, Y.; Chen, M.; Li, W. Coupled 3D thermo-hydro-mechanical-chemical analysis of Karamay oil sand reservoirs under hot water injection in SAGD wells considering formation heterogeneity. In ARMA US Rock Mechanics/Geomechanics Symposium; ARMA: Sydney, Australia, 2020; p. ARMA–2020. [Google Scholar]
- Liu, P.; Zhou, Y.; Liu, P.; Shi, L.; Li, X.; Li, L. Numerical study of herringbone injector-horizontal producer steam assisted gravity drainage (HI-SAGD) for extra-heavy oil recovery. J. Pet. Sci. Eng. 2019, 181, 106227. [Google Scholar] [CrossRef]
- Sun, X.; Xu, B.; Qian, G.; Li, B. The application of geomechanical SAGD dilation startup in a Xinjiang oil field heavy-oil reservoir. J. Pet. Sci. Eng. 2021, 196, 107670. [Google Scholar] [CrossRef]
- Yuan, Y.; Xu, B.; Yang, B. Application of Geomechanics in Heavy Oil Production-Advanced Canadian Experience. In ISRM International Symposium Geomechanics; ISRM: Salzburg, Austria, 2017; p. ISRM–ISG. [Google Scholar]
- Kostina, A.; Zhelnin, M.; Plekhov, O. Study of Rock Dilation Effect on Oil Recovery during Steam-Assisted Gravity Drainage. Procedia Struct. Integr. 2022, 37, 431–438. [Google Scholar] [CrossRef]
































| Items | Reservoir | Model | |
|---|---|---|---|
| Net pay (m, cm) | 15 | 20 | |
| Porosity (%) | 28.6 | 36.71 | |
| Permeability (mD, D) | 807 | 602.4 | |
| Mobilized oil saturation | 58.6 | 64 | |
| 50 °C gas-free oil (mPa·s) | 50,011 | 60,563 | |
| Horizontal length (m, cm) | 400 | 3 | |
| Well-pair spacing (m, cm) | 60–70 | 40 | |
| Horizontal spacing (m, cm) | 5 | 10 | |
| Vertical distance to the top (m, cm) | 10 | 10 | |
| Wellbore diameter (mm, mm) | 224.42 | 6 | |
| Temperature (°C, °C) | 256 | 250 | |
| Pressure (MPa, MPa) | 4.5 | 4.5 | |
| Huff-n-puff stage | Cycles | 5 | 5 |
| Cyclic injected volume (PV) | 0.1–0.3 | 0.1–0.3 | |
| Injection speed (t/d, mL/min) | 210–230 | 20–50 | |
| Injection time (d, min) | 5–10 | 10–14 | |
| Soak time (d, min) | 2–3 | 3–5 | |
| Production time (d, min) | 20–30 | 8–10 | |
| SAGD stage | Injection speed (t/d, mL/min) | 80–120 | 10–30 |
| Injection pressure (MPa, MPa) | 4.5 | 4.5 | |
| Parameters | Case 1 | Case 2 | Case 3 | Case 4 | Case 5 |
|---|---|---|---|---|---|
| Injection agent | Steam | Steam | Solvent + steam | NCG + steam | Solvent + NCG + steam |
| Cycles | - | 5 | 5 | 5 | 5 |
| Cyclic injected volume (PV) | - | 0.1–0.3 | 0.1–0.3 | 0.1–0.3 | 0.1–0.3 |
| Injection speed (mL/min) | - | 20–50 | 20–50 | 20–50 | 20–50 |
| Injection time (min) | - | 10–14 | 10–14 | 10–14 | 10–14 |
| Soak time (min) | - | 3–5 | 3–5 | 3–5 | 3–5 |
| Production time (min) | - | 8–10 | 8–10 | 8–10 | 8–10 |
| Temperature (°C, °C) | - | 250 | 250 | 250 | 250 |
| Pressure (MPa, MPa) | - | 4.5 | 4.5 | 4.5 | 4.5 |
| Cycle No. | Maximal Injection Pressure MPa | Permeability Darcy | Porosity % | ||
|---|---|---|---|---|---|
| End of Production | End of Injection | End of Production | End of Injection | ||
| 1 | 5.73 | 2.74-begin | 2.86 | 34.31-begin | 34.56 |
| 2 | 6.15 | 2.86 | 2.93 | 34.56 | 34.78 |
| 3 | 6.27 | 2.93 | 3.15 | 34.78 | 35.12 |
| 4 | 6.38 | 3.15 | 3.73 | 35.12 | 35.79 |
| 5 | 7.01 | 3.73 | 4.10 | 35.79 | 36.06 |
| 6 | 7.52 | 4.10 | 4.56 | 36.06 | 36.77 |
Disclaimer/Publisher’s Note: The statements, opinions and data contained in all publications are solely those of the individual author(s) and contributor(s) and not of MDPI and/or the editor(s). MDPI and/or the editor(s) disclaim responsibility for any injury to people or property resulting from any ideas, methods, instructions or products referred to in the content. |
© 2024 by the authors. Licensee MDPI, Basel, Switzerland. This article is an open access article distributed under the terms and conditions of the Creative Commons Attribution (CC BY) license (https://creativecommons.org/licenses/by/4.0/).
Share and Cite
Lv, Q.; Yang, G.; Xie, Y.; Ma, X.; Wu, Y.; Yao, Y.; Chen, L. Mechanism of High-Pressure Dilation of Steam-Assisted Gravity Drainage by Cyclic Multi-Agent Injection. Energies 2024, 17, 3911. https://doi.org/10.3390/en17163911
Lv Q, Yang G, Xie Y, Ma X, Wu Y, Yao Y, Chen L. Mechanism of High-Pressure Dilation of Steam-Assisted Gravity Drainage by Cyclic Multi-Agent Injection. Energies. 2024; 17(16):3911. https://doi.org/10.3390/en17163911
Chicago/Turabian StyleLv, Qijun, Guo Yang, Yangbo Xie, Xiaomei Ma, Yongbin Wu, Ye Yao, and Linsong Chen. 2024. "Mechanism of High-Pressure Dilation of Steam-Assisted Gravity Drainage by Cyclic Multi-Agent Injection" Energies 17, no. 16: 3911. https://doi.org/10.3390/en17163911
APA StyleLv, Q., Yang, G., Xie, Y., Ma, X., Wu, Y., Yao, Y., & Chen, L. (2024). Mechanism of High-Pressure Dilation of Steam-Assisted Gravity Drainage by Cyclic Multi-Agent Injection. Energies, 17(16), 3911. https://doi.org/10.3390/en17163911
