Abstract
Aiming at the current power control problems of grid-side electrochemical energy storage power station in multiple scenarios, this paper proposes an optimal power model prediction control (MPC) strategy for electrochemical energy storage power station. This method is based on the power conversion system (PCS) grid-connected voltage and current to establish a power prediction model for energy storage power stations, achieving a one-step prediction of the power of the power station. The power prediction error is used as a power regulation feedback quantity to correct the reference power input. Considering the state of charge () constraint of the battery, partition the into different states. Using as the power regulation feedback, the power of the battery compartment can be adjusted according to the range of the battery to prevent from exceeding the limit value, simultaneously calculating the power loss of the energy storage power station to improve the energy efficiency. The objective function is to minimize the power deviation and power loss of the power station. By solving the objective function, the optimal switching voltage vector of the converter output is achieved to achieve optimal power control of the energy storage power station. The simulation results in various application scenarios of the energy storage power station show that the proposed control strategy enables the power of the storage station to quickly and accurately track the demand of grid scheduling, achieving the optimal power control of the electrochemical energy storage power station.
1. Introduction
According to statistics, by the end of 2021, the cumulative installed capacity of new energy storage in China exceeded 4 million kW. By 2025, the total installed capacity of new energy storage will reach 39.7 GW [1]. At present, multiple large-scale electrochemical energy storage power station demonstration projects have been completed and put into operation, such as the 330 kV Jian hang Energy Storage Power Station in Zhang ye City, Gansu Province, and the 100 MW grid-side distributed battery energy storage power station demonstration project in Henan Power Grid [2,3]. However, the current development process of energy storage power stations has power control problems in multiple scenarios, so there is an urgent need to study the optimal power control of it.
Scholars have conducted many related works on power control in energy storage systems. The literature in [4] studied a method for smoothing wind power using a first-order inertial filtering algorithm with a constant time constant. This method can effectively smooth out power fluctuations, but does not consider the of the battery, which can lead to frequent overcharging and discharging of the battery, affecting its lifespan. The literature in [5] proposes a control strategy for adaptive adjustment of energy storage power based on dual Kalman filters to achieve smooth wind power fluctuations. Although it improves the smoothing ability of wind power, the energy storage output is too slow and the efficiency is low. The literature in [6] applies energy storage to peak shaving scenarios and proposes a control strategy that takes into account the number of battery charges and discharges and the depth of discharge for dynamic planning of real-time correction. However, insufficient consideration of battery may lead to safety issues during system battery operation, as exceeds a reasonable range. The battery energy storage system based on fuzzy predictive control strategy in the literature in [7] can track the planned output of the wind farm better, but the scheduling time is too long to quickly meet the tracking power demand. The literature in [8] proposes a two-layer optimization strategy for battery energy storage systems, which uses the criteria of equal power consumption and slight increase. This strategy effectively improves the primary frequency modulation (FM) performance of the system. Although it improves the efficiency of the energy storage system participating in primary frequency modulation, there is still a lack of consideration for the of the battery. The literature in [9] proposes an energy storage system operation strategy applied to wind farms to track short-term planned output problems, but only considering the current moment of output control cannot ensure that the system’s charging and discharging capacity can meet output requirements after that moment. The literature in [10] used the MPC algorithm to suppress wind power fluctuations in real time, but only aimed to reduce energy storage output, with a single goal and insufficient consideration for the overall system. The literature in [11] proposes a power smoothing strategy that takes into account energy storage losses and power prediction errors to suppress power fluctuations in microgrids. Although it improves the ability of grid-connected power tracking and scheduling plans, the consideration of constraints are too simplistic. The above research indicates that the current research on power control of energy storage systems mainly lacks consideration for and system integrity, which will have a significant adverse impact on the operating life of energy storage systems, as well as the economy and safety of system operation.
However, almost all the research on power control of energy storage systems mentioned above is based on the power stations configured in renewable energy power stations, and there is relatively little research on the power control of the energy storage system itself. At present, the power control of electrochemical energy storage power stations is mainly achieved by controlling the PCS, and the control methods of PCS mainly include direct current control and direct power control (DPC). The direct current control method has high accuracy, but it can lead to slower system response speed and complex parameter adjustment [12,13,14], which cannot quickly meet power requirements. DPC, based on a switch table, directly selects active and reactive power on the AC side as control variables, without the need to convert power into corresponding currents for indirect control, achieving fast and direct control of power [15,16,17,18]. In the field of PCS control, the MPC method can evaluate the current state of the system online and predict the state of the next moment. With the minimum objective function, the optimal state is selected to control the system. This method has a simple algorithm, good dynamic and steady state performance [19,20]. Therefore, MPC has significant advantages in the field of PCS control and has been widely used. The literature in [21] proposes a model current prediction control method in a rotating coordinate system, which performs online rolling calculations on eight voltage vectors and selects the voltage vector with the best control effect to act on the system. The control method is simple and efficient. The model prediction direct power control method combines the characteristics of both DPC and MPC, and has a better power control effect. The literature in [22,23] proposes a predictive DPC control algorithm based on MPC for PWM converters, which determines the switching state of the power transistor according to the power change rate to achieve power control of the converter. The control effect is good. The literature in [24,25] applies model predictive direct power control to three-phase grid-connected converters, which meets the fast response requirements of the system. By predicting the power output of each sampling period, the optimal control of power is achieved. However, the above-mentioned research on power control of energy storage systems is mainly based on individual PCS devices, lacking consideration for the overall system of energy storage power stations. During the actual operation of the power station, real-time monitoring of system status information such as and power loss is required to control and adjust the power of the power station accordingly, in order to achieve economic and efficient operation of the power station.
Aiming at the problems existing in the power control research above, this paper proposes an optimal power model control strategy for electrochemical energy storage power station, which achieves a one-step prediction of the power of the storage station based on the grid-connected voltage and current of the converter. Then, the power prediction error is used as the power regulation feedback to correct the reference power input. With the goal of minimizing power deviation and power loss during charging and discharging, constraints were considered to partition the state of . Using as the power regulation feedback, the power of the battery compartment can be adjusted according to the range of battery . By solving the objective function, the optimal switching voltage vector output by the converter was applied to the power switch tube, achieving optimal power control for energy storage power station. Finally, the correctness and effectiveness of the proposed control strategy were verified in multiple application scenarios.
2. Electrochemical Energy Storage Power Station Structure
Energy storage power station generally adopt containerized arrangement schemes, each container as an energy storage subsystem, mainly consists of an energy storage battery compartment, a battery management system (BMS), an energy storage converter and a converter transformer, etc. The typical structure of an energy storage power station is as shown in Figure 1:
Figure 1.
Typical structure of an energy storage power station.
The battery compartment, as an important carrier in energy storage power station, is mainly achieved through the series/parallel connection of individual batteries. The battery compartment is composed of multiple battery clusters connected in parallel, and each battery cluster is composed of multiple battery cells or modules connected in the series. The structure of the battery compartment is shown in Figure 2. The battery compartment is connected to the energy storage converter through a DC switch, and then the converter can realize the energy exchange between the battery compartment and the outside.
Figure 2.
Battery compartment structure.
A BMS manages and controls the status of batteries by monitoring real-time parameter information, which can achieve functions such as monitoring, protection and balance management of batteries.
The energy storage converter is a device in the system that connects the battery compartment to the power grid (or load) to achieve bidirectional energy conversion. It can control the charging and discharging process of the battery compartment and perform AC/DC conversion.
3. Optimal Power Model Predictive Control for Energy Storage Power Station
3.1. Optimal Power Model Predictive Control Structure for Energy Storage Power Station
The optimal power model predictive control principle is shown in Figure 3, which mainly includes three parts: a power prediction model, online rolling optimization, and a power feedback correction. Firstly, based on the power prediction model, the optimal power control problem is constructed. Then, the reference power input is corrected by obtaining the power prediction error. Finally, the objective function is solved online to obtain the optimal switching voltage vector, achieving the optimal power control of the power station.
Figure 3.
Schematic diagram of optimal power control.
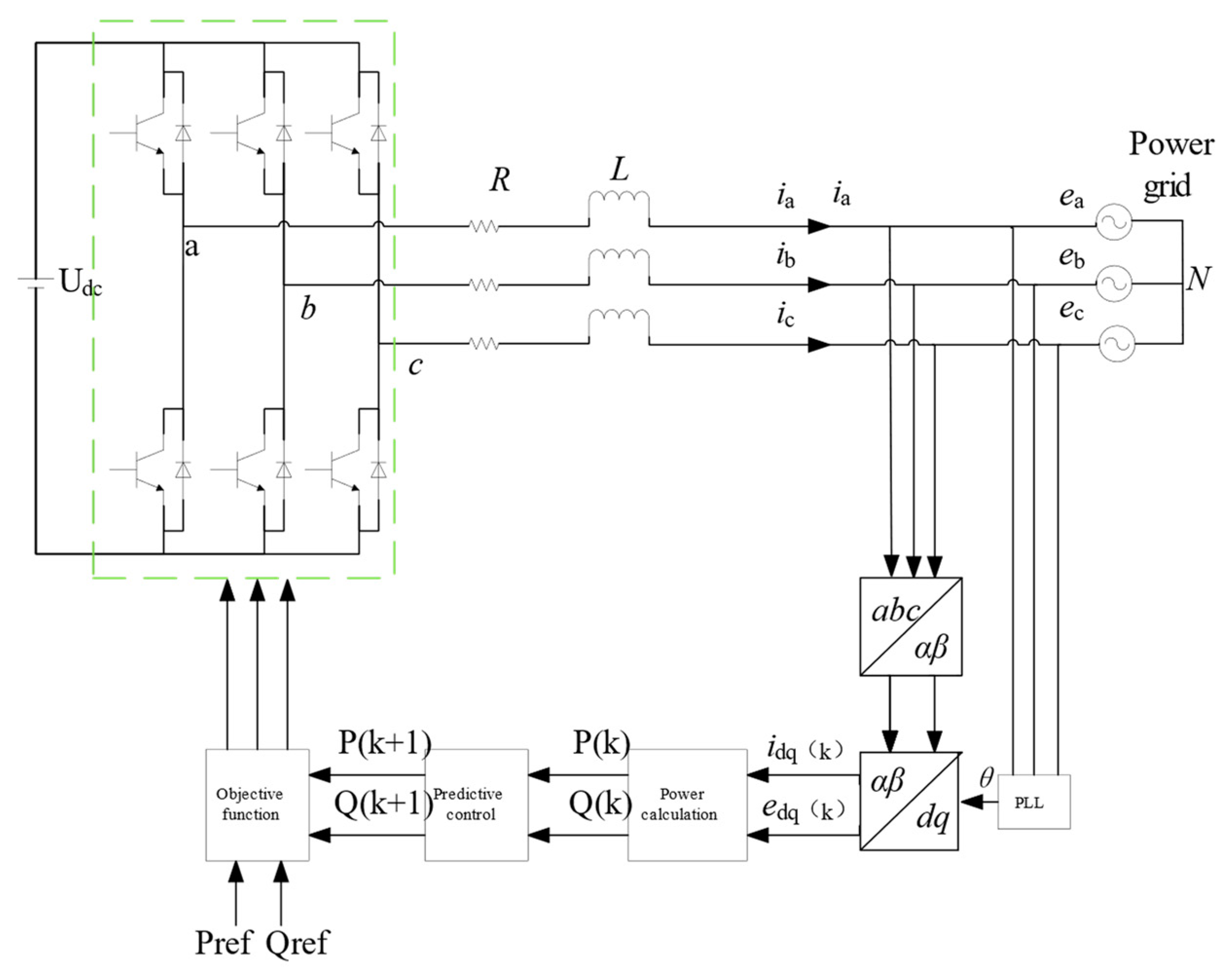
The optimal power model predictive control structure diagram of the power station is shown in Figure 4. In Figure 4, is the DC voltage, L is the filtering inductor, R is the filtering resistor, , and are the three-phase grid voltages and PLL is the phase-locked loop. is the spatial angle of the power grid obtained through PLL, which is also the angle between the coordinate and the coordinate. Measure the grid-connected currents , and at time . The grid-connected voltages , and are transformed from three-phase stationary to two-phase stationary coordinates into and . , and are transformed into through PLL, while and are transformed into and through Park transformation. By using and , the predicted power values and at time of the system can be obtained through power calculation. Considering the accuracy of system control, a one-step prediction is used to obtain the predicted power values of and at time . Finally, and are compared with the reference values and at time to solve the objective function , which has the best control effect when the value of is minimized. The voltage vector that minimizes is selected as the optimal switching voltage vector, and its corresponding switching state is applied to the switching tube to realize the optimal power control of the power station.
Figure 4.
Optimal power model predictive control structure.
3.2. Power Prediction Model for Energy Storage Power Station
Equation (1) represents the switch control status of the converter, and controls the switch status.
The switching signals are represented by space vectors:
where .
The output voltage vector is as follows:
where —output voltage of the converter.
The relationship between and can be obtained from Equations (2) and (3):
The output voltage vector diagram of the converter is shown in Figure 5, and the converter has a total of eight switch states. Among them, , so there are seven different states.
Figure 5.
Vector diagram of converter output voltage.
According to Figure 5, the mathematical model of the converter can be obtained from Kirchhoff’s law as shown in Equation (5):
The model of the converter is transformed by Clark and then Park, ignoring the influence of resistance , to obtain the model of the converter in coordinate:
Once we set the system sampling time to and discretize Equation (6):
where , , , , and are the actual values of the converter output in coordinate at time ; and are the predicted values at time .
Using discretized Equation (7) and organizing the predictive equations for active and reactive power, the result is as follows:
given that the predicted values of the active and reactive power at time are and . According to Equation (8), the predicted values of the active and reactive power at time are and .
3.3. Online Scrolling Optimization
3.3.1. Constraints
(1) constraints for batteries:
The constraints are as follows:
where is the lower limit of battery SOC; is the upper limit of battery .
According to the analysis of battery charging and discharging efficiency and regulation ability in [26], SOC is divided into five intervals as shown in Figure 6. The five intervals are as follows: , , , and , where and are the lower and upper limits of the when the battery is in normal operation. When the SOC exceeds these two limits, i.e., the SOC is in the intervals and , the power of the battery compartment will be limited. When the is in the interval, the charging regulation ability of the battery compartment is strong, but the discharging ability is insufficient. If the battery compartment discharges, the discharging power should be reduced to avoid a rapid decrease in . When the is in the interval, the discharge regulation ability of the battery compartment is strong, but the charging capacity is insufficient. If the battery compartment is charged, the charging power should be reduced to avoid a rapid increase in ; When the is in the interval, the energy storage battery compartment has strong charging and discharging regulation capabilities, making it an ideal working area for energy storage battery compartments.
Figure 6.
Schematic diagram of state partitioning.
In order to control the operation of the battery compartment in the ideal range, BMS adjusts the power of the battery compartment based on the real-time monitoring of . Using as a power regulation feedback variable, the power of the battery compartment can be adjusted according to the range of battery to prevent from exceeding the limit value. Introducing constraint adjustment coefficient , the expressions for under charging and discharging states are shown in Equations (10) and (11), respectively:
where:
Therefore, the reference power with constraints can be considered as shown in Equation (14):
where is the active power after considering the correction of SOC constraints, is the active power, and are the charging and discharging flag bits, and their values are determined by the following equation:
The limits and initial values of in this paper are as shown in Table 1:
Table 1.
limit parameters.
(2) Power constraints for battery compartment:
where: , and are the charging power, the lower limit of charging power and the upper limit of charging power of the battery compartment, respectively; , and are the discharging power, the lower limit of discharging power and the upper limit of discharging power of the battery compartment, respectively.
(3) PCS operating power constraint:
where , and are the lower limit of active power, active power and upper limit of active power of the i-th PCS, respectively.
According to the results of the literature in [27], during the discharge process, the voltage of the lithium battery remains basically unchanged within a reasonable discharge depth range, and the efficiency will decrease to varying degrees as the discharge current increases. The charging stage and the discharging stage have the same principle and can be handled uniformly. Assuming that there are PCSs in the power station, the corresponding energy efficiency of PCSs at this charging and discharging power is . The energy efficiency curve of lithium batteries in the literature in [27] is approximately linearized, and the relationship between battery energy efficiency and charging and discharging power is constructed as follows:
where and , for the self-characteristics of the lithium battery, and where energy storage power station operation mode is not related, can be considered constants; here, take and . The energy efficiency range , and is the rated power of the lithium battery compartment.
The power loss of the PCS is:
where is the power loss of the PCSs. In this paper, we only study the power optimization control strategy of a single power station, so the model only includes one PCS.
3.3.2. Objective Function
The objective function of the control strategy of the energy storage power station includes two optimization objectives:
(1) The operation of power stations meets the scheduling needs of the power grid: Through power control strategy, the actual output power of the energy storage power station reaches the given reference power command, that is, the power deviation value is minimized. This is the main optimization objective, and the expression is as follows:
(2) Considering the energy efficiency characteristics of a power station, minimizing the power loss during the charging and discharging processes is a secondary optimization objective, and the expression is as follows:
Therefore, according to the method for determining the weight coefficients of multi-objective functions in [28], the objective function of the optimal power model predictive control strategy is shown in Equation (23):
where is a weighting factor in order to constrain the power deviation and is a weighting factor in order to constrain the power loss.
3.4. Power Feedback Correction
The predicted values of active power and reactive power of the storage power station at the time k are and . The actual output power of the storage power station is and . Then, the prediction error of active power and reactive power is defined as follows:
Using the power prediction error as the feedback variable for power regulation, the reference power input for correcting time is:
where is the error correction coefficient. By substituting the corrected reference power input into the objective function and solving it again, the optimal power control can be achieved.
The optimal power model predictive control flowchart for electrochemical energy storage power stations is shown in Figure 7. Firstly, sample the voltage and current of the power grid, and perform Clark and Park transformations on them to obtain the voltage and current components in the coordinate system. Then, is obtained through PLL, and power prediction is made based on the voltage and current values at the coordinate. is set to inf, then enters the loop statement to predict the power value for the next sampling time. Finally, by solving , the control effect is best when the value of is the smallest. At this time, the switching state acts on the switching tube, thus completing the entire power control process.
Figure 7.
Flow chart of predictive control for optimal power model of an energy storage power station.
4. Simulation Analysis
In order to verify the effectiveness of the proposed optimal power model predictive control strategy for electrochemical energy storage power station, a grid-connected simulation model of a 0.5 MW/1 MWh energy storage station with a rated voltage of 1000 V was constructed in Simulink. The specific simulation parameters of the system in this paper are shown in Table 2. Next, the proposed control strategy will be simulated and verified in five scenarios: constant power charging and discharging of the energy storage power station, entering the pre-discharge interval from the ideal interval, entering the pre-charge interval from the ideal interval, energy storage power station participating in FM, and energy storage power station participating in peak shaving.
Table 2.
System simulation parameters.
4.1. Constant Power Charging and Discharging of Energy Storage Power Station
The constant power charging and discharging method is the most common in practical applications of electrochemical energy storage power station. The constant power charging and discharging method not only has good flexibility and efficiency, but also helps to protect the battery system and extend its service life. In order to verify the control effect of the proposed optimal power model predictive control strategy under a constant power charging and discharging scenario, the initial under a constant power charging and discharging scenario is set to be 50%. At time 0, the system receives an active command of 1 MW, which suddenly changes to −1 MW at 5 s. The reference reactive power is 0 Var, and the simulation time is 10 s. The simulation results are as follows:
Figure 8 shows the simulation results of the reference charging and discharging power, , actual charging and discharging power, output reactive power and relative error of active power in a constant power charging and discharging scenario. It can be seen that the optimal power model predictive control strategy adopted in this paper can effectively track the output power of the energy storage power station to the active power and reactive power command values in a constant power charging and discharging scenario. The relative error of active power is about 0.9%, which is extremely small. Meanwhile, the response lag time is about , and the response speed is extremely fast. When the power command changes from charging to discharging, the output power adjustment time is short and can quickly stabilize, with good dynamic performance.

Figure 8.
Simulation results of constant power charging and discharging of an energy storage power station. (a) Reference charging and discharging power; (b) ; (c) actual charging and discharging power; (d) actual output reactive power; (e) relative error of active power.
4.2. The SOC Enters the Pre-Discharge Interval from the Ideal Interval
In order to verify the predictive control strategy of the proposed optimal power model, which limits the discharging power after the enters the pre-discharge interval from the ideal interval, the initial in the discharge state is set to 20.01%, the discharge power is positive, the reference discharging power is set to 1 MW, the reference reactive power is set to 0 Var and the simulation time is 10 s. The simulation results are as follows:
Figure 9 shows the simulation results of the reference discharge power, , actual discharging power, output reactive power and relative error of active power in the scenario where the enters the pre-discharge interval from the ideal interval. It can be seen that the optimal power model predictive control strategy used in this paper starts to limit the discharging power when the decreases to 20%. The relative error of active power is about 1.1%, which is extremely small. Meanwhile, the response lag time is about , and the response speed is extremely fast. They prove that the control strategy proposed in this paper can not only meet the discharging power demand of the power grid, but also constrain the discharging power through to avoid excessive battery discharge.

Figure 9.
Simulation results of the SOC enter the SOC pre-discharge interval from the ideal interval. (a) Reference discharging power; (b) SOC; (c) actual discharging power; (d) actual output reactive power; (e) relative error of active power.
4.3. The Enters the Pre-Charge Interval from the Ideal Interval
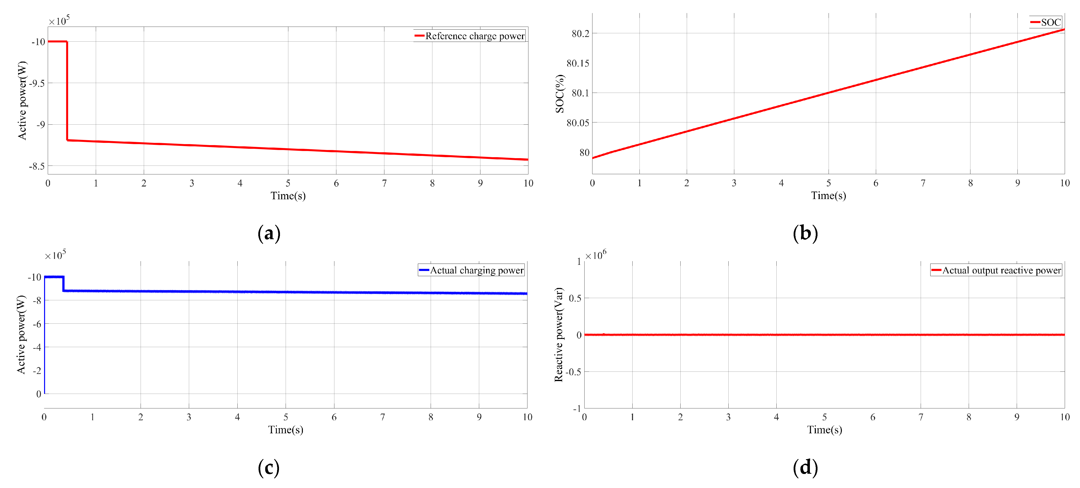
In order to verify the predictive control strategy of the proposed optimal power model, which limits the charging power after the enters the pre-charge interval from the ideal interval, the initial in the charge state is set to 79.99%, the charge power is negative, the reference charging power is set to −1 MW, the reference reactive power is set to 0 Var and the simulation time is 10 s. The simulation results are as follows:
Figure 10 shows the simulation results of the reference charging power, , actual charging power, output reactive power and relative error of active power in the scenario where the enters the pre-charge interval from the ideal interval. It can be seen that the optimal power model predictive control strategy used starts to limit the actual charging power when the increases to 80%. The relative error of active power is about 1.1%, which is extremely small. Meanwhile, the response lag time is about , and the response speed is extremely fast. They prove that the control strategy proposed in this paper can not only meet the charging power demand of the power grid, but also constrain the charging power through to avoid excessive battery charge.

Figure 10.
Simulation results of the enter the pre-charge interval from the ideal interval. (a) Reference charge power; (b) ; (c) actual charging power; (d) actual output reactive power; (e) relative error of active power.
4.4. Energy Storage Power Station Participating in FM
Energy storage power stations usually need to have an FM function. By reasonably controlling the charging and discharging power of energy storage power stations, it can quickly respond to changes in grid frequency, suppress frequency fluctuations and improve the stability level of grid frequency. Therefore, the proposed optimal power model predictive control strategy is verified in the FM scenario by giving the grid FM power demand command, and the initial in the FM scenario is set to 50%, and the simulation time is 96 s. The simulation results are as follows:
Figure 10 shows the simulation results of FM power demand, , actual charging and discharging power, output reactive power and active power relative error in FM. According to the technical specifications for frequency modulation control of electrochemical energy storage power stations, the response lag time of energy storage power stations participating in frequency modulation control should not exceed 200 ms for primary frequency modulation control and 800 ms for secondary frequency modulation control. The power control strategy proposed in this paper results in a response lag time of approximately 0.03 ms for energy storage power stations in FM, which is much shorter than the required time by regulations and has an extremely fast response speed. When the FM power demand suddenly increases or decreases, the actual output power can still be tracked to the command value in an extremely short time, with good dynamic performance. Meanwhile, from Figure 10e, it can be seen that the relative error value after power stabilization is about 1.3%, which is relatively small and can well meet the FM power demand, which is helpful for energy storage station to participate in FM.
4.5. Energy Storage Power Station Participating in Peak Shaving
The energy storage power station should also have peak shaving function, fully utilizing the flexible charging and discharging characteristics of energy storage to track the scheduling plan curve in real time and meet the urgent control needs of scheduling. Therefore, the proposed optimal power model predictive control strategy is verified by providing the power demand command for grid peak shaving in the control effect of peak shaving scenarios. The initial in the peak shaving scenario is set to 50%, and the simulation time is 96 s. The simulation results are as follows:
Figure 11 and Figure 12 show the simulation results of peaking power demand, , actual charging and discharging power, output reactive power and relative error of active power for energy storage power stations participating in peak shaving. According to the technical specifications for peak shaving control of electrochemical energy storage power stations, the response lag time of energy storage power stations participating in peak shaving control should not exceed 800 ms. The power control strategy proposed in this article results in a response lag time of approximately 0.1 ms for energy storage stations during peak shaving, which is far less than the required time in the specifications, and the response speed is extremely fast. Meanwhile, it can be seen from Figure 11e that the relative error value after power stabilization is about 1.4%, which is relatively small and can well meet the peaking power demand of the power grid, helping energy storage stations to participate in peak shaving.
Figure 11.
Simulation results of storage power station participation in FM. (a) FM power demand; (b) ; (c) actual charging and discharging power; (d) actual output reactive power of energy; (e) relative error of active power.

Figure 12.
Simulation results of energy storage power station participating in peak shaving. (a) Peaking power demand; (b) ; (c) actual charging and discharge power; (d) actual output reactive power; (e) relative error of active power.
The summary analysis of simulation results in different scenarios in this paper is shown in Table 3. It can be seen that the relative error value of the proposed control strategy after power stabilization in different scenarios is about 0.9−1.4%, with relatively small relative error values. At the same time, the response lag time is about , and the response speed is extremely fast, far less than the requirements of relevant technical specifications for response lag time. In summary, the control strategy proposed in this paper can enable the energy storage power station to meet the power demand of the power grid in different scenarios.
Table 3.
Analysis of simulation results.
5. Conclusions
This paper proposes an optimal power model predictive control strategy for electrochemical energy storage power stations in multiple scenarios, targeting the power control problems of current grid-side power stations. Through simulation and verification analysis, the following conclusions are drawn:
(1) In various application scenarios of energy storage power stations, the optimal power model predictive control strategy can enable the output of the power station to quickly and accurately track the power grid scheduling requirements. The relative error value of the proposed control strategy after power stabilization in different scenarios is about 0.9%−1.4%, with relatively small relative error values. The response lag time is about , and the response speed is extremely fast, far less than the requirements of relevant technical specifications for response lag time. Therefore, the control strategy proposed in this paper can enable the energy storage power station to meet the power demand of the power grid in different scenarios.
(2) In the constraint of , is partitioned into states and used as a feedback variable for power regulation. The power of the power station is adjusted according to the interval where the battery is located, avoiding SOCs exceeding the limit and ensuring the power station operates within a safe range, improving the safety and flexibility of power station operation.
(3) By considering the relationship between battery energy efficiency and power, the power loss during the operation of the power station can be calculated, which can effectively improve the operational efficiency, maximize the charging and discharging capacity of the energy storage power station and, to a certain extent, improve the economic efficiency of the operation.
Author Contributions
Conceptualization, C.S. and C.T.; methodology, J.Y.; software, M.W.; validation, C.W. and C.S.; formal analysis, C.T.; investigation, J.Y.; resources, M.W.; data curation, C.W.; writing—original draft preparation, H.D.; writing—review and editing, C.S.; visualization, C.T.; supervision, J.Y.; project administration, M.W.; funding acquisition, C.W. All authors have read and agreed to the published version of the manuscript.
Funding
This research was funded by the Management Technology Project of State Grid Gansu Electric Power Company, Gansu Province, China, grant number 522707230006.
Data Availability Statement
The original contributions presented in the study are included in the article, further inquiries can be directed to the corresponding author/s.
Conflicts of Interest
Authors Chong Shao, Chao Tu, Jiao Yu, and Mingdian Wang were employed by the State Grid Gansu Electric Power Company. The remaining authors declare that the research was conducted in the absence of any commercial or financial relationships that could be construed as a potential conflict of interest.
References
- Li, J.L.; Wu, Y.W.; Wang, N.; Xiong, J.J.; Ma, S.L. Research review and outlook of gigawatt-scale electrochemical energy storage power station. Power Syst. Autom. 2021, 45, 2–14. [Google Scholar]
- Bai, Z.; Li, Q.; Chen, J. Optimization of operation strategy of energy storage power station under multi-station convergence scenario. China Electr. Power 2021, 54, 136–144. [Google Scholar]
- Ren, D.; Hou, J.; Xiao, J. Discussion on key technologies of energy storage in the cleaner transformation of energy and power. High Volt.Technol. 2021, 47, 2751–2759. [Google Scholar]
- Li, W. Study of Energy Storage System for Smoothing Power Fluctuation in Wind Farms. Master’s Thesis, Chongqing University, Chongqing, China, 2012. [Google Scholar]
- Qin, L.; Sun, N.; Dong, H. Adaptive Double Kalman Filter Method for Smoothing Wind Power in Multi-Type Energy Storage System. Energies 2023, 16, 1856. [Google Scholar] [CrossRef]
- Bao, G.; Lu, C.; Yuan, Z.; Han, Y. Real-time optimization of peak shaving and valley filling for battery energy storage system based on dynamic planning. Power Syst. Autom. 2012, 36, 11–16. [Google Scholar]
- Eleke, S.; Baran, M.E.; Bhattacharya, S.; Huang, A.Q. Optimal Control of Battery Energy Storage for Wind Farm Dispatching. IEEE Trans. Energy Convers. 2010, 25, 787–794. [Google Scholar]
- Chen, W.; Sun, N.; Ma, Z.; Liu, W.; Dong, H. A Two-Layer Optimization Strategy for Battery Energy Storage Systems to Achieve Primary Frequency Regulation of Power Grid. Energies 2023, 16, 2811. [Google Scholar] [CrossRef]
- Li, Q.; Choi, S.S.; Yuan, Y.; Yao, D.L. On the Determination of Battery Energy Storage Capacity and Short-Term Power Dispatch of a Wind Farm. IEEE Trans. Sustain. Energy 2011, 2, 148–158. [Google Scholar] [CrossRef]
- Ma, L.; Xie, L.; Ye, L.; Lu, P.; Wang, K. Wind power fluctuation suppression strategy based on hybrid energy storage bi-level programming model. Power Syst. Technol. 2022, 46, 1016–1026. [Google Scholar]
- Zhang, M.; Xiao, H.; Zeng, L. Power smoothing strategy for wind solar storage microgrids considering energy storage losses and power prediction errors. Electr. Energy Effic. Manag. Technol. 2022, 5, 47–54. [Google Scholar]
- Mallik, A.; Ding, W.; Shi, C.; Khaligh, A. Input voltage sensorless duty compensation control for a three-phase boost PFC converter. IEEE Trans. Ind. Appl. 2017, 53, 1527–1537. [Google Scholar] [CrossRef]
- Hou, S.Y.; Xiao, X.; Xu, X. Grid-connected converter based on indirect current control. Power Autom. Equip. 2010, 30, 76–79. [Google Scholar]
- Li, K.; Ma, Q.; Xu, H.B. Stability analysis of direct current control for grid-connected converters. Power Electron. Technol. 2013, 47, 60–62. [Google Scholar]
- Shang, L.; Sun, D.; Hu, J. Predictive direct power control of three-phase voltage-type grid-connected converter. J. Electrotechnol. 2011, 26, 216–222. [Google Scholar]
- Zhang, X.; Zhang, C. PWM Rectifier and Its Control; China Machine Press: Beijing, China, 2012. [Google Scholar]
- Zhang, Y.C.; Jiao, J.; Liu, J. Direct power control of PWM rectifiers with online inductance identification under unbalanced and distorted network conditions. IEEE Trans. Power Electron. 2019, 34, 12524–12537. [Google Scholar] [CrossRef]
- Zhang, F.; Li, Z.; Li, X.; Wang, T. Low-complexity model predictive direct power control of three-phase PWM rectifier based on three vectors. Grid Technol. 2018, 42, 957–965. [Google Scholar]
- Yaramasu, V.; Rivera, M.; Wu, B.; Rodriguez, J. Model predictive current control of two-level four-leg inverters-Part I: Concept, algorithm, and simulation analysis. IEEE Trans. Power Electron. 2013, 28, 3459–3468. [Google Scholar] [CrossRef]
- Duan, X.; Wang, H.; Wang, J. Application Review of Predictive Control in Power Electronic Converters. Meas. Control. Technol. 2015, 34, 1–5. [Google Scholar]
- Yang, Y.; Zhao, F.; Ruan, Y.; Zhao, C. Model current prediction control technology for three-phase grid connected inverters. J. Electr. Eng. Technol. 2011, 6, 153–159. [Google Scholar]
- Zhang, Y.; Xie, W.; Li, Z.; Zhang, Y. Model Predictive Direct Power Control of a PWM Rectifier with Duty Cycle Optimization. IEEE Trans. Power Electron. 2013, 28, 5343–5351. [Google Scholar] [CrossRef]
- Alonso-Martinez, J.; Eloy-Garcia, J.; Santos-Martin, D.; Arnaltes, S. A New Variable-Frequency Optimal Direct Power Control Algorithm. IEEE Trans. Ind. Electron. 2013, 60, 1442–1451. [Google Scholar] [CrossRef]
- Chen, Q.; Ren, H.; Yang, Z. Improved Direct Power Predictive Control for Three Phase Grid Connected Inverters. Power Autom. Equip. 2014, 34, 100–105. [Google Scholar]
- Wai, R.J.; Yang, Y. Design of backstepping direct power control for three-phase PWM rectifier. IEEE Trans. Ind. Appl. 2019, 55, 3160–3173. [Google Scholar] [CrossRef]
- Huang, W.; Cheng, Y.; Wang, H. Discharge efficiency model of lithium iron phosphate battery compartment for pure electric vehicles. J. Huazhong Univ. Sci. Technol. (Nat. Sci.Ed.) 2012, 40, 129–132. [Google Scholar]
- Yan, G.; Zhu, W.; Duan, S. Power control strategy for energy storage systems considering the consistency of lead carbon battery packs. Power Syst. Autom. 2020, 44, 61–67. [Google Scholar]
- Wei, Z.; Zhong, H.; He, H. Optimization charging method for lithium-ion batteries based on multi physical process constraints. J. Mech. Eng. 2023, 59, 223–232. [Google Scholar]
Disclaimer/Publisher’s Note: The statements, opinions and data contained in all publications are solely those of the individual author(s) and contributor(s) and not of MDPI and/or the editor(s). MDPI and/or the editor(s) disclaim responsibility for any injury to people or property resulting from any ideas, methods, instructions or products referred to in the content. |
© 2024 by the authors. Licensee MDPI, Basel, Switzerland. This article is an open access article distributed under the terms and conditions of the Creative Commons Attribution (CC BY) license (https://creativecommons.org/licenses/by/4.0/).















