Next Article in Journal
Linear Quadratic Gaussian Controller for Single-Ended Primary Inductor Converter via Integral Linear Quadratic Regulator Merged with an Offline Kalman Filter
Next Article in Special Issue
Evaluation of Transport–Burnup Coupling Strategy in Double-Heterogeneity Problem
Previous Article in Journal
Reducing CO2 Emissions through the Strategic Optimization of a Bulk Carrier Fleet for Loading and Transporting Polymetallic Nodules from the Clarion-Clipperton Zone
Previous Article in Special Issue
RFP-MSR Hybrid Reactor Model for Tritium Breeding and Actinides Transmutation
 
 
Font Type:
Arial Georgia Verdana
Font Size:
Aa Aa Aa
Line Spacing:
Column Width:
Background:
Article

Development of a MELCOR Model for LVR-15 Severe Accidents Assessment

by
Alain Flores y Flores
*,
Guido Mazzini
and
Antonio Dambrosio
Research Centre Rez, Hlavní 130, 250 68 Husinec-Řež, Czech Republic
*
Author to whom correspondence should be addressed.
Energies 2024, 17(14), 3384; https://doi.org/10.3390/en17143384
Submission received: 10 May 2024 / Revised: 1 July 2024 / Accepted: 4 July 2024 / Published: 10 July 2024
(This article belongs to the Special Issue Advanced Technologies in Nuclear Engineering)

Abstract

LVR-15 is a light-water-tank-type research reactor placed in a stainless-steel vessel under a shielding cover located in the Research Centre Rez (CVR) near Prague. It is operated at a steady-state power of up to 10 MWt under atmospheric pressure and is cooled by forced circulation. In 2011, the fuel was replaced, going from high-enriched uranium (HEU) to low-enriched uranium (LEU). After 2017, the State Office for Nuclear Safety (SUJB) asked CVR to evaluate the LVR-15 under Design Extended Conditions B (DEC-B). For this reason, a new model was developed in the MELCOR code, which allows for modelling the progression of a severe accident (SA) in light-water nuclear power plants and estimating the behaviour of the reactor under SA conditions. The model was built by collecting information about the LVR-15. Since the research reactor can have different core configurations according to the location of the core components, the core configuration with the most fuel (hottest campaign K221) was selected. Then, to create the radial nodalisation, the details of the core components were obtained and grouped in five radial rings and 27 axial levels. The simulation was run with the boundary conditions collected from campaign K221, and the results were compared with the reference values of the campaign with a negligible percentage of error. For the coolant inlet and outlet temperature, the reference values were 318.18 K and 323.5 K, respectively, while for the simulation, the steady state reached 319 K for the inlet temperature and 324 K for the outlet temperature. Additionally, the cladding temperature of the hottest assembly was compared with the reference value (353.72 K) and the steady-state simulation results (362 K). In future work, different transients leading to severe accidents will be simulated. When simulating the LVR-15 reactor with MELCOR, specific attention is required for the aluminium-cladded fuel assemblies, as the model requires some assumptions to cope with the phenomenological limitations.

1. Introduction

The inaugural research reactor in the Czech Republic (formerly Czechoslovakia) began operations in 1957 at the Institute of Nuclear Physics, which was part of the Czechoslovak Academy of Sciences and was located in Rez, near Prague. Initially operating at a thermal power of 2 MW, this reactor continued its service until 1987. Subsequently, between 1988 and 1989, it underwent a transformation from a VVR-S to an LVR-15 configuration. The reconstruction project, which had been in the works since the early 1980s, aimed to boost power output and enhance safety measures. Test operations for the LVR-15 reactor kicked off in 1989, and it has been running at full operational capacity since 1995.
The LVR-15 reactor is a light-water-tank-type research reactor encased in a stainless-steel vessel under a shielding cover. It is equipped with forced cooling, IRT-4M fuel, and operates at a power level of up to 10 MWt. Reactor operations are organized in campaigns lasting around 3 weeks, followed by maintenance and fuel-reloading outages lasting 10–14 days. Additional campaigns are dedicated to ‘short-time’ experiments. Demineralized water acts as a moderator and absorber, while the reflector is made up of either water or a beryllium block, depending on the operational setup.
In modern times, the expanded capabilities of code software have significantly enhanced safety assessment and design optimisation, enabling advancements that were previously out of reach. The current challenge involves reevaluating the safety features of existing nuclear facilities, particularly research reactors, to ensure continued compliance with safety standards [1,2,3]. This process entails making necessary adjustments to meet new regulatory requirements and integrating new equipment arising from recent technological advancements [4].

2. Research Reactor LVR-15

The LVR-15 research reactor is housed in a stainless-steel vessel under a shielding cover and operates at a steady-state power level of up to 10 MWt under normal (near atmospheric) pressure. It is cooled by the forced circulation of demineralized water. The primary function of the LVR-15 reactor is to serve as a neutron source for research.
Within the cylindrical vessel of the LVR-15 reactor, a rectangular core is situated in an aluminium separator. The core accommodates 80 positions filled with fuel assemblies, combined fuel and control assemblies, beryllium shielding blocks, test channels, and other components based on the specific load design. The fuel assemblies used are of the IRT-4M six- and eight-tube sandwich-like type.
Cooling water circulates from the top to the bottom of the core. At the core bottom, the core separator is welded to a concentric rectangle to the cylinder reducer, followed by a cylindrical pipe. A sealed flange links the reactor-vessel outlet pipe to the primary coolant system hot leg pipe. The pump suction header at the bottom includes a series of reducing tees to supply inlets to the reactor coolant-pump suction piping. The system comprises five reactor coolant pumps and two emergency auxiliary pumps, each equipped with isolation and check valves.
The individual pump discharge pipes connect to the pump discharge header pipes, leading to the heat exchangers. Both heat exchangers are identical, with elliptical bottoms forming the inlet and outlet collectors on the primary coolant side. The primary coolant flows through the heat-exchanger tubes, while height partitions streamline the flow of secondary system coolant on the secondary side.
From both heat exchangers, pipes connect the heat-exchanger outlets with reactor-vessel inlets. These pipelines are nearly identical, featuring isolation and regulating valves and flow measurement devices. Figure 1 shows the schematic diagram of the LVR-15, and Table 1 shows the main technical parameters.
The operational limits for the LVR-15 system are 97 °C and a minimum onset of nucleate boiling ratio (ONBR) of 1.3. These limits are imposed because surface boiling can cause oxidation of the cladding, which can literally turn the surface black. TVEL cannot guarantee the mechanical stability of the cladding once this oxidation process starts, and the small water channels mean that even surface boiling can quickly deteriorate cooling.
Additionally, above 500 °C, there is an increased chance of cladding blistering. Given the thin cladding, this could lead to fission product (FP) releases much before reaching the cladding melting point.

3. Core Configuration

The core contains an aluminium baffle, called a separator, into which fuel elements, beryllium blocks, aluminium displacers, and irradiation channels are inserted. The centre of the core is located approx. 1.4 m above the bottom of the vessel. The baffle has 8 × 10 positions in a rectangular arrangement with a 71.5 mm pitch.
From 28 to 32 cells accommodate fuel elements, of which 12 fuel elements contain control rods, with some cells serving as rig channels. On the periphery of the core, there are irradiation channels for experimental loops, a rotation channel for silicon irradiation, pneumatic tubes, and vertical irradiation channels. Other cells are filled with beryllium reflectors or water displacers.
In general, the purpose of nuclear research reactors is not for energy generation but the generation of neutrons for various scientific and medical purposes. To fulfil these purposes, the core configuration may change. For the case of severe accidents, among all the possible configurations of the core, the one that could result in the worst scenario was selected, according to a previously performed neutronic study. The core configuration that was modelled is described in Section 5.

4. Core Components

In order to develop a model for the MELCOR code, it was essential to initially locate descriptions of the reactor in the available literature. This involved uncovering old documents that were not digitized and were written in the Russian and Czech languages. The information is passed through a process of digitalization and translation into English to make it accessible to a wider audience.
Additionally, some data were retrieved from a previous model in RELAP [5,6]. In this section, the core components of the LVR-15 will be briefly outlined.
The importance of having a model in the MELCOR code is to analyse postulated initiating events that could lead to an increase in temperature due to a loss of coolant or a flow blockage. The increase in temperature could oxidize the cladding and other metal structures, generating hydrogen and causing surface blistering. The temperature increase could also reach the melting point of the cladding and fuel, breaching the cladding and releasing the radionuclides inside the vessel.
If the accident progression continues, the concentration of hydrogen could reach levels that might result in deflagration or detonation. The molten material (corium) could relocate and fall to the bottom of the vessel, weakening the lower head of the vessel and causing it to fail, ejecting the corium out of the vessel.
Although these scenarios are highly unlikely due to the low power of the reactor and the multiple redundant safety measures, it is essential to assess the capabilities of the code to simulate this type of reactor accurately. This evaluation helps to ensure the safety and reliability of the nuclear power plant by identifying potential vulnerabilities and addressing them effectively.

4.1. Fuel

The LVR-15 research reactor is a heterogeneous tank-type reactor with IRT-4M nuclear fuel. The IRT-4M nuclear fuel is a “sandwich-like” TVEL fuel assembly chosen for its ability to enhance the neutron-capture cross-section for radioisotope production.
In the eight-tube version, there are seven coaxial tubular elements with a square cross-section, rounded corners, and one cylindrical central element. The fuel “sandwich” comprises three layers: the central layer is the “fuel” or “meat”, while the outer layers are the “clads”.
The fuel consists of dispersions of UO2 (with less than 20% enrichment of isotope 235U) and aluminium powder with a density of ~4900 kg/m3 and a thickness of 0.7 mm. The cladding is aluminium with a density of 2700 kg/m3 and a thickness of 0.45 mm. The total length of the assemblies is 0.88 m, with the active part measuring 0.66 m in length. There are three types of fuel assemblies with eight, six, and four fuel tubes.
The fuel rod–six tube assembly comprises six coaxial tubular elements with a square cross-section and rounded corners. The six-tube version shares the same geometry and dimensions as the eight-tube assembly, except for the two smaller central tubes, which are replaced by the control rod.
Twelve control rods are utilized to manage fission reactions, suspended on a console permanently attached to the vessel superstructure in the upper section of the vessel. Of the twelve rods, eight rods are compensatory, three are safety rods, and one operates as an automatic regulator.
The control rods consist of three components: a fixed aluminium displacer, a cladding made of stainless steel with a thickness of 28.2 mm, and a cylindrical block of B4C with a diameter of 20 mm.
Figure 2 shows the axial and radial view of the schematic fuel rod–eight tubes and fuel rod–six tubes, respectively.

4.2. Beryllium Block

The beryllium reflector consists of a beryllium cylinder with a density of 1850 kg/m3 and a diameter of 44 mm inside a case. The material of the case can be aluminium or beryllium.
The beryllium cylinder can be removed, leaving only the aluminium or beryllium case. In this case, it is referred to as a beryllium block with a channel (see Figure 3).

4.3. Water Displacers

Water displacers are water cells with a structure of aluminium with a variable thickness (Figure 4).

4.4. Irradiation Channel Type 1—IC1

The IC1 cells contain special targets that locally amplify the neutron flux. They have an external aluminium part and three sandwich-type annulus tubes consisting of aluminium cladding and (UO2 + Al) targets, with approximately a 92.2% enrichment of 235U. The cladding has a thickness of about 0.38 mm and a density of 2700 kg/m3, while the meat has a thickness of 0.51 mm and a density of 1250 kg/m3.
The irradiation channel is an aluminium square box measuring 69 mm on each side with a hole of 66 mm in diameter. Inside, there are three aluminium cylinders with an external radius of 14.5 mm and a thickness of 1.05 mm (see Figure 5).
For the IC1, the information on the section used (upper or lower) was not available. For the model, the lower section was selected.

4.5. Irradiation Channel Type 2—IC2

The IC2 is an aluminium square box with dimensions of 69 mm per side and a hole with a diameter of 66 mm (Figure 6).

4.6. Irradiation Channel Type 3—IC3

The IC3 is used for the irradiation of materials in plate form (see Figure 7).

4.7. Rotary Channel and Pneumatic Tubes

These elements were modelled as solid aluminium blocks.

5. LVR-15 MELCOR Model

The MELCOR code is a fully integrated system of computer code that allows for modelling the progression of severe accidents in light-water nuclear power plants.
This code was developed by Sandia National Laboratories for the needs of the United States Nuclear Regulatory Commission (US-NRC). MELCOR is used to perform sensitivity and uncertainty analyses in different applications.
One of the key features of MELCOR is its integrated simulation capabilities, as it is tested and analysed in (Fission Product Test) FPT-3 [7], (Thermal, Hydrogen, Aerosols and Iodine) THAI-1 [8,9], (Water–Water Energetic Reactor) VVER-1000 [10], and (Vacuum Vessel Pressure Suppression System) VVPSS [11]. The code provides a comprehensive simulation of the major physical phenomena that can occur during a severe nuclear accident, including thermal–hydraulic response, core degradation, fission product release and transport, and containment response. This holistic approach allows researchers and analysts to gain a better understanding of the complex interactions and dynamics at play during such events.
The code can be used to analyse a wide range of reactor designs, including light-water reactors (LWRs), heavy-water reactors (HWRs), and advanced reactor concepts. This broad applicability makes MELCOR a valuable tool for investigating the safety of various nuclear power plant designs.
Furthermore, MELCOR plays a crucial role in supporting probabilistic risk assessment (PRA) studies. By simulating hypothetical accident scenarios, the code helps identify and evaluate potential risks, allowing researchers and regulators to assess the safety of nuclear power plants.
In addition to its use in risk assessment, MELCOR is also employed for safety analysis purposes. Researchers and analysts use the code to simulate various accident scenarios and evaluate the effectiveness of plant systems and operator actions in mitigating the consequences. These analyses help to identify vulnerabilities and inform the development of improved safety measures and emergency-response protocols.
Overall, the MELCOR code is a fundamental tool in the nuclear industry, contributing to both research and regulatory activities. Its comprehensive simulation capabilities, flexibility, and versatility make it an essential resource for understanding and predicting the behaviour of nuclear power plants under severe accident conditions [12].
Due to the code limitations [13], some assumptions were necessary to develop the MELCOR model. The core relates to the BWR model, indicating that the IRTM-4M fuel was considered canister fuel. The plates were divided into an equivalent pin model, keeping the thickness–mass ratio intact and the same thermohydraulic parameters from the RELAP model [14] as the hydraulic diameter.
One preliminary assumption is that, in case of an accident, the beryllium will not take part in the oxidation process. The sensitive coefficients for the zirconium oxidation model in the MELCOR code will be adjusted to consider the aluminium blistering phenomenon, since zirconium characteristics are replaced with aluminium properties. According to [15], specific features will be taken into account for modelling an aluminium-based reactor in the MELCOR code, such as the refreezing heat-transfer coefficient for a reactor-specific material (aluminium and aluminium oxide). In particular, the application of the generic oxidation model implemented in the recent versions of MELCOR could help to simulate the specific phenomenology of the aluminium claddings [16].
The inlet and outlet reactor temperatures fluctuate based on the secondary and tertiary coolant temperatures. The data presented here refer to the K221 campaign, which is considered conservative, since it has the highest peak power for six and eight fuel-tube assemblies (409.15 kW for the six fuel-tube assembly and 550.18 kW for the eight fuel-tube assembly).
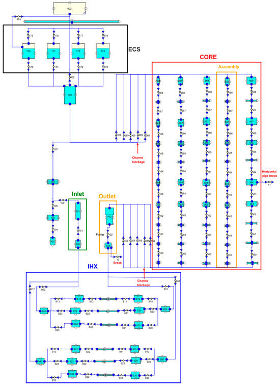
For the thermohydraulic nodalisation, we used 88 control volumes (CVs) interconnected by 101 flow paths. Fifty CVs were designated to model the core section (see Figure 8). Upon exiting the core, the coolant flows at a velocity of 3.6 m/s and a temperature of 316.15 K. The coolant is pumped through four pumps at the reactor outlet, each with a flow rate of 108.89 kg/s.
The coolant then passes through two identical inter-heat-exchanger trains to reduce the temperature to 305.41 K before returning to the reactor. Due to the changing core element types, in order to consider the material changes, a detailed axial discretization of the core was meshed in 27 axial levels and five radial rings. Ring number 4 corresponds to one fuel eight tube assembly, which is used to evaluate a blockage channel accident in one fuel assembly at a later stage (see Figure 9).
Figure 10 illustrates the comparison between the LVR-15 scheme and the MELCOR nodalisation.

6. Steady State

Once the LVR-15 MELCOR model was developed, the nominal values and boundary conditions were defined similarly to the campaign K221. Table 2 summarizes the initial conditions for the simulation.
The simulations ran in MELCOR 2.2 18019 in SNAP 4.0.1; the results are summarized in Table 3.
The power and water flow rate were defined to be constant and equal to 10 MW for the power and 3.6 m/s for the outlet flow, as it was described in the initial conditions (Once the LVR-15 MELCOR model was developed, the nominal values and boundary conditions were defined similarly to the campaign K221. Table 2 summarizes the initial conditions for the simulation. Table 2). The water temperature and all the core structures were set to a temperature of 300 K. The simulation starts from t = −1200 s and it runs until it reaches the steady state. CV 100 represents the inlet and CV 102 the outlet.

7. Conclusions and Future Work

A MELCOR model for the research reactor LVR-15 was developed after a lengthy process of gathering information and optimization.
The first version of the model had a very simplified nodalisation with only 10 control volumes containing the core, which had four rings. Later, considering the need to evaluate the transients in a future stage, a more detailed nodalisation was made, which is the one presented here, with 50 control volumes for the core section, and another ring was added (ring 4) to the core nodalisation that, according to the reference values, simulates a hotter 8-tube type fuel assembly.
The main challenge in the development of the model was the detailed core model due to all its diverse components.
Despite the limitations of the MELCOR code in modelling LVR-15 due to its particular fuel geometry, physical phenomenology, and chemical reactions, a steady-state run was conducted, and the results obtained for the channel representing the hottest assembly demonstrated good agreement with the measurements.
The reference value for the cladding temperature for the hottest assembly was 353.72 K and in the simulation 362 K (2.34% error).
The coolant inlet and outlet temperature also were compared with a reference value of 318.18 K for the inlet temperature and 323.50 K for the outlet temperature, while for the steady-state simulation, it was 319 K for the inlet temperature and 324 K for the outlet temperature.
In a future stage, this model will be used to assess severe accidents in LVR-15, such as loss-of-coolant accidents (LOCAs), loss-of-flow accidents (LOFAs), and channel blockage. Such analyses will be supported by a deep investigation of the MELCOR capability in simulating aluminium oxidation and blistering supported by a proper adjustment of the model based on the engineering evaluation.

Author Contributions

Conceptualization, A.F.y.F., G.M. and A.D.; methodology, A.F.y.F. and G.M.; validation, A.F.y.F. and A.D.; formal analysis, A.F.y.F., G.M. and A.D.; writing—original draft preparation, A.F.y.F.; writing—review and editing, G.M. and A.D. All authors have read and agreed to the published version of the manuscript.

Funding

Financially supported by the Ministry of Education, Youth, and Sports—project LM2023041.

Data Availability Statement

These results are part of an institutional report, the data published in this paper is the only public information available.

Acknowledgments

The presented results were obtained using the CICRR infrastructure, which is financially supported by the Ministry of Education, Youth and Sports—project LM2023041. The authors gratefully acknowledge this support, which has enabled the successful completion of this work.

Conflicts of Interest

The authors declare no conflicts of interest.

References

  1. Hamidouche, T.; Bousbia-Salah, A.; Si-Ahmed, E.K.; D’Auria, F. Overview of Accident Analysis in Nuclear Research Reactors. Prog. Nucl. Energy 2008, 50, 7–14. [Google Scholar] [CrossRef]
  2. Adorni, M.; Bousbia-salah, A.; D’Auria, F.; Hamidouche, T. Accident Analysis in Research Reactors. In Proceedings of the International Conference Nuclear Energy for New Europe, Portoroz, Slovenia, 10–13 September 2007; pp. 202.1–202.9. [Google Scholar]
  3. International Atomic Energy Agency. Operating Experience from Events Reported to the IAEA Incident Reporting System for Research Reactors; International Atomic Energy Agency: Vienna, Austria, 2015; p. 50. [Google Scholar]
  4. IAEA. Guidelines for the Review of Research Reactor Safety: Revised Edition; International Atomic Energy Agency: Vienna, Austria, 2013. [Google Scholar]
  5. Dambrosio, A.; Ruščák, M.; Mazzini, G.; Musa, A. Neutronic Analysis of the LVR-15 Research Reactor Using the PARCS Code. Ann. Nucl. Energy 2018, 117, 145–154. [Google Scholar] [CrossRef]
  6. Kynčl, M. Development and Assessment of TRACE LVR-15 Facility Thermal Hydraulic Model, 2015.
  7. Flores y Flores, A.; Ferretto, D.; Marková, T.; Mazzini, G. Analysis of Release Model Effect in the Transport of Fission Products Simulating the FPT3 Test Using MELCOR 2.1 and MELCOR 2.2. Sustainability 2021, 13, 7964. [Google Scholar] [CrossRef]
  8. Flores y Flores, A.; Mazzini, G. Analyses of THAI 1 Hydrogen Deflagration Using MELCOR Code Version 2.1 and 2.2. Nucl. Eng. Des. 2020, 369, 110838. [Google Scholar] [CrossRef]
  9. Flores y Flores, A.; Mazzini, G. Hydrogen Deflagration Analysis in THAI Experiments Using MELCOR Code. J. Nucl. Eng. Radiat. Sci. 2022, 8, 031201. [Google Scholar] [CrossRef]
  10. Flores y Flores, A.; Rzehulka, M.; Mazzini, G. Influence of Mixed Core in the Radionuclides Releases and Hydrogen Production for VVER-1000. Nucl. Eng. Des. 2024, 417, 112858. [Google Scholar] [CrossRef]
  11. D’Onorio, M.; Glingler, T.; Mazzini, G.; Porfiri, M.T.; Caruso, G. Passive Hydrogen Recombination during a Beyond Design Basis Accident in a Fusion DEMO Plant. Energies 2023, 16, 2569. [Google Scholar] [CrossRef]
  12. Gauntt, R.O. MELCOR Computer Code Manuals-Reference Manual Version 2.0, 2008.
  13. Mascari, F.; Bersano, A.; Adorni, M.; D’Ovidio, G.; Martín-Fuertes, F.; Jin, X.Z.; Mazzini, G.; Gonfiotti, B.; Georgiev, G.; Leskovar, M.; et al. Current Status of MELCOR 2.2 for Fusion Safety Analyses. Fusion Eng. Des. 2023, 194, 113869. [Google Scholar] [CrossRef]
  14. Kynčl, M.; Antes, M.; Hrehor, M. Updated safety analyses of the LVR-15 research reactor. Bezpecnost Jaderne Energie 2019, 27, 18–28. [Google Scholar]
  15. US-NRC. Safety Evaluation Report Related to the Evaluation of Low-Enriched Uranium Silicide-Aluminum Dispersion Fuel for Use in Non-Power Reactors; US Nuclear Regulatory Commission (NRC): Washington, DC, USA, 1988.
  16. Marková, T.A.; Lomonaco, G.; Mazzini, G.; Ševeček, M. Assessment of Accident-Tolerant Fuel with FeCrAl Cladding Behavior Using MELCOR 2.2 Based on the Results of the QUENCH-19 Experiment. Energies 2023, 16, 2763. [Google Scholar] [CrossRef]
Figure 1. LVR-15 schematic diagram. 1. Vessel. 2. Separator. 3. Active zone. 4. Horizontal channel. 5. Control rod. 6. Upper lid. 7. Fix position ionization channel. 8. Moving position ionization channel. 9. Tray. 10. Downcomer pipe. 11. Measurement channel.
Figure 1. LVR-15 schematic diagram. 1. Vessel. 2. Separator. 3. Active zone. 4. Horizontal channel. 5. Control rod. 6. Upper lid. 7. Fix position ionization channel. 8. Moving position ionization channel. 9. Tray. 10. Downcomer pipe. 11. Measurement channel.
Energies 17 03384 g001
Figure 2. Schematic fuel rod tubes for LVR-15. Fuel-rod 8 tubes (left) and fuel-rod 6 tubes (right).
Figure 2. Schematic fuel rod tubes for LVR-15. Fuel-rod 8 tubes (left) and fuel-rod 6 tubes (right).
Energies 17 03384 g002
Figure 3. Beryllium block (left) and beryllium block with channel cross section (right).
Figure 3. Beryllium block (left) and beryllium block with channel cross section (right).
Energies 17 03384 g003
Figure 4. Water displacers cross sections. From left to right: Water displacer with irradiation channel: It is a pipe with an external diameter of 68 mm and internal diameter of 66 mm. Water displacer for irradiation channel: This water displacer has a simple geometry, consisting of two parallelepipeds of 70 mm by 28 mm, both centred, one horizontal and the other one vertical, plus a cylinder of 69 mm in diameter, filled with water. The remaining surfaces between these solids and the parallelepiped of 68 mm by 68 mm are made of aluminium. Displacer or displacer case: It is a full aluminium cylinder with a diameter of 54 mm used to reduce the water flow.
Figure 4. Water displacers cross sections. From left to right: Water displacer with irradiation channel: It is a pipe with an external diameter of 68 mm and internal diameter of 66 mm. Water displacer for irradiation channel: This water displacer has a simple geometry, consisting of two parallelepipeds of 70 mm by 28 mm, both centred, one horizontal and the other one vertical, plus a cylinder of 69 mm in diameter, filled with water. The remaining surfaces between these solids and the parallelepiped of 68 mm by 68 mm are made of aluminium. Displacer or displacer case: It is a full aluminium cylinder with a diameter of 54 mm used to reduce the water flow.
Energies 17 03384 g004
Figure 5. Schematic axial and cross section of the IC1.
Figure 5. Schematic axial and cross section of the IC1.
Energies 17 03384 g005
Figure 6. Schematic axial and cross section of the IC2.
Figure 6. Schematic axial and cross section of the IC2.
Energies 17 03384 g006
Figure 7. Schematic axial and cross section of the IC3.
Figure 7. Schematic axial and cross section of the IC3.
Energies 17 03384 g007
Figure 8. LVR-15 thermohydraulic nodalisation.
Figure 8. LVR-15 thermohydraulic nodalisation.
Energies 17 03384 g008
Figure 9. Axial and radial MELCOR core mesh.
Figure 9. Axial and radial MELCOR core mesh.
Energies 17 03384 g009
Figure 10. LVR-15 core configuration and MELCOR equivalent with 5 rings.
Figure 10. LVR-15 core configuration and MELCOR equivalent with 5 rings.
Energies 17 03384 g010
Table 1. LVR-15 technical parameters.
Table 1. LVR-15 technical parameters.
Reactor Vessel
Diameter [m]2.3
Height [m]5.76
Side-wall thickness [mm]150
Bottom-wall thickness [mm]200
Water volume in the vessel [m3]22
Weight (without water) [kg]7900
Operational Parameters
Maximal thermal power [MW]10
Maximal thermal neutron flux [n*cm2*s−1]1015
PressureAtmospheric
Temperature [K]Max. 329.15
Fuel
TypeIRT-4M tube sandwich-like type
Active length [mm]600
Cladding materialAl
Fuel core materialUO2 + Al
Enrichment [%U235]19.75
Power control
12 control rods, 3 groupsCompensation (8)
Safety (3)
Automatic regulator (1)
AbsorberB4C
Table 2. LVR-15 Campaign K221. Reference values.
Table 2. LVR-15 Campaign K221. Reference values.
ParameterValue
Power [MW]10
10Inlet water temperature [K]318.18
Outlet temperature [K]323.50
Reactor water flow [m3/s]0.44
Max. coolant speed inside (better at the exit) FA [m/s]0.44
Core pressure drop [Pa]36,000
Cladding temperature (hot 8 tubes) [K]353.72
Cladding temperature (hot 6 tubes) [K]348.64
Table 3. Steady-State results.
Table 3. Steady-State results.
ParameterValue%Error
Power [MW]10
Coolant speed (FL102) [m/s]3.60.27
Inlet water temperature [K]3190.26
Outlet temperature [K]3240.15
Fuel temperature R1 [K]329
Fuel temperature R2 [K]405
Fuel temperature R3 [K]404
Fuel temperature R4 (single assembly) [K]362
Cladding temperature R1 [K]329
Cladding temperature R2 [K]404
Cladding temperature R3 [K]404
Cladding temperature R4 (single assembly) [K]3622.34
Disclaimer/Publisher’s Note: The statements, opinions and data contained in all publications are solely those of the individual author(s) and contributor(s) and not of MDPI and/or the editor(s). MDPI and/or the editor(s) disclaim responsibility for any injury to people or property resulting from any ideas, methods, instructions or products referred to in the content.

Share and Cite

MDPI and ACS Style

Flores y Flores, A.; Mazzini, G.; Dambrosio, A. Development of a MELCOR Model for LVR-15 Severe Accidents Assessment. Energies 2024, 17, 3384. https://doi.org/10.3390/en17143384

AMA Style

Flores y Flores A, Mazzini G, Dambrosio A. Development of a MELCOR Model for LVR-15 Severe Accidents Assessment. Energies. 2024; 17(14):3384. https://doi.org/10.3390/en17143384

Chicago/Turabian Style

Flores y Flores, Alain, Guido Mazzini, and Antonio Dambrosio. 2024. "Development of a MELCOR Model for LVR-15 Severe Accidents Assessment" Energies 17, no. 14: 3384. https://doi.org/10.3390/en17143384

APA Style

Flores y Flores, A., Mazzini, G., & Dambrosio, A. (2024). Development of a MELCOR Model for LVR-15 Severe Accidents Assessment. Energies, 17(14), 3384. https://doi.org/10.3390/en17143384

Note that from the first issue of 2016, this journal uses article numbers instead of page numbers. See further details here.

Article Metrics

Back to TopTop