Neural Network Energy Management-Based Nonlinear Control of a DC Micro-Grid with Integrating Renewable Energies
Abstract
1. Introduction
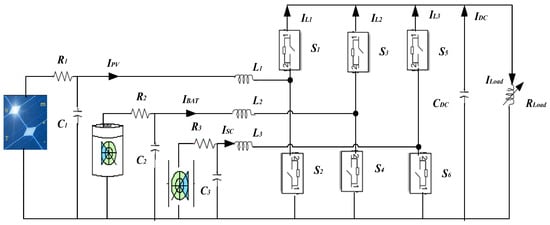
2. Components of DC Microgrid System
2.1. PV Energy System
2.2. Battery Storage System
2.3. Supercapacitor Storage System
3. Problem Formulation and System Modeling
3.1. System Modeling
3.2. Analysis of the DCMG System
3.2.1. Dynamical Behavior
3.2.2. Nonlinear Characteristics
3.2.3. Non-Minimum Phase Nature
3.3. Problem Formulation
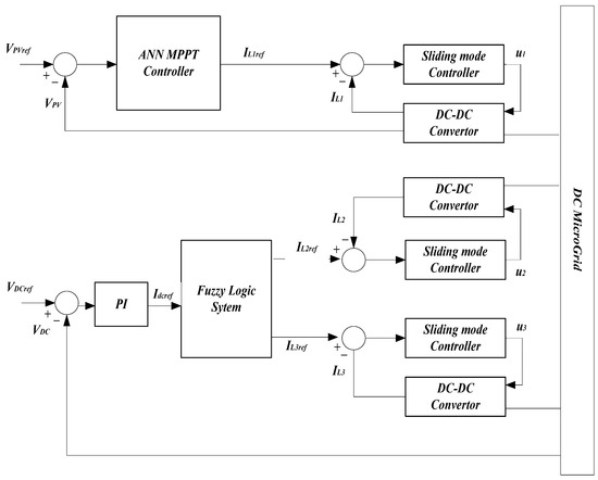
3.3.1. High-Level Control
3.3.2. Low-Level Control
4. MPPT for a PV Subsystem Using Artificial Neural Network
5. DC Microgrid Control and FLS Energy Management
5.1. Fuzzy Logic Energy Management System
- -
- If the storge reference currentIL2ref is Negative, then the PV generator will produce greater power than the load and the SoC of SC is greater that 95%, meaning the IL3ref must be null.
- -
- If the storge reference current IL2ref is positive, then the PV generator will fail to deliver sufficient power and the SoC of SC is 25%, meaning the IL3ref must be null.
- -
- If the Supercapacitor’s SoC exceeds 25%, the SC will start to discharge.
- -
- When the PV panels supply the power required by the load, the IDCref is zero.
- The SoC is represented by a low level of 25% (between 0 and 25%).
- The SoC is represented by a middling level of 25 to 95%.
- The SoC is represented at a high level of >95%.
5.2. PV Subsystem Controller
5.3. Design of the Battery’s Current Control
5.4. Control Law Design for Supercapacitor
6. Interconnected System Stability Analysis
7. Simulations Results
8. Conclusions
Author Contributions
Funding
Data Availability Statement
Acknowledgments
Conflicts of Interest
Nomenclature
| DG | Distributed Generation |
| RES | Energy Renewable Source |
| ESS | System Energy Storage |
| SoC | State of Charge |
| SMC | Sliding-ModeController |
| SF | Sliding Surface |
| SE | Solar Energy |
| DC | Direct Current |
| AC | Alternating Current |
| MG | Microgrid |
| DCMG | Direct Current Microgrid |
| MPPT | Maximum Power Point Tracking |
| SC | Supercapacitor |
| PWM | Pulse Width Modulation |
| PV | Photovoltaic |
| PI | Proportional Integral |
| FLS | Fuzzy Logic System |
| PWM | Pulse Width Modulation |
| ANN | Artificial Neural Network |
References
- Zeng, B.; Zhang, J.; Yang, X.; Wang, J.; Dong, J.; Zhang, Y. Integrated planning for transition to low-carbon distribution system with renewable energy generation and demand response. IEEE Trans. Power Syst. 2013, 29, 1153–1165. [Google Scholar] [CrossRef]
- Rahbar, K.; Chai, C.C.; Zhang, R. Energy cooperation optimization in microgrids with renewable energy integration. IEEE Trans. Smart Grid. 2016, 9, 1482–1493. [Google Scholar] [CrossRef]
- Loh, P.C.; Li, D.; Chai, Y.K.; Blaabjerg, F. Hybrid AC-DC microgrids with energy storages and progressive energy flow tuning. IEEE Trans. Power Electron. 2012, 28, 1533–1543. [Google Scholar] [CrossRef]
- Guerrero, J.M.; Chandorkar, M.; Lee, T.L.; Loh, P.C. Advanced control architectures for intelligent microgrids—Part I: Decentralized and hierarchical control. IEEE Trans. Ind. Electron. 2012, 60, 1254–1262. [Google Scholar] [CrossRef]
- Khorsandi, A.; Ashourloo, M.; Mokhtari, H.; Iravani, R. Automatic droop control for a low voltage DC microgrid. IET Gener. Transm. Distrib. 2016, 10, 41–47. [Google Scholar] [CrossRef]
- Bevrani, H.; Francois, B.; Ise, T. Microgrid Dynamics and Control, 1st ed.; John Wiley and Sons: Hoboken, NJ, USA, 2017. [Google Scholar]
- Nair, D.R.; Nair, M.G.; Thakur, T. A Smart Microgrid System with Artificial Intelligence for Power-Sharing and Power Quality Improvement. Energies 2022, 15, 5409. [Google Scholar] [CrossRef]
- Liu, J.; Zhang, W.; Rizzoni, G. Robust stability analysis of DC microgrids with constant power loads. IEEE Trans. Power Syst. 2017, 33, 851–860. [Google Scholar] [CrossRef]
- Li, X.; Guo, L.; Zhang, S.; Wang, C.; Li, Y.W.; Chen, A. Observer-based DC voltage droop and current feed-forward control of a DC microgrid. IEEE Trans. Smart Grid. 2017, 9, 5207–5216. [Google Scholar] [CrossRef]
- Etemadi, A.H.; Davison, E.J.; Iravani, R. A generalized decentralized robust control of islanded microgrids. IEEE Trans. Power Syst. 2014, 29, 3102–3113. [Google Scholar] [CrossRef]
- Kumar, M.; Srivastava, S.; Singh, S. Control strategies of a DC microgrid for grid connected and islanded operations. IEEE Trans. Smart Grid. 2015, 6, 1588–1601. [Google Scholar] [CrossRef]
- Babazadeh, M.; Karimi, H. A robust two-degree-of-freedom control strategy for an islanded microgrid. IEEE Trans. Power Deliv. 2013, 28, 1339–1347. [Google Scholar] [CrossRef]
- Du, Z.; Kao, Y.; Karimi, H.R.; Zhao, X. Interval type-2 fuzzy sampled-data H∞ control for nonlinear unreliable networked control systems. IEEE Trans. Fuzzy Syst. 2019, 28, 1434–1448. [Google Scholar] [CrossRef]
- Iovine, A.; Siad, S.B.; Damm, G.D.; Santis, E.; Benedetto, M.D. Nonlinear control of a DC microgrid for the integration of photovoltaic panels. IEEE Trans. Autom. Sci. Eng. 2017, 14, 524–535. [Google Scholar] [CrossRef]
- Hassan, M.A.; Li, E.p.; Li, X.T.; Li, C.; Duan, S. Adaptive passivity-based control of dc–dc buck power converter with constant power load in dc microgrid systems. IEEE J. Emerg. Sel. Top Power Electron. 2018, 7, 2029–2040. [Google Scholar] [CrossRef]
- Roy, T.K.; Mahmud, M.A.; AMT, O.; Haque, M.E.; Muttaqi, K.M.; Mendis, N. Nonlinear adaptive backstepping controller design for islanded DC microgrids. IEEE Trans. Ind. Appl. 2018, 54, 2857–2873. [Google Scholar] [CrossRef]
- Baghaee, H.R.; Mirsalim, M.; Gharehpetian, G.B.; Talebi, H.A. A decentralized power management and sliding mode control strategy for hybrid AC/DC microgrids including renewable energy resources. IEEE Trans. Ind. Inf. 2018, 99, 1–10. [Google Scholar] [CrossRef]
- Benchaib, A. Advanced Control of AC/DC Power Networks: System of Systems Approach Based on Spatio-Temporal Scales; Wiley-ISTE: London, UK, 2015. [Google Scholar]
- Kundur, P.; Paserba, J.; Ajjarapu, V.; Andersson, G.; Bose, A.; Canizares, C. Definition and classification of power system stability IEEE/CIGRE joint task force on stability terms and definitions. IEEE Trans. Power Syst. 2004, 19, 1387–1401. [Google Scholar]
- Siad, S.; Damm, G.; Dol, L.G.; Bernardinis, A. Design and control of a dc grid for railway stations. In Proceedings of the PCIM Europe 2017, International Exhibition and Conference for Power Electronics, Intelligent Motion, Renewable Energy and Energy Management, Nuremberg, Germany, 16–18 May 2017; pp. 1–8. [Google Scholar]
- Merdassi, A. Modellisation Automatique pour l’Electronique de Puissance; Editions Universitaires Européennes: Chisinau, Moldova, 2010. [Google Scholar]
- Bhatia, R.S.; Singh, B.; Jain, D.K.; Jain, S.P. Battery energy storage system based power conditioner for improved performance of hybrid power generation. In Proceedings of the Joint International Conference on Power System Technology and IEEE Power India Conference, New Delhi, India, 12–15 October 2008; pp. 1–6. [Google Scholar]
- Jouili, K.; Adel, M. Nonlinear Lyapunov control of a photovoltaic water pumping system. Energies 2023, 16, 2241. [Google Scholar] [CrossRef]
- Tse, C.K.; Bernardo, M.D. Complex behavior in switching power converters. Proc. IEEE. 2002, 90, 768–781. [Google Scholar] [CrossRef]
- Jouili, K.; Benhadj Braiek, N. A gradient descent control for output tracking of a class of non-minimum phase nonlinear systems. JART J. Appl. Res. Technol. 2016, 14, 383–395. [Google Scholar] [CrossRef]
- Moreno, J.A.; Osorio, M. A Lyapunov approach to second-order sliding mode controllers and observers. In Proceedings of the 2008 47th IEEE Conference on Decision and Control, Cancun, Mexico, 9–11 December 2008; pp. 2856–2861. [Google Scholar]
- Jouili, K.; Belhadj, W. Robust stabilization for uncertain non-minimum phase switched nonlinear System under arbitrary switchings. Symmetry 2023, 15, 596. [Google Scholar] [CrossRef]
- Jouili, K.; Jerbi, H.; Braiek, B.N. An advanced fuzzy Logic gain scheduling trajectory control for nonlinear systems. JPC J. Process Control 2010, 20, 426–440. [Google Scholar] [CrossRef]















| G (w/m2) | T(°C) | VC1ref(V) | |
|---|---|---|---|
| Trained | Simulated Value | ||
| 640 | 21 | 294.2523 | 293.385 |
| 700 | 26 | 287.681 | 286.163 |
| 500 | 31.6 | 280.308 | 281.629 |
| 900 | 37.4 | 272.673 | 270.944 |
| 1000 | 42 | 266.610 | 266.713 |
| 855 | 36 | 274.654 | 273.496 |
| 740 | 33 | 278.496 | 278.911 |
| 615 | 30 | 282.472 | 281.911 |
| 515 | 27.2 | 286.177 | 287.385 |
| 445 | 25 | 289.085 | 288.219 |
| SoCba | ||||
|---|---|---|---|---|
| Low | Medium | High | ||
| Idcref | N | P | P | N |
| P | N | P | P | |
| SoCsc | ||||
|---|---|---|---|---|
| Low | Medium | High | ||
| Idcref | N | P | P | N |
| P | N | P | P | |
| SoCsc | ||||
|---|---|---|---|---|
| Low | Medium | High | ||
| Idcref′ | N | P | P | N |
| P | N | P | P | |
| R02,R04,R06 | 45 mΩ |
| R01,R03,R05 | 44 mΩ |
| R1,R2,R3 | 14 mΩ |
| C1,C2,C3 | 4700 μF |
| CDC | 1500 μF |
| L1,L2,L3 | 100 μH |
Disclaimer/Publisher’s Note: The statements, opinions and data contained in all publications are solely those of the individual author(s) and contributor(s) and not of MDPI and/or the editor(s). MDPI and/or the editor(s) disclaim responsibility for any injury to people or property resulting from any ideas, methods, instructions or products referred to in the content. |
© 2024 by the authors. Licensee MDPI, Basel, Switzerland. This article is an open access article distributed under the terms and conditions of the Creative Commons Attribution (CC BY) license (https://creativecommons.org/licenses/by/4.0/).
Share and Cite
Jouili, K.; Jouili, M.; Mohammad, A.; Babqi, A.J.; Belhadj, W. Neural Network Energy Management-Based Nonlinear Control of a DC Micro-Grid with Integrating Renewable Energies. Energies 2024, 17, 3345. https://doi.org/10.3390/en17133345
Jouili K, Jouili M, Mohammad A, Babqi AJ, Belhadj W. Neural Network Energy Management-Based Nonlinear Control of a DC Micro-Grid with Integrating Renewable Energies. Energies. 2024; 17(13):3345. https://doi.org/10.3390/en17133345
Chicago/Turabian StyleJouili, Khalil, Mabrouk Jouili, Alsharef Mohammad, Abdulrahman J. Babqi, and Walid Belhadj. 2024. "Neural Network Energy Management-Based Nonlinear Control of a DC Micro-Grid with Integrating Renewable Energies" Energies 17, no. 13: 3345. https://doi.org/10.3390/en17133345
APA StyleJouili, K., Jouili, M., Mohammad, A., Babqi, A. J., & Belhadj, W. (2024). Neural Network Energy Management-Based Nonlinear Control of a DC Micro-Grid with Integrating Renewable Energies. Energies, 17(13), 3345. https://doi.org/10.3390/en17133345

