Frequency Modulation Control of Grid-Forming Converter Based on LADRC-MI
Abstract
1. Introduction
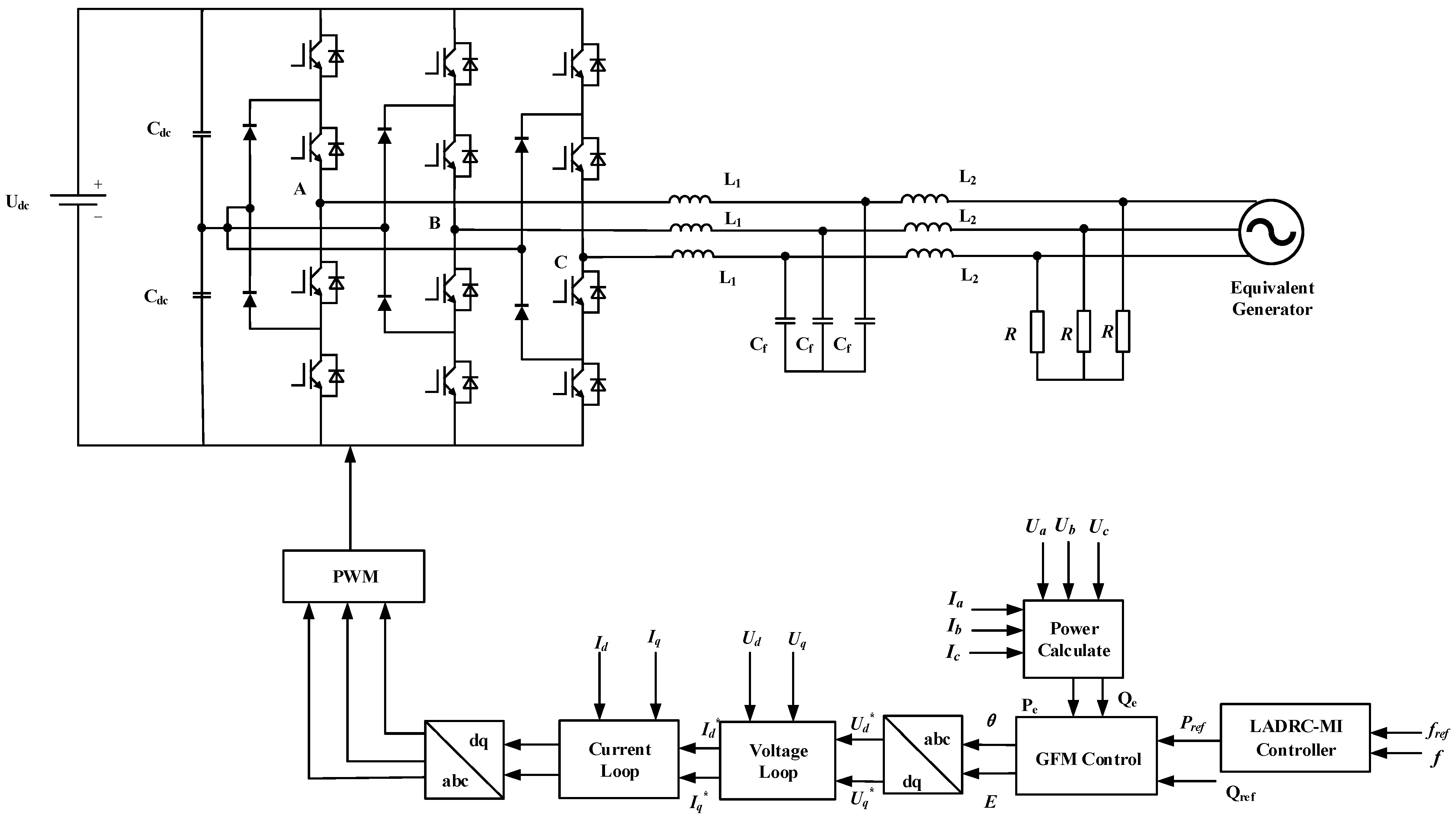
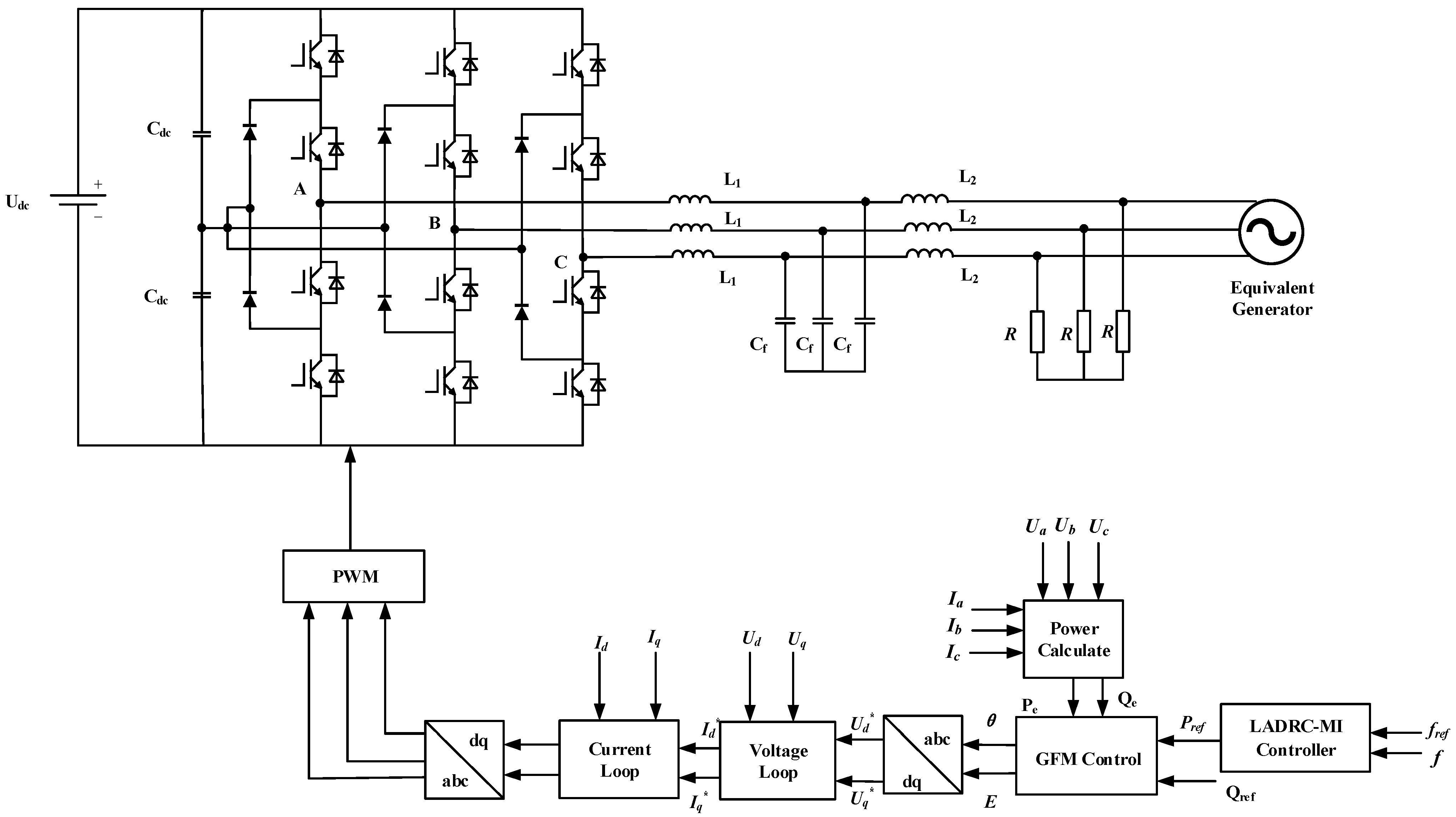
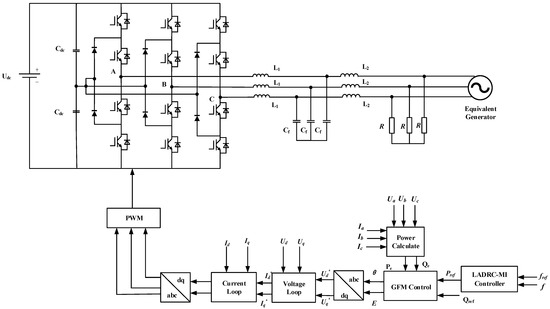
2. GFM Power Generation System Model
3. GFM Control Model
3.1. GFM Controller Model
3.2. Receiving Grid Equivalent Model
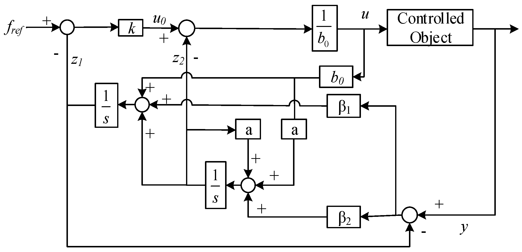
4. Linear Active Disturbance Rejection Frequency Control Design Considering Model Information
4.1. Design of Linear Extended State Observer
4.2. Design of Linear Extended State Observer Combined with Model Information
4.3. Feedback Control Law Design
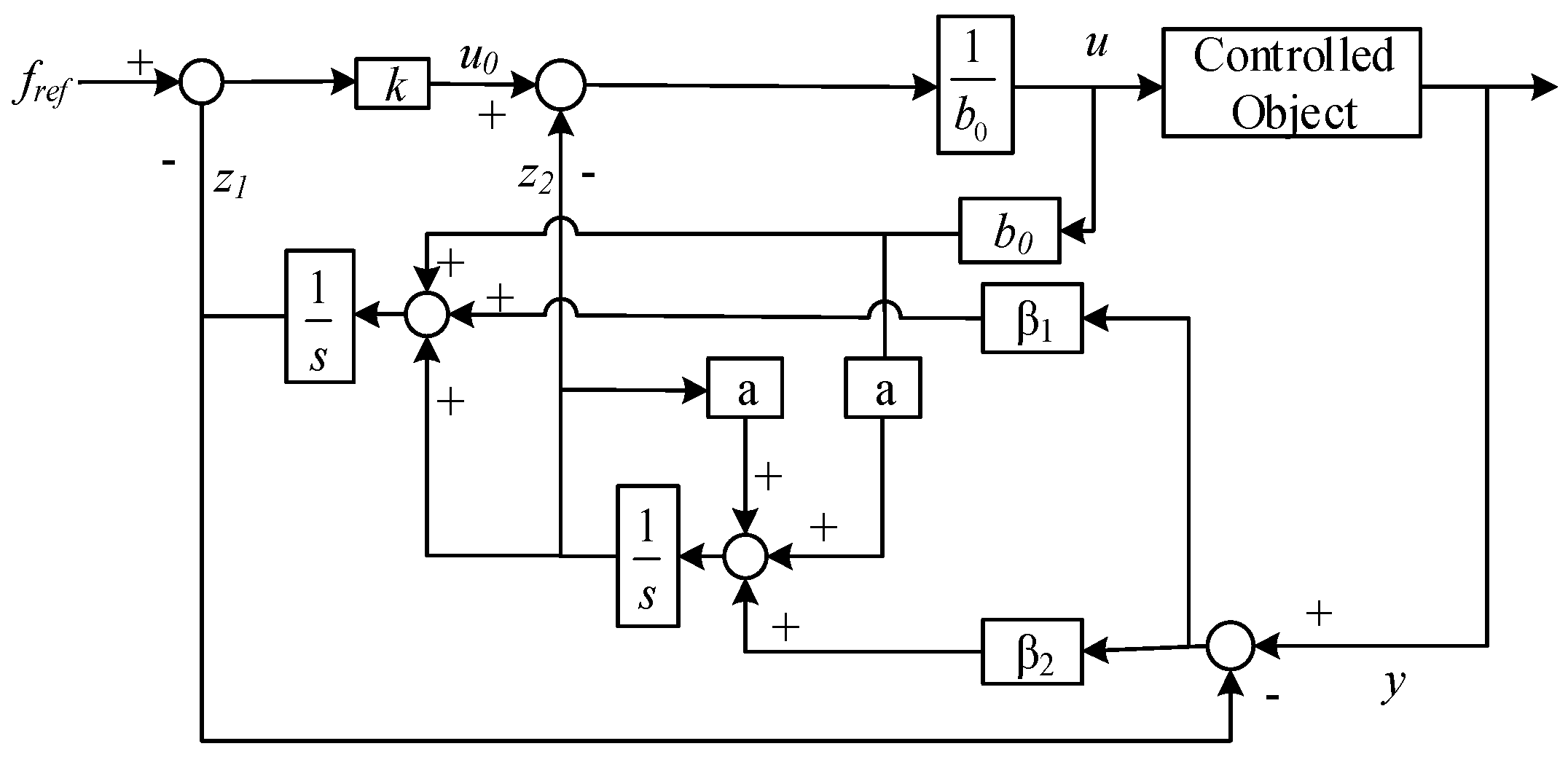
4.4. Control Structure of LADRC-MI Combined with GFM
5. Stability and Dynamic Performance Analysis of LADRC-MI
5.1. Stability Analysis of LADRC-MI
5.2. Anti-Disturbance Performance Analysis of LADRC-MI
6. Simulation Verification and Analysis
6.1. Analysis of Immunity Performance
- Working condition 1:
- Working condition 2:
- Working condition 3:
6.2. Robustness Analysis under the Change of Moment of Inertia
7. Conclusions
Author Contributions
Funding
Data Availability Statement
Conflicts of Interest
Nomenclature
| Symbol | Parameter | Symbol | Parameter |
| Udc | DC-link voltage | G | Turbine valve position |
| Cdc | DC-link capacitance | Hg | Inertia time constant |
| L1 | Grid-side filter inductance | Dg | Damping coefficient |
| Cf | Grid-side filter capacitance | Ta | Turbine time constant |
| L2 | Grid-side filter inductance | Tg | Governor time constant |
| PN | Inverter rated power | KG | Primary frequency modulation coefficient. |
| Pm | Generator mechanical power | Pl | Load power |
| PG | Generator electromagnetic power | ωg | Grid frequency |
| fsw | Switching frequency | fref | Control command value |
| Ua, Ub, Uc | Inverter output voltage | u | LADRC controller output |
| Ia, Ib, Ic | Inverter output current | y | Sampling value of controlled object |
| Pe, Qe | Inverter output power | b0 | Controller gain |
| Pref, Qref | Command value of inverter output power | k | Controller gain |
| Id, Iq | The dq component of the inverter output current | a | Controller components |
| Ud, Uq | The dq component of the inverter output voltage | β1 | LESO adjustment parameters |
| θ | The angle generated by GFM | β2 | LESO adjustment parameters |
| Em | Voltage amplitude generated by GFM | J | Inertia time constant |
| ω | GFM generated angular frequency | D | Damping coefficient |
| ω0 | Initial angular frequency | Id*,Iq* | Reference value of dq component of the inverter output current |
| Ud*,Uq* | Reference value of dq component of the inverter output voltage |
References
- Sharma, D.; Sadeque, F.; Mirafzal, B. Synchronization of inverters in grid forming mode. IEEE Access 2022, 10, 41341–41351. [Google Scholar] [CrossRef]
- Harnefors, L.; Kukkola, J.; Routimo, M.; Hinkkanen, M.; Wang, X. A universal controller for grid-connected voltage-source converters. IEEE J. Emerg. Sel. Top. Power Electron. 2021, 9, 5761–5770. [Google Scholar] [CrossRef]
- Zhong, W.; Zhou, Y.; Wang, Z. Analysis of Safe and Stable Operation of New Power System. Hunan Electr. Power 2022, 42, 29–34. [Google Scholar]
- Li, G.; Liu, X.; Xin, Y. Review on Frequency Stability of power systems with high proportion of new energy. High Volt. Technol. 2024, 50, 1165–1181. [Google Scholar]
- Sadeque, F.; Sharma, D.; Mirafzal, B. Seamless grid-following to gridforming transition of inverters supplying a microgrid. In Proceedings of the 2023 IEEE Applied Power Electronics Conference and Exposition (APEC), Orlando, FL, USA, 19–23 March 2023; pp. 594–599. [Google Scholar]
- Liu, J.; Miura, Y.; Bevrani, H.; Ise, T. Enhanced Virtual Synchronous Generator Control for Parallel Inverters in Microgrids. IEEE Trans. Smart Grid 2017, 8, 2268–2277. [Google Scholar] [CrossRef]
- Rathnayake, D.B. Grid Forming Inverter Modeling, Control, and Applications. IEEE Access 2021, 9, 114781–114807. [Google Scholar] [CrossRef]
- Lasseter, R.H.; Chen, Z.; Pattabiraman, D. Grid-Forming Inverters: A Critical Asset for the Power Grid. IEEE J. Emerg. Sel. Top. Power Electron. 2020, 8, 925–935. [Google Scholar] [CrossRef]
- Li, Y.; Tian, Z.; Tang, Y. Stability analysis of small signal in isolated island microgrid considering interaction between GFM and GFL inverters. Power Autom. Equip. 2022, 42, 11–18. [Google Scholar]
- Tayyebi, A.; Grob, D.; Anta, A. Frequency stability of synchronous machines and grid-forming power converters. IEEE J. Emerg. Sel. Top. Power Electron. 2020, 8, 1004–1008. [Google Scholar] [CrossRef]
- Chen, W.; Xin, W.; Cheng, Z. Optical storage grid-connected power generation Control Technology Based on Virtual Synchronous Generator. Trans. China Electrotech. Soc. 2018, 33, 538–545. [Google Scholar]
- Ji, Y.; Su, J.; Ding, B. Off-grid switching and Fault Handling of micro-grid inverter VSG. Control Eng. 2021, 28, 1496–1504. [Google Scholar]
- Zhu, Z.; Zhang, C.; Zeng, X. Research on VSG Control Strategy of Microgrid Inverter Based on integral Compensation. Control Eng. 2021, 28, 979–983. [Google Scholar]
- Wang, Y.; Liu, B.; Duan, S. Transient performance comparison of modified VSG controlled grid-tied converter. In Proceedings of the 2019 IEEE Applied Power Electronics Conference and Exposition (APEC), Anaheim, CA, USA, 17–21 March 2019; pp. 3300–3303. [Google Scholar]
- Huang, L.B.; Xin, H.H.; Wang, Z. Transient stability analysis and control design of droop-controlled voltage source converters considering current limitation. IEEE Trans. Smart Grid 2019, 10, 578–591. [Google Scholar] [CrossRef]
- Sadeque, F.; Mirafzal, B. Frequency restoration of grid-forming inverters in pulse load and plug-in events. IEEE J. Emerg. Sel. Top. Ind. Electron. 2023, 4, 580–588. [Google Scholar] [CrossRef]
- Yu, J.; Sun, W.; Yu, J. Virtual synchronous Generator Control of grid-connected Inverter Based on Inertial Adaptive. Power Syst. Prot. Control 2022, 50, 137–144. [Google Scholar]
- Gursoy, M.; Mirafzal, B. Direct vs. indirect control schemes for gridforming inverters–Unveiling a performance comparison in a microgrid. IEEE Access 2023, 11, 75023–75036. [Google Scholar] [CrossRef]
- Zhu, J.; Wang, X.; Yu, L. Inertia and Damping Simulation control Strategy for Interconnected Asynchronous Power Grid VSC-HVDC. Proc. CSEE 2022, 42, 8089–8103. [Google Scholar]
- Saleem, M.; Choi, K.Y.; Kim, R.Y. Resonance damping for an LCL filter type grid-connected inverter with active disturbance rejection control under grid impedance uncertainty. Int. J. Electr. Power Energy Syst. 2019, 109, 444–454. [Google Scholar] [CrossRef]
- Chen, W.; Yang, J.; Guo, L. Disturbance-observer-based control and related methods-an overview. IEEE Trans. Ind. Electron. 2016, 63, 1083–1095. [Google Scholar] [CrossRef]
- Han, J. From PID to active disturbance rejection control. IEEE Trans. Ind. Electron. 2009, 56, 900–906. [Google Scholar] [CrossRef]
- Zhong, Q.-C.; Weiss, G. Synchronverters: Inverters that mimic synchronous generators. IEEE Trans. Ind. Electron. 2011, 58, 1259–1267. [Google Scholar] [CrossRef]
- Tao, L.; Wang, P.; Ma, X.; Wang, Y.; Zhou, X. Variable Form LADRC-Based Robustness Improvement for Electrical Load Interface in Microgrid: A Disturbance Response Perspective. IEEE Trans. Ind. Inform. 2024, 20, 432–441. [Google Scholar] [CrossRef]
- Kong, F.; Li, X.; Wu, J. Load frequency Control based on Nichols PID design method. Proc. CSEE 2012, 32, 79–85. [Google Scholar]













| Symbol | Parameter | Value |
|---|---|---|
| DC-link voltage | 800 V | |
| DC-link capacitance | 4.7 mF | |
| Grid-side filter inductance | 17 mH | |
| Grid-side filter capacitance | 1 μF | |
| Grid-side filter inductance | 0.1 mH | |
| Inverter rated power | 10,000 W | |
| Generator mechanical power | 101,365 W | |
| Generator electromagnetic power | 100,000 W | |
| Switching frequency | 10 kHz |
| Symbol | Parameter | Value |
|---|---|---|
| D | damping factor | 5.066 |
| J | rotational inertia | 0.2 |
| LADRC-MI controller bandwidth | 800 | |
| LESO bandwidth | 2300 |
Disclaimer/Publisher’s Note: The statements, opinions and data contained in all publications are solely those of the individual author(s) and contributor(s) and not of MDPI and/or the editor(s). MDPI and/or the editor(s) disclaim responsibility for any injury to people or property resulting from any ideas, methods, instructions or products referred to in the content. |
© 2024 by the authors. Licensee MDPI, Basel, Switzerland. This article is an open access article distributed under the terms and conditions of the Creative Commons Attribution (CC BY) license (https://creativecommons.org/licenses/by/4.0/).
Share and Cite
Liu, Z.; Li, F.; Yang, P.; Lin, X.; Zhang, G. Frequency Modulation Control of Grid-Forming Converter Based on LADRC-MI. Energies 2024, 17, 3282. https://doi.org/10.3390/en17133282
Liu Z, Li F, Yang P, Lin X, Zhang G. Frequency Modulation Control of Grid-Forming Converter Based on LADRC-MI. Energies. 2024; 17(13):3282. https://doi.org/10.3390/en17133282
Chicago/Turabian StyleLiu, Zejian, Fengneng Li, Ping Yang, Xu Lin, and Guozun Zhang. 2024. "Frequency Modulation Control of Grid-Forming Converter Based on LADRC-MI" Energies 17, no. 13: 3282. https://doi.org/10.3390/en17133282
APA StyleLiu, Z., Li, F., Yang, P., Lin, X., & Zhang, G. (2024). Frequency Modulation Control of Grid-Forming Converter Based on LADRC-MI. Energies, 17(13), 3282. https://doi.org/10.3390/en17133282
