Investigating Performance of Hybrid Photovoltaic–Thermal Collector for Electricity and Hot Water Production in Nigeria
Abstract
1. Introduction
1.1. Temperature Effects on Photovoltaic Panels
1.2. Cooling Techniques
2. Methodology
2.1. Numerical Model of Photovoltaic–Thermal System
- A steady state condition is considered.
- The sky acts as a black body for longer wavelength radiation.
- All the thermal and fluid properties are taken as constant.
- No heat transfer takes place from the edges and bottom of the PVT system.
- The fluid flow is uniform and laminar.
- There is perfect contact between PVT components.
2.1.1. Energy Equations at the Glass Layer
2.1.2. PV Cell Energy Equations
2.1.3. Tedlar Energy Equations
2.1.4. Absorber Energy Equations
2.1.5. Fluid Energy Equations
2.2. Electrical and Thermal Performance
2.2.1. Electrical Power Outputs
2.2.2. Thermal Power Outputs
2.2.3. The Total Output and the Total Efficiency of PVT System
2.3. PVT System Design and Description
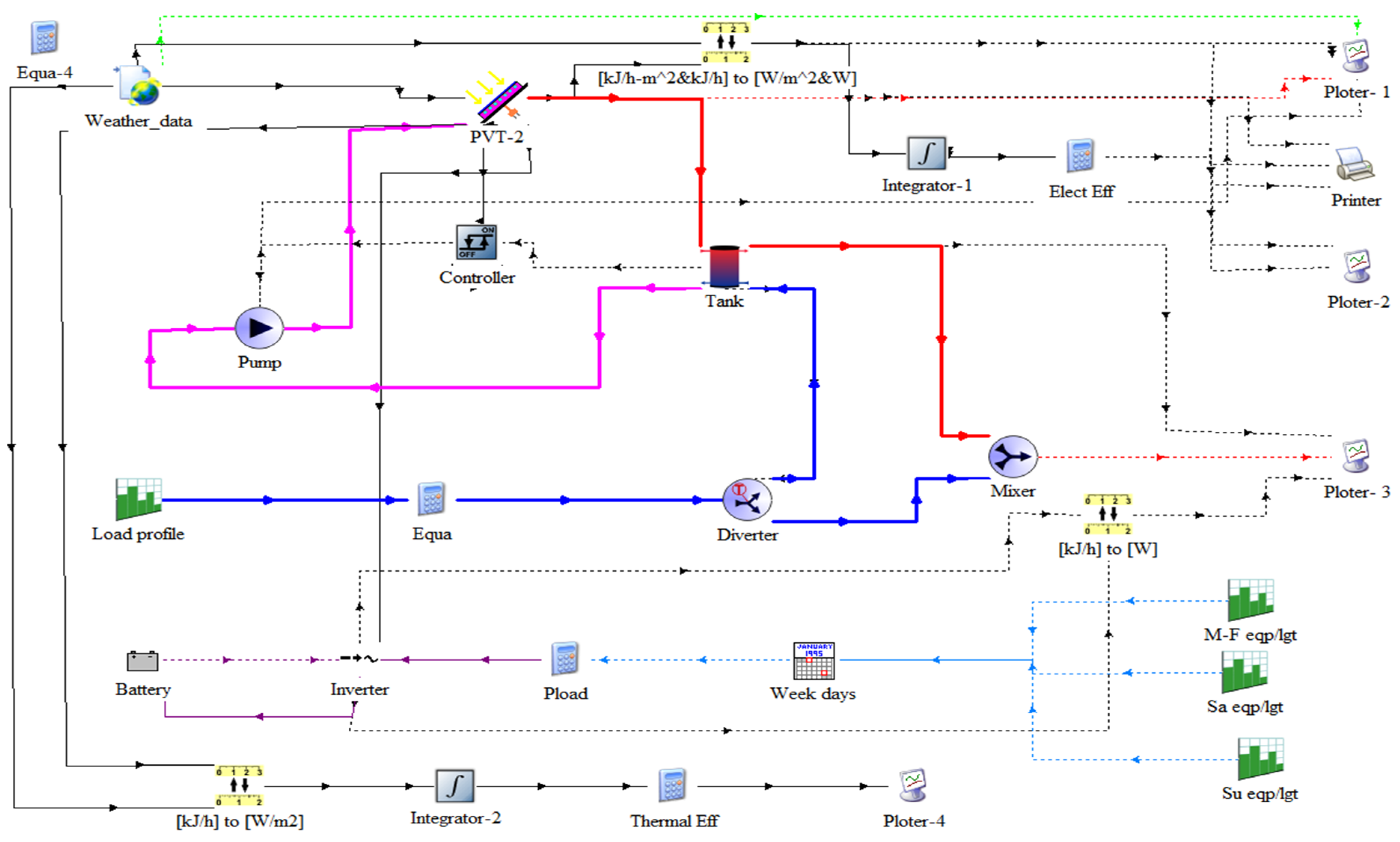
TRNSYS Simulation Model
3. Simulation Results and Analysis
3.1. Solar Radiation, Ambient Temperature, and Wind Speed of the Three Locations in Nigeria
3.2. Electrical Power Outputs of the System
3.3. Thermal Output
3.4. Electrical Efficiency
3.5. Thermal Efficiency
3.6. Outlet Fluid Temperature from PVT System
3.7. PV Cell Temperature
3.8. The Comparative Performance Evaluation of a Conventional PV Panel and the PVT Design
3.9. Power Consumed by the Pump in Pumping Water to Cool PVT System in a Day
4. Conclusions
- The power output increased by 2.62% with the hybrid PVT system.
- The cooling system helped in decreasing the PV panel surface temperature by 22.07%.
- The electrical efficiency of PVT increased by 7.29%.
- The overall efficiency of PVT was 75.46% as against the conventional PV panel that only performed at a maximum efficiency of 20%.
Author Contributions
Funding
Data Availability Statement
Conflicts of Interest
Nomenclature and Abbreviations
| T | Temperature [°C] | Scripts | |
| C | Specific heat capacity [KJ/kg.°C] | g | Glass |
| hc,j,k | Conductive heat transfer coefficient in layer j and k [W/m2K] | sky | Sky |
| hr,j,k | Radiative heat transfer coefficient in layer j and k [W/m2K] | gr | Ground |
| Hv,j,k | Convective heat transfer coefficient in layer j and k [W/m2K] | a | Ambient |
| PF | Packing factor | Photovoltaic | |
| Fj,k | View factor in layer j and k | Tedlar | |
| A | Area [m2] | Higher absorber plate | |
| w | Wind speed [m/s] | Lower absorber plate | |
| G | Solar radiation [W/m2] | Fluid | |
| PC | Percentage of collector occupied by tubes | Absorber plate | |
| Nu | Nusselt number | Natural convection | |
| Mass flow rate [kg/s] | Radiation | ||
| Quantity of thermal supply [kJ/s.K] | Convection | ||
| Mass flow rate of load [kg/s] | Conduction | ||
| Heat loss coefficient of tank [W/m2 K] | Inlet | ||
| External surface of the tank [m2] | Outlet | ||
| Average tank temperature [°C] | Reference | ||
| Ambient temperature [°C] | Electrical | ||
| Temperature of supply water from mains [°C] | Thermal | ||
| Effectiveness of heat exchanger | Tank | ||
| STCs | Standard test conditions | Force convection | |
| Electrical power [W] | Greek symbols | ||
| Thermal power [W] | Density [kg/m3] | ||
| Overall power output of PVT [W] | Thickness [m] | ||
| Temperature entering the collector [°C] | Absorptivity | ||
| Temperature leaving the collector [°C] | Stefan–Boltzmann constant | ||
| Prandtl number | Emissivity | ||
| Rayleigh number | Transmissivity | ||
| Average fluid temperature inside PVT panel [°C] | Electrical efficiency | ||
| Wind speed at back of collector [m/s] | Reference efficiency | ||
| Temperature coefficient | |||
| Thermal efficiency | |||
| Overall efficiency | |||
| Tilt angle |
References
- Oparaku, O.U.; Agbo, S.N.; Oparaku, O.U. Positive and Future Prospects of Solar Water Heating in Nigeria. 2006. Available online: https://www.researchgate.net/publication/228730985 (accessed on 23 November 2022).
- Michael, J.J.; Iniyan, S.; Goic, R. Flat Plate Solar Photovoltaic-thermal (PV/T) systems: A reference guide. Renew. Sustain. Energy Rev. 2015, 51, 62–88. [Google Scholar] [CrossRef]
- Amelia, A.R.; Irwan, Y.M.; Leow, W.Z.; Irwanto, M.; Safwati, I.; Zhafarina, M. Investigation of the Effect Temperature on Photovoltaic (PV) Panel Output Performance. Int. J. Adv. Sci. Eng. Inf. Technol. 2016, 6, 682–688. [Google Scholar]
- Hasan, K.; Yousuf, S.B.; Tushar, M.S.H.K.; Das, B.K.; Das, P.; Islam, M.S. Effects of Different Environmental and Operational Factors on the PV Performance: A comprehensive review. Energy Sci. Eng. 2022, 10, 656–675. [Google Scholar] [CrossRef]
- Sawadogo, W.; Abiodun, B.J.; Okogbue, E.C. Impacts of Global Warming on Photovoltaic Power Generation over West Africa. Renew Energy 2020, 151, 263–277. [Google Scholar] [CrossRef]
- Poulek, V.; Matuška, T.; Libra, M.; Kachalouski, E.; Sedláček, J. Influence of Increased Temperature on Energy Production of Roof Integrated PV Panels. Energy Build 2018, 166, 418–425. [Google Scholar] [CrossRef]
- Karakilic, A.N.; Karafil, A.; Genc, N. Effects of Temperature and Solar Irradiation on Performance of Monocrystalline, Polycrystalline and Thin-film PV Panels. Int. J. Tech. Phys. Probl. Eng. (IJTPE) Issue 2022, 51, 254–260. Available online: www.iotpe.com (accessed on 7 December 2023).
- Al-Ghezi, M.K.S.; Ahmed, R.T.; Chaichan, M.T. The Influence of Temperature and Irradiance on Performance of the Photovoltaic Panel in the Middle of Iraq. Int. J. Renew. Energy Dev. 2022, 11, 501–513. [Google Scholar] [CrossRef]
- Idzkowski, A.; Walendziuk, W.; Borawski, W. Analysis of the Temperature Impact on the Performance of Photovoltaic Panel. In Photonics Applications in Astronomy, Communications, Industry, and High-Energy Physics Experiments 2015; SPIE: Wilga, Poland, 2015; p. 96620J. [Google Scholar] [CrossRef]
- Kumar, M.S.; Balasubramanian, K.R.; Maheswari, L. Effect of Temperature on Solar Photovoltaic Panel Efficiency. Int. J. Eng. Adv. Technol. 2019, 8, 2593–2595. [Google Scholar] [CrossRef]
- Joshi, S.S.; Dhoble, A.S. Photovoltaic-Thermal Systems (PVT): Technology Review and Future Trends. Renew. Sustain. Energy Rev. 2018, 92, 848–882. [Google Scholar] [CrossRef]
- Al Tarabsheh, A.; Etier, I.; Fath, H.; Ghazal, A.; Morci, Y.; Asad, M.; El Haj, A. Performance of Photovoltaic Cells in Photovoltaic Thermal (PVT) Modules. IET Renew. Power Gener. 2016, 10, 1017–1023. [Google Scholar] [CrossRef]
- Al Tarabsheh, A.; Voutetakis, S.; Papadopoulos, A.I.; Seferlis, P.; Etier, I.; Saraereh, O. Investigation of Temperature Effects in Efficiency Improvement of Non-Uniformly Cooled Photovoltaic Cells. In Chemical Engineering Transactions; Italian Association of Chemical Engineering—AIDIC: Palermo, Italy, 2013; pp. 1387–1392. [Google Scholar] [CrossRef]
- Sardouei, M.M.; Mortezapour, H.; Naeimi, K.J. Temperature Distribution and Efficiency Assessment of Different PVT Water Collector Designs. Sādhanā 2018, 43, 1–13. [Google Scholar] [CrossRef]
- Asim, M.; Milano, J.; Khan, H.I.; Hanzla Tahir, M.; Mujtaba, M.A.; Shamsuddin, A.H.; Abdullah, M.; Kalam, M.A. Investigation of Mono-Crystalline Photovoltaic Active Cooling Thermal System for Hot Climate of Pakistan. Sustainability 2022, 14, 10228. [Google Scholar] [CrossRef]
- Ahmadinejad, M.; Soleimani, A.; Gerami, A. Performance enhancement of a photovoltaic Thermal (PVT) System with Sinusoidal Fins: A Quasi-Transient Energy-Exergy Analysis. Int. J. Green Energy 2023, 20, 978–996. [Google Scholar] [CrossRef]
- Bhat, A.Y.; Qayoum, A. Synergistic Impact of Tube Configuration and Working Fluid on Photovoltaic-Thermal System Performance. Renew. Energy 2023, 207, 205–217. [Google Scholar] [CrossRef]
- Adun, H.; Ishaku, H.P.; Titus, O.A.; Shefik, A. 3-E Feasibility Analysis on Photovoltaic/Thermal Application for Residential Buildings: A Case Study of Sub-Saharan Africa. Energy Sources Part A Recovery Util. Environ. Eff. 2022, 44, 9901–9919. [Google Scholar] [CrossRef]
- Maoulida, F.; Djedjig, R.; Kassim, M.A.; El Ganaoui, M. Numerical Study for the Evaluation of the Effectiveness and Benefits of Using Photovoltaic-Thermal (PV/T) System for Hot Water and Electricity Production under a Tropical African Climate: Case of Comoros. Energies 2023, 16, 240. [Google Scholar] [CrossRef]
- El Fouas, C.; Hajji, B.; Gagliano, A.; Tina, G.M.; Aneli, S. Numerical Model and Experimental Validation of the Electrical and Thermal Performances of Photovoltaic/Thermal Plant. Energy Convers. Manag. 2020, 220, 112939. [Google Scholar] [CrossRef]
- Muhumuza, R.; Zacharopoulos, A.; Mondol, J.D.; Smyth, M.; Pugsley, A. Meeting Energy Needs of Low-Income Sub-Saharan Households with a Partially Hybridised Solar Technology (PHST): Experimental Performance Evaluation Based on Simulated Solar Radiation and Demand Profiles. In Sustainable Energy Technologies and Assessments; Elsevier Ltd.: Amsterdam, The Netherlands, 2021. [Google Scholar] [CrossRef]
- Fu, H.; Li, G.; Li, F. Performance Comparison of Photovoltaic/Thermal Solar Water Heating Systems with Direct-coupled Photovoltaic Pump, Traditional Pump and Natural Circulation. Renew. Energy 2019, 136, 463–472. [Google Scholar] [CrossRef]












| Parameters | Quantity |
|---|---|
| Peak power (Pm) | 250 Wp |
| Maximum voltage (Vm) | 30.1 V |
| Maximum current (Im) | 8.3 A |
| Open circuit voltage (Voc) | 37.2 V |
| Short circuit current (Isc) | 8.87 A |
| Module efficiency | 15% |
| Module dimensions | 1638 mm × 982 mm |
| Panel type | Polycrystalline; FT250Cs |
| Radiation at reference | 1000 W/m2 |
| Ambient Temperature | 25 °C |
| Weight | 27.6 Kg |
Disclaimer/Publisher’s Note: The statements, opinions and data contained in all publications are solely those of the individual author(s) and contributor(s) and not of MDPI and/or the editor(s). MDPI and/or the editor(s) disclaim responsibility for any injury to people or property resulting from any ideas, methods, instructions or products referred to in the content. |
© 2024 by the authors. Licensee MDPI, Basel, Switzerland. This article is an open access article distributed under the terms and conditions of the Creative Commons Attribution (CC BY) license (https://creativecommons.org/licenses/by/4.0/).
Share and Cite
Awai, K.R.; King, P.; Patchigolla, K.; Jain, S.M. Investigating Performance of Hybrid Photovoltaic–Thermal Collector for Electricity and Hot Water Production in Nigeria. Energies 2024, 17, 2776. https://doi.org/10.3390/en17112776
Awai KR, King P, Patchigolla K, Jain SM. Investigating Performance of Hybrid Photovoltaic–Thermal Collector for Electricity and Hot Water Production in Nigeria. Energies. 2024; 17(11):2776. https://doi.org/10.3390/en17112776
Chicago/Turabian StyleAwai, Kar R., Peter King, Kumar Patchigolla, and Sagar M. Jain. 2024. "Investigating Performance of Hybrid Photovoltaic–Thermal Collector for Electricity and Hot Water Production in Nigeria" Energies 17, no. 11: 2776. https://doi.org/10.3390/en17112776
APA StyleAwai, K. R., King, P., Patchigolla, K., & Jain, S. M. (2024). Investigating Performance of Hybrid Photovoltaic–Thermal Collector for Electricity and Hot Water Production in Nigeria. Energies, 17(11), 2776. https://doi.org/10.3390/en17112776

