Overview of Isolated Bidirectional DC–DC Converter Topology and Switching Strategies for Electric Vehicle Applications
Abstract
1. Introduction
2. Topological Classification of IBDC
2.1. PWM-Type Isolated Bidirectional DC–DC Converter Topology
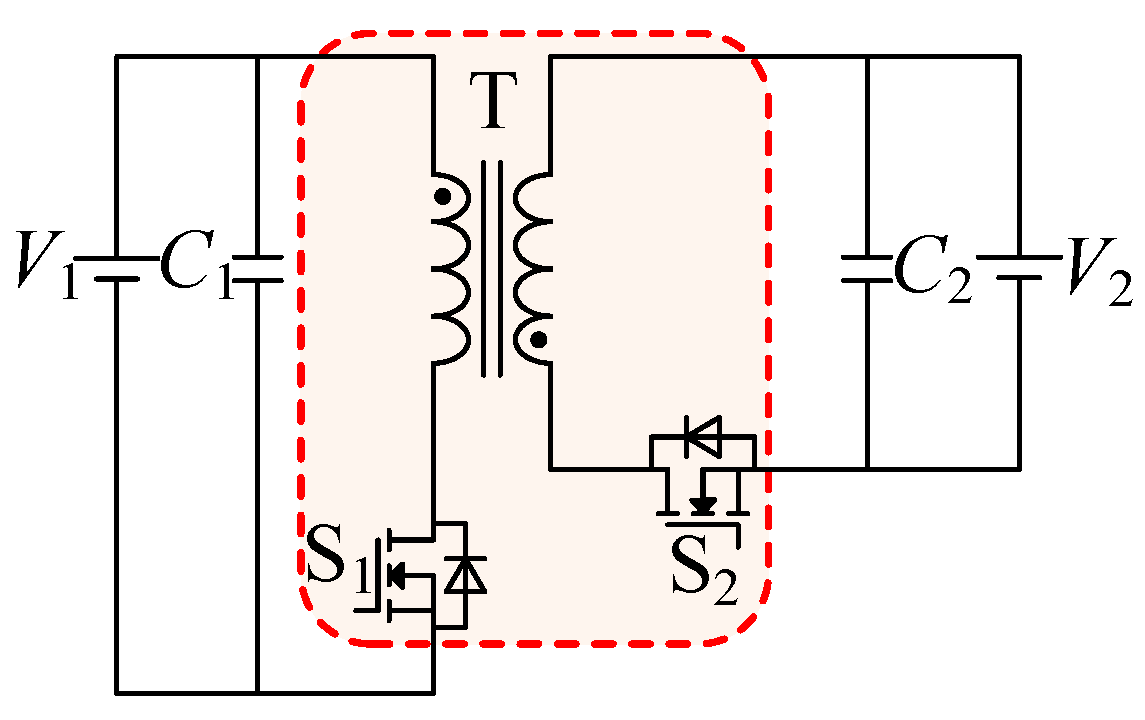
2.1.1. Bidirectional Forward Converter
2.1.2. Bidirectional Flyback Converter
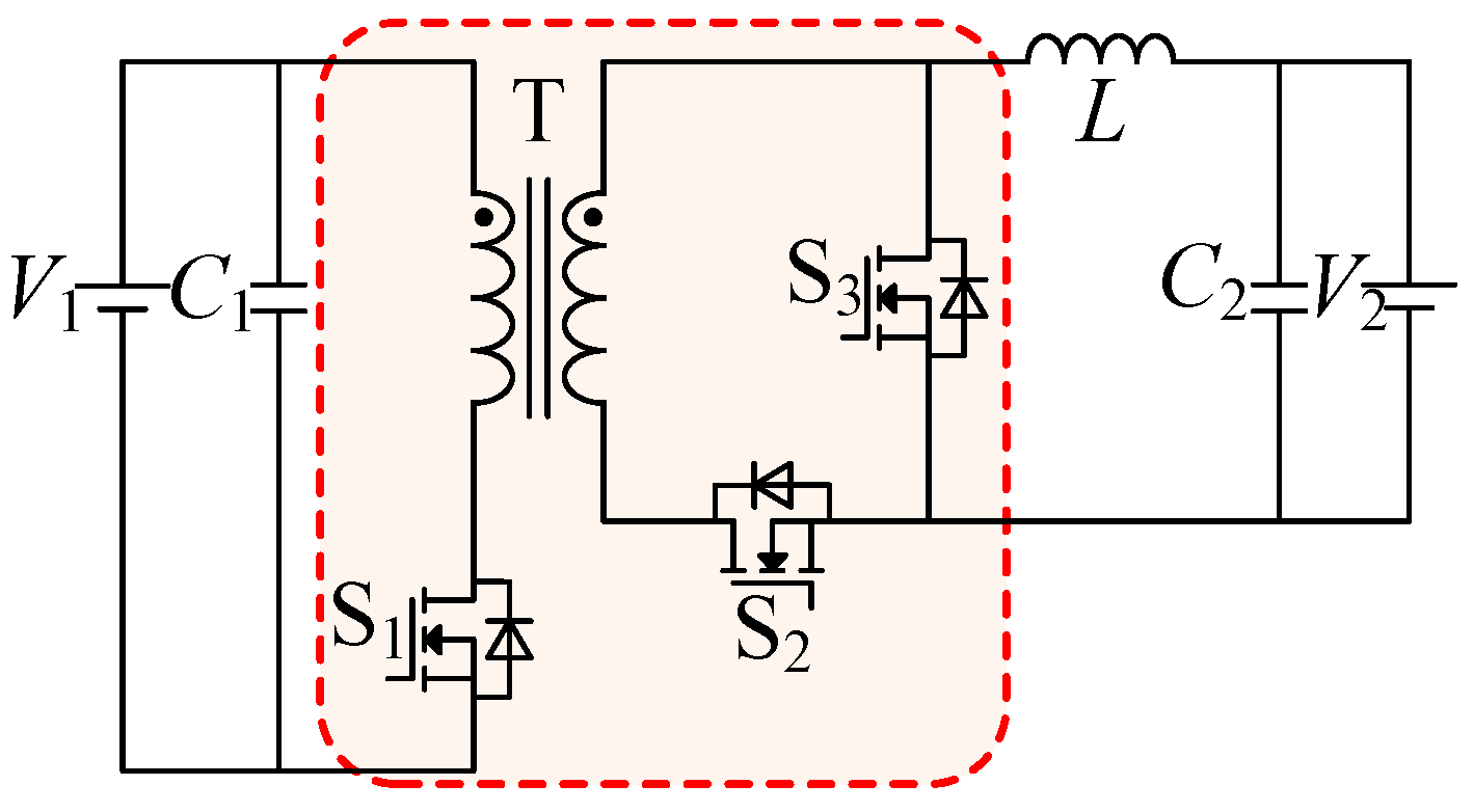
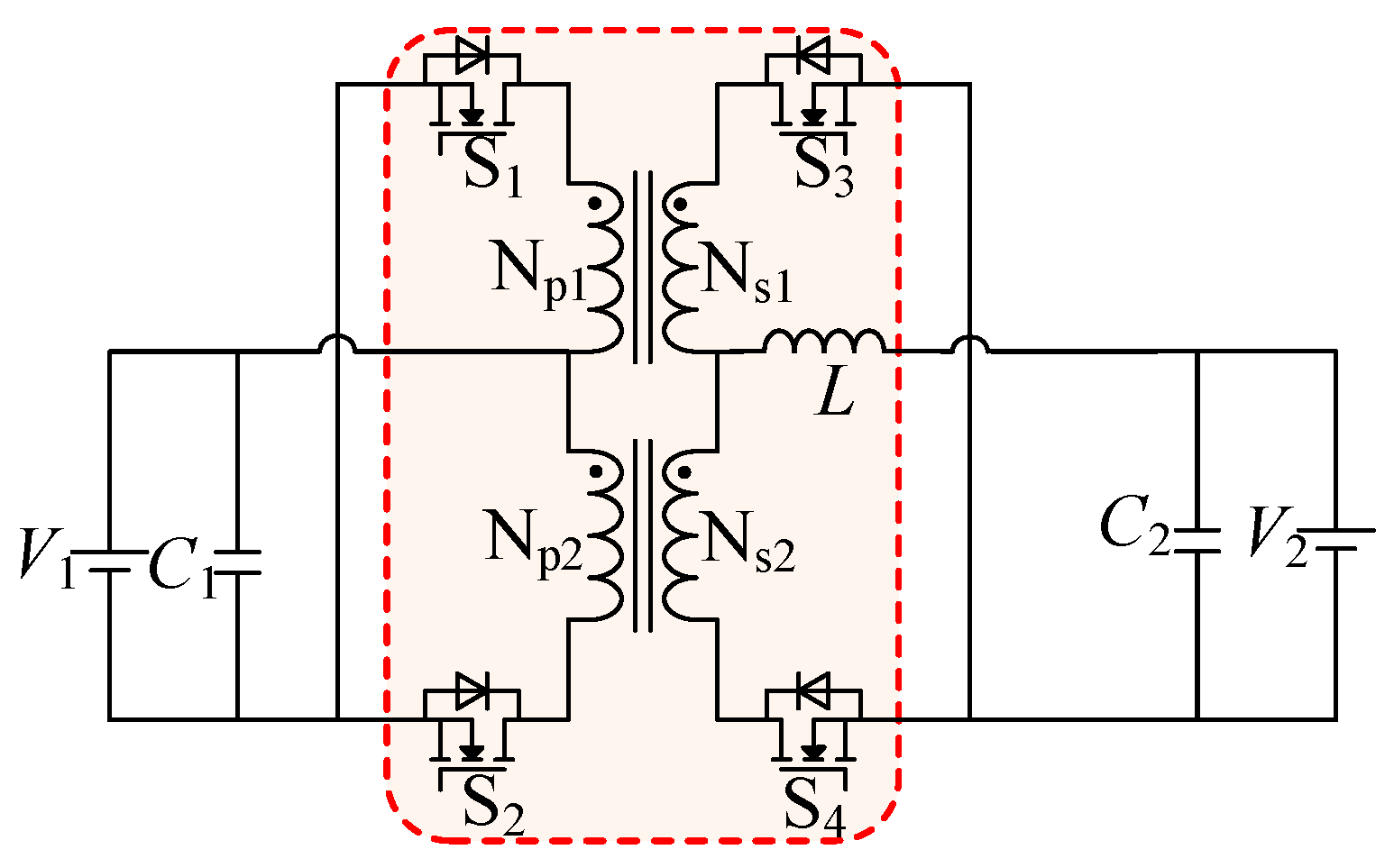
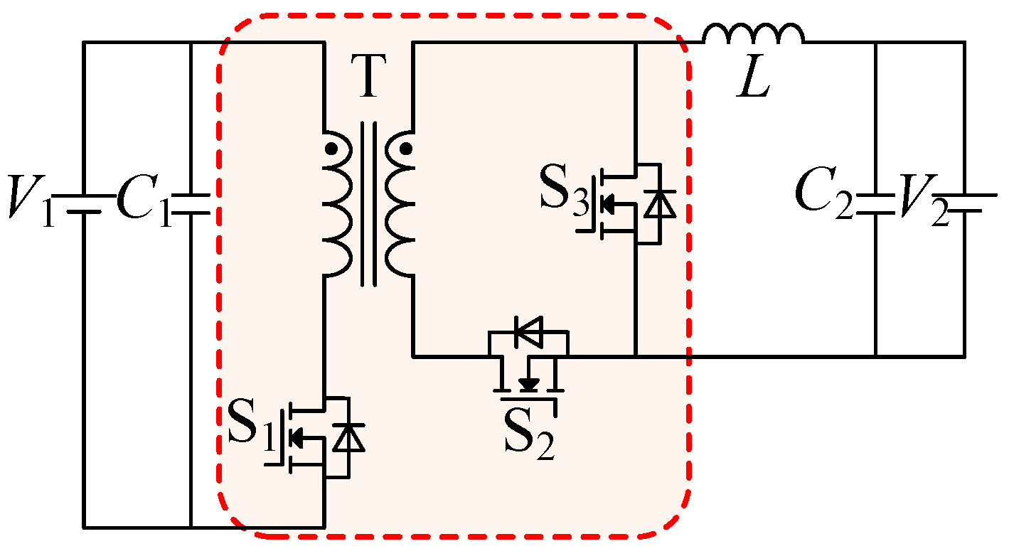
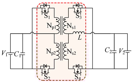
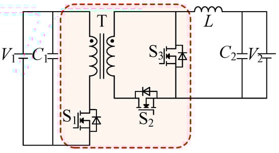
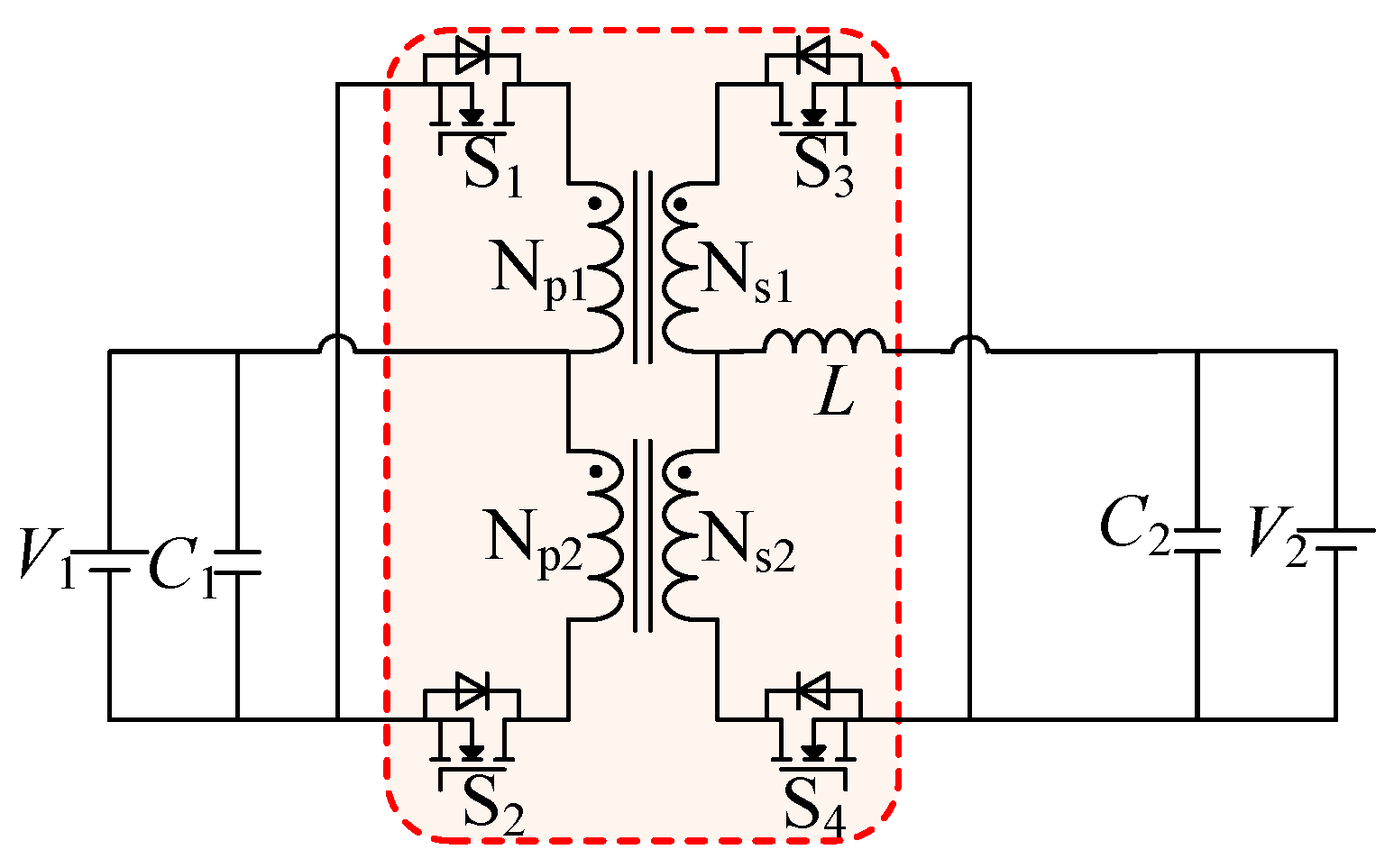
2.1.3. Bidirectional Push–Pull Converter
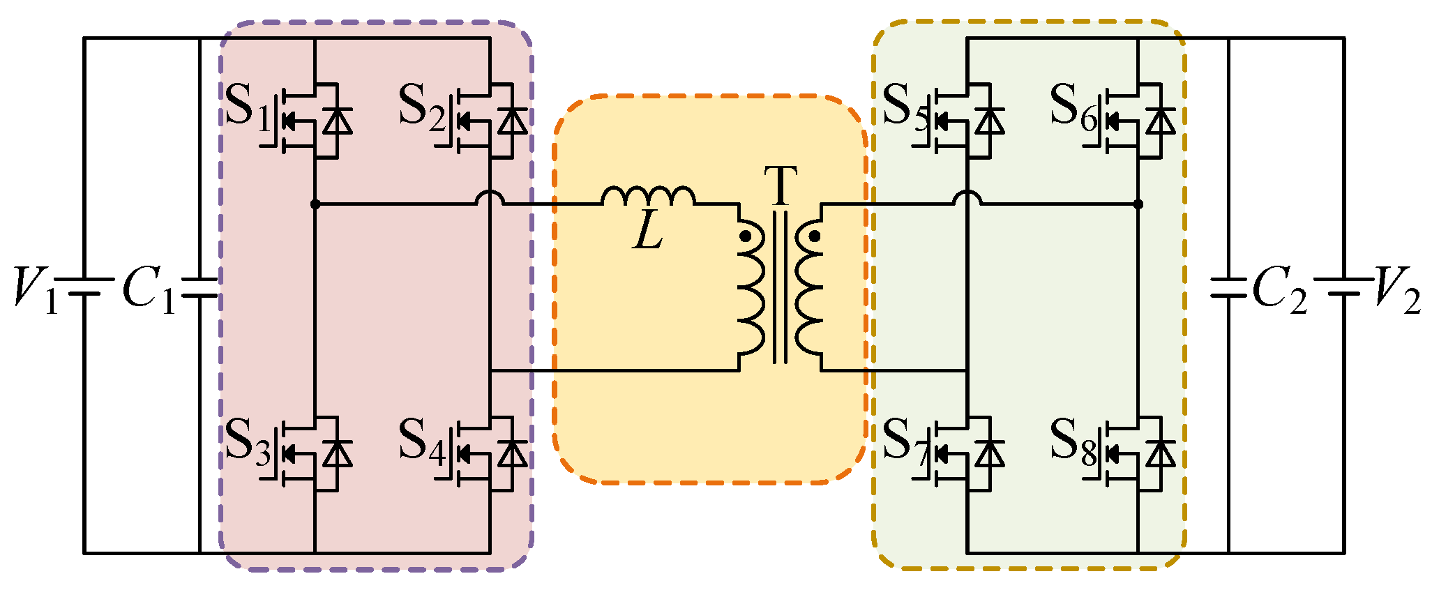
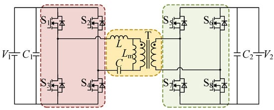
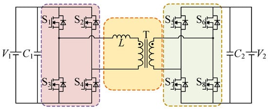
2.2. Dual Active Bridge DC–DC Converter Topology
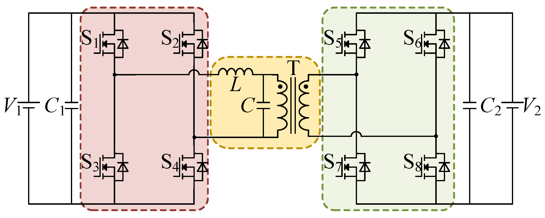
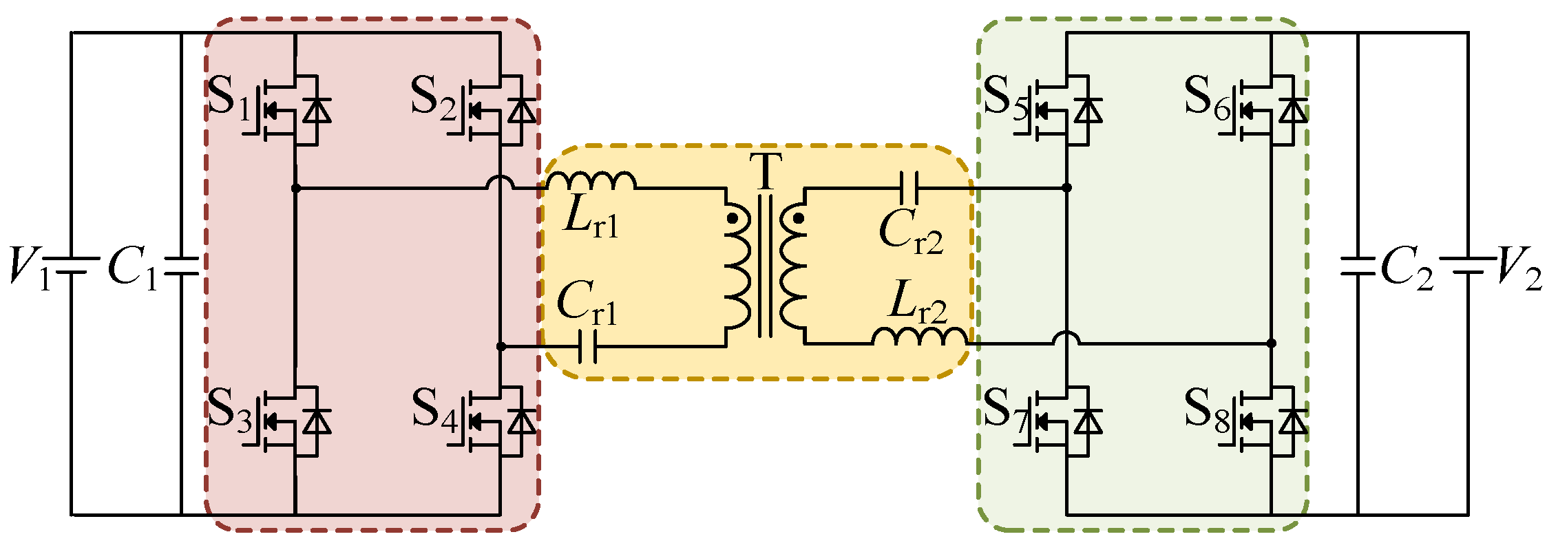
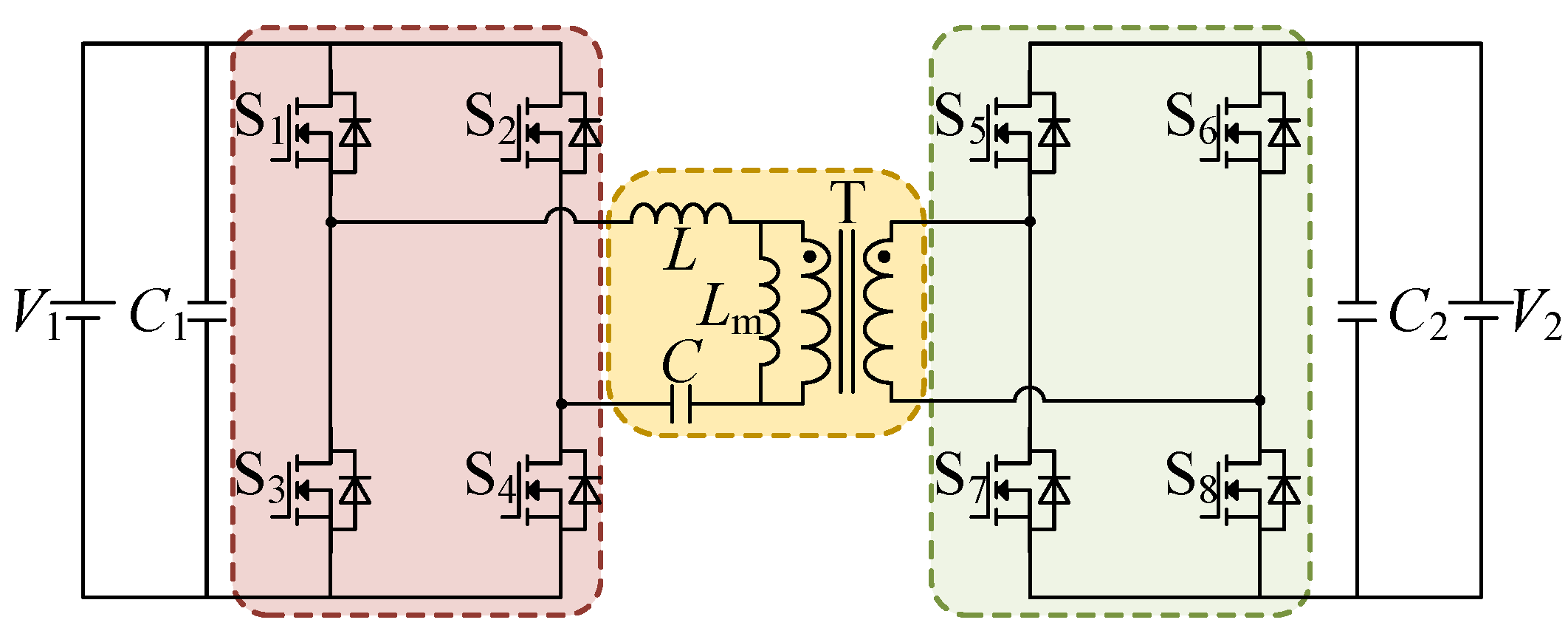
2.3. Resonant Isolated Bidirectional DC–DC Converter Topology
2.3.1. Bidirectional Series Resonance Converter
2.3.2. Bidirectional Parallel Resonance Converter
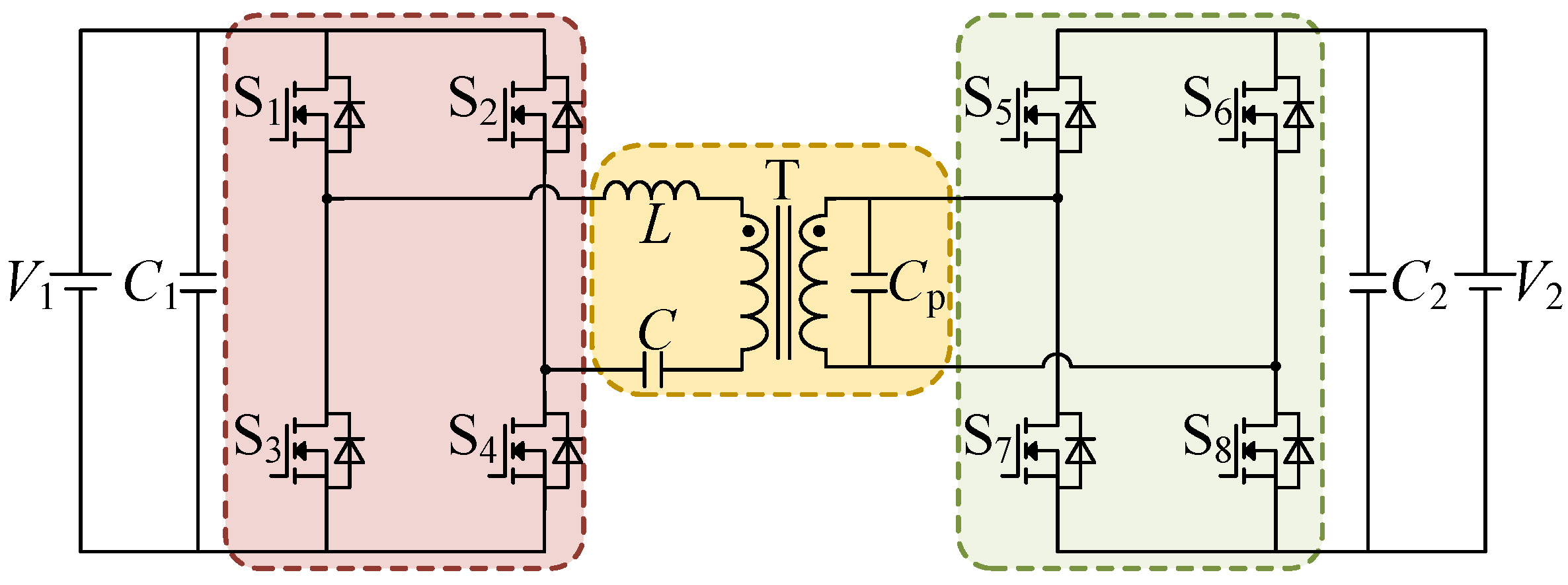
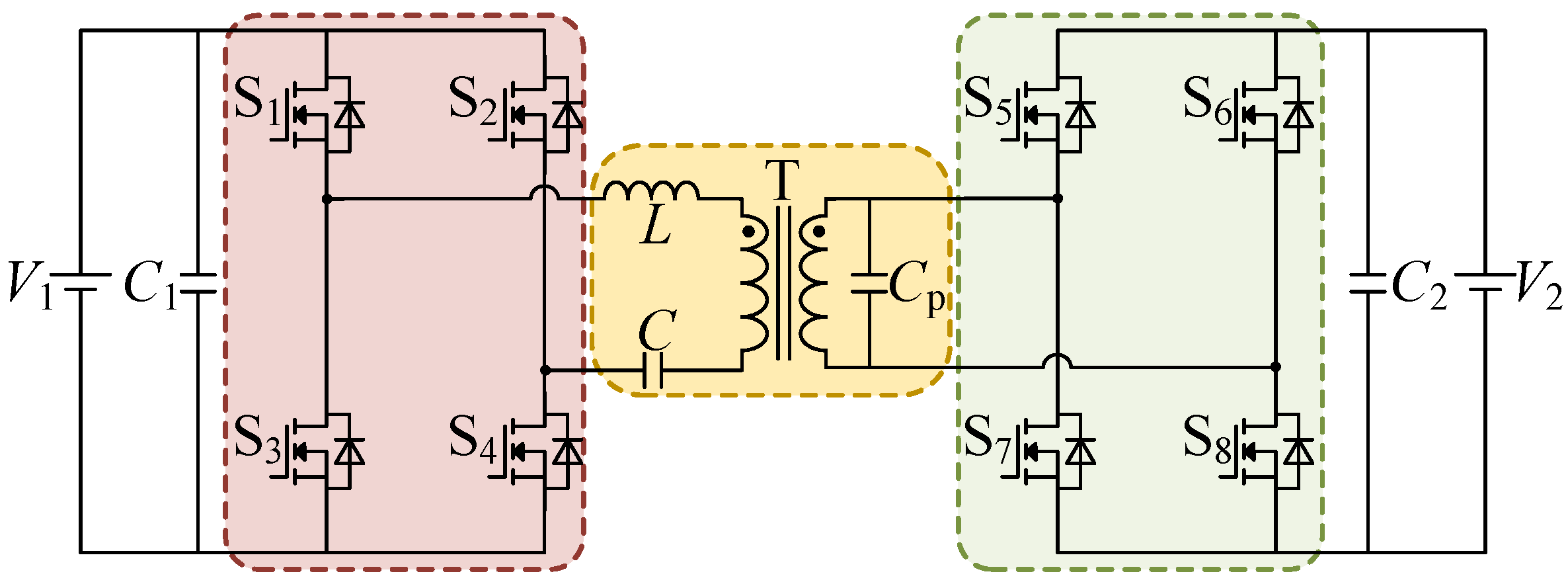
2.3.3. Bidirectional LCC Resonant Converter
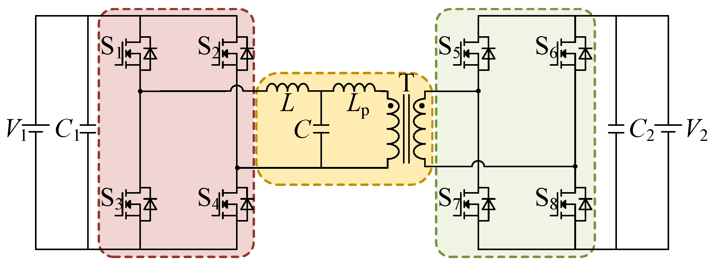
2.3.4. Bidirectional LCL Resonant Converter
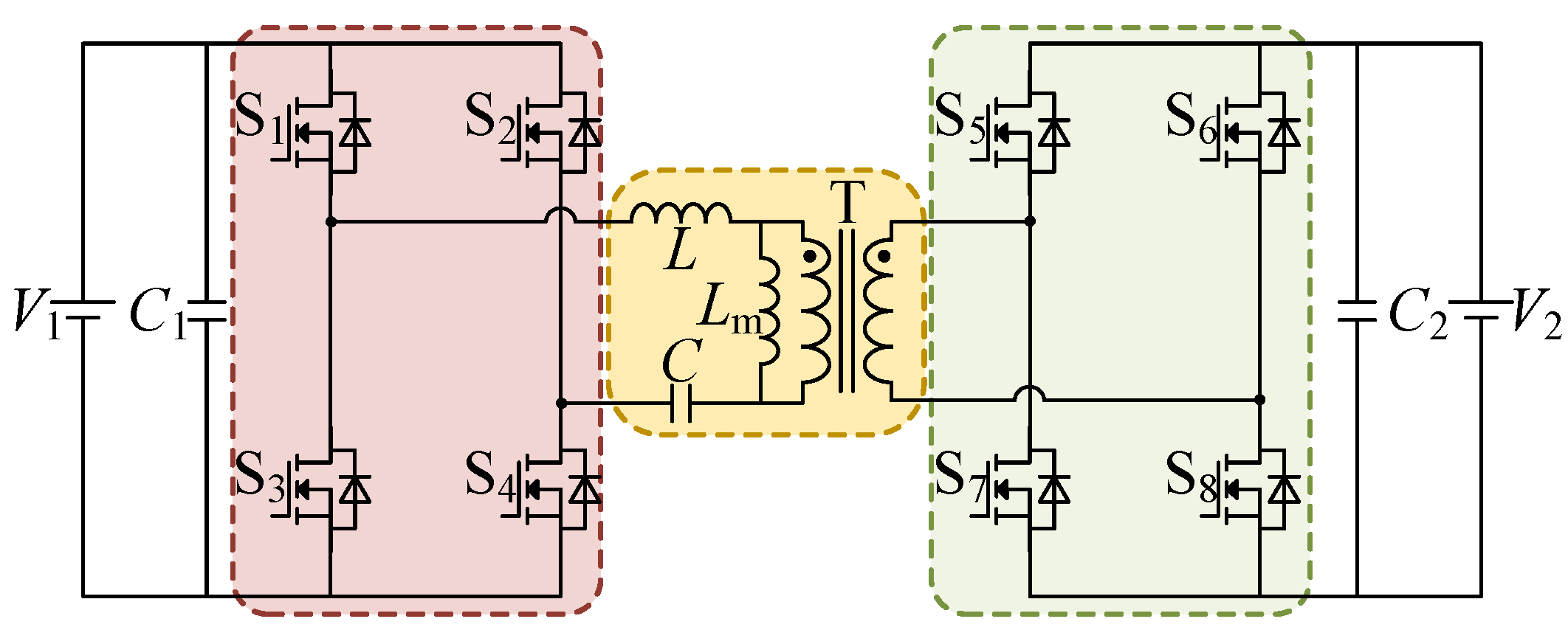
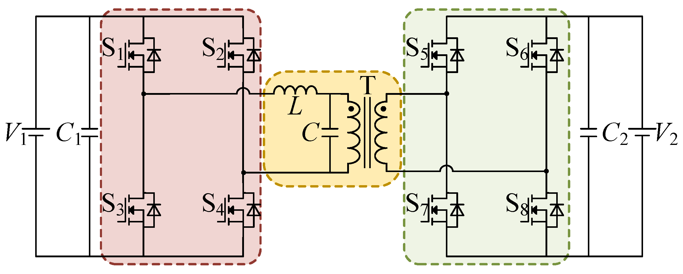
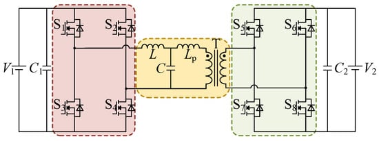
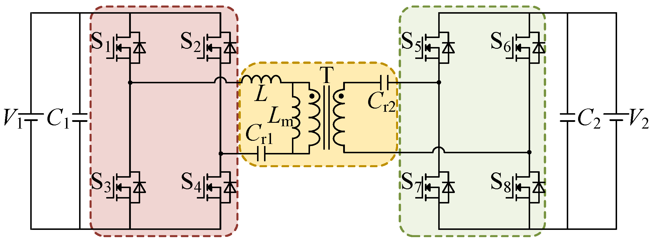
2.3.5. Bidirectional LLC Resonant Converter
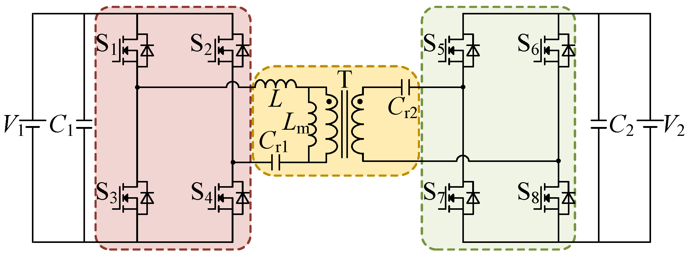
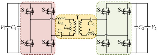
2.3.6. Bidirectional CLLC Resonant Converter
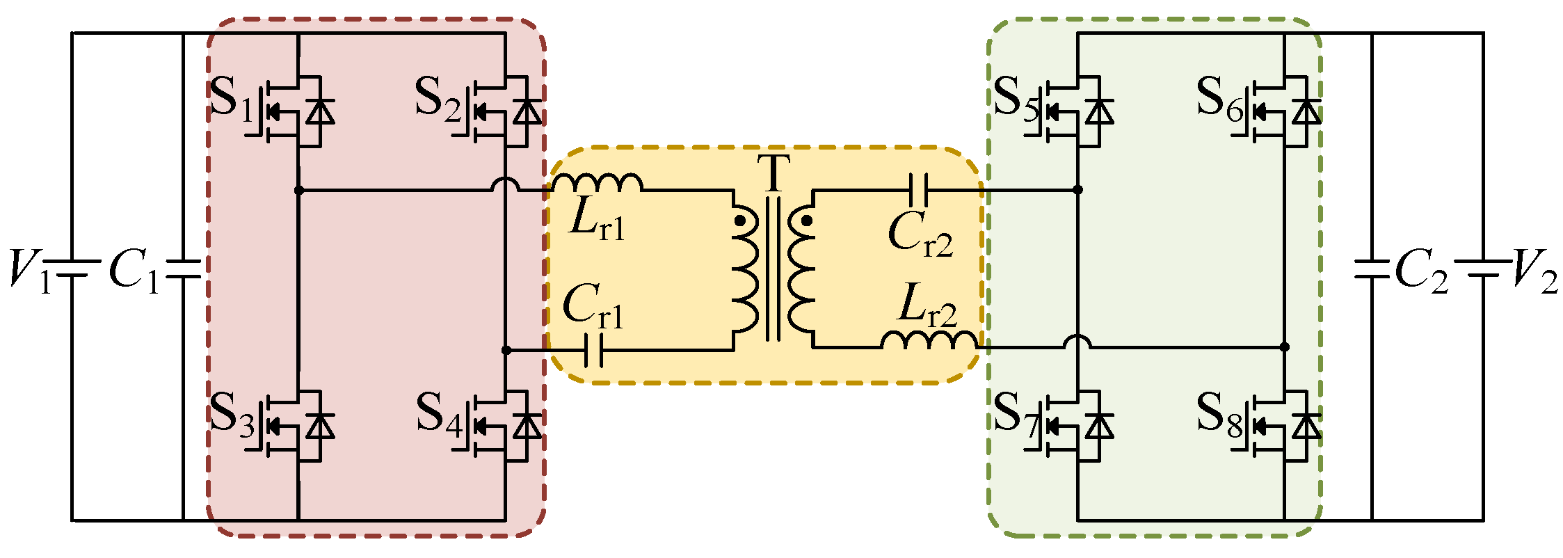
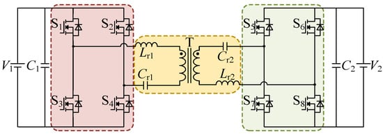
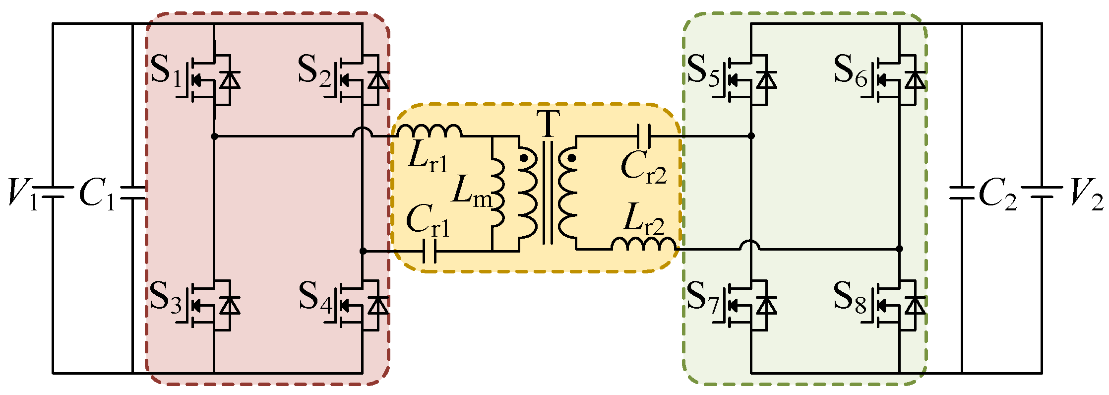
2.3.7. Bidirectional CLLLC Resonant Converter
3. Switching Strategies
3.1. PWM Control
3.2. Phase-Shift Control
3.2.1. Single-Phase Shift
3.2.2. Expanding-Phase Shift
3.2.3. Double-Phase Shift
3.2.4. Triple-Phase Shift
3.3. Variable Frequency Control
4. Application of IBDC in EV
4.1. IBDC in EV
4.2. Summary
5. Conclusions
Author Contributions
Funding
Data Availability Statement
Conflicts of Interest
Abbreviations
| IBDCs | Isolated Bidirectional DC–DC Converter |
| EVs | Electric Vehicles |
| HEVs | Hybrid Electric Vehicles |
| UPSs | Uninterruptible Power Vehicles |
| PV | Photovoltaic |
| FCs | Fuel Cells |
| DAB | Dual Active Bridge |
| PWM | Pulse-Width Modulation |
| ZVS | Zero-Voltage Switch |
| SRC | Series Resonance Converter |
| ZCS | Zero-Current Converter |
| LV | Low Voltage |
| EMI | Electromagnetic Interference |
| SPS | Single-Phase Shift |
| EPS | Expanding-Phase Shift |
| DPS | Double-Phase Shift |
| TPS | Triple-Phase Shift |
| V2G | Vehicle-to-Grid |
References
- Alrubaie, A.J.; Swadi, M.; Salem, M.; Richelli, A.; Bughneda, A.; Kamarol, M. Systematic Review of Bidirectional, Multiport Converter Structures and Their Derivatives: A Case Study of Bidirectional Dual Input Dual Output Converters. Energies 2024, 17, 1575. [Google Scholar] [CrossRef]
- Chen, Y.; Jiang, Z.; Wei, L.; Zhang, Y.; Jiang, J. An Asymmetric Full-Bridge Bidirectional DC-AC Converter with Power Decoupling and Common-Mode Current Suppression for V2G Application. IEEE J. Emerg. Sel. Top. Power Electron. 2024. [Google Scholar] [CrossRef]
- Zhang, M.; Jiang, J. A Boost Converter-Based CSI-Fed PMSM Drives with Common-Mode Voltage Suppression for Low-Input Voltage Application. Electr. Eng. 2024. [Google Scholar] [CrossRef]
- Huang, J.; Wang, Y.; Li, Z.; Zhu, H.; Li, K. A Si IGBT/SiC MOSFET Hybrid Isolated Bidirectional DC–DC Converter for Reducing Losses and Costs of DC Solid State Transformer. Electronics 2024, 13, 801. [Google Scholar] [CrossRef]
- Amiruddin, A.; Dargaville, R.; Liebman, A.; Gawler, R. Integration of Electric Vehicles and Renewable Energy in Indonesia’s Electrical Grid. Energies 2024, 17, 2037. [Google Scholar] [CrossRef]
- Li, Y.; Shang, Z.; Peng, F.; Zhao, Y.; Ren, L. Improved Control-Oriented Polarization Characteristic Modeling for Proton Exchange Membrane Water Electrolyzer with Adaptive Hunting Game Based Metaheuristic Optimiza-tion. Energy Convers. Manag. 2024, 305, 118264. [Google Scholar] [CrossRef]
- Chen, G.; Zhang, Z. Control Strategies, Economic Benefits, and Challenges of Vehicle-to-Grid Applications: Recent Trends Research. World Electr. Veh. J. 2024, 15, 190. [Google Scholar] [CrossRef]
- Ghofrani, M. Synergistic Integration of Evs and Renewable Dgs in Distribution Micro-Grids. Sustainability 2024, 16, 3939. [Google Scholar] [CrossRef]
- Altun, Y.E.; Kutlar, O.A. Energy Management Systems’ Modeling and Optimization in Hybrid Electric Vehicles. Energies 2024, 17, 1696. [Google Scholar] [CrossRef]
- Zhang, W.; Wang, Y.; Xu, P.; Li, D.; Liu, B. Evaluation and Improvement of Backup Capacity for Household Electric Vehicle Uninterruptible Power Supply (EV-UPS) Systems. Energies 2023, 16, 4567. [Google Scholar] [CrossRef]
- Zhang, C.; Cao, C.; Chen, R.; Jiang, J. Three-Leg Quasi-z-Source Inverter with Input Ripple Suppression for Renewable Energy Application. Energies 2023, 16, 4393. [Google Scholar] [CrossRef]
- Yu, X.; Ai, T.; Wang, K. Application of Nanogenerators in Acoustics Based on Artificial Intelligence and Machine Learning. APL Materials 2024, 12, 020602. [Google Scholar] [CrossRef]
- Yu, X.; Shang, Y.; Zheng, L.; Wang, K. Application of Nanogenerators in the Field of Acoustics. ACS Appl. Electron. Mater. 2023, 5, 5240–5248. [Google Scholar] [CrossRef]
- Sathishkumar, P.; Himanshu; Piao, S.; Khan, M.A.; Kim, D.-H.; Kim, M.-S.; Jeong, D.-K.; Lee, C.; Kim, H.-J. A Blended SPS-ESPS Control DAB-IBDC Converter for a Standalone Solar Power System. Energies 2017, 10, 1431. [Google Scholar] [CrossRef]
- Sun, J.; Sun, H.; Jiang, J. An Improved Modulation Method for Low Common-Mode Current Non-Isolated Series Simultaneous Power Supply Dual-Input Inverters for New Energy Generation Applications. Electr. Eng. 2024. [Google Scholar] [CrossRef]
- Zhang, T.; Jiang, J.; Chen, D. An Efficient and Low-Cost DMPPT Approach for Photovoltaic Submodule Based on Multi-Port DC Converter. Renew. Energy 2021, 178, 1144–1155. [Google Scholar] [CrossRef]
- Jiang, J.; Zhang, T.; Chen, D. Analysis, Design, and Implementation of a Differential Power Processing DMPPT with Multiple Buck–Boost Choppers for Photovoltaic Module. IEEE Trans. Power Electron. 2021, 36, 10214–10223. [Google Scholar] [CrossRef]
- Wu, Y.-E.; Tai, C.-H. Novel Bidirectional Isolated Dc/Dc Converter with High Gain Ratio and Wide Input Voltage for Electric Vehicle Storage Systems. Batteries 2022, 8, 240. [Google Scholar] [CrossRef]
- Wei, Y.; Sun, H.; Zhang, T.; Jiang, J.; Su, X.; Zeng, N. Study of Inductively Coupled Fuel Cell DMPPT Converters. Electr. Eng. 2024. [Google Scholar] [CrossRef]
- Wang, Y.; Gan, C.; Ni, K.; Li, X.; Tang, H.; Yang, Y. A Multifunctional Isolated and Non-Isolated Dual Mode Converter for Renewable Energy Conversion Applications. Energies 2017, 10, 1980. [Google Scholar] [CrossRef]
- Mukhtar, N.M.; Lu, D.D.-C. An Isolated Bidirectional Forward Converter with Integrated Output Inductor-Transformer Structure. In Proceedings of the 2018 IEEE 4th Southern Power Electronics Conference (SPEC), Singapore, 10–13 December 2018; IEEE: Piscataway, NJ, USA, 2018; pp. 1–7. [Google Scholar]
- Wuti, V.; Trakuldit, S.; Luangpol, A.; Tattiwong, K.; Taylim, A.; Bunlaksananusorn, C. A Simplified Analysis and Design of an RCD Clamp Forward Converter. In Proceedings of the 2022 8th International Conference on Engineering, Applied Sciences, and Technology (ICEAST), Chiang Mai, Thailand, 8–10 June 2022; IEEE: Piscataway, NJ, USA, 2022; pp. 97–100. [Google Scholar]
- Zhang, F.; Yan, Y. Novel Forward–Flyback Hybrid Bidirectional DC–DC Converter. IEEE Trans. Ind. Electron. 2008, 56, 1578–1584. [Google Scholar] [CrossRef]
- Zhang, Z.; Thomsen, O.C.; Andersen, M.A. Optimal Design of a Push-Pull-Forward Half-Bridge (PPFHB) Bidirectional DC–DC Converter with Variable Input Voltage. IEEE Trans. Ind. Electron. 2011, 59, 2761–2771. [Google Scholar] [CrossRef]
- Bahrami, H.; Allahyari, H.; Adib, E. An Improved Wide ZVS Soft-Switching Range PWM Bidirectional Forward Converter for Low Power Applications with Simple Control Circuit. IET Power Electron. 2022, 15, 1652–1663. [Google Scholar] [CrossRef]
- da Silva, A.W.N.; Bezerra, L.D.S.; Jucá, S.C.S.; Pereira, R.I.S.; de Sá Medeiros, C.M. Control and Monitoring of a Flyback DC-DC Converter for Photovoltaic Applications Using Embedded IoT System. IEEE Lat. Am. Trans. 2020, 18, 1892–1899. [Google Scholar] [CrossRef]
- Chen, G.; Lee, Y.-S.; Hui, S.; Xu, D.; Wang, Y. Actively Clamped Bidirectional Flyback Converter. IEEE Trans. Ind. Electron. 2000, 47, 770–779. [Google Scholar] [CrossRef]
- Chu, G.; Wen, H.; Jiang, L.; Hu, Y.; Li, X. Bidirectional Flyback Based Isolated-Port Submodule Differential Power Processing Optimizer for Photovoltaic Applications. Sol. Energy 2017, 158, 929–940. [Google Scholar] [CrossRef]
- Xiong, H.; Song, D.; Shi, F.; Wei, Y.; Jinzhen, L. Novel Voltage Equalisation Circuit of the Lithium Battery Pack Based on Bidirectional Flyback Converter. IET Power Electron. 2020, 13, 2194–2200. [Google Scholar] [CrossRef]
- Lim, J.-W.; Hassan, J.; Kim, M. Bidirectional Soft Switching Push–Pull Resonant Converter over Wide Range of Battery Voltages. IEEE Trans. Power Electron. 2021, 36, 12251–12267. [Google Scholar] [CrossRef]
- Jiang, L.; Wan, J.; Li, Y.; Huang, C.; Liu, F.; Wang, H.; Sun, Y.; Cao, Y. A New Push-Pull DC/DC Converter Topology with Complementary Active Clamped. IEEE Trans. Ind. Electron. 2021, 69, 6445–6449. [Google Scholar] [CrossRef]
- Mishima, T.; Hiraki, E.; Nakaoka, M. A High Frequency-Link Bidirectional DC-DC Converter for Super Capacitor-Based Automotive Auxiliary Electric Power Systems. J. Power Electron. 2010, 10, 27–33. [Google Scholar] [CrossRef]
- Bal, S.; Rathore, A.K.; Srinivasan, D. Naturally Clamped Snubberless Soft-Switching Bidirectional Current-Fed Three-Phase Push–Pull DC/DC Converter for DC Microgrid Application. IEEE Trans. Ind. Appl. 2015, 52, 1577–1587. [Google Scholar]
- El Kattel, M.B.; Mayer, R.; Oliveira, S.V.G. A Three-Phase Flyback Current-Fed Push-Pull Bidirectional Dc-Dc Converter for Dc Microgrid Application. In Proceedings of the 2016 12th IEEE International Conference on Industry Applications (INDUSCON), Curitiba, Brazil, 20–23 November 2016; IEEE: Piscataway, NJ, USA, 2016; pp. 1–6. [Google Scholar]
- Kosenko, R.; Chub, A.; Blinov, A. Full-Soft-Switching High Step-up Bidirectional Isolated Current-Fed Push-Pull DC-DC Converter for Battery Energy Storage Applications. In Proceedings of the IECON 2016—42nd Annual Conference of the IEEE Industrial Electronics Society, Florence, Italy, 23–26 October 2016; IEEE: Piscataway, NJ, USA, 2016; pp. 6548–6553. [Google Scholar]
- De Doncker, R.W.; Divan, D.M.; Kheraluwala, M.H. A Three-Phase Soft-Switched High-Power-Density DC/DC Converter for High-Power Applications. IEEE Trans. Ind. Appl. 1991, 27, 63–73. [Google Scholar] [CrossRef]
- Kheraluwala, M.; Gascoigne, R.W.; Divan, D.M.; Baumann, E.D. Performance Characterization of a High-Power Dual Active Bridge DC-to-DC Converter. IEEE Trans. Ind. Appl. 1992, 28, 1294–1301. [Google Scholar] [CrossRef]
- Inoue, S.; Akagi, H. A Bidirectional Isolated DC–DC Converter as a Core Circuit of the next-Generation Medium-Voltage Power Conversion System. IEEE Trans. Power Electron. 2007, 22, 535–542. [Google Scholar] [CrossRef]
- Jafari, A.; Nikoo, M.S.; Karakaya, F.; Matioli, E. Enhanced DAB for Efficiency Preservation Using Adjustable-Tap High-Frequency Transformer. IEEE Trans. Power Electron. 2019, 35, 6673–6677. [Google Scholar] [CrossRef]
- Shao, S.; Jiang, M.; Zhang, J.; Wu, X. A Capacitor Voltage Balancing Method for a Modular Multilevel DC Transformer for DC Distribution System. IEEE Trans. Power Electron. 2017, 33, 3002–3011. [Google Scholar] [CrossRef]
- Sha, D.; Zhang, J.; Liu, K. Leakage Inductor Current Peak Optimization for Dual-Transformer Current-Fed Dual Active Bridge DC–DC Converter with Wide Input and Output Voltage Range. IEEE Trans. Power Electron. 2019, 35, 6012–6024. [Google Scholar] [CrossRef]
- Zhao, B.; Song, Q.; Liu, W. Power Characterization of Isolated Bidirectional Dual-Active-Bridge DC–DC Converter with Dual-Phase-Shift Control. IEEE Trans. Power Electron. 2012, 27, 4172–4176. [Google Scholar] [CrossRef]
- Mukherjee, S.; Kumar, A.; Chakraborty, S. Comparison of DAB and LLC DC–DC Converters in High-Step-down Fixed-Conversion-Ratio (DCX) Applications. IEEE Trans. Power Electron. 2020, 36, 4383–4398. [Google Scholar] [CrossRef]
- Kundu, U.; Pant, B.; Sikder, S.; Kumar, A.; Sensarma, P. Frequency Domain Analysis and Optimal Design of Isolated Bidirectional Series Resonant Converter. IEEE Trans. Ind. Appl. 2017, 54, 356–366. [Google Scholar] [CrossRef]
- Athira, S.; Kaliyaperumal, D. Modified Bidirectional Converter with Current Fed Inverter. Change 2015, 1, 2. [Google Scholar]
- Zeng, Y.; Li, H.; Zhang, Z.; Zheng, T.Q.; Shang, Z.; Qiu, Z.; Yuan, L.; Ding, Y. A Parallel-Resonant Isolated Bidirectional Dc-Dc Converter with Low Current Ripple for Battery Storage Systems. In Proceedings of the 2019 IEEE Energy Conversion Congress and Exposition (ECCE), Baltimore, MD, USA, 29 September–3 October 2019; IEEE: Piscataway, NJ, USA, 2019; pp. 5548–5553. [Google Scholar]
- Chuang, Y.-C.; Ke, Y.-L.; Chuang, H.-S.; Chen, Y.-M. Analysis and Implementation of Half-Bridge Series–Parallel Resonant Converter for Battery Chargers. IEEE Trans. Ind. Appl. 2010, 47, 258–270. [Google Scholar] [CrossRef]
- Jaritz, M.; Biela, J. Output Voltage Ripple Analysis for Modular Series Parallel Resonant Converter Systems with Capacitive Output Filter. In Proceedings of the 2018 20th European Conference on Power Electronics and Applications (EPE’18 ECCE Europe), Riga, Latvia, 17–21 September 2018; IEEE: Piscataway, NJ, USA, 2018; p. P-1. [Google Scholar]
- Bhat, A.K. Analysis and Design of a Series-Parallel Resonant Converter with Capacitive Output Filter. IEEE Trans. Ind. Appl. 1991, 27, 523–530. [Google Scholar] [CrossRef]
- Bhat, A.K.; Dewan, S. Analysis and Design of a High-Frequency Resonant Converter Using LCC-Type Commutation. IEEE Trans. Power Electron. 1987, 2, 291–301. [Google Scholar] [CrossRef]
- Batarseh, I.; Liu, R.; Lee, C.; Upadhyay, A.K. Theoretical and Experimental Studies of the LCC-Type Parallel Resonant Converter. IEEE Trans. Power Electron. 1990, 5, 140–150. [Google Scholar] [CrossRef]
- Bhat, A.K.; Zheng, R.L. Analysis and Design of a Three-Phase LCC-Type Resonant Converter. IEEE Trans. Aerosp. Electron. Syst. 1998, 34, 508–519. [Google Scholar] [CrossRef]
- Liu, J.; Sheng, L.; Shi, J.; Zhang, Z.; He, X. Design of High Voltage, High Power and High Frequency Transformer in LCC Resonant Converter. In Proceedings of the 2009 Twenty-Fourth Annual IEEE Applied Power Electronics Conference and Exposition, Washington, DC, USA, 15–19 February 2009; IEEE: Piscataway, NJ, USA, 2009; pp. 1034–1038. [Google Scholar]
- Biela, J.; Kolar, J.W. Using Transformer Parasitics for Resonant Converters-a Review of the Calculation of the Stray Capacitance of Transformers. In Proceedings of the Fourtieth IAS Annual Meeting. Conference Record of the 2005 Industry Applications Conference, Hong Kong, China, 2–6 October 2005; IEEE: Piscataway, NJ, USA, 2005; Volume 3, pp. 1868–1875. [Google Scholar]
- Martin-Ramos, J.A.; Díaz, J.; Nuño, F.; Villegas, P.J.; López-Hernández, A.; Gutiérrez-Delgado, J.F. A Polynomial Model to Calculate Steady-State Set Point in the PRC-LCC Topology with a Capacitor as Output Filter. IEEE Trans. Ind. Appl. 2014, 51, 2520–2527. [Google Scholar] [CrossRef]
- Li, J.; Liu, L.; Liu, Q. Analysis of Back-Flow Power of LCC Hybrid Resonant Bidirectional Full Bridge DC-DC Converter Based on Phase-Shift Control. In Proceedings of the 2019 14th IEEE Conference on Industrial Electronics and Applications (ICIEA), Xi’an, China, 19–21 June 2019; IEEE: Piscataway, NJ, USA, 2019; pp. 810–815. [Google Scholar]
- Zeng, J.; Qiao, W.; Qu, L. An Isolated Three-Port Bidirectional DC–DC Converter for Photovoltaic Systems with Energy Storage. IEEE Trans. Ind. Appl. 2015, 51, 3493–3503. [Google Scholar] [CrossRef]
- Mukherjee, S.; Ruiz, J.M.; Barbosa, P. A High Power Density Wide Range DC–DC Converter for Universal Electric Vehicle Charging. IEEE Trans. Power Electron. 2022, 38, 1998–2012. [Google Scholar] [CrossRef]
- Li, M.; Li, X.; He, C.; Wu, X. An Optimized Design Method of Phase-Shift Angle in DPS Modulation Scheme for LCL-Type Resonant DAB DC-DC Converters. In Proceedings of the 2019 22nd International Conference on Electrical Machines and Systems (ICEMS), Harbin, China, 11–14 August 2019; IEEE: Piscataway, NJ, USA, 2019; pp. 1–6. [Google Scholar]
- Chan, Y.P.; Loo, K.; Yaqoob, M.; Lai, Y. A Structurally Reconfigurable Resonant Dual-Active-Bridge Converter and Modulation Method to Achieve Full-Range Soft-Switching and Enhanced Light-Load Efficiency. IEEE Trans. Power Electron. 2018, 34, 4195–4207. [Google Scholar] [CrossRef]
- Zhang, J.; Liu, J.; Yang, J.; Zhao, N.; Wang, Y.; Zheng, T.Q. An LLC-LC Type Bidirectional Control Strategy for an LLC Resonant Converter in Power Electronic Traction Transformer. IEEE Trans. Ind. Electron. 2018, 65, 8595–8604. [Google Scholar] [CrossRef]
- Su, M.; Ouyang, Q.; Deng, G.; Xu, G.; Sun, Y.; Xiong, W. Modified Topology and PWM Modulation for Bidirectional LLC-DCX Converter with Center-Tapped Transformer. IEEE Trans. Transp. Electrif. 2022, 8, 3907–3920. [Google Scholar] [CrossRef]
- Qian, T.; Guo, K.; Qian, C. A Combined Three-Port LLC Structure for Adaptive Power Flow Adjustment of PV Systems. IEEE Trans. Power Electron. 2020, 35, 10413–10422. [Google Scholar] [CrossRef]
- Liao, Y.; Xu, G.; Peng, T.; Sun, Y.; Liu, D.; Yang, Y.; Su, M. An LLC-DAB Bidirectional DCX Converter with Wide Load Range ZVS and Reduced Switch Count. IEEE Trans. Power Electron. 2021, 37, 2250–2263. [Google Scholar] [CrossRef]
- Liao, Y.; Xu, G.; Peng, T.; Sun, Y.; Yang, Y.; Xiong, W. Power-Estimation-Based Synchronous Rectification Solution for Bidirectional DAB-LLC Converter. IEEE Trans. Circuits Syst. II Express Briefs 2021, 69, 1213–1217. [Google Scholar] [CrossRef]
- Chen, X.; Xu, G.; Han, H.; Sun, Y.; Su, M. Dual-Mode Bidirectional LLC-DAB Converter Based on a Modulated Coupled Inductor. IEEE Trans. Power Electron. 2022, 38, 90–95. [Google Scholar] [CrossRef]
- Sun, K.; Gao, Y.; Chen, H. Bi-Directional High-Conversion-Ratio CLLC Resonant Converter with a New Synchronous Rectification Scheme for Low Conduction Loss. IEEJ J. Ind. Appl. 2020, 9, 515–522. [Google Scholar] [CrossRef]
- Wang, Y.-F.; Chen, B.; Hou, Y.; Meng, Z.; Yang, Y. Analysis and Design of a 1-MHz Bidirectional Multi-CLLC Resonant DC–DC Converter with GaN Devices. IEEE Trans. Ind. Electron. 2019, 67, 1425–1434. [Google Scholar] [CrossRef]
- Liu, Y.; Du, G.; Wang, X.; Lei, Y. Analysis and Design of High-Efficiency Bidirectional GaN-Based CLLC Resonant Converter. Energies 2019, 12, 3859. [Google Scholar] [CrossRef]
- Zhang, C.; Li, P.; Kan, Z.; Chai, X.; Guo, X. Integrated Half-Bridge CLLC Bidirectional Converter for Energy Storage Systems. IEEE Trans. Ind. Electron. 2017, 65, 3879–3889. [Google Scholar] [CrossRef]
- Chen, W.; Rong, P.; Lu, Z. Snubberless Bidirectional DC–DC Converter with New CLLC Resonant Tank Featuring Minimized Switching Loss. IEEE Trans. Ind. Electron. 2009, 57, 3075–3086. [Google Scholar] [CrossRef]
- Zhao, L.; Pei, Y.; Wang, L.; Pei, L.; Cao, W.; Gan, Y. Design Methodology of Bidirectional Resonant CLLC Charger for Wide Voltage Range Based on Parameter Equivalent and Time Domain Model. IEEE Trans. Power Electron. 2022, 37, 12041–12064. [Google Scholar] [CrossRef]
- Zou, S.; Lu, J.; Mallik, A.; Khaligh, A. 3.3 kW CLLC Converter with Synchronous Rectification for Plug-in Electric Vehicles. In Proceedings of the 2017 IEEE Industry Applications Society Annual Meeting, Cincinnati, OH, USA, 1–5 October 2017; IEEE: Piscataway, NJ, USA, 2017; pp. 1–6. [Google Scholar]
- Zou, S.; Lu, J.; Mallik, A.; Khaligh, A. Bi-Directional CLLC Converter with Synchronous Rectification for Plug-in Electric Vehicles. IEEE Trans. Ind. Appl. 2017, 54, 998–1005. [Google Scholar] [CrossRef]
- He, P.; Mallik, A.; Sankar, A.; Khaligh, A. Design of a 1-MHz High-Efficiency High-Power-Density Bidirectional GaN-Based CLLC Converter for Electric Vehicles. IEEE Trans. Veh. Technol. 2018, 68, 213–223. [Google Scholar] [CrossRef]
- Dalala, Z.M.; Zahid, Z.U.; Saadeh, O.S.; Lai, J.-S. Modeling and Controller Design of a Bidirectional Resonant Converter Battery Charger. IEEE Access 2018, 6, 23338–23350. [Google Scholar] [CrossRef]
- Zong, S.; Fan, G.; Yang, X. Double Voltage Rectification Modulation for Bidirectional DC/DC Resonant Converters for Wide Voltage Range Operation. IEEE Trans. Power Electron. 2018, 34, 6510–6521. [Google Scholar] [CrossRef]
- Deng, Q.; He, Y.; Lei, C.; Liu, J. Research on CLLLC Bi-Directional Resonant Based on Time-Domain Analysis. In Proceedings of the 2020 IEEE 3rd Student Conference on Electrical Machines and Systems (SCEMS), Jinan, China, 4–6 December 2020; IEEE: Piscataway, NJ, USA, 2020; pp. 724–729. [Google Scholar]
- Song, J.; Yang, D.; Zhang, C.; Duan, B. Hybrid Control Method for CLLLC Resonant Converter with Low Output Voltage Ripple. IFAC-Pap. 2018, 51, 680–684. [Google Scholar] [CrossRef]
- Xie, M.; Bi, K.; Ai, J.; Fan, Q. A Hybrid Control Strategy for CLLLC Resonant Converter Based on PS-PFM under Wide Input Voltage. In Proceedings of the 2023 26th International Conference on Electrical Machines and Systems (ICEMS), Zhuhai, China, 5–8 November 2023; IEEE: Piscataway, NJ, USA, 2023; pp. 4710–4715. [Google Scholar]
- Shahed, M.T.; Rashid, A.H.-U. Wide Bandgap Semiconductor Based High Performance Bidirectional Resonant Converter for Electric Vehicle Application. In Proceedings of the 2022 International Conference on Advancement in Electrical and Electronic Engineering (ICAEEE), Gazipur, Bangladesh, 24–26 February 2022; IEEE: Piscataway, NJ, USA, 2022; pp. 1–6. [Google Scholar]
- Zhou, K.; Huang, Y.; Zheng, S. Research on Bidirectional On-Board Charging System Based on Three-Phase Wye-Wye Connected CLLLC Resonant Converter. IEEE Access 2023, 11, 101998–102013. [Google Scholar] [CrossRef]
- Pledl, G.; Tauer, M.; Buecherl, D. Theory of Operation, Design Procedure and Simulation of a Bidirectional LLC Resonant Converter for Vehicular Applications. In Proceedings of the 2010 IEEE Vehicle Power and Propulsion Conference, Lille, France, 1–3 September 2010; IEEE: Piscataway, NJ, USA, 2010; pp. 1–5. [Google Scholar]
- Ryu, M.-H.; Kim, H.-S.; Kim, J.-H.; Baek, J.-W.; Jung, J.-H. Test Bed Implementation of 380V DC Distribution System Using Isolated Bidirectional Power Converters. In Proceedings of the 2013 IEEE Energy Conversion Congress and Exposition, Denver, CO, USA, 15–19 September 2013; IEEE: Piscataway, NJ, USA, 2013; pp. 2948–2954. [Google Scholar]
- Kim, E.-S.; Lee, S.-M.; Park, J.-H.; Noh, Y.-J.; Xu, H.; Kong, Y.-S. Resonant DC-DC Converter for High Efficiency Bidirectional Power Conversion. In Proceedings of the 2013 Twenty-Eighth Annual IEEE Applied Power Electronics Conference and Exposition (APEC), Long Beach, CA, USA, 17–21 March 2013; IEEE: Piscataway, NJ, USA, 2013; pp. 2005–2011. [Google Scholar]
- Nam, I.; Dougal, R.; Santi, E. Optimal Design Method for Series LCLC Resonant Converter Based on Analytical Solutions for Voltage Gain Resonant Peaks. In Proceedings of the 2013 Twenty-Eighth Annual IEEE Applied Power Electronics Conference and Exposition (APEC), Long Beach, CA, USA, 17–21 March 2013; IEEE: Piscataway, NJ, USA, 2013; pp. 1429–1437. [Google Scholar]
- Jung, J.-H.; Kim, H.-S.; Ryu, M.-H.; Baek, J.-W. Design Methodology of Bidirectional CLLC Resonant Converter for High-Frequency Isolation of DC Distribution Systems. IEEE Trans. Power Electron. 2012, 28, 1741–1755. [Google Scholar] [CrossRef]
- Zhu, L. A Novel Soft-Commutating Isolated Boost Full-Bridge ZVS-PWM DC–DC Converter for Bidirectional High Power Applications. IEEE Trans. Power Electron. 2006, 21, 422–429. [Google Scholar] [CrossRef]
- Marra, E.G.; Pomilio, J.A. Self-Excited Induction Generator Controlled by a VS-PWM Bidirectional Converter for Rural Applications. IEEE Trans. Ind. Appl. 1999, 35, 877–883. [Google Scholar] [CrossRef]
- Rotella, M.; Peñailillo, G.; Pereda, J.; Dixon, J. PWM Method to Eliminate Power Sources in a Nonredundant 27-Level Inverter for Machine Drive Applications. IEEE Trans. Ind. Electron. 2008, 56, 194–201. [Google Scholar] [CrossRef]
- Mi, C.; Bai, H.; Wang, C.; Gargies, S. Operation, Design and Control of Dual H-Bridge-Based Isolated Bidirectional DC–DC Converter. IET Power Electron. 2008, 1, 507–517. [Google Scholar] [CrossRef]
- Wang, L.; Wang, Z.; Li, H. Asymmetrical Duty Cycle Control and Decoupled Power Flow Design of a Three-Port Bidirectional DC-DC Converter for Fuel Cell Vehicle Application. IEEE Trans. Power Electron. 2011, 27, 891–904. [Google Scholar] [CrossRef]
- Wang, Z.; Li, H. An Integrated Three-Port Bidirectional DC–DC Converter for PV Application on a DC Distribution System. IEEE Trans. Power Electron. 2012, 28, 4612–4624. [Google Scholar] [CrossRef]
- Xiangli, K.; Li, S.; Smedley, K.M. Decoupled PWM plus Phase-Shift Control for a Dual-Half-Bridge Bidirectional DC–DC Converter. IEEE Trans. Power Electron. 2017, 33, 7203–7213. [Google Scholar] [CrossRef]
- Zhao, B.; Yu, Q.; Sun, W. Extended-Phase-Shift Control of Isolated Bidirectional DC–DC Converter for Power Distribution in Microgrid. IEEE Trans. Power Electron. 2011, 27, 4667–4680. [Google Scholar] [CrossRef]
- Chaurasiya, S.; Singh, B. A Load Adaptive Hybrid DPS Control for DAB to Secure Minimum Current Stress and Full ZVS Operation over Wide Load and Voltage Conversion Ratio. IEEE Trans. Ind. Appl. 2022, 59, 1901–1911. [Google Scholar] [CrossRef]
- Bai, H.; Mi, C. Eliminate Reactive Power and Increase System Efficiency of Isolated Bidirectional Dual-Active-Bridge DC–DC Converters Using Novel Dual-Phase-Shift Control. IEEE Trans. Power Electron. 2008, 23, 2905–2914. [Google Scholar] [CrossRef]
- Zhao, B.; Song, Q.; Liu, W.; Sun, W. Current-Stress-Optimized Switching Strategy of Isolated Bidirectional DC–DC Converter with Dual-Phase-Shift Control. IEEE Trans. Ind. Electron. 2012, 60, 4458–4467. [Google Scholar] [CrossRef]
- Zhao, B.; Song, Q.; Liu, W. Experimental Comparison of Isolated Bidirectional DC–DC Converters Based on All-Si and All-SiC Power Devices for next-Generation Power Conversion Application. IEEE Trans. Ind. Electron. 2013, 61, 1389–1393. [Google Scholar] [CrossRef]
- Wen, H.; Xiao, W. Bidirectional Dual-Active-Bridge DC-DC Converter with Triple-Phase-Shift Control. In Proceedings of the 2013 Twenty-Eighth Annual IEEE Applied Power Electronics Conference and Exposition (APEC), Long Beach, CA, USA, 17–21 March 2013; IEEE: Piscataway, NJ, USA, 2013; pp. 1972–1978. [Google Scholar]
- Harrye, Y.A.; Ahmed, K.H.; Adam, G.P.; Aboushady, A.A. Comprehensive Steady State Analysis of Bidirectional Dual Active Bridge DC/DC Converter Using Triple Phase Shift Control. In Proceedings of the 2014 IEEE 23rd International Symposium on Industrial Electronics (ISIE), Istanbul, Turkey, 1–4 June 2014; IEEE: Piscataway, NJ, USA, 2014; pp. 437–442. [Google Scholar]
- An, F.; Song, W.; Yang, K.; Yang, S.; Ma, L. A Simple Power Estimation with Triple Phase-Shift Control for the Output Parallel DAB DC–DC Converters in Power Electronic Traction Transformer for Railway Locomotive Application. IEEE Trans. Transp. Electrif. 2018, 5, 299–310. [Google Scholar] [CrossRef]
- Gorji, S.A.; Sahebi, H.G.; Ektesabi, M.; Rad, A.B. Topologies and Control Schemes of Bidirectional DC–DC Power Converters: An Overview. IEEE Access 2019, 7, 117997–118019. [Google Scholar] [CrossRef]
- Erni, I.R.; Vidal-Idiarte, E.; Calvente, J.; Guasch-Pesquer, L. Small Signal Modelling for Variable Frequency Control with Maximum Efficiency Point Tracking of DAB Converter. IEEE Access 2021, 9, 85289–85299. [Google Scholar] [CrossRef]
- Perdigão, M.S.; Trovão, J.P.F.; Alonso, J.M.; Saraiva, E.S. Large-Signal Characterization of Power Inductors in EV Bidirectional DC–DC Converters Focused on Core Size Optimization. IEEE Trans. Ind. Electron. 2015, 62, 3042–3051. [Google Scholar] [CrossRef]
- He, P.; Khaligh, A. Comprehensive Analyses and Comparison of 1 kW Isolated DC–DC Converters for Bidirectional EV Charging Systems. IEEE Trans. Transp. Electrif. 2016, 3, 147–156. [Google Scholar] [CrossRef]
- Lee, B.-K.; Kim, J.-P.; Kim, S.-G.; Lee, J.-Y. An Isolated/Bidirectional PWM Resonant Converter for V2G (H) EV on-Board Charger. IEEE Trans. Veh. Technol. 2017, 66, 7741–7750. [Google Scholar] [CrossRef]
- Wang, Y.; Li, Y.; Guan, Y.; Xu, D. Topology and Control Optimization of Bidirectional DC/DC Converter for Electric Vehicles. IEEE J. Emerg. Sel. Top. Power Electron. 2023, 12, 257–268. [Google Scholar] [CrossRef]
- Reddy, R.M.; Das, M. A Reconfigurable Bidirectional Dc-Dc Converter with Integrated Battery Heating for Electric Vehicle Applications. IEEE J. Emerg. Sel. Top. Ind. Electron. 2023, 4, 1181–1191. [Google Scholar] [CrossRef]
- Zhang, Z.; Ouyang, Z.; Thomsen, O.C.; Andersen, M.A. Analysis and Design of a Bidirectional Isolated DC–DC Converter for Fuel Cells and Supercapacitors Hybrid System. IEEE Trans. Power Electron. 2011, 27, 848–859. [Google Scholar] [CrossRef]
- Khan, S.A.; Islam, M.R.; Guo, Y.; Zhu, J. A New Isolated Multi-Port Converter with Multi-Directional Power Flow Capabilities for Smart Electric Vehicle Charging Stations. IEEE Trans. Appl. Supercond. 2019, 29, 0602504. [Google Scholar] [CrossRef]
- Chiu, H.-J.; Lin, L.-W. A Bidirectional DC–DC Converter for Fuel Cell Electric Vehicle Driving System. IEEE Trans. Power Electron. 2006, 21, 950–958. [Google Scholar] [CrossRef]
- Rathore, V.; Rajashekara, K.; Nayak, P.; Ray, A. A High-Gain Multilevel Dc–Dc Converter for Interfacing Electric Vehicle Battery and Inverter. IEEE Trans. Ind. Appl. 2022, 58, 6506–6518. [Google Scholar] [CrossRef]























| Converter | Power Control | Advantage | Inferiority | Application Range | Bidirectional Transition Speed |
|---|---|---|---|---|---|
| Bidirectional flyback converter | PWM, phase shifting | Simple structure, low cost, easy drive circuitry | Transformer in unidirectional excitation state, low utilization of transformer | Medium to small power applications | Fast |
| Bidirectional forward converter | PWM, phase-shifting modulation | Simple structure, low production cost, good dynamic response characteristics | Large switch stress when switch is turned off | Low power applications | Fast |
| Bidirectional push–pull converter | PWM, phase-shifting modulation | Simple structure, easy drive circuitry design | Serious biasing issues, high switch stress | Medium to low voltage applications | Fast |
| Converter | Power Control | Advantage | Inferiority | Soft-Switching Range | Bidirectional Transition Speed |
|---|---|---|---|---|---|
| DAB converter | Phase-shift modulation/Frequency modulation | Simple structure, easy drive circuitry design | Serious biasing issues, high switch stress | Narrow | Fast |
| Converter | Resonant Network Structure | Power Control | Advantage | Inferiority | Soft-Switching Range | Bidirectional Transition Speed |
|---|---|---|---|---|---|---|
| Bidirectional series resonant converter | ![]() | Phase-shift modulation/Frequency modulation | Low current stress, simple control, etc. | No gain adjustment at no load, small soft-switching range. | Narrow | Fast |
| Bidirectional parallel resonant converter | ![]() | Phase-shift modulation/Frequency modulation | Wide voltage gain range, wide soft-switching range for no-load gain adjustment. | High circulating reactive current. | Narrow | Fast |
| Bidirectional LCC resonant converter | ![]() | Phase-shift modulation/Frequency modulation | Wide gain range, good frequency conversion characteristics. | Not suitable for wide output power applications. | Slightly narrow | Fast |
| Bidirectional LCL resonant converter | ![]() | Phase-shift modulation/Frequency modulation | Low reflow power and high efficiency. | Not adapted to wide output power occasions, large size | Slightly narrow | Fast |
| Bidirectional LLC resonant converter | ![]() | Phase-shift modulation/Frequency modulation/Frequency + phase-shift modulation | Wide regulating range, wide soft-switching range, high efficiency, good high-frequency characteristics. | Asymmetric structure with low inverse gain. | Relatively wide | Fast |
| Bidirectional CLLC resonant converter | or ![]() | Phase-shift modulation/Frequency modulation/Frequency + phase-shift modulation | LLC structure features in both directions for high efficiency. | Complicated parameter design and large size. | Wide | Slow |
| Bidirectional CLLLC resonant converter | ![]() | Phase-shift modulation/Frequency modulation | Excellent LLC characteristics in both directions, high efficiency, symmetrical structure. | Complicated parameter design and large size. | Wide | Slow |
| Specific Applications in Electric Vehicle | The Topology of the Adopted IBDC | The Achieved Results |
|---|---|---|
| EV on-board power supply | Bidirectional CLLLC converter | High voltage gain and high efficiency |
| DAB converter | Wide soft-switching range, low current stress and reactive power loss, compact footprint | |
| Auxiliary power supply for EV | Bidirectional LLC converter | High power density, high efficiency, high system reliability, lightweight |
| Temperature control of electric vehicle batteries | Bidirectional LLC/CLLC converter | High voltage gain, wide soft-switching range, compact footprint, high safety |
| Hybrid power balance | DAB converter and bidirectional series resonance converter | High efficiency, wide soft-switching range, eliminates reactive power loss |
| EV charging | DAB converter | High safety, improved power quality |
| EV drive system | DAB converter | Low cost, high efficiency |
Disclaimer/Publisher’s Note: The statements, opinions and data contained in all publications are solely those of the individual author(s) and contributor(s) and not of MDPI and/or the editor(s). MDPI and/or the editor(s) disclaim responsibility for any injury to people or property resulting from any ideas, methods, instructions or products referred to in the content. |
© 2024 by the authors. Licensee MDPI, Basel, Switzerland. This article is an open access article distributed under the terms and conditions of the Creative Commons Attribution (CC BY) license (https://creativecommons.org/licenses/by/4.0/).
Share and Cite
Wang, Z.; Su, X.; Zeng, N.; Jiang, J. Overview of Isolated Bidirectional DC–DC Converter Topology and Switching Strategies for Electric Vehicle Applications. Energies 2024, 17, 2434. https://doi.org/10.3390/en17102434
Wang Z, Su X, Zeng N, Jiang J. Overview of Isolated Bidirectional DC–DC Converter Topology and Switching Strategies for Electric Vehicle Applications. Energies. 2024; 17(10):2434. https://doi.org/10.3390/en17102434
Chicago/Turabian StyleWang, Zhenkun, Xianjin Su, Nianyin Zeng, and Jiahui Jiang. 2024. "Overview of Isolated Bidirectional DC–DC Converter Topology and Switching Strategies for Electric Vehicle Applications" Energies 17, no. 10: 2434. https://doi.org/10.3390/en17102434
APA StyleWang, Z., Su, X., Zeng, N., & Jiang, J. (2024). Overview of Isolated Bidirectional DC–DC Converter Topology and Switching Strategies for Electric Vehicle Applications. Energies, 17(10), 2434. https://doi.org/10.3390/en17102434









