Automatic Generation Control Ancillary Service Cost-Allocation Methods Based on Causer-Pays Principle in Electricity Market
Abstract
:1. Introduction
- The new design of AGC ancillary service cost allocation based on the causer-pays rule;
- A method of allocating costs proportionately to the amount of AAS caused (variation-based method);
- A method for costs and revenue allocation based on the opportunity cost and interaction between loads (opportunity cost-based method);
- Consider both load and variable renewable energy (VRE) while allocating AAS costs.
2. Ancillary Service Pricing Methods
- Electricity generation is not based on load prediction but on the actual traded amount. In other words, it is possible to know the planned power generation and consumption by time of all generators and loads.
- All generators and loads use a smart meter to record electricity generation and consumption in real time.
2.1. Simple System
2.1.1. Variation-Based Method (Method 1)
2.1.2. Opportunity Cost-Based Method (Method 2)
2.2. Complex System with Multiple Loads and AASSs
2.3. Considering Variable Resources
3. Case Study
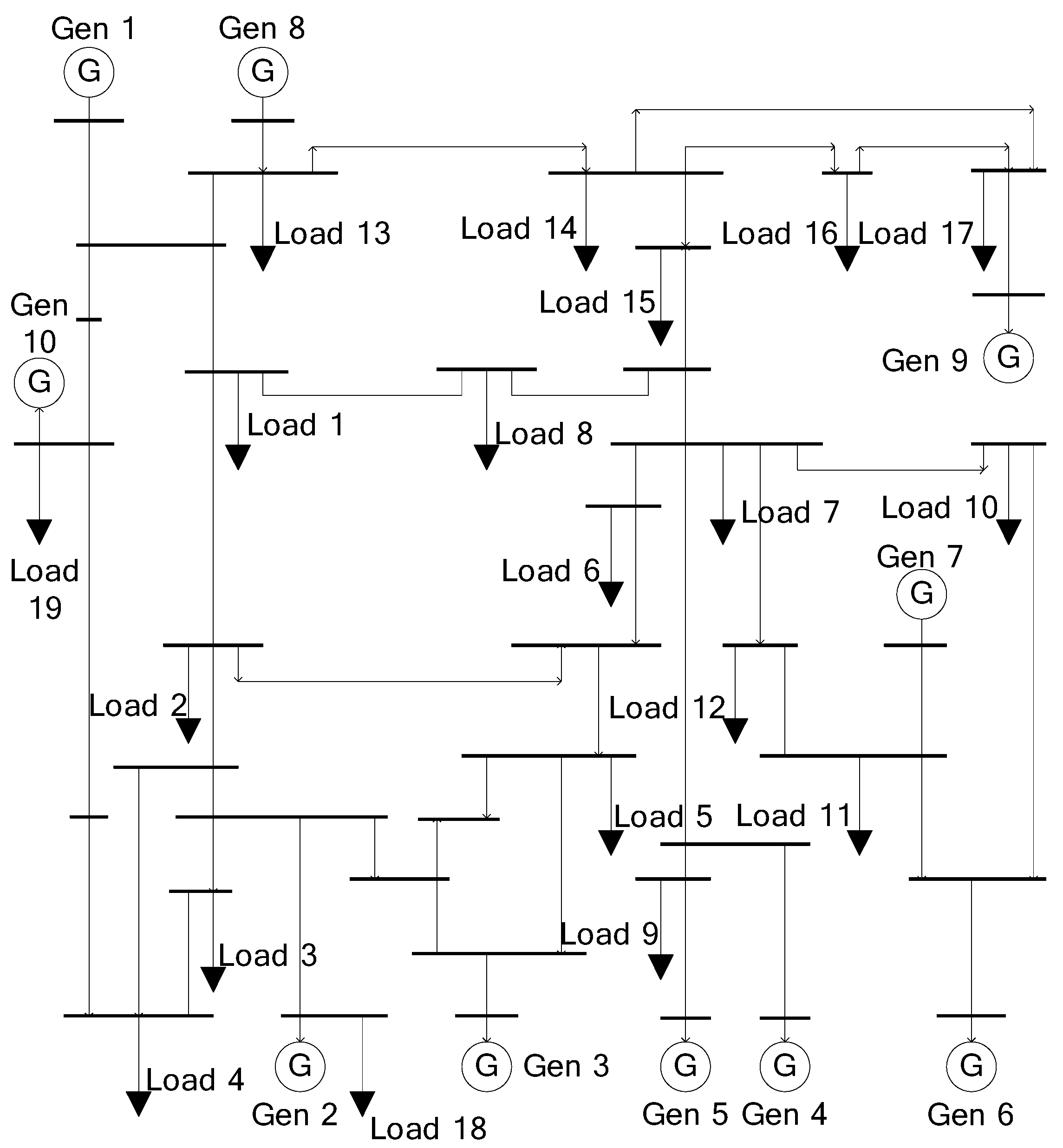
3.1. System Configuration
3.2. Result Comparison between Uplift and Method 1
3.3. Result Comparison between Method 1 and Method 2
4. Conclusions
Author Contributions
Funding
Data Availability Statement
Conflicts of Interest
Nomenclature
| subscript for load | |
| subscript for group | |
| subscript for generator | |
| Total utilization cost, which ISO pays to all AASSs | |
| Utilization cost, which ISO pays to generator k | |
| Utilization cost, which generator k pays to ISO | |
| Utilization cost, which group j pays to ISO | |
| Utilization cost, which load i pays to ISO | |
| Opportunity cost, which load n pays to load m | |
| Change in the output power of AASS for AAS (MW) | |
| Deviation of actual output power compared to scheduled output power of generator k (MW) | |
| Deviation of actual power compared to scheduled power of group j (MW) | |
| Deviation of actual demand compared to scheduled demand of load i (MW) | |
| Utilization cost function for negative P | |
| Utilization cost function for positive P | |
| Line loss increase function due to the ΔP (MW) | |
| Scheduled output power of generator k (MW) | |
| Scheduled demand of load i (MW) |
References
- Puertas, R.; Marti, L. Renewable energy production capacity and consumption in Europe. Sci. Total Environ. 2022, 853, 158592. [Google Scholar] [CrossRef] [PubMed]
- Azarpour, A.; Mohammadzadeh, O.; Rezaei, N.; Zendehboudi, S. Current status and future prospects of renewable and sustainable energy in North America: Progress and challenges. Energy Convers. Manag. 2022, 269, 115945. [Google Scholar] [CrossRef]
- Gielen, D.; Boshell, F.; Saygin, D.; Bazilian, M.D.; Wagner, N.; Gorini, R. The role of renewable energy in the global energy transformation. Energy Strategy Rev. 2019, 24, 38–50. [Google Scholar] [CrossRef]
- Elavarasan, R.M.; Shafiullah, G.; Padmanaban, S.; Kumar, N.M.; Annam, A.; Vetrichelvan, A.M.; Mihet-Popa, L.; Holm-Nielsen, J.B. A comprehensive review on renewable energy development, challenges, and policies of leading Indian states with an international perspective. IEEE Access 2020, 8, 74432–74457. [Google Scholar] [CrossRef]
- Suh, J.; Hwang, S.; Jang, G. Development of a transmission and distribution integrated monitoring and analysis system for high distributed generation penetration. Energies 2017, 10, 1282. [Google Scholar] [CrossRef]
- Suh, J.; Yoon, D.-H.; Cho, Y.-S.; Jang, G. Flexible frequency operation strategy of power system with high renewable penetration. IEEE Trans. Sustain. Energy 2016, 8, 192–199. [Google Scholar] [CrossRef]
- Zakaria, A.; Ismail, F.B.; Lipu, M.H.; Hannan, M.A. Uncertainty models for stochastic optimization in renewable energy applications. Renew. Energy 2020, 145, 1543–1571. [Google Scholar] [CrossRef]
- Mongird, K.; Viswanathan, V.; Alam, J.; Vartanian, C.; Sprenkle, V.; Baxter, R. 2020 Grid Energy Storage Technology Cost and Performance Assessment; United States Dept. Energy, Pacific Northwest Nat. Lab.: Richland, WA, USA, 2020. [Google Scholar]
- Ma, Y.; Hu, Z.; Song, Y. Hour-ahead optimization strategy for shared energy storage of renewable energy power stations to provide frequency regulation service. IEEE Trans. Sustain. Energy 2022, 13, 2331–2342. [Google Scholar] [CrossRef]
- Gonçalves, A.; Cavalcanti, G.O.; Feitosa, M.A.; Dias Filho, R.F.; Pereira, A.C.; Jatobá, E.B.; de Melo Filho, J.B.; Marinho, M.H.; Converti, A.; Gómez-Malagón, L.A. Optimal Sizing of a Photovoltaic/Battery Energy Storage System to Supply Electric Substation Auxiliary Systems under Contingency. Energies 2023, 16, 5165. [Google Scholar] [CrossRef]
- Lander, E.; Liker, J.K. The Toyota Production System and art: Making highly customized and creative products the Toyota way. Int. J. Prod. Res. 2007, 45, 3681–3698. [Google Scholar] [CrossRef]
- Liker, J.K.; Morgan, J.M. The Toyota way in services: The case of lean product development. Acad. Manag. Perspect. 2006, 20, 5–20. [Google Scholar] [CrossRef]
- Mrugalska, B.; Wyrwicka, M.K. Towards lean production in industry 4.0. Procedia Eng. 2017, 182, 466–473. [Google Scholar] [CrossRef]
- Widodo, S.M.; Astanti, R.D.; Ai, T.J.; Samadhi, T.A. Seven-waste framework of waste identification and elimination for computer-based administrative work. TQM J. 2021, 33, 773–803. [Google Scholar] [CrossRef]
- Dickson, E.W.; Singh, S.; Cheung, D.S.; Wyatt, C.C.; Nugent, A.S. Application of lean manufacturing techniques in the emergency department. J. Emerg. Med. 2009, 37, 177–182. [Google Scholar] [CrossRef] [PubMed]
- Wang, J.; Pang, X.; Gao, S.; Zhao, Y.; Cui, S. Assessment of automatic generation control performance of power generation units based on amplitude changes. Int. J. Electr. Power Energy Syst. 2019, 108, 19–30. [Google Scholar] [CrossRef]
- Zhou, Z.; Levin, T.; Conzelmann, G. Survey of US Ancillary Services Markets; Argonne National Lab. (ANL): Argonne, IL, USA, 2016. [Google Scholar]
- Agostini, C.A.; Armijo, F.A.; Silva, C.; Nasirov, S. The role of frequency regulation remuneration schemes in an energy matrix with high penetration of renewable energy. Renew. Energy 2021, 171, 1097–1114. [Google Scholar] [CrossRef]
- Banshwar, A.; Sharma, N.K.; Sood, Y.R.; Shrivastava, R. Renewable energy sources as a new participant in ancillary service markets. Energy Strategy Rev. 2017, 18, 106–120. [Google Scholar] [CrossRef]
- Banshwar, A.; Sharma, N.K.; Sood, Y.R.; Shrivastava, R. An international experience of technical and economic aspects of ancillary services in deregulated power industry: Lessons for emerging BRIC electricity markets. Renew. Sustain. Energy Rev. 2018, 90, 774–801. [Google Scholar] [CrossRef]
- Lemaire, J. An application of game theory: Cost allocation. ASTIN Bull. J. IAA 1984, 14, 61–81. [Google Scholar] [CrossRef]
- Miller, B.L.; Buckman, A. Cost allocation and opportunity costs. Manag. Sci. 1987, 33, 626–639. [Google Scholar] [CrossRef]
- Young, H.P.; Okada, N.; Hashimoto, T. Cost allocation in water resources development. Water Resour. Res. 1982, 18, 463–475. [Google Scholar] [CrossRef]
- Littlechild, S.C.; Thompson, G. Aircraft landing fees: A game theory approach. Bell J. Econ. 1977, 8, 186–204. [Google Scholar] [CrossRef]
- Badesa, L.; Teng, F.; Strbac, G. Pricing inertia and frequency response with diverse dynamics in a mixed-integer second-order cone programming formulation. Appl. Energy 2020, 260, 114334. [Google Scholar] [CrossRef]
- Papadogiannis, K.; Hatziargyriou, N. Optimal allocation of primary reserve services in energy markets. IEEE Trans. Power Syst. 2004, 19, 652–659. [Google Scholar] [CrossRef]
- Badesa, L.; Matamala, C.; Zhou, Y.; Strbac, G. Assigning Shadow Prices to Synthetic Inertia and Frequency Response Reserves From Renewable Energy Sources. IEEE Trans. Sustain. Energy 2022, 14, 12–26. [Google Scholar] [CrossRef]
- Matamala, C.; Badesa, L.; Moreno, R.; Strbac, G. Cost Allocation for Inertia and Frequency Response Ancillary Services. arXiv 2023, arXiv:.06706. [Google Scholar]
- Wang, J.-J.; Li, W.-D.; Zhao, W.-L.; Zhao, Y.-L. A Novel Strategy for Allocation Cost of Automatic Generation Control in Electricity Market Environment. In Proceedings of the 2nd International Conference on Signal Processing Systems, Xi’an, China, 17–19 November 2010; IEEE: Piscataway, NJ, USA, 2010; pp. V3-237–V3-240. [Google Scholar]
- Lin, W.-M.; Yang, C.-Y.; Tsai, M.-T.; Wang, Y.-H. Unit Commitment with Ancillary Services in a Day-Ahead Power Market. Appl. Sci. 2021, 11, 5454. [Google Scholar] [CrossRef]
- Xu, B.; Dvorkin, Y.; Kirschen, D.S.; Silva-Monroy, C.A.; Watson, J.-P. A Comparison of Policies on the Participation of Storage in US Frequency Regulation Markets. In Proceedings of the 2016 IEEE Power and Energy Society General Meeting (PESGM), Boston, MA, USA, 17–21 July 2016; IEEE: Piscataway, NJ, USA, 2016; pp. 1–5. [Google Scholar]
- Zhang, G.; McCalley, J.; Wang, Q. An AGC dynamics-constrained economic dispatch model. IEEE Trans. Power Syst. 2019, 34, 3931–3940. [Google Scholar] [CrossRef]
- Goudarzi, H.; Rayati, M.; Sheikhi, A.; Ranjbar, A.M. A clearing mechanism for joint energy and ancillary services in non-convex markets considering high penetration of renewable energy sources. Int. J. Electr. Power Energy Syst. 2021, 129, 106817. [Google Scholar] [CrossRef]
- Patton, D.B.; LeeVanSchaick, P.; Chen, J. 2021 Assessment of the ISO New England Electricity Markets; ISO New England: Holyoke, MA, USA, 2022. [Google Scholar]
- Kirby, B. Ancillary Services: Technical and Commercial Insights; Wartsila: Helsinki, Finland, 2007. [Google Scholar]
- Athay, T.; Podmore, R.; Virmani, S. A practical method for the direct analysis of transient stability. IEEE Trans. Power Appar. 1979, PAS-98, 573–584. [Google Scholar] [CrossRef]










| Gen # | 1 | 2 | 3 | 4 | 5 | 6 | 7 | 8 | 9 | 10 |
|---|---|---|---|---|---|---|---|---|---|---|
| Psch (MW) | 250 | 567 | 650 | 632 | 508 | 650 | 560 | 540 | 830 | 1000 |
| AASS | Utilization Cost Function |
|---|---|
| Gen 2 | |
| Gen 3 | |
| Gen 8 | |
| Gen 10 |
| Load # | 1 | 2 | 3 | 4 | 5 | 6 | 7 | 8 | 9 | 10 |
| Psch (MW) | 322 | 500 | 233.8 | 522 | 8.5 | 320 | 329 | 158 | 680 | 274 |
| Load # | 11 | 12 | 13 | 14 | 15 | 16 | 17 | 18 | 19 | |
| Psch (MW) | 247.5 | 308.6 | 224 | 139 | 281 | 206 | 283.5 | 9.2 | 1104 |
| Load # | 1 | 2 | 3 | 4 | 5 | 6 | 7 | 8 | 9 | 10 |
| R (%) | 3.46 | 1.13 | 5.83 | 4.89 | 2.88 | 1.95 | 4.95 | 1.28 | 2.15 | 2.92 |
| Load # | 11 | 12 | 13 | 14 | 15 | 16 | 17 | 18 | 19 | |
| R (%) | 5.58 | 3.11 | 3.92 | 3.45 | 2.23 | 3.91 | 5.28 | 5.74 | 2.73 |
| AASS | Remuneration ($) |
|---|---|
| Gen 2 | 40,592 |
| Gen 3 | 56,944 |
| Gen 8 | 44,505 |
| Gen 10 | 60,870 |
| AAS Consumer | Uplift ($) | Method 1 ($) | Method 2 ($) |
|---|---|---|---|
| Load 1 | 9458 | 4695 | 5073 |
| Load 2 | 14,686 | 2387 | 5177 |
| Load 3 | 6867 | 6220 | 14,381 |
| Load 4 | 15,333 | 5189 | −18,753 |
| Load 5 | 250 | 14 | −17 |
| Load 6 | 9399 | 1433 | 2794 |
| Load 7 | 9664 | 3147 | 8169 |
| Load 8 | 4641 | 711 | 1774 |
| Load 9 | 19,974 | 4322 | 10,168 |
| Load 10 | 8048 | 3469 | 7271 |
| Load 11 | 7270 | 5801 | 10,865 |
| Load 12 | 9064 | 3505 | −1822 |
| Load 13 | 6580 | 4915 | 9926 |
| Load 14 | 4083 | 1961 | 2412 |
| Load 15 | 8254 | 1395 | 2167 |
| Load 16 | 6051 | 1982 | 3811 |
| Load 17 | 8327 | 8589 | 9654 |
| Load 18 | 270 | 117 | −155 |
| Load 19 | 32,428 | 10,762 | 25,932 |
| Gen 1 | 7343 | 36,002 | −57,441 |
| Gen 5 | 14,921 | 96,296 | 161,520 |
| AAS Consumer | Scheduled Load/Generation (MW) | Uplift ($) | Method 1 ($) |
|---|---|---|---|
| Load 2 | 500 | 14,686 | 2387 |
| Gen 5 | 508 | 14,921 | 96,296 |
| AAS Consumer | Scheduled Load (MW) | Randomness (%) | Uplift ($) | Method 1 ($) |
|---|---|---|---|---|
| Load 1 | 322 | 3.46 | 9458 | 4695 |
| Load 6 | 320 | 1.95 | 9399 | 1433 |
| AAS Consumer | Uplift | Method 1 | Method 2 |
|---|---|---|---|
| Load 4 | 15,333 | 5189 | −18,753 |
| Load 11 | 7270 | 5801 | 10,865 |
| Positive Time | Negative Time | |
|---|---|---|
| Load 4 | 51.5% | 48.5% |
| Load 11 | 41.2% | 58.8% |
Disclaimer/Publisher’s Note: The statements, opinions and data contained in all publications are solely those of the individual author(s) and contributor(s) and not of MDPI and/or the editor(s). MDPI and/or the editor(s) disclaim responsibility for any injury to people or property resulting from any ideas, methods, instructions or products referred to in the content. |
© 2023 by the authors. Licensee MDPI, Basel, Switzerland. This article is an open access article distributed under the terms and conditions of the Creative Commons Attribution (CC BY) license (https://creativecommons.org/licenses/by/4.0/).
Share and Cite
Kim, S.; Hwang, P.-I.; Suh, J. Automatic Generation Control Ancillary Service Cost-Allocation Methods Based on Causer-Pays Principle in Electricity Market. Energies 2024, 17, 11. https://doi.org/10.3390/en17010011
Kim S, Hwang P-I, Suh J. Automatic Generation Control Ancillary Service Cost-Allocation Methods Based on Causer-Pays Principle in Electricity Market. Energies. 2024; 17(1):11. https://doi.org/10.3390/en17010011
Chicago/Turabian StyleKim, Sunkyo, Pyeong-Ik Hwang, and Jaewan Suh. 2024. "Automatic Generation Control Ancillary Service Cost-Allocation Methods Based on Causer-Pays Principle in Electricity Market" Energies 17, no. 1: 11. https://doi.org/10.3390/en17010011
APA StyleKim, S., Hwang, P.-I., & Suh, J. (2024). Automatic Generation Control Ancillary Service Cost-Allocation Methods Based on Causer-Pays Principle in Electricity Market. Energies, 17(1), 11. https://doi.org/10.3390/en17010011
