Innovative Approaches to Solar Desalination: A Comprehensive Review of Recent Research
Abstract
1. Introduction
2. Method of Desalination
- Thermal desalination: works by vaporizing the saline water to separate the salt and then condensing the vapor. Therefore, heat is considered the main driving force to separate water from salts, such as multi-effect desalination (MED), the humidification–dehumidification method (HDH) and multi-stage flash desalination (MSF) [9]. The main merit of thermal methods is using low-grade energy, flexibility and a simple design. This process can be powered by solar energy.
- Membrane distillation: water vapor is forced to pass through a membrane, leaving salt on one side. The main advantage of the membrane method is mass production. However, the main issue of desalination is reducing the energy required and increasing the dependency on renewable energy as well.
- Other methods such as chemical approaches, such as ion exchange, gas hydrate, and liquid-to-liquid extraction, differ greatly from thermal and semi-permeable membrane desalination. Ion exchange, for example, requires expensive chemicals and is only practical for treating low-saline water.
- Multi-stage flash (MSF).
- Multi-effect evaporation (MEE) or multi-effect desalination (MED).
- Thermal or mechanical vapor compression.
3. Solar Desalination Techniques
4. Review of Traditional Direct Solar Desalination Methods
4.1. Solar Still
4.2. Solar Humidification De-Humidification Systems
- The heating source—heat is supplied to saline water.
- The humidifier—at which the air is humidified.
- The dehumidifier—at which vapor condenses from the air [20].
4.2.1. Classification of HDH Systems
4.2.2. Open-Air, Closed-Water (OACW) Cycle, Water Heater Systems
4.2.3. Closed-Air, Open-Water (CAOW) Cycles, Water Heater Systems
4.2.4. Closed-Air, Open-Water (CAOW) Cycles, Air Heater Systems
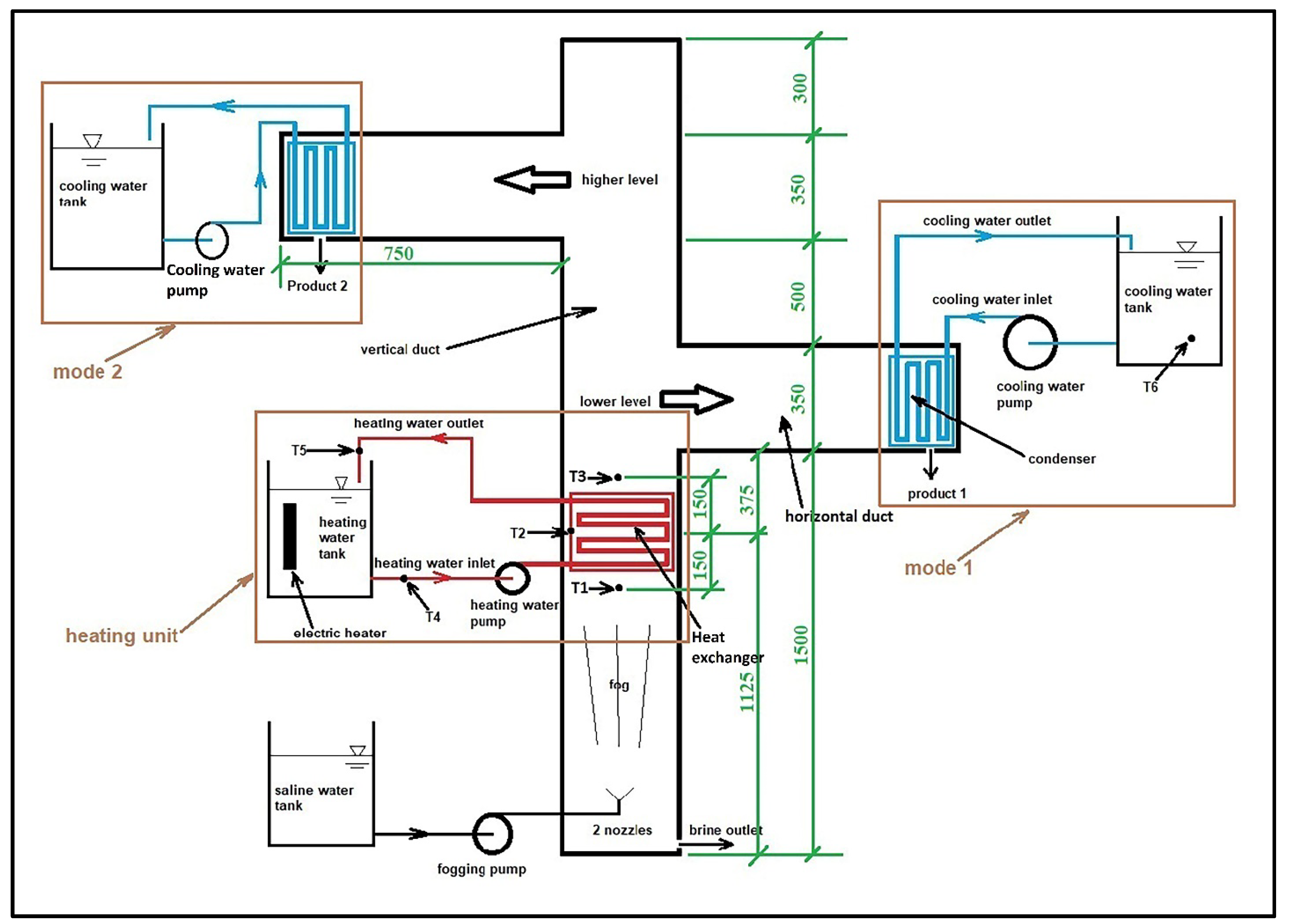
4.3. Spray Evaporator Desalination Systems
| No. | Reference | Year | Setup | Humidifier | Dehumidifier | Productivity | Performance | Cost |
|---|---|---|---|---|---|---|---|---|
| 1 | Sharshir et al. [21] | 2016 | Hybrid desalination system of an HDH unit integrated with four solar stills | Packing material cellulose type | Copper coil with corrugated fins | 66.3 kg/d | (GOR) 3.18 | 0.034 USD/kg |
| 2 | Zubair et al. [22] | 2017 | Solar HDH desalination (evacuated tube solar water heater) | - | - | 2.2197 kg/h | (GOR) 1.85 | 0.032 USD/kg |
| 3 | Nematollahi et al. [23] | 2013 | Solar HDH desalination system | Cylindrical galvanized iron tube filled with Pall Rings | A galvanized shell-and-tube heat exchanger | 0.17 kg/m2·h | - | - |
| 4 | Amer et al. [24] | 2009 | Conventional HDH desalination system (CAOW) | Packed bed ((gunny bag cloth), (plywood slates) and (PVC sheets)) | The dimensions of the condensation tower are 200 cm in height, 40 cm in length, and 50 cm in width. A copper tube formed as a coil is used as a condenser of 15 m in length and 1.27 cm outer diameter. | 5.8 L/h | - | - |
| 5 | Zhani and Ben Bacha [25] | 2010 | Solar HDH desalination system | Textile (viscose) surface is used as packing to increase the interface area between the air and water, which form the wetted surface | Dismantled copper vertical rows, to ensure their maintenance, and organized in a triangular arrangement | Maximum (21.7 kg/day) | - | 1.6 €/day |
| 6 | Yuan and Zhang [26] | 2007 | 24 h/d operating HDH desalination system | Closed tower structure tank driven by blowers | - | 5.2 kg/m2/d | - | - |
| 7 | Al-Hallaj et al. [27] | 1998 | Conventional solar HDH desalination system | Cooling tower built of wooden structure and fixed in the second duct | Galvanized steel plates. A copper tube was welded to the dehumidifier plate in a helical shape | Peak hourly productivity 0.7 kg/m2·h | Performance factor = 1.8 | |
| 8 | Yamali and Solmus [28] | 2008 | A double-pass flat-plate solar air heater HDH desalination system. | Four pads in series, made of plastic material and it forms the wetted surface of the humidifier | Three-air cooler heat exchangers manufactured with copper tubes and corrugated aluminium fins | 2.5 kg/h | - | - |
| 9 | Orfi et al. [29] | 2004 | Solar HDH desalination system | Five parallel plates made of wood and covered with textile (cotton) are fixed | Two rows of long cylinders made of copper | - | - | - |
| 10 | El-Agouz [30] | 2010 | HDH desalination system (air through seawater) | Bubble-column humidifier | A two-shell and tube heat exchanger | 8.22 kg/h | Efficiency ~80% | 0.046 USD/kg |
| 11 | Tow and Lienhard [31] | 2014 | Direct-contact dehumidification in bubble columns | - | Direct-contact dehumidification in bubble columns | - | Dehumidifier effectiveness peaked at nearly 0.99 | - |
| 12 | Muthusamy and Srithar [32] | 2015 | HDH desalination system using various inserts | Made of polyvinyl chloride (PVC) tube of 152 mm diameter and 800 mm height; packing materials are arranged in two layers | Shell and tube condenser with one shell and 5 tube passes | 0.340 kg/h | 44% energy efficiency; 38% exergy efficiency | - |
| 13 | Srithar and Rajaseenisaan [33] | 2017 | Solar HDH desalination | Single-basin single-slope solar still with the provision for the air inlet and outlet | The glass covering the solar still | 20.61 kg/m2·d | - | - |
| 14 | Li et al. [34] | 2014 | Solar HDH desalination (solar air heater with evacuated tubes) | One cassette made of corrugated cellulosic material, which constitutes the large and wetted surface | A chamber with a rectangular cross-section; two rows of long tubes made of copper | 1000 L/day | - | - |
| 15 | Yamali and Solmus [35] | 2007 | Solar HDH desalination system (double-pass flat plate solar air heater) | - | - | 10 kg/day | - | - |
| 16 | Guofeng et al. [36] | 2011 | Solar HDH desalination system (air and water solar heaters) | Covered with polyurethane sandwich panels, of which the upper and lower boards were pre-painted stainless steel sheets | Fin-tube heat exchanger with no insulation between the humidifier section | 1000 L/day | - | 19.2 Yuan/m3 |
| 17 | Zhani [37] | 2013 | Mathematical model of solar HDH desalination system | Packed bed “horn trees or palm tree leaves” | The condensation chamber contains polypropylene condensation plates | ~2.25 kg/h | (GOR) ~ 3.0 | - |
| 18 | Narayan et al. [43] | 2009 | Theoretical improvement of HDH desalination systems | - | - | - | (GOR) ~ 5.0 | - |
| 19 | Prakash Narayan et al. [44] | 2010 | Review paper with novel proposals for improvement | |||||
| 20 | Mistry et al. [45] | 2011 | Investigate the performance of HDH in terms of second-law efficiency | Present physical models that could be applied to different thermal desalination systems | ||||
| 21 | ELzayed et al. [46] | 2020 | Enhance the performance of HDH by reaching thermodynamics balancing in different components | 1.7 m height structured packing humidifier with a square cross-sectional area of 30 × 30 cm2 made of galvanized mild steel sheets of 1 mm thickness | Fin-tube copper coils through which water partially gains heat indirectly from moist air. The copper coils have a square dimension of 30 cm × 30 cm and the coil diameter is ¼ inches | 11.5 L/h | (GOR) ~ 0.99 | reduce the cost by 40% (0.033 USD/L.) |
| 22 | Lienhard [47] | 2019 | Book chapter discussed some problems such as energy consumption and the effectiveness of different processes | |||||
| 23 | Lawal et al. [48] | 2021 | A hybrid system of MSF and HDH desalination system | - | - | 5 L/h | (GOR) ~ 8.73 | 1.068 USD/m3 |
| 24 | Soomro et al. [49] | 2021 | Solar HDH desalination system powered by air–water solar heater | - | - | 6.2 kg/h | (GOR) ~ 3.35 | - |
5. Recent Solar Membrane Desalination Systems
6. Recent Direct Solar Desalination Systems
7. Future Recommandations
8. Conclusions
Funding
Data Availability Statement
Acknowledgments
Conflicts of Interest
Abbreviations
| CAOW | Closed-air, open-water cycles |
| ED | Electric dialysis |
| ETSWH | Evacuated tube solar water heater |
| GOR | Gained output ratio |
| HDH | Humidification dehumidification |
| MD | Membrane desalination |
| MED | Multi-effect desalination |
| MEE | Multi-effect evaporation |
| MOF | Metal-organic frame |
| MSF | Multi-stage flash desalination |
| MVC | Mechanical vapor compressor |
| OACW | Open-air, closed-water cycles |
| OAOW | Open-air, open-water cycles |
| PCM | Phase change material |
| PV | Photovoltaic |
| RO | Reverse osmosis |
| TVC | Thermal vapor compression |
| UNICEF | United Nations Children’s Fund |
References
- Engelman, R. People in the Balance; Population Action International: Washington, DC, USA, 2000; Available online: https://www.populationaction.org (accessed on 19 March 2023).
- Vigotti, R.; Hoffman, A. Workshop on Renewable Energy and Water. IEA Working Party on Renewable Energy Technologies. 2009. Available online: https://www.un.org/waterforlifedecade/scarcity.shtml (accessed on 19 March 2023).
- WWAP. The United Nations World Water Development Report 2018; Nature-Based Solutions, UNESCO: Paris, France, 2018. [Google Scholar]
- Liburd, S. Solar-Driven Humidification-Dehumidification Desalination for Potable Use in Haiti. Available online: https://dspace.mit.edu/handle/1721.1/62033 (accessed on 30 June 2018).
- Multiple Ways of Assessing Threats to Water: Supply-Side and Demand-Side Problems. Available online: https://www.fewresources.org/water-scarcity-issues-were-running-out-of-water.html (accessed on 19 March 2023).
- Government of Canada. Available online: https://www.canada.ca/en/environment-climate-change/services/environmental-indicators/residential-water-use.html (accessed on 19 March 2023).
- Rajagopal, R.; Wichman, M.; Brands, E. Ency Pp—Water Drinking—IEG; Wiley & Sons: Hoboken, NJ, USA, 2017. [Google Scholar] [CrossRef]
- University of Oxford, Our World in Data. Available online: https://ourworldindata.org/water-use-stress (accessed on 19 March 2023).
- Ullah, I.; Rasul, M.G. Recent Developments in Solar Thermal Desalination Technologies: A Review. Energies 2019, 12, 119. [Google Scholar] [CrossRef]
- Chopra, K.; Tyagi, V.V.; Pandey, A.K.; Sari, A. Global advancement on experimental and thermal analysis of evacuated tube collector with and without heat pipe systems and possible applications. Appl. Energy 2018, 228, 351–389. [Google Scholar] [CrossRef]
- Miller, J.E. Review of Water Resources and Desalination Technologies; Release Report SAND-2003-0800; Sandia National Laboratories Unlimited: Livermore, CA, USA, 2003.
- Burn, S.; Hoang, M.; Zarzo, D.; Olewniak, F.; Campos, E.; Bolto, B.; Barron, O. Desalination techniques—A review of the opportunities for desalination in agriculture. Desalination 2015, 364, 2–16. [Google Scholar] [CrossRef]
- Alaian, W.M.; Elnegiry, E.A.; Hamed, A.M. Experimental investigation on the performance of solar still augmented with pin-finned wick. Desalination 2016, 379, 10–15. [Google Scholar] [CrossRef]
- Rajaseenivasan, T.; Tinnokesh, A.P.; Rajesh Kumar, G.; Srithar, K. Glass basin solar still with integrated preheated water supply–Theoretical and experimental investigation. Desalination 2016, 398, 214–221. [Google Scholar] [CrossRef]
- Kabeel, A.E.; Khalil, A.; Omara, Z.M.; Younes, M.M. Theoretical and experimental parametric study of modified stepped solar still. Desalination 2012, 289, 12–20. [Google Scholar] [CrossRef]
- Kabeel, A.E.; Abdelgaied, M. Improving the performance of solar still by using PCM as a thermal storage medium under Egyptian conditions. Desalination 2016, 383, 22–28. [Google Scholar] [CrossRef]
- Hansen, R.S.; Narayanan, C.S.; Murugavel, K.K. Performance analysis on inclined solar still with different new wick materials and wire mesh. Desalination 2015, 358, 1–8. [Google Scholar] [CrossRef]
- Anburaja, P.; Hansenb, R.S.; Murugavela, K.K. Performance of an Inclined Solar Still with Rectangular Grooves and Ridges. Appl. Sol. Energy 2013, 49, 22–26. [Google Scholar] [CrossRef]
- El-Sebaii, A.A.; El-Naggar, M. Year round performance and cost analysis of a finned single basin solar still. Appl. Therm. Eng. 2017, 110, 787–794. [Google Scholar] [CrossRef]
- Parekh, S.; Farid, M.M.; Selman, J.R.; Al-Hallaj, S. Solar desalination with a humidification-dehumidification technique—A comprehensive technical review. Desalination 2004, 160, 167–186. [Google Scholar] [CrossRef]
- Sharshir, S.W.; Peng, G.; Yang, N.; Eltawil, M.A.; Ali, M.K.A.; Kabeel, A.E. A hybrid desalination system using humidification-dehumidification and solar stills integrated with evacuated solar water heater. Energy Convers. Manag. 2016, 124, 287–296. [Google Scholar] [CrossRef]
- Zubair, M.I.; Al-Sulaiman, F.A.; Antar, M.A.; Al-Dini, S.A.; Ibrahim, N.I. Performance and cost assessment of solar driven humidification-dehumidification desalination system. Energy Convers. Manag. 2017, 132, 28–39. [Google Scholar] [CrossRef]
- Nematollahi, F.; Rahimi, A.; Gheinani, T.T. Experimental and theoretical energy and exergy analysis for a solar desalination system. Desalination 2013, 317, 23–31. [Google Scholar] [CrossRef]
- Amer, E.H.; Kotb, H.; Mostafa, G.H.; El-Ghalban, A.R. Theoretical and experimental investigation of humidification-dehumidification desalination unit. Desalination 2009, 249, 949–959. [Google Scholar] [CrossRef]
- Zhani, K.; Ben Bacha, H. Experimental investigation of a new solar desalination prototype using the humidification-dehumidification principle. Renew. Energy 2010, 35, 2610–2617. [Google Scholar] [CrossRef]
- Yuan, G.; Zhang, H. Mathematical modelling of a closed circulation solar desalination unit with humidification-dehumidification. Desalination 2007, 205, 156–162. [Google Scholar] [CrossRef]
- Al-Hallaj, S.; Farid, M.M.; Tamimi, A.R. Solar desalination with a humidification- dehumidification cycle: Performance of the unit. Desalination 1998, 120, 273–280. [Google Scholar] [CrossRef]
- Yamali, C.; Solmus, I. A solar desalination system using humidification-dehumidification process: Experimental study and comparison with the theoretical results. Desalination 2008, 220, 538–551. [Google Scholar] [CrossRef]
- Orfi, J.; Laplante, M.; Marmouch, H.; Galanis, N.; Benhamou, B.; Ben Nasrallah, S.; Nguyen, C.T. Experimental and theoretical study of a humidification-dehumidification water desalination system using solar energy. Desalination 2004, 168, 151–159. [Google Scholar] [CrossRef]
- El-Agouz, S. A new process of desalination by air passing through seawater based on humidification-dehumidification process. Energy 2010, 35, 5108–5114. [Google Scholar] [CrossRef]
- Tow, E.W.; Lienhard, V.J.H. Experiments and modelling of bubble column dehumidifier performance. Int. J. Therm. Sci. 2014, 80, 65–75. [Google Scholar] [CrossRef]
- Muthusamy, C.; Srithar, K. Energy and exergy analysis for a humidification-dehumidification desalination system integrated with multiple inserts. Desalination 2015, 367, 49–59. [Google Scholar] [CrossRef]
- Srithar, K.; Rajaseenivasan, T. Performance analysis on a solar bubble column humidification-dehumidification desalination system. Process. Saf. Environ. Prot. 2017, 105, 41–50. [Google Scholar] [CrossRef]
- Li, X.; Yuan, G.; Wang, Z.; Li, H.; Xu, Z. Experimental study on a humidification-dehumidification desalination system of solar air heater with evacuated tubes. Desalination 2014, 351, 1–8. [Google Scholar] [CrossRef]
- Yamali, C.; Solmuş, I. Theoretical investigation of a humidification-dehumidification desalination system configured by a double-pass flat plate solar air heater. Desalination 2007, 205, 163–177. [Google Scholar] [CrossRef]
- Yuan, G.; Wang, Z.; Li, H.; Li, X. Experimental study of a solar desalination system based on humidification-dehumidification process. Desalination 2011, 277, 92–98. [Google Scholar] [CrossRef]
- Zhani, K. Solar desalination based on multiple effect humidification process: Thermal performance and experimental validation. Renew. Sustain. Energy Rev. 2013, 24, 406–417. [Google Scholar] [CrossRef]
- Chen, Q.; Ja, M.K.; Li, Y.; Chua, K.J. Evaluation of a solar-powered spray-assisted low-temperature desalination technology. Appl. Energy 2018, 211, 997–1008. [Google Scholar] [CrossRef]
- Ikegami, Y.; Sasaki, H.; Gouda, T.; Uehara, H. Experimental study on a spray flash desalination (influence of the direction of injection). Desalination 2006, 194, 81–89. [Google Scholar] [CrossRef]
- Miyara, A.; Uehara, H.; Hino, M. A study of the spray flash desalination (effect of number of nozzles). Bull. Soc. Sea Water Sci. Jpn. 1991, 45, 339–344. [Google Scholar]
- Chen, Q.; Thu, K.; Bui, T.D.; Li, Y.; Ng, K.C.; Chua, K.J. Development of a model for spray evaporation based on droplet analysis. Desalination 2016, 399, 69–77. [Google Scholar] [CrossRef]
- Hamed, M.H.; Kabeel, A.E.; Omara, Z.M.; Sharshir, S.W. Mathematical and experimental investigation of a solar humidification-dehumidification desalination unit. Desalination 2015, 358, 9–17. [Google Scholar] [CrossRef]
- Prakash Narayan, G.; Sharqawy, H.; Lienhard, H. Thermodynamic analysis of humidification dehumidification desalination cycles. Desalination Water Treat. 2010, 16, 339–353. [Google Scholar] [CrossRef]
- Prakash Narayan, G.; Sharqawy, H.; Summers, K.; Lienhard, H.; Zubair, M.; Antar, M.A. The potential of solar-driven humidification–dehumidification desalination for small-scale decentralized water production. Renew. Sustain. Energy Rev. 2010, 14, 1187–1201. [Google Scholar] [CrossRef]
- Mistry, H.; McGovern, K.; Thiel, P.; Summers, K.; Zubair, M.; Lienhard, H. Entropy Generation Analysis of Desalination Technologies. Entropy 2011, 13, 1829–1864. [Google Scholar] [CrossRef]
- Elzayed, S.; Ahmed, M.A.M.; Antar, A.; Sharqawy, H.; Zubair, M. The impact of thermodynamic balancing on the performance of a humidification dehumidification desalination system. Therm. Sci. Eng. Prog. 2021, 21, 100794. [Google Scholar] [CrossRef]
- Lienhard, J.H. Humidification-Dehumidification Desalination. In Desalination: Water from Water; Kucera, J., Ed.; Scrivener Publishing: Beverly, MA, USA, 2019; pp. 387–446. [Google Scholar]
- Lawal, D.U.; Antar, M.A.; Khalifa, A.E. Integration of a MSF Desalination System with a HDH System for Brine Recovery. Sustainability 2021, 13, 3506. [Google Scholar] [CrossRef]
- Soomro, S.H.; Santosh, R.; Bak, C.-U.; Kim, W.-S.; Kim, Y.-D. Humidification-Dehumidification Desalination System Powered by Simultaneous Air-Water Solar Heater. Sustainability 2021, 13, 13491. [Google Scholar] [CrossRef]
- Yadav, A.; Labhasetwar, P.K.; Shahi, V.K. Membrane Distillation Using Low-Grade Energy for Desalination: A Review. J. Environ. Chem. Eng. 2021, 9, 105818. [Google Scholar] [CrossRef]
- Ma, Q.; Xu, Z.; Wang, R. Distributed Solar Desalination by Membrane Distillation: Current Status and Future Perspectives. Water Res. 2021, 198, 117154. [Google Scholar] [CrossRef]
- Mohan, G.; Kumar, U.; Pokhrel, M.K.; Martin, A. A Novel Solar Thermal Polygeneration System for Sustainable Production of Cooling, CleanWater and Domestic HotWater in United Arab Emirates: Dynamic Simulation and Economic Evaluation. Appl. Energy 2016, 167, 173–188. [Google Scholar] [CrossRef]
- Alsaman, S.; Hassan, A.; Ali, S.; Mohammed, H.; Zohir, E.; Farid, M.; Zakaria Eraqi, M.; El-Ghetany, H.; Askalany, A. Hybrid Solar-Driven Desalination/Cooling Systems: Current Situation and Future Trend. Energies 2022, 15, 8099. [Google Scholar] [CrossRef]
- Byrne, P.; Ait Oumeziane, Y.; Serres, L.; Mare, T. Study of a Heat Pump for Simultaneous Cooling and Desalination. Appl. Mech. Mater. 2016, 819, 152–159. [Google Scholar] [CrossRef]
- Ghaffour, N.; Lattemann, S.; Missimer, T.; Ng, K.C.; Sinha, S.; Amy, G. Renewable Energy-Driven Innovative Energy-Efficient Desalination Technologies. Appl. Energy 2014, 136, 1155–1165. [Google Scholar] [CrossRef]
- Shafieian, A.; Khiadani, M. A Multipurpose Desalination, Cooling, and Air-Conditioning System Powered by Waste Heat Recovery from Diesel Exhaust Fumes and Cooling Water. Case Stud. Therm. Eng. 2020, 21, 100702. [Google Scholar] [CrossRef]
- Ayou, D.S.; Zaragoza, G.; Coronas, A. Small-Scale Renewable Polygeneration System for off-Grid Applications: Desalination, Power Generation and Space Cooling. Appl. Therm. Eng. 2021, 182, 116112. [Google Scholar] [CrossRef]
- Ahmed, F.E.; Hashaikeh, R.; Hilal, N. Solar powered desalination—Technology, energy and future outlook. Desalination 2019, 453, 54–76. [Google Scholar] [CrossRef]
- Abu El-Maaty, A.E.; Awad, M.M.; Sultan, G.I.; Hamed, A.M. Solar powered fog desalination system. Desalination 2019, 472, 114130. [Google Scholar] [CrossRef]
- Abu El-Maaty, A.E.; Awad, M.M.; Sultan, G.I.; Hamed, A.M. Performance study of fog desalination system coupled with evacuated tube solar collector. Desalination 2021, 504, 114960. [Google Scholar] [CrossRef]
- Alhindawi, A.A.; Elmarghany, M.R.; Hamed, A.M.; Abdelrehim, O. Effect of Saline-Fog Temperature and Collection-Duct Height on Fog-Desalination Effectiveness. Appl. Therm. Eng. 2023, 227, 120390. [Google Scholar] [CrossRef]
- Shi, Y.; Ilic, O.; Atwater, H.A.; Greer, J.R. All-day fresh water harvesting by microstructured hydrogel membranes. Nat. Commun. 2021, 12, 2797. [Google Scholar] [CrossRef] [PubMed]
- Zhang, X.; Yan, Y.; Li, N.; Yang, P.; Yang, Y.; Duan, G.; Wang, X.; Xu, Y.; Li, Y. A robust and 3D-printed solar evaporator based on naturally occurring molecules. Sci. Bull. 2023, 68, 203–213. [Google Scholar] [CrossRef] [PubMed]
- Bai, H.; He, P.; Hao, L.; Fan, Z.; Niu, R.; Tang, T.; Gong, J. Waste-treating-waste: Upcycling discarded polyester into metal–organic framework nanorod for synergistic interfacial solar evaporation and sulfate-based advanced oxidation process. Chem. Eng. J. 2023, 456, 140994. [Google Scholar] [CrossRef]


































Disclaimer/Publisher’s Note: The statements, opinions and data contained in all publications are solely those of the individual author(s) and contributor(s) and not of MDPI and/or the editor(s). MDPI and/or the editor(s) disclaim responsibility for any injury to people or property resulting from any ideas, methods, instructions or products referred to in the content. |
© 2023 by the authors. Licensee MDPI, Basel, Switzerland. This article is an open access article distributed under the terms and conditions of the Creative Commons Attribution (CC BY) license (https://creativecommons.org/licenses/by/4.0/).
Share and Cite
Abu El-Maaty, A.E.; Awad, M.M.; Sultan, G.I.; Hamed, A.M. Innovative Approaches to Solar Desalination: A Comprehensive Review of Recent Research. Energies 2023, 16, 3957. https://doi.org/10.3390/en16093957
Abu El-Maaty AE, Awad MM, Sultan GI, Hamed AM. Innovative Approaches to Solar Desalination: A Comprehensive Review of Recent Research. Energies. 2023; 16(9):3957. https://doi.org/10.3390/en16093957
Chicago/Turabian StyleAbu El-Maaty, Ahmed E., Mohamed M. Awad, Gamal I. Sultan, and Ahmed M. Hamed. 2023. "Innovative Approaches to Solar Desalination: A Comprehensive Review of Recent Research" Energies 16, no. 9: 3957. https://doi.org/10.3390/en16093957
APA StyleAbu El-Maaty, A. E., Awad, M. M., Sultan, G. I., & Hamed, A. M. (2023). Innovative Approaches to Solar Desalination: A Comprehensive Review of Recent Research. Energies, 16(9), 3957. https://doi.org/10.3390/en16093957

