Investigation of the Effect of Current Protections in Conditions of Single-Phase Ground Fault through Transient Resistance in the Electrical Networks of Mining Enterprises
Abstract
1. Introduction
- The increase in the length and branching of medium-voltage air-cable and cable lines and the complexity of the MV grid with respect to the technological cycle application requires a timely update of the operation settings in order to preserve sufficient sensitivity in the protection behavior of the SPGF mode;
- The variety of SPGF modes and the places of their occurrence in the electrical network must be considered. For example, the arc SPGF (ASPGF) in the power supply system leads to overvoltage, exceeding the nominal value by 3–4 times. This causes deterioration of the insulation properties of electrical installations, accelerates the aging process, and, as a result, contributes to the premature failure of electrical equipment and increases the risk of electrical injuries of service personnel, unauthorized persons, and animals accidentally caught at the accident site [10];
- The calculation of the protection settings is straightforward in the case of a metallic SPGF mode. The incomplete ground fault (GF) mode is often accompanied by the presence of transient resistance at the point of fault, reaching values of several kilo-ohms [11]. The constant changing of the values of the zero-sequence current during the operation of 6–35 kV electrical networks (the conductivity of line phases relative to the ground, the parameters of neutral circuit grounding) causes additional difficulties in solving the problem of ensuring the stable functioning of protections in incomplete single-phase short circuit modes (through transient resistance).
2. Problem Statement
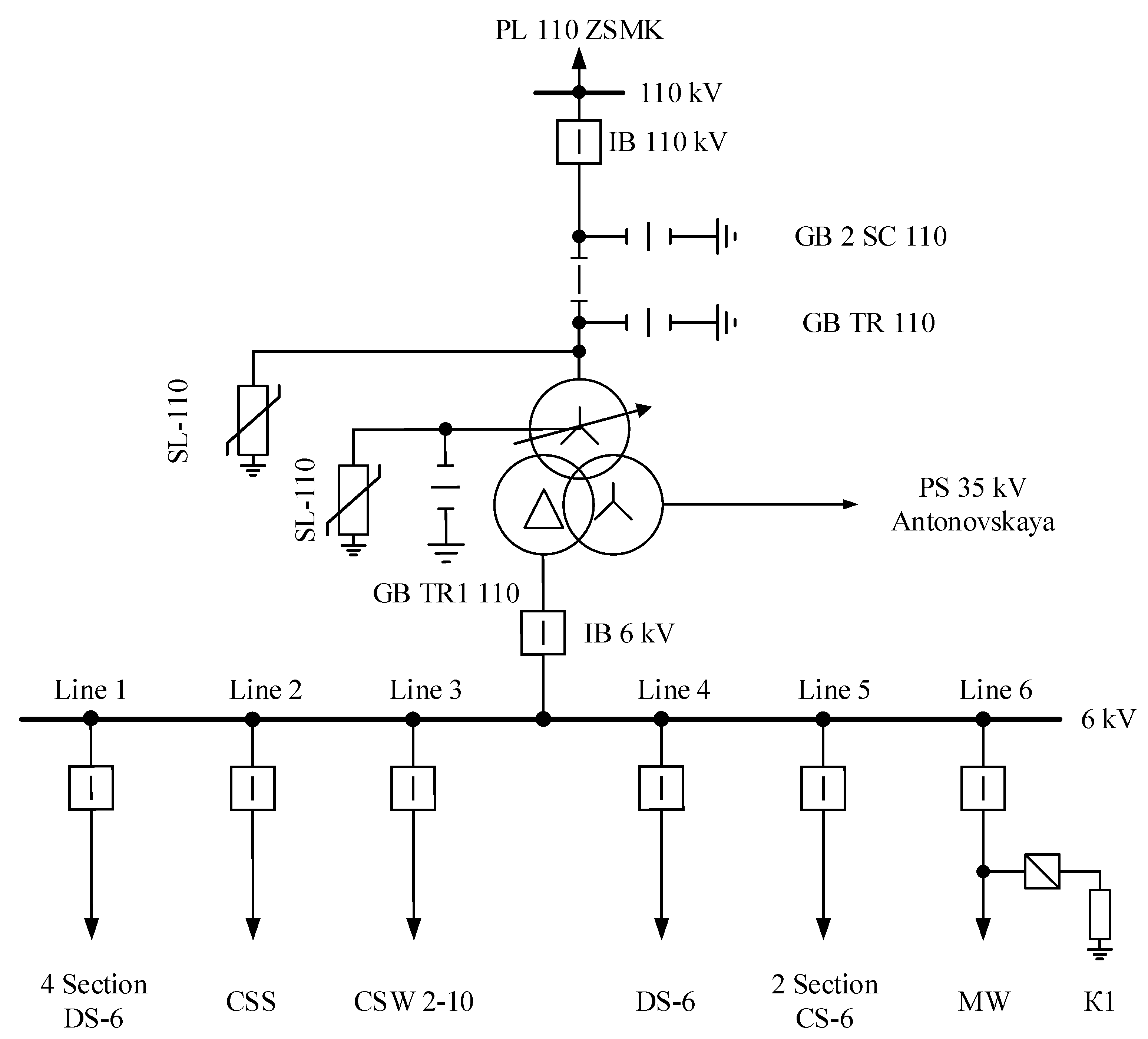
3. Materials and Methods
- Measurement of the current and voltage of the zero-sequence in the metal SPGF mode has been performed;
- In parallel to the load at point K1, resistances of various sizes ranging from 0 kOhm to 100 kOhm were connected in order to simulate the incomplete SPGF mode with different ground fault completeness factors;
- The values of the voltage and current of the zero-sequence circuit were recorded in the incomplete SPGF mode;
- On the basis of the experimental zero-sequence parameter values, the protection sensitivity factor was calculated in the incomplete SPGF mode with a different ground fault completeness factor.
4. Discussion
5. Conclusions
Author Contributions
Funding
Data Availability Statement
Acknowledgments
Conflicts of Interest
References
- Voronin, V.; Nepsha, F. Simulation of the electric drive of the shearer to assess the energy efficiency indicators of the power supply system. J. Min. Inst. 2020, 246, 633–639. [Google Scholar] [CrossRef]
- Klyuev, R.; Golik, V.; Bosikov, I.; Gavrina, O. Ensuring the electrical safety of a high-altitude quarry by choosing selective relay protection in electrical networks with a voltage above 1 kV. Occup. Saf. Ind. 2021, 9, 31–37. [Google Scholar] [CrossRef]
- Gendler, S.; Gabov, V.; Babyr, N.; Prokhorova, E. Justification of engineering solutions on reduction of occupational traumatism in coal longwalls. Min. Inf. Anal. Bull. 2022, 1, 5–19. [Google Scholar] [CrossRef]
- Sychev, Y.; Aladin, M.; Zimin, R. Multi-function filter compensation devices in composite power supply systems in mining industry. Min. Inf. Anal. Bull. 2022, 7, 164–179. [Google Scholar] [CrossRef]
- Abramovich, B.N.; Bogdanov, I.A. Improving the efficiency of autonomous electrical complexes of oil and gas enterprises. J. Min. Inst. 2021, 249, 408–416. [Google Scholar] [CrossRef]
- Abramovich, B.N.; Baburin, S.V. The method for synthesis of power supply system topology of mineral resources enterprises on the basis of logical and probabilistic assessments. J. Min. Inst. 2016, 218, 233–241. [Google Scholar]
- Semykina, I.Y.; Skrebneva, E.V. Problems and solutions of reliability issues for external power supply in the coal mines. J. Min. Inst. 2017, 226, 452. [Google Scholar] [CrossRef]
- Gendler, S.G.; Prokhorova, E.A. Assessment of the cumulative impact of occupational injuries and diseases on the state of labor protection in the coal industry. Min. Inf. Anal. Bull. 2022, 10, 105–116. [Google Scholar] [CrossRef]
- Sychev, Y.; Kostin, V.; Serikov, V.; Aladin, M. Nonsinusoidal modes in power-supply systems with nonlinear loads and capacitors in mining. Min. Inf. Anal. Bull. 2023, 1, 159–179. [Google Scholar] [CrossRef]
- Fedotov, A.I.; Akhmetvaleeva, L.V.; Basyrov, R.S.; Vagapov, G.V.; Fedotov, E.A. Rating of amplitudes of high harmonics in determining feeder with single-phase ground fault. Power Eng. Res. Equip. Technol. 2020, 22, 58–68. [Google Scholar] [CrossRef]
- Shabanov, V.; Sorokin, A. Features of a faulty phase at single phase-to-ground faults. Electr. Data Process. Facil. Syst. 2022, 18, 89–100. [Google Scholar] [CrossRef]
- Klyuev, R.; Bosikov, I.I.; Gavrina, O.A. Improving the efficiency of relay protection at a mining and processing plant. J. Min. Inst. 2021, 248, 300–311. [Google Scholar] [CrossRef]
- Orlov, P.S. Engineering and technical measures to improve reliability of power supply to construction facilities. J. Min. Inst. 2016, 222, 845. [Google Scholar] [CrossRef]
- Toader, D.; Greconici, M.; Vesa, D.; Vintan, M.; Solea, C. Analysis of the Influence of the Insulation Parameters of Medium Voltage Electrical Networks and of the Petersen Coil on the Single-Phase-To-Ground Fault Current. Energies 2021, 14, 1330. [Google Scholar] [CrossRef]
- Kurochka, K.S.; Tokochakov, V.I.; Karabchikova, E.A.; Panaryn, K.A. Computer simulation of overvoltages in 6–10 kV distribution networks for single-phase ground faults. Syst. Anal. Appl. Inf. Sci. 2020, 3, 34–41. [Google Scholar] [CrossRef]
- Matveev, V.N.; Varnavsky, K.A. On the issue of reliability of power supply to coal mines of Kuzbass. Modern trends and innovations in science and production. In Proceedings of the 3rd International Scientific and Practical Conference, Mezhdurechensk, Russia, 2014; KuzGTU Branch in Mezhdurechensk: Mezhdurechensk, Russia, 2014; pp. 62–63. [Google Scholar]
- Achitaev, A.A.; Suslov, K.V.; Volkova, I.O.; Kozhemyakin, V.E.; Dvoryansky, Y.V. Development of an algorithm for identifying single-phase ground fault conditions in cable and overhead lines in the networks with isolated neutral. Energy Rep. 2022, 9, 1079–1086. [Google Scholar] [CrossRef]
- Kachanov, A.N.; Chernyshov, V.A.; Meshkov, B.N.; Garifullin, M.S.; Pechagin, E.A. Improving the functioning efficiency of 6–10 kV electrical networks with isolated neutral in conditions of single-phase ground faults. E3S Web Conf. 2021, 288, 01010. [Google Scholar] [CrossRef]
- Renat, M.; Yuri, P.; Vasil, K. Model and Experimental Detection of Single Phase-To-Ground Fault for Overhead Wires in Distribution Networks by Location Method. E3S Web Conf. 2020, 216, 01043. [Google Scholar] [CrossRef]
- Kaledina, N.O.; Malashkina, V.A. Indicator assessment of the reliability of mine ventilation and degassing systems functioning. J. Min. Inst. 2021, 250, 553–561. [Google Scholar] [CrossRef]
- Sidorov, S.; Sushkov, V.; Sukhachev, I. Development of a method for determining the location of a single line-to-ground fault of an overhead power line with voltage of 6(10) kV considering climatic factors. E3S Web Conf. 2019, 124, 05003. [Google Scholar] [CrossRef]
- Kondrateva, N.; Shishov, A.; Bolshin, R.; Krasnolutskaya, M. Digital technologies for monitoring and implementation of smart diagnostics of the isolation of power supply systems with isolated neutral in the operating mode. Trends Dev. Sci. Educ. 2021, 75, 109–112. [Google Scholar] [CrossRef]
- Shilin, A.N.; Dikarev, P.V.; Dementyev, S.S. Intelligent Relay Protection System for Overhead Lines in Electrical Networks with Low Earth Fault Currents. Glob. Nucl. Saf. 2022, 45, 40–53. [Google Scholar] [CrossRef]
- Sbitnev, E.; Osokin, V. Study of single-phase ground fault in electrical networks of 6–35 kV with an isolated neutral. Agric. Eng. 2022, 24, 73–79. [Google Scholar] [CrossRef]
- Shuin, V.; Kutumov, Y.; Kuzmina, N.; Shadrikova, T. Selection of parameters of overhead lines models when calculating transient processes during earth faults in 6–10 kV networks. Vestn. IGEU 2021, 5, 5–17. [Google Scholar] [CrossRef]
- Smotrov, N.; Ohlopkov, A.; Polionov, A.; Bitney, V. Technical Solutions for Preventing the Development of Single-Phase Ground Faults and for Eliminating Them in 6–10 kV Power Plant Switchgears. Elektrichestvo 2022, 6, 53–63. [Google Scholar] [CrossRef]
- Mirshekali, H.; Dashti, R.; Handrup, K.; Shaker, H.R. Real Fault Location in a Distribution Network Using Smart Feeder Meter Data. Energies 2021, 14, 3242. [Google Scholar] [CrossRef]
- Ernst, A.D.; Matvienko, P.N.; Matvienko, T.P. Issues of compensation of capacitive earth fault current in 6–10 kV networks of energy-intensive enterprises. Omsk. Sci. Bull. 2013, 120, 227–230. [Google Scholar]
- Everton, M.D. Active System Grounding with a Novel Distribution Transformer Design. IEEE Open Access J. Power Energy 2020, 7, 183–190. [Google Scholar] [CrossRef]
- Tsapenko, E.; Shkundin, S. Electrical Safety at Mining Enterprises; Moscow State University: Moscow, Russia, 2017; pp. 100–102. [Google Scholar]
- Hänninen, S. Single Phase Earth Faults in High Impedance Grounded Networks: Characteristics, Indication and Location; VTT Technical Research Centre of Finland: Espoo, Finland, 2001; pp. 69–78. [Google Scholar]
- Soloviev, A.L.; Shabad, M.A. Relay Protection of Urban Electric Networks of 6 and 10 kV; SPB: St. Petersburg, Russia, 2017; pp. 171–176. [Google Scholar]
- Shabad, M.A. Calculations of Relay Protection and Automation of Distribution Networks; SPB: St. Petersburg, Russia, 2010; pp. 349–350. [Google Scholar]
- Ernst, A.D.; Matvienko, P.N.; Matvienko, T.P. Compensation for capacitive fault current. Omsk. Sci. Bull. 2013, 2, 226–227. [Google Scholar]
- Babyr, K.; Ustinov, D.; Pelenev, D. Improving Electrical Safety of the Maintenance Personnel in the Conditions of Incomplete Single-Phase Ground Faults. Occup. Saf. Ind. 2022, 8, 55–61. [Google Scholar] [CrossRef]
- Ryzhkova, E.N.; Mladzievsky, E.P.; Tsyruk, S.A. Methodology for determining the efficiency indicators of 6–35 kV networks depending on the neutral state. Ind. Power Eng. 2021, 1, 2–12. [Google Scholar] [CrossRef]
- Loskutov, A.; Kuzina, O. Analysis of the use of resistive neutral grounding in distribution electrical networks based on simulation modeling. Intell. Electr. Eng. 2019, 2, 61–73. [Google Scholar] [CrossRef]
- Wang, Q.; Jin, T.; Mohamed, M.A.; Deb, D. A Novel Linear Optimization Method for Section Location of Single-Phase Ground Faults in Neutral Noneffectively Grounded Systems. IEEE Trans. Instrum. Meas. 2021, 70, 1–10. [Google Scholar] [CrossRef]
- Liang, H.; Li, H.; Wang, G. A Single-Phase-To-Ground Fault Detection Method Based on the Ratio Fluctuation Coefficient of the Zero-Sequence Current and Voltage Differential in a Distribution Network. IEEE Access 2023, 11, 7297–7308. [Google Scholar] [CrossRef]
- Li, L.; Gao, H.; Cong, W.; Yuan, T. Location method of single line-to-ground faults in low-resistance grounded distribution networks based on ratio of zero-sequence admittance. Int. J. Electr. Power Energy Syst. 2023, 146, 108777. [Google Scholar] [CrossRef]
- Khalturin, A.A.; Parfenchik, K.D.; Shpenst, V.A. Features of Oil Spills Monitoring on the Water Surface by the Russian Federation in the Arctic Region. J. Mar. Sci. Eng. 2023, 11, 111. [Google Scholar] [CrossRef]
- Hui, Y.; Changkai, S.; Baikui, L.; Shilei, G.; Yue, L. Single-phase ground fault location technology research and application based on transient recording wave. IOP Conf. Ser. Earth Environ. Sci. 2020, 431, 012002. [Google Scholar] [CrossRef]










| Cable Line | Cable Cross Section Scl, mm2 | Cable Length li, km | Capacity Ci, µF/km | Resistance R, ohm/km | Inductance L, mH/km |
|---|---|---|---|---|---|
| 1 | 120 | 6 | 0.418 | 0.196 | 0.268 |
| 2 | 120 | 3.217 | 0.418 | 0.196 | 0.268 |
| 3 | 50 | 0.056 | 0.292 | 0.494 | 0.313 |
| 4 | 95 | 0.163 | 0.380 | 0.247 | 0.278 |
| 5 | 120 | 7.755 | 0.418 | 0.196 | 0.268 |
| 6 | 50 | 0.07 | 0.292 | 0.494 | 0.313 |
| Experiment | Resistance Ri, Ω | Factor ß | Zero-Sequence Current 3I0, mA | Zero-Sequence Voltage 3U0, V |
|---|---|---|---|---|
| 1 | 0 | 1 | 15,121 | 5700 |
| 2 | 2500 | 0.232 | 1100 | 924 |
| 3 | 5000 | 0.128 | 185 | 475 |
| 4 | 10,000 | 0.067 | 173 | 254 |
| 5 | 25,000 | 0.028 | 147 | 142 |
| 6 | 50,000 | 0.014 | 77 | 46.2 |
Disclaimer/Publisher’s Note: The statements, opinions and data contained in all publications are solely those of the individual author(s) and contributor(s) and not of MDPI and/or the editor(s). MDPI and/or the editor(s) disclaim responsibility for any injury to people or property resulting from any ideas, methods, instructions or products referred to in the content. |
© 2023 by the authors. Licensee MDPI, Basel, Switzerland. This article is an open access article distributed under the terms and conditions of the Creative Commons Attribution (CC BY) license (https://creativecommons.org/licenses/by/4.0/).
Share and Cite
Ustinov, D.; Nazarychev, A.; Pelenev, D.; Babyr, K.; Pugachev, A. Investigation of the Effect of Current Protections in Conditions of Single-Phase Ground Fault through Transient Resistance in the Electrical Networks of Mining Enterprises. Energies 2023, 16, 3690. https://doi.org/10.3390/en16093690
Ustinov D, Nazarychev A, Pelenev D, Babyr K, Pugachev A. Investigation of the Effect of Current Protections in Conditions of Single-Phase Ground Fault through Transient Resistance in the Electrical Networks of Mining Enterprises. Energies. 2023; 16(9):3690. https://doi.org/10.3390/en16093690
Chicago/Turabian StyleUstinov, Denis, Aleksander Nazarychev, Denis Pelenev, Kirill Babyr, and Andrey Pugachev. 2023. "Investigation of the Effect of Current Protections in Conditions of Single-Phase Ground Fault through Transient Resistance in the Electrical Networks of Mining Enterprises" Energies 16, no. 9: 3690. https://doi.org/10.3390/en16093690
APA StyleUstinov, D., Nazarychev, A., Pelenev, D., Babyr, K., & Pugachev, A. (2023). Investigation of the Effect of Current Protections in Conditions of Single-Phase Ground Fault through Transient Resistance in the Electrical Networks of Mining Enterprises. Energies, 16(9), 3690. https://doi.org/10.3390/en16093690

