Next Article in Journal
Experimental Investigation to Assess the Performance Characteristics of a Marine Two-Stroke Dual Fuel Engine under Diesel and Natural Gas Mode
Previous Article in Journal
Uncertainty Quantification Analysis of Exhaust Gas Plume in a Crosswind
Previous Article in Special Issue
Investigating Empirical Mode Decomposition in the Parameter Estimation of a Three-Section Winding Model
 
 
Font Type:
Arial Georgia Verdana
Font Size:
Aa Aa Aa
Line Spacing:
Column Width:
Background:
Article

Energy Efficiency in Electromagnetic and Electro-Permanent Lifting Systems †

by
Francesca Oliva
* and
Roberto Sebastiano Faranda
Department of Energy, Politecnico di Milano, Via la Masa 34, 20156 Milano, Italy
*
Author to whom correspondence should be addressed.
This paper is an extended version of our paper published in 2022 IEEE International Conference on Environment and Electrical Engineering and 2022 IEEE Industrial and Commercial Power Systems Europe (EEEIC/I&CPS Europe), Prague, Czech Republic, 28 June–1 July 2022; pp. 1–6.
Energies 2023, 16(8), 3550; https://doi.org/10.3390/en16083550
Submission received: 30 December 2022 / Revised: 3 April 2023 / Accepted: 17 April 2023 / Published: 19 April 2023

Abstract

In industrial settings, mechanical systems for clamping workpieces onto machine tools or for lifting and handling ferrous material are often replaced by magnetic clamping systems. For large lifting applications, the most suitable magnetic clamping systems are electromagnetic (EM) and electro-permanent (EP) approaches. Their configurations, direct and induced poles or direct poles only, need to be discussed in order to choose the most appropriate and economical setup for the specific application. In addition, an evaluation of the difference in the energy efficiency between EM and EP systems, which is often not simple, is presented. To achieve this, a hybrid control system for EM or EP systems was developed and, with the help of this prototype, an analysis of these two magnetic systems was carried out to highlight the main differences. The hybrid control system consists of a single control unit that can be used by both systems, and can be achieved by simply changing the type of lifting magnet. In this research, the realization, operational description, and analysis performed on this prototype were addressed.

1. Introduction

Electromagnetic (EM) and electro-permanent (EP) clamping systems are structures used to clamp ferromagnetic pieces using magnetic forces; they can be considered an evolution of traditional mechanical clamping systems [1,2].
The fields of application of this technology are mainly found in clamping ferromagnetic parts onto machine tools and lifting systems.
Some of the main advantages of these systems are the following:
  • There is an absence of constraints regarding the shape of the piece, meaning they can lift complex loads such as scrap or tubes;
  • There is an absence of constraints in the positioning of the piece on the working surface, as once the clamping system is magnetized, it generates a homogeneous clamping force on the entire piece’s surface;
  • Only one clamping surface is used compared to at least three for the purposes of mechanical clamping—two clamping surfaces, and one as support;
  • The attraction force can be modulated such that it is possible to clamp a piece and reduce its deformation, thus avoiding damage resulting from mechanical tightening;
  • There are no parts in motion; therefore, there are no decreases in performance due to wear and tear;
  • There are time savings in clamping operations due to the absence of tightening time; the magnetic clamping time is on the order of seconds, while for mechanical clamping, the time depends on the tool used and the number of clamping points;
  • It is more green and sustainable; lubrication oil is not used, and no oil under pressure is present;
  • The clamp pieces operate from a distance, without the requirement of there being onsite personnel, which thus improves the operator’s safety;
  • It is possible to work at high temperatures without damage to the clamping system.
There is a great deal of industrial applications in this field, but very few academic papers are available in the literature. Furthermore, these studies are often not written in English, and those which are related to lifting applications are even scarcer. In the following, a brief description of studies on magnetic systems is presented.
In [3], the working principles of permanent magnet (PM) lifting technology and PM design problems of this lifting device were introduced, and two different demagnetization methods were presented. A novel hybrid electromagnetic module (H-EMM) structure was presented in [4]. That study combined PMs and electromagnets, and the aim was to improve the electromagnetic force of the H-EMM. In [5], a telescopic EP lifter beam was presented and designed, including its remote control system.
Studies [6,7,8] dealt with a clamping mechanism and, finally, studies [9,10,11,12] dealt with EM applications in different fields, such as electric vehicles, medicine, and brakes.
It is clear that EM and EP systems have been dealt with in various situations, such as the applications studied in this research. However, other studies did deal with this specific situation, and it was also found that the other studies mainly focused on the topic of clamping force.
Therefore, an introduction to EM and EP systems, as well as to their characteristics and configurations, may be useful to contribute to state-of-the-art developments, and to better understand the following chapters.
An EM system consists of a ferromagnetic core that is wound by a coil, usually made of copper or aluminum, and its operating principle is very simple: when a current flows through the coil, it creates a magnetic field which, when suitably conveyed, allows a ferrous material to be blocked. This feature has made it the most widespread, flexible, and also the simplest system, for years. However, this feature also represents the biggest limitation of this type of technology.
Electricity is required from the moment of clamping to the moment of release. This period can last several minutes, such that the energy absorbed can be considerable; the temperature inside the EM can be considered the maximum operating temperature, thereby resulting in significant losses due to the Joule effect inside the conductors. To minimize these losses, low current density values are used, necessitatinga considerable increase in conductor cross-sections and, consequently, in the weight and size of the magnetic system.
Some other drawbacks of this system are in the dispersed flux through the scrap or, in the most serious cases, through the support structure, with danger to the operator; moreover, the residual induction between the workpiece to be released and the EM system can cause the workpiece to detach late. To ensure a rapid release of the workpiece, it is necessary to set up devices that are capable of eliminating the magnetic field inside the clamped workpiece. This can be carried out, for example, by injecting a small opposing current when the current becomes zero, in order to create a repulsive force that balances the force due to the residual magnetism of the load.
EP systems represent a technical evolution of EM systems, and have been developed to overcome its main problems. These systems only require power to change the magnetization state of the system, i.e., the transition of the system from the neutral state, DEMAG, to the working phase, MAG, and vice versa. The magnetic field is produced by permanent magnets (PMs), which have the characteristic of being able to easily change the magnetization state via an electrical circuit. To achieve this, the magnet is controlled by a solenoid that surrounds it and which, depending on the direction of the current flowing through it, can polarize the magnet in one direction or in the opposite direction.
The holding of the piece is guaranteed not by the continuous presence of current, as is the case for an EM, but by the magnetic field generated by the PM. Thanks to this, the danger of load disconnection in the event of a power failure no longer exists. The presence of current only during the short transients of MAG and DEMAG also makes it possible to increase the density within the solenoids, which considerably reduces their size and thus, their weight. Consequently, the overall size of the magnetic system is also reduced.
The rapidity of the transients leads to particularly little energy dissipation in the form of heat, which enables very precise machining. This is because the temperature of the clamping system does not thermally affect the workpiece, thus avoiding machining errors due to thermal dilatations.
The advantage of not having a continuous presence of current inside the magnetic system also extends to the economic side, since management costs are reduced by more than an order of magnitude compared to those for EMs. Then, the different durations of current presence between the EM and EP systems lead to a difference in energy efficiency, as the consumption of an EM system is clearly higher, and results from the energy efficiency being directly linked to energy consumption.
The EP system also has advantages for the problem of residual magnetization. The demagnetization of this system does not occur with the total interruption of current, but through the control of the magnetic field, which allows any residual magnetization on the workpiece to often be effectively eliminated.
To guarantee the exploitation of the total load capacity of the lifting systems, EP systems have an important disadvantage that must be mentioned with respect to EM systems.
EP systems can have an application limit to clamp scrap or bundled steel, such as rebar and corrugated sheets, due to the high value gap displacements between the system and the lifted workpieces. EM lifting systems, on the other hand, are suitable for these lifting applications thanks to the electrical current absorbed from the mains, which can allow a deep penetration of the magnetic flux into the workpiece. This research is an extended version of a previous study [13]; the aim is to present an innovative hybrid control system, which was developed in order to investigate the energy comparison between EM and EP systems. It is organized in the following manner: in Section 2, a direct and induced poles vs. direct poles only analysis is detailed, and EM and EP main configurations are addressed; then, the realization of a hybrid control system is introduced in Section 3; the analysis of laboratory tests is provided in Section 4, while the study is concluded in Section 5.

2. Magnetic Clamping Systems: Direct and Induced Poles and Direct Poles Only

The differences between EM and EP systems are clear, but there are various possibilities to realize them. Therefore, it is worth specifying a fundamental constructive difference that characterizes magnetic systems, which is often difficult to identify and is not declared by manufacturers. There are two different types of magnetic systems on the market, depending on the type of magnetic poles that replace the anchoring system: direct and induced poles or direct poles only.
In the direct and induced poles type, the magnetic flux comes out of one direct pole and, not finding a privileged path, closes preferentially through the ferromagnetic structures that are adjacent to this pole or in the air. This occurs, in any case, through a non-univocal path. This means that the flux can be dispersed in any direction, and it is not possible to concentrate it near the piece to clamp only.
In the direct poles only type, the magnetic flux exiting from one direct pole is attracted by the magnetized adjacent direct pole with an opposite polarity. This involves both the uniqueness of the magnetic path, where the flow dispersions are completely canceled, and the possibility of concentrating the flux on the anchoring surface, thus bringing it up to the physical limit values of the magnetic material. In this way, it is possible to increase the force value that is being developed by the magnetic system on the piece. In addition, the evaluation of the magnetic force is much more reliable with this method because the magnetic surface is clearly identified, and all the flux that is produced by the magnets affects the piece to be anchored. Another advantage is that in considering the same magnetic performance, the thickness of the magnetic system is significantly reduced.
For EM systems, the direct and induced poles configuration is the most widespread on the market. Conversely, the direct poles only configuration is very rare because it is more expensive to produce.
The best configuration for the EP system is with direct poles only; specifically, the double magnet configuration has, in addition to greater compactness, the uniqueness of a magnetic path that allows for a considerable reduction in the dispersed magnetic flux, and therefore a greater magnetic efficiency as well as a greater concentration of flows in the clamping surface, when compared to the other typology.
Figure 1 shows the structure of an EM system with direct and induced poles, with flux lines on it. By Figure 1, it is possible to notice the following elements:
  • The solenoid is characterized by the presence of low current densities, which are present in order to reduce losses due to the Joule effect. This implies an increase in conductor sections and, consequently, an increment in the weight of the copper or aluminum used for the solenoid;
  • The ferromagnetic material is part of the frame, and it is also the closing path taken by the magnetic flux generated by the direct pole. During magnetization, it becomes an induced pole;
  • The non-magnetic material is used to fill the empty space around the solenoid.
Figure 2 shows the structure of the double magnet EP system with direct poles only, and with flux lines on it.
During the demagnetization phase, as can be seen in Figure 2a, the outgoing flow from the static magnets (SM) is recalled by the closest reversible magnets (RM), which are placed in contact with the ferromagnetic material (or polar expansion) that are held in common. In doing so, the RMs are magnetized with reverse polarity, and the magnetic flux, when passing through the RMs, is closed through the ferromagnetic base.
As can be seen from Figure 2b, during the magnetization phase, the outgoing flux from the SM is not recalled by the closest RM (because they are magnetically reversed). In doing so, the flow of SMs and RMs, leaving the common ferromagnetic material and crossing the ferrous material to be clamped, is recalled by the adjacent pole, which is magnetized with the opposite polarity. Then, this flux travels through the base of the structure, where the magnetic circuit is completed.

3. Realization of a Hybrid Control System

During an operation to lift and handle ferrous material, the main difference to control an EM or an EP is found in the current’s presence duration; thus, the control unit for both is the same. From this consideration, the idea of a hybrid control system is started. The hybrid control system is intended as a control unit that is prepared as the operator needs to control both systems by simply choosing the desired setting.
Before discussing how the hybrid control system was built, it is necessary to illustrate the operating principle of the lifting and handling systems, since different identified actions must be carried out in a certain order. It is assumed that the goal is to move the ferrous material from point A to point B; the following actions are executed: the magnetization to clamp the material, lifting, handling from A to B, depositing, and the demagnetization to release the material and thus return to starting position A.
For an EM system, to control the value of the magnetic force, the current value needs to be controlled and must always be present. Moreover, it is also often necessary to manage the current direction in order to reduce the residual magnetic force [14]. For an EP system, to control the value of the magnetic force, only the current value, which is necessary for a few seconds, needs to be controlled. Moreover, it is necessary to manage the current direction only when a reverse of the magnetic status of the RMs is requested. Therefore, by exclusively considering the control of the magnetic force value, the main differences between these two lifting solutions are due only to the current conduction time.
To provide the desired magnetic force value, an accurate current value is necessary. Therefore, it is necessary to find a procedure to obtain this value. To obtain this result, a proportional integral (PI) control loop mechanism on the DC supply voltage is used. This is performed because it is the control logic of the converter that is being used during the activity that is carried out in the PHOS laboratory.
The focus of the first part of the discussion is to illustrate the circuit composition. Then, the safety and standards to be taken into consideration are presented, followed by the PI control logic discussion. This section is concluded by the description of the working cycle phases.

3.1. Circuit Composition

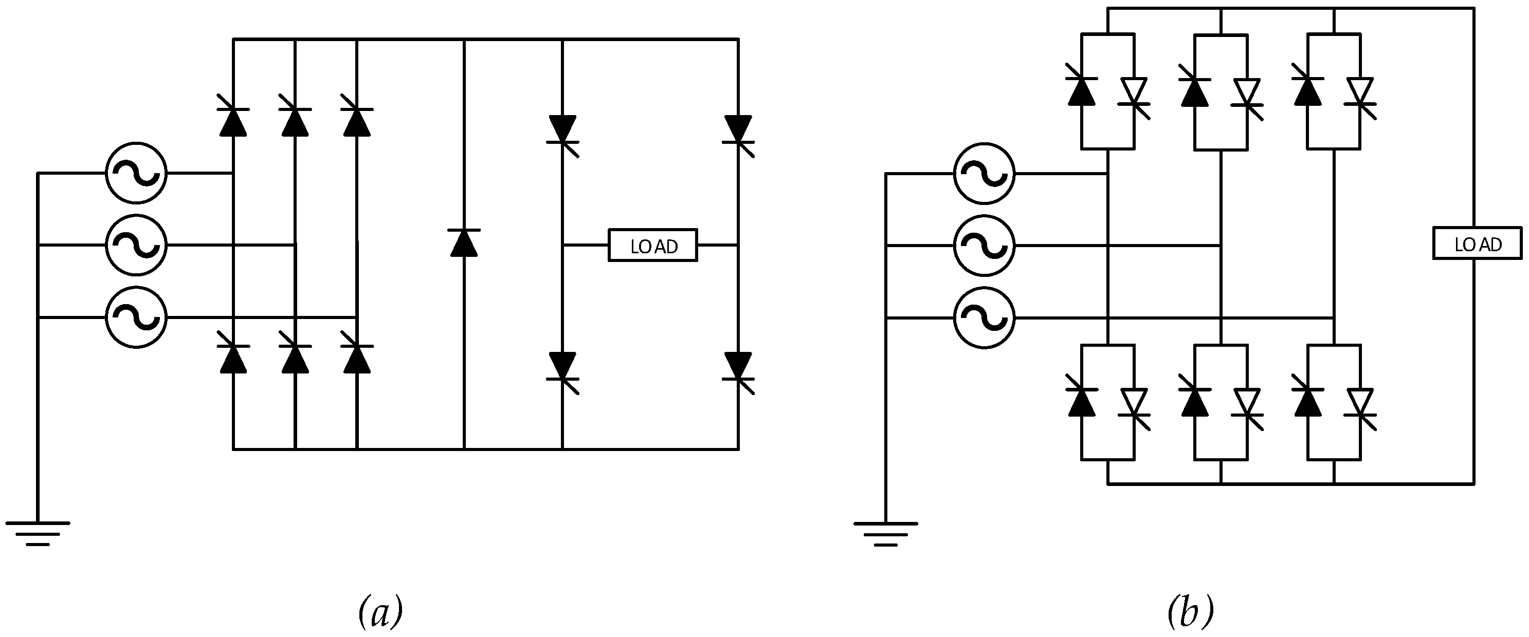
A conversion from AC to DC must be performed to power the modules, and to achieve this, a power converter is part of the circuit. This converter can be designed in different ways; two possible configurations are reported in this study. Figure 3a shows a method with a three-phase full-wave controller bridge and H bridge, and Figure 3b shows a double antiparallel three-phase full-wave controller bridge.
The converter inserted into the electric panel is a DCS880 DC from ABB, which has the double antiparallel three-phase full-wave controller bridge configuration (configuration b).
To control the converter, a programmable logic controller (PLC) is needed; as such, a PLC AC500 is used, which is also branded ABB. The task of the PLC is to receive, from the user, a series of instructions, and to communicate them to the converter. Furthermore, the PLC can itself control components, such as contactors, and can also receive commands as inputs.
The communication between the converter and the PLC takes place via an ethernet connection, and uses a protocol called PROFINET, which stands for process field net.
The hybrid control system principle scheme that was conceived and used for carrying out this project is composed of the following main elements: the main breaker, the contactors (KM1 and KM2), the fuses, the filter, the transformer, the DCS converter, and the PLC (AC 500).
Figure 4 and Figure 5 show a sketch and a photo of the laboratory-assembled electrical panel, respectively, where the main elements are highlighted: the AC power line (yellow), the DC power line (pink), the DCS converter (light blue), and the PLC (green).
In Figure 4, it is possible to find two contactors, KM1 and KM2. They are connected and controlled separately for safety reasons, as is described here: the command logic starts with the pushing of two buttons, one is connected both with the DCS and the PLC, and two types of verification are carried out; the other is connected by the PLC, which verifies the correct pushing of buttons—the correct operation selected (EM or EP), the alarms, and the state of the system—after which, the PLC sends the main control word to the DCS and activates the KM1 contactor. The other verification is carried out by the DCS, which verifies the run command sent through the main control word by the PLC, and the pushing of the same button is connected to the PLC; after this, it then activates the KM2 contactor.
The command logic just described has to be verified with a standard in order to define its performance level (PL), which is the UNI EN ISO 13849-1:2016. Furthermore, from this, it is possible to define the category of the command logic, which is 3, and the PL, which is d.

3.2. PI Control Logic

In EM and EP systems, in order to control the value of the magnetic force, the current’s value needs to be controlled. Indeed, by controlling the current value and direction, it is possible to manage the value and direction of the magnetic field of the coils [14]. To obtain this result, a proportional integral (PI) control loop mechanism on the DC supply voltage is used.
The physical system of a coil can be represented by an RL circuit.
The RL circuit is governed by Equation (1) [15]:
v t = R · i t + L · d i t d t
As previously introduced, the control variable of this system is the current I, which is obtained by supplying a certain DC voltage V that is regulated by the DCS converter thyristor bridge. The converter is controlled by a PI logic, which receives as an input an error signal E between a reference current Iref and the output current from the physical system I. Furthermore, it provides an output U, whereby the signal to appropriately regulate the voltage through the thyristor bridge is performed.
In Figure 6, a block diagram is shown that sums up what has just been described, and which corresponds to a feedback system where the variables Iref(s), E(s), U(s), V(s), and I(s) are all indicated as Laplace transform values.
The overall system shown in Figure 6 is composed of three transfer functions: the first one is regarding the PI logic, and is called C(s). The second one is for the DCS converter, and is reported as X(s). Lastly, the third one corresponds to the physical system, and G(s) is used for it.
The PI control logic is widely used, as the integral action eliminates the steady-state error within the proportional controller.
Starting from the equations that govern this logic, the output of the controller u(t) is the sum of two terms: one from the proportional function and the other one from the integral action, as is written by Equation (2), where e(t) is the error signal between the reference signal r(t) and the output signal y(t), then e(t) = r(t) − y(t):
u t = K P · e t + K I · 0 t e τ d τ
KP is the proportional gain; KI is the integral gain, which is equal to the proportional gain that is divided by the integral time constant τI, as written in Equation (3):
K I = K P τ I
The parameter τI is always positive, and its value is inversely proportional to the effect of the integral action taken by the PI controller.
The Laplace transform of the controller output is expressed by Equation (4), with E(s) being the Laplace transform of the error signal e(t):
U s = K P · E s + K I s · E s
With Equation (4) and by substituting Equation (3), the first transfer function C(s) of the PI controller is expressed by Equation (5):
C s = U s E s = K P + K I s = K P · τ I · s + 1 τ I · s
Considering the negligible delay that is introduced by the DCS converter, the second transfer function in this discussion is a DCS converter one, which is considered equal to 1, as is reported in Equation (6):
X s = V s U s = 1
Instead, for what concerns the third transfer function, the physical system one, starting from Equation (1), is where the Laplace transform has been computed and becomes that as reported by Equation (7):
V s = R · I s + s · L · I s
Then, the transfer function of this system is expressed using Equation (8):
G s = I s V s = 1 R + s · L
Now, it is possible to express the overall transfer function, which is the ratio between the output signal I(s) and the reference signal Iref(s). In order to obtain the overall transfer function, the computation starts with Equation (9), which represents the summing junction of the block diagram in Figure 6:
E s = I r e f s I s
Then, with the error signal E(s) as a function of the output signal I(s), the overall transfer function can be obtained, and is reported in Equation (10):
I s I r e f s = C s · X s · G s 1 + C s · X s · G s
Considering the transfer function indicated in Equation (10) and using the C(s), X(s), and G(s) expressions, Equation (11) is obtained for the denominator:
s 2 · L · τ I + s · R · τ I + τ I · K P + K P = 0
Thanks to the solution of this closed-loop characteristic in Equation (11), two closed-loop poles will be obtained, and with these it is possible to understand the behavior of the output signal. The desired behavior expects the fewest oscillations, and the shortest rise-up times are possible.

3.3. Working Cycle Phases

The phases that compose a working cycle will be treated for the EM and the EP separately, except for the setup phase that is common to both systems; it will be discussed first.
The setup phase has to be carried out to set up the system for operation. During this phase, the goal is to measure the steady-state current value by supplying a specific voltage, which will be used as a reference outside the setup phase (Iref and Vref).
Another important parameter that is measured is the time interval between the start of the rise up and the instant at which the current reaches the steady-state tsetup. This parameter is used to control the rise-up time outside the setup phase.
During the setup phase, only the control of the voltage that is supplied must be performed. The control acts in order to verify if the time taken by the system to reach a minimum value of current exceeds a limit of around 2 s; then, the operation must be stopped.
If the setup phase is successful, the system is ready to operate, and it will begin its first work cycle.
In the working cycles that are described below, the maximum reference current value used for all the activation and deactivation is 20% smaller than Iref.
For EM system operation, three phases are necessary: magnetization, tipping, and demagnetization.
Magnetization: during this phase, the goal is to clamp the load, such that the current value established after the setup phase has to be reached. During this phase, the rise-up time, undervoltage, and overvoltage must be controlled so that, if necessary, the system enters into the alarm state and the magnetization is immediately interrupted. If the magnetization phase is instead successful, the system can then proceed, thus continuously supplying the EM system with the next action, which is handling.
Tipping: once the magnetization is completed, a partial discharge of the load can be carried out with the tipping phase. This operation consists of a current reduction using a decreasing step of about 1% of the magnetization current, which lasts for a defined time interval in the order of hundreds of ms. The current reduction is limited to a value, usually around 50% of the magnetization current, such that about a 75% force reduction can be obtained. A full magnetization occurs when the tipping command is released.
The duration of the tipping phase depends on the specific operational needs, and it is established by the operator who has to keep a button pushed till the desired load quantity is reached.
Demagnetization: when the handling operation has ended, a demagnetization phase can be performed. Four different types of demagnetization were considered for EM system operation:
  • Demagnetization type 0 is without a control, and the current goes naturally to zero after the demagnetization command;
  • Demagnetization type 1 is made by forcing the current to zero, and it is called network regeneration;
  • Demagnetization type 2 occurs after forcing the current to zero; there is a small inverse peak, which is around 10% of the magnetization current;
  • Demagnetization type 3 occurs after forcing the current to zero; alternate decreasing peaks (around 10% of the magnetization current for each step) are applied in order to allow the load magnetic field to decrease slowly in an alternating manner (degaussing phase).
The choice of the demagnetization type is left to the user, and depends on the load to be lifted; normally, type 3 is selected.
To better clarify the demagnetization types in Figure 7, the qualitative trends of the current are reported.
Passing next to the EP system operation, four phases are necessary: pick-up, magnetization, tipping, and demagnetization.
Pick-up: this phase is used to test the load before the lifting operation. The pick-up phase can have different levels, each level corresponding to a current value. The number of levels is established by choosing a step size (5%) and a minimum level (20% of the reference current, which is adopted for magnetization and demagnetization). In this case, the number of levels is 16.
During this phase, the control of the maximum rise-up time, the undervoltage, and the overvoltage must all be performed as described above for the EM system, with the corresponding operation interruption.
Magnetization: this phase can be executed without a previous pick-up phase, and is called the direct full mag (on the ground) or, as mentioned above, after the pick-up phase to ensure the correct clamping of the load after load lifting (which is conducted in the air).
The duration considered is to be the same as that for the pick-up phase, both for the direct full mag and for the magnetization phase after the pick-up one.
The controls needed during the magnetization phase are the same as those for the pick-up phase, which are also the same as those for the EM system.
After a direct full mag, a tipping phase can be performed to release part of the load if there is load excess, or if the discharge is split up on more sites.
Tipping: as mentioned above, during the operation, it may be required that a partial discharge of the load be carried out with a tipping phase. As far as the EP system is concerned, in order to have the same functionalities as the EM system, the following actions have to be executed:
  • A negative linear increase in the current of certain percentage points, with a duration defined by a time interval of some hundreds of ms, and with the limit for the current value being equal to 50% of the demagnetization value;
  • After the tipping phase, the system is in a partial magnetization state. As such, a new full magnetization phase is required.
Demagnetization: when the handling operation is ended, the demagnetization phase can be carried out. Considering a double magnet configuration for an EP system, an opposite current flow in the system is required; otherwise, it would not be possible to release the load.
The magnitude of the current is the same in absolute value as in the magnetization phase, but with a negative sign. The duration for the demagnetization phase can be halved with respect to the pick-up phase.
All phases, except for tipping, can be divided into three parts: in the first part, there is the rise up (1); in the second part, the current is stable at the desired value (2); in the last part, the current goes to zero (3). For the demagnetization phase, the described occurs, but instead in the region of the negative values.

3.4. PLC and DCS Programs

The software used for the PLC program was Automation Builder; for the DCS converter, the software used was Drive Composer Pro. The programs created during this laboratory activity are the heart of the project, since they indicate and characterize each action that the system must perform.

3.4.1. PLC Program

The software used for the PLC program was Automation Builder with a Standard license, but the real program was developed on CoDeSys, which stands for controller development system. This is a development environment for programming controller applications according to the international industrial standard IEC 61131-3.
The program developed for the PLC on CoDeSys is illustrated with the aid of a tree diagram, as shown in Figure 8. In the tree diagram, there are several sections that are described below, one by one.
The first section is called OPERATION, and it is composed of files, one for each activity, that must be carried out following that sequence. Then, the activities, with their brief descriptions, are the following:
  • 01 OPERATION SEL. In this file, the selection of the type of operation is executed depending on the combination of the PLC’s input signals (SEL1, SEL2, and SEL3). This can be for the EP or EM system and, in the case of the EM system, the type of demagnetization is also chosen. The operation selection is predisposed for the insertion of the EM with a backup battery (which is not considered in this study);
  • 02 CONTROL OP SEL. Here, the correspondence of the operation that is selected with the operation on, which has thus made the setup, is verified. If the selection corresponds, then the system can operate—otherwise, no action can be performed;
  • 03 OPERATION COMMAND. In this file, depending on the combination of buttons pressed, the type of action to perform is chosen (setup, magnetization, tipping, and demagnetization for both the EM and EP systems, and pickup for the EP system only);
  • 04 OPERATION CONTROL. Here, the system status is checked for each action. Depending on the command received; if all is correct, then the possibility of carrying out that action is enabled;
  • 05 DCS COMMANDS. This file is dedicated to enabling and disabling the On and Run commands for the converter, depending on the command received and the system state;
  • 06 DCS DRIVE. Here, communication of the On and Run commands from the PLC to the DCS converter (through the main control word) is implemented, along with the closing command to the KM1 contactor;
  • 07 STATES. Here, all of the possible system states are defined: setup, cycle, alarm, pick-up, magnetization, tipping, and demagnetization.
After the OPERATION section, there are the ELECTROMAGNET and the ELECTROPERMANENT sections. These contain the phases that the two types of modules can perform. Here they are not discussed, since all the phases have been described in Section 3.3, and the results are analyzed in Section 4.
Then, there is a very important section dedicated to the alarm and lamp signals. As for the alarms, they can be summarized in the following list:
  • The maximum rise-up time (proportional to tsetup). A time threshold is chosen, and if the system fails to reach the working reference current value (0.8·Iref) within that time interval, then an alarm is activated and the operation is blocked. In particular, a threshold equal to 1 s plus the rise-up time was set during the setup, and then multiplied by 3. The limit value obtained during the simulations was about 3 s for the selected load;
  • Overvoltage and undervoltage (proportional to Vref). With this control, that the system does not exceed the threshold values for what concerns the voltage during magnetization phase is checked; otherwise, the system goes into the alarm state, and the operation stops. The undervoltage and overvoltage are prefixed as being equal to 0.75 times and 1.25 times the value of Vref, respectively;
  • The correspondence of the operation selection. As previously mentioned, if the selected operation does not correspond to the one used during setup, the system goes into alarm, and does not allow any further operation;
  • General alarm. This may concern an alarm from the DCS converter, or the fact that the contactor KM1 is not ready to perform any operation.

3.4.2. DCS Converter Adaptive Program

For that which concerns the DCS converter, Drive Composer Pro is the software used. In particular, the adaptive program function was used to make a small program directly on the converter. Furthermore, certain DCS converter parameters were changed always via software, even if it were possible to do it directly on the converter. The Drive Composer Pro software was also used to extrapolate the data and diagrams for the results.
The DCS converter program Is much simpler, and is the same for both the EM and for the EP systems, as shown in Figure 9.
There are three blocks, two switch value blocks, and one SR block, which will all be explained below.
The switch value block operates with a Boolean variable (Sel1) and two numerical values (In1 and Default) as the inputs. One of the numerical parameters is from the PLC program, and the other is from a default value, which, in this case, is set to zero for both the two blocks.
When the input Boolean variable (Sel1) is true (1), the output numerical value is equal to In1. However, when it is false (0) instead, the output value will be equal to Default.
As the output in the first block, there is the torque reference, and it is used to control the converter with the torque, passing a value of torque from the PLC.
During each activity or operation, the converter is controlled with the torque (to control the load current). This is the case except for during the setup phase, where the converter needs to be controlled with the speed (to control the load voltage), using the second switch value block and passing a value of reference speed from the PLC. The types of converter control are with the torque or with the speed, because the DCS converter is normally intended for motor applications and not for EM or EP systems.
To be clearer and to simplify this concept, it can be said that controlling the torque corresponds to controlling the current. Therefore, a reference current value was set. Meanwhile, controlling the speed corresponds to controlling the voltage and therefore, the same considerations made for the current are valid. As such, a reference voltage value was set.
The other block is a set/reset block, which has two Boolean inputs and one Boolean output. The output is true (1) when the two inputs agree with one each other (0 and 0 or 1 and 1); otherwise, it is false (0). DI1 is a digital input of the converter, and is connected to the SAFE button that is pushed for each operation. The variable Running, is instead activated or deactivated by the PLC. The PLC has the job of communicating with the main control word to the converter, where the command for the variable Running is included.
The last thing that remains to be analyzed of this program is the output DIO1 of the SR block, which is a digital input/output. In this case, it is used as output, and it commands the second contactor, KM2.
As previously mentioned, when controlling the two contactors separately, one through the converter and the other through the PLC, the PL of the control system is increased.
During the development of the project, it was necessary to set certain parameters regarding the DCS converter. For example, the proportional gain and the integration time were set for both torque and speed control. They were set as follows:
  • KP = 5 and τI = 250 ms for the torque control;
  • KP = 0.5 and τI = 20 ms for the speed control.
To conclude this section, the parameters that the DCS and PLC send each other are listed below:
  • From DCS to PLC:
  • The DCS nominal voltage;
  • The DCS nominal current;
  • The actual current value read by the DCS;
  • The actual voltage value read by the DCS;
  • The DCS status word;
  • From PLC to DCS:
  • The DCS main control word;
  • The reference current for the torque control;
  • The reference voltage for the speed control;
  • The status of the cycle.

4. Results

The hybrid control system prototype was tested at the PHOS laboratory of the Energy Department at Politecnico di Milano, with different operation cases.
In this research, main three operations highlighting the differences between the EM and EP systems, as well as the effect of the pick-up phase presence, are reported. The three operations were assigned to the following cases:
  • Case 1. The EM operation, which was composed of the phases of magnetization, tipping, handling action, and demagnetization;
  • Case 2. The EP operation, which was composed of the phases of pick-up, magnetization, handling action, and demagnetization;
  • Case 3. The EP operation, which was composed of the phases of direct full mag, tipping, magnetization post tipping, handling action, and demagnetization.
Note that certain inaccuracies can be seen in the following figures, due to the precision of the DCS 880 measuring system.
In Figure 10, the current trend for Case 1 with the EM can be analyzed. The first 15–20 s are dedicated to the magnetization and tipping phases, which correspond to the clamping and partial release of the load. After that, there is the handling action to move the load from one point to another—this action lasts for around 40 s. Finally, there is the demagnetization phase, which corresponds to the detachment of the load; this action is almost instantaneous, since it has a duration of some hundreds of ms.
The second complete cycle analyzed Case 2 with EP system operation, starting with the pick-up phase. The trend of the current is shown in Figure 11. The handling action duration was kept fixed and was equal to that for Case 1; as such, it lasted for around 40 s. The pick-up and magnetization phases last around 3 s each. The demagnetization phase, however, instead lasts for around 1.5 s; furthermore, when adding the dead times, the sum is around 10 s. These ten seconds include the clamping and detachment actions of the load. Therefore, the overall duration of the cycle is around 50 s.
Case 3 regards te EP system operation starting with the direct full mag phase, and the trend of the current is shown in Figure 12. The handling action duration was kept fixed and equal to that for Case 1; thus, it lasted for around 40 s. Instead, the direct full mag, tipping, magnetization post tipping, and demagnetization phases lasted for more than 22 s together, which means that the overall duration of the cycle is around 62 s.
Therefore, the overall duration of the clamping, as well as for the partial release and detachment actions, for Case 3 lasted for more time than that which occurred for Case 1.
From these three cases, a comparison can be noticed. For an EP system operation, the clamping action lasts a little bit more than that with the EM system. However, since the pick-up and magnetization phases were considered with the same duration, Case 2 and Case 3 were exactly the same in terms of the clamping action duration comparison.
From these three cases it is possible to see the energy consumption differences, as the presence of the current means power absorption, then energy consumption.
After this, other comparisons during this research were developed. Firstly, these were conducted per unit, and then applied to the prototype developed in the laboratory.
The three configurations previously analyzed for one complete cycle were used also for these comparisons. However, in order to simplify the operation, the tipping phase was removed from Case 1 and Case 3.
The energy consumption comparison was developed by varying the handling time, and was then carried out per unit by assuming that the EM operation absorbs 1 unit of power, and that the EP system has an increase of 20% of absorbed power when compared to the EM system [16,17,18,19,20,21,22].
Firstly, a comparison was made on the number of possible activations during a working day (8 h), as the handling time varies. Case 1 always produced a higher number of activations during the 8-hour period, because its duty cycle is the shortest, whereas the second shortest was Case 3. As the handling time increased, the difference in the number of activations between the three types of magnetic clamping systems became increasingly negligible. The results of this are shown in Table 1.
A second comparison is made on the energy consumed during one activation. With respect to this, it emerged that Case 1 had the highest consumption when compared to the other two cases. Furthermore, the energy consumption of Case 1 depended linearly on the handling time, such that the consumption for 120 s of handling was almost 2 times the value for 60 s of handling. Moreover, for 180 s of handling, it was almost 3 times the value for 60 s of handling. In contrast, the consumption of configurations Case 2 and Case 3 were independent of the handling time, as there was no energy consumption for these two systems during this action. Furthermore, Case 2 consumed slightly more than the EP system of Case 3, since it included the pick-up phase. The results shown in Table 1. were obtained by assuming an EP power absorption of 20 kW and, consequently, an EM power absorption of 16 kW.
To better understand the energy consumption, the results were elaborated on and reported in relative terms. Therefore, taking the Case 1 consumption value for each movement time as a reference (100%), the relative consumption of Case 2 and Case 3 were calculated. The relative consumption of Case 2 and Case 3 decreased and became more similar as the movement time increased because Case 1 consumption strongly increased. This is because, as mentioned before, its increase was linearly dependent on the handling time. In Table 1, the results are reported and expressed in percentage terms.
After these unitary comparisons, the results were compared with the tests on the prototype that was developed in the laboratory for a handling time of 60 s. It was found that the laboratory test results were all in line with those found during the unitary comparison. Starting with the number of activations during one day of operation for Case 1, the results were 236; for Case 2, it was 222; and for Case 3, it was 231.
In terms of energy consumption, regarding the results for a single activation, Case 1 had the highest consumption. However, the consumptions for Case 2 and Case 3 were very similar (demonstrating that the pick-up phase did not absorb too much energy), and both were around 8% of that for Case 1.
After the magnetization phase, during the handling time, the big difference between the EM and EP systems was whether there was a presence of current or not, which evidently strongly influenced the energy consumption.
Furthermore, as a result, an element developed in the PLC program is reported here. Since there are many occasions in which remote control could be useful, for example, in all situations when the operator cannot be on site, a web interface was developed to remotely supervise the system.
A screenshot of the interface developed is shown in Figure 13. In it, there are certain interesting and useful parameters for working from a distance that are reported.
For example, as can be seen from Figure 13, the operator can have information on the state of the system, the current operation mode, the last 10 cycles, the cycle duration, the current and voltage, the rise-up time, and the number of each phase ran.
This interface can be considered as a prototype, and is still under development.

5. Conclusions

This system on EM and EP lifting applications was an opportunity to explore a little-known topic, and to contribute to ongoing research on it.
A deep analysis of the differences between the different magnetic systems was developed and, in particular, an analysis of the energy efficiency of EM and EP systems was carried out. Then, these were validated through laboratory tests, which showed that the EP system is more efficient due to the shorter duration of current presence. Of the two EP configurations compared, the one with the pick-up phase required much less energy.
The innovative hybrid control unit realized during the development of this project allows one to simply work with both EM and EP systems, changing only the configuration. On the other hand, this requires more attention to programming and safety aspects, thus making it more complex.
Furthermore, by only changing the power converter with one that operates with a higher power, the hybrid control system can be easily adapted to meet higher power requirements.
In this way, the control unit is already configured, and the PLC and DCS programs no longer need to be touched unless certain parameters need to be set for the magnetic module and/or power converter.

Author Contributions

The contributions of all authors to the conceptualization, methodology, validation, formal analysis, writing—original draft, as well as to review and editing, can be considered equal. All authors have read and agreed to the published version of the manuscript.

Funding

This research received no external funding.

Data Availability Statement

Some data presented in this study are available on request from the corresponding author, other data are no new and published in cited bibliography.

Conflicts of Interest

The authors declare no conflict of interest.

References

  1. Faranda, R.S.; Cardone, M.; Giglio, A.; Foglia, G. Evoluzione dei sistemi di ancoraggio magnetico. Tecnol. Mecc. Novemb. 2003, 11, 162–170. [Google Scholar]
  2. Faranda, R.S.; Marchiante, N. Macchine utensili: Quando il Sistema di ancoraggio si fa magnetico. Mecc. Autom. 2016, 8, 54–62. [Google Scholar]
  3. Ding, N.; Cui, S.; Liu, C.; Duan, J.; Jiang, S. Review of Permanent Magnet Lifting Technology. J. Phys. Conf. Ser. 2020, 1635, 12–57. [Google Scholar] [CrossRef]
  4. Baek, S.W.; Yoon, K.Y. Improving the Hybrid Electromagnetic Clamping System by Reducing the Leakage Flux and Enhancing the Effective Flux. Energies 2019, 12, 3762. [Google Scholar] [CrossRef]
  5. Deshmukh, A.; Bagdiya, A.; Deshpande, P.; Bhalerao, A.; Deokar, S. Design & Development of a Telescopic Beam for EPM Lifter System. Int. Res. J. Eng. Technol. 2016, 3, 2680–2688. [Google Scholar]
  6. Ziegenbein, J.M.; Colton, J.S. Magnetic-clamping structures for the consolidation of composite laminates. Polym. Compos. 2012, 33, 951–960. [Google Scholar] [CrossRef]
  7. Ochoa Cardenas, F. Design of Novel Adaptive Magnetic Adhesion Mechanism for Climbing Robots. Ph.D. Thesis, University of Sheffield, Sheffield, UK, November 2016. [Google Scholar]
  8. Cassimere, B.N.; Chan, R.R.; Cale, J.; Cramer, A.M.; Sudhoff, S.D. Evolutionary Design of Electromagnetic and Electromechanical Devices. In Proceedings of the 2007 IEEE Electric Ship Technologies Symposium, Arlington, VA, USA, 21–23 May 2007; pp. 150–157. [Google Scholar] [CrossRef]
  9. Cai, W.; Gu, C.; Hu, X. Analysis and Design of a Permanent Magnet Bi-Stable Electro-Magnetic Clutch Unit for In-Wheel Electric Vehicle Drives. Energies 2015, 8, 5598–5612. [Google Scholar] [CrossRef]
  10. Afshar, S.; Khamesee, M.B.; Khajepour, A. Optimal Configuration for Electromagnets and Coils in Magnetic Actuators. IEEE Trans. Magn. 2013, 49, 1372–1381. [Google Scholar] [CrossRef]
  11. Baek, S.K.; Oh, H.K.; Kim, S.W.; Seo, S.I. A Clamping Force Performance Evaluation of the Electro Mechanical Brake Using PMSM. Energies 2018, 11, 2876. [Google Scholar] [CrossRef]
  12. Ki, Y.H.; Lee, K.J.; Cheon, J.S.; Ahn, H.S. Design and implementation of a new clamping force estimator in Electro-Mechanical Brake systems. Int. J. Automot. Technol. 2013, 14, 739–745. [Google Scholar] [CrossRef]
  13. Oliva, F.; Faranda, R.S. Energy Efficiency in Magnetic Clamping Applications. In Proceedings of the 2022 IEEE International Conference on Environment and Electrical Engineering and 2022 IEEE Industrial and Commercial Power Systems Europe (EEEIC/I&CPS Europe), Prague, Czech Republic, 28 June–1 July 2022; pp. 1–6. [Google Scholar] [CrossRef]
  14. Lixing, X.; Wei, L.; Lixiang, W.; Yan, D. Electromagnetic lifting control system based on BAS+PID algorithm. In Proceedings of the 2020 IEEE International Conference on Artificial Intelligence and Computer Applications (ICAICA), Dalian, China, 27–29 June 2020; pp. 913–917. [Google Scholar] [CrossRef]
  15. Faranda, R.S.; Hafezi, H.; Akkala, K.; Lazzaroni, M. AC “back to back” switching device in industrial application. Energies 2020, 13, 3539. [Google Scholar] [CrossRef]
  16. Gida Magnetic Systems. Available online: https://en.gi-da.it/risorse/catalogo/2019_gida_catalogo_Rottame.pdf (accessed on 23 October 2021).
  17. Ning, D.; Chao, L.; Jingsong, D.; Shuna, J. Design of Double-drive Mechanism for Energy Saving Lifting Permanent Magnet. E3S Web Conf. 2019, 118, 02074. [Google Scholar] [CrossRef]
  18. Faranda, R.S.; Cardone, M.; Giglio, A.; Foglia, G.; Moroni, E. Safety devices in magnetic locking systems for moulds in MACPLAS International. In Technical Magazine for the Plastics and the Rubber Industry; Promaplast Srl: Assago, Italy, 2006; pp. 31–34. ISSN 0394-3453. [Google Scholar]
  19. Faranda, R.S. Efficienza energetica nell’ancoraggio magnetico. In Automazione Industriale; Il Sole 24 ore S.p.a.: Milan, Italy, 2011; pp. 54–57. [Google Scholar]
  20. Parker, R.J. Advances in Permanent Magnetism; John Wiley & Sons: Hoboken, NJ, USA, 1990. [Google Scholar]
  21. McCaig, M. Permanent Magnets in Theory and Practice; Pentech Press: London, UK, 1977. [Google Scholar]
  22. Faranda, R.S.; Lazzaroni, M. Industrial low cost temperature measurement in permanent electro-magnetic platens. Measurement 2013, 46, 324–335. [Google Scholar] [CrossRef]
Figure 1. The typical EM configuration in (a) rest and (b) working conditions.
Figure 1. The typical EM configuration in (a) rest and (b) working conditions.
Energies 16 03550 g001
Figure 2. The typical EP configuration in (a) rest and (b) working conditions.
Figure 2. The typical EP configuration in (a) rest and (b) working conditions.
Energies 16 03550 g002
Figure 3. Qualitative schemes of the AC to DC converter. (a) The configuration with a three-phase full-wave controller bridge and H bridge. (b) The configuration with a double antiparallel three-phase full-wave controller bridge.
Figure 3. Qualitative schemes of the AC to DC converter. (a) The configuration with a three-phase full-wave controller bridge and H bridge. (b) The configuration with a double antiparallel three-phase full-wave controller bridge.
Energies 16 03550 g003
Figure 4. A sketch of the laboratory-assembled electrical panel.
Figure 4. A sketch of the laboratory-assembled electrical panel.
Energies 16 03550 g004
Figure 5. A picture of the laboratory-assembled electrical panel.
Figure 5. A picture of the laboratory-assembled electrical panel.
Energies 16 03550 g005
Figure 6. A block diagram of the overall control logic.
Figure 6. A block diagram of the overall control logic.
Energies 16 03550 g006
Figure 7. Qualitative trends of the current for the four types of demagnetization phases: (a) demagnetization 0, (b) demagnetization 1, (c) demagnetization 2, (d) demagnetization 3.
Figure 7. Qualitative trends of the current for the four types of demagnetization phases: (a) demagnetization 0, (b) demagnetization 1, (c) demagnetization 2, (d) demagnetization 3.
Energies 16 03550 g007
Figure 8. The sections of the PLC program.
Figure 8. The sections of the PLC program.
Energies 16 03550 g008
Figure 9. The adaptive program of the DCS converter.
Figure 9. The adaptive program of the DCS converter.
Energies 16 03550 g009
Figure 10. The Case 1 current trend for a complete cycle of the EM system.
Figure 10. The Case 1 current trend for a complete cycle of the EM system.
Energies 16 03550 g010
Figure 11. The Case 2 current trend for a complete cycle of the EP system, which starts with the pick-up phase.
Figure 11. The Case 2 current trend for a complete cycle of the EP system, which starts with the pick-up phase.
Energies 16 03550 g011
Figure 12. The Case 3 current trend for a complete cycle of the EP system, which starts with the direct full mag phase.
Figure 12. The Case 3 current trend for a complete cycle of the EP system, which starts with the direct full mag phase.
Energies 16 03550 g012
Figure 13. The web interface screenshot.
Figure 13. The web interface screenshot.
Energies 16 03550 g013
Table 1. A resumption of comparisons between the three cases: the number of activations during one working day (8 h), as well as the energy consumption for 1 activation in [kWh] and [%].
Table 1. A resumption of comparisons between the three cases: the number of activations during one working day (8 h), as well as the energy consumption for 1 activation in [kWh] and [%].
Type of OperationHandling Time
60 s120 s180 s
Nact
[-]
Cen [kWh]Cen
[%]
Nact
[-]
Cen [kWh]Cen
[%]
Nact
[-]
Cen [kWh]Cen
[%]
Case 12370.2721001190.544100800.800100
Case 22230.06014.81160.0607.43780.0604.97
Case 32310.0408.851180.0404.46790.0402.98
Disclaimer/Publisher’s Note: The statements, opinions and data contained in all publications are solely those of the individual author(s) and contributor(s) and not of MDPI and/or the editor(s). MDPI and/or the editor(s) disclaim responsibility for any injury to people or property resulting from any ideas, methods, instructions or products referred to in the content.

Share and Cite

MDPI and ACS Style

Oliva, F.; Faranda, R.S. Energy Efficiency in Electromagnetic and Electro-Permanent Lifting Systems. Energies 2023, 16, 3550. https://doi.org/10.3390/en16083550

AMA Style

Oliva F, Faranda RS. Energy Efficiency in Electromagnetic and Electro-Permanent Lifting Systems. Energies. 2023; 16(8):3550. https://doi.org/10.3390/en16083550

Chicago/Turabian Style

Oliva, Francesca, and Roberto Sebastiano Faranda. 2023. "Energy Efficiency in Electromagnetic and Electro-Permanent Lifting Systems" Energies 16, no. 8: 3550. https://doi.org/10.3390/en16083550

APA Style

Oliva, F., & Faranda, R. S. (2023). Energy Efficiency in Electromagnetic and Electro-Permanent Lifting Systems. Energies, 16(8), 3550. https://doi.org/10.3390/en16083550

Note that from the first issue of 2016, this journal uses article numbers instead of page numbers. See further details here.

Article Metrics

Back to TopTop