Waste Energy Recovery and Valorization in Internal Combustion Engines for Transportation
Abstract
1. Introduction
2. Waste Heat Recovery Opportunities
- -
- Direct Heat Recovery, DHR, using the same exhaust gases to produce additional power.
- -
- Indirect Heat Recovery, IHR, using a different working fluid as a heat transfer medium, following a sequence of transformations (cycle) whose result is the production of work.
2.1. DHR via Turbocompounding
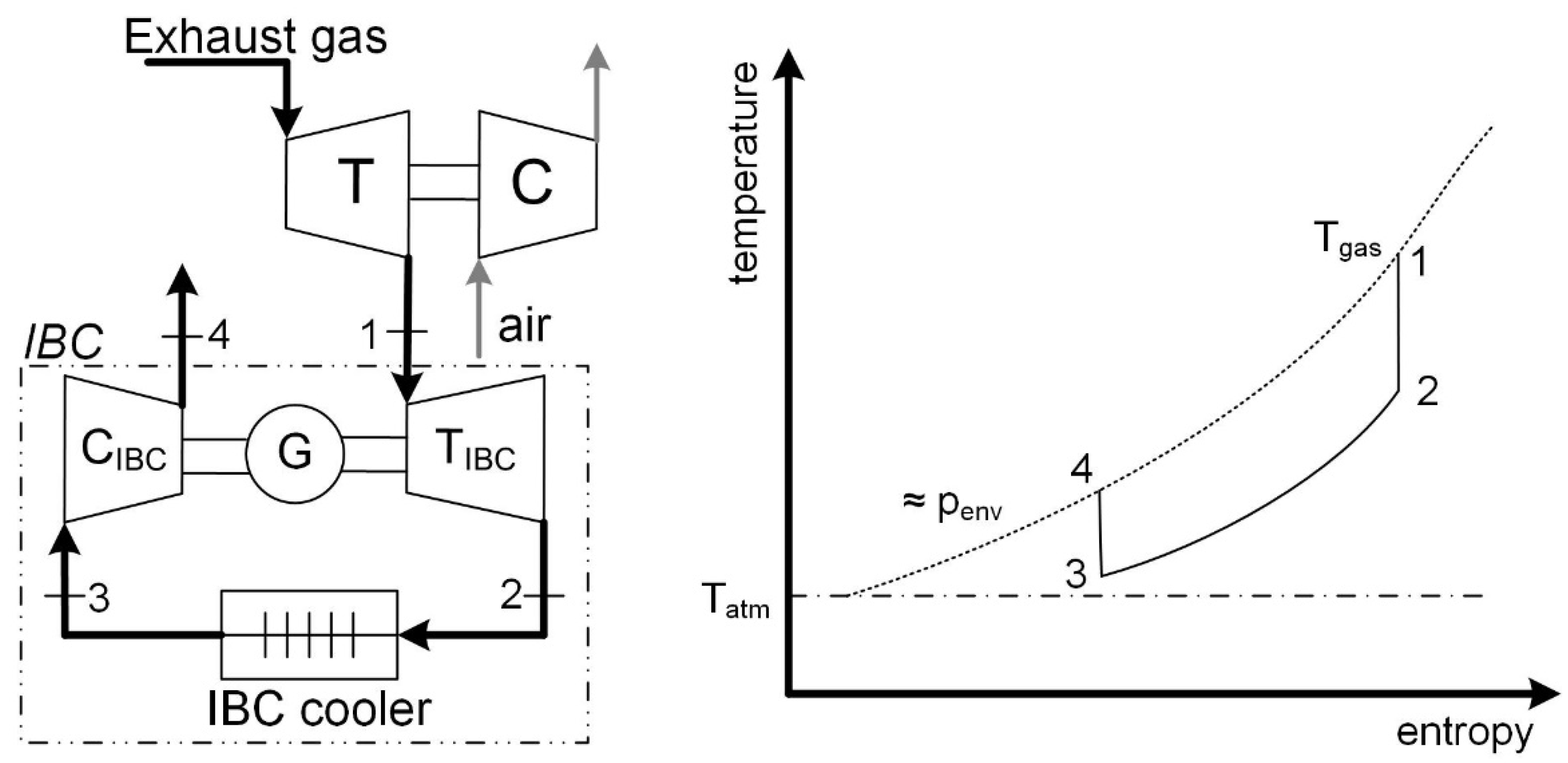
2.2. DHR via Inverted Brayton Cycle (IBC)
2.3. DHR via Thermolectric Generation
2.4. IHR via Thermodynamic Cycles
2.4.1. IHR via Organic Rankine Cycles
2.4.2. IHR via Trilateral Flash cycle (TFC)

2.4.3. IHR via Cycles with Zeotropic Mixtures as Working Fluids
2.4.4. IHR via Cascade Cycles
2.4.5. IHR via Stirling Cycle
3. Technologies Comparison and Energy Valorization
3.1. Direct Heat Utilization
3.2. Mechanical Power Production
3.3. Electrical Conversion
4. Conclusions
Author Contributions
Funding
Data Availability Statement
Acknowledgments
Conflicts of Interest
Nomenclature
| acronyms | |
| AC | Alternate Current |
| CAC | Charge Air Cooler |
| CHP | Combined Heat and Power |
| CI | Compressed Ignition |
| CVT | Continuous Variable Transmission |
| DC | Direct Current |
| DHR | Direct Heat Recovery |
| EGR | Exhaust Gas Recirculation |
| G | Generator |
| HRVG | Heat Recovery Vapour Generator |
| IBC | Inverted Brayton cycle |
| ICE | Internal Combustion Engine |
| IHR | Indirect Heat Recpvery |
| M | Motor |
| OFC | Organic Flash Cycle |
| ORC | Organic Rankine Cycle |
| RPM | Revolution per minute |
| sCO2 | superctritical CO2 cycle |
| SI | Spark Ignition |
| TEG | Thermo Electric Generator |
| TFC | Trilateral Flash Cycle |
| TRL | Technology Readiness Level |
| VGT | Variable Geometry Turbine |
| WHR | Waste Heat Recovery |
| symbols | |
| P | power |
| cp | specific heat |
| cs | cold source |
| hs | hot source |
| m | mass flow rate |
| p | pressure |
| T | temperature |
| Tsh | superheating temperature |
| subscripts | |
| atm | atmospheric |
| aux | auxiliary |
| eng | engine |
| env | environment |
| exh | exhaust |
| th | thermal |
References
- IEA. Key World Energy Statistics 2021; IEA: Paris, France, 2021; Available online: https://www.iea.org/reports/key-world-energy-statistics-2021 (accessed on 12 April 2023).
- IEA. Global CO2 Emissions from Transport by Sub-Sector in the Net Zero Scenario, 2000–2030; IEA: Paris, France, 2022; Available online: https://www.iea.org/data-and-statistics/charts/global-co2-emissions-from-transport-by-sub-sector-in-the-net-zero-scenario-2000-2030 (accessed on 12 April 2023).
- Communication from The Commission to the European Parliament, The European Council, The Council, The European Economic And Social Committee And The Committee Of The Regions-The European Green Deal, COM(2019) 640 final of 11 December 2019. Available online: https://eur-lex.europa.eu/legal-content/EN/TXT/?uri=CELEX:52019DC0640 (accessed on 17 April 2023).
- European Court of Auditors. The EU Core Road Network: Shorter Travel Times But Network Not Yet Fully Functional; Special Report, n. 09, 2020; Publications Office of the European Union: Luxembourg, 2020. Available online: https://data.europa.eu/doi/10.2865/93837 (accessed on 12 April 2023).
- Leach, F.; Kalghatgi, G.; Stone, R.; Miles, P. The scope for improving the efficiency and environmental impact of internal combustion engines. Transp. Eng. 2020, 1, 100005. [Google Scholar] [CrossRef]
- European Commision. Directorate-General for Research and Innovation, Electrification of the Transport System Studies and Reports, 2017 Smart, Green and Integrated Transport; European Commision: Brussels, Belgium, 2017.
- Bianchi, G.; Panayiotou, G.P.; Aresti, L.; Kalogirou, S.A.; Florides, G.A.; Tsamos, K.; Tassou, S.A.; Christodoulides, P. Estimating the waste heat recovery in the European Union Industry. Energy Ecol. Environ. 2019, 4, 211–221. [Google Scholar] [CrossRef]
- Kaczmarczyk, T.Z.; Żywica, G. Experimental research of a micropower volumetric expander for domestic applications at constant electrical load. Sustain. Energy Technol. Assess. 2021, 49, 101755. [Google Scholar] [CrossRef]
- Larrinaga, P.; Campos-Celador, Á.; Legarreta, J.; Diarce, G. Evaluation of the theoretical, technical and economic potential of industrial waste heat recovery in the Basque Country. J. Clean. Prod. 2021, 312, 127494. [Google Scholar] [CrossRef]
- Oliveira, M.C.; Iten, M.; Cruz, P.L.; Monteiro, H. Review on Energy Efficiency Progresses, Technologies and Strategies in the Ceramic Sector Focusing on Waste Heat Recovery. Energies 2020, 13, 6096. [Google Scholar] [CrossRef]
- Oyewunmi, O.A.; Pantaleo, A.M.; Markides, C.N. ORC cogeneration systems in waste-heat recovery applications. Energy Procedia 2017, 142, 1736–1742. [Google Scholar] [CrossRef]
- Gupta, P.R.; Tiwari, A.K.; Said, Z. Solar organic Rankine cycle and its poly-generation applications—A review. Sustain. Energy Technol. Assess. 2021, 49, 101732. [Google Scholar] [CrossRef]
- Lecompte, S.; Huisseune, H.; Van Den Broek, M.; Vanslambrouck, B.; De Paepe, M. Review of organic Rankine cycle (ORC) architectures for waste heat recovery. Renew. Sustain. Energy Rev. 2015, 47, 448–461. [Google Scholar] [CrossRef]
- Mohan, G.; Dahal, S.; Kumar, U.; Martin, A.; Kayal, H. Development of Natural Gas Fired Combined Cycle Plant for Tri-Generation of Power, Cooling and Clean Water Using Waste Heat Recovery: Techno-Economic Analysis. Energies 2014, 7, 6358–6381. [Google Scholar] [CrossRef]
- Jiang, J.; Hu, J.; Cui, M.; Tian, H. Integration of hydrogen production and waste heat recovery in electrochemical wastewater treatment. Renew. Energy 2012, 43, 179–182. [Google Scholar] [CrossRef]
- Cinocca, A.; Di Bartolomeo, M.; Cipollone, R.; Carapellucci, R. A Definitive Model of a Small-Scale Concentrated Solar Power Hybrid Plant Using Air as Heat Transfer Fluid with a Thermal Storage Section and ORC Plants for Energy Recovery. Energies 2020, 13, 4741. [Google Scholar] [CrossRef]
- García-Mariaca, A.; Llera-Sastresa, E.; Moreno, F. Application of ORC to reduce the energy penalty of carbon capture in non-stationary ICE. Energy Convers. Manag. 2022, 268, 116029. [Google Scholar] [CrossRef]
- García-Mariaca, A.; Llera-Sastresa, E. Review on Carbon Capture in ICE Driven Transport. Energies 2021, 14, 6865. [Google Scholar] [CrossRef]
- Spale, J.; Pavlicko, J.; Vodicka, V.; Mascuch, J.; Novotny, V. Experimental investigation of combustion engine with novel jacket and flue gas heat recovery. Energy Rep. 2022, 8 (Suppl. 9), 593–604. [Google Scholar] [CrossRef]
- Thiruvengadam, A.; Pradhan, S.; Thiruvengadam, P.; Besch, M.; Daniel; Delgado, O. Heavy-Duty Vehicle Diesel Engine Efficiency Evaluation and Energy Audit—October 2014; Final Report; Center for Alternative Fuels, Engines and Emissions, West Virginia University: Morgantown, WV, USA, 2014. [Google Scholar]
- Raine, R.; Jones, G. Comparison of Temperatures Measured in Natural Gas and Gasoline Fuelled Engines; SAE Technical Paper 901503; SAE International: Warrendale, PA, USA, 1990. [Google Scholar] [CrossRef]
- Majewski, W.A.; Khair, M.K. Diesel Emissions and Their Control; SAE International: Warrendale, PA, USA, 2006. [Google Scholar]
- Honardar, S.; Busch, H.; Schnorbus, T.; Severin, C.; Kolbeck, A.F.; Korfer, T. Exhaust Temperature Management for Diesel Engines Assessment of Engine Concepts and Calibration Strategies with Regard to Fuel Penalty; SAE Technical Paper 2011-24-0176; SAE International: Warrendale, PA, USA, 2011. [Google Scholar] [CrossRef]
- Heywood, J.B. Internal Combustion Engines Fundamentals, 2nd ed.; McGraw Hill Education: New York, NY, USA, 2018. [Google Scholar]
- Shi, L.; Tian, H.; Shu, G. Multi-mode analysis of a CO2-based combined refrigeration and power cycle for engine waste heat recovery. Appl. Energy 2020, 264, 114670. [Google Scholar] [CrossRef]
- Cipollone, R.; Di Battista, D.; Gualtieri, A. A novel engine cooling system with two circuits operating at different temperatures. Energy Convers. Manag. 2013, 75, 581–592. [Google Scholar] [CrossRef]
- Alani, W.K.; Zheng, J.; Fayad, M.A.; Lei, L. Enhancing the fuel saving and emissions reduction of light-duty vehicle by a new design of air conditioning worked by solar energy. Case Stud. Therm. Eng. 2022, 30, 101798. [Google Scholar] [CrossRef]
- Cipollone, R.; Di Battista, D.; Gualtieri, A. Head and block split cooling in ICE. IFAC Proc. Vol. 2012, 45, 400–407. [Google Scholar] [CrossRef]
- Rajput, K.; Roy, N.K.; Martin, A.C. Advanced Cooling System Using Graphite Foam Heat Exchangers for Automobile. In Advances in Mechanical and Energy Technology; Lecture Notes in Mechanical Engineering; Yadav, S., Jain, P.K., Kankar, P.K., Shrivastava, Y., Eds.; Springer: Singapore, 2023. [Google Scholar] [CrossRef]
- SLion, S.; Vlaskos, I.; Taccani, R. A review of emissions reduction technologies for low and medium speed marine Diesel engines and their potential for waste heat recovery. Energy Convers. Manag. 2020, 207, 112553. [Google Scholar]
- Bui, V.T.; Le, T.H.; Pham, V.V.; Nguyen, X.P. A study evaluating the ability to recover cooling water waste heat using organic Rankine cycle on marine engines. J. Mech. Eng. Res. Dev. 2021, 44, 19–25. [Google Scholar]
- Mu, H.; Wang, Y.; Teng, H.; Jin, Y.; Zhao, X.; Zhang, X. Cooling system based on double-ball motor control valve. Adv. Mech. Eng. 2021, 13, 16878140211011280. [Google Scholar] [CrossRef]
- Yang, K.; Grill, M.; Bargende, M. A Simulation Study of Optimal Integration of a Rankine Cycle Based Waste Heat Recovery System into the Cooling System of a Long-Haul Heavy Duty Truck; SAE Technical Paper 2018-01-1779; SAE International: Warrendale, PA, USA, 2018. [Google Scholar] [CrossRef]
- Cipollone, R.; Di Battista, D. Performances and Opportunities of an Engine Cooling System with a Double Circuit at Two Temperature Levels; SAE Technical Paper 2012-01-0638; SAE International: Warrendale, PA, USA, 2012. [Google Scholar] [CrossRef]
- Lombardi, S.; Villani, M.; Chiappini, D.; Tribioli, L. Cooling System Energy Consumption Reduction through a Novel All-Electric Powertrain Traction Module and Control Optimization. Energies 2020, 14, 33. [Google Scholar] [CrossRef]
- Ibrahim, A.; Jiang, F. The electric vehicle energy management: An overview of the energy system and related modeling and simulation. Renew. Sustain. Energy Rev. 2021, 144, 111049. [Google Scholar] [CrossRef]
- Han, J.; Han, J.; Ji, H.; Yu, S. “Model-based” design of thermal management system of a fuel cell “air-independent” propulsion system for underwater shipboard. Int. J. Hydrogen Energy 2020, 45, 32449–32463. [Google Scholar] [CrossRef]
- Kober, M. The High Potential for Waste Heat Recovery in Hybrid Vehicles: A Comparison Between the Potential in Conventional and Hybrid Powertrains. J. Electron. Mater. 2020, 49, 2928–2936. [Google Scholar] [CrossRef]
- Wang, Y.; Biswas, A.; Rodriguez, R.; Keshavarz-Motamed, Z.; Emadi, A. Hybrid electric vehicle specific engines: State-of-the-art review. Energy Rep. 2022, 8, 832–851. [Google Scholar] [CrossRef]
- Cipollone, R.; Di Battista, D.; Mauriello, M. Effects of Oil Warm up Acceleration on the Fuel Consumption of Reciprocating Internal Combustion Engines. Energy Procedia 2015, 82, 1–8. [Google Scholar] [CrossRef][Green Version]
- Vittorini, D.; Di Battista, D.; Cipollone, R. Engine oil warm-up through heat recovery on exhaust gases – Emissions reduction assessment during homologation cycles. Therm. Sci. Eng. Prog. 2018, 5, 412–421. [Google Scholar] [CrossRef]
- Zhang, Z.; Liu, H.; Yue, Z.; Li, Y.; Liang, H.; Kong, X.; Zheng, Z.; Yao, M. Effects of intake high-pressure compressed air on thermal-work conversion in a stationary diesel engine. Int. J. Green Energy 2022, 20, 338–351. [Google Scholar] [CrossRef]
- Di Battista, D.; Di Bartolomeo, M.; Cipollone, R. Flow and thermal management of engine intake air for fuel and emissions saving. Energy Convers. Manag. 2018, 173, 46–55. [Google Scholar] [CrossRef]
- Castillo, F.; Witrant, E.; Dugard, L.; Talon, V. Exhaust Manifold Pressure Estimation Diesel Equipped with a VGT Turbocharger; SAE Technical Paper 2013-01-1752; SAE International: Warrendale, PA, USA, 2013. [Google Scholar] [CrossRef]
- Chiara, F.; Canova, M.; Wang, Y.-Y. An exhaust manifold pressure estimator for a two-stage turbocharged Diesel engine. In Proceedings of the 2011 American Control Conference, San Francisco, CA, USA, 29 June–1 July 2011; pp. 1549–1554. [Google Scholar] [CrossRef]
- Kozak, D.; Mazuro, P. Review of Small Gas Turbine Engines and Their Adaptation for Automotive Waste Heat Recovery Systems. Int. J. Turbomach. Propuls. Power 2020, 5, 8. [Google Scholar] [CrossRef]
- Zhao, R.; Zhuge, W.; Zhang, Y.; Yang, M.; Martinez-Botas, R.; Yin, Y. Study of two-stage turbine characteristic and its influence on turbo-compound engine performance. Energy Convers. Manag. 2015, 95, 414–423. [Google Scholar] [CrossRef]
- Callahan, T.J.; Branyon, D.P.; Forster, A.C.; Ross, M.G.; Simpson, D.J. Effectiveness of mechanical turbo compounding in a modern heavy-duty diesel engine. Int. J. Automot. Eng. 2012, 3, 69–73. [Google Scholar]
- Boretti, A. Conversion of a heavy duty truck diesel engine with an innovative power turbine connected to the crankshaft through a continuously variable transmission to operate compression ignition dual fuel diesel-LPG. Fuel Process. Technol. 2013, 113, 97–108. [Google Scholar] [CrossRef]
- Grönman, A.; Sallinen, P.; Honkatukia, J.; Backman, J.; Uusitalo, A. Design and experiments of two-stage intercooled electrically assisted turbocharger. Energy Convers. Manag. 2016, 111, 115–124. [Google Scholar] [CrossRef]
- Pasini, G.; Lutzemberger, G.; Frigo, S.; Marelli, S.; Ceraolo, M.; Gentili, R.; Capobianco, M. Evaluation of an electric turbo compound system for SI engines: A numerical approach. Appl. Energy 2016, 162, 527–540. [Google Scholar] [CrossRef]
- Pipitone, E.; Caltabellotta, S. Efficiency Advantages of the Separated Electric Compound Propulsion System for CNG Hybrid Vehicles. Energies 2021, 14, 8481. [Google Scholar] [CrossRef]
- Marelli, S.; Usai, V. Experimental Evaluation of the Performance of an Automotive Electric Supercharger; SAE Technical Paper 2020-37-0008; SAE International: Warrendale, PA, USA, 2020. [Google Scholar] [CrossRef]
- Gamache, C.; Van Nieuwstadt, M.; Martz, J.; Zhu, G. Dual-output PID transient control of an electric-assisted air charge system. Int. J. Engine Res. 2023, 14680874231154964. [Google Scholar] [CrossRef]
- Winward, E.; Rutledge, J.; Carter, J.; Costall, A.; Stobart, R.; Zhao, D.; Yang, Z. Performance testing of an electrically assisted turbocharger on a heavy duty diesel engine. In Proceedings of the 12th International Conference on Turbochargers and Turbocharging 2016, London, UK, 17–18 May 2016; pp. 363–382. [Google Scholar]
- Cipollone, R.; Di Battista, D.; Gualtieri, A. Direct heat recovery from the ICE exhaust gas. In Sustainable Vehicle Technologies; Woodhead Publishing: Soston, UK, 2012; pp. 177–187. ISBN 9780857094568. [Google Scholar] [CrossRef]
- Cipollone, R.; Di Battista, D.; Gualtieri, A. Energy Recovery from the Turbocharging System of Internal Combustion Engines. In Proceedings of the ASME 2012 11th Biennial Conference on Engineering Systems Design and Analysis, Nantes, France, 2–4 July 2012; ASME: Houston, TX, USA, 2012; pp. 477–487. [Google Scholar] [CrossRef]
- Kruiswyk, R.W. The role of turbocompound in the era of emissions reduction, IMechE. In Proceedings of the ASME 10th International Conference on Turbochargers and Turbocharging, London, UK, 15–16 May 2012; Woodhead Publishing: Soston, UK, 2012; pp. 269–280. [Google Scholar] [CrossRef]
- Serrano, J.R.; Climent, H.; Piqueras, P.; Darbhamalla, A. Energy recovery potential by replacing the exhaust gases recirculation valve with an additional turbocharger in a heavy-duty engine. Energy Convers. Manag. 2022, 271, 116307. [Google Scholar] [CrossRef]
- Mattarelli, E.; Scrignoli, F.; Rinaldini, C. Parametric Study on Electric Turbocharging for Passenger Cars; SAE Technical Paper 2020-01-2224; SAE International: Warrendale, PA, USA, 2020. [Google Scholar] [CrossRef]
- Frigo, S.; Francesconi, M.; Sani, L.; Antonelli, M. Numerical analysis of energy recovery system for turbocharged internal combustion engines via a parallel compounding turbine. J. Phys. Conf. Ser. 2022, 2385, 012070. [Google Scholar] [CrossRef]
- Thompson, I.G.M.; Spence, S.; McCartan, C.; Talbot-Weiss, J.; Thornhill, D. One Dimensional Modeling of a Turbogenerating Spark Ignition Engine Operating on Biogas. SAE Int. J. Engines 2011, 4, 1354–1364. [Google Scholar] [CrossRef]
- Aghaali, H.; Ångström, H.-E. A review of turbocompounding as a waste heat recovery system for internal combustion engines. Renew. Sustain. Energy Rev. 2015, 49, 813–824. [Google Scholar] [CrossRef]
- Marelli, S.; Usai, V.; Capobianco, M.; Montenegro, G.; Della Torre, A.; Onorati, A. Direct Evaluation of Turbine Isentropic Efficiency in Turbochargers: CFD Assisted Design of an Innovative Measuring Technique; SAE Technical Paper 2019-01-0324; SAE International: Warrendale, PA, USA, 2019. [Google Scholar] [CrossRef]
- Kennedy, I.; Chen, Z.; Ceen, B.; Jones, S.; Copeland, C.D. Experimental Investigation of an Inverted Brayton Cycle for Exhaust Gas Energy Recovery. J. Eng. Gas Turbines Power 2018, 141, 032301. [Google Scholar] [CrossRef]
- Wilson, D.G.; Dunteman, N.R. The Inverted Brayton Cycle for Waste-Heat Utilization. In Proceedings of the ASME 1973 International Gas Turbine Conference and Products Show, Washington, DC, USA, 8–12 April 1973; ASME: Houston, TX, USA, 1973. [Google Scholar] [CrossRef]
- Alabdoadaim, M.; Agnew, B.; Potts, I. Performance analysis of combined Brayton and inverse Brayton cycles and developed configurations. Appl. Therm. Eng. 2006, 26, 1448–1454. [Google Scholar] [CrossRef]
- Di Battista, D.; Fatigati, F.; Carapellucci, R.; Cipollone, R. Inverted Brayton Cycle for waste heat recovery in reciprocating internal combustion engines. Appl. Energy 2019, 253, 113565. [Google Scholar] [CrossRef]
- Di Battista, D.; Cipollone, R.; Carapellucci, R. A Novel Option for Direct Waste Heat Recovery from Exhaust Gases of Internal Combustion Engines; SAE Technical Paper 2020-37-0004; SAE International: Warrendale, PA, USA, 2020. [Google Scholar] [CrossRef]
- Copeland, C.D.; Chen, Z. The Benefits of an Inverted Brayton Bottoming Cycle as an Alternative to Turbo-Compounding. In Proceedings of the ASME Turbo Expo 2015: Turbine Technical Conference and Exposition, Montreal, QC, Canada, 15–19 June 2015; ASME: Houston, TX, USA, 2015; Volume 8. [Google Scholar] [CrossRef]
- Chen, Z.; Copeland, C. Inverted Brayton Cycle Employment for a Highly Downsized Turbocharged Gasoline Engine; SAE Technical Paper 2015-01-1973; SAE International: Warrendale, PA, USA, 2015. [Google Scholar] [CrossRef]
- Di Battista, D.; Carapellucci, R.; Cipollone, R. Integrated evaluation of Inverted Brayton cycle recovery unit bottomed to a turbocharged diesel engine. Appl. Therm. Eng. 2020, 175, 115353. [Google Scholar] [CrossRef]
- Abrosimov, K.; Sciacchitano, F.; Pasini, G.; Baccioli, A.; Bischi, A.; Antonelli, M. Techno-economic analysis of waste heat recovery by inverted Brayton cycle applied to an LNG-fuelled transport truck. E3S Web Conf. 2021, 238, 10008. [Google Scholar] [CrossRef]
- Chen, Z.; Copeland, C.; Ceen, B.; Jones, S.; Goya, A.A. Modeling and Simulation of an Inverted Brayton Cycle as an Exhaust-Gas Heat-Recovery System. J. Eng. Gas Turbines Power 2017, 139, 081701. [Google Scholar] [CrossRef]
- Kennedy, I.; Chen, Z.; Ceen, B.; Jones, S.; Copeland, C.D. Inverted Brayton Cycle with Exhaust Gas Condensation. J. Eng. Gas Turbines Power 2018, 140, 111702. [Google Scholar] [CrossRef]
- Di Battista, D.; Cipollone, R.; Carapellucci, R. Inverted Brayton Cycle as an Option for Waste Energy Recovery in Turbocharged Diesel Engine; SAE Technical Paper 2019-24-0060; SAE International: Warrendale, PA, USA, 2019. [Google Scholar] [CrossRef]
- Abrosimov, K.; Baccioli, A.; Bischi, A. Extensive techno-economic assessment of combined inverted Brayton – Organic Rankine cycle for high-temperature waste heat recovery. Energy 2020, 211, 118406. [Google Scholar] [CrossRef]
- Goodarzi, M. Energy and exergy analyses of a new atmospheric regenerative Brayton and Inverse Brayton cycle. Energy Rep. 2021, 7, 4530–4539. [Google Scholar] [CrossRef]
- Matsui, K.; Thu, K.; Miyazaki, T. A hybrid power cycle using an inverted Brayton cycle with an indirect evaporative device for waste-heat recovery. Appl. Therm. Eng. 2020, 170, 115029. [Google Scholar] [CrossRef]
- Salek, F.; Babaie, M.; Naserian, M.M.; Ahmadi, M.H. Power enhancement of a turbo-charged industrial diesel engine by using of a waste heat recovery system based on inverted Brayton and organic Rankine cycles. Fuel 2022, 322, 124036. [Google Scholar] [CrossRef]
- Kaneko, K.; Ohtani, K.; Tsujikawa, Y.; Fujii, S. Utilization of the cryogenic exergy of LNG by a mirror gas-turbine. Appl. Energy 2004, 79, 355–369. [Google Scholar] [CrossRef]
- Agelidou, E.; Henke, M.; Monz, T.; Aigner, M. Numerical Investigation of an Inverted Brayton Cycle Micro Gas Turbine Based on Experimental Data. In Proceedings of the ASME Turbo Expo 2018: Turbomachinery Technical Conference and Exposition, Oslo, Norway, 11–15 June 2018; ASME: Houston, TX, USA, 2018; Volume 3. [Google Scholar] [CrossRef]
- Carapellucci, R.; Di Battista, D. Combined Brayton, Inverse Brayton and Steam Cycles Power Plant. In Proceedings of the ASME 2020 International Mechanical Engineering Congress and Exposition, Virtual, 16–19 November 2020; ASME: Houston, TX, USA, 2020; Volume 8. [Google Scholar] [CrossRef]
- Bianchi, M.; Di Montenegro, G.N.; Peretto, A. Inverted Brayton Cycle Employment for Low-Temperature Cogenerative Applications. J. Eng. Gas Turbines Power 2002, 124, 561–565. [Google Scholar] [CrossRef]
- Abrosimov, K.A.; Galkin, D.I.; Tumashev, R.Z.; Ustinov, A.A. Simulation of CHP System Based on Micro Gas Turbine with Inverted Brayton Cycle. In Proceedings of the ASME Turbo Expo 2017: Turbomachinery Technical Conference and Exposition, Charlotte, NC, USA, 26–30 June 2017; ASME: Houston, TX, USA, 2017; Volume 3. [Google Scholar] [CrossRef]
- Armstead, J.R.; Miers, S.A. Review of Waste Heat Recovery Mechanisms for Internal Combustion Engines. J. Therm. Sci. Eng. Appl. 2013, 6, 014001. [Google Scholar] [CrossRef]
- Liu, C.; Ye, W.; Li, H.; Liu, J.; Zhao, C.; Mao, Z.; Pan, X. Experimental study on cascade utilization of ship’s waste heat based on TEG-ORC combined cycle. Int. J. Energy Res. 2020, 45, 4184–4196. [Google Scholar] [CrossRef]
- Nadaf, N.; Preethi, A. Review on Waste Heat Energy Harvesting using TEG: Applications and Enhancements. In Proceedings of the 2021 8th International Conference on Smart Computing and Communications: Artificial Intelligence, AI Driven Applications for a Smart World, ICSCC 2021, Kochi, India, 1–3 July 2021; pp. 334–339. [Google Scholar] [CrossRef]
- Karri, M.; Thacher, E.; Helenbrook, B. Exhaust energy conversion by thermoelectric generator: Two case studies. Energy Convers. Manag. 2011, 52, 1596–16111. [Google Scholar] [CrossRef]
- Liang, X.; Wang, X.; Shu, G.; Wei, H.; Tian, H.; Wang, X. A review and selection of engine waste heat recovery technologies using analytic hierarchy process and grey relational analysis. Int. J. Energy Res. 2014, 39, 453–471. [Google Scholar] [CrossRef]
- Von Lukowicz, M.; Abbe, E.; Schmiel, T.; Tajmar, M. Thermoelectric Generators on Satellites—An Approach for Waste Heat Recovery in Space. Energies 2016, 9, 541. [Google Scholar] [CrossRef]
- Quan, R.; Liang, W.; Quan, S.; Huang, Z.; Liu, Z.; Chang, Y.; Tan, B. Performance interaction assessment of automobile exhaust thermoelectric generator and engine under different operating conditions. Appl. Therm. Eng. 2022, 216, 119055. [Google Scholar] [CrossRef]
- Karana, D.R.; Sahoo, R.R. Performance effect on the TEG system for waste heat recovery in automobiles using ZnO and SiO2 nanofluid coolants. Heat Transf. 2018, 48, 216–232. [Google Scholar] [CrossRef]
- Borcuch, M.; Musiał, M.; Gumuła, S.; Wojciechowski, K.T. Performance parameters and numerical model of thermoelectric generator dedicated for energy harvesting from flue gases. J. Phys. Conf. Ser. 2016, 745, 032008. [Google Scholar] [CrossRef]
- Sok, R.; Kusaka, J. Development and validation of thermal performances in a novel thermoelectric generator model for automotive waste heat recovery systems. Int. J. Heat Mass Transf. 2023, 202, 123718. [Google Scholar] [CrossRef]
- Lan, S.; Stobart, R.; Chen, R. Performance comparison of a thermoelectric generator applied in conventional vehicles and extended-range electric vehicles. Energy Convers. Manag. 2022, 266, 115791. [Google Scholar] [CrossRef]
- Liu, C.; Liu, J.; Ye, W.; Li, H.; Zhao, C.; Wang, H.; Xu, M.; Pan, X. Study on a new cascade utilize method for ship waste heat based on TEG-ORC combined cycle. Environ. Prog. Sustain. Energy 2021, 40, e13661. [Google Scholar] [CrossRef]
- Zhang, W.; Yang, F.; Zhang, H.; Ping, X.; Yan, D. Numerical analysis and optimization design of fin-and-tube evaporator in organic Rankine cycle system for diesel engine waste heat recovery. Int. J. Heat Mass Transf. 2021, 175, 121376. [Google Scholar] [CrossRef]
- Luo, J.; Lu, P.; Chen, K.; Luo, X.; Chen, J.; Liang, Y.; Yang, Z.; Chen, Y. Experimental and simulation investigation on the heat exchangers in an ORC under various heat source/sink conditions. Energy 2023, 264, 126189. [Google Scholar] [CrossRef]
- Di Battista, D.; Mauriello, M.; Cipollone, R. Waste heat recovery of an ORC-based power unit in a turbocharged diesel engine propelling a light duty vehicle. Appl. Energy 2015, 152, 109–120. [Google Scholar] [CrossRef]
- Di Battista, D.; Mauriello, M.; Cipollone, R. Effects of an ORC Based Heat Recovery System on the Performances of a Diesel Engine; SAE Technical Papers; SAE International: Warrendale, PA, USA, 2015. [Google Scholar]
- Kumar, A.; Rakshit, D. A critical review on waste heat recovery utilization with special focus on Organic Rankine Cycle applications. Clean. Eng. Technol. 2021, 5, 100292. [Google Scholar] [CrossRef]
- Fatigati, F.; Vittorini, D.; Di Bartolomeo, M.; Cipollone, R. Experimental characterization of a small-scale solar Organic Rankine Cycle (ORC) based unit for domestic microcogeneration. Energy Convers. Manag. 2022, 258, 115493. [Google Scholar] [CrossRef]
- Lion, S.; Michos, C.N.; Vlaskos, I.; Rouaud, C.; Taccani, R. A review of waste heat recovery and Organic Rankine Cycles (ORC) in on-off highway vehicle Heavy Duty Diesel Engine applications. Renew. Sustain. Energy Rev. 2017, 79, 691–708. [Google Scholar] [CrossRef]
- Alshammari, F.; Pesyridis, A.; Alshammari, A.S.; Alghafis, A.; Alatawi, I.; Alzamil, A. Potential of capturing transportation wasted heat for better fuel economy and electricity generation: Comprehensive testing. Energy Convers. Manag. 2022, 267, 115939. [Google Scholar] [CrossRef]
- Li, Y.-M.; Hung, T.-C.; Wu, C.-J.; Su, T.-Y.; Xi, H.; Wang, C.-C. Experimental investigation of 3-kW organic Rankine cycle (ORC) system subject to heat source conditions: A new appraisal for assessment. Energy 2021, 217, 119342. [Google Scholar] [CrossRef]
- Li, X.; Hao, X.; Meng, L.; Chen, L. Design and Research of Vehicle Organic Rankine Cycle Waste Heat Power Generation System Based on Preheater. Procedia Eng. 2017, 205, 4157–4164. [Google Scholar] [CrossRef]
- Uusitalo, A.; Turunen-Saaresti, T.; Honkatukia, J.; Dhanasegaran, R. Experimental study of small scale and high expansion ratio ORC for recovering high temperature waste heat. Energy 2020, 208, 118321. [Google Scholar] [CrossRef]
- Pu, W.; Yue, C.; Han, D.; He, W.; Liu, X.; Zhang, Q.; Chen, Y. Experimental study on Organic Rankine cycle for low grade thermal energy recovery. Appl. Therm. Eng. 2016, 94, 221–227. [Google Scholar] [CrossRef]
- Maraver, D.; Royo, J.; Lemort, V.; Quoilin, S. Systematic optimization of subcritical and transcritical organic Rankine cycles (ORCs) constrained by technical parameters in multiple applications. Appl. Energy 2014, 117, 11–29. [Google Scholar] [CrossRef]
- Zhang, X.; Li, Y. An examination of super dry working fluids used in regenerative organic Rankine cycles. Energy 2023, 263, 125931. [Google Scholar] [CrossRef]
- Di Battista, D.; Di Bartolomeo, M.; Villante, C.; Cipollone, R. On the limiting factors of the waste heat recovery via ORC-based power units for on-the-road transportation sector. Energy Convers. Manag. 2018, 155, 68–77. [Google Scholar] [CrossRef]
- Zhar, R.; Allouhi, A.; Jamil, A.; Lahrech, K. A comparative study and sensitivity analysis of different ORC configurations for waste heat recovery. Case Stud. Therm. Eng. 2021, 28, 101608. [Google Scholar] [CrossRef]
- Di Battista, D.; Di Bartolomeo, M.; Villante, C.; Cipollone, R. A Model Approach to the Sizing of an ORC Unit for WHR in Transportation Sector. SAE Int. J. Commer. Veh. 2017, 10, 608–617. [Google Scholar] [CrossRef]
- Vittorini, D.; Cipollone, R.; Carapellucci, R. Enhanced performances of ORC-based units for low grade waste heat recovery via evaporator layout optimization. Energy Convers. Manag. 2019, 197, 111874. [Google Scholar] [CrossRef]
- Wang, M.; Zhang, J.; Zhao, S.; Liu, Q.; Zhao, Y.; Wu, H. Performance investigation of transcritical and dual-pressure Organic Rankine Cycles from the aspect of thermal match. Energy Convers. Manag. 2019, 197, 111850. [Google Scholar] [CrossRef]
- Liu, X.; Niu, J.; Wang, J.; Su, L.; Dong, L. Thermodynamic performance of subcritical double-pressure organic Rankine cycles driven by geothermal energy. Appl. Therm. Eng. 2021, 195, 117162. [Google Scholar] [CrossRef]
- Fatigati, F.; Di Bartolomeo, M.; Di Battista, D.; Cipollone, R. Experimental Validation of a New Modeling for the Design Optimization of a Sliding Vane Rotary Expander Operating in an ORC-Based Power Unit. Energies 2020, 13, 4204. [Google Scholar] [CrossRef]
- Popp, T.; Weiß, A.P.; Heberle, F.; Winkler, J.; Scharf, R.; Weith, T.; Brüggemann, D. Experimental Characterization of an Adaptive Supersonic Micro Turbine for Waste Heat Recovery Applications. Energies 2021, 15, 25. [Google Scholar] [CrossRef]
- Weiß, A.P.; Stümpfl, D.; Streit, P.; Shoemaker, P.; Hildebrandt, T. Numerical and Experimental Investigation of a Velocity Compounded Radial Re-Entry Turbine for Small-Scale Waste Heat Recovery. Energies 2021, 15, 245. [Google Scholar] [CrossRef]
- Aboelwafa, O.; Fateen, S.-E.K.; Soliman, A.; Ismail, I.M. A review on solar Rankine cycles: Working fluids, applications, and cycle modifications. Renew. Sustain. Energy Rev. 2018, 82, 868–8855. [Google Scholar] [CrossRef]
- Di Battista, D.; Cipollone, R. Experimental Analysis of an Organic Rankine Cycle Plant Bottoming a Heavy-Duty Engine Using Axial Turbine as Prime Mover. SAE Int. J. Engines 2017, 10, 1385–1397. [Google Scholar] [CrossRef]
- Rosset, K.; Pajot, O.; Schiffmann, J. Experimental investigation of a small-scale organic rankine cycle turbo-generator supported on gas-lubricated bearings. J. Eng. Gas Turbines Power 2021, 143, 051015. [Google Scholar] [CrossRef]
- Astolfi, M.; Martelli, E.; Pierobon, L. Thermodynamic and technoeconomic optimization of Organic Rankine Cycle systems. In Organic Rankine Cycle (ORC) Power Systems; Woodhead Publ. Ltd.: Cambridgem UK; Abington Hall: Abington, PA, USA, 2017; pp. 173–249. ISBN 9780081005101. [Google Scholar] [CrossRef]
- Moradi, R.; Habib, E.; Bocci, E.; Cioccolanti, L. Investigation on the use of a novel regenerative flow turbine in a micro-scale Organic Rankine Cycle unit. Energy 2020, 210, 118519. [Google Scholar] [CrossRef]
- Couvreur, K.; Tassenoy, R.; van Heule, X.; De Paepe, M.; Lecompte, S. Experimental and numerical analysis of variable volume ratio as additional optimization parameter in organic Rankine cycle expanders. Appl. Therm. Eng. 2022, 216, 119007. [Google Scholar] [CrossRef]
- Yan, J.; Han, Y.; Tian, J.; Xu, Y.; Zhang, Y.; Chen, R. Performance investigation of a novel expander coupling organic Rankine cycle: Variable expansion ratio rotary vane expander for variable working conditions. Appl. Therm. Eng. 2019, 152, 573–581. [Google Scholar] [CrossRef]
- Naseri, A.; Moradi, R.; Norris, S.; Subiantoro, A. Experimental investigation of a revolving vane expander in a micro-scale organic Rankine cycle system for low-grade waste heat recovery. Energy 2022, 253, 124174. [Google Scholar] [CrossRef]
- Yun, E.; Kim, D.; Yoon, S.Y.; Kim, K.C. Experimental investigation of an organic Rankine cycle with multiple expanders used in parallel. Appl. Energy 2015, 145, 246–254. [Google Scholar] [CrossRef]
- Fatigati, F.; Di Bartolomeo, M.; Di Battista, D.; Cipollone, R. A dual-intake-port technology as a design option for a Sliding Vane Rotary Expander of small-scale ORC-based power units. Energy Convers. Manag. 2020, 209, 112646. [Google Scholar] [CrossRef]
- Di Battista, D.; Fatigati, F.; Di Bartolomeo, M.; Cipollone, R. Supercharged Expander to Enhance Waste Heat Recovery through ORC-Based Recovery Unit in Vehicle Applications; SAE Technical Paper 2021-24-0092; SAE International: Warrendale, PA, USA, 2021. [Google Scholar] [CrossRef]
- Fatigati, F.; Vittorini, D.; Wang, Y.; Song, J.; Markides, C.N.; Cipollone, R. Design and Operational Control Strategy for Optimum Off-Design Performance of an ORC Plant for Low-Grade Waste Heat Recovery. Energies 2020, 13, 5846. [Google Scholar] [CrossRef]
- Fatigati, F.; Di Bartolomeo, M.; Di Battista, D.; Cipollone, R. Model based control of the inlet pressure of a sliding vane rotary expander operating in an ORC-based power unit. Appl. Therm. Eng. 2021, 193, 117032. [Google Scholar] [CrossRef]
- Fatigati, F.; Di Battista, D.; Cipollone, R. Permeability effects assessment on recovery performances of small-scale ORC plant. Appl. Therm. Eng. 2021, 196, 117331. [Google Scholar] [CrossRef]
- Dong, S.; Hu, X.; Huang, J.F.; Zhu, T.; Zhang, Y.; Li, X. Investigation on improvement potential of ORC system off-design performance by expander speed regulation based on theoretical and experimental exergy-energy analyses. Energy 2021, 220, 119753. [Google Scholar] [CrossRef]
- Feng, Y.-Q.; Zhang, Q.; Xu, K.-J.; Wang, C.-M.; He, Z.-X.; Hung, T.-C. Operation characteristics and performance prediction of a 3 kW organic Rankine cycle (ORC) with automatic control system based on machine learning methodology. Energy 2023, 263, 125857. [Google Scholar] [CrossRef]
- Yang, F.; Cho, H.; Zhang, H.; Zhang, J.; Wu, Y. Artificial neural network (ANN) based prediction and optimization of an organic Rankine cycle (ORC) for diesel engine waste heat recovery. Energy Convers. Manag. 2018, 164, 15–26. [Google Scholar] [CrossRef]
- Sellers, C. Field operation of a 125kW ORC with ship engine jacket water. Energy Procedia 2017, 129, 495–502. [Google Scholar] [CrossRef]
- Antanenkova, I.S.; Koroleva, A.P.; Frantsuzov, M.S.; Sukhikh, A.A.; Sytchev, V.V. Designing the Main Heat-Transfer Equipment of an ORC-System for the Internal Combustion Engines of Shipboard Installations. Therm. Eng. 2021, 68, 25–36. [Google Scholar] [CrossRef]
- Jeihouni, Y.; Franke, M.; Lierz, K.; Tomazic, D.; Heuser, P. Waste heat recovery for locomotive engines using the organic rankine cycle. In Proceedings of the ASME 2015 Internal Combustion Engine Division Fall Technical Conference, ICEF 2015, Houston, TX, USA, 8–11 November 2015; Volume 1. [Google Scholar]
- Zhang, X.; Wang, X.; Cai, J.; He, Z.; Tian, H.; Shu, G.; Shi, L. Experimental study on operating parameters matching characteristic of the organic Rankine cycle for engine waste heat recovery. Energy 2021, 244, 122681. [Google Scholar] [CrossRef]
- Broekaert, S.; Grigoratos, T.; Savvidis, D.; Fontaras, G. Assessment of waste heat recovery for heavy-duty vehicles during on-road operation. Appl. Therm. Eng. 2021, 191, 116891. [Google Scholar] [CrossRef]
- Ramli, W.R.B.W.; Pesyridis, A.; Gohil, D.; Alshammari, F. Organic Rankine Cycle Waste Heat Recovery for Passenger Hybrid Electric Vehicles. Energies 2020, 13, 4532. [Google Scholar] [CrossRef]
- Schweizer, F.; Swoboda, J.; Wachtmeister, G. Holistic Analysis of a Mild Hybrid Waste Heat Recovery System for Commercial Vehicles. SAE Int. J. Commer. Veh. 2021, 15, 203–224. [Google Scholar] [CrossRef]
- Pili, R.; Jørgensen, S.B.; Haglind, F. Multi-objective optimization of organic Rankine cycle systems considering their dynamic performance. Energy 2022, 246, 123345. [Google Scholar] [CrossRef]
- Bianchi, G.; McGinty, R.; Oliver, D.; Brightman, D.; Zaher, O.; Tassou, S.A.; Miller, J.; Jouhara, H. Development and analysis of a packaged Trilateral Flash Cycle system for low grade heat to power conversion applications. Therm. Sci. Eng. Prog. 2017, 4, 113–121. [Google Scholar] [CrossRef]
- Iqbal, A.; Rana, S.; Ahmadi, M.; Date, A.; Akbarzadeh, A. Experimental study on the prospect of low-temperature heat to power generation using Trilateral Flash Cycle (TFC). Appl. Therm. Eng. 2020, 172, 115139. [Google Scholar] [CrossRef]
- Smith, I.K. Development of the Trilateral Flash Cycle System: Part 1: Fundamental Considerations. Proc. Inst. Mech. Eng. Part A J. Power Energy 1993, 207, 179–194. [Google Scholar] [CrossRef]
- Bianchi, G.; Marchionni, M.; Miller, J.; Tassou, S.A. Modelling and off-design performance optimisation of a trilateral flash cycle system using two-phase twin-screw expanders with variable built-in volume ratio. Appl. Therm. Eng. 2020, 179, 115671. [Google Scholar] [CrossRef]
- Yari, M.; Mehr, A.; Zare, V.; Mahmoudi, S.; Rosen, M. Exergoeconomic comparison of TLC (trilateral Rankine cycle), ORC (organic Rankine cycle) and Kalina cycle using a low grade heat source. Energy 2015, 83, 712–722. [Google Scholar] [CrossRef]
- Wu, S.; Ma, Y.; Yang, Z.; Miao, Z. Thermodynamic Analysis and Optimization of Organic Flash Cycle Using Zeotropic Mixtures Working Fluids. Zhongguo Dianji Gongcheng Xuebao/Proc. Chin. Soc. Electr. Eng. 2022, 42, 7546–7553. [Google Scholar]
- Cipollone, R.; Bianchi, G.; Di Bartolomeo, M.; Di Battista, D.; Fatigati, F. Low grade thermal recovery based on trilateral flash cycles using recent pure fluids and mixtures. Energy Procedia 2017, 123, 289–296. [Google Scholar] [CrossRef]
- Zhang, X.; Zhang, Y.; Wang, J. New classification of dry and isentropic working fluids and a method used to determine their optimal or worst condensation temperature used in Organic Rankine Cycle. Energy 2020, 201, 117722. [Google Scholar] [CrossRef]
- Miao, Z.; Li, Z.; Zhang, K.; Xu, J.; Cheng, Y. Selection criteria of zeotropic mixtures for subcritical organic Rankine cycle based on thermodynamic and thermo-economic analysis. Appl. Therm. Eng. 2020, 180, 115837. [Google Scholar] [CrossRef]
- Di Battista, D.; Cipollone, R.; Villante, C.; Fornari, C.; Mauriello, M. The Potential of Mixtures of Pure Fluids in ORC-based Power Units fed by Exhaust Gases in Internal Combustion Engines. Energy Procedia 2016, 101, 1264–1271. [Google Scholar] [CrossRef]
- Jung, H.-C.; Taylor, L.; Krumdieck, S. An experimental and modelling study of a 1 kW organic Rankine cycle unit with mixture working fluid. Energy 2015, 81, 601–614. [Google Scholar] [CrossRef]
- Abbas, W.K.A.; Baumhögger, E.; Vrabec, J. Experimental investigation of organic Rankine cycle performance using alkanes or hexamethyldisiloxane as a working fluid. Energy Convers. Manag. X 2022, 15, 100244. [Google Scholar] [CrossRef]
- Zhang, X.; Zhang, Y.; Li, Z.; Wang, J.; Wu, Y.; Ma, C. Zeotropic mixture selection for an organic Rankine cycle using a single screw expander. Energies 2020, 13, 1022. [Google Scholar] [CrossRef]
- Cipollone, R.; Di Battista, D.; Bettoja, F. Performances of an ORC power unit for Waste Heat Recovery on Heavy Duty Engine. Energy Procedia 2017, 129, 770–777. [Google Scholar] [CrossRef]
- Van Erdeweghe, S.; Van Bael, J.; Laenen, B.; D’haeseleer, W. Influence of the pinch-point-temperature difference on the performance of the Preheat-parallel configuration for a low-temperature geothermally-fed CHP. Energy Procedia 2017, 129, 10–17. [Google Scholar] [CrossRef]
- Ren, X.; Li, J.; Pei, G.; Li, P.; Gong, L. Parametric and economic analysis of high-temperature cascade organic Rankine cycle with a biphenyl and diphenyl oxide mixture. Energy Convers. Manag. 2023, 276, 116556. [Google Scholar] [CrossRef]
- Di Battista, D.; Fatigati, F.; Carapellucci, R.; Cipollone, R. An improvement to waste heat recovery in internal combustion engines via combined technologies. Energy Convers. Manag. 2021, 232, 113880. [Google Scholar] [CrossRef]
- Giuffrida, A.; Akramieh, E. Analysis of partial heating supercritical CO2 cycles bottoming small-power gas turbine units. Energy Convers. Manag. X 2023, 17, 100341. [Google Scholar] [CrossRef]
- Alfani, D.; Binotti, M.; Macchi, E.; Silva, P.; Astolfi, M. sCO2 power plants for waste heat recovery: Design optimization and part-load operation strategies. Appl. Therm. Eng. 2021, 195, 117013. [Google Scholar] [CrossRef]
- Crespi, F.; Gavagnin, G.; Sánchez, D.; Martínez, G.S. Supercritical carbon dioxide cycles for power generation: A review. Appl. Energy 2017, 195, 152–183. [Google Scholar] [CrossRef]
- Chacartegui, R.; Sanchez, D.; Jimenez-Espadafor, F.; Munoz, A.; Sanchez, T. Analysis of intermediate temperature combined cycles with a carbon dioxide topping cycle. In Proceedings of the ASME Turbo Expo 2008: Power for Land, Sea, and Air, Berlin, Germany, 9–13 June 2008; American Society of Mechanical Engineers: New York, NY, USA; pp. 673–680. [Google Scholar]
- Wu, C.; Yan, X.J.; Wang, S.S.; Bai, K.L.; Di, J.; Cheng, S.F.; Li, J. System optimisation and performance analysis of CO2 transcritical power cycle for waste heat recovery. Energy 2016, 100, 391–400. [Google Scholar] [CrossRef]
- Moisseytsev, A.; Sienicki, J.J. Investigation of alternative layouts for the supercritical carbon dioxide Brayton cycle for a sodium-cooled fast reactor. J. Eng. Power 2009, 239, 1362–1371. [Google Scholar] [CrossRef]
- Turchi, C.S.; Ma, Z.; Neises, T.W.; Wagner, M.J. Thermodynamic Study of Advanced Supercritical Carbon Dioxide Power Cycles for Concentrating Solar Power Systems. J. Sol. Energy Eng. 2013, 135, 041007. [Google Scholar] [CrossRef]
- Akbari, A.D.; Mahmoudi, S.M.S. Thermoeconomic analysis & optimization of the combined supercritical CO2 (carbon dioxide) recompression Brayton/organic Rankine cycle. Energy 2014, 78, 501–512. [Google Scholar]
- Manente, G.; Fortuna, F.M. Supercritical CO2 power cycles for waste heat recovery: A systematic comparison between traditional and novel layouts with dual expansion. Energy Convers. Manag. 2019, 197, 111777. [Google Scholar] [CrossRef]
- Ahn, Y.; Bae, S.J.; Kim, M.; Cho, S.K.; Baik, S.; Lee, J.I.; Cha, J.E. Review of supercritical CO2 power cycle technology and current status of research and development. Nucl. Eng. Technol. 2015, 47, 647–661. [Google Scholar] [CrossRef]
- Sarkar, J. Review and future trends of supercritical CO2 Rankine cycle for low-grade heat conversion. Renew. Sustain. Energy Rev. 2015, 48, 434–451. [Google Scholar] [CrossRef]
- Di Battista, D.; Carapellucci, R. On the Maximization of the Waste Heat Recovery From Exhaust Gases Of Internal Combustion Engines. In Proceedings of the ASME International Mechanical Engineering Congress and Exposition, Proceedings (IMECE), New Orleans, LA, USA, 29 October–3 November 2021. [Google Scholar]
- Di Battista, D.; Di Bartolomeo, M.; Cipollone, R. Full energy recovery from exhaust gases in a turbocharged diesel engine. Energy Convers. Manag. 2022, 271, 116280. [Google Scholar] [CrossRef]
- Durcansky, P.; Nosek, R.; Jandačka, J. Use of Stirling Engine for Waste Heat Recovery. Energies 2020, 13, 4133. [Google Scholar] [CrossRef]
- Jiang, Z.; Yu, G.; Zhu, S.; Dai, W.; Luo, E. Advances on a free-piston Stirling engine-based micro-combined heat and power system. Appl. Therm. Eng. 2022, 217, 119187. [Google Scholar] [CrossRef]
- Douadi, O.; Ravi, R.; Faqir, M.; Essadiqi, E. A conceptual framework for waste heat recovery from compression ignition engines: Technologies, working fluids & heat exchangers. Energy Convers. Manag. X 2022, 16, 100309. [Google Scholar] [CrossRef]
- Walker, G. Stirling Engines; Clarendon Press: Oxford, UK; Oxford University Press: New York, NY, USA, 1980. [Google Scholar]
- Hachem, H.; Gheith, R.; Aloui, F.; Ben Nasrallah, S. Technological challenges and optimization efforts of the Stirling machine: A review. Energy Convers. Manag. 2018, 171, 1365–1387. [Google Scholar] [CrossRef]
- Güven, M.; Bedir, H.; Anlaş, G. Optimization and application of Stirling engine for waste heat recovery from a heavy-duty truck engine. Energy Convers. Manag. 2018, 180, 411–424. [Google Scholar] [CrossRef]
- Cheng, C.-H.; Tan, Y.-H.; Liu, T.-S. Experimental and Dynamic Analysis of a Small-Scale Double-Acting Four-Cylinder α-Type Stirling Engine. Sustainability 2021, 13, 8442. [Google Scholar] [CrossRef]
- Perozziello, C.; Grosu, L.; Vaglieco, B.M. Free-Piston Stirling Engine Technologies and Models: A Review. Energies 2021, 14, 7009. [Google Scholar] [CrossRef]
- Catapano, F.; Perozziello, C.; Vaglieco, B.M. Analysis of a Stirling engine in a waste heat recovery system with internal combustion engine. E3S Web Conf. 2021, 313, 13001. [Google Scholar]
- Catapano, F.; Frazzica, A.; Freni, A.; Manzan, M.; Micheli, D.; Palomba, V.; Sementa, P.; Vaglieco, B. Development and experimental testing of an integrated prototype based on Stirling, ORC and a latent thermal energy storage system for waste heat recovery in naval application. Appl. Energy 2022, 311, 118673. [Google Scholar] [CrossRef]
- Park, J.; Ko, J.; Kim, H.; Hong, Y.; Yeom, H.; Park, S.; In, S. The design and testing of a kW-class free-piston Stirling engine for micro-combined heat and power applications. Appl. Therm. Eng. 2019, 164, 114504. [Google Scholar] [CrossRef]
- Jaybhay, S.; Nagarhalli, P.; Kapoor, S. Practical Approach to Develop Low Cost, Energy Efficient Cabin Heating for Extreme Cold Operating Environment. SAE Int. J. Mater. Manuf. 2011, 4, 216–230. [Google Scholar] [CrossRef]
- Di Bartolomeo, M.; Di Battista, D.; Cipollone, R. Experimentally based methodology to evaluate fuel saving and CO2 reduction of electrical engine cooling pump during real driving. SAE J. Engines 2023, 16. [Google Scholar]
- Xu, Y.; Yan, Z.; Xia, W. A novel system for aircraft cabin heating based on a vapor compression system and heat recovery from engine lubricating oil. Appl. Therm. Eng. 2022, 212, 118544. [Google Scholar] [CrossRef]
- Muthusamy, P.; Kumar, P.S. Waste Heat Recovery Using Matrix Heat Exchanger from the Exhaust of an Automobile Engine for Heating Car’s Passenger Cabin. Adv. Mater. Res. 2014, 984-985, 1132–1137. [Google Scholar] [CrossRef]
- Li, L.; Liu, Z.; Deng, C.; Xie, N.; Ren, J.; Sun, Y.; Xiao, Z.; Lei, K.; Yang, S. Thermodynamic and exergoeconomic analyses of a vehicular fuel cell power system with waste heat recovery for cabin heating and reactants preheating. Energy 2022, 247, 123465. [Google Scholar] [CrossRef]
- Di Battista, D.; Cipollone, R. Improving Engine Oil Warm Up through Waste Heat Recovery. Energies 2017, 11, 10. [Google Scholar] [CrossRef]
- Kim, T.; Natarajan, D. Fuel-to-Warm Methodology: Optimization Tool for Distributing Waste Heat during Warm-Up within the Powertrain System; SAE Technical Paper 2021-01-0210; SAE International: Warrendale, PA, USA, 2021. [Google Scholar] [CrossRef]
- Butrymowicz, D.; Gagan, J.; Łukaszuk, M.; Śmierciew, K.; Pawluczuk, A.; Zieliński, T.; Kędzierski, M. Experimental validation of new approach for waste heat recovery from combustion engine for cooling and heating demands from combustion engine for maritime applications. J. Clean. Prod. 2020, 290, 125206. [Google Scholar] [CrossRef]
- Hemmati, S.; Doshi, N.; Hanover, D.; Morgan, C.; Shahbakhti, M. Integrated cabin heating and powertrain thermal energy management for a connected hybrid electric vehicle. Appl. Energy 2020, 283, 116353. [Google Scholar] [CrossRef]
- Lajunen, A.; Yang, Y.; Emadi, A. Review of Cabin Thermal Management for Electrified Passenger Vehicles. IEEE Trans. Veh. Technol. 2020, 69, 6025–6040. [Google Scholar] [CrossRef]
- Cho, C.-W.; Lee, H.-S.; Won, J.-P.; Lee, M.-Y. Measurement and Evaluation of Heating Performance of Heat Pump Systems Using Wasted Heat from Electric Devices for an Electric Bus. Energies 2012, 5, 658–669. [Google Scholar] [CrossRef]
- Vittorini, D.; Di Bartolomeo, M.; Di Battista, D.; Cipollone, R. Charge Air Subcooling in a Diesel Engine via Refrigeration Unit—Effects on the Turbocharger Equilibrium. Energy Procedia 2018, 148, 822–829. [Google Scholar] [CrossRef]
- Zhang, C.-W.; Xu, K.-J.; Li, L.-Y.; Yang, M.-Z.; Gao, H.-B.; Chen, S.-R. Study on a Battery Thermal Management System Based on a Thermoelectric Effect. Energies 2018, 11, 279. [Google Scholar] [CrossRef]
- Hong, S.H.; Jang, D.S.; Park, S.; Yun, S.; Kim, Y. Thermal performance of direct two-phase refrigerant cooling for lithium-ion batteries in electric vehicles. Appl. Therm. Eng. 2020, 173, 115213. [Google Scholar] [CrossRef]
- Khaliq, A. Performance analysis of a waste-heat-powered thermodynamic cycle for multieffect refrigeration. Int. J. Energy Res. 2014, 39, 529–544. [Google Scholar] [CrossRef]
- Ravi, R.; Pachamuthu, S.; Kasinathan, P. Computational and experimental investigation on effective utilization of waste heat from diesel engine exhaust using a fin protracted heat exchanger. Energy 2020, 200, 117489. [Google Scholar] [CrossRef]
- Ravi, R.; Pachamuthu, S. Design and Development of Innovative Protracted-Finned Counter Flow Heat Exchanger (PFCHE) for an Engine WHR and Its Impact on Exhaust Emissions. Energies 2018, 11, 2717. [Google Scholar] [CrossRef]
- Wu, X.; Zhang, N.; Xie, L.; Ci, W.; Chen, J.; Lu, S. Thermoeconomic Optimization Design of the ORC System Installed on a Light-Duty Vehicle for Waste Heat Recovery from Exhaust Heat. Energies 2022, 15, 4486. [Google Scholar] [CrossRef]
- Bettoja, F.; Perosino, A.; Lemort, V.; Guillaume, L.; Reiche, T.; Wagner, T. NoWaste: Waste Heat Re-use for Greener Truck. Transp. Res. Procedia 2016, 14, 2734–2743. [Google Scholar] [CrossRef]
- Anderson, C. On Auxiliary Systems in Commercial Vehicles. Ph.D. Thesis, Industrial Electrical Engineering, Lund University, Lund, Sweden, 2014. [Google Scholar]
- Grube, T.; Stolten, D. The Impact of Drive Cycles and Auxiliary Power on Passenger Car Fuel Economy. Energies 2018, 11, 1010. [Google Scholar] [CrossRef]
- Pettersson, N.; Johansson, H. Modelling and control of auxiliary loads in heavy vehicles International. J. Control 2006, 79, 479–495. [Google Scholar] [CrossRef]
- Adriano, S.; Chiara, F.; Fabrizio, Z.; Alessandro, D.; Fabio, O.; Annalisa, D. Experimental Analysis of the Auxiliaries Consumption in the Energy Balance of a Pre-series Plug-in Hybrid-electric Vehicle. Energy Procedia 2014, 45, 779–788. [Google Scholar] [CrossRef]
- D’Ovidio, G.; Masciovecchio, C.; Ometto, A.; Villante, C. On design of hybrid power unit with partitioned fuel-cell and flywheel energy storage system for city transit buses. In Proceedings of the 2020 International Symposium on Power Electronics, Electrical Drives, Automation and Motion, SPEEDAM 2020, Virtual, 24–26 June 2020; pp. 287–292. [Google Scholar] [CrossRef]
- Raming, S.; Schindlcr, V. Power supply for vehicle auxiliaries. In Proceedings of the FISITA World Automotive Congress 2008, Congress Proceedings—Resources and Ecology, Munich, Germany, 14–19 September 2008; Volume 4, pp. 185–193. [Google Scholar]
- Di Giovine, G.; Mariani, L.; Di Battista, D.; Cipollone, R.; Fremondi, F. Modeling and experimental validation of a triple-screw pump for internal combustion engine cooling. Appl. Therm. Eng. 2021, 199, 117550. [Google Scholar] [CrossRef]
- Saetti, M.; Mattetti, M.; Varani, M.; Lenzini, N.; Molari, G. On the power demands of accessories on an agricultural tractor. Biosyst. Eng. 2021, 206, 109–122. [Google Scholar] [CrossRef]
- Dellermann, M.; Gehring, O.; Zirn, O. Optimal Control of Energy Flow between Electrified Auxiliaries and Powertrain in Hybrid-Electric Heavy-Duty Vehicles. In Proceedings of the American Control Conference, Denver, CO, USA, 1–3 July 2020; pp. 4161–4168. [Google Scholar] [CrossRef]
- Dellermann, M.; Gehring, O.; Zirn, O. Optimal Control of a Multi Voltage Powernet with Electrified Auxiliaries in Hybrid-Electric Trucks. In Proceedings of the 2020 IEEE International Conference on Environment and Electrical Engineering and 2020 IEEE Industrial and Commercial Power Systems Europe, EEEIC/I and CPS Europe, Madrid, Spain, 9–12 June 2020. [Google Scholar] [CrossRef]
- Shah, J.; Wang, M.; Kaviani, A.K. Opportunities for power converters, motors and drives for electrification of mobile vehicles. In Proceedings of the IECON 2018—44th Annual Conference of the IEEE Industrial Electronics Society, Washington, DC, USA, 21–23 October 2018; pp. 2110–2115. [Google Scholar] [CrossRef]
- Barkh, H.; Yu, A.; Friend, D.; Shani, P.; Tu, Q.; Swei, O. Vehicle fleet electrification and its effects on the global warming potential of highway pavements in the United States. Resour. Conserv. Recycl. 2022, 185, 106440. [Google Scholar] [CrossRef]
- Danthinne, A.; Picard, M. Assessing the Compatibility of Vehicle Electrification with the EU’s Circular Economy Objective. Eur. Energy Environ. Law Rev. 2022, 31, 394–404. [Google Scholar] [CrossRef]









| Engine Type | Gasoline SI Engine | Natural Gas SI Engine | Diesel CI |
|---|---|---|---|
| Exhaust temperature range | 600–650 °C | 550–600 °C | 200–450 °C |
| Direct Heat Recovery Options | Indirect Heat Recovery Options |
|---|---|
| Turbocompound | Organic Rankine Cycle (ORC) |
| Thermoelectric | Stirling Cycle |
| Thermoacoustic | Combined Cycles |
| Inverted Brayton Cycle | Trilateral Flash Cycles (TFC) |
| Direct heat utilization |
| Technology | P/PICE | Efficiency | TRL |
|---|---|---|---|
| Turbocompound | 3–20% | 55–70% | 9 |
| Thermoelectric | 1–7% | 1–7% | 8 |
| IBC | 1–5% | 2–8% | 4 |
| ORC | 1–6% | 4–12% | 7 |
| Stirling | 2–6% | 10–25% | 7 |
| TFC | 1–2% | 5–14% | 4 |
| Combined cycles | 3–7% | 8–40% | 3 |
| Technology | Advantages | Drawbacks |
|---|---|---|
| Turbocompound | Maturity Reliability Direct conversion | Backpressure effect High rotational speed for an electrical energy conversion Simultaneous turbocharging adjustment |
| Thermoelectric | Small size and weight Direct thermal-to-electric conversion Different sources (exhaust gas, oil, cooling fluid) | High specific cost Low specific power Materials |
| IBC | Very limited effect on the engine High rate of waste heat exploitation | Sub-atmospheric pressure management Needs of high efficiency machines Turbine-compressor management |
| ORC | Maturity Wider applicability | Low dynamic response Long energy conversion chain (efficiency) Encumbrance and weight |
| Stirling | Technological simplicity | Low overall efficiency Encumbrance and weight |
| TFC | Suitable for low grade enthalpy streams | Wet expansion Low efficiency |
| Combined cycles | High energetic and exergetic efficiency | Weight and space requirements System complexity and inertia Whole system management |
Disclaimer/Publisher’s Note: The statements, opinions and data contained in all publications are solely those of the individual author(s) and contributor(s) and not of MDPI and/or the editor(s). MDPI and/or the editor(s) disclaim responsibility for any injury to people or property resulting from any ideas, methods, instructions or products referred to in the content. |
© 2023 by the authors. Licensee MDPI, Basel, Switzerland. This article is an open access article distributed under the terms and conditions of the Creative Commons Attribution (CC BY) license (https://creativecommons.org/licenses/by/4.0/).
Share and Cite
Di Battista, D.; Cipollone, R. Waste Energy Recovery and Valorization in Internal Combustion Engines for Transportation. Energies 2023, 16, 3503. https://doi.org/10.3390/en16083503
Di Battista D, Cipollone R. Waste Energy Recovery and Valorization in Internal Combustion Engines for Transportation. Energies. 2023; 16(8):3503. https://doi.org/10.3390/en16083503
Chicago/Turabian StyleDi Battista, Davide, and Roberto Cipollone. 2023. "Waste Energy Recovery and Valorization in Internal Combustion Engines for Transportation" Energies 16, no. 8: 3503. https://doi.org/10.3390/en16083503
APA StyleDi Battista, D., & Cipollone, R. (2023). Waste Energy Recovery and Valorization in Internal Combustion Engines for Transportation. Energies, 16(8), 3503. https://doi.org/10.3390/en16083503

