Advanced Exergoeconomic Assessment of CO2 Emissions, Geo-Fluid and Electricity in Dual Loop Geothermal Power Plant
Abstract
1. Introduction
2. Methodology
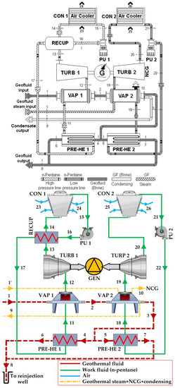
2.1. Description of the Plant
2.2. Advanced Exergetic (AdvEx) Analysis
2.3. Advanced Exergoeconomic (AdvExEcon) Analysis
3. Results
3.1. Results of the TradEx-Based Analyses
3.2. Results of the AdvEx-Based Analyses
3.2.1. Results of the AdvEx Analysis
3.2.2. Results of the AdvExEcon Analysis
4. Discussion
5. Conclusions
- While the exergy efficiency of the system for the TradEx analysis is 39.1%, as a result of the improvements with the AdvEx analysis, the exergy efficiency of the system reaches 50%.
- Exergy destruction in the GPP can be improved to 7.6 MW with some technological improvements, and the components with the highest exergy destructions in the GPP equipment are CON 2, CON 1, VAP 1, and VAP 2.
- While the total operating cost is 1218 USD/h for the TradExEcon analysis, with a decrease of 85% as a result of improvements with the AdvExEcon analysis, it becomes 186 USD/h.
- As a result of the application of the cost performance trend (e), which is the ratio of the fuel exergy cost to the production exergy cost in the AdvExEcon analysis, the fuel exergy cost was reduced, and this value was reduced from 0.45 to 0.37 times.
- The exergy destruction cost ratio (yk) was reduced from 407% with the TradExEcon analysis to 125% with the AdvExEcon analysis. Specifically, the value of PU 2 has been reduced from 37% to 3%.
- It has been observed that there is a 15% decrease in total operating cost per total electricity generation (Xw), cost per energy of the geothermal fluid entering the GPP (Xbrine), and CO2 emission cost values of the plant and its components with the application of the AdvExEcon analysis to the plant, compared to the TradExEcon analysis.
Author Contributions
Funding
Data Availability Statement
Acknowledgments
Conflicts of Interest
Nomenclature
| C | Cost per exergy unit, USD/GJ |
| Ċ | Cost rate associated with exergy, USD/h |
| E | Cost performance trend (traditional analysis), fold |
| Ė | Cost performance trend (enhanced analysis), fold |
| Ė | Exergy rate, kJ/s or kW |
| F | Exergoeconomic factor (traditional analysis), % |
| ḟ | Exergoeconomic factor (enhanced analysis), % |
| ṁ | Mass flow rate, kg/s |
| ṗ | Total cost-savings potential, % |
| R | Relative cost difference (traditional analysis), % |
| ṙ | Relative cost difference (enhanced analysis), % |
| P | Pressure, kPa |
| T | Temperature, °C or K |
| ẋẆ | Cost per produced electricity (enhanced analysis), USD/kWh |
| ẋbrine | Cost per geothermal energy input (enhanced analysis), USD/GJ |
| ẋCO2 | Cost per release of CO2 (enhanced analysis), USD/kg |
| Y | Exergy destruction cost ratio (traditional analysis), % |
| ẏ | Exergy destruction cost ratio (enhanced analysis), % |
| Ż | Cost rate associated with capital investment, USD/h |
| Greek symbols | |
| ε | Exergy/exergetic or second law efficiency, % |
| η | Energy/energetic or first law efficiency, % |
| Subscripts | |
| D | Destruction |
| F | Fuel |
| is | Isentropic |
| k | Component |
| L | Loss |
| mech | Mechanical |
| P | Product |
| tot | Total/overall |
| 0 | Reference state |
| Superscripts | |
| AV | Avoidable |
| EN | Endogenous |
| EX | Exogenous |
| R | Real |
| UN | unavoidable |
| Abbreviations | |
| AdEx | Advanced exergy analysis |
| AdExEcon | Advanced exergoeconomic analysis |
| CON | Condenser |
| GEN | Generator |
| GDHS | Geothermal district heating system |
| GPP | Geothermal power plant |
| NCG | Noncondensing gas |
| ORC | Organic Rankine cycle |
| PP | Power plant |
| PRE-HE | Preheater |
| PU | Pump |
| RECUP | Recuperator |
| SCADA | Supervisory control and data acquisition |
| TradEx | Traditional exergy analysis |
| TradExEcon | Traditional exergoeconomic analysis |
| TURB | Turbine |
| VAP | Vaporizer |
References
- Gökgedik, H.; Yürüsoy, Y.; Keçebaş, A. Improvement potential of a real geothermal power plant using enhanced exergy analysis. Energy 2016, 112, 254–263. [Google Scholar] [CrossRef]
- Özkaraca, O.; Keçebaş, A.; Demircan, C. Comparative thermodynamic evaluation of a geothermal power plant by using the enhanced exergy and artificial bee colony methods. Energy 2018, 156, 169–180. [Google Scholar] [CrossRef]
- Kanoğlu, M.; Bolattürk, A. Performance and parametric investigation of a binary geothermal power plant by exergy. Renew. Energy 2008, 33, 2366–2374. [Google Scholar] [CrossRef]
- Koroneos, C.; Polyzakis, A.; Xydis, G.; Stylos, N.; Nanaki, E. Exergy analysis for a proposed binary geothermal power plant in Nisyros Island, Greece. Geothermics 2017, 70, 38–46. [Google Scholar] [CrossRef]
- Altun, A.F.; Kılıç, M. Thermodynamic performance evaluation of a geothermal ORC power plant. Renew. Energy 2020, 148, 261–274. [Google Scholar] [CrossRef]
- Yılmaz, C. Thermoeconomic cost analysis and comparison of methodologies for Dora II binary geothermal power plant. Geothermics 2018, 75, 48–57. [Google Scholar] [CrossRef]
- Bina, S.M.; Jalilinasrabady, S.; Fujii, H. Exergoeconomic analysis and optimization of single and double flash cycles for Sabalan geothermal power plant. Geothermics 2017, 72, 74–82. [Google Scholar] [CrossRef]
- Kahraman, M.; Olcay, A.B.; Sorgüven, E. Thermodynamic and thermoeconomic analysis of a 21 MW binary type air-cooled geothermal power plant and determination of the effect of ambient temperature variation on the plant performance. Energy Convers. Manag. 2019, 192, 308–320. [Google Scholar] [CrossRef]
- Yılmaz, C.; Koyuncu, İ. Thermoeconomic modeling and artificial neural network optimization of Afyon geothermal power plant. Renew. Energy 2021, 163, 1166–1181. [Google Scholar] [CrossRef]
- Morosuk, T.; Tsatsaronis, G. Enhanced exergetic evaluation of refrigeration machines using different working fluids. Energy 2009, 34, 2248–2258. [Google Scholar] [CrossRef]
- Morosuk, T.; Tsatsaronis, G. Enhanced exergy-based methods used to understand and improve energy-conversion systems. Energy 2019, 169, 238–246. [Google Scholar] [CrossRef]
- Keçebaş, A.; Gökgedik, H. Thermodynamic evaluation of a geothermal power plant for enhanced exergy analysis. Energy 2015, 88, 746–755. [Google Scholar] [CrossRef]
- Nami, H.; Nemati, A.; Fard, F.J. Conventional and enhanced exergy analyses of a geothermal driven dual fluid organic Rankine cycle (ORC). Appl. Therm. Eng. 2017, 122, 59–70. [Google Scholar] [CrossRef]
- Tsatsaronis, G.; Morosuk, T. A general exergy-based method for combining a cost analysis with an environmental impact analysis. Part I—Theoretical development. In Proceedings of the ASME IMECE, Boston, MA, USA, 31 October–6 November 2008; pp. 453–462. [Google Scholar]
- Tsatsaronis, G.; Park, M. On avoidable and unavoidable exergy destructions and investment costs in thermal systems. Energy Convers. Manag. 2002, 43, 1259–1270. [Google Scholar] [CrossRef]
- Wei, Z.; Zhang, B.; Wu, S.; Chen, Q.; Tsatsaronis, G. Energy-use analysis and evaluation of distillation systems through avoidable exergy destruction and investment costs. Energy 2012, 42, 424–433. [Google Scholar] [CrossRef]
- Vuckovic, G.D.; Vukic, M.V.; Stojiljkovic, M.M.; Vuckovic, D.D. Avoidable and unavoidable exergy destruction and exergoeconomic evaluation of the thermal processes in a real industrial plant. Therm. Sci. 2012, 16, 433–446. [Google Scholar] [CrossRef]
- Manesh, M.H.K.; Navida, P.; Marigorta, A.M.B.; Amidpour, M.; Hamedi, M.H. New procedure for optimal design and evaluation of cogeneration system based on enhanced exergoeconomic and exergoenvironmental analyses. Energy 2013, 59, 314–333. [Google Scholar] [CrossRef]
- Petrakopoulou, F.; Tsatsaronis, G.; Morosuk, T. Evaluation of a power plant with chemical looping combustion using an enhanced exergoeconomic analysis. Sustain. Energy Technol. Assess. 2013, 3, 9–16. [Google Scholar]
- Keçebaş, A.; Hepbaşlı, A. Conventional and enhanced exergoeconomic analyses of geothermal district heating systems. Energy Build. 2014, 69, 434–441. [Google Scholar] [CrossRef]
- Tan, M.; Keçebaş, A. Thermodynamic and economic evaluations of a geothermal district heating system using enhanced exergy-based methods. Energy Convers. Manag. 2014, 77, 504–513. [Google Scholar] [CrossRef]
- Açıkkalp, E.; Aras, H.; Hepbaşlı, A. Enhanced exergoeconomic analysis of an electricity-generating facility that operates with natural gas. Energy Convers. Manag. 2014, 78, 452–460. [Google Scholar] [CrossRef]
- Açıkkalp, E.; Hepbaşlı, A.; Yücer, C.T.; Karakoç, T.H. Enhanced life cycle integrated exergoeconomic analysis of building heating systems: An application and proposing new indices. J. Clean. Prod. 2018, 195, 851–860. [Google Scholar] [CrossRef]
- Liu, Z.; Liu, Z.; Cao, X.; Luo, T.; Yang, X. Enhanced exergoeconomic evaluation on supercritical carbon dioxide recompression Brayton cycle. J. Clean. Prod. 2020, 256, 120537. [Google Scholar] [CrossRef]
- Oyekale, J.; Petrollese, M.; Cau, G. Modified auxiliary exergy costing in enhanced exergoeconomic analysis applied to a hybrid solar-biomass organic Rankine cycle plant. Appl. Energy 2020, 268, 114888. [Google Scholar] [CrossRef]
- Wang, Y.; Liu, Y.; Liu, X.; Zhang, W.; Cui, P.; Yu, M.; Liu, Z.; Zhu, Z.; Yang, S. Enhanced exergy and exergoeconomic analyses of a cascade absorption heat transformer for the recovery of low grade waste heat. Energy Convers. Manag. 2020, 205, 112392. [Google Scholar] [CrossRef]
- Holman, J.P. Experimental Methods for Engineers, 8th ed.; McGraw Hill Inc.: New York, NY, USA, 2011. [Google Scholar]
- Cziesla, F.; Tsatsaronis, G.; Gao, Z. Avoidable thermodynamic inefficiencies and cost in an externally fired combined cycle power plant. Energy 2006, 31, 1472–1489. [Google Scholar] [CrossRef]
- Tsatsaronis, G.; Kelly, S.; Morosuk, T. Endogenous and exogenous exergy destruction in thermal systems. In Proceedings of the ASME International Mechanical Engineering Congress and Exposition, Chicago, IL, USA, 5–10 November 2006. [Google Scholar]
- Morosuk, T.; Tsatsaronis, G. How to calculate the parts of exergy destruction in an enhanced exergetic analysis? In Proceedings of the 21st International Conference on Efficiency, Costs, Optimization, Simulation and Environmental Impact of Energy Systems, Cracow-Gliwice, Poland, 24–27 June 2008. [Google Scholar]
- Kelly, S.; Tsatsaronis, G.; Morosuk, T. Enhanced exergetic analysis: Approaches for splitting the exergy destruction into endogenous and exogenous parts. Energy 2009, 34, 384–391. [Google Scholar] [CrossRef]
- Ghasemiasl, R.; Javadi, M.A.; Nezamabadi, M.; Sharifpur, M. Exergetic and economic optimization of a solar-based cogeneration system applicable for desalination and power production. J. Therm. Anal. Calorim. 2021, 145, 993–1003. [Google Scholar] [CrossRef]
- Petrakopoulou, F.; Tsatsaronis, G.; Morosuk, T.; Carassai, A. Conventional and enhanced exergetic analyses applied to a combined cycle power plant. Energy 2012, 41, 146–152. [Google Scholar] [CrossRef]
- Tsatsaronis, G.; Morosuk, T. A general exergy-based method for combining a cost analysis with an environmental impact analysis. Part II—Application to a cogeneration system. In Proceedings of the ASME International Mechanical Engineering Congress and Exposition, Boston, MA, USA, 31 October–6 November 2008; pp. 463–469. [Google Scholar]
- Tsatsaronis, G.; Morosuk, T. Enhanced exergoeconomic evaluation and its application to compression refrigeration machines. In Proceedings of the ASME International Mechanical Engineering Congress and Exposition, Seattle, WA, USA, 11–15 November 2007. [Google Scholar]
- Petrakopoulou, F.; Tsatsaronis, G.; Morosuk, T.; Carassai, A. Enhanced exergoeconomic analysis applied to a complex energy conversion system. In Proceedings of the ASME International Mechanical Engineering Congress and Exposition, Vancouver, BC, Canada, 12–18 November 2010. [Google Scholar]
- Kelly, S. Energy Systems Improvement Based on Endogenous and Exogenous Exergy Destruction. Ph.D. Thesis, Technische Universitat Berlin, Berlin, Germany, 2008. [Google Scholar]
- Petrakopoulou, F. Comparative Evaluation of Power Plants with CO2 Capture: Thermodynamic, Economic and Environmental Performance. Ph.D. Thesis, Technische Universitat Berlin, Berlin, Germany, 2010. [Google Scholar]
- Lazzaretto, A.; Tsatsaronis, G. SPECO: A systematic and general methodology for calculating efficiencies and costs in thermal systems. Energy 2006, 31, 1257–1289. [Google Scholar] [CrossRef]










| Steam, j | Fluid Type | Tj (°C) | Pj (kPa) | ṁj (kg/s) | Ėj (kW) |
|---|---|---|---|---|---|
| 0 | Dead state | 18 | 101.325 | - | - |
| 1 | Brine | 164 | 1040 | 445 | 52,693 |
| 1′ | Brine—steam | 165 | 1040 | 5.83 | 699 |
| 1′ | NCG | 165 | 1040 | 2.50 | 380 |
| 2 | Brine | 136 | 730 | 445 | 36,010 |
| 3 | Brine | 110 | 690 | 445 | 22,589 |
| 4 | Brine | 110 | 690 | 222.50 | 11,295 |
| 5 | Brine | 110 | 690 | 222.50 | 11,295 |
| 6 | Brine | 89 | 590 | 222.50 | 7021 |
| 7 | Brine | 81 | 570 | 222.50 | 5616 |
| 8 | Brine | 85 | 590 | 445 | 12,447 |
| 9 | Brine | 107 | 690 | 0.83 | 40 |
| 10 | Brine—steam | 107 | 690 | 5.25 | 253 |
| 10 | NCG | 107 | 690 | 2.25 | 257 |
| 11 | n-pentane | 105 | 1261 | 160 | 4776 |
| 12 | n-pentane | 137 | 1261 | 160 | 20,142 |
| 13 | n-pentane | 82 | 150 | 160 | 7237 |
| 14 | n-pentane | 60 | 150 | 160 | 6193 |
| 15 | n-pentane | 31 | 150 | 160 | 123 |
| 16 | n-pentane | 37 | 1261 | 160 | 520 |
| 17 | n-pentane | 55 | 1261 | 160 | 1141 |
| 18 | n-pentane | 106 | 687 | 169 | 5018 |
| 19 | n-pentane | 109 | 687 | 169 | 16,512 |
| 20 | n-pentane | 69 | 119 | 169 | 5713 |
| 21 | n-pentane | 33 | 119 | 169 | 157 |
| 22 | n-pentane | 39 | 687 | 169 | 431 |
| 23 | Air | 18 | 101 | 2000 | 0 |
| 24 | Air | 19 | 106 | 2000 | 8048 |
| 25 | Air | 18 | 101 | 2000 | 0 |
| 26 | Air | 19 | 106 | 2000 | 8048 |
| Components | Unavoidable Conditions | Ideal Conditions | Parameters Used in Determining Unavoidable costs | Components | Unavoidable Conditions | Ideal Conditions | Parameters Used in Determining Unavoidable Costs |
|---|---|---|---|---|---|---|---|
| LEVEL I | LEVEL II | ||||||
| VAP 1 | ΔTpinch = 6 K ΔPmin = 10 kPa | ΔTmin = 0 K ΔPmin = 0 kPa | ΔTmin = 15 K ΔPmin = ΔPreal | VAP 2 | ΔTpinch = 5 K ΔPmin = 10 kPa | ΔTmin = 0 K ΔPmin = 0 kPa | ΔTmin = 15 K ΔPmin = ΔPreal |
| PRE-HE 1 | ΔTpinch = 43 K ΔPmin = 10 kPa | ΔTpinch = 0 K ΔPmin = 0 kPa | ΔTmin = 15 K ΔPmin = ΔPreal | PRE-HE 2 | ΔTpinch = 5 K ΔPmin = 10 kPa | ΔTpinch = 0 K ΔPmin = 0 kPa | ΔTmin = 15 K ΔPmin = ΔPreal |
| CON 1 | ΔTpinch = 3 K ΔPmin = 10 kPa | ΔTpinch = 0 K ΔPmin = 0 kPa | ΔTmin = 15 K ΔPmin = ΔPreal | CON 2 | ΔTpinch = 3 K ΔPmin = 10 kPa | ΔTpinch = 0 K ΔPmin = 0 kPa | ΔTmin = 15 K ΔPmin = ΔPreal |
| TURB 1 | ηis = 93% ηmech = 100% | ηis = 100% ηmech = 100% | 75% of | TURB 2 | ηis = 93% ηmech = 100% | ηis = 100% ηmech = 100% | 75% of |
| PU 1 | ηis = 82% ηmech = 100% | ηis = 100% ηmech = 100% | 75% of | PU 2 | ηis = 77% ηmech = 100% | ηis = 100% ηmech = 100% | 75% of |
| RECUP | ΔTpinch = 5 K ΔPmin = 10 kPa | ΔTpinch = 0 K ΔPmin = 0 kPa | ΔTmin = 15 K ΔPmin = ΔPreal | ||||
| Evaluators | TradExEcon Analysis | AdvExEcon Analysis |
|---|---|---|
| Total operating cost (USD/h) | ||
| Relative cost difference (%) | ||
| Exergoeconomic factor (%) | ||
| Cost performance trend (fold) | ||
| Exergy destruction cost ratio (%) | ||
| Total cost-savings potential (%) | - | |
| Cost per produced electricity (USD/kWh) | ||
| Cost per geothermal energy input (USD/GJ) | ||
| Cost per release of CO2 (USD/kg) |
| Components | TradEx Analysis Results | TradExEcon Analysis Results | ||||||||
|---|---|---|---|---|---|---|---|---|---|---|
| ĖF,k (kW) | ĖP,k (kW) | ĖD,k (kW) | εk (%) | cF,k (USD/GJ) | cP,k (USD/GJ) | ĊD,k (USD/h) | Żk (USD/h) | Ċtot,k (USD/h) | fk (%) | |
| LEVEL I | ||||||||||
| VAP 1 | 16,682.38 | 15,365.76 | 1316.61 | 92.11 | 1.20 | 1.81 | 5.69 | 18.60 | 24.29 | 76.58 |
| PRE-HE 1 | 4273.64 | 3634.71 | 638.93 | 85.05 | 2.38 | 3.90 | 5.47 | 14.45 | 19.92 | 72.55 |
| CON 1 | 6069.49 | 4094.42 | 1975.06 | 67.46 | 8.50 | 3.75 | 60.45 | 130.06 | 190.51 | 68.27 |
| TURB 1 | 12,908.34 | 12,066.15 | 842.19 | 93.48 | 3.75 | 6.76 | 11.36 | 119.46 | 130.82 | 91.32 |
| PU 1 | 2323.60 | 397.53 | 1926.04 | 17.11 | 6.76 | 57.82 | 46.85 | 16.55 | 63.40 | 26.10 |
| RECUP | 1041.22 | 621.05 | 420.17 | 59.65 | 16.19 | 3.75 | 24.49 | 22.12 | 46.61 | 47.46 |
| LEVEL II | ||||||||||
| VAP 2 | 13,950.34 | 11494.18 | 2456.16 | 82.39 | 3.48 | 0.02 | 30.80 | 19.88 | 50.68 | 39.23 |
| PRE-HE 2 | 5678.41 | 4586.55 | 1091.86 | 80.77 | 2.76 | 4.29 | 10.86 | 14.45 | 25.31 | 57.10 |
| CON 2 | 5553.70 | 3062.96 | 2490.75 | 55.15 | 7.35 | 2.56 | 65.94 | 130.06 | 196.00 | 66.36 |
| TURB 2 | 10,801.98 | 9000.32 | 1801.65 | 83.32 | 2.56 | 6.76 | 16.59 | 119.46 | 136.05 | 87.80 |
| PU 2 | 2192.20 | 274.95 | 1917.26 | 12.54 | 6.76 | 79.98 | 46.64 | 16.55 | 63.19 | 26.19 |
| OVERALL SYSTEM | 53,771.73 | 21,028.56 | 16,876.69 | 39.11 | 8.40 | 9.73 | 510.55 | 707.83 | 1218.38 | 58.10 |
| Component, k | (kW) | (kW) | (kW) | (kW) | (%) | ||||
|---|---|---|---|---|---|---|---|---|---|
| (kW) | (kW) | (kW) | (kW) | ||||||
| LEVEL I | |||||||||
| VAP 1 | 844.42 | 472.19 | 1095.44 | 221.17 | 141.43 | 79.75 | 703.01 | 392.42 | 95.62 |
| PRE-HE 1 | 353.34 | 285.59 | 359.98 | 278.95 | 102.94 | 176.01 | 250.40 | 109.58 | 93.55 |
| CON 1 | 1551.15 | 423.91 | 1442.77 | 532.29 | 122.75 | 409.54 | 1428.40 | 14.37 | 74.14 |
| TURB 1 | 692.86 | 149.33 | 43.32 | 798.87 | 657.17 | 141.70 | 35.70 | 7.63 | 99.71 |
| PU 1 | 757.58 | 1168.46 | 309.51 | 1616.53 | 609.72 | 1006.81 | 147.86 | 161.65 | 72.89 |
| RECUP | 224.25 | 195.92 | 68.06 | 352.11 | 256.96 | 95.15 | 52.37 | 15.69 | 92.22 |
| LEVEL II | |||||||||
| VAP 2 | 1614.73 | 841.43 | 708.13 | 1748.03 | 940.63 | 807.40 | 674.10 | 34.03 | 94.46 |
| PRE-HE 2 | 576.79 | 515.07 | 641.86 | 450.00 | 167.56 | 282.44 | 394.81 | 247.05 | 92.07 |
| CON 2 | 1647.90 | 842.85 | 1928.88 | 561.87 | 109.20 | 452.66 | 1538.69 | 390.19 | 66.56 |
| TURB 2 | 1243.81 | 557.84 | 563.16 | 1238.49 | 855.01 | 383.49 | 388.80 | 174.35 | 95.86 |
| PU 2 | 457.05 | 1460.21 | 460.83 | 1456.43 | 316.05 | 1140.38 | 141.00 | 319.83 | 66.10 |
| OVERALL SYSTEM | 12105.42 | 4772.09 | 7585.91 | 9291.60 | 6929.24 | 2362.39 | 5176.21 | 2409.73 | 49.98 |
| Component, k | (USD/h) | (USD/h) | (USD/h) | (USD/h) | (USD/h) | ||||
|---|---|---|---|---|---|---|---|---|---|
| (USD/h) | (USD/h) | (USD/h) | (USD/h) | ||||||
| LEVEL I | |||||||||
| VAP 1 | 5.690 | 3.648 | 2.04 | 0.96 | 4.73 | 0.61 | 0.34 | 3.04 | 1.70 |
| PRE-HE 1 | 5.470 | 3.027 | 2.44 | 2.39 | 3.08 | 0.88 | 1.51 | 2.15 | 0.93 |
| CON 1 | 60.450 | 47.465 | 12.98 | 16.29 | 44.16 | 3.76 | 12.53 | 43.71 | 0.45 |
| TURB 1 | 11.360 | 9.354 | 2.01 | 10.78 | 0.58 | 8.87 | 1.91 | 0.48 | 0.09 |
| PU 1 | 46.850 | 18.436 | 28.41 | 39.34 | 7.51 | 14.84 | 24.50 | 3.60 | 3.91 |
| RECUP | 24.490 | 13.070 | 11.42 | 20.52 | 3.97 | 14.98 | 5.55 | −1.91 | 5.87 |
| LEVEL II | |||||||||
| VAP 2 | 30.800 | 20.229 | 10.57 | 21.90 | 8.90 | 11.78 | 10.12 | 8.45 | 0.46 |
| PRE-HE 2 | 10.860 | 5.731 | 5.13 | 4.47 | 6.39 | 1.66 | 2.81 | 4.07 | 2.32 |
| CON 2 | 65.940 | 43.603 | 22.34 | 14.87 | 51.07 | 2.89 | 11.98 | 40.71 | 10.36 |
| TURB 2 | 16.590 | 11.463 | 5.13 | 11.41 | 5.18 | 7.88 | 3.53 | 3.58 | 1.59 |
| PU 2 | 46.640 | 11.123 | 35.52 | 35.44 | 11.20 | 7.69 | 27.75 | 3.43 | 7.76 |
| OVERALL SYSTEM | 510.550 | 366.068 | 144.48 | 280.98 | 229.57 | 209.54 | 71.44 | 156.53 | 73.04 |
| Component, k | (USD/h) | (USD/h) | (USD/h) | (USD/h) | (USD/h) | ||||
|---|---|---|---|---|---|---|---|---|---|
| (USD/h) | (USD/h) | (USD/h) | (USD/h) | ||||||
| LEVEL I | |||||||||
| VAP 1 | 18.600 | 17.998 | 0.602 | 16.346 | 2.254 | 16.892 | −0.547 | 1.106 | 1.148 |
| PRE-HE 1 | 14.450 | 13.708 | 0.742 | 12.616 | 1.834 | 13.298 | −0.683 | 0.410 | 1.424 |
| CON 1 | 130.060 | 114.909 | 15.151 | 94.000 | 36.060 | 106.393 | −12.394 | 8.516 | 27.544 |
| TURB 1 | 119.460 | 109.433 | 10.027 | 99.679 | 19.781 | 108.813 | −9.133 | 0.621 | 19.160 |
| PU 1 | 16.550 | 16.441 | 0.109 | 16.133 | 0.417 | 16.241 | −0.107 | 0.200 | 0.216 |
| RECUP | 22.120 | 19.774 | 2.346 | 16.326 | 5.794 | 18.263 | −1.937 | 1.511 | 4.283 |
| LEVEL II | |||||||||
| VAP 2 | 19.880 | 17.998 | 1.882 | 15.362 | 4.518 | 16.969 | −1.606 | 1.029 | 3.489 |
| PRE-HE 2 | 14.450 | 13.460 | 0.990 | 12.437 | 2.013 | 13.352 | −0.915 | 0.108 | 1.905 |
| CON 2 | 130.060 | 114.695 | 15.365 | 96.938 | 33.122 | 109.925 | −12.986 | 4.770 | 28.352 |
| TURB 2 | 119.460 | 110.322 | 9.138 | 99.706 | 19.754 | 107.965 | −8.259 | 2.357 | 17.397 |
| PU 2 | 16.550 | 15.382 | 1.168 | 13.740 | 2.810 | 14.783 | −1.043 | 0.599 | 2.211 |
| OVERALL SYSTEM | 707.830 | 674.411 | 33.419 | 614.595 | 93.235 | 645.049 | −30.454 | 29.362 | 63.873 |
Disclaimer/Publisher’s Note: The statements, opinions and data contained in all publications are solely those of the individual author(s) and contributor(s) and not of MDPI and/or the editor(s). MDPI and/or the editor(s) disclaim responsibility for any injury to people or property resulting from any ideas, methods, instructions or products referred to in the content. |
© 2023 by the authors. Licensee MDPI, Basel, Switzerland. This article is an open access article distributed under the terms and conditions of the Creative Commons Attribution (CC BY) license (https://creativecommons.org/licenses/by/4.0/).
Share and Cite
Güler, O.V.; Gürbüz, E.Y.; Georgiev, A.G.; Keçebaş, A. Advanced Exergoeconomic Assessment of CO2 Emissions, Geo-Fluid and Electricity in Dual Loop Geothermal Power Plant. Energies 2023, 16, 3466. https://doi.org/10.3390/en16083466
Güler OV, Gürbüz EY, Georgiev AG, Keçebaş A. Advanced Exergoeconomic Assessment of CO2 Emissions, Geo-Fluid and Electricity in Dual Loop Geothermal Power Plant. Energies. 2023; 16(8):3466. https://doi.org/10.3390/en16083466
Chicago/Turabian StyleGüler, Onur Vahip, Emine Yağız Gürbüz, Aleksandar G. Georgiev, and Ali Keçebaş. 2023. "Advanced Exergoeconomic Assessment of CO2 Emissions, Geo-Fluid and Electricity in Dual Loop Geothermal Power Plant" Energies 16, no. 8: 3466. https://doi.org/10.3390/en16083466
APA StyleGüler, O. V., Gürbüz, E. Y., Georgiev, A. G., & Keçebaş, A. (2023). Advanced Exergoeconomic Assessment of CO2 Emissions, Geo-Fluid and Electricity in Dual Loop Geothermal Power Plant. Energies, 16(8), 3466. https://doi.org/10.3390/en16083466

