Fault Detection and Identification in MMCs Based on DSCNNs
Abstract
1. Introduction
- (1)
- The diagnostic model used in this paper consists of a combination of a convolutional neural network and a DSCNN, and these are applied to classify several common faults in MMCs and to locate open-circuit faults, respectively. This makes up for the shortcomings of previous research methods that only consider the occurrence of submodule open-circuit faults.
- (2)
- The diagnostic model used in this paper uses a multi-label classification algorithm, which solves the problem in previous research of neural-network-based methods not being able to locate multiple submodules with simultaneous open-circuit faults.
- (3)
- In this paper, we use DSC instead of the traditional 1D-CNN to reduce the number of parameters in the neural network.
2. Operation Principles and Fault Characteristics of MMCs
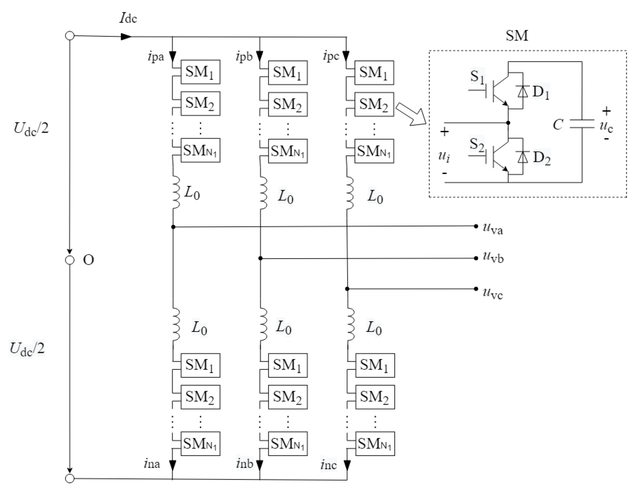
2.1. MMC Topology
2.2. Selection of Fault Parametric Signals
2.2.1. Selection of Fault Classification Parametric Signals
2.2.2. Selection of Fault Location Parametric Signals
3. Proposed DSCNN-Based Fault Detection and Identification Methods
3.1. 1D-CNN Overview
3.2. DSC Overview and Improvement
3.3. The Process of DSCNN-Based Fault Detection and Localization Method
- Step 1: Data Acquisition. The MMC system is simulated in Simulink with a bridge arm inductor short-circuit fault, a submodule IGBT open-circuit fault, and a short-circuit fault, and the data of the bridge arm circulating current and each capacitor voltage sensor are collected as sample data.
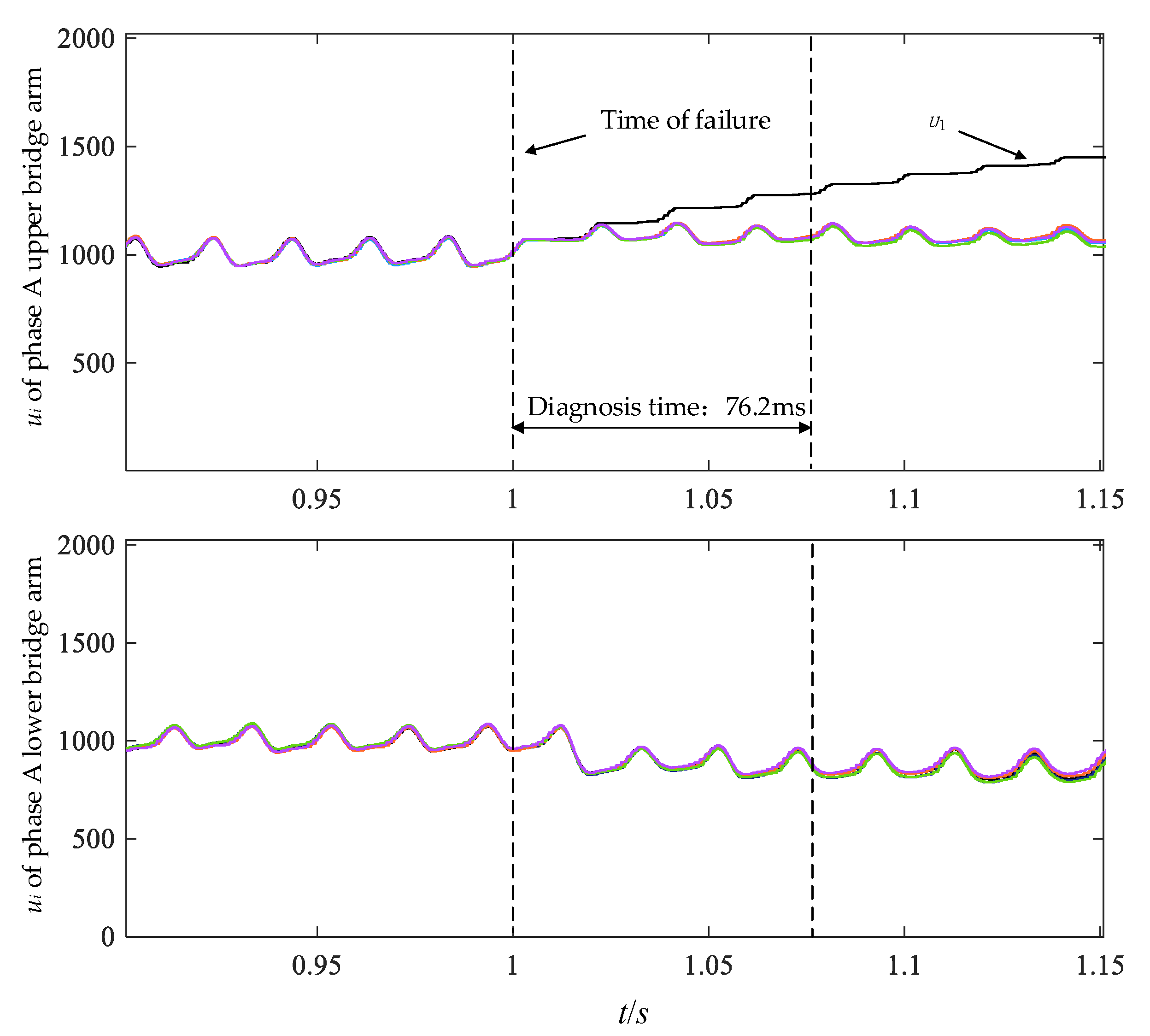
- Step 2: Data Preprocessing. First, the data are segmented using sliding windows, as shown in Figure 8. The size and step of the window directly affect the amount of feature information in the sample, the time delay of diagnosis, and the time node at which a fault is detected. Usually, the larger the time window, the more feature information each sample contains and the higher the accuracy of the diagnosis, but the total time for diagnosis is correspondingly longer, and more memory space is required. The smaller the sliding step, the more precise the point in time when a fault is detected and the higher the requirements for data transfer and hardware memory. In order to fully extract the characteristic information contained in each capacitor voltage, the sample should contain at least one full cycle in normal and fault conditions; for balance, the size of the sliding window kernel step is set to 200 and 50, respectively. Since the voltage data will gradually deviate from the normal value after a fault occurs, the data are normalized using Equation (12) in order to eliminate the effects of local amplitude variations.Here, X and X′ are the original data and the normalized data, respectively; Xmax and Xmin are the maximum and minimum values in data X, respectively.
- Step 3: Set the Sample Label. The data contain four conditions: a submodule open-circuit fault, a submodule short-circuit fault, a bridge arm inductance fault, and normal conditions. Since the bridge arm circulating current does not change much when a submodule open-circuit fault occurs, submodule open-circuit faults and normal conditions are grouped into one category. The internal operating states of the MMC are classified into three categories using a binary vector with a length of 3: (1, 0, 0) represents normal conditions and a submodule open-circuit fault, (0, 1, 0) represents a submodule short-circuit fault, and (0, 0, 1) represents a bridge arm inductor short-circuit fault. For the submodule open-circuit fault location, a binary vector of length 4N1 is used to represent the state of the 4N1 switch. The label of the switch is set to 0 in the normal state and 1 when an open-circuit fault occurs. After labeling, the dataset is divided into training and test sets according to a ratio of 9:1.
- Step 4: Training Phase. The fault classification neural network is trained using the bridge arm circulating current data in the training set, and the submodule capacitance voltage data are trained for the submodule open-circuit fault location neural network. The network parameters are adjusted to obtain the optimal model of the network.
- Step 5: Testing Phase. The test samples are input into the trained optimal model, and the fault classification neural network classifies the MMC operation conditions according to the circulating current. When the sample label output is (1, 0, 0), the submodule voltage data at the same moment are input into the submodule open-circuit fault location neural network to complete the determination of the submodule open-circuit fault location.
4. Performance Evaluation and Experimental Validation
4.1. Data Acquisition
4.2. Model Parameter Setting
4.3. Model Evaluation Metrics
4.4. Test Performance
5. Conclusions
- (1)
- The diagnostic model used in this paper consists of a combination of two models. One of them is used to classify submodule open-circuit faults, submodule short-circuit faults, and bridge arm inductor short-circuit fault with 100% accuracy. The other is used to locate open circuit faults in the submodule. In this way, we make up for the shortcomings of previous neural-network-based methods that only consider the occurrence of submodule open-circuit faults.
- (2)
- Compared to other neural-network-based methods, the method proposed in this paper adds samples of multi-point submodule open-circuit faults to the training set and achieves the localization of multi-point submodule open-circuit faults in the same bridge arm while ensuring the accuracy of the localization of single-point open-circuit faults.
- (3)
- By using DSC instead of the traditional one-dimensional convolutional operations, this method reduces the number of parameters in the network and improves the real-time performance compared with other neural-network-based methods.
Author Contributions
Funding
Data Availability Statement
Acknowledgments
Conflicts of Interest
References
- Akagi, H. Multilevel converters: Fundamental circuits and systems. Proc. IEEE 2017, 105, 2048–2065. [Google Scholar] [CrossRef]
- Lesnicar, A.; Marquardt, R. An innovative modular multilevel converter topology suitable for a wide power range. In Proceedings of the 2003 IEEE Bologna Power Tech Conference Proceedings, Bologna, Italy, 23–26 June 2003; Volume 3, p. 6. [Google Scholar] [CrossRef]
- Glinka, M.; Marquardt, R. A new AC/AC-multilevel converter family applied to a single-phase converter. In Proceedings of the The Fifth International Conference on Power Electronics and Drive Systems, 2003. PEDS 2003, Singapore, 17–20 November 2003; pp. 16–23. [Google Scholar] [CrossRef]
- Glasdam, J.; Hjerrild, J.; Kocewiak, Ł.H.; Bak, C.L. Review on multi-level voltage source converter based HVDC technologies for grid connection of large offshore wind farms. In Proceedings of the 2012 IEEE International Conference on Power System Technology (POWERCON), Auckland, New Zealand, 30 October–2 November 2012; pp. 1–6. [Google Scholar] [CrossRef]
- Akagi, H. Classification, terminology, and application of the modular multilevel cascade converter (MMCC). IEEE Trans. Power Electron. 2011, 26, 3119–3130. [Google Scholar] [CrossRef]
- Pirouz, H.M.; Bina, M.T. Modular multilevel converter based STATCOM topology suitable for medium-voltage unbalanced systems. J. Power Electron. 2010, 10, 572–578. [Google Scholar] [CrossRef]
- Hagiwara, M.; Hasegawa, I.; Akagi, H. Start-up and low-speed operation of an electric motor driven by a modular multilevel cascade inverter. IEEE Trans. Ind. Appl. 2013, 49, 1556–1565. [Google Scholar] [CrossRef]
- Okazaki, Y.; Kawamura, W.; Hagiwara, M.; Akagi, H.; Ishida, T.; Tsukakoshi, M.; Nakamura, R. Experimental comparisons between modular multilevel DSCC inverters and TSBC converters for medium-voltage motor drives. IEEE Trans. Power Electron. 2016, 32, 1805–1817. [Google Scholar] [CrossRef]
- Deng, X.; Wan, C.; Jiang, L.; Gao, G.; Huang, Y. Open-switch fault diagnosis of three-phase PWM converter systems for magnet power supply on EAST. IEEE Trans. Power Electron. 2023, 38, 1064–1078. [Google Scholar] [CrossRef]
- Deng, F.; Tian, Y.; Zhu, R.; Chen, Z. Fault-tolerant approach for modular multilevel converters under submodule faults. IEEE Trans. Ind. Electron. 2016, 63, 7253–7263. [Google Scholar] [CrossRef]
- Shao, S.; Wheeler, P.W.; Clare, J.C.; Watson, A.J. Fault Detection for modular multilevel converters based on sliding mode observer. IEEE Trans. Power Electron. 2013, 28, 4867–4872. [Google Scholar] [CrossRef]
- Shao, S.; Watson, A.J.; Clare, J.C.; Wheeler, P.W. Robustness analysis and experimental validation of a fault detection and isolation method for the modular multilevel converter. IEEE Trans. Power Electron. 2015, 31, 3794–3805. [Google Scholar] [CrossRef]
- Song, B.; Qi, G.; Xu, L. A new approach to open-circuit fault diagnosis of MMC sub-module. Syst. Sci. Control Eng. 2020, 8, 119–127. [Google Scholar] [CrossRef]
- Deng, F.; Chen, Z.; Khan, M.R.; Zhu, R. Fault detection and localization method for modular multilevel converters. IEEE Trans. Power Electron. 2015, 30, 2721–2732. [Google Scholar] [CrossRef]
- Zhou, W.; Sheng, J.; Luo, H.; Li, W.; He, X. Detection and localization of submodule open-circuit failures for modular multilevel converters with single ring theorem. IEEE Trans. Power Electron. 2019, 34, 3729–3739. [Google Scholar] [CrossRef]
- Li, B.; Shi, S.; Wang, B.; Wang, G.; Wang, W.; Xu, D. Fault diagnosis and tolerant control of single IGBT open-circuit failure in modular multilevel converters. IEEE Trans. Power Electron. 2015, 31, 3165–3176. [Google Scholar] [CrossRef]
- Liu, H.; Loh, P.C.; Blaabjerg, F. Sub-module short circuit fault diagnosis in modular multilevel converter based on wavelet transform and adaptive neuro fuzzy inference system. Electr. Power Compon. Syst. 2015, 43, 1080–1088. [Google Scholar] [CrossRef]
- Liu, Z.; Xiao, L.; Wang, Q.; Li, J.; Wu, Q. Open-circuit fault diagnosis for MMC based on event-triggered and capacitor current state observation. IEEE Trans. Circuits Syst. II Express Briefs 2021, 69, 534–538. [Google Scholar] [CrossRef]
- Zhou, D.; Yang, S.; Tang, Y. A voltage-based open-circuit fault detection and isolation approach for modular multilevel converters with model-predictive control. IEEE Trans. Power Electron. 2018, 33, 9866–9874. [Google Scholar] [CrossRef]
- Picas, R.; Zaragoza, J.; Pou, J.; Ceballos, S. Reliable modular multilevel converter fault detection with redundant voltage sensor. IEEE Trans. Power Electron. 2017, 32, 39–51. [Google Scholar] [CrossRef]
- Zhang, J.; Hu, X.; Xu, S.; Zhang, Y.; Chen, Z. Fault diagnosis and monitoring of modular multilevel converter with fast response of voltage sensors. IEEE Trans. Ind. Electron. 2019, 67, 5071–5080. [Google Scholar] [CrossRef]
- Wang, Z.; Peng, L. Grouping capacitor voltage estimation and fault diagnosis with capacitance self-updating in modular multilevel converters. IEEE Trans. Power Electron. 2020, 36, 1532–1543. [Google Scholar] [CrossRef]
- Wang, T.; Xu, H.; Han, J.; Elbouchikhi, E.; Benbouzid, M.E.H. Cascaded H-bridge multilevel inverter system fault diagnosis using a PCA and multiclass relevance vector machine approach. IEEE Trans. Power Electron. 2015, 30, 7006–7018. [Google Scholar] [CrossRef]
- Gomathy, V.; Selvaperumal, S. Fault detection and classification with optimization techniques for a three-phase single-inverter circuit. J. Power Electron. 2016, 16, 1097–1109. [Google Scholar] [CrossRef]
- Wang, Q.; Yu, Y.; Ahmed, H.O.A.; Darwish, M.; Nandi, A.K. Fault Detection and Classification in MMC-HVDC Systems Using Learning Methods. Sensors 2020, 20, 4438. [Google Scholar] [CrossRef]
- Deng, F.; Chen, Y.; Dou, J.; Liu, C.; Chen, Z.; Blaabjerg, F. Isolation forest based submodule open-circuit fault localization method for modular multilevel converters. IEEE Trans. Ind. Electron. 2022, 70, 3090–3102. [Google Scholar] [CrossRef]
- Hu, X.; Jia, H.; Zhang, Y.; Deng, Y. An open circuit faults diagnosis method for MMC based on extreme gradient boosting. IEEE Trans. Ind. Electron. 2022, 70, 6239–6249. [Google Scholar] [CrossRef]
- Kiranyaz, S.; Gastli, A.; Ben-Brahim, L.; Al-Emadi, N.; Gabbouj, M. Real-time fault detection and identification for MMC using 1-D convolutional neural networks. IEEE Trans. Ind. Electron. 2019, 66, 8760–8771. [Google Scholar] [CrossRef]
- Chollet, F. Xception: Deep learning with depthwise separable convolutions. In Proceedings of the 2017 IEEE Conference on Computer Vision and Pattern Recognition (CVPR), Honolulu, HI, USA, 21–26 July 2017; pp. 1800–1807. [Google Scholar] [CrossRef]
- Howard, A.G.; Zhu, M.; Chen, B.; Kalenichenko, D.; Wang, W.; Weyand, T.; Andreetto, M.; Adam, H. Mobilenets: Efficient convolutional neural networks for mobile vision applications. arXiv 2017, arXiv:abs/1704.04861. [Google Scholar] [CrossRef]
- Documentation, S. Modular Multi-Level Converter (MMC). Available online: https://ww2.mathworks.cn/help/sps/ug/modular-multi-level-converter-mmc.html?s_tid=srchtitle_Modular%2520Multi-Level%2520Converter%2520%2528MMC%2529_4 (accessed on 18 December 2015).
- Godbole, S.; Sarawagi, S. Discriminative methods for multi-labeled classification. In Proceedings of the Advances in Knowledge Discovery and Data Mining: 8th Pacific-Asia Conference, PAKDD 2004, Sydney, Australia, 26–28 May 2004; pp. 22–30. [Google Scholar] [CrossRef]
- Montavon, G.; Samek, W.; Müller, K.-R. Methods for interpreting and understanding deep neural networks. Digit. Signal Process. 2018, 73, 1–15. [Google Scholar] [CrossRef]
- Hochreiter, S.; Schmidhuber, J. Long short-term memory. Neural Comput. 1997, 9, 1735–1780. [Google Scholar] [CrossRef]
- Vinyals, O.; Toshev, A.; Bengio, S.; Erhan, D. Show and tell: A neural image caption generator. In Proceedings of the IEEE Conference on Computer Vision and Pattern Recognition, Boston, MA, USA, 7–12 June 2015; pp. 3156–3164. [Google Scholar] [CrossRef]
- Shi, X.; Chen, Z.; Wang, H.; Yeung, D.-Y.; Wong, W.-K.; Woo, W.-C. Convolutional LSTM network: A machine learning approach for precipitation nowcasting. Adv. Neural Inf. Process. Syst. 2015, 28, 802–810. [Google Scholar] [CrossRef]
- Kiranyaz, S.; Ince, T.; Hamila, R.; Gabbouj, M. Convolutional neural networks for patient-specific ECG classification. In Proceedings of the 2015 37th Annual International Conference of the IEEE Engineering in Medicine and Biology Society (EMBC), Milan, Italy, 25–29 August 2015; pp. 2608–2611. [Google Scholar] [CrossRef]














| Parameters | Values | Parameters | Values |
|---|---|---|---|
| Number of cells per arm N1 | 5 | Capacitor C | 4.7 mF |
| Voltage Vdc | 5 kV | Inductor arm L | 5 mH |
| Fundamental frequency | 50 Hz | Load Resistor R | 5 Ω |
| Carrier frequency | 750 Hz | Load Inductor LL | 10 mH |
| Methods | Ability to Classify Faults | Applicable to Multi-Point Open-Circuit Faults | Diagnosis Speed | Influenced by Parameter Uncertainty |
|---|---|---|---|---|
| [11] | No | No | ≥100 | Yes |
| [14] | No | Yes | ≥100 | Yes |
| [28] | No | No | ≈100 | No |
| Our method | Yes | Yes | ≤80 | No |
| A | P | R | Fmacro | |
|---|---|---|---|---|
| [28] | 0.9862 | 0.9749 | 0.9523 | 0.9579 |
| LSTM | 0.9794 | 0.9702 | 0.9286 | 0.9408 |
| DNN | 0.9588 | 0.9634 | 0.8658 | 0.8976 |
| CNN-LSTM | 0.9857 | 0.9681 | 0.9438 | 0.9519 |
| Convlstm | 0.9859 | 0.9713 | 0.9451 | 0.9564 |
| Our method | 0.9903 | 0.9791 | 0.9667 | 0.9691 |
| MR | Acc | Pre | Recall | F1 | Number of Parameters | |
|---|---|---|---|---|---|---|
| CNN | 0.7372 | 0.8497 | 0.8623 | 0.9517 | 0.8921 | 19060 |
| LSTM | 0.6088 | 0.7780 | 0.7971 | 0.9303 | 0.8409 | 60570 |
| DNN | 0.6881 | 0.8187 | 0.8347 | 0.9356 | 0.8682 | 34228 |
| CNN-LSTM | 0.8086 | 0.8848 | 0.9008 | 0.9457 | 0.9156 | 163704 |
| Convlstm | 0.7893 | 0.8801 | 0.8916 | 0.9543 | 0.9181 | 302408 |
| Our method | 0.7980 | 0.8770 | 0.8938 | 0.9415 | 0.9095 | 6308 |
Disclaimer/Publisher’s Note: The statements, opinions and data contained in all publications are solely those of the individual author(s) and contributor(s) and not of MDPI and/or the editor(s). MDPI and/or the editor(s) disclaim responsibility for any injury to people or property resulting from any ideas, methods, instructions or products referred to in the content. |
© 2023 by the authors. Licensee MDPI, Basel, Switzerland. This article is an open access article distributed under the terms and conditions of the Creative Commons Attribution (CC BY) license (https://creativecommons.org/licenses/by/4.0/).
Share and Cite
Cheng, G.; Song, S. Fault Detection and Identification in MMCs Based on DSCNNs. Energies 2023, 16, 3427. https://doi.org/10.3390/en16083427
Cheng G, Song S. Fault Detection and Identification in MMCs Based on DSCNNs. Energies. 2023; 16(8):3427. https://doi.org/10.3390/en16083427
Chicago/Turabian StyleCheng, Guanyuan, and Shaojian Song. 2023. "Fault Detection and Identification in MMCs Based on DSCNNs" Energies 16, no. 8: 3427. https://doi.org/10.3390/en16083427
APA StyleCheng, G., & Song, S. (2023). Fault Detection and Identification in MMCs Based on DSCNNs. Energies, 16(8), 3427. https://doi.org/10.3390/en16083427

