Development of a High-Voltage Pulsed Electric Field Sterilization Power Supply Using a New Topology Circuit
Abstract
:1. Introduction
2. Working Process and Characteristic Analysis of New High-Voltage Pulse Power Supply
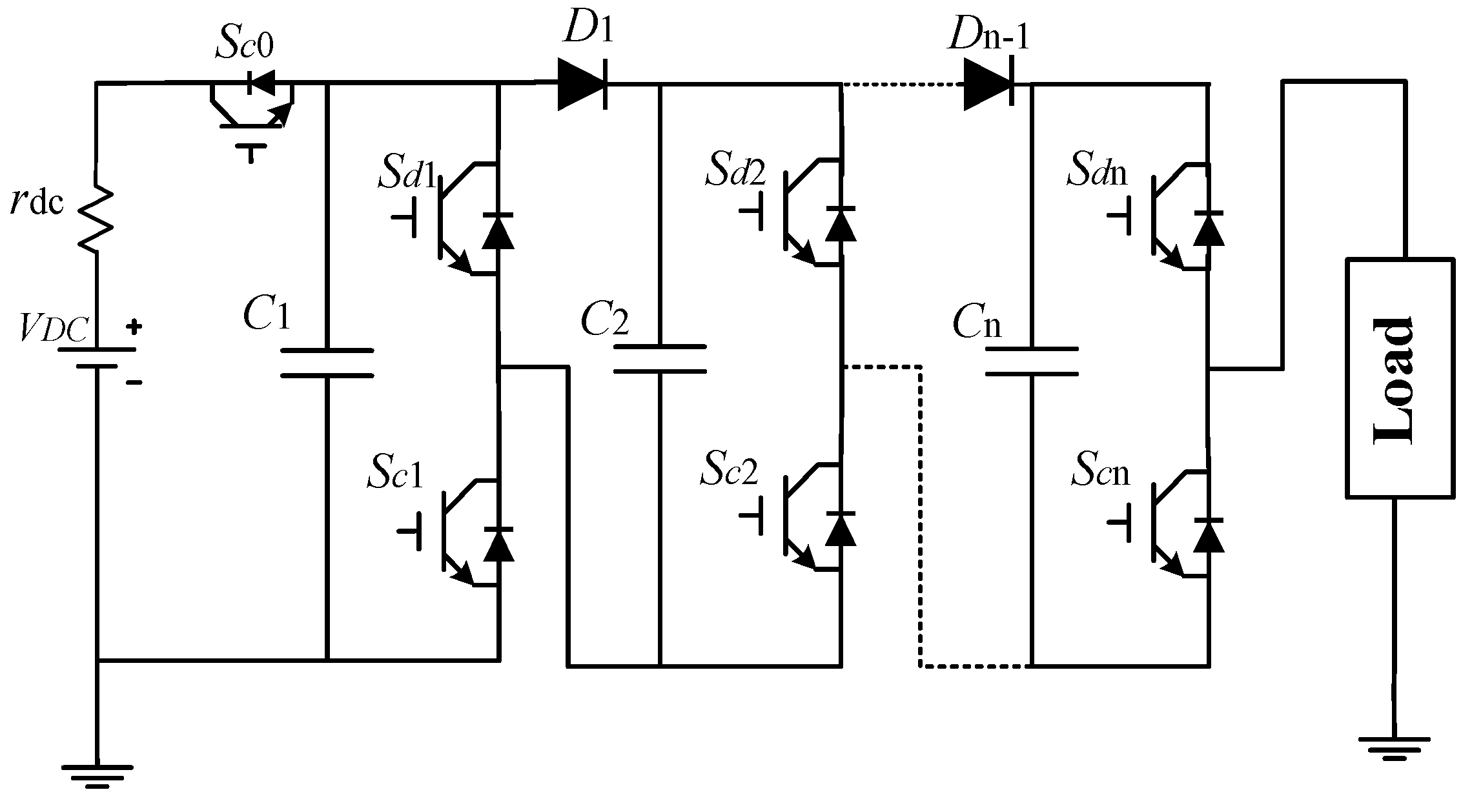
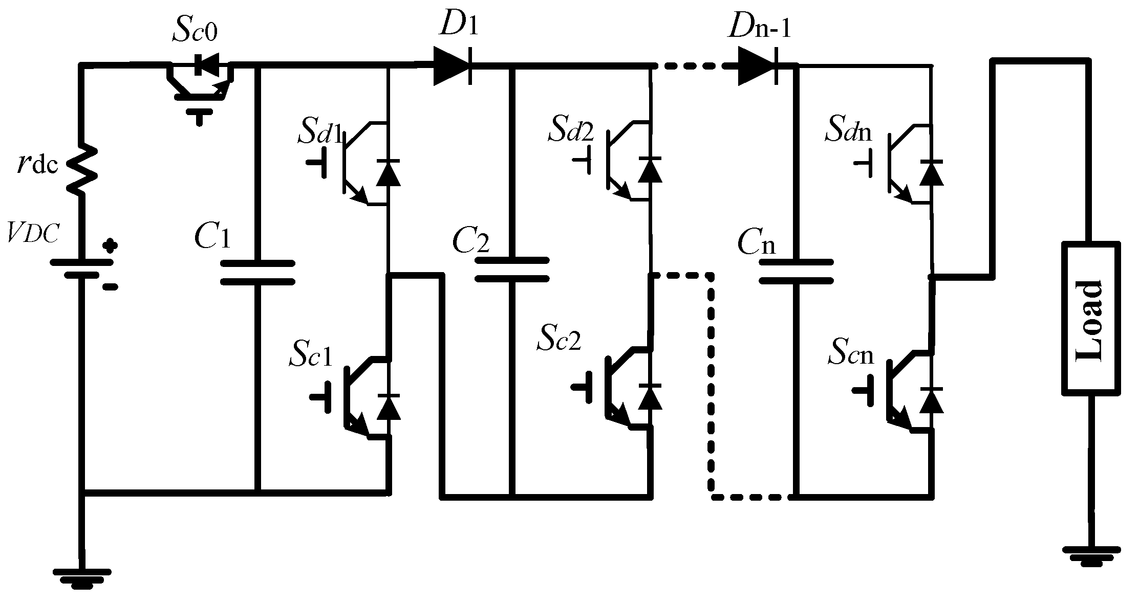
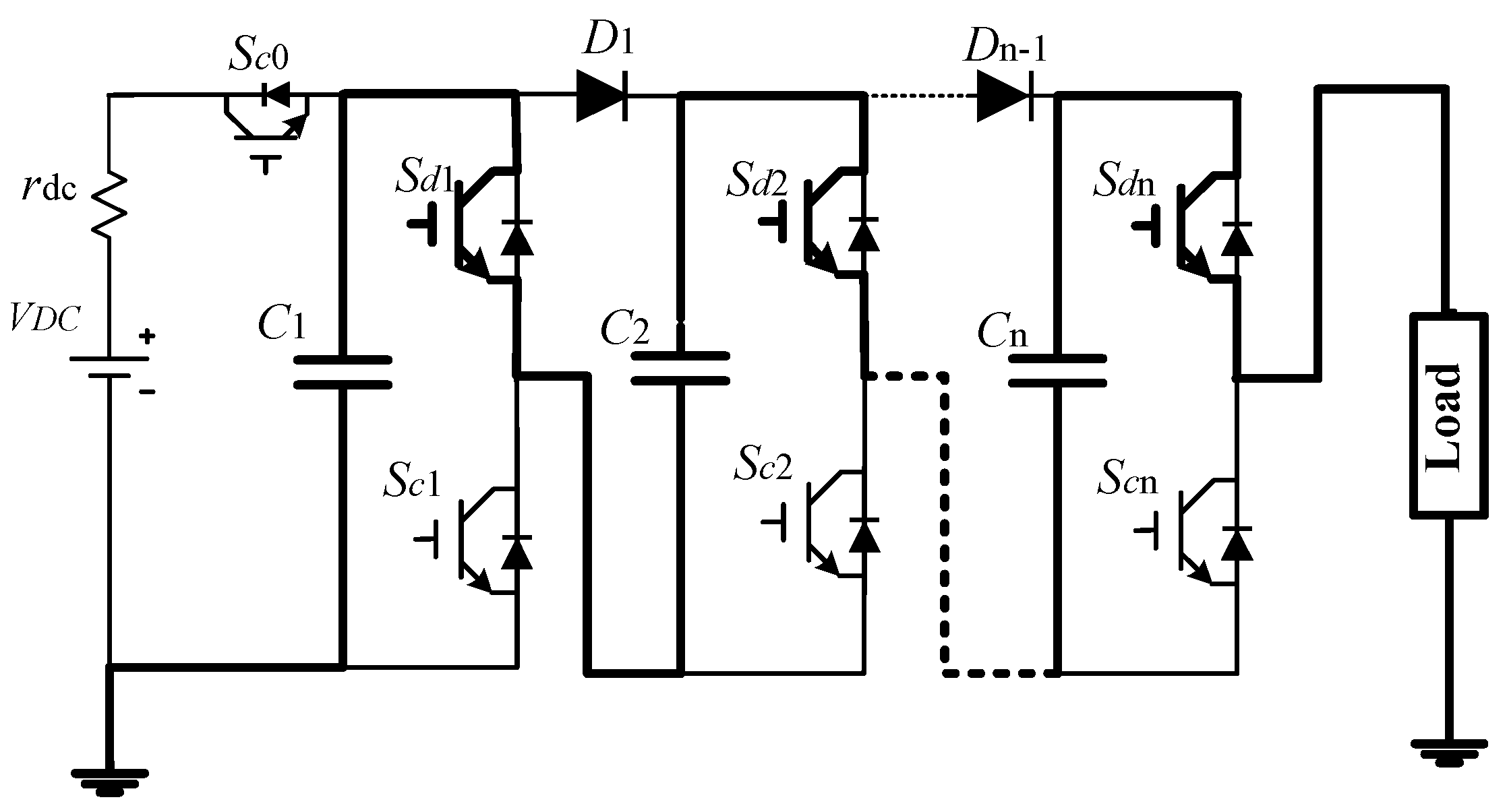
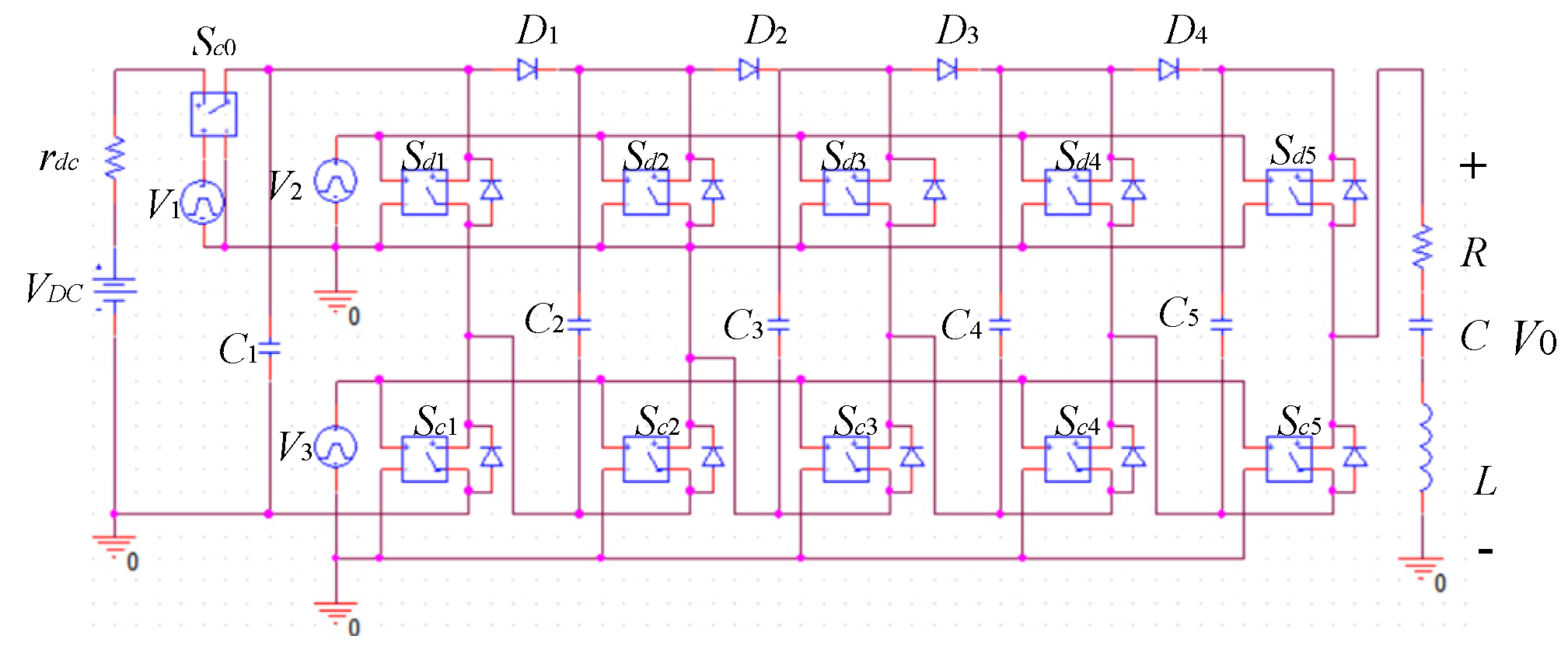
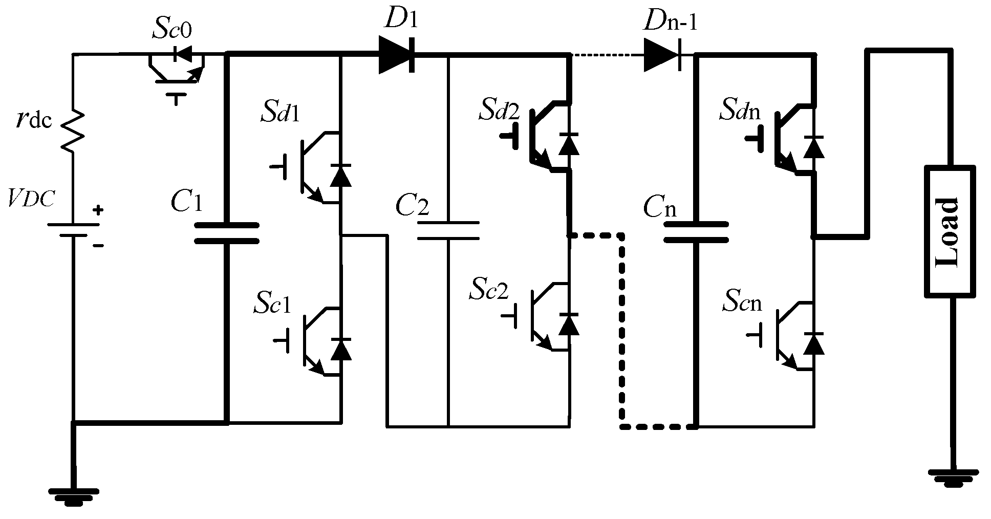
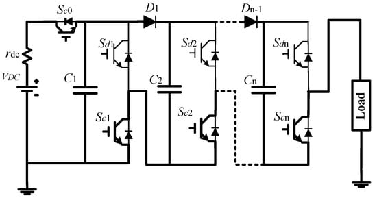
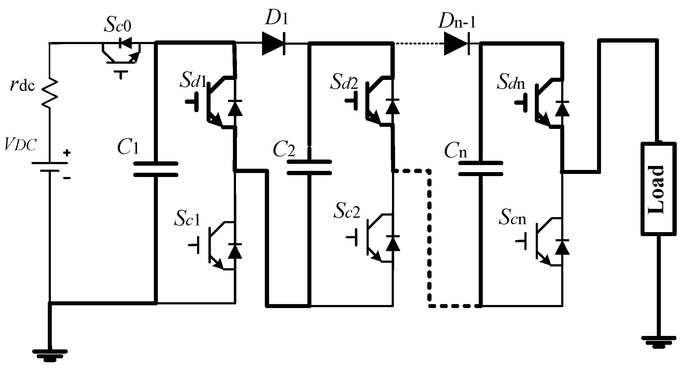
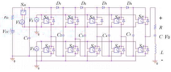
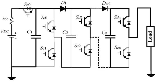
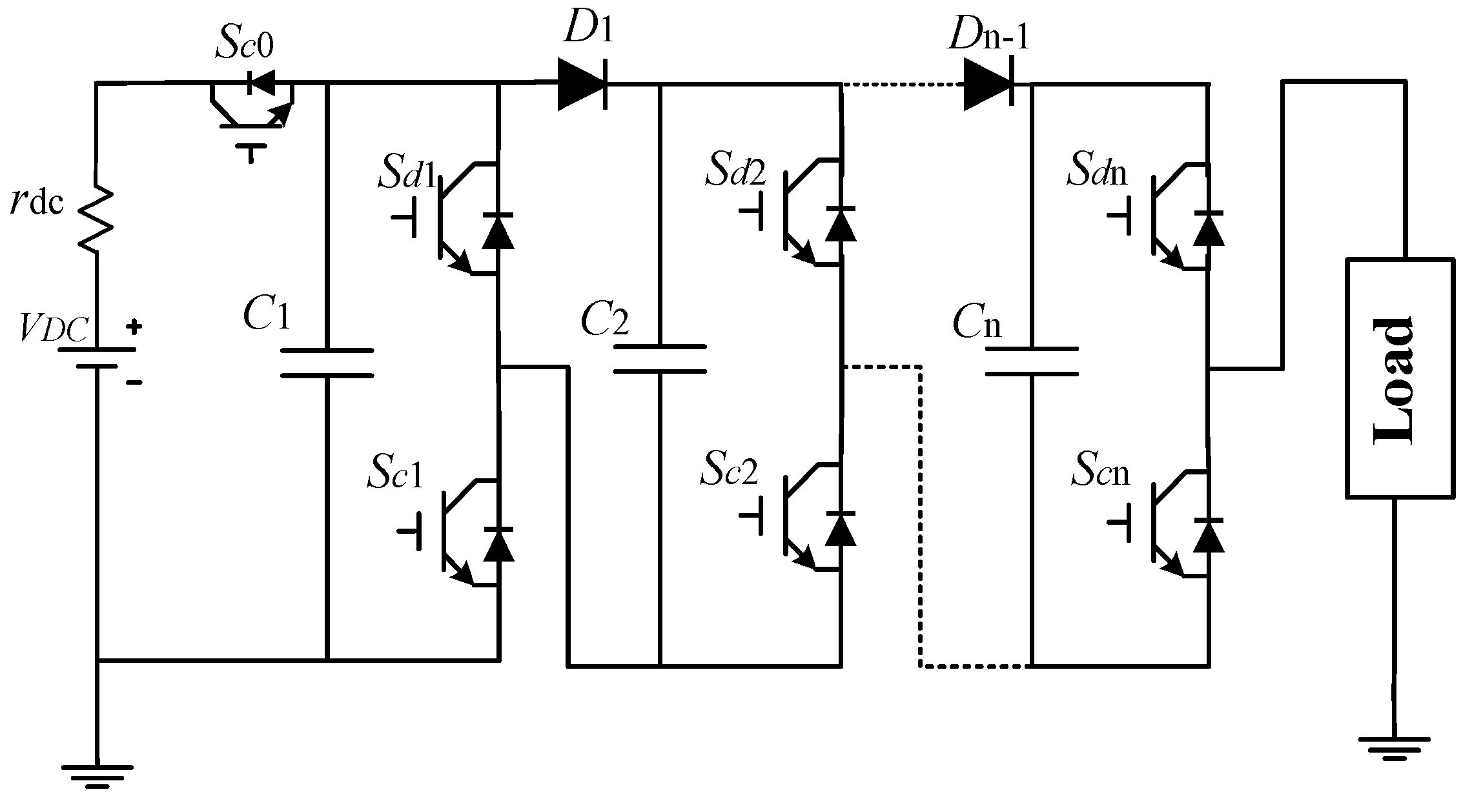
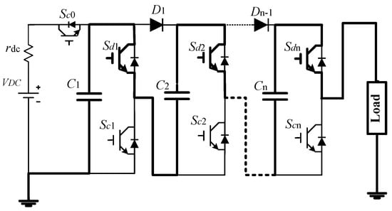
2.1. Topology Structure and Working Process of Circuit
2.2. Load Adaptability Analysis of High-Voltage Pulse Source
2.3. Voltage Clamp Analysis in Discharge Process
3. Selection of Main Component Parameters of Pulse Power Supply
3.1. Selection of Capacitor
3.2. Selection of Diode
3.3. Selection of IGBT
4. Controlling and Driving Circuits
4.1. Driving Circuit
4.2. Controlling Circuit
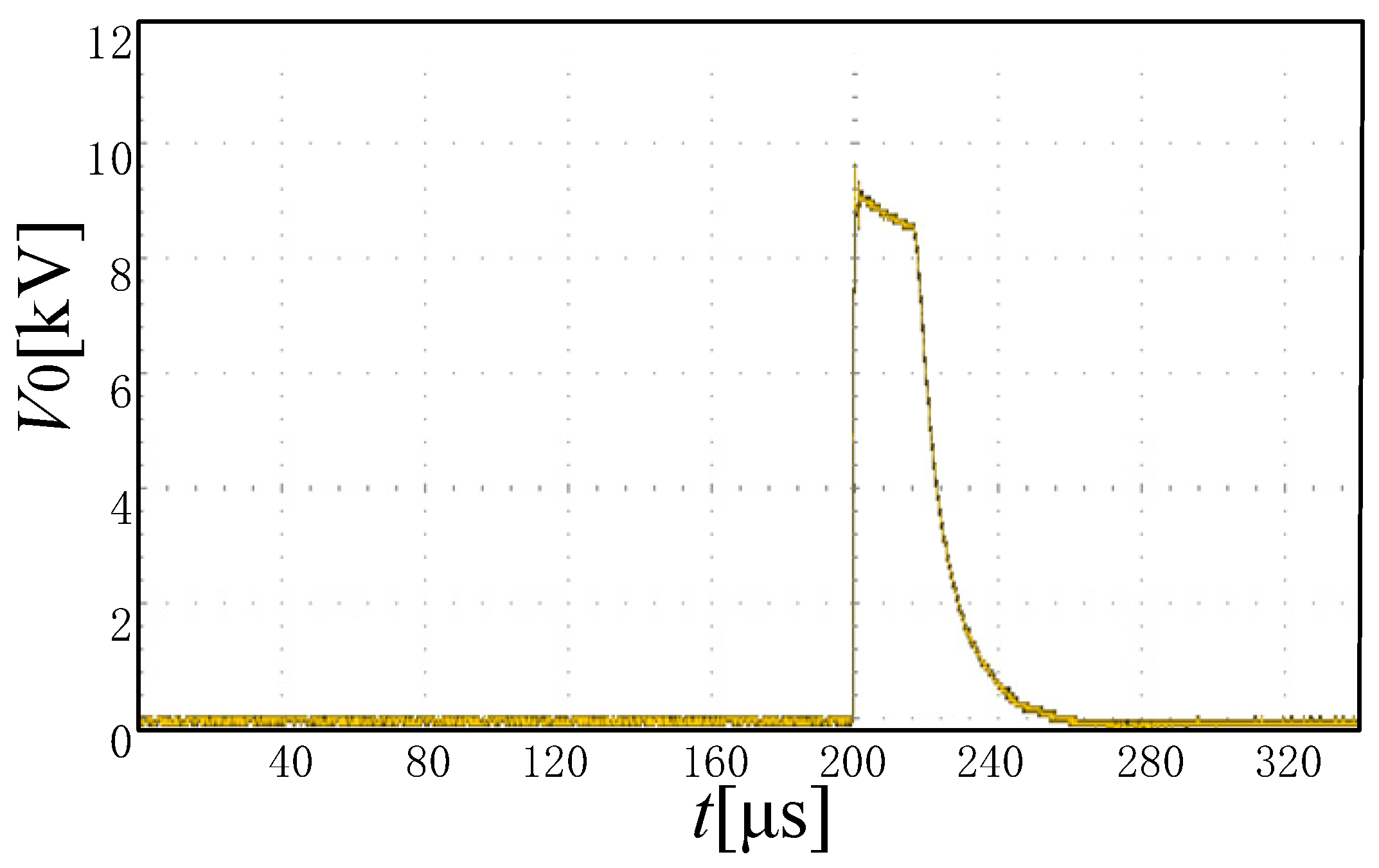
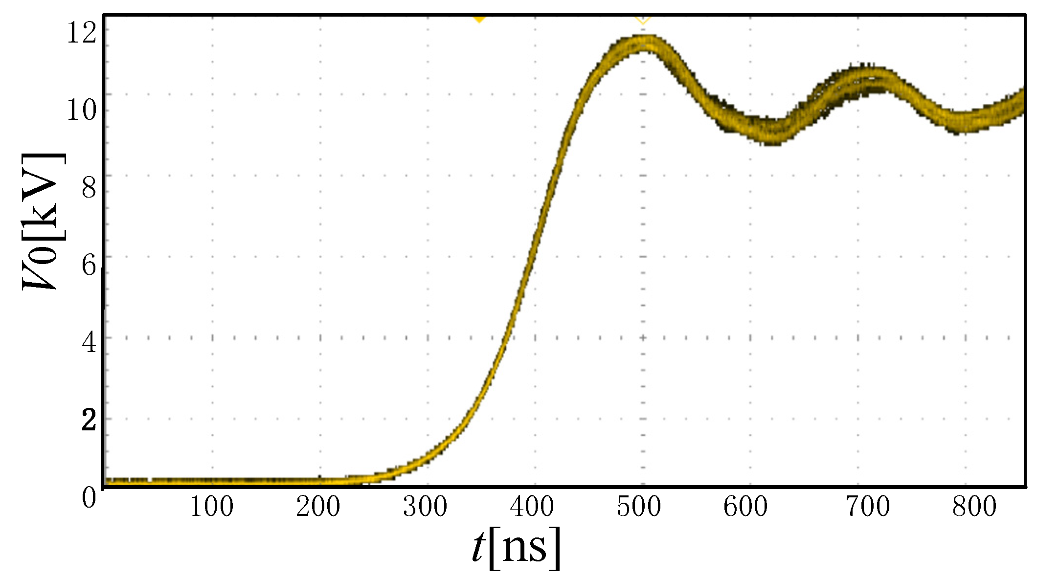
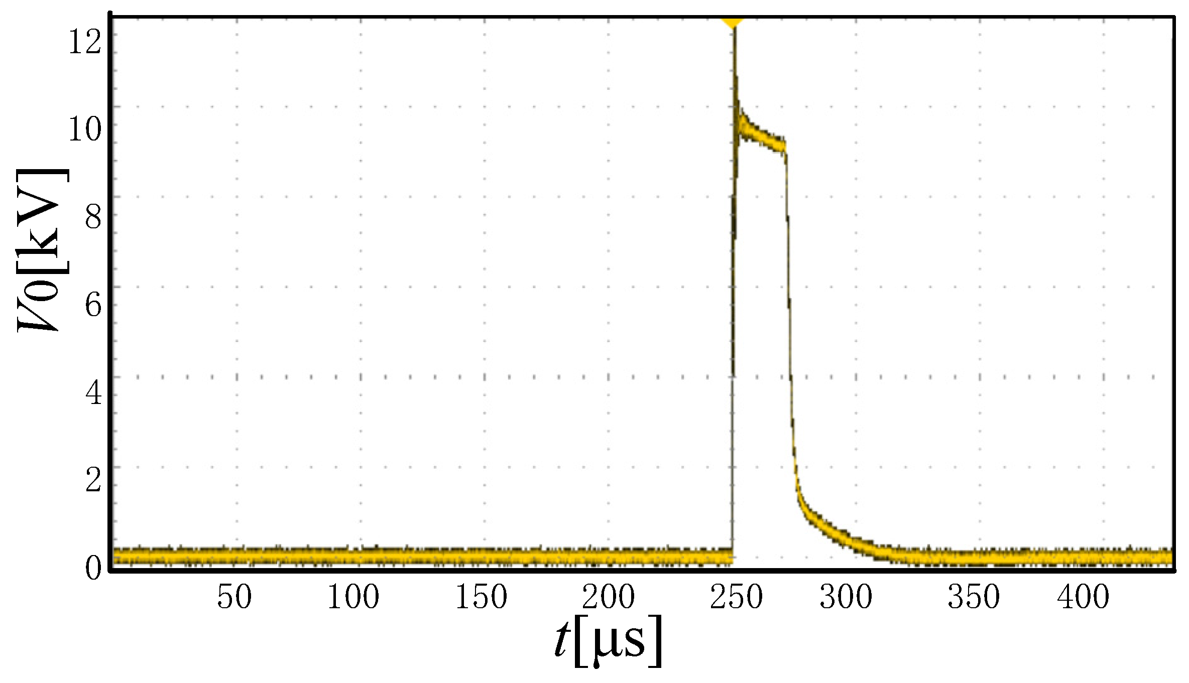
5. Construction and Performance Test of Prototype
6. Conclusions
Author Contributions
Funding
Data Availability Statement
Conflicts of Interest
References
- Takaki, K.; Hayashi, N.; Wang, D.; Ohshima, T. High-voltage technologies for agriculture and food processing. J. Phys. D Appl. Phys. 2019, 52, 3001. [Google Scholar] [CrossRef]
- Qin, B.; Zhang, Q.; Barbosa-Canovas, G.V.; Swanson, B.G.; Pedrow, P.D. Nonthermal pasteurization of liquid foods using high-intensity pulsed electric fields. Crit. Rev. Food Sci. Nutr. 1996, 36, 603–627. [Google Scholar] [CrossRef] [PubMed]
- Zhu, D.; Kebede, B.; Chen, G.; McComb, K.; Frew, R. Effects of the vat pasteurization process and refrigerated storage on the bovine milk metabolome. J. Dairy Sci. 2020, 103, 2077–2088. [Google Scholar] [CrossRef] [PubMed]
- Jayaram, S.H. Sterilization of liquid foods by pulsed electric fields. IEEE Electr. Insul. Mag. 2000, 16, 17–25. [Google Scholar] [CrossRef]
- Sevenich, R.; Kleinstueck, E.; Crews, C.; Anderson, W.; Pye, C.; Riddellova, K. High-pressure thermal sterilization: Food safety and food quality of baby food puree. J. Dairy Sci. 2014, 79, M230–M237. [Google Scholar] [CrossRef] [PubMed]
- Yao, C.; Zhang, X.; Guo, F.; Dong, S.; Mi, Y.; Sun, C. FPGA-Controlled All-Solid-State Nanosecond Pulse Generator for Biological Applications. IEEE Trans. Plasma Sci. 2012, 40, 2366–2372. [Google Scholar] [CrossRef]
- Sato, T.; Murakami, Y.; Muramoto, Y. Sterilization of escherichia coli by Marx circuit with switches using bipolar junction transistors. In Proceedings of the 2017 International Symposium on Electrical Insulating Materials (ISEIM), Toyohashi, Japan, 11–15 September 2017; pp. 199–202. [Google Scholar]
- Jin, Y.; Sun, W.; Yu, L.; He, D.; Dong, S.; Yao, C. A 10 kV Modular Solid Boost-Marx Pulse Generator with Inductive Isolation. In Proceedings of the 2022 IEEE International Conference on High Voltage Engineering and Applications (ICHVE), Chongqing, China, 25–29 September 2022; pp. 1–4. [Google Scholar]
- Abadi, M.Q.R.; Marzebali, M.H.; Abolghasemi, V.; Anisi, M.H. High-voltage pulse generators for electroporation applications: A systematic review. IEEE Access 2022, 10, 64933–64951. [Google Scholar] [CrossRef]
- Chen, X.; Yu, L.; Jiang, T.; Tian, H.; Huang, K.; Wang, J. A High-Voltage Solid-State Switch Based on Series Connection of IGBTs for PEF Applications. IEEE Trans. Plasma Sci. 2017, 45, 2328–2334. [Google Scholar] [CrossRef]
- Wei, X.; Wang, H.; Guo, Z. Development of industrial high voltage pulsed electric field sterilization power supply. Electr. Mach. Control 2019, 23, 65–72. [Google Scholar]
- Achour, Y.; Starzyński, J.; Jakubiuk, K. New Architecture of Solid-State High-Voltage Pulse Generators. Energies 2022, 15, 4823. [Google Scholar] [CrossRef]
- Chen, J.; Zhang, R.; Wang, L.; Mo, M. Effect of pulsed electric fields on proanthocyanidins in young red wine. In Proceedings of the 2009 IEEE 9th International Conference on the Properties and Applications of Dielectric Materials, Harbin, China, 19–23 July 2009; pp. 1124–1127. [Google Scholar]
- Zhang, R.; Cheng, L.; Wang, L.; Guan, Z. Inactivation Effects of PEF on Horseradish Peroxidase (HRP) and Pectinesterase (PE). IEEE Trans. Plasma Sci. 2006, 34, 2630–2636. [Google Scholar] [CrossRef]
- Chalise, P.R.; Perni, S.; Shama, G.; Novac, B.M.; Smith, I.R.; Kong, M.G. Interaction of Sub-Microsecond Pulsed Electric Field With Bacterial Cells. In Proceedings of the Conference Record of the 2006 Twenty-Seventh International Power Modulator Symposium, Arlington, VA, USA, 14–18 May 2006; pp. 562–565. [Google Scholar]
- Barsotti, L.; Merle, P.; Cheftel, J.C. Food processing by pulsed electric fields. I. Physical aspects. Food Rev. Int. 1999, 15, 163–180. [Google Scholar] [CrossRef]
- Qin, B.; Zhang, Q.; Barbosa-Canovas, G.V.; Swanson, B.G.; Pedrow, P.D. Inactivation of microorganisms by pulsed electric fields of different voltage waveforms. IEEE Trans. Dielectr. Electr. Insul. 1994, 1, 1047–1057. [Google Scholar]
- Chen, J.; Zhang, R.; Xiao, J.; Li, J.; Wang, L.; Guan, Z.; MacAlpine, M. Influence of Pulse Rise Time on the Inactivation of Staphylococcus Aureus by Pulsed Electric Fields. IEEE Trans. Plasma Sci. 2010, 38, 1935–1941. [Google Scholar] [CrossRef]
- Sun, B.; Aye, N.N.; Wang, X.; Zhu, X.; Sato, M. Eradication of Invasive Organisms From Ballast Water With Electrodeless Pulsed-Discharge Hybrid Reactor. IEEE Trans. Ind. Appl. 2011, 47, 1079–1085. [Google Scholar]
- Kholgh Khiz, A.; Banaei, M.R. Marx-based pulse generator with high-voltage gain. Int. J. Circuit Theory Appl. 2022, 50, 1101–1118. [Google Scholar] [CrossRef]



















| Parameters | Value |
|---|---|
| maximum output voltage Voutmax [kV] | 10 |
| maximum pulse width twmax [μs] | 20 |
| maximum frequency fmax [Hz] | 1000 |
| pulse rise time tr [ns] | <300 |
| Parameters | Value |
|---|---|
| repetitive peak reverse voltage VRRM [kV] | 3 |
| mean forward current IFM [A] | 800 |
| maximum allowable surge current IFSM [kA] | 10 |
| repetitive peak reverse current IRRM [mA] | 40 |
| peak forward voltage VFM [V] | 3.6 |
| reverse recovery time trr [μs] | 3 |
Disclaimer/Publisher’s Note: The statements, opinions and data contained in all publications are solely those of the individual author(s) and contributor(s) and not of MDPI and/or the editor(s). MDPI and/or the editor(s) disclaim responsibility for any injury to people or property resulting from any ideas, methods, instructions or products referred to in the content. |
© 2023 by the authors. Licensee MDPI, Basel, Switzerland. This article is an open access article distributed under the terms and conditions of the Creative Commons Attribution (CC BY) license (https://creativecommons.org/licenses/by/4.0/).
Share and Cite
Zhu, B.; Su, H.; Fang, Z.; Wu, G.; Wei, X. Development of a High-Voltage Pulsed Electric Field Sterilization Power Supply Using a New Topology Circuit. Energies 2023, 16, 2741. https://doi.org/10.3390/en16062741
Zhu B, Su H, Fang Z, Wu G, Wei X. Development of a High-Voltage Pulsed Electric Field Sterilization Power Supply Using a New Topology Circuit. Energies. 2023; 16(6):2741. https://doi.org/10.3390/en16062741
Chicago/Turabian StyleZhu, Bo, He Su, Zhihan Fang, Guoyan Wu, and Xinlao Wei. 2023. "Development of a High-Voltage Pulsed Electric Field Sterilization Power Supply Using a New Topology Circuit" Energies 16, no. 6: 2741. https://doi.org/10.3390/en16062741
APA StyleZhu, B., Su, H., Fang, Z., Wu, G., & Wei, X. (2023). Development of a High-Voltage Pulsed Electric Field Sterilization Power Supply Using a New Topology Circuit. Energies, 16(6), 2741. https://doi.org/10.3390/en16062741

