Effective Utilization of Distributed Power Sources under Power Mismatch Conditions in Islanded Distribution Networks
Abstract
1. Introduction
| Ref# | Author(s)/Year | Objective Function(s) | Optimization Technique(s) | Operation Mode(s) |
|---|---|---|---|---|
| [11] | Ahmad Eid (2022) | Active and reactive power loss, voltage deviation, and stability | Jellyfish search algorithm | Grid-connected |
| [12] | Mouwaf et al. (2022) | Active power loss, voltage deviation, and stability | Chaotic bat algorithm | Grid-connected |
| [13] | Leghari et al. (2022) | Active power loss and voltage deviation | Best–worst optimizers | Grid-connected |
| [14] | Naderipour et al. (2021) | Costs of energy loss, installation, and maintenance | Spotted hyena optimizer | Grid-connected |
| [15] | Malik et al. (2020) | Active power loss, voltage deviation, and voltage stability index | Multiobjective particle swarm optimization | Grid-connected |
| [16] | Tolabi et al. (2020) | Active power loss, voltage stability, and operational cost | Thief and police algorithm | Grid-connected |
| [17] | Almabsout et al. (2020) | Active power loss | Enhanced genetic algorithm | Grid-connected |
| [18] | Manikanta et al. (2019) | Active power loss | Quantum-inspired evaluation algorithm | Grid-connected |
| [19] | Sambaiah and Jayabarathi (2019) | Active power loss, voltage deviation, voltage stability index, installation and maintenance costs of DGs and capacitors, and gas emissions | Salp swarm algorithm | Grid-connected |
| [20] | Lotfi et al. (2018) | Active power loss | Particle swarm optimization and genetic algorithm | Grid-connected |
| [21] | Mehmood et al. (2018) | Energy loss index, voltage enhancement index, and investment cost index | Elitist speciation-based genetic algorithm | Grid-connected |
| [22] | Dixit et al. (2017) | Active power loss | Gbest-guided artificial bee colony | Grid-connected |
| [23] | Biswas et al. (2017) | Active and reactive power loss | Multiobjective evolutionary algorithm based on the decomposition | Grid-connected |
| [24] | Ghanegaonkar and Pande (2017) | Active power loss, energy loss, and capacitor switching events | Particle swarm optimization | Grid-connected |
| [25] | Kumar et al. (2017) | Active power loss, voltage deviation, and voltage stability index | Multiobjective particle swarm optimization | Grid-connected |
| [26] | Muthukumar and Jayalalitha (2016) | Active power loss | Hybrid harmony search—particle artificial bee colony algorithm | Grid-connected |
| [27] | Khodabakhshian and Andisghae (2016) | Cost of losses | Intersect mutation differential evolution | Grid-connected |
| [28] | Jannat and Savic (2016) | Voltage deviation and installed reactive power capacity | Non–dominated sorting genetic algorithm | Grid-connected |
| [29] | Lalitha et al. (2016) | Active power loss and voltage deviation | Symbiotic organisms search | Grid-connected |
| [30] | Andebili (2016) | Investment and maintenance costs of DGs and capacitors, cost of energy loss, and risk cost | Genetic algorithm | Grid-connected |
| [31] | Ghaffarzadeh and Sadeghi (2016) | The benefit of reductions in active power loss, reactive power loss, and power purchased from the grid | Biogeography-based optimization algorithm | Grid-connected |
| [32] | Pereira et al. (2016) | Investment costs of DGs and capacitors and system’s operation costs | Hybrid Tabu search-Chu-Beasly genetic algorithm | Grid-connected |
| [33] | Kayal and Chanda (2016) | Active power loss, voltage stability factor, network security index, economic index, and annual carbon dioxide emission | Non-dominated sorting multiobjective particle swarm optimization | Grid-connected |
| [34] | Khan et al. (2015) | Active power loss and voltage deviation | Binary collective animal behavior optimization algorithm | Grid-connected |
| [35] | Zeinalzadeh et al. (2015) | Active power loss, voltage stability index, and sections current index | Genetic algorithm | Grid-connected |
| [1] | Gholami et al. (2015) | Costs of energy loss, peak power loss, and capacitors | Genetic algorithm | Grid-connected and islanded |
| [36] | Jain et al. (2014) | Active power loss, reactive power loss, voltage profile, and gas emissions | Modified particle swarm optimization | Grid-connected |
| [37] | Mahari and Mahari (2014) | Active power loss | Discrete imperialistic competition algorithm | Grid-connected |
| [38] | Syed and Injeti (2014) | Active power loss | Backtracking search algorithm | Grid-connected |
| [39] | Hosseinzadehdehkordi et al. (2014) | Investment and operation costs of capacitors and cost of power/energy loss | Differential evolution | Grid-connected |
| [40] | Aman et al. (2013) | Active power loss | Particle swarm optimization | Grid-connected |
| [41] | Musa et al. (2013) | Active power loss | Particle swarm optimization | Grid-connected |
| [42] | Manafi et al. (2013) | Active power loss | Differential evolution and particle swarm optimization | Grid-connected |
| [43] | Karimi et al. (2012) | Investment and operation costs of capacitors and cost of power/energy loss | Differential evolution | Grid-connected |
| [2] | Wang and Zhong (2011) | Voltage profile | Optimal power flow | Grid-connected and islanded |
| [44] | Zou et al. (2009) | Investment costs for DG and capacitors | Particle swarm optimization | Grid-connected |
| [45] | Zou et al. (2008) | Costs of DG units, capacitors, energy loss, and distribution system reliability | Particle swarm optimization | Grid-connected |
- A methodology correlating the effective utilization of the DG and capacitor units under autonomous operation mode is proposed for the scenario where the power supply is less than the power demand;
- A bi-objective minimization function, incorporating the accessible power generation’s under-utilization and active power loss reduction, is established to optimize the islanded distribution network’s operation during power supply and demand imbalance events.
2. Problem Formulation
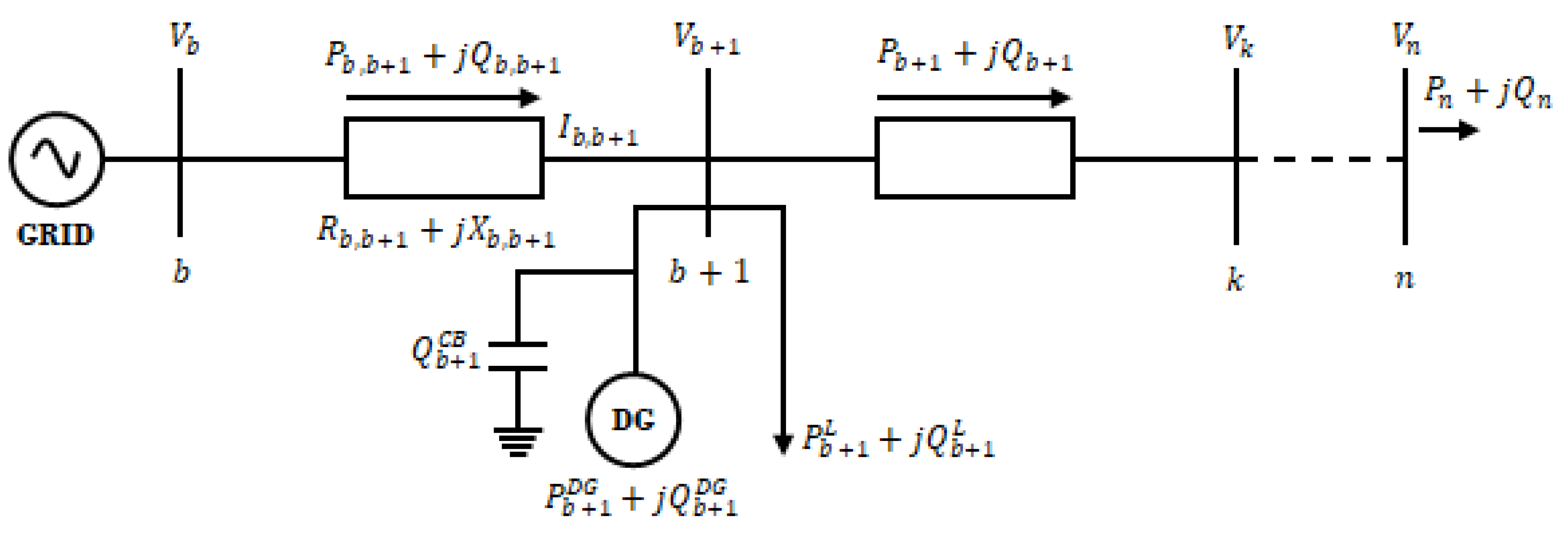
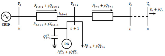
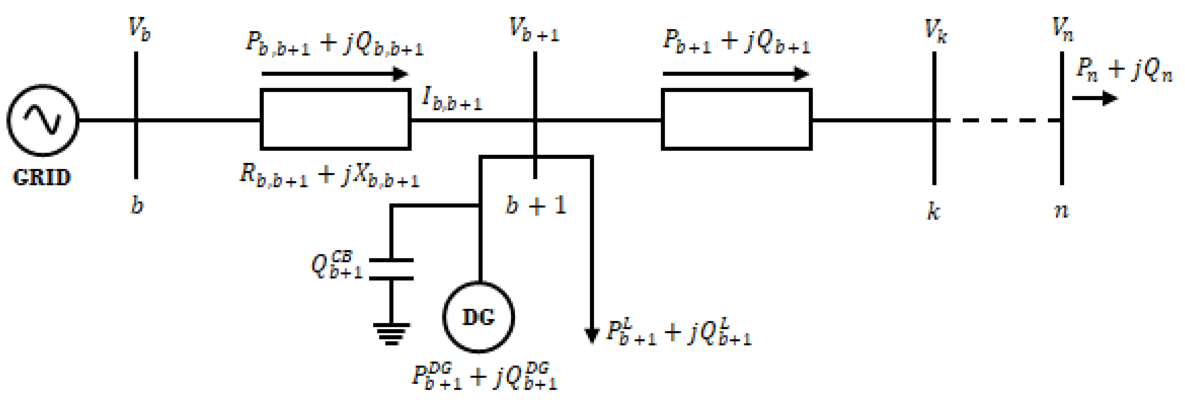
2.1. Power Loss
2.2. Accessible Generation Capacity’s Utilization
2.3. Constraints
2.4. Decision Variables
2.5. Modeling of DGs’ Power Output
2.6. Modeling of Capacitors’ Power Output
3. Proposed Methodological Framework to Optimize the Autonomous Network’s Operation
- Step 1.
- Define the base power, base voltage, load data, and line data for the selected distribution network.
- Step 2.
- Calculate the starting values of the objective functions, the active power loss in this case, by running the base case load flow for all the solutions of the starting population.
- Step 3.
- Set the JA’s parameters, nPop and MaxItr, and the parameters of the optimization problem, n (number of design variables) and Ud and Ld (upper and lower bounds).
- Step 4.
- Initialize the starting population with random values of the design variables.
- Step 5.
- Execute the power flow to compute the value of the objective function for each search agent of the starting population.
- Step 6.
- Find out the cost function values to determine the best and worst solutions.
- Step 7.
- Update the solutions of the current population, based on known best and worst solutions, as per Equation (23).
- Step 8.
- Carry out the power flow for each new solution vector and determine the cost function’s updated values.
- Step 9.
- Compare the new updated cost function values with the previous values for each solution. Adopt the new solution if it is superior to the old one; else, stick with the old solution. Create the new population replacing the old one.
- Step 10.
- Stop the optimization process if the maximum iteration count is completed. Otherwise, repeat steps 6 to 9. Finally, report the obtained final optimum solutions of DG–capacitor sizes and locations.
- Step 11.
- Disconnect the distribution network from the grid and identify the available maximum active and reactive power generations for the autonomous distribution network.
- Step 12.
- Specify a value for the DG–capacitor combination’s working power factor, (Equation (24)).
- Step 13.
- Gradually increase the active and reactive power demands of the load while keeping the source power factor constant at .Let Po,i, Qo,i be the initial active and reactive power demands of load connected at bus i, which are assumed as 50% of PDG,available and QCap,available.
- Step 14.
- Stop adding to the load demand, ifwhere is the voltage deviation at any bus b.
- Step 15.
- Compute the cost function value as Equation (18).
- Step 16.
- For the next value, repeat steps 12 to 15.
- Step 17.
- Compare the values of the cost function acquired at each and display the best solution value of .
4. Results and Discussion
- Case 1:
- DG–capacitor couple supplying power at a power factor of 0.93 (i.e., at the maximum bound).
- Case 1:
- DG–capacitor couple supplying power at (also termed as ).
- Case 3:
- DG–capacitor couple supplying power to the load at the load power factor ().
- Case 4:
- DG–capacitor couple supplying power at a power factor of 0.8 (i.e., at the minimum bound).
4.1. Optimal DG and Capacitor Unit Allocation for Grid-Integrated 33-Bus and 69-Bus Distribution Networks
4.2. 33-Bus Autonomous Distribution Network
4.3. 69-Bus Autonomous Distribution Network
5. Conclusions and Future Work
Author Contributions
Funding
Data Availability Statement
Acknowledgments
Conflicts of Interest
References
- Gholami, R.; Shahabi, M.; Haghifam, M. An efficient optimal capacitor allocation in DG embedded distribution networks with islanding operation capability of micro-grid using a new genetic based algorithm. Int. J. Electr. Power Energy Syst. 2015, 71, 335–343. [Google Scholar] [CrossRef]
- Wang, M.; Zhong, J. A novel method for distributed generation and capacitor optimal placement considering voltage profiles. In Proceedings of the 2011 IEEE Power and Energy Society General Meeting, Detroit, MI, USA, 24–28 July 2011; pp. 1–6. [Google Scholar]
- Yazdavar, A.H.; Shaaban, M.F.; El-Saadany, E.F.; Salama, M.M.A.; Zeineldin, H.H. Optimal planning of distributed generators and shunt capacitors in isolated microgrids with nonlinear loads. IEEE Trans. Sustain. Energy 2020, 11, 2732–2744. [Google Scholar] [CrossRef]
- Kirthiga, M.V.; Daniel, S.A.; Gurunathan, S. A methodology for transforming an existing distribution network into a sustainable autonomous micro-grid. IEEE Trans. Sustain. Energy 2013, 4, 31–41. [Google Scholar] [CrossRef]
- Anand, M.P.; Ongsakul, W.; Singh, J.G.; Sudhesh, K.M. Optimal allocation and sizing of distributed generators in autonomous microgrids based on LSF and PSO. In Proceedings of the 2015 International Conference on Energy Economics and Environment (ICEEE), Greater Noida, India, 27–28 March 2015; pp. 1–6. [Google Scholar]
- Jamian, J.J.; Mustafa, M.W.; Mokhlis, H.; Baharudin, M.A.; Abdilahi, A.M. Gravitational search algorithm for optimal distributed generation operation in autonomous network. Arab. J. Sci. Eng. 2014, 39, 7183–7188. [Google Scholar] [CrossRef]
- Farag, H.E.Z.; El-Saadany, E.F. Optimum shunt capacitor placement in multimicrogrid systems with consideration of islanded mode of operation. IEEE Trans. Sustain. Energy 2015, 6, 1435–1446. [Google Scholar] [CrossRef]
- Leghari, Z.H.; Kumar, M.; Shaikh, P.H.; Kumar, L.; Tran, Q.T. A Critical Review of Optimization Strategies for Simultaneous Integration of Distributed Generation and Capacitor Banks in Power Distribution Networks. Energies. 2022, 15, 8258. [Google Scholar] [CrossRef]
- Vita, V.; Fotis, G.; Pavlatos, C.; Mladenov, V. A New Restoration Strategy in Microgrids after a Blackout with Priority in Critical Loads. Sustainability 2023, 15, 1974. [Google Scholar] [CrossRef]
- Fotis, G.; Vita, V.; Maris, T.I. Risks in the European Transmission System and a Novel Restoration Strategy for a Power System after a Major Blackout. Appl. Sci. 2023, 13, 83. [Google Scholar] [CrossRef]
- Eid, A. Cost-based analysis and optimization of distributed generations and shunt capacitors incorporated into distribution systems with nonlinear demand modeling. Expert Syst. Appl. 2022, 198, 116844. [Google Scholar] [CrossRef]
- Mouwafi, M.T.; El-sehiemy, R.A.; El-ela, A.A.A. A two-stage method for optimal placement of distributed generation units and capacitors in distribution systems. Appl. Energy 2022, 307, 118188. [Google Scholar] [CrossRef]
- Leghari, Z.H.; Hussain, S.; Memon, A.; Memon, A.H.; Baloch, A.A. Parameter-Free Improved Best-Worst Optimizers and Their Application for Simultaneous Distributed Generation and Shunt Capacitors Allocation in Distribution Networks. Int. Trans. Electr. Energy Syst. 2022, 2022, 1–31. [Google Scholar] [CrossRef]
- Naderipour, A.; Malek, Z.A.; Hajivand, M. Spotted hyena optimizer algorithm for capacitor allocation in radial distribution system with distributed generation and microgrid operation considering different load types. Sci. Rep. 2021, 11, 2728. [Google Scholar] [CrossRef] [PubMed]
- Malik, M.Z.; Kumar, M.; Soomro, A.M.; Baloch, M.; Gul, M.; Farhan, M.; Kaloi, G.S. Strategic planning of renewable distributed generation in radial distribution system using advanced MOPSO method. Energy Rep. 2020, 6, 2872–2886. [Google Scholar] [CrossRef]
- Tolabi, H.B.; Ara, A.L.; Hosseini, R. A new thief and police algorithm and its application in simultaneous reconfiguration with optimal allocation of capacitor and distributed generation units. Energy 2020, 203, 117911. [Google Scholar] [CrossRef]
- Almabsout, E.; El-Sehiemy, R.; An, O.; Bayat, O. A hybrid local search-genetic algorithm for simultaneous placement of DG units and shunt capacitors in radial distribution systems. IEEE Access 2020, 8, 54465–54481. [Google Scholar] [CrossRef]
- Manikanta, G.; Mani, A.; Singh, H.P.; Chaturvedi, D.K. Simultaneous placement and sizing of DG and capacitor to minimize the power losses in radial distribution network. In Soft Computing: Theories and Applications; Springer: Berlin/Heidelberg, Germany, 2019; pp. 605–618. [Google Scholar]
- Sambaiah, K.S.; Jayabarathi, T. Optimal allocation of renewable distributed generation and capacitor banks in distribution systems using salp swarm algorithm. Int. J. Renew. Energy Res. 2019, 9, 96–107. [Google Scholar]
- Lotfi, H.; Elmi, M.B.; Saghravanian, S. Simultaneous placement of capacitor and DG in distribution networks using particle swarm optimization algorithm. Int. J. Smart Electr. Eng. 2018, 7, 35–41. [Google Scholar]
- Mehmood, K.K.; Kim, C.-H.; Khan, S.U.; Haider, Z. Unified Planning of Wind Generators and Switched Capacitor Banks: A Multiagent Clustering-Based Distributed Approach. IEEE Trans. Power Syst. 2018, 33, 6978–6988. [Google Scholar] [CrossRef]
- Dixit, M.; Kundu, P.; Jariwala, H.R. Incorporation of distributed generation and shunt capacitor in radial distribution system for techno-economic benefits. Eng. Sci. Technol. Int. J. 2017, 20, 482–493. [Google Scholar] [CrossRef]
- Biswas, P.P.; Mallipeddi, R.; Suganthan, P.N.; Amaratunga, G.A.J. A multiobjective approach for optimal placement and sizing of distributed generators and capacitors in distribution network. Appl. Soft Comput. J. 2017, 60, 268–280. [Google Scholar] [CrossRef]
- Ghanegaonkar, S.P.; Pande, V.N. Optimal hourly scheduling of distributed generation and capacitors for minimisation of energy loss and reduction in capacitors switching operations. IET Gener. Transm. Distrib. 2017, 11, 2244–2250. [Google Scholar] [CrossRef]
- Mahesh, K.; Nallagownden, P.; Elamvazuthi, I. Optimal placement and sizing of renewable distributed generations and capacitor banks into radial distribution systems. Energies 2017, 10, 1–24. [Google Scholar]
- Muthukumar, K.; Jayalalitha, S. Integrated approach of network reconfiguration with distributed generation and shunt capacitors placement for power loss minimization in radial distribution networks. Appl. Soft Comput. J. 2017, 52, 1262–1284. [Google Scholar]
- Khodabakhshian, A.; Andishgar, M.H. Simultaneous placement and sizing of DGs and shunt capacitors in distribution systems by using IMDE algorithm. Int. J. Electr. Power Energy Syst. 2016, 82, 599–607. [Google Scholar] [CrossRef]
- Jannat, M.B.; Savić, A.S. Optimal capacitor placement in distribution networks regarding uncertainty in active power load and distributed generation units production. IET Gener. Transm. Distrib. 2016, 10, 3060–3067. [Google Scholar] [CrossRef]
- Lalitha, M.P.; Babu, P.S.; Adivesh, B. Optimal distributed generation and capacitor placement for loss minimization and voltage profile improvement using symbiotic organisms search algorithm. Int. J. Electr. Eng. 2016, 9, 249–261. [Google Scholar]
- Rahmani-Andebili, M. Simultaneous placement of DG and capacitor in distribution network. Electr. Power Syst. Res. 2016, 131, 1–10. [Google Scholar] [CrossRef]
- Ghaffarzadeh, N.; Sadeghi, H. A new efficient BBO based method for simultaneous placement of inverter-based DG units and capacitors considering harmonic limits. Int. J. Electr. Power Energy Syst. 2016, 80, 37–45. [Google Scholar] [CrossRef]
- Pereira, B.R.; Martins Da Costa, G.R.M.; Contreras, J.; Mantovani, J.R.S. Optimal distributed generation and reactive power allocation in electrical distribution systems. IEEE Trans. Sustain. Energy 2016, 7, 975–984. [Google Scholar] [CrossRef]
- Kayal, P.; Chanda, C.K. Strategic approach for reinforcement of intermittent renewable energy sources and capacitor bank for sustainable electric power distribution system. Int. J. Electr. Power Energy Syst. 2016, 83, 335–351. [Google Scholar] [CrossRef]
- Khan, N.; Ghoshal, S.; Ghosh, S. Optimal allocation of distributed generation and shunt capacitors for the reduction of total voltage deviation and total line loss in radial distribution systems using binary collective animal behavior optimization algorithm. Electr. Power Compon. Syst. 2015, 43, 119–133. [Google Scholar] [CrossRef]
- Zeinalzadeh, A.; Mohammadi, Y.; Moradi, M.H. Optimal multi objective placement and sizing of multiple DGs and shunt capacitor banks simultaneously considering load uncertainty via MOPSO approach. Int. J. Electr. Power Energy Syst. 2015, 67, 336–349. [Google Scholar] [CrossRef]
- Jain, N.; Singh, S.; Srivastava, S. PSO based placement of multiple wind DGs and capacitors utilizing probabilistic load flow model. Swarm Evol. Comput. 2014, 19, 15–24. [Google Scholar] [CrossRef]
- Mahari, A.; Mahari, A. Optimal DG and capacitor allocation in distribution systems using DICA. J. Eng. Sci. Technol. 2014, 9, 641–656. [Google Scholar]
- Syed, M.S.; Injeti, S. Simultaneous optimal placement of DGs and fixed capacitor banks in radial distribution systems using BSA optimization. Int. J. Comput. Appl. 2014, 108, 28–35. [Google Scholar]
- Hosseinzadehdehkordi, R.; Nasab, M.E.; Hossein, S.; Karimi, M.; Farhadi, P. Optimal sizing and siting of shunt capacitor banks by a new improved differential evolutionary algorithm. Int. Trans. Electr. Energy Syst. 2013, 24, 1089–1102. [Google Scholar] [CrossRef]
- Aman, M.M.; Jasmon, G.B.; Solangi, K.H.; Bakar, A.H.A.; Mokhlis, H. Optimum simultaneous DG and capacitor placement on the basis of minimization of power losses. Int. J. Comput. Electr. Eng. 2013, 5, 516–522. [Google Scholar] [CrossRef]
- Musa, I.; Zahawi, B.; Gadoue, S.M. Integration of induction generator based distributed generation and shunt compensation capacitors in power distribution networks. In Proceedings of the 4th International Conference on Power Engineering, Energy and Electrical Drives, Istanbul, Turkey, 13–17 May 2013; pp. 1105–1109. [Google Scholar]
- Manafi, H.; Ghadimi, N.; Ojaroudi, M.; Farhadi, P. Optimal Placement of Distributed Generations in Radial Distribution Systems Using Various PSO and DE Algorithms. Electron. Electr. Eng. 2013, 19, 53–57. [Google Scholar] [CrossRef]
- Karimi, M.; Shayeghi, H.; Banki, T.; Farhadi, P.; Ghadimi, N. Solving optimal capacitor allocation problem using DE algorithm in practical distribution networks. Prz. Elektrotechniczny 2012, 88, 90–93. [Google Scholar]
- Zou, K.; Agalgaonkar, A.P.; Muttaqi, K.M.; Perera, S. Voltage support by distributed generation units and shunt capacitors in distribution systems. In Proceedings of the 2009 IEEE Power & Energy Society General Meeting, Calgary, AB, Canada, 26–30 July 2009; pp. 1–8. [Google Scholar]
- Zou, K.; Agalgaonkar, A.; Muttaqi, K.; Perera, S. Optimisation of Distributed Generation Units and shunt capacitors for economic operation of distribution systems. In Proceedings of the2008 Australasian Universities Power Engineering Conference, Sydney, NSW, Australia, 14–17 December 2008; pp. 1–7. [Google Scholar]
- Sultana, S.; Roy, P.K. Optimal capacitor placement in radial distribution systems using teaching learning based optimization. Int. J. Electr. Power Energy Syst. 2014, 54, 387–398. [Google Scholar] [CrossRef]
- Rashtchi, V.; Darabian, M.; Molaei, S. A robust technique for optimal placement of distribution generation. In Proceedings of the International Conference on Advanced Computer Science, Information Technology, Electronics Engineering & Communication, Hangzhou, China, 23–25 March 2012; pp. 31–35. [Google Scholar]
- Nekooei, K.; Farsangi, M.M.; Nezamabadi-pour, H.; Lee, K. An improved multi-objective harmony search for optimal placement of DGs in distribution systems. IEEE Trans. Smart Grid 2013, 4, 557–567. [Google Scholar] [CrossRef]
- Nojavan, S.; Jalali, M.; Zare, K. Optimal allocation of capacitors in radial/mesh distribution systems using mixed integer nonlinear programming approach. Electr. Power Syst. Res. 2014, 107, 119–124. [Google Scholar] [CrossRef]
- Singh, H.; Hao, S.A. Papalexopoulos, Transmission congestion management in competitive electricity markets. IEEE Trans. Power Syst. 1998, 13, 672–680. [Google Scholar] [CrossRef]
- Rao, R.V. Jaya: A simple and new optimization algorithm for solving constrained and unconstrained optimization problems. Int. J. Ind. Eng. Comput. 2016, 7, 19–34. [Google Scholar]
- Demircali, A.; Koroglu, S. Jaya algorithm-based energy management system for battery- and ultracapacitor-powered ultralight electric vehicle. Int. J. Energy Res. 2020, 44, 4977–4985. [Google Scholar] [CrossRef]
- Leghari, Z.H.; Hassan, M.; Said, D.; Memon, Z.A.; Hussain, S. An efficient framework for integrating distributed generation and capacitor units for simultaneous grid- connected and islanded network operations. Int. J. Energy Res. 2021, 45, 1–39. [Google Scholar] [CrossRef]
- Jumani, T.A.; Mustafa, M.W.; Hussain, Z.; Rasid, M.M.; Saeed, M.S.; Memon, M.M.; Khan, K.S. Nisar, Jaya optimization algorithm for transient response and stability enhancement of a fractional-order PID based automatic voltage regulator system. Alexandria Eng. J. 2020, 59, 2429–2440. [Google Scholar] [CrossRef]
- Abhishek, K.; Kumar, V.R.; Datta, S.; Mahapatra, S. Application of Jaya algorithm for the optimization of machining performance characteristics during the turning of CFRP (epoxy) composites: Comparison with TLBO, GA, and ICA. Eng. Comput. 2017, 33, 457–475. [Google Scholar] [CrossRef]
- Du, D.C.; Vinh, H.H.; Trung, V.D.; Hong Quyen, N.T.; Trung, N.T. Efficiency of Jaya algorithm for solving the optimization-based structural damage identification problem based on a hybrid objective function. Eng. Optim. 2018, 50, 1233–1251. [Google Scholar] [CrossRef]
- Rao, R.; Saroj, A. Economic optimization of shell-and-tube heat exchanger using Jaya algorithm with maintenance consideration. Appl. Therm. Eng. 2017, 116, 473–487. [Google Scholar] [CrossRef]
- Jin, R.V.; Wang, L.; Huang, C.; Jiang, S. Wind turbine generation performance monitoring with Jaya algorithm. Int. J. Energy Res. 2019, 43, 1604–1611. [Google Scholar] [CrossRef]
- Aman, M.M.; Jasmon, G.B.; Bakar, A.H.A.; Mokhlis, H. Optimum network reconfiguration based on maximization of system loadability using continuation power flow theorem. Int. J. Electr. Power Energy Syst. 2014, 54, 123–133. [Google Scholar] [CrossRef]













| Parameters | 33-Bus Test System | 69-Bus Test System |
|---|---|---|
| DG size in MW (bus location) | 2.54 (bus 6) | 1.8285 (bus 61) |
| Capacitor size in MVAR (bus location) | 1.26 (bus 30) | 1.3 (bus 61) |
| Power losses before DG and capacitor integration, MW | 211 | 225 |
| Power losses after DG and capacitor integration, MW | 58.452 | 23.171 |
| Minimum bus voltage (p.u.) before DG and capacitor integration, @ bus | 0.9038 (bus 18) | 0.9092 (bus 65) |
| Minimum bus voltage (p.u.) after DG and capacitor integration, @ bus | 0.9538 (bus 18) | 0.9725 (bus 27) |
| Available power generation from DG and capacitor in MVA | 2.835 | 2.244 |
| Distribution networks’ total load demand in MVA | 4.369 | 4.660 |
| Available generation from distributed power units (percentage of network load) | 64.90% | 48.15% |
| Quantity | Case 1 | Case 2 | Case 3 | Case 4 |
|---|---|---|---|---|
| Total power collectively produced by DG and capacitor in MVA | 2.731 | 2.835 | 2.392 | 2.100 |
| Load’s total power consumption in MVA | 2.677 | 2.782 | 2.352 | 2.067 |
| Operating power factor of the DG–capacitor combination | 0.93 | 0.896 (pfsource) | 0.85 (pfload) | 0.8 |
| Real power loss in MW | 0.047 | 0.045 | 0.034 | 0.028 |
| Operating efficiency of the islanded distribution network | 98.02% | 98.13% | 98.33% | 98.43% |
| Total power produced by DG and capacitor units (percentage of network load) | 62.30% | 64.89% | 54.75% | 48.07% |
| The load portion supplied with accessible power generation (percentage of network load) | 61.27% | 63.68% | 53.83% | 47.31% |
| Under-utilization of mounted distributed generation capacity (percentage of network load) | 2.59% | 0.0% | 10.14% | 16.82% |
| Under-utilization of mounted distributed generation capacity (percentage of available power generation) | 3.99% | 0.0% | 15.63% | 25.93% |
| Minimum voltage in p.u. (@ bus) | 0.975 (bus 18) | 0.974 (bus 18) | 0.979 (bus 18) | 0.981 (bus 18) |
| Quantity | Case 1 | Case 2 | Case 3 | Case 4 |
|---|---|---|---|---|
| Total power collectively produced by DG and capacitor in MVA | 1.966 | 2.244 | 2.237 | 2.167 |
| Load’s total power consumption in MVA | 1.923 | 2.190 | 2.182 | 2.117 |
| Operating power factor of the DG–capacitor combination | 0.93 | 0.815 (pfsource) | 0.816 (pfload) | 0.8 |
| Real power loss in MW | 0.0409 | 0.0532 | 0.0531 | 0.0496 |
| Operating efficiency of the islanded distribution network | 97.81% | 97.59% | 97.59% | 97.69% |
| Total power produced by DG and capacitor units (percentage of network load) | 42.19% | 48.15% | 48.09% | 46.50% |
| The load portion supplied with accessible power generation (percentage of network load) | 41.27% | 47.00% | 46.93% | 45.43% |
| Under-utilization of mounted distributed generation capacity (percentage of network load) | 5.88% | 0.00% | 0.06% | 1.65% |
| Under-utilization of mounted distributed generation capacity (percentage of available power generation) | 12.23% | 0.00% | 0.13% | 3.43% |
| Minimum voltage in p.u. (@ bus) | 0.958 | 0.954 | 0.954 | 0.956 |
| (buses 17–27) | (buses 19–27) | (buses 20–27) | (buses 19–27) |
Disclaimer/Publisher’s Note: The statements, opinions and data contained in all publications are solely those of the individual author(s) and contributor(s) and not of MDPI and/or the editor(s). MDPI and/or the editor(s) disclaim responsibility for any injury to people or property resulting from any ideas, methods, instructions or products referred to in the content. |
© 2023 by the authors. Licensee MDPI, Basel, Switzerland. This article is an open access article distributed under the terms and conditions of the Creative Commons Attribution (CC BY) license (https://creativecommons.org/licenses/by/4.0/).
Share and Cite
Leghari, Z.H.; Hassan, M.Y.; Said, D.M.; Kumar, L.; Kumar, M.; Tran, Q.T.; Sanseverino, E.R. Effective Utilization of Distributed Power Sources under Power Mismatch Conditions in Islanded Distribution Networks. Energies 2023, 16, 2659. https://doi.org/10.3390/en16062659
Leghari ZH, Hassan MY, Said DM, Kumar L, Kumar M, Tran QT, Sanseverino ER. Effective Utilization of Distributed Power Sources under Power Mismatch Conditions in Islanded Distribution Networks. Energies. 2023; 16(6):2659. https://doi.org/10.3390/en16062659
Chicago/Turabian StyleLeghari, Zohaib Hussain, Mohammad Yusri Hassan, Dalila Mat Said, Laveet Kumar, Mahesh Kumar, Quynh T. Tran, and Eleonora Riva Sanseverino. 2023. "Effective Utilization of Distributed Power Sources under Power Mismatch Conditions in Islanded Distribution Networks" Energies 16, no. 6: 2659. https://doi.org/10.3390/en16062659
APA StyleLeghari, Z. H., Hassan, M. Y., Said, D. M., Kumar, L., Kumar, M., Tran, Q. T., & Sanseverino, E. R. (2023). Effective Utilization of Distributed Power Sources under Power Mismatch Conditions in Islanded Distribution Networks. Energies, 16(6), 2659. https://doi.org/10.3390/en16062659

