A Comprehensive Review of the Bidirectional Converter Topologies for the Vehicle-to-Grid System
Abstract
1. Introduction
- When the system incorporates DC sources such as PVs, DC loads such as EVs, and energy storage devices, the system experiences lower energy conversion losses.
- A decrease in both the price and the quantity of power electronics equipment.
- There is no requirement to think about synchronizing with the utility grid or managing reactive electricity.
2. Power Converters for EV Applications
2.1. Semiconductor Device Level
2.2. Full-Bridge Bidirectional Converter and Reversible DC-DC Converter
2.2.1. Eight-Switch Topology
2.2.2. Three-Level Topology
2.2.3. Single-Stage Topology
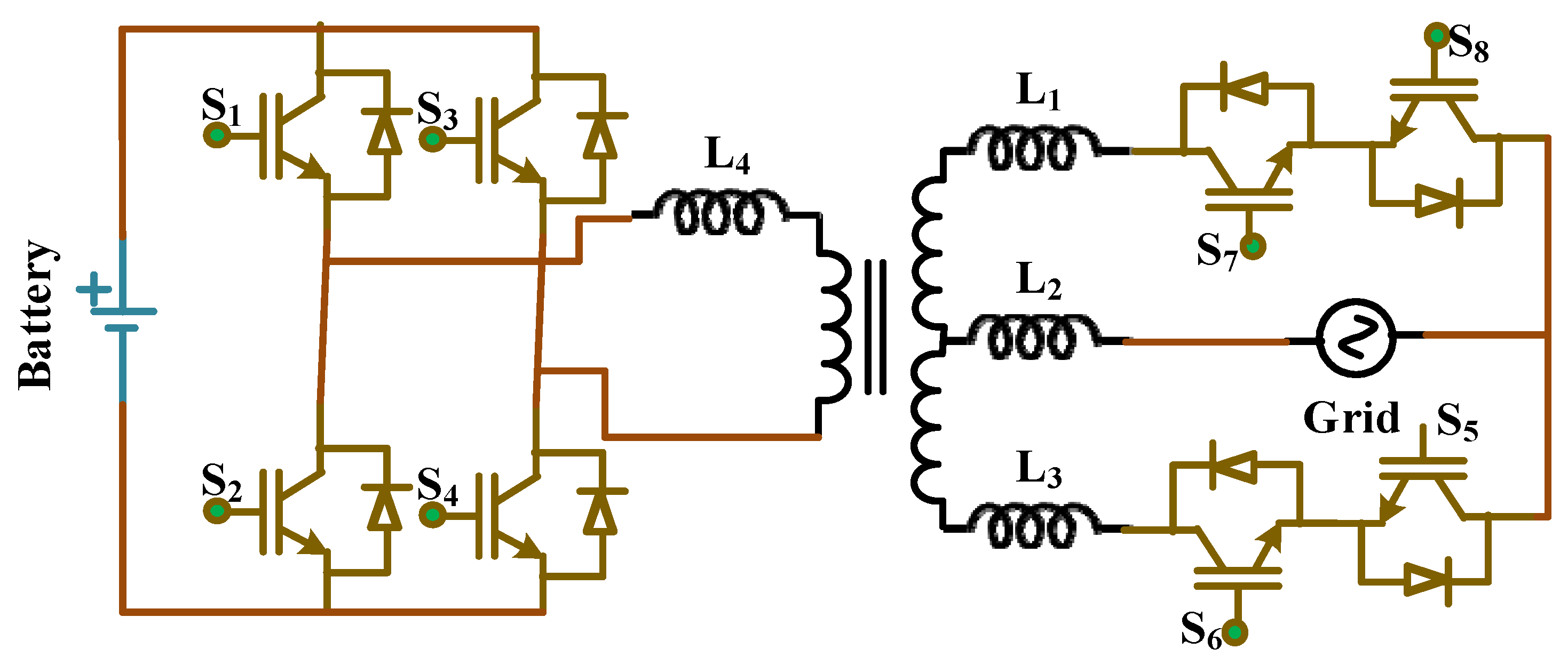
2.2.4. Topology Based on Matrix Converter
2.2.5. Recent Trends
2.3. Bidirectional DC-DC Converter
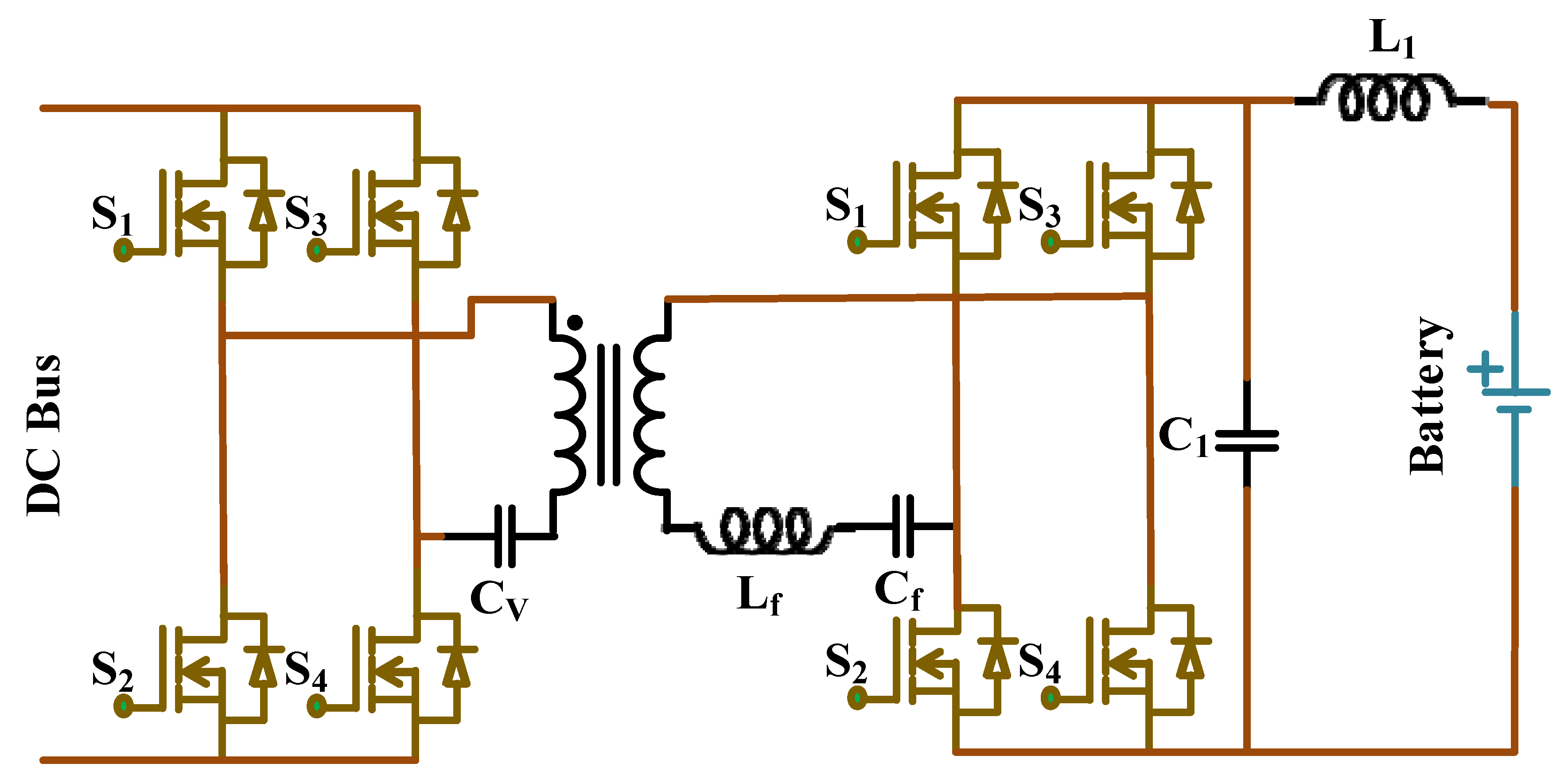
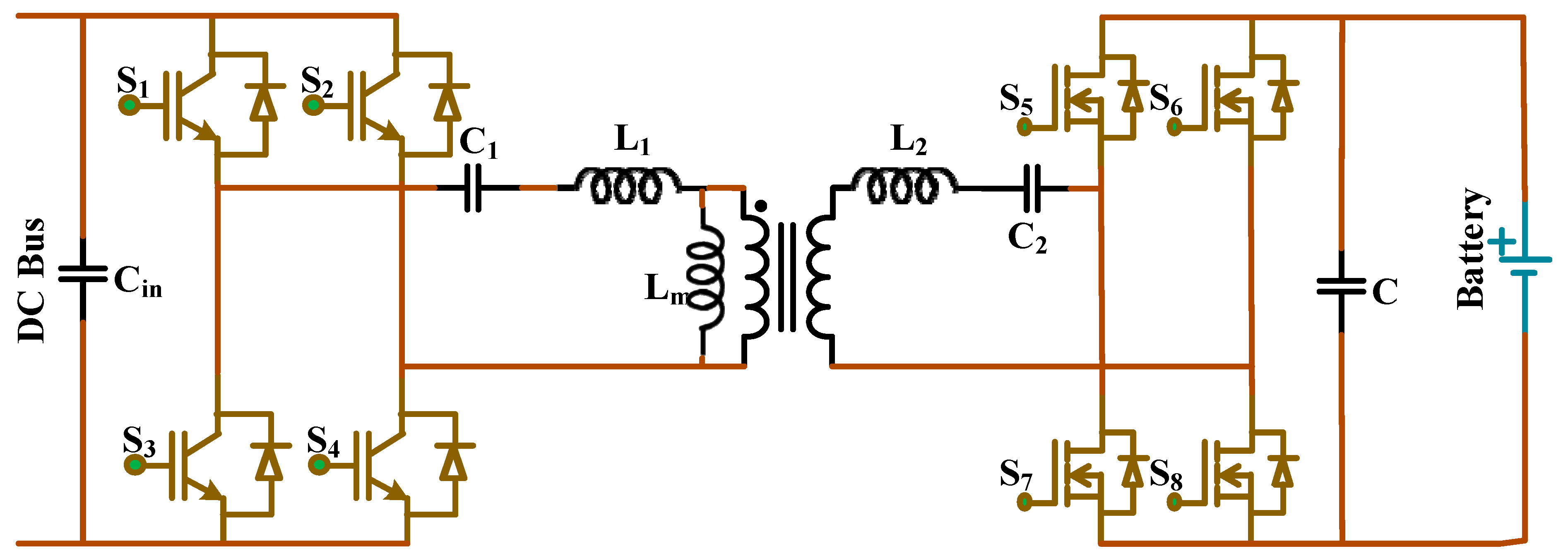
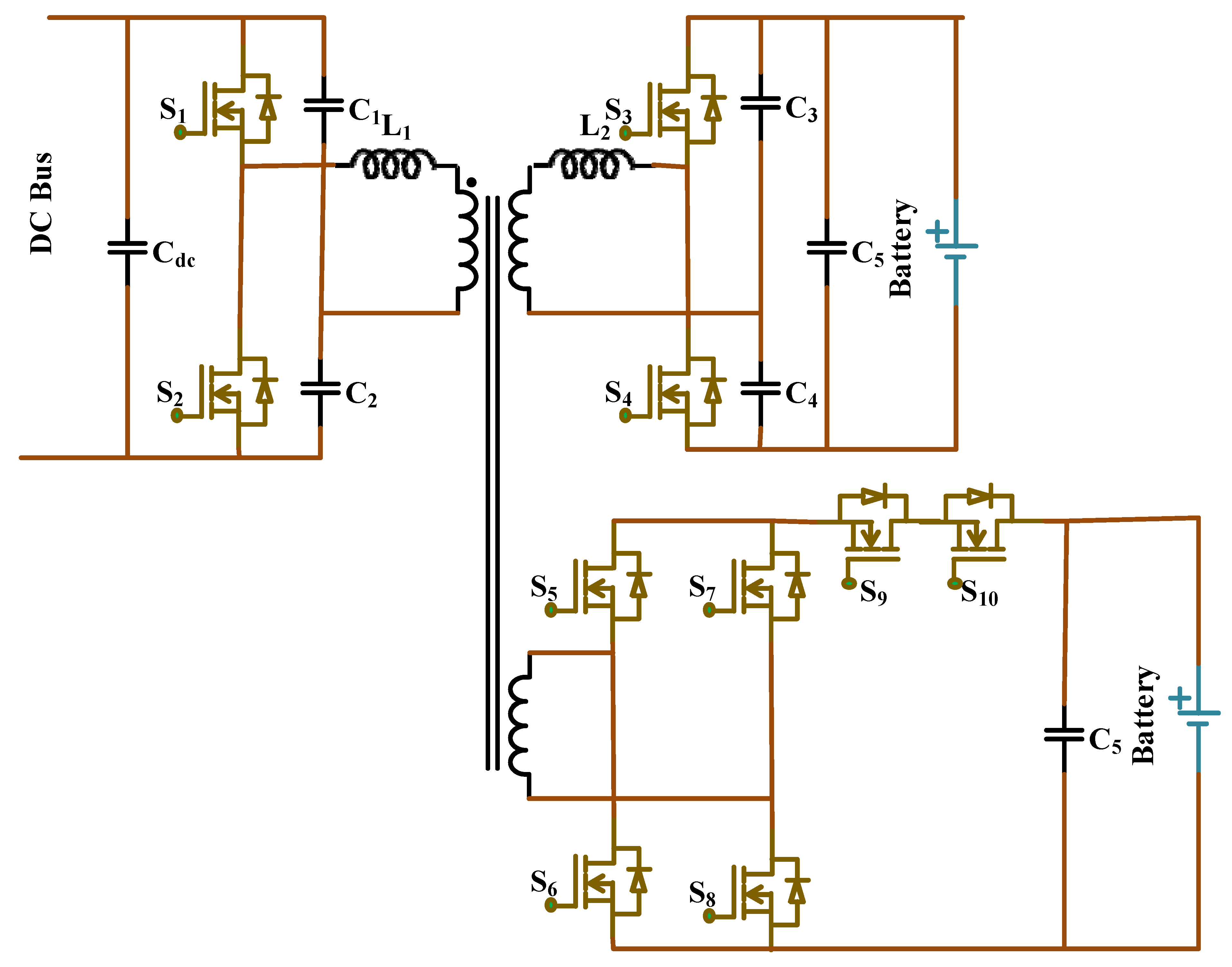
2.3.1. Isolated Topologies
2.3.2. Non-Isolated Type Topologies
2.3.3. Resonant Topologies
2.3.4. Current Trends
2.3.5. Comparison of Different Types of BDC
3. Conductive and Inductive Charger/Discharger
4. Comparison of Different Charging/Discharging Systems
5. Energy Management in EV
6. Recent Trends
7. Inferences from the Review
8. Conclusions
Author Contributions
Funding
Data Availability Statement
Acknowledgments
Conflicts of Interest
Nomenclature
| V2G | Vehicle–grid |
| EV | Electric vehicle |
| G2V | Grid–vehicle |
| DC | Direct current |
| AC | Alternate current |
| ICE | Internal composition engine |
| PHEV | Plug-in hybrid electric vehicle |
| IC | Internal composition |
| RES | Renewable energy sources |
| THD | Total harmonic distortion |
| PV | Photo voltaic |
| SiC | Silicon carbide |
| BADC | Bidirectional AC-DC Converter |
| V2H | vehicle-home |
| FB | Full bridge |
| PRC | Proportional resonant controller |
| PSO | Particle swarm optimization |
| FOC | Field-oriented control |
| PFC | Power factor correction |
| ZVS | Zero-voltage switching |
| SPWM | Sinusoidal pulse width modulation |
| PWM | Pulse width modulation |
| PLL | Phase-locked loop |
| VA | Voltage ampere |
| EMI | Electromagnetic interference |
| DAB | Dual active bridge |
| BDC | Bidirectional DC-DC converters |
| ZCS | Zero current switching |
| HV | High voltage |
| LV | Low voltage |
| MOSFET | Metal oxide semiconductor field effect transistor |
| IPT | Inductive power transfer |
References
- Kempton, W.; Tomić, J. Vehicle-to-grid power implementation: From stabilizing the grid to supporting large-scale renewable energy. J. Power Sources 2005, 144, 280–294. [Google Scholar] [CrossRef]
- Global EV Outlook. International Energy Agency (IEA). 2017. Available online: https://www.iea.org/publications/freepublications/publication/GlobalEVOutlook2017 (accessed on 15 December 2022).
- Kempton, W.; Letendre, S.E. Electric vehicles as a new power source for electric utilities. Transp. Res. Part D Transp. Environ. 1997, 2, 157–175. [Google Scholar] [CrossRef]
- Kempton, W.; Tomic, J.; Letendre, S.; Brooks, A.; Lipman, T. Vehicle-to-Grid Power: Battery, Hybrid and Fuel Cell Vehicles as Resources for Distributed Electric Power in California; Report # IUCD-ITS-RR 01-03; Institute of Transportation Studies: Davis, CA, USA, 2005. [Google Scholar]
- Tomić, J.; Kempton, W. Using fleets of electric-drive vehicles for grid support. J. Power Sources 2007, 168, 459–468. [Google Scholar] [CrossRef]
- Shanmugam, Y.; Vishnuram, P.; Savio, D.; Bajaj, M.; Yadav, A.; Nauman, D.; Khurshaid, T.; Kamel, S. Solar-Powered Five-Leg Inverter-Driven Quasi-Dynamic Charging for A Slow-Moving Vehicle. Front. Energy Res. 2023, 11, 185. [Google Scholar] [CrossRef]
- Rahman, M.; Rafi, F.; Hossain, M.; Lo, J. Power control and monitoring of smart grid with EVs. In Vehicle-to-Grid: Linking Electric Vehicles to the Smart Grid; Lu, J., Hossain, J., Eds.; Asia Pacific, IET Press: Stevenage, UK, 2015; pp. 107–155. [Google Scholar]
- Kempton, W.; Tomić, J. Vehicle-to-grid power fundamentals: Calculating capacity and net revenue. J. Power Sources 2005, 144, 268–279. [Google Scholar] [CrossRef]
- Madawala, U.K.; Thrimawithana, D.J. A Bidirectional Inductive Power Interface for Electric Vehicles in V2G Systems. IEEE Trans. Ind. Electron. 2011, 58, 4789–4796. [Google Scholar] [CrossRef]
- Castillo-Calzadilla, T.; Cuesta, M.; Quesada, C.; Olivares-Rodriguez, C.; Macarulla, A.; Legarda, J.; Borges, C. Is a massive deployment of renewable-based low voltage direct current microgrids feasible? Converters, protections, controllers, and social approach. Energy Rep. 2022, 8, 12302–12326. [Google Scholar] [CrossRef]
- Weearsinghe, S.; Thrimawithana, D.J.; Madawala, U.K. Modeling Bidirectional Contactless Grid Interfaces with a Soft DC-Link. IEEE Trans. Power Electron. 2014, 30, 3528–3541. [Google Scholar] [CrossRef]
- Han, H.; Liu, Y.; Sun, Y.; Wang, H.; Su, M. A Single-Phase Current-Source Bidirectional Converter for V2G Applications. J. Power Electron. 2014, 14, 458–467. [Google Scholar] [CrossRef]
- Rahulkumar, J.; Narayanamoorthi., R.; Vishnuram, P.; Bajaj, M.; Blazek, V.; Prokop, L.; Misak, S. An Empirical Survey on Wireless Inductive Power Pad and Resonant Magnetic Field Coupling for In-Motion EV Charging System. IEEE Access 2023, 11, 4660–4693. [Google Scholar] [CrossRef]
- Pinto, J.G.; Monteiro, V.; Goncalves, H.; Exposto, B.; Pedrosa, D.; Couto, C.; Afonso, J.L. Bidirectional battery charger with Grid-to-Vehicle, Vehicle-to-Grid and Vehicle-to-Home technologies. In Proceedings of the IECON 2013—39th Annual Conference of the IEEE Industrial Electronics Society, Vienna, Austria, 10–13 November 2013; pp. 5934–5939. [Google Scholar] [CrossRef]
- Pinto, J.G.; Monteiro, V.; Gonçalves, H.; Afonso, J.L. On-board reconfigurable battery charger for electric vehicles with trac-tion-to-auxiliary mode. IEEE Trans. Veh. Technol. 2014, 63, 1104–1116. [Google Scholar] [CrossRef]
- Verma, A.K.; Singh, B.; Shahani, D. Grid to vehicle and vehicle to grid energy transfer using single-phase bidirectional AC-DC converter and bidirectional DC-DC converter. In Proceedings of the 2011 International Conference on Energy, Automation and Signal, Bhubaneswar, India, 28–30 December 2011; pp. 1–5. [Google Scholar] [CrossRef]
- Pahlevani, M.; Jain, P. A Fast DC-Bus Voltage Controller for Bidirectional Single-Phase AC/DC Converters. IEEE Trans. Power Electron. 2015, 30, 4536–4547. [Google Scholar] [CrossRef]
- Hegazy, O.; Van Mierlo, J.; Lataire, P. Control and Analysis of an Integrated Bidirectional DC/AC and DC/DC Converters for Plug-In Hybrid Electric Vehicle Applications. J. Power Electron. 2011, 11, 408–417. [Google Scholar] [CrossRef]
- Erb, D.C.; Onar, O.C.; Khaligh, A. An integrated bi-directional power electronic converter with multi-level AC-DC/DC-AC converter and non-inverted buck-boost converter for PHEVs with minimal grid level disruptions. In Proceedings of the 2010 IEEE Vehicle Power and Propulsion Conference, Lille, France, 1–3 September 2010; pp. 1–6. [Google Scholar] [CrossRef]
- Onar, O.C.; Kobayashi, J.; Erb, D.C.; Khaligh, A. A Bidirectional High-Power-Quality Grid Interface with a Novel Bidirectional Noninverted Buck–Boost Converter for PHEVs. IEEE Trans. Veh. Technol. 2012, 61, 2018–2032. [Google Scholar] [CrossRef]
- Zhu, L.; Wu, H.; Mu, T.; Yang, F.; Ma, X. An asymmetrical three-level dual-input bidirectional DC/AC converter with improved conversion efficiency for vehicle-to-grid application. In Proceedings of the 2017 IEEE Applied Power Electronics Conference and Exposition (APEC), Tampa, FL, USA, 26–30 March 2017; pp. 2062–2067. [Google Scholar] [CrossRef]
- Jauch, F.; Biela, J. Single-phase single-stage bidirectional isolated ZVS AC-DC converter with PFC. In Proceedings of the 2012 15th International Power Electronics and Motion Control Conference (EPE/PEMC), Novi Sad, Serbia, 4–6 September 2012; pp. LS5d.1-1–LS5d.1-8. [Google Scholar] [CrossRef]
- Vaishnav, S.N.; Krishnaswami, H. Single-stage isolated bi-directional converter topology using high frequency AC link for charging and V2G applications of PHEV. In Proceedings of the 2011 IEEE Vehicle Power and Propulsion Conference, Chicago, IL, USA, 6–9 September 2011; pp. 1–4. [Google Scholar] [CrossRef]
- Pal, A.; Basu, K. A bidirectional snubber less soft-switched high frequency link DC/AC converter. In Proceedings of the 2016 7th India International Conference on Power Electronics (IICPE), Patiala, India, 17–19 November 2016; pp. 1–8. [Google Scholar] [CrossRef]
- Su, M.; Wang, H.; Sun, Y.; Yang, J.; Xiong, W.; Liu, Y. AC/DC Matrix Converter with an Optimized Modulation Strategy for V2G Applications. IEEE Trans. Power Electron. 2013, 28, 5736–5745. [Google Scholar] [CrossRef]
- Sandoval, J.J.; Essakiappan, S.; Enjeti, P. A bidirectional series resonant matrix converter topology for electric vehicle DC fast charging. In Proceedings of the 2015 IEEE Applied Power Electronics Conference and Exposition (APEC), Charlotte, NC, USA, 15–19 March 2015; pp. 3109–3116. [Google Scholar] [CrossRef]
- Varajão, D.; Araújo, R.E.; Miranda, L.M.; Lopes, J.P.; Weise, N.D. Control of an isolated single-phase bidirectional AC-DC matrix converter for V2G applications. Electr. Power Syst. Res. 2017, 149, 19–29. [Google Scholar] [CrossRef]
- Thrimawithana, D.J.; Madawala, U.K.; Twiname, R.; Vilathgamuwa, D.M. A novel matrix converter based resonant dual active bridge for V2G applications. In Proceedings of the 2012 10th International Power & Energy Conference (IPEC), Ho Chi Minh City, Vietnam, 12–14 December 2012; pp. 503–508. [Google Scholar] [CrossRef]
- Choi, W.; Han, D.; Morris, C.T.; Sarlioglu, B. Achieving high efficiency using SiC MOSFETs and reduced output filter for grid-connected V2G inverter. In Proceedings of the IECON 2015—41st Annual Conference of the IEEE Industrial Electronics Society, Yokohama, Japan, 9–12 November 2015; pp. 003052–003057. [Google Scholar] [CrossRef]
- Xue, L.; Shen, Z.; Boroyevich, D.; Mattavelli, P.; Diaz, D. Dual Active Bridge-Based Battery Charger for Plug-in Hybrid Electric Vehicle with Charging Current Containing Low Frequency Ripple. IEEE Trans. Power Electron. 2015, 30, 7299–7307. [Google Scholar] [CrossRef]
- Wang, X.; Jiang, C.; Lei, B.; Teng, H.; Bai, H.K.; Kirtley, J.L. Power-Loss Analysis and Efficiency Maximization of a Silicon-Carbide MOSFET-Based Three-Phase 10-kW Bidirectional EV Charger Using Variable-DC-Bus Control. IEEE J. Emerg. Sel. Top. Power Electron. 2016, 4, 880–892. [Google Scholar] [CrossRef]
- Tang, Y.; Lu, J.; Wu, B.; Zou, S.; Ding, W.; Khaligh, A. An Integrated Dual-Output Isolated Converter for Plug-in Electric Vehicles. IEEE Trans. Veh. Technol. 2018, 67, 966–976. [Google Scholar] [CrossRef]
- Jain, M. Bi-Directional DC-DC Converter for Low Power Applications. Master’s Thesis, Department of Electrical and Computer Engineering, Concordia University, Montreal, QC, Canada, 1998. [Google Scholar]
- Zhao, B.; Song, Q.; Liu, W.; Sun, Y. Overview of Dual-Active-Bridge Isolated Bidirectional DC–DC Converter for High-Frequency-Link Power-Conversion System. IEEE Trans. Power Electron. 2014, 29, 4091–4106. [Google Scholar] [CrossRef]
- Du, Y.; Lukic, S.; Jacobson, B.; Huang, A. Review of high power isolated bi-directional DC-DC converters for PHEV/EV DC charging infrastructure. In Proceedings of the 2011 IEEE Energy Conversion Congress and Exposition, Phoenix, AZ, USA, 17–22 September 2011; pp. 553–560. [Google Scholar]
- Xuewei, P.; Rathore, A.K. Novel Bidirectional Snubberless Naturally Commutated Soft-Switching Current-Fed Full-Bridge Isolated DC/DC Converter for Fuel Cell Vehicles. IEEE Trans. Ind. Electron. 2014, 61, 2307–2315. [Google Scholar] [CrossRef]
- Zahid, Z.U.; Dalala, Z.M.; Chen, R.; Chen, B.; Lai, J.-S. Design of Bidirectional DC–DC Resonant Converter for Vehicle-to-Grid (V2G) Applications. IEEE Trans. Transp. Electrif. 2015, 1, 232–244. [Google Scholar] [CrossRef]
- Xu, B.; Wang, H.; Sun, H.; Wang, Y. Design of a bidirectional power converter for charging pile based on V2G. In Proceedings of the 2017 IEEE International Conference on Industrial Technology (ICIT), Toronto, ON, Canada, 22–25 March 2017; pp. 527–531. [Google Scholar] [CrossRef]
- Olivares-Rodríguez, C.; Castillo-Calzadilla, T.; Kamara-Esteban, O. Bio-inspired Approximation to MPPT Under Real Irradiation Conditions. In Intelligent Distributed Computing XII; Springer: Cham, Switzerland, 2018; Volume 798, pp. 107–118. [Google Scholar] [CrossRef]
- Shanmugam, Y.; Narayanamoorthi, R.; Vishnuram, P.; Bajaj, M.; AboRas, K.M.; Thakur, P.; Kitmo, A. Systematic Review of Dynamic Wireless Charging System for Electric Transportation. IEEE Access 2022, 10, 133617–133642. [Google Scholar] [CrossRef]
- Shi, Y.; Li, R.; Xue, Y.; Li, H. Optimized Operation of Current-Fed Dual Active Bridge DC–DC Converter for PV Applications. IEEE Trans. Ind. Electron. 2015, 62, 6986–6995. [Google Scholar] [CrossRef]
- Rathore, A.; Prasanna, U. Analysis, design, and experimental results of novel snubberless bidirectional naturally clamped ZCS/ZVS current fed half-bridge DC/DC converter for fuel cell vehicles. IEEE Trans. Ind. Electron. 2013, 60, 4482–4491. [Google Scholar] [CrossRef]
- Khan, M.A.; Husain, I.; Sozer, Y. A Bidirectional DC–DC Converter with Overlapping Input and Output Voltage Ranges and Vehicle to Grid Energy Transfer Capability. IEEE J. Emerg. Sel. Top. Power Electron. 2014, 2, 507–516. [Google Scholar] [CrossRef]
- Restrepo, M.; Morris, J.; Kazerani, M.; Canizares, C.A. Modeling and Testing of a Bidirectional Smart Charger for Distribution System EV Integration. IEEE Trans. Smart Grid 2018, 9, 152–162. [Google Scholar] [CrossRef]
- Sun, Y.; Liu, W.; Su, M.; Li, X.; Wang, H.; Yang, J. A unified modeling and control of a multi-functional current source-typed converter for V2G application. Electr. Power Syst. Res. 2014, 106, 12–20. [Google Scholar] [CrossRef]
- Peng, T.; Yang, P.; Dan, H.; Wang, H.; Han, H.; Yang, J.; Wang, H.; Dong, H.; Wheeler, P. A Single-Phase Bidirectional AC/DC Converter for V2G Applications. Energies 2017, 10, 881. [Google Scholar] [CrossRef]
- Yang, P.; Peng, T.; Wang, H.; Han, H.; Yang, J.; Wang, H. A single-phase current source bidirectional converter for V2G appli-cation. In Proceedings of the 2017 IEEE 3rd International Future Energy Electronics Conference and ECCE Asia (IFEEC 2017–ECCE Asia), Kaohsiung, Taiwan, 3–7 June 2017; pp. 704–709. [Google Scholar]
- Kang, T.; Kim, C.; Suh, Y.; Park, H.; Kang, B.; Kim, D. A design and control of bi-directional non-isolated DC-DC converter for rapid electric vehicle charging system. In Proceedings of the 2012 Twenty-Seventh Annual IEEE Applied Power Electronics Conference and Exposition (APEC), Orlando, FL, USA, 5–9 February 2012; pp. 14–21. [Google Scholar] [CrossRef]
- Ibanez, F.M.; Echeverria, J.M.; Vadillo, J.; Fontan, L. A Step-Up Bidirectional Series Resonant DC/DC Converter Using a Continuous Current Mode. IEEE Trans. Power Electron. 2015, 30, 1393–1402. [Google Scholar] [CrossRef]
- Lee, B.-K.; Kim, J.-P.; Kim, S.-G.; Lee, J.-Y. An Isolated/Bidirectional PWM Resonant Converter for V2G(H) EV On-Board Charger. IEEE Trans. Veh. Technol. 2017, 66, 7741–7750. [Google Scholar] [CrossRef]
- Twiname, R.P.; Thrimawithana, D.J.; Madawala, U.K.; Baguley, C.A. A New Resonant Bidirectional DC–DC Converter Topology. IEEE Trans. Power Electron. 2014, 29, 4733–4740. [Google Scholar] [CrossRef]
- Zou, S.; Lu, J.; Mallik, A.; Khaligh, A. Bi-Directional CLLC Converter with Synchronous Rectification for Plug-In Electric Vehicles. IEEE Trans. Ind. Appl. 2018, 54, 998–1005. [Google Scholar] [CrossRef]
- Kwon, M.; Choi, S. An Electrolytic Capacitorless Bidirectional EV Charger for V2G and V2H Applications. IEEE Trans. Power Electron. 2017, 32, 6792–6799. [Google Scholar] [CrossRef]
- Yilmaz, M.; Krein, P.T. Review of Battery Charger Topologies, Charging Power Levels, and Infrastructure for Plug-In Electric and Hybrid Vehicles. IEEE Trans. Power Electron. 2013, 28, 2151–2169. [Google Scholar] [CrossRef]
- Haghbin, S.; Lundmark, S.; Alakula, M.; Carlson, O. Grid-Connected Integrated Battery Chargers in Vehicle Applications: Review and New Solution. IEEE Trans. Ind. Electron. 2013, 60, 459–473. [Google Scholar] [CrossRef]
- Khan, M.A.; Husain, I.; Sozer, Y. Integrated Electric Motor Drive and Power Electronics for Bidirectional Power Flow Between the Electric Vehicle and DC or AC Grid. IEEE Trans. Power Electron. 2013, 28, 5774–5783. [Google Scholar] [CrossRef]
- Zhang, F.; Wang, X.; Liao, Q.; Auth, C.G. Highly integrated bidirectional vehicle-to-grid (V2G) for electric vehicles based on open winding permanent magnet synchronous motor. In Proceedings of the 2017 20th International Conference on Electrical Machines and Systems (ICEMS), Sydney, NSW, Australia, 11–14 August 2017; pp. 1–4. [Google Scholar] [CrossRef]
- Leonori, S.; Baldini, L.; Rizzi, A.; Mascioli, F.M.F. A Physically Inspired Equivalent Neural Network Circuit Model for SoC Estimation of Electrochemical Cells. Energies 2021, 14, 7386. [Google Scholar] [CrossRef]
- Pa, L.; Zhang, C. An integrated multifunctional bidirectional AC/DC and DC/DC converter for electric vehicles applications. Energies 2016, 9, 493. [Google Scholar]
- Subotic, I.; Bodo, N.; Levi, E.; Jones, M. On-board integrated battery charger for EVs using an asymmetrical nine-phase machine. IEEE Trans. Ind. Electron. 2015, 62, 3285–3295. [Google Scholar] [CrossRef]
- Castillo-Calzadilla, T.; Alonso-Vicario, A.; Borges, C.E.; Martin, C. E-Mobility in Positive Energy Districts. Buildings 2022, 12, 264. [Google Scholar] [CrossRef]
- Hu, K.-W.; Yi, P.-H.; Liaw, C.-M. An EV SRM Drive Powered by Battery/Supercapacitor with G2V and V2H/V2G Capabilities. IEEE Trans. Ind. Electron. 2015, 62, 4714–4727. [Google Scholar] [CrossRef]
- Ebrahimi, S.; Taghavi, M.; Tahami, F.; Oraee, H.; Tagliavi, M. A single-phase integrated bidirectional plug-in hybrid electric vehicle battery charger. In Proceedings of the IECON 2014—40th Annual Conference of the IEEE Industrial Electronics Society, Dallas, TX, USA, 29 October–1 November 2014; pp. 1137–1142. [Google Scholar] [CrossRef]
- Ebrahimi, S.; Taghavi, M.; Tahami, F.; Oraee, H. Integrated bidirectional isolated soft-switched battery charger for vehicle-to-grid technology using 4-Switch 3Φ- rectifier. In Proceedings of the IECON 2013—39th Annual Conference of the IEEE Industrial Electronics Society, Vienna, Austria, 10–13 November 2013; pp. 906–911. [Google Scholar]
- Ebrahimi, S.; Akbari, R.; Tahami, F.; Oraee, H. An Isolated Bidirectional Integrated Plug-in Hybrid Electric Vehicle Battery Charger with Resonant Converters. Electr. Power Compon. Syst. 2016, 44, 1371–1383. [Google Scholar] [CrossRef]
- Miskiewicz, R.; Moradewicz, A. Contact-less power interface for plug-in electric vehicles in V2G systems. Bull. Pol. Acad. Sci. Tech. Sci. 2011, 59, 561–568. [Google Scholar]
- Miller, J.M.; Daga, A. Elements of Wireless Power Transfer Essential to High Power Charging of Heavy Duty Vehicles. IEEE Trans. Transp. Electrif. 2015, 1, 26–39. [Google Scholar] [CrossRef]
- Madawala, U.; Thrimawithana, D. New technique for inductive power transfer using a single controller. IET Power Electron. 2012, 5, 248–256. [Google Scholar] [CrossRef]
- Vishnuram, P.; Alagarsamy, S.; Krishnasamy, V.; Bajaj, M.; Khurshaid, T.; Nauman, D.; Kamel, S. A comprehensive review on EV power converter topologies charger types infrastructure and communication techniques. Front. Energy Res. 2023, 11, 1103093. [Google Scholar] [CrossRef]
- Moghaddami, M.; Sarwat, A. A Three-Phase AC-AC Matrix Converter with Simplified Bidirectional Power Control for Inductive Power Transfer Systems. In Proceedings of the 2018 IEEE Transportation Electrification Conference and Expo (ITEC), Long Beach, CA, USA, 13–15 June 2018; pp. 380–384. [Google Scholar] [CrossRef]
- Moghaddami, M.; Sundararajan, A.; Sarwat, A.I. A self-tuning variable frequency control for multi-level contactless Electric Vehicle charger. In Proceedings of the 2016 IEEE International Conference on Power Electronics, Drives and Energy Systems (PEDES), Trivandrum, India, 14–17 December 2016; pp. 1–5. [Google Scholar] [CrossRef]
- Moghaddami, M.; Sarwat, A. Self-Tuning Variable Frequency Controller for Inductive Electric Vehicle Charging with Multiple Power Levels. IEEE Trans. Transp. Electrif. 2018, 3, 488–495. [Google Scholar] [CrossRef]
- Moghaddami, M.; Sundararajan, A.; Sarwat, A.I. A Power-Frequency Controller with Resonance Frequency Tracking Capability for Inductive Power Transfer Systems. IEEE Trans. Ind. Appl. 2017, 54, 1773–1783. [Google Scholar] [CrossRef]
- Moghaddami, M.; Sarwat, A.I. Single-Phase Soft-Switched AC–AC Matrix Converter with Power Controller for Bidirectional Inductive Power Transfer Systems. IEEE Trans. Ind. Appl. 2018, 54, 3760–3770. [Google Scholar] [CrossRef]
- Van Der Pijl, F.F.A.; Castilla, M.; Bauer, P. Adaptive Sliding-Mode Control for a Multiple-User Inductive Power Transfer System without Need for Communication. IEEE Trans. Ind. Electron. 2013, 60, 271–279. [Google Scholar] [CrossRef]
- Thrimawithana, D.J.; Madawala, U.K. A three-phase bi-directional IPT system for contactless charging of electric vehicles. In Proceedings of the IEEE International Symposium on Industrial Electronics, Gdansk, Poland, 27–30 June 2011; pp. 1957–1962. [Google Scholar] [CrossRef]
- Shanmugam, Y.; Sathik, J.; Almakhles, D.J. A Comprehensive Review of the On-Road Wireless Charging System for E-Mobility Applications. Front. Energy Res. 2022, 10, 926270. [Google Scholar] [CrossRef]
- Samanta, S.; Rathore, A.K.; Thrimawithana, D.J. Bidirectional Current-Fed Half-Bridge (C) (LC)–(LC ) Configuration for Inductive Wireless Power Transfer System. IEEE Trans. Ind. Appl. 2017, 53, 4053–4062. [Google Scholar] [CrossRef]
- Thrimawithana, D.J.; Madawala, U.K. A novel matrix converter based bi-directional IPT power interface for V2G applications. In Proceedings of the 2010 IEEE International Energy Conference, Manama, Bahrain, 18–22 December 2010; pp. 495–500. [Google Scholar] [CrossRef]
- Lee, J.Y.; Han, B. A bidirectional wireless power transfer EV charger using self resonant P.W.M. IEEE Trans. Power Electron. 2015, 30, 1784–1787. [Google Scholar] [CrossRef]
- Bac, N.X.; Vilathgamuwa, D.; Madawala, U. A SiC-based matrix converter topology for inductive power transfer system. IEEE Trans. Power Electron. 2014, 29, 4029–4038. [Google Scholar] [CrossRef]
- Vishnuram, P.; Nastasi, B. Wireless Chargers for Electric Vehicle: A Systematic Review on Converter Topologies, Environmental Assessment, and Review Policy. Energies 2023, 16, 1731. [Google Scholar] [CrossRef]
- Yuvaraja, S.; Narayanamoorthi, R. A Five Leg Converter with Multi-Transmitter for an In-Motion Charging System. J. Phys. Conf. Ser. 2022, 2335, 012054. [Google Scholar] [CrossRef]
- Mouli, G.R.C.; Bauer, P. Optimal System Design for a Solar Powered EV Charging Station. In Proceedings of the 2018 IEEE Transportation Electrification Conference and Expo (ITEC), Long Beach, CA, USA, 13–15 June 2018; pp. 1094–1099. [Google Scholar]
- Mwasilu, F.; Justo, J.J.; Kim, E.-K.; Do, T.D.; Jung, J.-W. Electric vehicles and smart grid interaction: A review on vehicle to grid and renewable energy sources integration. Renew. Sustain. Energy Rev. 2014, 34, 501–516. [Google Scholar] [CrossRef]
- Mouli, G.R.C.; Bauer, P.; Zeman, M. Comparison of system architecture and converter topology for a solar powered electric vehicle charging station. In Proceedings of the 2015 9th International Conference on Power Electronics and ECCE Asia (ICPE-ECCE Asia), Seoul, Republic of Korea, 1–5 June 2015; pp. 1908–1915. [Google Scholar] [CrossRef]
- Pathipati, V.; Shafiei, A.; Carli, G.; Williamson, S. Integration of renewable energy sources into the transportation and elec-tricity sectors. In Technologies and Applications for Smart Charging of Electric and Plug-in Hybrid Vehicles; Veneri, O., Ed.; Springer: Cham, Switzerland, 2017; pp. 65–110. [Google Scholar]
- Krishnaswami, H.; Mohan, N. Three-port series-resonant DC–DC converter to interface renewable energy sources with bidi-rectional load and energy storage ports. IEEE Trans. Power Electron. 2009, 24, 2289–2297. [Google Scholar] [CrossRef]
- Monteiro, V.; Pinto, J.G.; Afonso, J.L. Experimental Validation of a Three-Port Integrated Topology to Interface Electric Vehicles and Renewables with the Electrical Grid. IEEE Trans. Ind. Inform. 2018, 14, 2364–2374. [Google Scholar] [CrossRef]
- Mouli, G.R.C.; Schijffelen, J.; Heuvel, M.V.D.; Kardolus, M.; Bauer, P. A 10 kW Solar-Powered Bidirectional EV Charger Compatible with Chademo and COMBO. IEEE Trans. Power Electron. 2018, 34, 1082–1098. [Google Scholar] [CrossRef]
- Mouli, G.R.C.; Kefayati, M.; Baldick, R.; Bauer, P. Integrated PV Charging of EV Fleet Based on Energy Prices, V2G, and Offer of Reserves. IEEE Trans. Smart Grid 2017, 10, 1313–1325. [Google Scholar] [CrossRef]
- Fathabadi, H. Novel wind powered electric vehicle charging station with vehicle-to-grid (V2G) connection capability. Energy Convers. Manag. 2017, 136, 229–239. [Google Scholar] [CrossRef]
- Leonori, S.; Rizzoni, G.; Mascioli, F.M.F.; Rizzi, A. Intelligent energy flow management of a nanogrid fast charging station equipped with second life batteries. Int. J. Electr. Power Energy Syst. 2020, 127, 106602. [Google Scholar] [CrossRef]
- Verma, A.K.; Singh, B.; Shahani, D.T.; Jain, C. Grid-interfaced Solar Photovoltaic Smart Building with Bidirectional Power Flow Between Grid and Electric Vehicle with Improved Power Quality. Electr. Power Compon. Syst. 2016, 44, 480–494. [Google Scholar] [CrossRef]
- Mouli, G.R.C.; Schijffelen, J.H.; Bauer, P.; Zeman, M. Design and Comparison of a 10-kW Interleaved Boost Converter for PV Application Using Si and SiC Devices. IEEE J. Emerg. Sel. Top. Power Electron. 2017, 5, 610–623. [Google Scholar] [CrossRef]
- Venkatesan, M.; Rajamanickam, N.; Vishnuram, P.; Bajaj, M.; Blazek, V.; Prokop, L.; Misak, S. A Review of Compensation Topologies and Control Techniques of Bidirectional Wireless Power Transfer Systems for Electric Vehicle Applications. Energies 2022, 15, 7816. [Google Scholar] [CrossRef]
- Choe, G.-Y.; Kim, J.-S.; Lee, B.-K.; Won, C.-Y.; Lee, T.-W. A Bi-directional battery charger for electric vehicles using photovoltaic PCS systems. In Proceedings of the 2010 IEEE Vehicle Power and Propulsion Conference, Lille, France, 1–3 September 2010; pp. 1–6. [Google Scholar] [CrossRef]
- Kim, N.-H.; Cheo, G.-Y.; Lee, B.-K. Design and Control of an Optimized Battery Charger for an xEV Based on Photovoltaic Power Systems. J. Electr. Eng. Technol. 2014, 9, 1602–1613. [Google Scholar] [CrossRef]
- Singh, S.; Carli, G.; Azeez, N.; Williamson, S. Modeling, design, control, and implementation of a modified Z-Source in-tegrated PV/Grid/EV DC Charger/Inverter. IEEE Trans. Ind. Electron. 2018, 65, 5213–5220. [Google Scholar] [CrossRef]
- SAE Standard J1772; SAE Electric Vehicle and Plug-in Hybrid Electric Vehicle Conductive Charge Coupler. SAE International: Warrendale, PA, USA, 2010.
- Waltrich, G.; Duarte, J.L.; Hendrix, M.A.M. Multiport converter for fast charging of electrical vehicle battery: Focus on DC/AC converter. In Proceedings of the IECON 2011—37th Annual Conference of the IEEE Industrial Electronics Society, Melbourne, VIC, Australia, 7–10 November 2011; pp. 3626–3633. [Google Scholar] [CrossRef]
- Hsu, Y.-C.; Kao, S.-C.; Ho, C.-Y.; Jhou, P.-H.; Lu, M.-Z.; Liaw, C.-M. On an Electric Scooter with G2V/V2H/V2G and Energy Harvesting Functions. IEEE Trans. Power Electron. 2018, 33, 6910–6925. [Google Scholar] [CrossRef]
- Bhatti, A.R.; Salam, Z.; Aziz, M.J.A.; Yee, K.P.; Ashique, R. Electric vehicles charging using photovoltaic: Status and technological review. Renew. Sustain. Energy Rev. 2016, 54, 34–47. [Google Scholar] [CrossRef]
- Sharma, A.; Sharma, S. Review of power electronics in vehicle-to-grid systems. J. Energy Storage 2019, 21, 337–361. [Google Scholar] [CrossRef]
- Miller, J.M.; Onar, O.C.; Chinthavali, M. Primary-Side Power Flow Control of Wireless Power Transfer for Electric Vehicle Charging. IEEE J. Emerg. Sel. Top. Power Electron. 2015, 3, 147–162. [Google Scholar] [CrossRef]
- Qiu, C.; Chau, K.; Liu, C.; Chan, C. Overview of wireless power transfer for electric vehicle charging. In Proceedings of the 2013 World Electric Vehicle Symposium and Exhibition (EVS27), Barcelona, Spain, 17–20 November 2013; pp. 1–9. [Google Scholar] [CrossRef]
- Choi, S.Y.; Gu, B.W.; Jeong, S.Y.; Rim, C.T. Advances in Wireless Power Transfer Systems for Roadway-Powered Electric Vehicles. IEEE J. Emerg. Sel. Top. Power Electron. 2015, 3, 18–36. [Google Scholar] [CrossRef]
- Li, S.; Liu, Z.; Zhao, H.; Zhu, L.; Shuai, C.; Chen, Z. Wireless Power Transfer by Electric Field Resonance and Its Application in Dynamic Charging. IEEE Trans. Ind. Electron. 2016, 63, 6602–6612. [Google Scholar] [CrossRef]
- Budhia, M.; Covic, G.; Boys, J. A new IPT magnetic coupler for electric vehicle charging systems. In Proceedings of the IECON 2010—36th Annual Conference on IEEE Industrial Electronics Society, Glendale, AZ, USA, 7–10 November 2010; pp. 2487–2492. [Google Scholar]
- Nagendra, G.R.; Covic, G.A.; Boys, J.T. Determining the physical size of inductive couplers for IPT EV systems. In Proceedings of the Conference Proceedings-IEEE Applied Power Electronics Conference and Exposition-APEC, Fort Worth, TX, USA, 16–20 March 2014; pp. 3443–3450. [Google Scholar]






















| Ref. No | Converter Topology | Maximum Power | Number of Switches | Filter | Switching Mode | Switching Frequency (kHz) | Efficiency (%) | Applications |
|---|---|---|---|---|---|---|---|---|
| [12] | Auxiliary switching buck–boost converter | 500 W | 4 | C | hard-switching | 20 | 83 | EV Auxillary Load Applications |
| [15] | Buck–boost converter | 3.5 kW | 2 | LC | hard-switching | 20 | >90 | Level 1 Charger, Light Duty EV Applications |
| [16] | Buck–boost | 1.2 kW | 2 | LC | hard-switching | 50 | - | Level 1 Charger, Light Duty EV Applications |
| [17] | Dual full-bridge | 3.3 kW | 8 | CLC | Soft switching | 250 | Level 1 Charger, Light Duty EV Applications | |
| [18] | Interleaved buck–boost | 30 kW | 4 | C | hard-switching | 20 | - | Level 2 Charger for Medium Power EV |
| [20] | Non-inverted buck–boost | 18 kW | 5 | C | hard-switching | 10 | 95.25 | Level 2 Charger for Medium Power EV |
| [31] | Half-full-bridge resonant | 10 kW | 6 | LC | Soft switching | 90–150 | >96 (G2V) >98 (V2G) | Level 2 Charger for Medium Power EV |
| [32] | Half-bridge resonant | 3.3 kW | 4 | C | Soft switching | 180–200 | 96 | Level 1 Charger, Light Duty EV Applications |
| [36] | Dual full-bridge | 250 W | 8 | C | Soft switching | 100 | 93 | EV Auxillary Load Applications |
| [37] | Full-bridge resonant | 3.5 kW | 8 | C | Soft switching | 85–145 (G2V), 40–110 (G2V), 200 at start-up | 97.7 (G2V), 98.1 (V2G) | Level 1 Charger, Light Duty EV Applications |
| [38] | Dual voltage-fed | 30 kW | 8 | C | hard-switching | 20 | - | Level 2 Charger for Medium Power EV |
| [42] | Half-full-bridge | 1 kW | 6 | C | Soft switching | 100 | 95.8 | Level 1 Charger, Light Duty EV Applications |
| [43] | Cascaded buck–boost | 9 kW | 4 | LC | hard-switching | 20 | 91.61 | Level 1 Charger, Light Duty EV Applications |
| [45] | Buck–boost (with auxiliary switching network) | 500 W | 2 | LC | hard-switching | 10 | <85 | EV Auxillary Load Applications |
| [46] | Interleaved buck–boost | 400 W | 4 | C | hard-switching | 20 | >94 | EV Auxillary Load Applications |
| [50] | Full-bridge resonant | 6.6 kW | 8 | LC | Soft switching | 50 | 97.7 (G2V), 97.3 (V2G) | Level 2 Charger for Medium Power EV |
| [51] | Full-bridge resonant | 2.5 kW | 10 | C | Soft switching | 50 | 96 | Level 1 Charger, Light Duty EV Applications |
| [52] | Half-bridge resonant | 3.3 kW | 4 | C | Soft switching | 100–200 | 97.5 (G2V), 97.3 (V2G) | Level 1 Charger, Light Duty EV Applications |
| [53] | Half-bridge resonant | 3.3 kW | 4 | LC | Soft switching | - | 95.7 (G2V), 95.4 (V2G) | Level 1 Charger, Light Duty EV Applications |
| Charging | Discharging | ||||||
| On-board | Off-board | Integrated | Non-integrated | Conductive | Inductive | ||
| On-board | Yes | No | Yes | Yes | Yes | - | |
| Off-board | No | Yes | No | Yes | Yes | - | |
| Integrated | Yes | No | Yes | No | Yes | No | |
| Non-integrated | Yes | Yes | No | Yes | Yes | Yes | |
| Conductive | Yes | Yes | Yes | Yes | Yes | No | |
| Inductive | - | - | No | Yes | No | Yes | |
| Cost, Weight, and Volume | Infrastructure | Capacity of Charging and Discharging | Efficiency of Charging and Discharging | Practical Challenges | |
|---|---|---|---|---|---|
| On-board and non-integrated | Huge | Less | Medium | Huge | Less cost, weight, and volume |
| Off-board | Less | Huge | Huge | Huge | More risk |
| Integrated | Less | Less | Huge | Medium | Generation of flux can be produced |
| Inductive | Huge | Huge | Less | Less | Less capability of power transfer |
Disclaimer/Publisher’s Note: The statements, opinions and data contained in all publications are solely those of the individual author(s) and contributor(s) and not of MDPI and/or the editor(s). MDPI and/or the editor(s) disclaim responsibility for any injury to people or property resulting from any ideas, methods, instructions or products referred to in the content. |
© 2023 by the authors. Licensee MDPI, Basel, Switzerland. This article is an open access article distributed under the terms and conditions of the Creative Commons Attribution (CC BY) license (https://creativecommons.org/licenses/by/4.0/).
Share and Cite
Panchanathan, S.; Vishnuram, P.; Rajamanickam, N.; Bajaj, M.; Blazek, V.; Prokop, L.; Misak, S. A Comprehensive Review of the Bidirectional Converter Topologies for the Vehicle-to-Grid System. Energies 2023, 16, 2503. https://doi.org/10.3390/en16052503
Panchanathan S, Vishnuram P, Rajamanickam N, Bajaj M, Blazek V, Prokop L, Misak S. A Comprehensive Review of the Bidirectional Converter Topologies for the Vehicle-to-Grid System. Energies. 2023; 16(5):2503. https://doi.org/10.3390/en16052503
Chicago/Turabian StylePanchanathan, Suresh, Pradeep Vishnuram, Narayanamoorthi Rajamanickam, Mohit Bajaj, Vojtech Blazek, Lukas Prokop, and Stanislav Misak. 2023. "A Comprehensive Review of the Bidirectional Converter Topologies for the Vehicle-to-Grid System" Energies 16, no. 5: 2503. https://doi.org/10.3390/en16052503
APA StylePanchanathan, S., Vishnuram, P., Rajamanickam, N., Bajaj, M., Blazek, V., Prokop, L., & Misak, S. (2023). A Comprehensive Review of the Bidirectional Converter Topologies for the Vehicle-to-Grid System. Energies, 16(5), 2503. https://doi.org/10.3390/en16052503

