A Survey on Load Frequency Control of Multi-Area Power Systems: Recent Challenges and Strategies
Abstract
1. Introduction
- 1.
- This survey uses the flexible renewable power system model, in which the effect and uncertainty caused by renewable energy (wind and solar) are considered. Based on the detailed description of different mathematical models of renewable energy, the LFC problem can be solved with high productivity.
- 2.
- Identifying types of cyber-attacks pertaining to LFC can help to formulate reasonable and effective strategies. We focus on the characteristics of these cyber-attacks and analyze their effects on LFC power systems.
- 3.
- By optimizing or integrating control methods, excellent control strategies can be obtained and control performance can be improved. Intelligent control is more effective in solving the LFC issue for power systems with multiple renewable energy sources or those under cyber-attack due to its advantages in processing large amounts of data.
2. Power System Model for LFC
3. Descriptions of Challenges
3.1. Renewable Energy
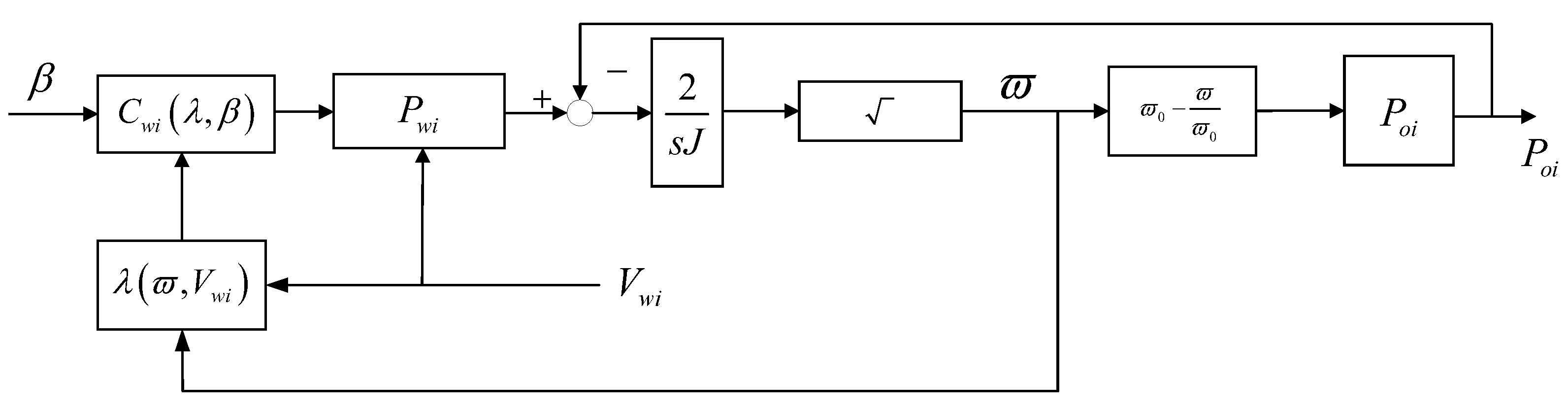
3.1.1. Wind Power
3.1.2. Solar Energy
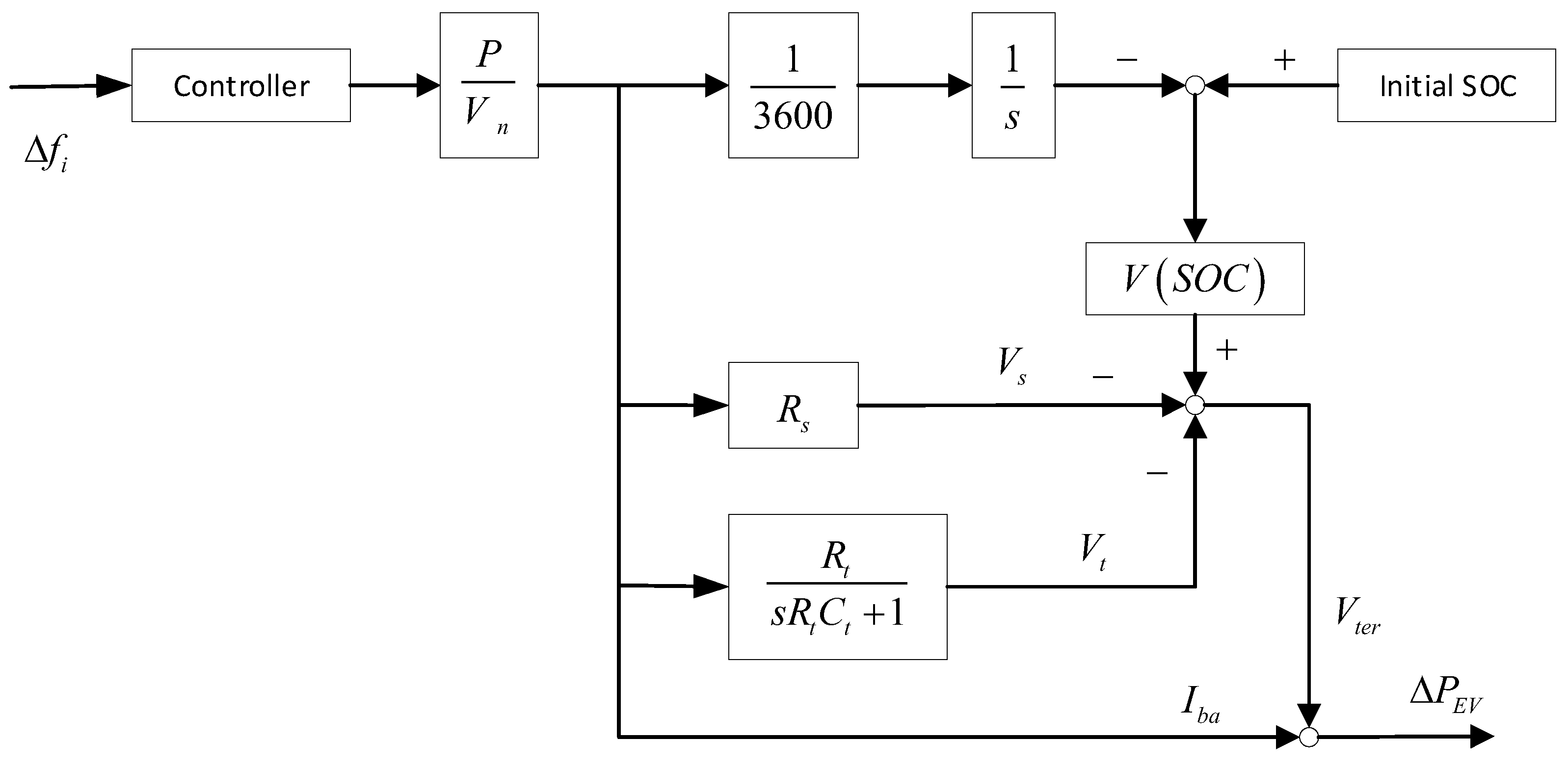
3.2. Electric Vehicles
3.3. Cyber-Attacks
3.3.1. Dos Attacks
3.3.2. Deception Attacks
4. Strategies
4.1. Classical Control Method
4.2. Modern Control Method
4.3. Intelligent Control
4.4. Others
5. Conclusions and Future Directions
5.1. Conclusions
5.2. Future Directions
- (1)
- Renewable energy. With the deepening of research on renewable energy, certain sources of renewable energy that could not be used before have been gradually developed for power systems. The diverse power output of renewable energy sources connected to the power system increases the complexity variability in terms of power generation and adds uncertainty. This presents challenges for the stabilization of LFC power systems integrated with renewable energy sources. In addition, the integration of multiple renewable energy sources means that more electronic equipment needs to be used. The resulting need to ensure matching between devices, efficient information transmission, and other issues are unavoidable challenges facing LFC power systems.
- (2)
- Cyber security. Cyber-security problems are directly related to the normal operation of power systems. Compared with a single type of cyber-attack, hybrid cyber-attacks can have greater impact. Furthermore, new types of cyber-attacks on LFC power systems deserve attention. According to our investigation, most of the cyber-attacks considered in the context of LFC power systems can be modeled using the queueing model or stochastic model. However, the types of cyber-attack are increasing. One possible development direction of cyber-attacks involves smart design. For example, attackers may use devices to obtain information about the power system and determine vulnerable nodes in the network according to the obtained information. Cyber-attacks are expected to remain an important problem in LFC power systems in the future.
- (3)
- Control capability. In recent years, a large number of intelligent algorithm-based control methods have been researched for LFC power systems. Multiple issues around renewable energy, cyber-attacks, and other issues are focusing greater development space and attention on intelligent control methods. How to improve control capability is becoming an important issue. To achieve this goal, researchers need to choose their research direction; possibilities include combining traditional control methods with modern control methods, using intelligent control methods, and developing new intelligent algorithms.
- (4)
- Flexibility. A highly flexible and secure interconnected power system is a necessity due to the high penetration and networking requirements of renewable energy sources. The transition of the current energy production mix can be aided by hosting a larger proportion of renewable energy sources. In this way, multi-area power system can become more flexible and reliable, resulting in the development of novel intelligent algorithms along with control, storage, and market approaches.
Author Contributions
Funding
Institutional Review Board Statement
Informed Consent Statement
Data Availability Statement
Conflicts of Interest
References
- Arya, Y.; Dahiya, P.; Celik, E.; Gulshan, C.; Gozde, H.; Nasiruddin, I. AGC performance amelioration in multi-area interconnected thermal and thermal-hydro-gas power systems using a novel controller. Eng. Sci. Technol. Int. J. 2021, 24, 384–396. [Google Scholar] [CrossRef]
- Tao, T.; Roy, S.; Baldi, S. Stable adaptation in multi-area load frequency control under dynamically-changing topologies. IEEE Trans. Power Syst. 2020, 36, 2946–2956. [Google Scholar] [CrossRef]
- Shangguan, X.C.; He, Y.; Zhang, C.K.; Yao, W.; Zhao, Y.; Jiang, L.; Wu, M. Resilient load frequency control of power systems to compensate random time delays and time-delay attacks. IEEE Trans. Ind. Electron. 2022, 70, 5115–5128. [Google Scholar] [CrossRef]
- Yan, S.; Gu, Z.; Park, J.H.; Xie, X.; Dou, C. Probability-density-dependent load frequency control of power systems with random delays and cyber-attacks via circuital implementation. IEEE Trans. Smart Grid 2022, 13, 4837–4847. [Google Scholar] [CrossRef]
- Zhang, G.; Li, J.; Bamisile, O.; Xing, Y.; Cai, D.; Huang, Q. An H∞ load frequency control scheme for multi-area power system under cyber-attacks and time-varying delays. IEEE Trans. Power Syst. 2022, 38, 1336–1349. [Google Scholar] [CrossRef]
- Yan, S.; Gu, Z.; Park, J.H. Memory-event-triggered H∞ load frequency control of multi-area power systems with cyber-attacks and communication delays. IEEE Trans. Netw. Sci. Eng. 2021, 8, 1571–1583. [Google Scholar] [CrossRef]
- Liu, X.; Bai, D.; Sun, B.; Wen, J.; Lv, W.; Li, K. Event-triggered sliding mode load frequency control for multi-area interconnected power systems under deception attacks. J. Univ. Sci. Technol. China 2021, 51, 33–42. [Google Scholar]
- Shangguan, X.C.; He, Y.; Zhang, C.K.; Jiang, L.; Spencer, J.W.; Wu, M. Sampled-data based discrete and fast load frequency control for power systems with wind power. Appl. Energy 2020, 259, 114202. [Google Scholar] [CrossRef]
- Wang, Z.; Liu, Y.; Yang, Z.; Yang, W. Load frequency control of multi-region interconnected power systems with wind power and electric vehicles based on sliding mode control. Energies 2021, 14, 2288. [Google Scholar] [CrossRef]
- Hasanien, H.M. Whale optimisation algorithm for automatic generation control of interconnected modern power systems including renewable energy sources. Iet Gener. Transm. Distrib. 2018, 12, 607–614. [Google Scholar] [CrossRef]
- Hasanien, H.M. A set-membership affine projection algorithm-based adaptive-controlled SMES units for wind farms output power smoothing. IEEE Trans. Sustain. Energy 2014, 5, 1226–1233. [Google Scholar] [CrossRef]
- Abou El-Ela, A.A.; El-Sehiemy, R.A.; Shaheen, A.M.; Diab, A.E.G. Design of cascaded controller based on coyote optimizer for load frequency control in multi-area power systems with renewable sources. Control Eng. Pract. 2022, 121, 105058. [Google Scholar] [CrossRef]
- Mani, P.; Joo, Y.H. Fuzzy logic-based integral sliding mode control of multi-area power systems integrated with wind farms. Inf. Sci. 2021, 545, 153–169. [Google Scholar] [CrossRef]
- Mi, Y.; Hao, X.; Liu, Y.; Fu, Y.; Wang, C.; Wang, P.; Loh, P.C. Sliding mode load frequency control for multi-area time-delay power system with wind power integration. IET Gener. Transm. Distrib. 2017, 11, 4644–4653. [Google Scholar] [CrossRef]
- Bakeer, A.; Magdy, G.; Chub, A.; Bevrani, H. A sophisticated modeling approach for photovoltaic systems in load frequency control. Int. J. Electr. Power Energy Syst. 2022, 134, 107330. [Google Scholar] [CrossRef]
- Alayi, R.; Zishan, F.; Seyednouri, S.R.; Kumar, R.; Ahmadi, M.H.; Sharifpur, M. Optimal load frequency control of island microgrids via a PID controller in the presence of wind turbine and PV. Sustainability 2021, 13, 10728. [Google Scholar] [CrossRef]
- Ahmed, M.; Magdy, G.; Khamies, M.; Kamel, S. Modified TID controller for load frequency control of a two-area interconnected diverse-unit power system. Int. J. Electr. Power Energy Syst. 2022, 135, 107528. [Google Scholar] [CrossRef]
- Sharma, G.; Narayanan, K.; Adefarati, T.; Sharma, S. Frequency regularization of a linked wind-diesel system using dual structure fuzzy with ultra-capacitor. Prot. Control Mod. Power Syst. 2022, 7, 12. [Google Scholar] [CrossRef]
- Fathy, A.; Alharbi, A.G. Recent approach based movable damped wave algorithm for designing fractional-order PID load frequency control installed in multi-interconnected plants with renewable energy. IEEE Access 2021, 9, 71072–71089. [Google Scholar] [CrossRef]
- Vedik, B.; Kumar, R.; Deshmukh, R.; Verma, S.; Shiva, C.K. Renewable energy-based load frequency stabilization of interconnected power systems using quasi-oppositional dragonfly algorithm. J. Control. Autom. Electr. Syst. 2021, 32, 227–243. [Google Scholar] [CrossRef]
- Sobhy, M.A.; Abdelaziz, A.Y.; Hasanien, H.M.; Ezzat, M. Marine predators algorithm for load frequency control of modern interconnected power systems including renewable energy sources and energy storage units. Ain Shams Eng. J. 2021, 12, 3843–3857. [Google Scholar] [CrossRef]
- Uehara, A.; Senjyu, T.; Yona, A.; Funabashi, T. A frequency control method by wind farm and battery using load estimation in isolated power system. Int. J. Emerg. Electr. Power Syst. 2010, 11, 2. [Google Scholar] [CrossRef]
- Wu, W.; Lin, B. Benefits of electric vehicles integrating into power grid. Energy 2021, 224, 120108. [Google Scholar] [CrossRef]
- Mohan, A.M.; Meskin, N.; Mehrjerdi, H. A comprehensive review of the cyber-attacks and cyber-security on load frequency control of power systems. Energies 2020, 13, 3860. [Google Scholar] [CrossRef]
- Hossain, M.M.; Peng, C.; Wang, Y.L.; Du, X. Handshake logic-based event-triggered load frequency control for smart grids under DoS attacks. IEEE Trans. Ind. Inform. 2021, 18, 3863–3872. [Google Scholar] [CrossRef]
- Yang, J.; Zhong, Q.; Shi, K.; Zhong, S. Dynamic-memory event-triggered H∞ load frequency control for reconstructed switched model of power systems under hybrid attacks. IEEE Trans. Cybern. 2022, 1–13. [Google Scholar] [CrossRef] [PubMed]
- Wang, D.; Chen, F.; Meng, B.; Hu, X.; Wang, J. Event-based secure H∞ load frequency control for delayed power systems subject to deception attacks. Appl. Math. Comput. 2021, 394, 125788. [Google Scholar] [CrossRef]
- Li, J.; Yu, T.; Zhang, X. Coordinated load frequency control of multi-area integrated energy system using multi-agent deep reinforcement learning. Appl. Energy 2022, 306, 117900. [Google Scholar] [CrossRef]
- Civelek, Z.; GOREL, G.; Luy, M.; Barisci, N.; Cam, E. Effects on load-frequency control of a solar power system with a two-area interconnected thermal power plant and its control with a new BFA algorithm. Elektron. Ir Elektrotechnika 2018, 24, 3–10. [Google Scholar] [CrossRef]
- Shouran, M.; Anayi, F.; Packianather, M. The bees algorithm tuned sliding mode control for load frequency control in two-area power system. Energies 2021, 14, 5701. [Google Scholar] [CrossRef]
- Pillai, A.G.; Rita Samuel, E. PSO based LQR-PID output feedback for load frequency control of reduced power system model using balanced truncation. Int. Trans. Electr. Energy Syst. 2021, 31, e13012. [Google Scholar] [CrossRef]
- Zeng, H.; Zhou, S.; Zhang, X.; Wang, W. Delay-dependent stability analysis of load frequency control systems with electric vehicles. IEEE Trans. Cybern. 2022, 52, 13645–13653. [Google Scholar] [CrossRef] [PubMed]
- Ginidi, A.; Ghoneim, S.M.; Elsayed, A.; El-Sehiemy, R.; Shaheen, A.; El-Fergany, A. Gorilla troops optimizer for electrically based single and double-diode models of solar photovoltaic systems. Sustainability 2021, 13, 9459. [Google Scholar] [CrossRef]
- Zhong, Q.; Yang, J.; Shi, K.; Zhong, S.; Li, Z.; Sotelo, M.A. Event-triggered H∞ load frequency control for multi-area nonlinear power systems based on non-fragile proportional integral control strategy. IEEE Trans. Intell. Transp. Syst. 2021, 23, 12191–12201. [Google Scholar] [CrossRef]
- Chen, P.; Zhang, D.; Yu, L.; Yan, H. Dynamic event-triggered output feedback control for load frequency control in power systems with multiple cyber attacks. IEEE Trans. Syst. Man Cybern. Syst. 2022, 52, 6246–6258. [Google Scholar] [CrossRef]
- Xu, K.; Lv, X.; Yang, Y.; Niu, Y. Load frequency secure control of interconnected power systems: Non-fragile sliding mode control strategy. In Proceedings of the 41st Chinese Control Conference, Heifei, China, 25–27 July 2022; pp. 6099–6104. [Google Scholar]
- Yan, Z.; Xu, Y. A multi-agent deep reinforcement learning method for cooperative load frequency control of a multi-area power system. IEEE Trans. Power Syst. 2020, 35, 4599–4608. [Google Scholar] [CrossRef]
- Kader, M.O.A.; Akindeji, K.T.; Sharma, G. A novel solution for solving the frequency regulation problem of renewable interlinked power system using fusion of AI. Energies 2022, 15, 3376. [Google Scholar] [CrossRef]
- Wang, C.; Mi, Y.; Fu, Y.; Wang, P. Frequency control of an isolated micro-grid using double sliding mode controllers and disturbance observer. IEEE Trans. Smart Grid 2016, 9, 923–930. [Google Scholar] [CrossRef]
- Duong, M.Q.; Grimaccia, F.; Leva, S.; Mussetta, M.; Le, K.H. Improving transient stability in a grid-connected squirrel-cage induction generator wind turbine system using a fuzzy logic controller. Energies 2015, 8, 6328–6349. [Google Scholar] [CrossRef]
- Chojaa, H.; Derouich, A.; Taoussi, M.; Chehaidia, S.E.; Zamzoum, O.; Mosaad, M.I.; Alhejji, A.; Yessef, M. Nonlinear control strategies for enhancing the performance of DFIG-based WECS under a real wind profile. Energies 2022, 15, 6650. [Google Scholar] [CrossRef]
- Kuppusamy, S.; Joo, Y.H.; Kim, H.S. Fault-tolerant load frequency control for DFIG-based interconnected wind power systems. Inf. Sci. 2022, 582, 73–88. [Google Scholar] [CrossRef]
- Kim, Y.; Kang, M.; Muljadi, E.; Park, J.W.; Kang, Y.C. Power smoothing of a variable-speed wind turbine generator in association with the rotor-speed-dependent gain. IEEE Trans. Sustain. Energy 2016, 8, 990–999. [Google Scholar] [CrossRef]
- Wang, H.; Li, Z.S. Multi-area load frequency control in power system integrated with wind farms using fuzzy generalized predictive control method. IEEE Trans. Reliab. 2022. [Google Scholar] [CrossRef]
- Sharma, G.; Panwar, A.; Arya, Y.; Kumawat, M. Integrating layered recurrent ANN with robust control strategy for diverse operating conditions of AGC of the power system. IET Gener. Transm. Distrib. 2020, 14, 3886–3895. [Google Scholar] [CrossRef]
- Ortiz-Conde, A.; Lugo-Munoz, D.; Garcia-Sanchez, F.J. An explicit multiexponential model as an alternative to traditional solar cell models with series and shunt resistances. IEEE J. Photovolt. 2012, 2, 261–268. [Google Scholar] [CrossRef]
- Magdy, G.; Bakeer, A.; Nour, M.; Petlenkov, E. A new virtual synchronous generator design based on the SMES system for frequency stability of low-inertia power grids. Energies 2020, 13, 5641. [Google Scholar] [CrossRef]
- Khooban, M.H.; Gheisarnejad, M. A novel deep reinforcement learning controller based type-II fuzzy system: Frequency regulation in microgrids. IEEE Trans. Emerg. Top. Comput. Intell. 2020, 5, 689–699. [Google Scholar] [CrossRef]
- Farooq, Z.; Rahman, A.; Lone, S.A. Load frequency control of multi-source electrical power system integrated with solar-thermal and electric vehicle. Int. Trans. Electr. Energy Syst. 2021, 31, e12918. [Google Scholar] [CrossRef]
- Mi, Y.; Fu, Y.; Li, D.; Wang, C.; Loh, P.C.; Wang, P. The sliding mode load frequency control for hybrid power system based on disturbance observer. Int. J. Electr. Power Energy Syst. 2016, 74, 446–452. [Google Scholar] [CrossRef]
- Qiao, S.; Liu, X.; Liang, Y.; Xiao, G.; Kang, Y.; Ge, S.S. Event-triggered sliding mode load frequency control of multi-area power systems under periodic denial-of-service attacks. IEEE Syst. J. 2022, 1–12. [Google Scholar] [CrossRef]
- Yang, F.; Shao, X.; Muyeen, S.M.; Li, D.; Lin, S.; Fang, C. Disturbance observer based fractional-order integral sliding mode frequency control strategy for interconnected power system. IEEE Trans. Power Syst. 2021, 36, 5922–5932. [Google Scholar] [CrossRef]
- Deng, Z.; Xu, C. Frequency regulation of power systems with a wind farm by sliding-mode-based design. IEEE/CAA J. Autom. Sin. 2022, 99, 1–10. [Google Scholar] [CrossRef]
- Mi, Y.; Song, Y.; Fu, Y.; Wang, C. The adaptive sliding mode reactive power control strategy for wind-diesel power system based on sliding mode observer. IEEE Trans. Sustain. Energy 2019, 11, 2241–2251. [Google Scholar] [CrossRef]
- Szinai, J.K.; Sheppard, C.J.; Abhyankar, N.; Gopal, A.R. Reduced grid operating costs and renewable energy curtailment with electric vehicle charge management. Energy Policy 2020, 136, 111051. [Google Scholar] [CrossRef]
- Ota, Y.; Taniguchi, H.; Nakajima, T.; Liyanage, K.M.; Baba, J.; Yokoyama, A. Autonomous distributed V2G (vehicle-to-grid) satisfying scheduled charging. IEEE Trans. Smart Grid 2011, 3, 559–564. [Google Scholar] [CrossRef]
- Chatterjee, K.; Padmini, V.; Khaparde, S.A. Review of cyber attacks on power system operations. In Proceedings of the 2017 IEEE Region 10 Symposium, Cochin, India, 14–16 July 2017; pp. 1–6. [Google Scholar]
- Li, W.; Xie, L.; Wang, Z. A novel covert agent for stealthy attacks on industrial control systems using least squares support vector regression. J. Electr. Comput. Eng. 2018, 2018, 7204939. [Google Scholar] [CrossRef]
- De Persis, C.; Tesi, P. Input-to-state stabilizing control under denial-of-service. IEEE Trans. Autom. Control 2015, 60, 2930–2944. [Google Scholar] [CrossRef]
- Befekadu, G.K.; Gupta, V.; Antsaklis, P.J. Risk-sensitive control under Markov modulated denial-of-service (DoS) attack strategies. IEEE Trans. Autom. Control 2015, 60, 3299–3304. [Google Scholar] [CrossRef]
- Qiao, S.; Liu, X.; Xiao, G.; Ge, S.S. Observer-based sliding mode load frequency control of power systems under deception attack. Complexity 2021, 8092206. [Google Scholar] [CrossRef]
- Ding, D.; Han, Q.L.; Xiang, Y.; Ge, X.; Zhang, X.M. A survey on security control and attack detection for industrial cyber-physical systems. Neurocomputing 2018, 275, 1674–1683. [Google Scholar] [CrossRef]
- Hoehn, A.; Zhang, P. Detection of covert attacks and zero dynamics attacks in cyber-physical systems. In Proceedings of the 2016 American Control Conference, Boston, MA, USA, 6–8 July 2016; pp. 302–307. [Google Scholar]
- Ranjan, M.; Shankar, R. A literature survey on load frequency control considering renewable energy integration in power system: Recent trends and future prospects. J. Energy Storage 2022, 45, 103717. [Google Scholar] [CrossRef]
- Sharma, J.; Hote, Y.V.; Prasad, R. Robust PID load frequency controller design with specific gain and phase margin for multi-area power systems. IFAC-PapersOnLine 2018, 51, 627–632. [Google Scholar] [CrossRef]
- Celik, E.; Oztvrk, N.; Arya, Y.; Ocak, C. (1+ PD)-PID cascade controller design for performance betterment of load frequency control in diverse electric power systems. Neural Comput. Appl. 2021, 33, 15433–15456. [Google Scholar] [CrossRef]
- Kumar, A.; Pan, S. Design of fractional order PID controller for load frequency control system with communication delay. ISA Trans. 2022, 129, 138–149. [Google Scholar] [CrossRef]
- Puviyarasi, B.; Murukesh, C.; Alagiri, M. Design and implementation of gain scheduling decentralized PI/PID controller for the fluid catalytic cracking unit. Biomed. Signal Process. Control 2022, 77, 103780. [Google Scholar] [CrossRef]
- Urrea-Quintero, J.H.; Fuhg, J.N.; Marino, M.; Fau, A. PI/PID controller stabilizing sets of uncertain nonlinear systems: An efficient surrogate model-based approach. Nonlinear Dyn. 2021, 105, 277–299. [Google Scholar] [CrossRef]
- Yerolla, R.; Bestha, C.S. PI/PID controller design for critically damped SOPTD system and experimental validation. In Proceedings of the 2021 5th International Conference on Intelligent Computing and Control Systems, Madurai, India, 6–8 May 2021; pp. 531–535. [Google Scholar]
- Sharma, P.; Mishra, A.; Saxena, A.; Shankar, R. A novel hybridized fuzzy PI-LADRC based improved frequency regulation for restructured power system integrating renewable energy and electric vehicles. IEEE Access 2021, 9, 7597–7617. [Google Scholar] [CrossRef]
- Guha, D.; Roy, P.K.; Banerjee, S. Equilibrium optimizer-tuned cascade fractional-order 3DOF-PID controller in load frequency control of power system having renewable energy resource integrated. Int. Trans. Electr. Energy Syst. 2021, 31, e12702. [Google Scholar] [CrossRef]
- Vigya; Mahto, T.; Malik, H.; Mukherjee, V.; Alotaibi, M.A.; Almutairi, A. Renewable generation based hybrid power system control using fractional order-fuzzy controller. Energy Rep. 2021, 7, 641–653. [Google Scholar] [CrossRef]
- Hou, H.; Yu, X.; Fu, Z. Sliding mode control of networked control systems: An auxiliary matrices based approach. IEEE Trans. Autom. Control 2021, 67, 3574–3581. [Google Scholar] [CrossRef]
- Liu, X.; Bai, D.; Qiao, S.; Xiao, G.; Ge, S.S. Resilient and event-triggered sliding mode load frequency control for multi-area power systems under hybrid cyber attacks. IET Control Theory Appl. 2022, 16, 1739–1750. [Google Scholar] [CrossRef]
- Sun, Y.; Wang, Y.; Wei, Z.; Sun, Z.; Wu, X. Robust H∞ load frequency control of multi-area power system with time delay: A sliding mode control approach. IEEE/CAA J. Autom. Sin. 2017, 5, 610–617. [Google Scholar] [CrossRef]
- Odgaard, P.F.; Stoustrup, J.; Kinnaert, M. Fault-tolerant control of wind turbines: A benchmark model. IEEE Trans. Control Syst. Technol. 2013, 21, 1168–1182. [Google Scholar] [CrossRef]
- Wang, C.; Li, R.; Su, X.; Shi, P. Output feedback sliding mode control of Markovian jump systems and its application to switched boost converter. IEEE Trans. Circuits Syst. I: Regul. Pap. 2021, 68, 5134–5144. [Google Scholar] [CrossRef]
- Azizi, A.; Nourisola, H.; Shoja-Majidabad, S. Fault tolerant control of wind turbines with an adaptive output feedback sliding mode controller. Renew. Energy 2019, 135, 55–65. [Google Scholar] [CrossRef]
- Wang, Z.; Liu, Y. Adaptive terminal sliding mode based load frequency control for multi-area interconnected power systems with PV and energy storage. IEEE Access 2021, 9, 120185–120192. [Google Scholar] [CrossRef]
- Wang, Y.; Wang, Z.; Zou, L.; Dong, H. Non-fragile dissipative fuzzy PID control with mixed fading measurements. IEEE Trans. Fuzzy Syst. 2022, 30, 5019–5033. [Google Scholar] [CrossRef]
- Anand, S.; Dev, A.; Sarkar, M.K.; Banerjee, S. Non-fragile approach for frequency regulation in power system with event-triggered control and communication delays. IEEE Trans. Ind. Appl. 2021, 57, 2187–2201. [Google Scholar] [CrossRef]
- Huang, C.; Karimi, H.R. Non-fragile H∞ control for LPV-based CACC systems subject to denial-of-service attacks. IET Control Theory Appl. 2021, 15, 1246–1256. [Google Scholar] [CrossRef]
- Aravindh, D.; Sakthivel, R.; Kaviarasan, B.; Anthoni, S.M.; Alzahrani, F. Design of observer-based non-fragile load frequency control for power systems with electric vehicles. ISA Trans. 2019, 91, 21–31. [Google Scholar] [CrossRef]
- Joshi, M.; Sharma, G.; Bokoro, P.N.; Krishnan, N. A fuzzy-PSO-PID with UPFC-RFB solution for an LFC of an interlinked hydro power system. Energies 2022, 15, 4847. [Google Scholar] [CrossRef]
- Sharma, G.; Krishnan, N.; Arya, Y.; Panwar, A. Impact of ultracapacitor and redox flow battery with JAYA optimization for frequency stabilization in linked photovoltaic-thermal system. Int. Trans. Electr. Energy Syst. 2021, 31, e12883. [Google Scholar] [CrossRef]
- Panwar, A.; Sharma, G.; Nasiruddin, I.; Bansal, R.C. JAYA-evaluated frequency control design for hydroelectric power system using RFB and UPFC. In Intelligent Computing Techniques for Smart Energy Systems: Proceedings of ICTSES 2018; Springer: Singapore, 2020; pp. 863–871. [Google Scholar]
- Panwar, A.; Agarwal, V.; Sharma, G.; Sharma, S. Design of a novel AGC action for a linked hydro governing system. Electr. Power Components Syst. 2022, 49, 1201–1211. [Google Scholar] [CrossRef]
- Sharma, G.; Panwar, A.; Krishnan, N.; Kumawat, M. Integrating LQR with GRNN for LFC of energy delivery system interconnected via AC/DC tie-lines. IET Energy Syst. Integr. 2020, 2, 355–361. [Google Scholar] [CrossRef]
- Arya, Y.; Kumar, N.; Dahiya, P.; Sharma, G.; Celik, E.; Dhundhara, S.; Sharma, M. Cascade-IλDμN controller design for AGC of thermal and hydro-thermal power systems integrated with renewable energy sources. IET Renew. Power Gener. 2021, 15, 504–520. [Google Scholar] [CrossRef]
- Yan, Z.; Xu, Y. Data-driven load frequency control for stochastic power systems: A deep reinforcement learning method with continuous action search. IEEE Trans. Power Syst. 2018, 34, 1653–1656. [Google Scholar] [CrossRef]
- Bu, X.; Yu, W.; Cui, L.; Hou, Z.; Chen, Z. Event-triggered data-driven load frequency control for multi-area power systems. IEEE Trans. Ind. Inform. 2021, 18, 5982–5991. [Google Scholar] [CrossRef]
- Mu, C.; Tang, Y.; He, H. Improved sliding mode design for load frequency control of power system integrated an adaptive learning strategy. IEEE Trans. Ind. Electron. 2017, 64, 6742–6751. [Google Scholar] [CrossRef]
- Qi, X.; Zheng, J.; Mei, F. Model predictive control-based load-frequency regulation of grid-forming inverter-based power systems. Front. Energy Res. 2022, 10, 932788. [Google Scholar] [CrossRef]
- Faragalla, A.; Abdel-Rahim, O.; Orabi, M.; Abdelhameed, E.H. Enhanced virtual inertia control for microgrids with high-penetration renewables based on whale optimization. Energies 2022, 15, 9254. [Google Scholar] [CrossRef]
- Zhang, J.; Li, F.; Chen, T.; Cao, Y.; Wang, D.; Gao, X. Virtual inertia control parameter regulator of doubly fed induction generator based on direct heuristic dynamic programming. Energy Rep. 2022, 8, 259–266. [Google Scholar] [CrossRef]
- Ali, H.; Magdy, G.; Li, B.; Shabib, G.; Elbaset, A.A.; Xu, D.; Mitani, Y. A new frequency control strategy in an islanded microgrid using virtual inertia control-based coefficient diagram method. IEEE Access 2019, 7, 16979–16990. [Google Scholar] [CrossRef]
- Ouyang, J.; Pang, M.; Li, M.; Zheng, D.; Tang, T. Frequency control method based on the dynamic deloading of DFIGs for power systems with high-proportion wind energy. Int. J. Electr. Power Energy Syst. 2021, 128, 106764. [Google Scholar] [CrossRef]
- Mishra, A.K.; Mishra, P.; Mathur, H.D. A deep learning assisted adaptive nonlinear deloading strategy for wind turbine generator integrated with an interconnected power system for enhanced load frequency control. Electr. Power Syst. Res. 2023, 214, 108960. [Google Scholar] [CrossRef]
- Hasanien, H.M.; El-Fergany, A.A. Salp swarm algorithm-based optimal load frequency control of hybrid renewable power systems with communication delay and excitation cross-coupling effect. Electr. Power Syst. Res. 2019, 176, 105938. [Google Scholar] [CrossRef]
- Pillai, A.G.; Samuel, E.R.; Unnikrishnan, A. Optimal load frequency control through combined state and control gain estimation for noisy measurements. Prot. Control Mod. Power Syst. 2020, 5, 24. [Google Scholar] [CrossRef]
- Zhao, X.; Zou, S.; Ma, Z. Decentralized resilient H∞ load frequency control for cyber-physical power systems under DoS attacks. IEEE/CAA J. Autom. Sin. 2021, 8, 1737–1751. [Google Scholar] [CrossRef]










| Wind Power | Solar Energy | EVs | Deception Attacks | DoS Attacks | Feedback Control | PI/PID | SMC | Non-Fragile | Data-Driven | |
|---|---|---|---|---|---|---|---|---|---|---|
| √ | × | × | × | × | × | × | √ | × | × | [13] |
| × | √ | × | × | × | × | √ | × | × | √ | [29] |
| × | × | × | × | × | × | × | √ | × | √ | [30] |
| × | × | × | × | × | × | √ | × | × | √ | [31] |
| × | × | √ | × | × | × | √ | × | × | × | [32] |
| × | √ | × | × | × | × | × | × | × | √ | [33] |
| √ | √ | × | × | × | × | √ | × | × | × | [16] |
| √ | √ | × | × | × | × | × | × | × | √ | [28] |
| × | × | × | × | × | × | √ | × | √ | × | [34] |
| × | √ | √ | × | × | × | × | × | × | √ | [21] |
| × | × | × | √ | √ | √ | × | × | × | × | [35] |
| × | × | × | √ | × | √ | √ | × | × | × | [27] |
| × | × | × | √ | × | × | × | √ | √ | × | [36] |
| √ | × | √ | × | × | × | × | √ | × | × | [9] |
| × | × | × | × | × | × | × | × | × | √ | [37] |
| √ | × | × | × | × | × | √ | × | × | √ | [38] |
| Parameters | Mean | Parameters | Mean |
|---|---|---|---|
| Generator power deviation | Control valve position deviation | ||
| Tie-line power exchange | Frequency deviation | ||
| Integral of ACE | Load demand disturbance | ||
| Frequency deviation factor | Load damping coefficient | ||
| Rotational inertia of the generator set | Load demand disturbancex | ||
| Turbine time constant | Governor droop characteristic |
Disclaimer/Publisher’s Note: The statements, opinions and data contained in all publications are solely those of the individual author(s) and contributor(s) and not of MDPI and/or the editor(s). MDPI and/or the editor(s) disclaim responsibility for any injury to people or property resulting from any ideas, methods, instructions or products referred to in the content. |
© 2023 by the authors. Licensee MDPI, Basel, Switzerland. This article is an open access article distributed under the terms and conditions of the Creative Commons Attribution (CC BY) license (https://creativecommons.org/licenses/by/4.0/).
Share and Cite
Liu, X.; Qiao, S.; Liu, Z. A Survey on Load Frequency Control of Multi-Area Power Systems: Recent Challenges and Strategies. Energies 2023, 16, 2323. https://doi.org/10.3390/en16052323
Liu X, Qiao S, Liu Z. A Survey on Load Frequency Control of Multi-Area Power Systems: Recent Challenges and Strategies. Energies. 2023; 16(5):2323. https://doi.org/10.3390/en16052323
Chicago/Turabian StyleLiu, Xinghua, Siwei Qiao, and Zhiwei Liu. 2023. "A Survey on Load Frequency Control of Multi-Area Power Systems: Recent Challenges and Strategies" Energies 16, no. 5: 2323. https://doi.org/10.3390/en16052323
APA StyleLiu, X., Qiao, S., & Liu, Z. (2023). A Survey on Load Frequency Control of Multi-Area Power Systems: Recent Challenges and Strategies. Energies, 16(5), 2323. https://doi.org/10.3390/en16052323

