Next Article in Journal
The Impact of Windows Replacement on Airtightness and Energy Consumption of a Single Apartment in a Multi-Family Residential Building in Montenegro: A Case Study
Previous Article in Journal
Experimental Comparison of Functionality between the Main Types of Methane Measurement Sensors in Mines
 
 
Font Type:
Arial Georgia Verdana
Font Size:
Aa Aa Aa
Line Spacing:
Column Width:
Background:
Article

Comparative Analysis of the Overall Efficiency of a Hydraulic Pump Unit with and without a Separate Pre-Charging System

by
Andrzej Banaszek
1,
Radovan Petrović
2,*,
Maja Andjelković
2 and
Milan Radosavljević
2
1
Maritime Research and Transport Faculty, West Pomeranian University of Technology, al. Piastow 41, 71-065 Szczecin, Poland
2
Faculty of Information Technology and Engineering, University Union-Nikola Tesla, Jurija Gagarina 149a, 11070 Belgrade, Serbia
*
Author to whom correspondence should be addressed.
Energies 2023, 16(5), 2201; https://doi.org/10.3390/en16052201
Submission received: 24 November 2022 / Revised: 31 January 2023 / Accepted: 9 February 2023 / Published: 24 February 2023

Abstract

:
The overall efficiency and energy consumption problem in hydraulic power pack units with and without an additional pre-charging system was analyzed in this paper. A theoretical mathematical model was developed for calculating energy losses in both pump unit structures. To verify the theoretical relationships, a laboratory test stand was built, upon which the results of calculating the overall efficiency were compared with the results of the laboratory tests. Universal diagrams of the overall efficiency dependence as a function of pressure load and geometric adjustment of the main pump’s working volume were created for the case of a particular hydraulic pump unit without and with a pre-charging system. Based on this, discussions were carried out on whether and the way in which the additionally pre-charging system affects the parameters of the overall efficiency characteristics of the researched pump unit. Additionally, the dependence of the optimal pressure load and the maximum overall efficiency of the pump unit on the geometric adjustment of the main pump’s working volume was analyzed. It was shown that the pre-charging system affects the increase in the optimal pressure load at which the most favorable operating conditions, in terms of energy consumption, are obtained for the researched hydraulic pump unit.

1. Introduction

Hydraulic charging systems are increasingly being used in modern hydraulic drive systems. This is especially true for higher-power hydraulic systems. The pre-charging system makes it possible to improve the suction conditions of the main pumps and to thus increase the speed of the drive shafts. In this way, without additional investment costs (except only the cost of the pre-charging system), it is possible to increase the capacity of the main pump unit by increasing the speed of the drive motors. In addition, charge pumps pump clean and fresh hydraulic oil directly into the suction lines of hydraulic main pumps, thereby reducing the danger of cavitation by raising the suction pressure of the pumps to a pressure higher than atmospheric. This is often a pressure value of 1.0 MPa and above [1,2,3,4,5,6,7]. In particular, this is often used in ships’ big power hydraulic central loading systems.
The value of the pre-charging pressure, in addition to the factors mentioned at the beginning of this section, also depends on the design of the hydraulic motors installed in the central supply system. The selection of too high a pressure in the suction port of the pump (higher than allowed by the manufacturer of the motors) can lead to damage to the hydraulic pumps and motors. The purposes of this article are to conduct an efficiency analysis on the basis of a formulated mathematical energy model of the system and an experimental analysis of a simple pump system consisting of a single hydraulic pump of the axial piston type and to attempt to answer the question of how the addition of a low-pressure pre-charging system for the main pump affects the value of the overall efficiency of the entire hydraulic pump unit. On the one hand, the operating conditions of the main hydraulic pump on the suction line improve, which, among other things, reduces cavitation problems; on the other hand, the additional low-pressure unit increases energy consumption. On the one hand, the energy consumption of the main pump decreases because the pressure difference between suction and discharge decreases, and on the other hand, the addition of an additional low-pressure hydraulic unit increases the energy intake of the entire power unit. Thus, in the overall energy balance, will the installation of an additional low-pressure pre-charging unit be neutral or negative in terms of the amount of energy loss and the overall efficiency of the system? In the case of cavitation problems in the suction of the main pump, is it a good solution, from an energy point of view, to install a low-pressure pre-charging system, or is it a better solution to reconstruct the existing suction system to reduce suction resistance? In high-powered ship systems, the need for such a reconstruction of the system may be difficult in shipyard conditions, and it poses both technological and financial problems. Hydraulic pump units, in practice, are often operated at less than nominal capacities and operating pressures. The pre-charging system can change the range of operating parameters of a whole pump unit, such as operating pressure and capacity, at which an operation is acceptable, in terms of energy, and unacceptable, especially when the pump unit is operated continuously.
In this study, a comparative analysis of the overall efficiency of an axial-piston-type hydraulic pump unit with variable displacement, equipped with or without a separate pre-charging system, was performed. For this purpose, a computational model of the overall efficiency of the assembly was formulated for both considered cases, and a test stand was built for experimental verification of the assumed theoretical models. Based on the above models, the influence of the pre-charging system on the efficiency characteristics of the assembly, as well as the values of the optimal load at certain set parameters and operating parameters, was analyzed.
There are no studies in the literature regarding the description and analysis of the energy efficiency of hydraulic pump units with low-pressure pre-charging systems. There is no analysis of the effect of the supercharging system on the efficiency of the entire unit and the calculation of the optimal load at which the pre-charging pump unit achieves optimal operating conditions in terms of energy. The subjects of power pack units and hydraulic axial piston pumps’ efficiency have been described by only a few researchers. Schlosser and Hilbrands [8,9], Wilson [10], Baszta [11], and Thoma [12], in their articles, formulated the bases for calculating the volumetric mechanical–hydraulic efficiency coefficients and the overall efficiency of hydraulic positive displacement pumps on the bases of their own experimental studies. Many other researchers used the above results to conduct similar research. As an example, Ivanysyn and Ivantysynova [13], Muschelknautz [14], and others [15,16,17] described analogous formulations of the energy efficiency of hydraulic positive displacement pumps in their books and numerous papers. Similar problems in their work with regard to the study of axial piston pumps and the hydraulic systems were presented by Sliwinski and Sledziewski [18,19], Bavendieck [20], Watton [21], and others [22,23,24]. Ortwig, in his article [25], presented the benefits of using modern numerical calculation methods in the energy calculations of hydraulic machines. Banaszek Petrovic [1,3,4,26] analyzed the disproportionality of flows generated by individual pumps in multi-pump power units equipped with DP constant pressure controllers. They proved that the resulting flow of the entire power unit is not equal to a multiple of the flow of a single reference hydraulic pump that is a component of the multi-pump power unit. In turn, Petrovic, in his doctoral thesis [27], studied the construction of anaxial piston displacement pump and created a mathematical model describing the basic physical processes in the pump, taking into account energy losses.
Czynski [28], in his dissertation, dealt with the efficiency analysis of hydraulic transmission with a hydraulic variable axial piston pump of the PTOZ type and axial piston motor units. He supported his conclusions with experimental studies conducted in a university laboratory. Here, too, it was a pump system without a hydraulic pre-charging system. Many scientific researchers have touched on the efficiency of hydraulic systems when describing specific applications in technology. Some examples include Todić, N.; Savić, S.; Gordić, D.; and Petrović [29], who described solutions to water pumps, and G. E.M. Vael, P. A.J. Achten, and T. van den Brink [30], who presented floating cup pumps [31,32].
Presented in this paper is a problem often encountered in practice [5,6,11]. It is particularly important for hydraulic pumping units with large power (sometimes reaching the level of thousands of kW [1,2]), often encountered in marine and offshore technology. Possible errors in this topic can lead to large operational problems. Therefore, the conclusions of the analysis carried out in this article can be utilitarian in nature, being helpful to many designers analyzing hydraulic systems with pre-charging from the efficiency point of view.

2. Formulation of the Problem

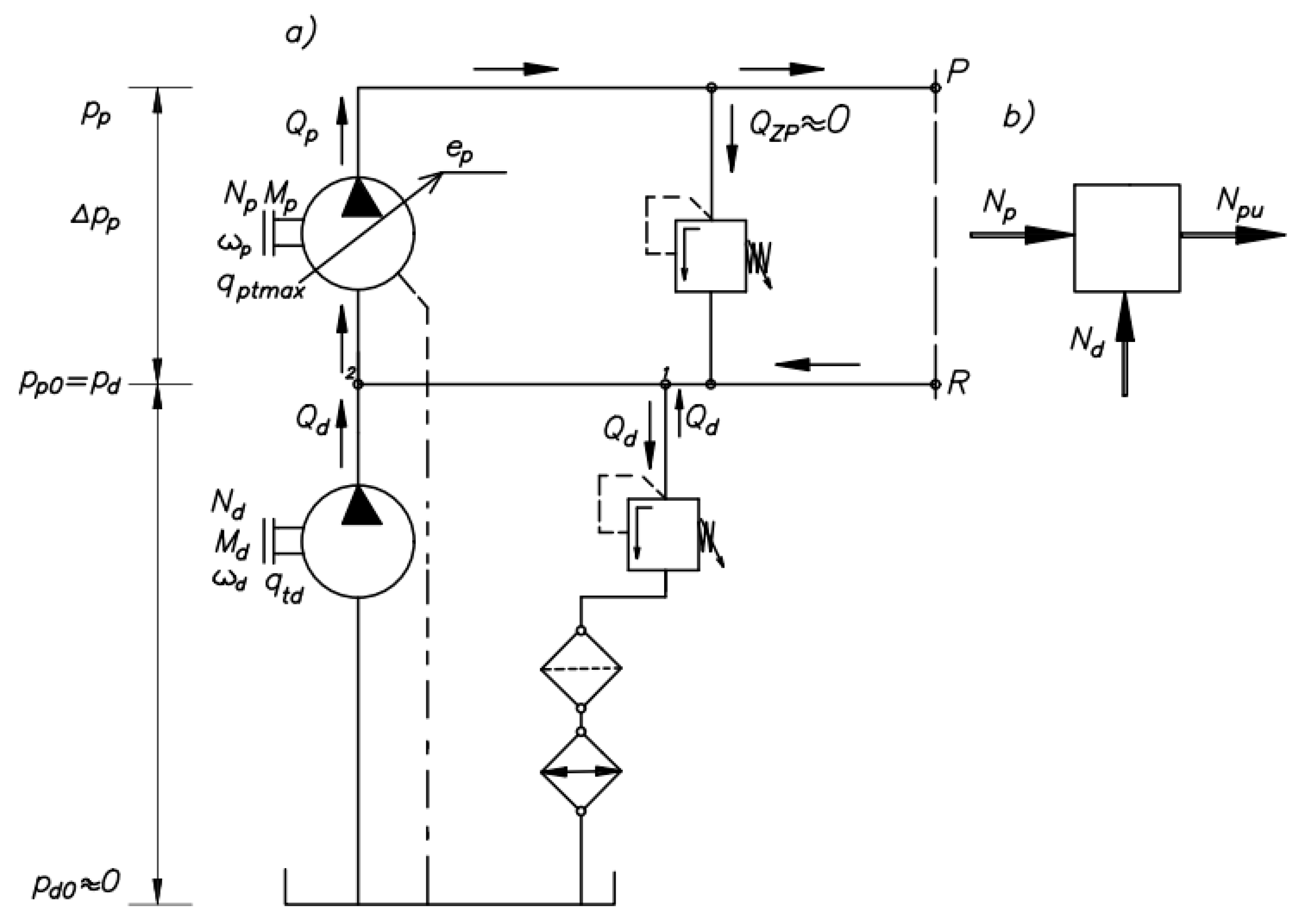
As presented in the introduction to this article, the purpose of this article is a comparative analysis of the overall efficiency of a piston axial type hydraulic power pack, with or without a separate supercharging system. The hydraulic diagram of the analyzed system is shown in Figure 1. This type of solution is often used in systems with higher power and efficiency. In the case under consideration, the hydraulic pump of the supercharging system pumps fresh oil directly to the inlet side of the main pump, increasing the pressure in the inlet channel. The charge pressure is controlled via a low-pressure bypass valve located on the drain line at the oil tank. The capacity of the hot oil flowing from the return line R in this case is equal to the capacity of the pre-charging pump. The efficiency of the hydraulic main pump and the entire pump system is affected by a number of variable technical parameters. At a fixed discharge pressure of the hydraulic main pump, the addition of another low-pressure pre-charging unit reduces the pressure difference between the discharge and inlet ports of the hydraulic main pump by the value of the charge pressure. This results in a decrease in the required power at the drive shaft, and, subsequently, in the required power at the drive shaft of the hydraulic main pump. On the other hand, the power of the low-pressure pre-charging unit is included in the energy balance of the entire pump unit. When it is too high (as a result of either selected flow rate or charge pressure of the pre-charge unit being too high), it can result in a decrease in the overall efficiency of the entire power pack. This article analyzes a pumping unit consisting of a single hydraulic displacement pump of the reciprocating-axial-piston type with a regulated capacity, cooperating with a separate hydraulic pre-charging pump with a fixed geometric working volume. In the next chapter, a mathematical model is formulated for calculating the efficiency value of the main pump and the entire power pack unit with the pre-charging system. Theoretical analysis of the efficiency of the assumed system is carried out. The results of the analysis are compared with the measurements in experimental tests in the laboratory to verify the correctness of the mathematical model of the system and to analyze the effect of the addition of a low-pressure pre-charging system on the efficiency characteristics of the entire hydraulic pump unit.
The research problem is the study and analysis of the effect, in terms of energy, of the addition of a separate hydraulic charging system on the following:
  • efficiency characteristics of the pumping unit with pre-charging system compared to the unit without pre-charging,
  • the maximum values of the overall efficiency of the pumping unit with pre-charging system compared to the unit without supercharging,
  • values of the optimal load at specific set parameters and operating parameters.
In order to conduct the analysis discussed in the article, a theoretical computational model of the overall efficiency of the unit is formulated for both considered cases, and a test stand is built for experimental verification of the assumed theoretical models and efficiency characteristics.
In order to derive analytical relationships for calculating the efficiency of the pre-charge pump assembly, simplifying assumptions were made that the physical processes occur in the system at a steady state, the system is vented and there are no cavitation phenomena, the temperature and viscosity of the oil do not change over time and the bypass valves are tight.

3. The Principles of Sizing the Technical Parameters of the Auxiliary Recharging Hydraulic Pump Unit

The capacity of the charge pumps depends on the nominal capacity of the main pump unit. As a rule, it is assumed that the charge capacity factor, defined as the ratio of the capacity of the charge pumps Q d to the nominal capacity of the entire main pump unit Q p m a x , should not be less than
γ d = Q d i = 1 m p Q p m a x i 0.15 .
In ship-building practice, the capacity of a single pre-charge pump is usually close to that of a single high-pressure positive displacement pump, which is part of the main pump unit. As a rule, two pumps are installed in the pre-charge unit (with the second pump treated as a backup—thus simultaneous operation of both pumps is possible, in emergency situations or for the start-up of the work). This allows a more reliable operation of the unit, minimizing the possibility of failure of the main pump unit in case of failure of one of the pre-feed pumps. This is important especially for high-powered autonomous ship systems operated away from shipyards and service centers for repair and service. The minimum capacity of the oil tank of the post-power unit, as the oil tank for the central power system, is assumed so that the minimum usable volume of the tank is not less than the total capacity of the entire bus system and all hydraulic pumps and motors connected to the system. In case of failure and oil leakage, this makes it possible to refill the system with clean oil without the need to use oil storage tanks. The criterion of heat balance is often not taken into account when designing an oil tank due to the decisive importance of determining the appropriate temperature of the hydraulic oil, as well as the external heat exchanger (cooler), characterized by sufficiently high power.

4. Computational Model of the Efficiency of a Power Unit Consisting of a Single Axial Piston Hydraulic Variable Displacement Pump and an Auxiliary Pre-Charging Power System with a Fixed Displacement Hydraulic Pump

In order to analyze the power unit with pre-charging system, the system with a single hydraulic pump with variable capacity cooperating with a single separate pre-charge pump with a fixed geometric working volume (e.g., a screw tyle pump) was assumed. The hydraulic diagram of the analyzed system is shown in Figure 1.
For the theoretical analysis of the problem, the following parameters were introduced:
  • the relative load pressure of the pump p ¯ p :
    p ¯ p = p p p p 0 p p n o m = Δ p p p p n o m ;
  • the adjustment of the pump geometrical volume e p :
    e p = q p t q p t m a x q p g e o m q p g e o m m a x α p α p m a x ;
  • the relative pump flow Q ¯ p :
Q ¯ p = Q p Q p t m a x ,
where Q p t m a x —maximum theoretical flow of the pump:
Q ptmax = q ptmax · n p | Δ p p = 0 e p = 1.0 ,
where n p | Δ p p = 0 e p = 1.0 = n p 0 —the speed of the electric motor, at no pressure difference between the inflow and the outflow of the pump with the full adjustment of the geometrical volume e p = 1.0 .
The following efficiency factors were used to evaluate the energy properties of hydraulic pumps:
  • The overall efficiency of the hydraulic pump η c p [1,3,8,12,13,14,20,25]:
    η p c = ( p p p p 0 ) · Q p M p · ω p = Δ p p · Q p M p · ω p ;
  • Volumetric efficiency of the hydraulic pump η p v [1,3,8,12,13,14,20,25]:
η p v = Q p Q p t = Q p t Q p v Q p t = 1 Q p v Q p t ,
where Q p t —current theoretical flow of the pump at a given pump volume adjustment ep:
Q p t = e p · q p t m a x · n p | Δ p p = 0 .
The flow rate of a hydraulic pump is a function of, among other things, the speed of the electric motor.
On the other hand, for most asynchronous motors, the drive characteristics in the utility area have a linear relationship. Therefore, the speed drop of an asynchronous motor as a function of torque can be written as follows:
n p = n p 0 ( 1 k eln M p ) n p 0 ( 1 k pvn e p p ¯ p ) ,
where kpvn—stiffness coefficient of the asynchronous motor mechanical characteristics:
k p v n = Δ n p | Δ p p = p pnom n p | Δ p p = 0 = Δ n p | Δ p p = p pnom n po ,
where   Δ n p | Δ p p = p p n o m —the speed drop of the electric motor at the nominal pressure load p ¯ p = 1.0 .
Therefore, taking into account the stiffness of the mechanical characteristics of the electric motor, the flow of the hydraulic pump can be determined by the formula:
Q p = e p ×   q p m a x ×   n 0 ( 1 k v p e p p ¯ p ) ( 1 k v n p e p p ¯ p ) .
  • The mechanical–hydraulic efficiency ratio of the pump η p m h [1,3,8,12,13,14,20,25] is
η p m h = M p t M p = M p t M p t + M p m h = 1 1 + M p m h M p t ,
where M p t —the theoretical drive torque of the pump:
M p t = q p t 2 · π · ( p p p p 0 ) = e p · q p t m a x 2 · π · Δ p p .
It should be noted here that most manufacturers of hydraulic pumps in the world provide values of mechanical–hydraulic efficiency ratio ηpmh in their catalogs. This is because of the ease of verifying it in workshop conditions directly by users. Therefore, the authors have adopted this coefficient for the analysis of energy losses of a mechanical–hydraulic nature in the pump.
By substituting Equations (7)–(13) into Equation (6) we obtain [1,3,8,12,13,14,20,25]
η p c = η p v · η p m h .
The volumetric efficiency of the pump can be calculated using the following equation:
η p v = 1 k p v 1 · p ¯ p k p v 2 e p .
In case of a big power axial piston hydraulic pumps, Equation (15) can be simplified to the following form (kpv2 ≈ 1.0) [1]:
η p v = 1 k p v 1 · p ¯ p k p v 2 e p 1 k p v · p ¯ p e p ,
where kpv—the generalized coefficient of volumetric losses in the pump.
The relative mechano-hydraulic torque losses in hydraulic pump can be approximated with the use of polynomial function:
M p m h M p t ( p ¯ p , e p ) = k p m h 1 e p + k p m h 2 + k p m h 3 · p ¯ p e p + k p m h 4 p ¯ p · e p + k p m h 5 p ¯ p + k p m h 6 · e p p ¯ p ,
where kpmh1, kpmh2, kpmh3, kpmh4, kpmh5, kpmh6—the mechanical–hydraulic loss coefficients in the hydraulic pump.
To take into account the hydraulic subcomponent of the pre-charger, dimensionless parameters were introduced:
  • Dimensionless relative load factor of the pre-charging pump p ¯ d [-]:
    p ¯ d = p d p p   nom ;
  • Dimensionless relative ratio k d as a ratio of the drive power of the pre-charging pump   N d   to the nominal driving power of the main displacement pump N p   nom (at p ¯ p = 1.0 , e p = 1.0 ):
    k d = N d N p   nom ;
  • The overall efficiency of the pre-charged system ηpdc consisting of a single variable displacement main pump and a pre-charging pump with a fixed capacity installed on a common drive shaft with the main displacement pump (see schematic diagram Figure 1) can be defined as the quotient of the power of the oil flow generated by the hydraulic main pump to the mechanical power supplied to the system:
η pdc = N pu N p + N d ,
where   N pu —power supply unit utility.
N pu = Q p Δ p p = Q p ( p p p d ) ,
N p = M p ω p ,
where N d —drive power of the pre-charging pump.
N d = M d ω p .
Using Equations (20)–(23), the equation for calculating the driving torque of the hydraulic main pump can be written as follows:
η p d c = N p u N p + N d = Q p · ( p p p d ) M p ω p + M d ω d = 1 k p v 1 e p · p ¯ p k p v 2 ( 1 + k p m h 1 e p + k p m h 2 + k p m h 3 · p ¯ p p ¯ d e p + k p m h 4 e p · ( p ¯ p p ¯ d ) + k p m h 5 p ¯ p p ¯ d + k p m h 6 · e p p ¯ p p ¯ d ) · ( 1 + M d ω d M p ω p ) 1 k p v 1 e p · p ¯ p ( 1 + k p m h 1 e p + k p m h 2 + k p m h 3 · p ¯ p p ¯ d e p + k p m h 4 e p · ( p ¯ p p ¯ d ) + k p m h 5 p ¯ p p ¯ d + k p m h 6 · e p p ¯ p p ¯ d ) · ( 1 + M d ω d M p ω p )

5. Experimental Research of Efficiency of Hydraulic Pump Unit with Pre-Charging System

In order to check the accuracy of the mathematical model of energy losses in a pump unit with a precharge system, an efficiency test stand was built in the plant laboratory at the West Pomeranian University of Technology in Szczecin, Poland [1]. The schematic diagram and photo are shown in Figure 2. The structure of research stand consisted of the main hydraulic pump as a piston axial pump with swashplate swivel of the PTOZ2-25-R1 type from PZL HYDRAL Wrocław and a gear pump PZ3-2.5 from WPH Wrocław. The main hydraulic Pump 1 was loaded by a loading unit consisting of a conected Hydraulic Motor 2 of fixed absorption PTO2-16 with Pump 13 of the same type and nominal size. The tested hydraulic main Pump 1, connected by a hydraulic lines to the Hydraulic Motor 2, formed a hydrostatic transmission. The pre-charging unit pumped fresh oil by a fixed displacement Hydraulic Gear Pump 3 into the inlet channel of the main Hydraulic Pump 1, and the pre-charging pressure was adjusted by a low-pressure pressure Valve 17. The load on the main Hydraulic Pump 1 under test was realized by a throttling Valve 18. During the measurements of the overall efficiency of Hydraulic Head Pump 1 alone without pre-charging, Stop Valves 14.2 and 14.4 were in the open position and Valves 14.1 and 14.3 were in the closed position. On the other hand, when testing the Hydraulic Main Pump 1 assembly with pre-charging system, Stop Valves 14.1 and 14.3 were in the open position and Valves 14.2 and 14.4 were in the closed position. The measuring system was based on Hottinger components using a measuring amplifier Spider8 with Catman 4.5 software. Pressure measurement was carried out using three (3) pressure transducers 9,10,12 type P3MB/Hottinger (pressure measurement in the range of 2–50 MPa with a maximum error of +/− 0.07 MPa/in the range up to 1.0 MPa–+/− 0.001 MPa) placed in the inlet and outlet lines of the positive displacement machines. Flow measurements were executed by Piston flow meter 6, PT3S type, with accurancy of 0.35%. Torque transducers 7 of type T5/Hottinger (torque measurements with a maximum error of +/− 0.2 Nm) and rotary-pulse transducers 8 of type MOL305/Hottinger for speed measurement with a maximum error of +/− 0.02 rps were mounted on the shafts of both Hydraulic Pumps 1 and 3 and tested, and so was the Load Unit 2, 13. The resulting maximum error in the relative measurement of overall efficiency was +/− 1.5% [33].
First of all, the technical characteristics of the main hydraulic pump with an adjustable swashplate swivel of the PTOZ2-25-R1 type were studied to determine the corresponding energy loss coefficients according to Formulas (7)–(17). Technical data of the hydraulic main pump are provided in Table 1.
First of all, a study of the drive characteristics of the electric motor 4 (Sg160M-4 type) of hydraulic main pump was carried out. Using Equation (10) and the measured decrease in electric motor speed as a function of pump load pressure, the value of the stiffness coefficient kpvn = 0.018 was determined. Subsequently, the volumetric efficiency of the pump PTOZ2-25-R1 was measured as a function of the relative load coefficient p ¯ p for seven working volume pump settings e p (see Figure 3a). Using the linear regression method and Equation (16), the value of the volume loss coefficient of the tested pump kpv= 0.055 was determined. The high value of the regression coefficient for each examined relationship of the volumetric efficiency of the pump (for different values of setting e_p) (greater than R = 0.995) is evidence of a good fit of Equation (16) to the results of measurements of main hydraulic pump volumetric efficiency. This was followed by tests of the mechanical–hydraulic efficiency of the hydraulic main pump. Figure 3 b,c shows the experimental results. To calculate the coefficients of the relative moment of energy losses in the main pump, an approximation polynomial was adopted according to Equations (12), (13) and (17). The approximations were performed using a number of numerical methods. However, the best results were obtained using the Levenberg–Marquordt method. It consists of usage of the method of least squares with additional residual equations to match the approximation coefficients kpmh1, kpmh2, kpmh3, kpmh4, kpmh5, kpmh6, in such a way that the squared error between the approximating function and the measurement results is minimal. A detailed description of the method can be found in the works cited [34]. To perform the calculations, the authors used the Matlab ver. R2020b Update 4 Simulink computer program from Mathworks Inc. (Natick, MA, USA) [35]. Using the multi-parameter approximation method, the following results were obtained by numerical calculation:
k p m h = { k p m h 1 k p m h 2 k p m h 3 k p m h 4 k p m h 5 k p m h 6 } = { 0.0062346 0.047674 0.0073205 0.0621746 0.0083922 0.0036507 } .
As can be seen in Figure 3b,c, a good fit of the approximation relations to the results of mechanical–hydraulic efficiency measurements obtained on the test bench was also obtained here. Using the measurement results of volumetric efficiency and mechanical–hydraulic efficiency, the resulting measurement results of the overall efficiency of the tested hydraulic main pump can be obtained. The results of theoretical calculations of overall efficiency (according to the approximating Equation (14)) were then compared with the results of experimental measurements. The correlation between the theoretical model and the experimental results of the pump measurements had a value greater than R = 0.997. The high value of the regression coefficient is evidence of a good fit of the proposed calculation model of the overall efficiency of the hydraulic main pump for further analysis. Figure 4 shows a universal diagram of the dependence of the overall efficiency of the main pump η p c   as a function of the pressure load p ¯ p   and the geometric operating volume setting ep. Analyzing the graph, it can be concluded that for the pump under study, larger values of total efficiency were obtained at higher values of pump settings ep, when the value of the relative load of the pump p ¯ p   was fixed. The energy-optimal operating point of the tested pump occurs at the setting ep = 1.0 and the pressure load p ¯ p = p ¯ p n o m = 1.00 (point A on Figure 4). The maximum value of the overall efficiency of the main pump reaches η pcmax = 0.842 . In the case of improper sizing of the pump, when the selected pump operates under incomplete load conditions ( p ¯ p = 0.73 ), and instead of operating at full operating volume setting ep= 1.0 (point B ), it operates at incomplete setting, e.g., ep = 0.16 (punkt C ). The obtained value of overall efficiency of the pump is decidedly lower. In the analyzed case, instead of the possible value of the total efficiency of the pump η pcmax = 0.834 (point B ), the resulting efficiency value decreased to η pc = 0.466 . The analyzed situation is often encountered in professional practice. The selection of a pump unit is based on the current availability in the manufacturer’s catalog offer or on the cost list of the purchase. Therefore, a pump with a higher capacity in relation to the needs of the designed system is often selected. As a result, the pump has to operate at a reduced pump flow setpoint compared to the nominal one and the total efficiency of such a pumping unit is much lower.
In order to analyze the impact of the separate hydraulic pre-charging system on the whole hydraulic power pack unit overall efficiency, a basic hydraulic system with hydraulic main pump with pre-charging system described above was adopted. Testing of the system was carried out on the laboratory hydraulic testing stand described earlier with Stop Valves 14.1 and 14.3 open and 14.2 and 14.4 closed (see system diagram Figure 2).
As a pre-charging pump, hydraulic gear pump PZ3-2.5 type prod was used. It was produced by WPH Wrocław, Poland. Basic technical data of a pump is presented in Table 2 below.
The pre-charge pressure was p d   = 0.5 MPa at the flow of pre-charging pump Q d   = 4.15 10 5   m 3 / s and driving power N d   = 7.12 10 2 kW. In the case, the value of the pre-charging coefficient according to Equation (1) was γ d = 0.1634 and the dimensionless pre-charge ratio value kd = 0.0147 (according to Equation (19)). The results of laboratory measurements of the overall efficiency of the pre-charged pump unit are presented in Figure 5.
Then the results of the measurements were compared with the calculated values using Equation (24). A good match was obtained between the laboratory measurement results of the overall efficiency ηpdc and the calculations using formulated theoretical model in the article.
Figure 6 shows the results of calculating the universal efficiency diagram of the analyzed pump unit with pre-charging system ηpdc in the function of the pressure load p ¯ p and working volume adjustment e p (main pump). Comparing the above efficiency diagram and for the main pump efficiency diagram for main pump alone, in a system without the pre-charging system (see Figure 4), it can be observed that the operating areas of the power unit with higher energy efficiency are decreasing. In the contour-type diagrams, this is evidence of a decrease in the value of the overall efficiency ηpdc, and this spreads over the entire range of operating parameters (i.e.,   p ¯ p   and e p ). There is the maximum overall efficiency of the unit with pre-charge (obtained at the nominal).
Operating volume setting of the main pump e p = 1.0 and relative load p ¯ p = 1.0 was ηpdc max = 0.828, i.e., 0.014 less than for the main pump alone without pre-charge (ηpdc max = 0.842—see Figure 4). The aforementioned difference increases as the setting value of the main pump’s operating volume decreases. For example, for setting e p = 0.6, the difference in the maximum efficiency of the analyzed system with and without pre-charge was 0.021, while for setting e p = 0.1 it was already 0.043. The process of pre-charging of the main pumps also affects the value of the optimum load p ¯ p O P T at which the entire power unit reaches the maximum of its overall efficiency. By comparing the diagram of the dependence of   p ¯ p O P T   on the value of the setting of the specific capacity e p of the main pump for the system without and with pre-charge (see Figure 7), it can be seen that the process of recharge affects the increase in the value of the optimum pressure, at which the most favorable conditions for the operation of the power unit in terms of energy are obtained. For example, at a setting of e p = 0.2, the value of the optimum load p ¯ p O P T   for the analyzed system with precharging system was 0.903, while for the system without pre-charging it was 0.811. It can also be seen that the value of the setting e p at which the maximum efficiency of the system occurs at a nominal load of p ¯ p O P T   = 1.0 decreased from e p   = 0.496 for the system without recharging unit to e p     = 0.282 for the system with pre-charging phenomena.

6. Conclusions

The analysis of energy losses and overall efficiency of the hydraulic pump unit with and without the pre-charging system allows the following concluding remarks:
  • Pre-charging system affects overall efficiency characteristics parameters of pump unit.
  • The maximum value of the overall efficiency of a hydraulic power unit without pre-charging system is higher than the overall efficiency of an analogous hydraulic pump unit with a pre-charging system.
  • The process of charging the main pumps also affects the value of the optimal pressure load p ¯ p O P T , at which the whole power unit reaches the maximal value of its overall efficiency.
  • The process of pre-charge affects the increase in the value of the optimum pressure, at which the most favorable conditions for the operation of the power unit in terms of energy are obtained.

Author Contributions

Conceptualization, A.B. and R.P.; methodology, A.B. and R.P.; Software, A.B. and R.P.; Validation, A.B. and R.P.; Formal analysis, A.B. and R.P.; Investigation, A.B. and R.P.; Resources, A.B. and R.P.; Data curation, A.B. and R.P.; Writing—original draft preparation, A.B., R.P., M.A. and M.R.; Writing—review and editing, A.B., R.P., M.A. and M.R.; Visualization, A.B. and R.P.; Supervision, A.B. and R.P.; Funding acquisition, A.B. and R.P. All authors have read and agreed to the published version of the manuscript.

Funding

This paper is funded by the Union—Nikola Tesla University, Faculty of Information Technology and Engineering.

Institutional Review Board Statement

Not applicable.

Informed Consent Statement

Not applicable.

Data Availability Statement

Data are contained within the article.

Acknowledgments

The authors would like to thank Editor-in-Chief, Editor, and anonymous reviewers for their valuable reviews.

Conflicts of Interest

The authors declare no conflict of interest.

Nomenclature

p ¯ p
-
pressure load of the pump
[-]
p ¯ p O P T
-
optimal pressure load of the pump
[-]
p ¯ d
-
pressure load of the pre-charging pump
[-]
p p n o m
-
the nominal pump working pressure
[MPa]
p p
-
pump working pressure
[MPa]
p p 0
-
pressure at the inflow to the pump
[MPa]
p d
-
pre-charging pump working pressure
[MPa]
Δ p p
-
pressure drop in a main pump
[MPa]
e p
-
geometrical working volume adjustment of the main pump
[-]
q p t ,   q p g e o m
-
theoretical and geometrical working volume of a main pump
[ m 3 rot 1 ]
q p t m a x q p g e o m m a x
-
maximum theoretical and geometrical working volume of a main pump
[ m 3 rot 1 ]
Q ¯ p
-
relative main pump flow
[-]
Q p
-
flow of the main pump
[ m 3 s 1 ]
Q d
-
pre-charging hydraulic unit flow
[ m 3 s 1 ]
Q p t
-
theoretical flow of the main at a given pump adjustment e p
[ m 3 s 1 ]
Q p v
-
pump leakage flow
[ m 3 s 1 ]
M p
-
drive torque of the main pump
[Nm]
M p t
-
theoretical drive torque of the main pump at a given geometrical working volume adjustment e p
[Nm]
Mpmh
-
mechanical–hydraulic loss torque in the pump
[Nm]
M d
-
drive torque of the pre-charging pump
[Nm]
n p
-
rotational speed of the main pump drive
electric motor
[rps]
n p 0
-
rotational speed of the drive electric motor at the zero-pressure drop in the main pump and full adjustment of the working geometrical volume e p = 1.0
[rps]
Δ n p
-
the speed drop of the drive pump electric motor at the nominal pressure load p ¯ p = 1.0 .
[rps]
N p u
-
power supply unit utility power
[kW]
N p
-
driving power of the main pump
[kW]
N p   n o m
-
nominal driving power of the main pump at p ¯ p = 1.0 ,     e p = 1.0
[kW]
N d
-
drive power of the pre-charging pump
[kW]
kpv1, kpv2
-
volumetric loss coefficients of the main pump
[-]
kpv
-
generalized volumetric loss coefficients of the main pump
[-]
kpvn
-
stiffness coefficient of the electric motor drive mechanical characteristic
[-]
kpmh1-kpmh6
-
the mechanical–hydraulic loss coefficients in a main pump
[-]
kd
-
pre-charge ratio as a ratio of the drive power of the pre-charging pump
[-]
α p , α p m a x
-
current and maximum swashplate angle of the axial piston main pump
[deg]
γ d
-
charge capacity factor
[-]
η p v
-
volumetric efficiency of the main pump
[-]
η p m h
-
mechanical–hydraulic efficiency of the main pump
[-]
η p c
-
overall efficiency of a main pump
[-]
ηpdc
-
overall efficiency of the pump unit with pre-charged system
[-]
ν n
-
hydraulic oil kinematic viscosity
[ m 2 s 1 ]
ω p
-
angular speed of the drive shaft of the main pump
[ rad   s 1 ]
ω d
-
angular speed of the drive shaft of the pre-charging pump
[ rad   s 1 ]

References

  1. Banaszek, A.; Petrovic, R.; Andjelkovic, M.; Radosavljevic, M. Concept of Efficiency of a Twin-Two-Pump Hydraulic Power Pack with Pumps Equipped in Constant Pressure Regulators with Different Linear I Performance Characteristics. Energies 2022, 15, 8100. [Google Scholar] [CrossRef]
  2. Zhou, J.; Vacca, A.; Casoli, P. A novel approach for predicting the operation of external gear pumps under cavitating conditions. E Simul. Model. Pract. Theory 2014, 45, 35–49. [Google Scholar] [CrossRef]
  3. Banaszek, A. Identification of optimal efficiency exploatation conditions of axial piston hydraulic motor A2FM type using Artificial Neural Network algorithms. Elsevier Procedia Comput. Sci. 2021, 192, 1532–1540. [Google Scholar] [CrossRef]
  4. Banaszek, A.; Petrovic, R. Calculation of the unloading operation in case of liquid cargo service with high density on modern product and chemical tankers equipped with hydraulic submerged cargo pumps. Stroj. Vestn. J. Mech. Eng. 2010, 56, 186–194. [Google Scholar]
  5. Banaszek, A. The concept of powering of submerged ballast pumps from hydraulic central loading system on board product and chemical tankers. Mar. Technol. Trans. Pol. Acad. Sci. 2007, 18, 5–17. [Google Scholar]
  6. Stocznia Szczecinska Design Office SA. Technical Specification 40000 DWT Chemical Tanker Nr B578-I-PK/0050-1-“B; Stocznia Szczecinska SA: Szczecin, Poland, 1997. [Google Scholar]
  7. Bosch Rexroth Group. Catalogue RD 92050/09.21; Bosch Rexroth Group: Lohr am Main, Germany, 2021. [Google Scholar]
  8. Schlosser, W.M.J.; Hilbrands, J.W. Das theoretische Hubvolumen von Verdrangerpumpen. Olhydraulik Und Pneum 1963, 7, 133–138. [Google Scholar]
  9. Schlosser, W.M.J.; Hilbrands, J.W. Das volumetrische Wirkungsgrad von Verdrangerpumpen. Olhydrauli Und Pneum. 1963, 7, 476–496. [Google Scholar]
  10. Wilson, W.E. Rotary pump theory. Trans. ASME 1946, 5, 371. [Google Scholar] [CrossRef]
  11. Baszta, T.M. Hydraulic Devices. Structures and Calculations; WNT: Warszawa, Poland, 1967. [Google Scholar]
  12. Thoma, J. Mathematische Modelle und die effective Leistung hydrostatischer Maschienen und Betriebe. Oilhydraulik Und Pneum. 1970, 14, 233–237. [Google Scholar]
  13. Ivantysyn, J.; Ivantysynova, M. Hydrostatic Pumps and Motors. Principles, Design, Performance, Modelling, Analysis, Control and Testing, 1st ed.; Akademia Books International: New Delhi, India, 2001. (In English) [Google Scholar]
  14. Muschelknautz, H. Volumetrische Verluste an hydostatischen Verdraeungenrmaschienen. Oilhydraulik Und Pneum. 1974, 5, 407–410. [Google Scholar]
  15. Mc Candlish, D.; Dorey, R. Study State Losses in Hydrostatic Pumps and Motors. In Proceedings of the 6th International Fluid Power Symposium, Cambridge, UK, 8–10 April 1981; paper C3. pp. 131–144. [Google Scholar]
  16. Gramatikov, I. Design of Hydraulic Systems for Lift Trucks, 2nd ed.; Technical University: Sofia, Bulgaria, 2011; ISBN 978-1-257-01500-9. [Google Scholar]
  17. Shang, T. Improving Performance of an Energy Efficient Hydraulic Circuit. Ph.D. Thesis, University of Saskatchewan, Saskatoon, SK, Canada, 2004. [Google Scholar]
  18. Śliwiński, P. Determination of the Theoretical and Actual Working Volume of a Hydraulic Motor—Part II (The Method Based on the Characteristics of Effective Absorbency of the Motor). Energies 2022, 14, 1648. [Google Scholar] [CrossRef]
  19. Sledziewski, P.; Śliwiński, P. The methodology of design of satellite working mechanism of positive displacement machine. Sci. Rep. 2022, 12, 13685. [Google Scholar] [CrossRef]
  20. Bavendieck, R. Neue Methode zur Bestimmung der Verluste (Wirkungsgrade) an hydrostatischen Maschienen. Oilhydraulik Und Pneum. 1987, 5, 861–866. [Google Scholar]
  21. Watton, J. Fluid Power Systems. Modelling, Simulation, Analog and Microcomputer Control; Prentice Hall: New York, NY, USA, 1989. [Google Scholar]
  22. Vacca, A.; Guidetti, M. Modelling and experimental validation of extern spur gear machines for fluid power applications. Simul. Model. Pract. Theory 2011, 19, 2007–2031. [Google Scholar] [CrossRef]
  23. Galal, R.M. Fluid Power Engineering; Mc Graw Hill: New York, NY, USA, 2009. [Google Scholar]
  24. Khalil, M. Performance Investigation of the Swash Plate Axial Piston Pumps with Conical Cylinder Blocks. Ph.D. Thesis, The Department of Mechanical and Industrial Engineering, Concordia University, Montreal, QC, Canada, 2003. [Google Scholar]
  25. Ortwig, H. Numerical Optimalisation on Hydrostatic Transmission Performance calculations. In Proceedings of the 6th World Conference of Structural and Multidisciplinary Optimalization, Rio de Janeiro, Brazil, 30 May–3 June 2005. [Google Scholar]
  26. Banaszek, A.; Petrovic, R. Problem of Non Proportional Flow of Hydraulic Pumps Working with Constant Pressure Regulators in Big Power Multipump Power Pack Unit in Open System. Tech. Gaz. 2019, 2, 294–301. [Google Scholar]
  27. Petrovic, R. Mathematical Modeling and Identification of Multicylindrical Axial Piston Pump Parameters. Ph.D. Thesis, Faculty of Mechanical Engineering, Belgrade, Serbia, 1999. [Google Scholar]
  28. Czynski, M. Laboratory Research of the Efficiency Modell of Hydrostatic Transmission. Ph.D. Thesis, Maritime Research Faculty, Technical University of Szczecin, Szczecin, Poland, 2005. [Google Scholar]
  29. Todić, N.; Savić, S.; Gordić, D.; Petrović, R. Experimental Research of the Hydrodynamic Processes of an Axial Piston Water Hydraulic Pump. Machines 2022, 10, 728. [Google Scholar] [CrossRef]
  30. Vael, G.E.M.; Achten, P.A.J.; van den Brink, T. Efficiency of a variable displacement open circuit floating cup pump, Control System Technology. In Proceedings of the 11th Scandinavian International Conference on Fluid Power (SICFP’09), Linköping, Sweden, 2–4 June 2009. [Google Scholar]
  31. Lesniewski, T.; Stosiak, M.; Lubecki, M.; Krawczyk, J. Wear resistance of selected anti-wear coatings used in multi-material composite hydraulic cylinders. Aviation 2022, 26, 153–159. [Google Scholar] [CrossRef]
  32. Wu, X.; Chen, C.; Hong, C.; He, Y. Flow ripple analysis and structural parametric design of a piston pump. J. Mech. Sci. Technol. 2017, 31, 4245–4254. [Google Scholar] [CrossRef]
  33. Mannesmann Rexroth GmbH. Projektierung und Konstruktion von Hydroanlagen; RPL 00281/92-Polish Edition; Mannesmann Rexroth Group: Lohr am Main, Germany, 1992. [Google Scholar]
  34. Williamson, D.P.; Shmays, D.B. The Design of Approximation Algorithms; Cambridge University Press: Cembridge, UK, 2011. [Google Scholar]
  35. Mathworks Inc. MATLAB, version R2020b Update 4 (9.9.0.15700001) 64-bit (win64). Tutorial Book. Mathworks Inc.: Natick, MA, USA, 2020.
Figure 1. Simplified schematic of the hydraulic feed system, consisting of a single variable capacity main pump and a fixed capacity recharging pump, installed separately in a low-pressure pre-feed unit with a filter and cooler: (a) simplified hydraulic diagram, (b) block diagram. Source: own development.
Figure 1. Simplified schematic of the hydraulic feed system, consisting of a single variable capacity main pump and a fixed capacity recharging pump, installed separately in a low-pressure pre-feed unit with a filter and cooler: (a) simplified hydraulic diagram, (b) block diagram. Source: own development.
Energies 16 02201 g001
Figure 2. Simplified schematic diagram and photo of the laboratory hydraulic testing system. 1: Tested pump PTOZ2-25-R1, 2: Motor PTO2-16, 3: Pre-charge pump PZ3-2.5, 4: Electric motor Sg160M-4 11 kW, 5: Electric motor Sg160M-4 8 kW, 6: Piston flow meter PT3S, 7: Torque converter T5, 8: Rotary impulse converter MOL305, 9: Pressure transducer P3MB/200 bar, 10: Pressure transducer P3MB/5 bar, 11: Temperature sensor TP-371Pt100, 12: Spring manometer, 13: Pump PTO2-40, 14: Stop valve, 15,16: Safety valves, 17: Low-pressure valve, 18: Throttle valve, 19: Filter, 20: Cooler. Source: own development.
Figure 2. Simplified schematic diagram and photo of the laboratory hydraulic testing system. 1: Tested pump PTOZ2-25-R1, 2: Motor PTO2-16, 3: Pre-charge pump PZ3-2.5, 4: Electric motor Sg160M-4 11 kW, 5: Electric motor Sg160M-4 8 kW, 6: Piston flow meter PT3S, 7: Torque converter T5, 8: Rotary impulse converter MOL305, 9: Pressure transducer P3MB/200 bar, 10: Pressure transducer P3MB/5 bar, 11: Temperature sensor TP-371Pt100, 12: Spring manometer, 13: Pump PTO2-40, 14: Stop valve, 15,16: Safety valves, 17: Low-pressure valve, 18: Throttle valve, 19: Filter, 20: Cooler. Source: own development.
Energies 16 02201 g002aEnergies 16 02201 g002b
Figure 3. Comparison of the results of laboratory measurements and theoretical calculations of the hydraulic pump PTOZ2-25-R1 type efficiency. (a) Diagram of the dependence of the volumetric efficiency as a function of the load p ¯ p at fixed values of the setting of the e p , (b) diagram of the dependence of the mechanical–hydraulic efficiency as a function of the load p ¯ p at fixed values of the setting of the e p ,   (c) diagram of the dependence of the mechanical–hydraulic efficiency as a function of the setting of the e p and at fixed values of the load p ¯ p . Source: own preparation.
Figure 3. Comparison of the results of laboratory measurements and theoretical calculations of the hydraulic pump PTOZ2-25-R1 type efficiency. (a) Diagram of the dependence of the volumetric efficiency as a function of the load p ¯ p at fixed values of the setting of the e p , (b) diagram of the dependence of the mechanical–hydraulic efficiency as a function of the load p ¯ p at fixed values of the setting of the e p ,   (c) diagram of the dependence of the mechanical–hydraulic efficiency as a function of the setting of the e p and at fixed values of the load p ¯ p . Source: own preparation.
Energies 16 02201 g003aEnergies 16 02201 g003b
Figure 4. Universal diagram of the dependence of the overall efficiency of the main pump PTOZ2-25-R1 type η p c as a function of the pressure load p ¯ p   and the geometric operating volume setting ep. Source: own preparation.
Figure 4. Universal diagram of the dependence of the overall efficiency of the main pump PTOZ2-25-R1 type η p c as a function of the pressure load p ¯ p   and the geometric operating volume setting ep. Source: own preparation.
Energies 16 02201 g004
Figure 5. Comparison of the results of laboratory measurements of the overall efficiency of the power pack unit ηpdc composed of the main pump PTOZ2-25-R1 type and the pre-charge gear pump PZ3-2.5 type. (a) Diagram of the overall efficiency ηpdc as a function of the pressure load p ¯ p at fixed values of the main pump flow setting e p , (b) Diagram of the overall efficiency ηpdc as a function of the main pump flow setting e p , at fixed values of the pressure load p ¯ p .   Source: own preparation.
Figure 5. Comparison of the results of laboratory measurements of the overall efficiency of the power pack unit ηpdc composed of the main pump PTOZ2-25-R1 type and the pre-charge gear pump PZ3-2.5 type. (a) Diagram of the overall efficiency ηpdc as a function of the pressure load p ¯ p at fixed values of the main pump flow setting e p , (b) Diagram of the overall efficiency ηpdc as a function of the main pump flow setting e p , at fixed values of the pressure load p ¯ p .   Source: own preparation.
Energies 16 02201 g005
Figure 6. Universal diagram of the dependence of the overall efficiency ηpdc of the pump unit with main pump PTOZ2-25-R1 type and gear pump PZ3-2.5 (pre-charging pump) as a function of the pressure load p ¯ p and the geometric operating volume setting ep for the following technical parameters: p p n o m   = 16.0 MPa, p d   = 0.5 Mpa, N d   = 7.12 10 2 kW, γ d = 0.1634, kd = 0.0147, hydraulic oil L-HL46 with viscosity ν n = 35   10 6   m 2 s 1 . Source: own preparation.
Figure 6. Universal diagram of the dependence of the overall efficiency ηpdc of the pump unit with main pump PTOZ2-25-R1 type and gear pump PZ3-2.5 (pre-charging pump) as a function of the pressure load p ¯ p and the geometric operating volume setting ep for the following technical parameters: p p n o m   = 16.0 MPa, p d   = 0.5 Mpa, N d   = 7.12 10 2 kW, γ d = 0.1634, kd = 0.0147, hydraulic oil L-HL46 with viscosity ν n = 35   10 6   m 2 s 1 . Source: own preparation.
Energies 16 02201 g006
Figure 7. Universal diagram of the dependence of the optimal pressure load p ¯ p O P T of the pump unit with main pump PTOZ2-25-R1 type and gear pump PZ3-2.5 (pre-charging pump) as a function of the geometric operating volume setting ep for the following technical parameters:   p p n o m = 16.0 MPa, p d = 0.5 Mpa, N d   = 7.12 10 2 kW, γ d   = 0.1634, kd = 0.0147, hydraulic oil L-HL46 with viscosity ν n = 35 10 6   m 2 s 1 .   Source: own preparation.
Figure 7. Universal diagram of the dependence of the optimal pressure load p ¯ p O P T of the pump unit with main pump PTOZ2-25-R1 type and gear pump PZ3-2.5 (pre-charging pump) as a function of the geometric operating volume setting ep for the following technical parameters:   p p n o m = 16.0 MPa, p d = 0.5 Mpa, N d   = 7.12 10 2 kW, γ d   = 0.1634, kd = 0.0147, hydraulic oil L-HL46 with viscosity ν n = 35 10 6   m 2 s 1 .   Source: own preparation.
Energies 16 02201 g007
Table 1. Technical parameters of the experimentally tested displacement pump PTOZ2-25-R1 manufactured by PZL-Hydral Wrocław, Poland.
Table 1. Technical parameters of the experimentally tested displacement pump PTOZ2-25-R1 manufactured by PZL-Hydral Wrocław, Poland.
Pump TypeElectric Motor Typeqptmaxppnomnp0Qptmax = qptmax• np0Mptnom = qptmax• ppnom/2π
•10−3 m3/RotMParps•10−3 m3/sNm
PTOZ2-25-R1Sg160M-40.0164916.016.640.274441.99
Table 2. Technical parameters of the experimentally tested gear pump PZ3-2.5 type manufactured by PZL-HydralWrocław, Poland. Source: own preparation.
Table 2. Technical parameters of the experimentally tested gear pump PZ3-2.5 type manufactured by PZL-HydralWrocław, Poland. Source: own preparation.
Gear Pump TypeElectric Motor TypeqdgeompdndQdMdNd
•10−4 m3/RotMParps•10−5 m3/sNm•10−2 kW
PZ3-2.5Sg160M-42.50.516.644.150.687.12
Disclaimer/Publisher’s Note: The statements, opinions and data contained in all publications are solely those of the individual author(s) and contributor(s) and not of MDPI and/or the editor(s). MDPI and/or the editor(s) disclaim responsibility for any injury to people or property resulting from any ideas, methods, instructions or products referred to in the content.

Share and Cite

MDPI and ACS Style

Banaszek, A.; Petrović, R.; Andjelković, M.; Radosavljević, M. Comparative Analysis of the Overall Efficiency of a Hydraulic Pump Unit with and without a Separate Pre-Charging System. Energies 2023, 16, 2201. https://doi.org/10.3390/en16052201

AMA Style

Banaszek A, Petrović R, Andjelković M, Radosavljević M. Comparative Analysis of the Overall Efficiency of a Hydraulic Pump Unit with and without a Separate Pre-Charging System. Energies. 2023; 16(5):2201. https://doi.org/10.3390/en16052201

Chicago/Turabian Style

Banaszek, Andrzej, Radovan Petrović, Maja Andjelković, and Milan Radosavljević. 2023. "Comparative Analysis of the Overall Efficiency of a Hydraulic Pump Unit with and without a Separate Pre-Charging System" Energies 16, no. 5: 2201. https://doi.org/10.3390/en16052201

APA Style

Banaszek, A., Petrović, R., Andjelković, M., & Radosavljević, M. (2023). Comparative Analysis of the Overall Efficiency of a Hydraulic Pump Unit with and without a Separate Pre-Charging System. Energies, 16(5), 2201. https://doi.org/10.3390/en16052201

Note that from the first issue of 2016, this journal uses article numbers instead of page numbers. See further details here.

Article Metrics

Back to TopTop