Simulation and Protection of Reignition Overvoltage in Wind Farm Considering Microscopic Dielectric Recovery Process of Vacuum Circuit Breaker
Abstract
1. Introduction
2. Vacuum Circuit Breaker Micro-Dielectric Recovery Reignition Model
2.1. Mathematical Model of the Post-Arc Dielectric Recovery Process
2.1.1. Sheath Growth
2.1.2. Metal Vapor Attenuation
2.1.3. Static Withstand Voltage Stage
2.1.4. Cathode Spot Distribution Diameter
2.2. High-Frequency Arc Extinguishing Capability
2.3. Vacuum Circuit Breaker Opening and Closing Logic
3. Wind Farm Vacuum Circuit Breaker Reignition Overvoltage Model Validation
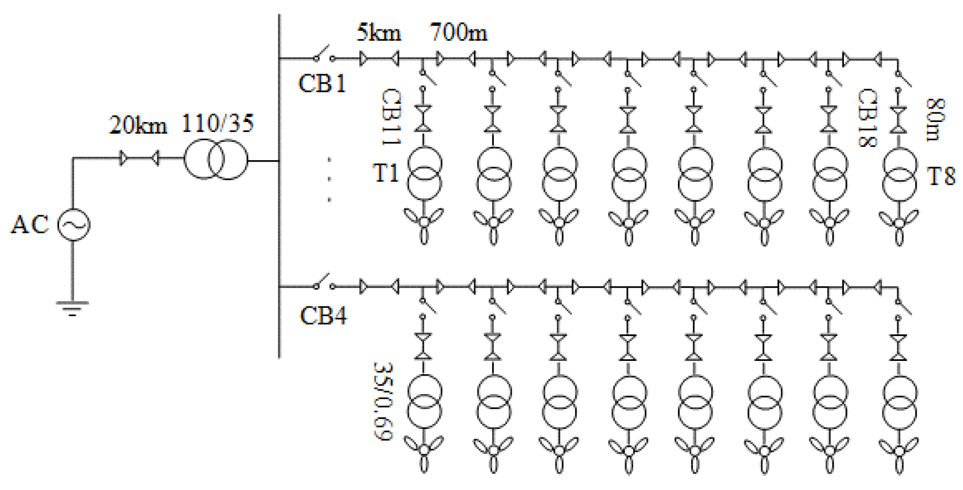
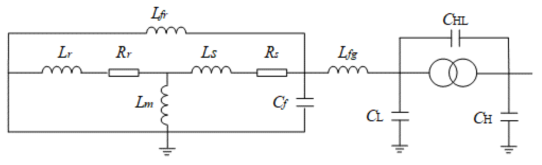
3.1. Overall Wind Farm System Model Building
3.2. Vacuum Breaker Model Validation
4. Simulation of Reignition Overvoltage Protection Measures
4.1. Effect of RC Snubbers on Overvoltage
4.2. Effect of Surge Arresters and Choke Coil on Overvoltage
5. Conclusions
- (1)
- The vacuum breaker reignition model built in this paper takes into account the microscopic dielectric recovery process after the arc, and the simulated reignition number is higher than the traditional linear curve reignition model, while the voltage is smaller, and the accuracy is improved by 51.2% and 24%, respectively, which is closer to the actually measured overvoltage and can reflect the transformer operating condition more accurately.
- (2)
- The resistance and capacitance parameters of RC snubbers affect the inhibition effect. The 400 Ω/0.05 μF and 100 Ω/0.1 μF parameters of the protection effect are comparable and can make the reignition phenomenon basically disappear. The 400 Ω/0.05 μF RC snubbers with strong stability can be selected, but the operation of the standard is not perfect and difficult to manage, among other issues; therefore, they are rarely used in wind farms.
- (3)
- The addition of a combined surge arrester with a series choke coil can make the relative ground and phase overvoltage amplitude reduce by 47.6% and 59.2%; the steepness and the number of reignitions were also reduced by 85.8% and 68.9%. Compared to the RC snubbers, the normal operation of the line parameters will not change. This paper recommends this program for wind farms’ reignition overvoltage protection.
Author Contributions
Funding
Data Availability Statement
Conflicts of Interest
Abbreviations
| CTM | continuous transition model |
| VCB | vacuum circuit breaker |
| TRV | transient recovery voltage |
| DFIG | double-fed induction generator |
| BIL | basic insulation level |
References
- Ghafourian, S.M.; Arana, I.; Holboll, J.; Sorensen, T.; Popov, M.; Terzija, V. General Analysis of Vacuum Circuit Breaker Switching Overvoltages in Offshore Wind Farms. IEEE Trans. Power Deliv. 2016, 31, 2351–2359. [Google Scholar] [CrossRef]
- Kafshgari, N.A.; Ramezani, N.; Nouri, H. Effects of high frequency modeling & grounding system parameters on transient recovery voltage across vacuum circuit breakers for capacitor switching in wind power plants. Int. J. Electr. Power Energy Syst. 2019, 104, 159–168. [Google Scholar]
- Abubakar, U.; Mekhilef, S.; Mokhlis, H.; Seyedmahmoudian, M.; Horan, B.; Stojcevski, A.; Bassi, H.; Rawa, M.J.H. Transient Faults in Wind Energy Conversion Systems: Analysis, Modelling Methodologies and Remedies. Energies 2018, 11, 2249. [Google Scholar] [CrossRef]
- Guo, Y.; Jiang, X.; Chen, Y.; Zheng, M.; Liu, G.; Li, X.; Tang, W. Reignition overvoltages induced by vacuum circuit breakers and its suppression in offshore wind farms. Int. J. Electr. Power Energy Syst. 2020, 122, 106227. [Google Scholar] [CrossRef]
- Wang, J.; Geng, Y.; Liu, Z. The Theory and Technology of Single-Break Vacuum Circuit Breaker for Transmission Level; Machinery Industry Press: Beijing, China, 2017. [Google Scholar]
- Helmer, J.; Lindmayer, M. Mathematical modeling of the high frequency behavior of vacuum interrupters and comparison with measured transients in power systems. In Proceedings of the 17th International Symposium on Discharges and Electrical Insulation in Vacuum, Berkeley, CA, USA, 21–26 July 1996; IEEE: New York, NY, USA, 1996; Volume 1, pp. 323–331. [Google Scholar]
- Abdulahovic, T.; Thiringer, T.; Reza, M.; Breder, H. Vacuum circuit-breaker parameter calculation and modelling for power system transient studies. IEEE Trans. Power Deliv. 2014, 32, 1165–1172. [Google Scholar] [CrossRef]
- Razi-Kazemi, A.A.; Fallah, M.R.; Rostami, M.; Malekipour, F. A new realistic transient model for restrike/prestrike phenomena in vacuum circuit breaker. Int. J. Electr. Power Energy Syst. 2020, 117, 105636. [Google Scholar] [CrossRef]
- Badrzadeh, B.; Hogdahl, M.; Isabegovic, E. Transients in Wind Power Plants-Part I: Modeling Methodology and Validation. IEEE Trans. Ind. Appl. 2012, 48, 794–807. [Google Scholar] [CrossRef]
- Farrall, G.A. Recovery of dielectric strength after current interruption in vacuum. IEEE Trans. Plasma Sci. 1978, 6, 360–369. [Google Scholar] [CrossRef]
- Mo, Y.; Shi, Z.; Jia, S. Study of the influences of different factors on the charged particles absorbed by the post-arc anode during the post-arc sheath expansion process in vacuum circuit breakers. AIP Adv. 2021, 11, 015317. [Google Scholar] [CrossRef]
- An, C.; Sima, W.; Liao, R.; Li, S. Research on 35 kV circuitry vacuum circuit breaker interrupting no load transformer overvoltage. Proc. CSEE 2002, 08, 100–104. [Google Scholar]
- Wang, F.; Wang, Z.; Hao, M. Dielectric recovery process of multiple re-ignition phenomena after small inductive current interruption in vacuum. High Volt. Eng. 2018, 44, 2019–2026. [Google Scholar]
- Liu, L.; Yuan, Z.; Liu, S.; Chen, L.; Wu, K.; Pan, Y. Research on the Postarc Sheath Growth Process Considering the Plasma Motion and Distribution. IEEE Trans. Plasma Sci. 2020, 48, 4289–4297. [Google Scholar] [CrossRef]
- Liljestrand, L.; Lindell, E. Efficiency of surge arresters as protective devices against circuit-breaker-induced overvoltages. IEEE Trans. Power Deliv. 2015, 31, 1562–1570. [Google Scholar] [CrossRef]
- Nilges, M.; Schegner, P. Influence of RC snubbers on the steepness of switching transients caused by vacuum circuit breakers. In Proceedings of the 2018 IEEE Power & Energy Society General Meeting (PESGM), Portland, OR, USA, 5–10 August 2018; IEEE: New York, NY, USA, 2018; pp. 1–5. [Google Scholar]
- Zhou, Q.; Cheng, Y.; Bian, X.; Liu, F.; Zhao, Y. Analysis of restrike overvoltage of circuit breakers in offshore wind farms. IEEE Trans. Appl. Supercond. 2016, 26, 1–5. [Google Scholar] [CrossRef]
- Smugala, D.; Piasecki, W.; Ostrogorska, M.; Florkowski, M.; Fulczyk, M.; Granhaug, O. Wind Turbine Transformers Protection Method against High-Frequency Transients. IEEE Trans. Power Deliv. 2015, 30, 853–860. [Google Scholar] [CrossRef]
- Ghasemi, S.; Allahbakhshi, M.; Behdani, B.; Tajdinian, M.; Popov, M. Probabilistic analysis of switching transients due to vacuum circuit breaker operation on wind turbine step-up transformers. Electr. Power Syst. Res. 2020, 182, 106204. [Google Scholar] [CrossRef]
- Liu, L.; Yuan, Z.; Liu, S.; Chen, L.; He, J.; Pan, Y. Experiment research of post-arc current and cathode spots distribution in medium-high frequency vacuum arc. Phys. Plasmas 2020, 27, 063507. [Google Scholar] [CrossRef]
- Liu, Z.Y.; Wang, J.M.; Yuan, S. Physical process of interrupting ac current in vacuum interrupter and mathematical evaluation of the interrupting capacity. In Proceedings of the International Symposium on Discharges and Electrical Insulation in Vacuum, ISDEIV, Xi’an, China, 18–22 September 2000; Volume 2, pp. 431–434. [Google Scholar]
- Ding, J.; Liu, X.; Yao, X.; Liu, Z.; Geng, Y.; Wang, J. Prebreakdown Current Characteristics of Vacuum Gaps with Various Gap Distances. In Proceedings of the 2020 29th International Symposium on Discharges and Electrical Insulation in Vacuum (ISDEIV), Padova, Italy, 26–30 September 2021; IEEE: New York, NY, USA, 2021; pp. 15–18. [Google Scholar]
- Rong, M.; Wang, X.; Yang, W.; Jia, S. Theoretical and experimental analyses of the mechanical characteristics of a medium-voltage circuit breaker. IET Sci. Meas. Technol. 2005, 152, 45–49. [Google Scholar] [CrossRef]
- Glasdam, J.; Bak, C.L.; Hjerrild, J. Transient Studies in Large Offshore Wind Farms Employing Detailed Circuit Breaker Representation. Energies 2012, 5, 2214–2231. [Google Scholar] [CrossRef]
- Xin, Y.; Zhao, B.; Liang, Q.; Zhou, J.; Qian, T.; Yu, Z.; Tang, W. Development of Improved Suppression Measures against Reignition Overvoltages Caused by Vacuum Circuit Breakers in Offshore Wind Farms. IEEE Trans. Power Deliv. 2021, 37, 517–527. [Google Scholar] [CrossRef]
- Ghafourian, S.M. Switching Transients in Large Offshore Wind Farms; The University of Manchester: Manchester, UK, 2015. [Google Scholar]
- Xin, Y.L.; Tang, W.H.; Zhou, J.J.; Yang, Y.; Liu, G. Sensitivity analysis of reignition overvoltage for vacuum circuit breaker in offshore wind farm using experiment-based modeling. Electr. Power Syst. Res. 2019, 172, 86–95. [Google Scholar] [CrossRef]
- GB 311.1—1997; Insulation Coordination for High Voltage Transmission and Distribution Equipment. Xi’an High Voltage Apparatus Research Institute: Xi’an, China, 1997.

















| Parameter | Physical Meaning | Value or Unit |
|---|---|---|
| l | sheath length | mm |
| ε0 | vacuum dielectric constant | 8.85 × 10−12 F/m |
| e | electronic charge | 1.602 × 10−19 C |
| Z | average charge carried by ions | 1.3~1.5 |
| u0 | sheath potential | V |
| δAMP | inter-polar ion space charge distribution coefficient | 5 |
| I0 | Initial value of post-arc current | A |
| Mi | metal ion mass | 1.062 × 10−25 kg |
| vi | copper ion movement velocity | 5000 m/s |
| D | cathode spot distribution diameter | mm |
| Ni | plasma density | m−3 |
| τ | ion diffusion decay time parameter | 0.5~10 μs |
| d | gap distance between contacts | Max. 20 mm |
| tvod | the time from the moment of current zero crossing to the beginning of the sheath growth | 100 ns |
| Method | Voltage (kV) | Steepness (kV·μs−1) | Number of Reignition | Reignition Duration (ms) |
|---|---|---|---|---|
| Real measurement | 123.01 | 148.31 | 43 | 2.1 |
| Linear | 156.18 | 130.64 | 18 | 1.6 |
| Quadratic | 148.67 | 126.32 | 30 | 1.9 |
| Dielectric recovery | 126.61 | 157.89 | 40 | 2.2 |
| Parameter Model | Voltage to Ground (kV) | Interphase Voltage (kV) | Steepness (kV·μs−1) | Number of Reignition |
|---|---|---|---|---|
| No protection | 153.7 | 262.8 | 157.2 | 45 |
| 100 Ω/0.1 μF | 41.2 | 58.6 | — | 0 |
| 400 Ω/0.05 μF | 58.3 | 72.8 | 53.2 | 3 |
| Protection Measures | Voltage to Ground (kV) | Interphase Voltage (kV) | Steepness (kV·μs−1) | Number of Reignition |
|---|---|---|---|---|
| Star arrester | 91.8 | 180.6 | 145.3 | 27 |
| Choke coil | 145.1 | 253.7 | 30.4 | 26 |
| Choke coil +10 nF | 133.6 | 241.6 | 14.2 | 16 |
| Choke coil + star arrester | 91.7 | 180.1 | 24.7 | 21 |
| Choke coil + combined arrester | 80.5 | 107.3 | 22.3 | 14 |
| Choke coil + star and interphase arrester | 74.1 | 91.9 | 19.6 | 12 |
Disclaimer/Publisher’s Note: The statements, opinions and data contained in all publications are solely those of the individual author(s) and contributor(s) and not of MDPI and/or the editor(s). MDPI and/or the editor(s) disclaim responsibility for any injury to people or property resulting from any ideas, methods, instructions or products referred to in the content. |
© 2023 by the authors. Licensee MDPI, Basel, Switzerland. This article is an open access article distributed under the terms and conditions of the Creative Commons Attribution (CC BY) license (https://creativecommons.org/licenses/by/4.0/).
Share and Cite
Pu, Z.; Liu, H.; Wang, Y.; Yu, X.; Wu, T. Simulation and Protection of Reignition Overvoltage in Wind Farm Considering Microscopic Dielectric Recovery Process of Vacuum Circuit Breaker. Energies 2023, 16, 2070. https://doi.org/10.3390/en16042070
Pu Z, Liu H, Wang Y, Yu X, Wu T. Simulation and Protection of Reignition Overvoltage in Wind Farm Considering Microscopic Dielectric Recovery Process of Vacuum Circuit Breaker. Energies. 2023; 16(4):2070. https://doi.org/10.3390/en16042070
Chicago/Turabian StylePu, Ziheng, Hao Liu, Yaoqiang Wang, Xinyun Yu, and Tian Wu. 2023. "Simulation and Protection of Reignition Overvoltage in Wind Farm Considering Microscopic Dielectric Recovery Process of Vacuum Circuit Breaker" Energies 16, no. 4: 2070. https://doi.org/10.3390/en16042070
APA StylePu, Z., Liu, H., Wang, Y., Yu, X., & Wu, T. (2023). Simulation and Protection of Reignition Overvoltage in Wind Farm Considering Microscopic Dielectric Recovery Process of Vacuum Circuit Breaker. Energies, 16(4), 2070. https://doi.org/10.3390/en16042070

