You are currently viewing a new version of our website. To view the old version click .
Energies
  • Article
  • Open Access

18 February 2023

Power Management in Three-Phase Grid-Integrated PV System with Hybrid Energy Storage System

and
Department of Electrical Engineering, National Institute of Technology Rourkela, Rourkela 769008, India
*
Author to whom correspondence should be addressed.
This article belongs to the Special Issue Advances in Control of Photovoltaic and Microgrid Systems

Abstract

The management of energy in distribution networks has been gathering attention in recent years. The simultaneous control of generation and demand is crucial for achieving energy savings and can further lower energy pricing. The work aims to develop a control scheme for a hybrid microgrid that can provide stability to the bus voltage and effectively manage the power flow. Solar energy is the current trend in renewable energy sources (RES). There is a surge in the installation of solar PV systems both on a large scale and on a small scale, such as rooftop PV systems. Installation of RES at residential premises has to be conducted with a proper power management scheme. The hybrid microgrid for this work consists of a PV system with a boost converter to extract maximum power, a DC-DC bi-directional converter to charge or discharge the hybrid energy-storing devices, and a three-phase AC-DC interlinking converter for exchange of energy with the utility grid. The control and power management scheme checks the voltage of each unit and maintains the power flow according to operating conditions. Disturbances are introduced in the form of load switching and irradiance variation to check the system performance. The system is tested on the MATLAB (R2021a) Simulink platform for varying its different modes of operations. An experimental set-up has been developed with hardware-in-the-loop to validate the simulation results.

1. Introduction

Rapidly rising consumption of non-renewable fuels, causing an increase in carbon emissions to the atmosphere, has forced humanity to switch to RES to fulfill ever-increasing energy demands. Distribution generation (DG) with renewable energy generation such as wind energy and solar energy is promising to provide the solution for replacing conventional energy resources. The PV system has become a notable choice for distributed power generation worldwide because of its abundant availability. Again, the constantly evolving PV technology and improvement in cost-effectiveness aid the installation of more solar energy systems. As of 2021, the total solar energy produced in India stands at 40 GW [1]. The PV system supports sustainable growth while fulfilling the country’s energy demand. The output power fluctuation due to its dependency on irradiance, temperature, partial shading, and humidity causes issues while integrating the system into the grid. Hybrid energy storage units (HESUs) are used to address this issue.
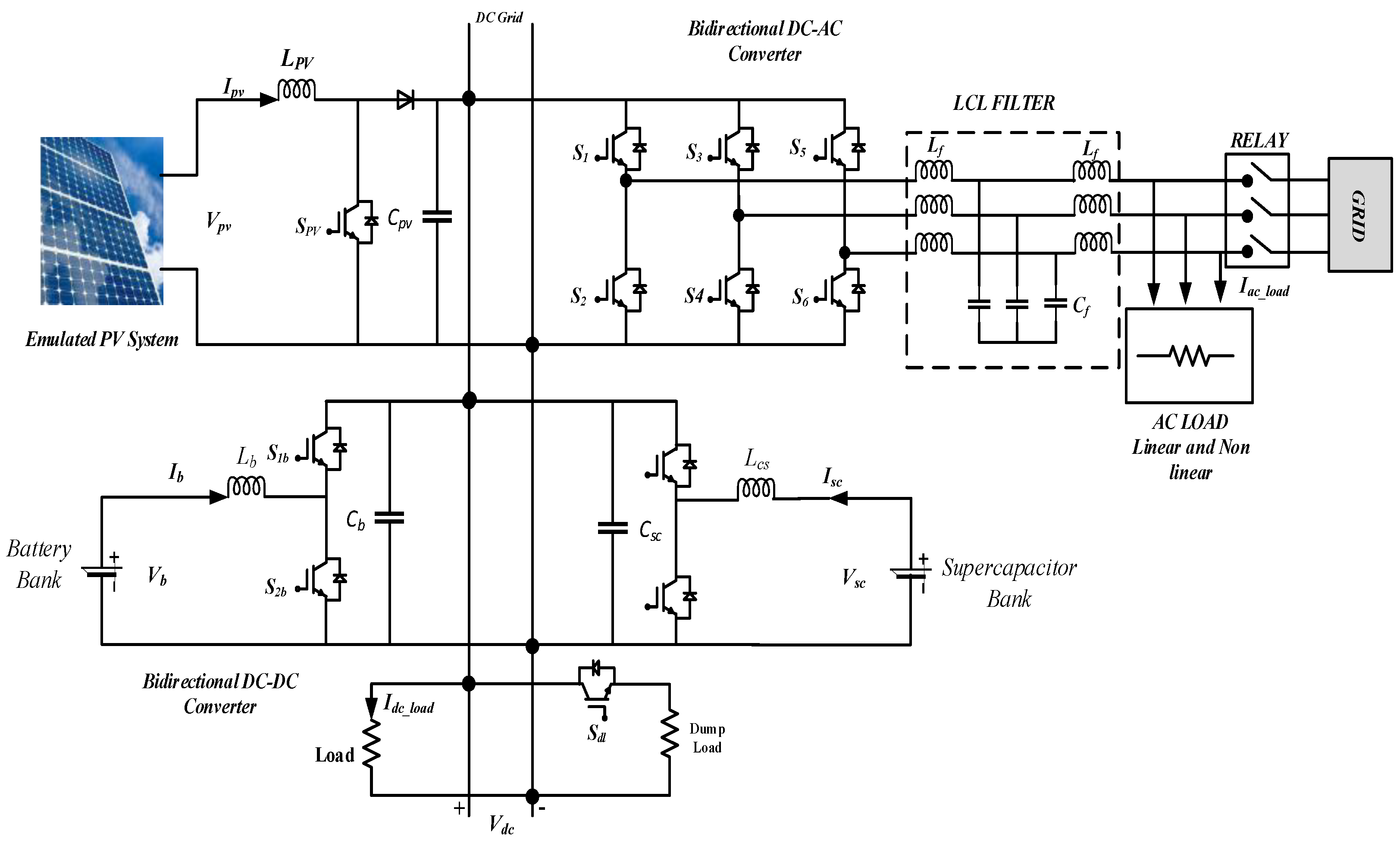
A distinctive PV-HESUs system is presented in Figure 1, consisting of a PV array, battery bank and supercapacitor for energy storage, bidirectional converters, and a three-phase interlink converter interfacing the DC and AC systems. A boost converter is used to withdraw the maximum power of the PV, and the bidirectional DC/DC converter controls the charging and discharging of the HESUs and DC bus voltage control. With the development of power electronic devices, DC loads are increasing rapidly. The DC microgrids are becoming popular with the increase in DC loads. The DC microgrid has low inertia due to the power of electronic devices and DC loads. In recent times, DC microgrid operation-related issues are being extensively addressed in research, as it enables us to integrate DC loads and RES into the grid. The lack of inertia and random regeneration of power of solar PV systems give rise to DC bus voltage instability [2]. Thus, the increase in penetration of the RES into the grid gives rise to challenges of safe and reliable functioning of the DC microgrid [3]. Additionally, there are some drawbacks in the AC microgrid, such as the complexity of controlling active and reactive power, frequency stabilization, and electromagnetic interference issues [4]. Moreover, due to the use of many stages of conversion, it has low efficiency. All of these issues are eliminated via the use of a DC microgrid [5,6].
Figure 1. DC microgrid system architecture.
The literature [7,8,9] discusses issues related to the DC microgrid system, such as DC bus voltage fluctuation, power quality issues, and unreliable power transfer between grid and microgrid. DC-DC bi-directional converters connect HESUs to DC buses to have power management [10,11]. In a DC microgrid, maintaining the DC bus voltage in the proper range is a necessity. The microgrid should be equipped with an effective control algorithm to maintain the DC voltage in both on-grid and islanded modes [12]. Hybrid energy storage units (HESUs) are essential in PV-fed microgrids for achieving a smooth and continuous power supply. The battery storage units alone can be used in the DC microgrid for easy implementation. However, due to the low power density of the battery, it is preferable to combine it with supercapacitors. The supercapacitors have a higher power density, which succeeds in supplying the transient current [13,14]. The supercapacitor reduces current stress on the battery, thus improving its longevity [15]. Using an effective PMS is also essential for ensuring dependable operation of a hybrid microgrid subjected to various disturbances. The scheme should be able to handle the power distribution of all the sources and loads, maintaining system stability and voltage while being cost-efficient and operating within the SOC limits of the storage units.
There have been a handful of studies on power management schemes for hybrid microgrid systems. A multi-mode, fuzzy logic-based power allocation is presented in [16]. The proposed control resolves the issues related to the Haar wavelet method that has neglected the impact of SOC. In [17], an adaptive fuzzy logic-based energy management system for HESUs is discussed. The solution proposed uses a fuzzy logic-based multi-agent approach. This approach demands large computational resources and is sensitive to changes in parameters. A unified control and power management scheme is proposed in [18], which implements central control of all units in a hybrid microgrid for both grid-connected and islanded modes. It effectively transfers power among the loads, storage units, and grid. It implements only battery storage units and does not address any power quality issues. Reference [19] puts forward a control method for managing power flow based on battery storage systems for PV grid-interactive systems for quick DC voltage restoration. The work does not take into account the transient current which degrades battery life and performance. An energy management scheme (EMS) is advised based on the state of charge of storage units and the surrounding weather conditions [20]. The SOC limits are changed according to the weather conditions and load demand. The power allocation to the ESS is defined based on the PV power fluctuation. In [21], a multi-segment adaptive droop control for energy management is proposed. The PV system operates on a maximum power scenario or SOC upper limit control scenario. The authors of [22] propose a power management scheme which considers only the SOC of the battery. It does not consider the SOC of the supercapacitor. In [23], a unified power management algorithm is introduced for a grid-tied hybrid microgrid with HESUs for rapid DC voltage restoration and battery current stress reduction. In [24], a distributed rule-based control and PMS is proposed. The PMS may make the supercapacitor ideal for maintaining its SOC in a particular range. A model-predictive control-based EMS is suggested in reference [25]. However, it does not consider fast system dynamics.
Addressing the aforementioned issues, a new PMS is introduced in this paper for a hybrid microgrid interlinked with a three-phase grid via a bidirectional converter. The proposed PMS succeeds in regulating the power flow among all sources and loads. The controller helps us to maintain AC and DC bus voltage under variations of loads and generation levels. The important features of the work lie in achieving effective and smooth power-sharing among the storage units and grid by including a distribution coefficient that considers the SOC limit of the battery storage unit, fast DC voltage restoration, reduction of transient current stress in the battery, and including all modes of operation. The proposed method smoothly operates in both grid-connected and islanding modes.
The paper is presented as follows: Section 2 features the hybrid microgrid schematic and explains the power management algorithm, including its control actions. Section 3 details the design of the controller of the converters. Section 4 describes the simulation and case studies carried out for verifying the proposed PMS. Lastly, Section 5 concludes the work.

2. System Schematic and Proposed Power Management Scheme

A hybrid microgrid having a PV system with HESUs, a DC load, and an AC load connected to the grid is illustrated in Figure 1. The intermittent nature of solar PV generation poses a challenge in terms of integration into the grid. Combined high specific energy and the power density of HESUs help us overcome this issue. The PV system is integrated into the DC bus through a boost converter while the SCs and battery modules are linked via bidirectional DC/DC converters (BDDCs). The DC bus is interlinked to the PCC at the AC bus via a three-phase interlinking converter. The EMS operates the interlinking converter as a rectifier/inverter as per the requirement. An LCL filter is used between the interlinking converter and the PCC to smooth out the voltage and current on the AC side. A sudden decrease in PV power generation affects the DC bus voltage. Additional currents will be provided from the HESUs to stabilize the DC bus voltage and maintain the power balance. On the other hand, with increased power generation with respect to the load demand, a rise in DC voltage will occur. The controller will feed power to the HESUs. The system is controlled with the help of control signals provided by the controller to the switches connecting the solar PV, HESU, and utility grid. The system switches between different operating conditions as per the energy demand and generation. The islanded operation takes place when there is no grid power available. The islanded mode is also divided into different modes of operation according to the SOCs of the HESU and load demand.
The proposed energy management system achieves energy balance by monitoring the currents of each converter. The proposed scheme mainly consists of a PMS that generates reference currents to control each converter according to the modes of operation. The reference current to maintain the DC voltage is decided by the voltage control loop. This is the current drawn or injected by the PV and HESUs in order to stabilize bus voltage at the desired value. The average and transient parts of the reference current have been derived using a low-pass filter. The supercapacitor helps in handling the transient part of the effective current required. The average part of the current is allocated among the grid and the battery bank with the help of a distribution factor derived from SOC of the battery bank and PV power generation and availability of the grid. Then, the controller generates the switching pulse with the help of these reference currents.

2.1. Reference Current Allocation

The total power of the system should be balanced to make the system stable. The PMS determines the reference current based on the criteria:
P p v ( t ) + P b a t ( t ) + P s u p c ( t ) + P g r i d ( t ) = P D C l o a d ( t ) + P A C l o a d ( t ) = P l o a d ( t )
where the P p v is the solar power produced, and P g r i d is the power delivered from/into the grid. P g r i d is negative while supplying power and positive on receiving. On the islanded condition of the microgrid, the P g r i d becomes 0. The P b a t is the power provided/consumed by the battery bank. While charging the battery, P b a t < 0 , and on discharging, P b a t > 0 . P l o a d is the total power required for the load. Equation (1) can be rewritten as follows:
P b a t ( t ) + P s u p c ( t ) + P g r i d ( t ) = P l o a d ( t ) P p v ( t ) = P a v g ( t ) + P o s c ( t )
where P a v g  and P o s c are the average components of the power and the oscillating components of the power required for DC voltage stabilization, respectively. These two components can be differentiated as the low-frequency part and the high-frequency part of the power, respectively. The required power is shared among the three energy sources. The net power balance is achieved via stabilizing the DC bus voltage, which is given by
P a v g ( t ) + P o s c ( t ) = V d c _ l i n k I n e t ( t )
The reference current I n e t ( t ) supplied by the HESUs and grid is determined by the voltage controller and is given by
I n e t ( t ) = K P _ v o l V d c e r r o r ( t ) + K I v o l   V d c e r r o r ( t ) d t I p v ( t )
where K P _ v o l and K I _ v o l are voltage control loop integral and proportional constants. V d c _ e r r o r is the error in DC bus voltage and is given by
V d c _ e r r o r = V d c _ r e f V d c
The reference current I n e t ( t ) should be shared effectively among the HESU and the grid for smooth DC bus voltage restoration. The average component of the current is distributed between the battery and the grid, while the oscillating component is provided by the supercapacitor. The average and oscillating components of the current are extracted using a low-pass filter [23].
I o s c ( t ) = I n e t ( t ) ( 1 1 1 + s τ c )
I a v g ( t ) = I n e t ( t ) ( 1 1 + s τ c )
where the cut-off frequency f c = 1 τ c is selected to be 5 Hz. Along with the oscillating component, uncompensated battery current is fed by the supercapacitor, which is given by (8). The reference current for the supercapacitor is stated in (9).
I b a t _ u n c o m p ( t ) = I b a t _ e r r o r ( t ) ( V b a t ( t ) V s c ( t ) )
I s c _ r e f ( t ) = I o s c ( t ) + I b a t _ e r r o r ( t ) ( V b a t ( t ) V s c ( t ) )
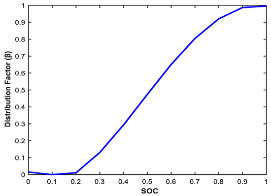
The average current reference has been split between the grid and the battery with the help of a distribution factor. A polynomial equation for the distribution factor ( β ) of the 4th order is developed by using the polynomial regression method, using discreet values of the same at different SOC values of the battery. The discreet values of β are given in Table 1 [23]. Figure 2 shows the variation of β corresponding to SOC level. This smooth variation helps in a smooth change in battery and grid reference current instead of the sudden change in comparison to discreet values of β .
β = 0.025 ( S O C b 4 ) 1.5278 ( S O C b 3 ) + 9.1242 ( S O C b 2 ) 10.0385 ( S O C b ) + 3.303
Table 1. Distribution factor values according to battery SOC.
Figure 2. Variation of distribution factor with SOC.
Thus, the reference current determined for the battery and the grid is given by Equations (11) and (12).
I b a t _ r e f ( t ) = β I n e t ( t ) ( 1 1 + s τ c )
I g r d _ r e f ( t ) = ( 1 β ) I n e t ( t ) ( 1 1 + s τ c )
The I b a t _ r e f and I g r d _ r e f are the reference current for the battery converter and the interlinking AC/DC converter. The battery, supercapacitor, and interlinking converter are controlled using the generated reference current with the help of a PI controller. The control structure of the microgrid is presented in Figure 3.
Figure 3. The overall control structure for the microgrid.

2.2. Power Management Scheme (PMS)

The detailed scheme for the proposed power management, considering both on-grid and islanded modes is illustrated in Figure 4. The PMS operates the system according to the availability of the grid and the power conflict between load consumption and power generation. The PMS switches from voltage-controlled mode for the interlinking converter when islanded to current-controlled mode when integrated to the grid. Under the islanded condition, the PCC voltage is regulated by the interlinking converter to ensure continuous power delivery to the AC load. Furthermore, the PMS classifies two modes of operation, i.e., surplus power mode (SPM) and deficit power mode (DPM). The modes of operation are decided based on the average current component ( I a v g ( t ) ) as shown in Figure 4 and Figure 5. The PMS focuses on the succeeding objectives:
Figure 4. Proposed power management scheme for SPM.
Figure 5. Proposed power management scheme for DPM.
  • Maintaining the power balance;
  • Maintaining the DC bus and PCC voltage;
  • Monitoring power supply or absorption by the battery, considering the available energy stored;
  • Load layoff in case of islanded deficit power mode.
Under each operating condition, the SOC levels of the HESUs are checked, and the power allocation to each unit is governed accordingly. The upper and lower limits of the SOCs of the battery are set to 30% and 90%, respectively, and for the supercapacitor, 20% and 90%, respectively.
(1) SPM: SPM occurs if the RES produces higher power than the load requirement. This mode can be identified in PMS when I a v g ( t ) < 0 . In an islanded condition, the balance power is absorbed by the battery and supercapacitor to increase SOCs to their upper limit. The interlinking converter is operated in voltage control mode (VCM) to maintain the rated voltage at PCC. If the HESUs are at their upper limit, then the PV power production can be decreased by operating it in off-MPPT mode. That is to say, we operate the PV in voltage control mode. In this case, PV current helps to keep DC voltage at the required value. Here, the battery units are kept in ideal conditions.
(2) DPM: The PMS switches to the deficit power mode when  I a v g ( t ) 0 . In this mode, the load power demand is equal to or more than what RES could provide. Hence, to satisfy the load requirement, power is drawn from the HESUs and the grid (when available, i.e., under Grid-ON mode). In Grid-ON mode, if the battery SOC is below the allowable limit, then the grid is to supply power for both battery charging and load. When the system is in the grid-off condition, the balance power is delivered by the battery, considering the SOCs. If the SOC is below the permitted range, some portion of the load is shacked in order to maintain the power balance.

3. Converter Controller Design for the PMS

3.1. PV Array Converter Control

The PV array converter is controlled in two modes: MPPT mode and VCM. The control structure for the above two modes is illustrated in Figure 6. The PMS decides the preferred controlled mode and generates the enabling signal. When the preferred mode is MPPT, the PMS sets the P V m o d e = 1   and   0 when it is to be operated in voltage-controlled mode. The proposed PMS implements the incremental conductance MPPT algorithm to generate voltage reference V m p p t _ r e f . When the PV is switched to the voltage-controlled mode, PMS generates the reference current I p v _ r e f . These two reference signals were then compared to the actual values and controlled using PI compensators.
Figure 6. Control scheme for PV boost converter.

3.2. Bi-Directional DC/DC Converter Control

The battery bank and the supercapacitor bank are connected to the DC bus via bi-directional DC/DC converters. Both of the converters’ control loop consists of a current controller, as shown in Figure 7. The DC voltage error generated by comparing V d c _ r e f and V d c is provided to PI controller, which provides us with the net reference current. The battery and supercapacitor converters’ reference current is extracted from the net reference current, as discussed in Section 2. Then, the PMS takes these reference currents as input along with the SOCs and generates the final reference current for each converter. These reference currents are described in the following:
I b a t r e f = β f b a t _ P M S ( 1 T B t 0 T B t 0 i n e t ( t ) d t )
I s c r e f = f s c _ P M S ( i n e t ( t ) 1 T S C t 0 T S C t 0 i n e t ( t ) d t + I b a t _ e r r o r ( t ) ( V b a t ( t ) V s c ( t ) ) )
where f b a t _ P M S and f s c _ P M S are the functions for generating reference current for the battery and the supercapacitor defined under the PMS. t 0 ,   T S B and T S C are the arbitrary time instant and average block window for the battery and the supercapacitor, respectively. β is the distribution factor defined by (10). The PI controller regulates the current error for each converter to produce the modulating signal. PWM is implemented to provide the switching signals for the converter. The detailed control topology is shown in Figure 7.
Figure 7. Control scheme for the supercapacitor and battery bidirectional converter.

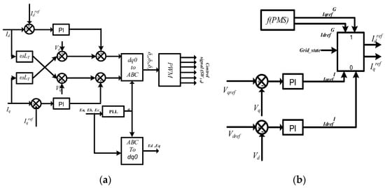
3.3. Three-Phase Interlinking Converter Control

A three-phase DC-AC interlink converter links the DC microgrid to the main grid. The PMS operates the converter in two modes, i.e., current-control mode and voltage-control mode. When the system is in grid-on mode, the converter is controlled in current-controlled mode. In the event of an islanding operation, the converter is operated in VCM to maintain the required voltage at PCC.
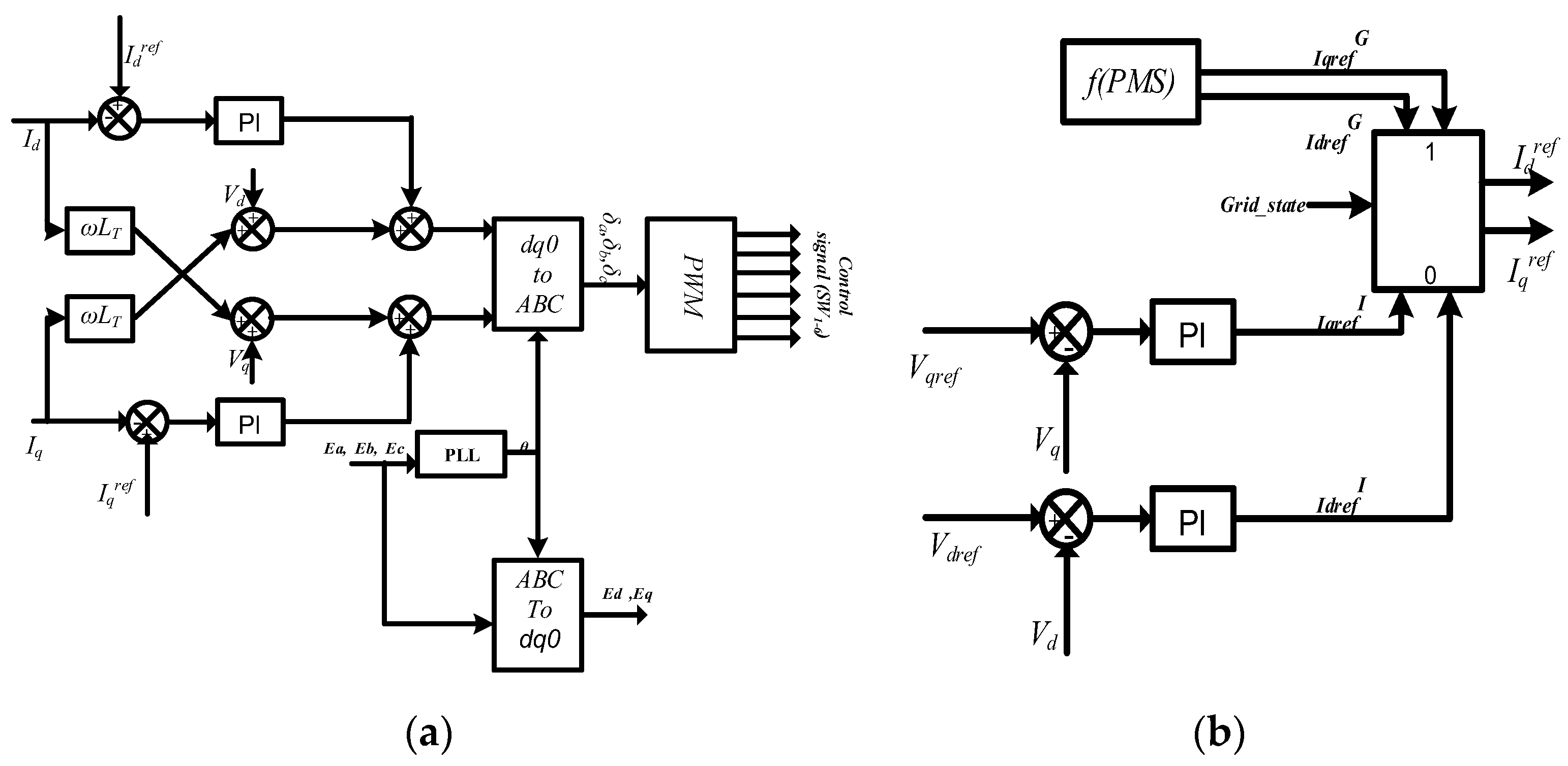
While implementing the power management scheme, system stability and power balance are taken into consideration. The system power management is effectuated in accordance with the availability of solar irradiance, load demand, and the SOC of ESU. Figure 8 shows the three-phase interlinking converter controller mechanism for providing the switching signal.
Figure 8. (a) Control scheme for the interlinking converter; (b) d-q reference current selection for converter.
The controlling of the converter depends on the availability of the grid (grid-on or islanded). In grid-connected mode, the angle of r-phase voltage, θ after the circuit-breaker, is extracted using a phase-locked loop block. In islanded mode, θ is produced by taking a periodical ramp signal with frequency f and 0 to 2π as the lower and upper limits, respectively. The PCC voltages and the inverter output currents are decomposed into d-q frame variables Vd and Vq, and Id and Iq, respectively, using park transformation. Under islanded mode, the converter is to regulate the PCC voltage Vd and Vq. The frequency of the PCC voltages (f) is set to 50 Hz in islanded mode. The controller chooses its control variable depending on the operating conditions.

4. Simulation Result and Analysis

The microgrid system described above is designed using the MATLAB/Simulink tool to verify the proposed control and PMS for different operating conditions. The specification of the system is listed in Table 2. The DC-link capacitor selection is based on allowable dc voltage ripple [26]. The system encounters four different modes: DPM in grid-connected condition; SPM in grid-connected condition; DPM in islanded mode; and SPM in islanded mode. In each mode, different scenarios are considered during the simulation. The results are discussed for individual modes of operation.
Table 2. Basic specifications for the test system.

4.1. Islanded Mode

At t = 0 s, the system is off in grid for verification of the PMS in islanded mode. The PMS supplies/draws surplus/deficit power from the HESUs. The two sub-modes for the islanded mode of operation, i.e., deficit power and surplus power modes, are simulated and verified in this section. These simulated scenarios are discussed below.
(1)
Case 1—Change in load: At t = 0 s, The PV is operating in MPPT mode and is producing sufficient power to fulfill the power demand of both AC and DC loads, as shown in Figure 9a. As the SOCs of the HESUs are in between the upper and lower limits, the balance power from the PV is being absorbed by the HESUs. The system is now under SPM operation. At t = 1.5 s, the DC load is varied from 700 W to 1100 W, thus increasing the required power more than the PV production (changed to DPM from SPM). The total load requirement is at 1250 W. Now, the remaining required power is supplied by the battery as seen in the result. The SOC of the battery changes accordingly, as seen in Figure 9b. The supercapacitor deals with the transient part of the power flow during the perturbation.
Figure 9. (a) PV, DC load, AC load, supercapacitor, and battery power for load variation; (b) battery SOC.
(2)
Case 2—Sudden change in irradiance: For the verification of the proposed PMS and control of the microgrid under variation of solar power, the system is simulated with a change in irradiance. At t = 2 s, the irradiance is varied from 980 W/m2 to 650 W/m2. The loads are kept constant here. As the PV power decreases lower than the load requirement, the battery is discharged to provide the deficit power to the loads. The result for this condition’s case study is represented in Figure 10.
Figure 10. PV, DC load, AC load, supercapacitor, and battery power flow for sudden change in irradiance.
(3)
Case 3—Smooth change in irradiance: A gradual change in irradiance is also simulated to see the system behavior. A smooth change in solar irradiance data is given to the system, and the change in battery power output is shown in Figure 11. The simulation result shows that the decrease in PV power is gradually being compensated by the battery. In this scenario, the supercapacitor remains ideal. At t = 1.75 s, the system changes from SPM to DPM.
Figure 11. PV, DC load, AC load, supercapacitor, and battery power for a smooth change in irradiance.
In an islanded mode of operation, the PCC voltages (Va, Vb, Vc) are maintained by the interlinking converter, which operates in VCM. The DC voltage is maintained by the HESUs. Figure 12 shows that the PCC voltages and DC bus voltages are maintained at desired values throughout. The PMS and the controller are able to operate the system smoothly in the islanded mode of the microgrid.
Figure 12. Islanded mode PCC and DC bus voltage value.

4.2. Grid-Connected Mode

In this mode, as the grid is available, the PMS supplies/draws balance power to/from the grid. There are two sub-modes for the grid-connected mode, i.e., deficit power and surplus power modes. These simulated scenarios are discussed in the following section.
(1)
Case 1—Variation in PV power: The first scenario is simulated for the grid-connected, while PV power is varied at t = 1.5 s from 950 W to 700 W. Thus, the PV is unable to solely deliver the load power requirement. In this scenario, PV power production is at 700 W, and the load requirement is at 850 W. The microgrid changes from a surplus power mode to a deficit power mode. The battery and the grid deliver the average power component of the balance power, and the supercapacitor handles the oscillating component. With respect to changes in the solar power, the DC voltage acquires its desired value quickly. Figure 13 shows the power flow for each element in the microgrid. The relative DC voltage variation is illustrated in Figure 14.
Figure 13. PV, DC load, AC load, supercapacitor, and battery power for change in irradiance.
Figure 14. Dc link voltage with PV variation.
(2)
Case 2—Variation in load demand: For this scenario, the solar power is maintained at 950 W. The load requirement is increased from 850 W to 1100 W, which is higher than PV power production. The overall scenario becomes that of deficit power mode. The energy stored in the HESUs starts discharging to provide the balance power and bring the DC bus voltage to the desired level. The battery discharges to provide the deficit power, while the SC supports the transient during the change. Figure 15 illustrates these power flow changes for the microgrid corresponding to change in load. The DC bus voltage variation was recorded at 1.8 V as shown in Figure 16.
Figure 15. PV, DC load, AC load, supercapacitor, and battery power for change in load.
Figure 16. DC bus voltage with load change.
(3)
Case 3—Sufficient power mode: In the sufficient power mode of operation, we consider the effects of the SOCs of the HESUs. As the power available is more than demand, the battery is absorbing the balance power. The battery is charged at the rated current. The SOC of battery keeps rising. As the SOC reaches 90%, PMS makes the battery ideal, and the remaining power is fed to the grid. If the load increases again, the energy stored in the battery will be used to negotiate the perturbation. Figure 17 presents these processes. At t = 0.35 s, the battery is 90% charged. Thus, the PMS makes the battery ideal, as shown in Figure 18, and sends the remaining power to the grid.
Figure 17. PV, DC load, AC load, grid, and battery power in SPM.
Figure 18. Battery SOC in SPM.
(4)
Case 4—Deficit power mode: In the deficit power mode of operation, we consider the lower limits of SOCs of the HESUs. As the power available is lower than the requirement, the battery supplies power to provide the deficit demand. While the battery is being discharged, the SOC decreases. When the battery SOC is less than 20%, PMS stops discharging the battery and draws power from the grid. Upon the increase in demand, the battery energy will be utilized to complement the perturbation. Figure 19 illustrates these processes. Figure 20 shows the contribution of the grid and battery to mitigate the deficit power. As the SOC of the battery is low, the amount of power drawn is very low. The distribution factor helps in lowering the power drawn from battery as it approaches its lower limit. At t =1 s, the battery SOC drops to the allowable lower limit. Thus, the PMS makes the battery ideal and pulls required power from the grid to fulfill the load demand. The corresponding variation of SOC of the battery is shown in Figure 21. At t = 1 s, the SOC level reaches to its lower acceptance level and the battery is made ideal.
Figure 19. PV, DC load, AC load, grid, and battery power in DPM.
Figure 20. Grid and battery power in DPM.
Figure 21. Battery SOC in DPM.

4.3. Experimental Results

To verify the proposed PMS and control algorithm, an islanded microgrid set-up consisting of a PV-battery-supercapacitor was built. An emulated PV source is used for solar power generation. The block diagram for the experimental set-up is illustrated in Figure 22. The experimental set-up is presented in Figure 23. The controller is implemented with the help of dSPACE-1202 and MATLAB/Simulink environments. The PV emulator is linked to the DC bus via DC/DC converter, and the HESUs via bi-directional converters. A 700 W DC load is linked to the DC bus, and a 150 W AC load is connected to the PCC. The reference voltage for the DC bus is set to 50 V, and the PCC voltage DQ-Reference is set to Vd = 30 V and Vq= 0 V. The results of the experiments are discussed below.
Figure 22. Block diagram for the experimental set-up.
Figure 23. Experimental set-up.
(1)
Case 1—Change in PV power: For the validation of the PMS and control technique in islanded mode, a sudden change in the PV power is subjected to the microgrid. As a result, the MPPT drops the PV voltage to extract maximum power. Experimental results show that PMS is successful in stabilizing the DC bus voltage at the desired value despite of the perturbations. Figure 24 shows the voltages at DC bus, supercapacitor, battery, and PV captured by the oscilloscope. At t1 instant, the system is subjected to a change in PV power. In this case, the maximum voltage deviation is captured at 1.8 V. In Figure 25, we can observe the currents of the supercapacitor and battery. The supercapacitor current has a sudden rise and fall in value, indicating the transient being handled by it, and the gradual rise in battery current suggests that the shortage of power is being supplied by the battery.
Figure 24. Voltages of the supercapacitor, battery, PV, and DC bus captured by the oscilloscope.
Figure 25. Supercapacitor and battery currents captured by the oscilloscope.
(2)
Case 2—Change in load: A load profile change is simulated for PMS verification through the experiment. A load change is effectuated from 700 W to 1000 W at t2 instant. The power produced by PV is below the required power by the load, so the shortage in power will be supplied by the battery bank. As a result, the current rises to a higher value and can be seen at t2 instant in Figure 25. Again, the supercapacitor provides the necessary transient support. The controller was able to maintain the DC bus and PCC voltage at the required level. Figure 26 shows the three-phase voltage at the AC load during both perturbations. The voltage at the AC load is maintained at the desired value by the PMS.
Figure 26. Islanded mode: voltage at AC load.

5. Comparative Analysis between Conventional and Proposed PMS

To betray the robustness of the presented power management scheme, a comparison of the voltage undershoot/overshoot (Mp) and the settling time (ts) of DC bus voltage for load change and irradiance change with different methods is presented in Figure 27. Case 1 is due to a change in PV power due to irradiance change, and Case 2 is due to the load switching of the load. The graph represents the comparison of the schemes 1 and 2 presented in the literature [22,27], respectively, with the proposed PMS. It can be observed from the graph that the presented PMS achieves fast DC voltage restoration with lower peak overshoot compared to the other methods.
Figure 27. (a) Performance comparison for settling time and (b) performance comparison for voltage overshoot [22,27].

6. Conclusions

The paper proposes a new power management strategy to integrate a DC microgrid consisting of solar PV and HESUs into a three-phase grid system. The PMS and converter control are operated in both islanding and grid-on mode. The DC-AC bi-directional converter gives us the freedom to trade power with the grid. In grid-connected mode, the interlinking converter is operated in converter/inverter mode according to the load requirement. The HESUs are used for an uninterrupted supply of power and also help to control the voltage level in the microgrid. In grid-off mode, the PV power and the HESU power is used to fulfill the load requirement. The proposed scheme gives us reliable power exchange between all the sources and loads. The main purposes of the proposed scheme, such as quick DC bus voltage restoration subjected to any disturbance, maintaining the SOCs of the HESUs, and effective power sharing among the HESUs, are studied using simulations. The PMS is successful in controlling the DC bus and PCC voltage at the desired level for both islanded and grid-on modes of operations.

Author Contributions

Conceptualization, P.K.R.; Methodology, C.J.J.; Software, C.J.J.; Validation, C.J.J.; Formal analysis, C.J.J.; Writing—original draft, C.J.J.; Writing—review & editing, P.K.R.; Supervision, P.K.R. All authors have read and agreed to the published version of the manuscript.

Funding

This research received no external funding.

Data Availability Statement

Not applicable.

Conflicts of Interest

The authors declare no conflict of intrest.

Abbreviations

DGDistribution Generation
RESRenewable energy sources
HESUHybrid energy storage units
SOCState of charge
BDDCBi-directional DC/DC converters
EMSEnergy management scheme
PMSPower management scheme
SPMSufficient power mode
DPMDeficit power mode

References

  1. Ministry of New and Renewable Energy (MNRE). Scheme-Wiseise Physical Progress in 2020–21, Ministry of New and Renewable Energy (MNRE) Report; Ministry of New and Renewable Energy (MNRE): Delhi, India, 2021.
  2. Fletcher, S.D.A.; Norman, P.J.; Galloway, S.J.; Crolla, P.; Burt, G.M. Optimizing the Roles of Unit and Non-Unit Protection Methods within DC Microgrid. IEEE Trans. Smart Grid 2012, 3, 2079–2208. [Google Scholar] [CrossRef]
  3. Ho, W.S.; Macchietto, S.; Lim, J.S.; Hashim, H.; Muis, Z.A. Optimal scheduling of energy storage for renewable energy distributed energy generation system. Renew. Sustain. Energy Rev. 2016, 58, 1100–1107. [Google Scholar] [CrossRef]
  4. Peyghami, S.; Mokhtari, H.; Blaabjerg, F. Hierarchical Power Sharing Control in DC Microgrids; Elsevier Inc.: Amsterdam, The Netherlands, 2017; pp. 63–100. [Google Scholar]
  5. Justo, J.J.; Mwasilu, F.; Lee, J.; Jung, J.-W. AC-Microgrid versus DC-Microgrid with distributed energy resources: A review. Renew. Sustain. Energy Rev. 2013, 24, 387–405. [Google Scholar] [CrossRef]
  6. Baran, M.E.; Mahajan, N.R. DC distribution for industrial systems: Opportunities and challenges. IEEE Trans. Ind. Appl. 2003, 39, 1596–1601. [Google Scholar] [CrossRef]
  7. Xiao, J.; Wang, P.; Setyawan, L. Implementation of Multiple-Slack-Terminal DC Microgrids for Smooth Transitions Between Grid-Tied and Islanded States. IEEE Trans. Smart Grid 2016, 7, 273–281. [Google Scholar] [CrossRef]
  8. Han, Y.; Xie, X.G.; Deng, H.; Ma, W.Z.; Luo, P. Energy management method for photovoltaic DC micro-grid system based on power tracking control. In Proceedings of the 42nd IEEE Annual Conference of Industrial Electronics Society (IECON 2016), Florence, Italy, 23–26 October 2016; pp. 3058–3063. [Google Scholar]
  9. Neto, P.J.D.S.; Barros, T.A.D.S.; Silveira, J.P.C.; Filho, E.R.; Vasquez, J.C.; Guerrero, J.M. Power Management Strategy Based on Virtual Inertia for DC Microgrids. IEEE Trans. Power Electron. 2020, 35, 12472–12485. [Google Scholar] [CrossRef]
  10. Paleta, R.; Pina, A.; Silva, C.A.S. Polygeneration Energy Container: Designing and Testing Energy Services for Remote Developing Communities. IEEE Trans. Sustain. Energy 2014, 5, 1348–1355. [Google Scholar] [CrossRef]
  11. Katiraei, F.; Iravani, M.; Lehn, P. Micro-Grid Autonomous Operation During and Subsequent to Islanding Process. IEEE Trans. Power Deliv. 2005, 20, 248–257. [Google Scholar] [CrossRef]
  12. Elsayed, A.T.; Mohamed, A.A.; Mohammed, O.A. DC microgrids and distribution systems: An overview. Electr. Power Syst. Res. 2014, 119, 407–417. [Google Scholar] [CrossRef]
  13. Choi, M.E.; Kim, S.-W.; Seo, S.-W. Energy management optimization in a battery/supercapacitor hybrid energy storage system. IEEE Trans Smart Grid 2012, 3, 463–472. [Google Scholar] [CrossRef]
  14. Serbanand, I.; Marinescu, C. Control strategy of three-phase battery energy storage systems for frequency support in microgrids and with uninterrupted supply of local loads. IEEE Trans. Power Electron. 2014, 29, 5010–5020. [Google Scholar] [CrossRef]
  15. Hajiaghasi, S.; Salemnia, A.; Hamzeh, M. Hybrid energy storage system for microgrids applications: A review. J. Energy Storage 2019, 21, 543–570. [Google Scholar] [CrossRef]
  16. Feng, X.; Gooi, H.B.; Chen, S.X. Hybrid Energy Storage with Multimode Fuzzy Power Allocator for PV Systems. IEEE Trans. Sustain. Energy 2014, 5, 389–397. [Google Scholar] [CrossRef]
  17. Yin, H.; Zhou, W.; Li, M.; Ma, C.; Zhao, C. An Adaptive Fuzzy Logic-Based Energy Management Strategy on Battery/Ultracapacitor Hybrid Electric Vehicles. IEEE Trans. Transp. Electrif. 2016, 2, 300–311. [Google Scholar] [CrossRef]
  18. Yi, Z.; Dong, W.; Etemadi, A.H. A Unified Control and Power Management Scheme for PV-Battery-Based Hybrid Microgrids for Both Grid-Connected and Islanded Modes. IEEE Trans. Smart Grid 2018, 9, 5975–5985. [Google Scholar] [CrossRef]
  19. Rani, B.I.; Ilango, G.S.; Nagamani, C. Control Strategy for Power Flow Management in a PV System Supplying DC Loads. IEEE Trans. Ind. Electron. 2013, 60, 3185–3194. [Google Scholar] [CrossRef]
  20. Kim, S.-T.; Bae, S.; Kang, Y.C.; Park, J.-W. Energy Management Based on the Photovoltaic HPCS With an Energy Storage Device. IEEE Trans. Ind. Electron. 2014, 62, 4608–4617. [Google Scholar] [CrossRef]
  21. Mahmood, H.; Michaelson, D.; Jiang, J. A Power Management Strategy for PV/Battery Hybrid Systems in Islanded Microgrids. IEEE J. Emerg. Sel. Top. Power Electron. 2014, 2, 870–882. [Google Scholar] [CrossRef]
  22. Singh, P.; Lather, J.S. Power management and control of a grid-independent DC microgrid with hybrid energy storage system. Sustain. Energy Technol. Assessments 2021, 43, 100924. [Google Scholar] [CrossRef]
  23. Tummuru, N.R.; Mishra, M.K.; Srinivas, S. Dynamic Energy Management of Renewable Grid Integrated Hybrid Energy Storage System. IEEE Trans. Ind. Electron. 2015, 62, 7728–7737. [Google Scholar] [CrossRef]
  24. Abadi, S.A.G.K.; Bidram, A. A distributed rule-based power management strategy in a photovoltaic/hybrid energy storage based on an active compensation filtering technique. IET Renew. Power Gener. 2021, 15, 3688–3703. [Google Scholar] [CrossRef]
  25. Nair, U.R.; Costa-Castello, R. A model predictive control-based energy management scheme for hybrid storage system in islanded microgrids. IEEE Access 2020, 8, 97809–97822. [Google Scholar] [CrossRef]
  26. Chen, Y.-M.; Wu, H.-C.; Chen, Y.-C.; Lee, K.-Y.; Shyu, S.-S. The AC Line Current Regulation Strategy for the Grid-Connected PV System. IEEE Trans. Power Electron. 2010, 25, 209–218. [Google Scholar] [CrossRef]
  27. Kollimalla, S.K.; Mishra, M.K.; Narasamma, L. Coordinated control and energy management of hybrid energy storage system in PV system. In Proceedings of the 2014 International Conference on Computation of Power, Energy, Information and Communication (ICCPEIC), Chennai, India, 16–17 April 2014; pp. 363–368. [Google Scholar]
Disclaimer/Publisher’s Note: The statements, opinions and data contained in all publications are solely those of the individual author(s) and contributor(s) and not of MDPI and/or the editor(s). MDPI and/or the editor(s) disclaim responsibility for any injury to people or property resulting from any ideas, methods, instructions or products referred to in the content.

Article Metrics

Citations

Article Access Statistics

Multiple requests from the same IP address are counted as one view.