1. Introduction
Power grid strength is one of the fundamental concepts of the power system. It is typically used to quantify the effect of interaction between the grid and the connected device, and the above-mentioned connected device can be a power source, a load, or a station of various types. The most straightforward explanation of power grid strength is the classic concept of an infinite power source. If a bus in the power system is referred to as an infinite power source, it has two connotations [
1,
2,
3]: The first connotation is that the voltage amplitude of the bus will remain constant regardless of the type and capacity of the connected device, and the second connotation is that the voltage frequency of the bus will remain constant regardless of the type and capacity of the connected device. It can be seen that for the infinite power source, its voltage amplitude and frequency are not affected by the type and capacity of the connected device. For the actual power grid, the voltage amplitude and frequency of any bus must be affected by the type and capacity of the connected device, and the corresponding index describing the degree of effect is the power grid strength. Corresponding to the first connotation of an infinite power source, we use the voltage support strength to describe the degree of voltage amplitude change by the connection of the device, and corresponding to the second connotation of an infinite power source, we use the frequency support strength to describe the degree of voltage frequency change by the connection of the device. Thus, the so-called infinite power source can be understood as the power source with infinite grid strength.
In the traditional power system dominated by synchronous generators, the voltage support strength is usually represented by the short circuit ratio (SCR) [
4,
5,
6]. The SCR is defined as the ratio of the three-phase short-circuit capacity of the connecting bus (the interface bus between the connected device and the grid, denoted as the point of common coupling (PCC) in the following) to the capacity of the connected device. The three-phase short-circuit capacity here refers to the short-circuit capacity provided by the synchronous generators. In traditional power systems, the typical application of SCR is to describe the power grid strength when the high voltage direct current (HVDC) transmission converter station is connected. It is generally believed that the HVDC transmission converter station can operate stably when SCR is greater than 3 [
4,
5,
6].
With the transition from a traditional power system to a new type of power system with a high proportion of nonsynchronous-machine sources, it is unreasonable to continue using the conventional SCR definition to describe the voltage support strength. This is because the conventional SCR definition considers only the short-circuit current supplied by the synchronous generators, ignoring the contribution of nonsynchronous-machine sources. Then, a question naturally arises: if the short-circuit current of the nonsynchronous-machine source is considered in the calculation of the SCR, is it still possible to utilize the conventional SCR definition to characterize the voltage support strength? The answer is no, and the reasons for this statement will be presented in later sections of this paper. For the new type of power system, the voltage support strength indexes extended from the conventional SCR definition have been extensively studied. Reference [
7] proposes a generalized short circuit ratio (GSCR) based on a modal method to decouple the multi-infeed system. However, the modal method is difficult to calculate, so its engineering applicability is limited. Reference [
8] presents a multiple renewable energy station short circuit ratio (MRSCR) based on the ratio of system short circuit capacity to grid-connected capacity of new energy, which has engineering applicability. However, the precision of its calculations is insufficient because only the external properties of new energy as current sources are considered. Therefore, how to define the voltage support strength in the new type of power system considering both accuracy and engineering applicability is a pressing issue that must be tackled [
9,
10].
In the actual power system, frequency support strength usually exhibits its meaning in two dimensions. The first is the inertia support capability [
1,
2,
3], which describes the initial frequency change rate after an active power disturbance to the power grid. The second is the primary frequency regulation capability [
1,
2,
3], which describes the amount of active power that the power grid can absorb or release during the frequency deviation.
In the traditional power system dominated by synchronous generators, the inertia support capability can be expressed by the kinetic energy stored in the rotors of the synchronous generators in the entire grid, and its unit is MWs. It can also be described by the equivalent inertia time constant of the whole grid
H. In other words,
H is the time required for the kinetic energy stored in the rotors of grid-wide synchronous generators to be released to zero at the constant active power equaling the total capacity of the grid-wide synchronous generators in the unit of second. For the calculation of inertia and the minimum inertia demand, there have been numerous pertinent discussions in the literature [
11,
12,
13,
14,
15,
16,
17,
18,
19,
20,
21,
22] from the generating unit and system perspectives. In contrast to the synchronous generator, where the inertia is constant, the inertia of the nonsynchronous-machine source is dependent on its control system, and the amount of the inertia varies with the change of the operating point of the nonsynchronous-machine source. Therefore, the total inertia of the system changes with the operation state from the system’s perspective. However, how to calculate the inertia support capability in the power system where synchronous generators and nonsynchronous-machine sources coexist is an issue to be solved.
In the traditional power system dominated by synchronous generators, the primary frequency regulation capability is typically described by the frequency deviation factor
β [
1,
2,
3], which is related to the droops of the synchronous generator governors and the frequency sensitivity coefficient of the active load of the whole grid. The unit of
β is MW/(0.1 Hz). However, in the power system where synchronous generators and nonsynchronous-machine sources coexist, how to account for the primary frequency regulation capability of the nonsynchronous-machine sources is an urgent problem to be solved.
In this paper, the expressions and the calculation methods of the power grid strength for the power system with high proportion nonsynchronous-machine sources are examined, including the voltage support strength, the inertia support capability, and the primary frequency regulation capability. The rest of the paper is organized as follows.
Section 2 discusses the classification and description of the external characteristics of the nonsynchronous-machine sources;
Section 3 describes the operating states and their corresponding equivalent circuits for the nonsynchronous-machine sources.
Section 4 addresses the definition and calculation method of the voltage support strength at any point in the power grid.
Section 5 explores the new meaning of the single-infeed SCR and the multi-infeed SCR.
Section 6 addresses the definition and calculation method of the frequency support strength in the power system where synchronous generators and nonsynchronous-machine sources coexist. Finally,
Section 7 draws on the conclusion.
3. Operating State and External Characteristic Equivalent Circuits of Nonsynchronous-Machine Sources
For the four types of nonsynchronous-machine sources described in
Section 2, if the three-loop controller shown in
Figure 2,
Figure 3,
Figure 4 and
Figure 5 is used, the outermost loop controller determines the synchronization signal
θ* or the active power reference value (
or
) and the reactive power reference value (
or
). The actual control objective is then accomplished by the conventional inner and outer loop controllers, and the final control block adopts the inner loop current controller with direct current control [
32,
33,
34]. Because of the limiters of
and
in the inner loop current controller, once the limiter is activated, the nonsynchronous-machine source enters the current saturation state; and the output of the inner loop current controller can no longer achieve the outer loop controller’s predetermined control target. Thus, the external characteristic of the nonsynchronous-machine source depends on whether the inner loop current controller operates in the limiter state. Clearly, the voltage amplitude at the PCC is the primary cause for the inner loop current controller entering the limiter state. Based on the voltage drop range of the PCC, the operating states of the nonsynchronous-machine sources can be classified into two types: the normal state and the fault state. Under the normal state, the voltage of the PCC is close to the rated value, and
and
will not exceed the limit values, allowing the nonsynchronous-machine sources to reach the predetermined control target. Under the fault state, the voltage drop of the PCC is relatively large, forcing
and
equalling the current limit values. That is, the nonsynchronous-machine source enters the current saturation state and is unable to attain the predetermined control target. The following describes the external characteristic equivalent circuits of the aforementioned four nonsynchronous-machine source types under their normal and fault states.
3.1. External Characteristic Equivalent Circuits of Nonsynchronous-Machine Sources under the Normal State
Under the normal state, a Vθ type grid-forming nonsynchronous-machine source can be equivalent to a voltage source with the constant voltage amplitude and frequency connected to the PCC as viewed from the AC grid.
Under the normal state, a PV-type grid-forming or grid-following nonsynchronous-machine source can be equivalent to a voltage source with the constant voltage amplitude and phase angle connected to the PCC.
Under the normal state, a PQ-type grid-following nonsynchronous-machine source can be equivalent to a current source with a constant current amplitude and phase angle.
3.2. External Characteristic Equivalent Circuits of Nonsynchronous-Machine Sources under the Fault State
Under the fault state, and equal to the current limit values, the nonsynchronous-machine source enters the current saturation state. Therefore, the nonsynchronous-machine source can be equivalent to a current source with a constant current amplitude and phase angle.
4. Definition and Calculation of Voltage Support Strength at Any Point in the Grid
4.1. Relationship between Thevenin Equivalent Impedance and SCR at Any Bus in the Grid
When exploring the voltage support strength of the power grid, the positive-sequence AC power grid operating at the fundamental frequency is the objective of the investigation. Then, based on the Thevenin equivalence theorem [
42,
43], when viewed from any bus SYS in the grid, the entire grid can be represented by a Thevenin equivalent circuit, as illustrated in
Figure 6. The Thevenin equivalent circuit is composed of the Thevenin equivalent electromotive force
Eth =
Eth∠
θth and the Thevenin equivalent impedance
Zth =
Zth∠
φth connected in series. (Note that this paper represents the complex number with a line at the bottom of the variable). When the device is not connected to the grid,
Eth equals the no-load voltage at SYS
Usys0 =
Usys0∠
θsys0.
Zth equals the equivalent impedance when all the independent sources in the fundamental-frequency positive-sequence grid are set to zero, as seen from SYS to the grid.
The following discussion assumes that when the device is not connected to the grid, the magnitude of the no-load voltage at SYS Usys0 is equal to the rated voltage UN.
Thus, according to
Figure 6b, the short-circuit capacity
Ssc at SYS can be calculated as follows:
If the impedance of the connected device is
Zdevice =
Zdevice∠
φdevice, the capacity of the connected device at the rated voltage
Sdevice is calculated as (2).
Then, the short circuit ratio
λSCR of bus SYS corresponding to
Zdevice is:
Next, we investigate how the device voltage, namely the voltage of bus SYS Usys = Usys∠θsys, changes after the device is connected to the grid.
According to (4), after the
Zdevice is connected to the grid, the magnitude of the device voltage
Usys changes with
λSCR,
φdevice, and
φth. Considering a typical case, the Thevenin equivalent impedance of the grid is purely inductive, while the equivalent impedance of the connected device is purely resistive, namely,
φth = 90° and
φdevice = 0°, respectively. Under such circumstances, the expression of
Usys can be simplified to (5).
Based on (5), if
λSCR >> 1,
Usys ≈
UN. Otherwise,
Usys is always less than
UN. The variation characteristic of
Usys with
λSCR is shown in
Figure 7. When
λSCR = 5,
Usys = 0.98
UN; when
λSCR = 3,
Usys = 0.95
UN; and when
λSCR = 1,
Usys = 0.71
UN. Consequently, it is commonly believed that when SCR is larger than 3, then SYS is a strong bus, as the voltage drop after being loaded is less than 5% of the rated voltage.
4.2. Definition of Voltage Support Strength of Any Bus in the Grid
Inspired by the concept of infinite power source, the voltage support strength of any bus in the grid is defined as the ability to maintain the voltage magnitude close to the no-load voltage. It is described by
Usys/
Usys0, which is called the voltage stiffness
Kvtg. Then according to (4),
Obviously, the range of Kvtg is [0, 1]. When Zth is zero, Kvtg is equal to 1; and when Zth is infinity, Kvtg equals zero.
Comparing
Kvtg to
λSCR,
Kvtg provides more grid information than
λSCR.
λSCR reflects only the magnitude of
Zth and
Zdevice, but not their phase angles. In addition, the range of
λSCR is [0, ∞], while the range of
Kvtg is [0, 1].
Figure 7 can also be regarded as the relationship between short circuit ratio and voltage stiffness under a specific condition.
4.3. Definition of Voltage Support Strength of Any Bus in the Grid
According to (6), Kvtg is uniquely determined by Zth and Zdevice. Due to the known impedance of the connected device Zdevice, the calculation of Kvtg is equivalent to the calculation of Zth.
The external characteristic equivalent circuit of a nonsynchronous-machine source is closely related to its operating states, as determined by the analysis in
Section 2. Consequently, the calculation of
Zth at any bus in the grid is closely related to the operating states of the nonsynchronous-machine source. Therefore, each nonsynchronous-machine source must be calculated by the equivalent circuit under the corresponding state.
In accordance with the calculation principle of the Thevenin equivalence impedance Zth, each independent source in the fundamental-frequency positive-sequence grid is set to zero. This indicates that a branch represents the voltage source is replaced with a short circuit to the ground, and the current source is represented by a branch with an open circuit to the ground. Thus, when calculating Zth, the synchronous generator is represented by the impedance branch to ground, and the impedance value is typically set to the transient reactance. However, the branch adopted by the nonsynchronous-machine source depends on its operating states.
When the nonsynchronous-machine sources are under the normal states, the Vθ type grid-forming nonsynchronous-machine source, the PV type grid-forming nonsynchronous-machine source, and the PV type grid-following nonsynchronous-machine source can be represented by branches with short circuits to the ground at their PCCs. In contrast, the PQ-type grid-following nonsynchronous-machine source is represented by the branch with an open circuit to ground at the PCC. When the nonsynchronous-machine sources are under the fault states, all four types are represented by branches with open circuits to ground at their PCCs.
During the actual calculation, due to different fault locations, the voltage drop degree of each bus in the power grid is different. This indicates that for the same fault, the operating state of the different nonsynchronous-machine sources may be different, with some under the fault states and others under the normal states. Therefore, Zth changes with different fault locations in principle. To simplify the analysis, two types of equivalent impedance are defined for any bus in the grid, which is of great significance. The first is called the normal-state Thevenin equivalent impedance Zth,nom, and the second is called the fault-state Thevenin equivalent impedance Zth,flt. Thus, when calculating Zth,nom, it is assumed that all the nonsynchronous-machine sources are under normal states. When calculating Zth,flt, it is considered that all the nonsynchronous-machine sources are under the fault states.
In addition, it must be pointed out that when the grid-forming nonsynchronous-machine source does not adopt the conventional inner and outer loop controllers as shown in
Figure 2 and
Figure 3 but instead adopts the amplitude-phase angle controller without the current inner loop control [
44,
45,
46], the equivalent circuit of the nonsynchronous-machine source under the fault state is roughly equivalent to the internal electromotive force in series with the total current limiting impedance. The total current limiting impedance is composed of the connected reactance and the virtual impedance, where the value is determined by the controller structure of the nonsynchronous-machine source. The objective of current limiting impedance is to prevent the output current of the nonsynchronous-machine source from exceeding its overload current level under the fault state, which is typically 1.1 times the rated current. Under such circumstances, the fault-state equivalent impedance of the nonsynchronous-machine source is equal to the total current limiting impedance.
4.4. Examples of Calculation of Voltage Stiffness and Short-Circuit Ratio
For the system with renewable energy and static synchronous compensator (STATCOM), as shown in
Figure 8 [
47], it is assumed that both wind turbines and photovoltaic units adopt grid-following control. The impedance of the transmission line
xLine is 40 Ω, and its length is 100 km. The leakage reactance of the transformer
uk is 10%, its ratio is 220 kV/500 kV, and its capacity is 300 MVA.
xT represents the reactance of the transformer. The transient reactance of the synchronous generator
x′
d is 10 Ω. The whole output active power of renewable energy is 200 MW. Next, the voltage stiffness and short-circuit ratios are calculated in the following when STATCOM is controlled by the constant AC voltage amplitude control and the constant reactive power control, respectively.
When the STATCOM adopts the constant AC voltage amplitude control and the constant active power control, it is a PV-type grid-following nonsynchronous-machine source. According to the rules stated in
Section 3.1, the system’s Thevenin equivalent circuits are depicted in
Figure 9. For the PCC, the wind turbines and the photovoltaic units are collectively regarded as connected devices. Firstly, the voltage stiffness and short circuit ratio of the PCC are calculated when the STATCOM is in the normal state. The equivalent circuit of the STATCOM is a constant voltage source. The independent voltage source is represented by the branch with a short circuit to the ground when calculating the Thevenin equivalent impedance. Therefore, as shown in
Figure 9a,
Zth,nom =
xLine when seen from the PCC to the AC system. Thus,
Kvtg at the PCC is 0.858, whereas
λSCR at the PCC is 6.05.
Then, the voltage stiffness and short-circuit ratio of the PCC are calculated when an AC fault occurs at the 500 kV network, which leads to a large drop in the
Esys, and we assume that the AC fault does not change
x′d. At this time, due to the AC voltage drop, the STATCOM is under the fault state and operates under the current saturation state. The equivalent circuit of the STATCOM is a constant current source. When calculating the Thevenin equivalent impedance, the independent current source is represented by the branch with an open circuit to the ground. Therefore, as shown in
Figure 9b,
Zth, flt =
xLine +
xT +
x′
d. Therefore,
Kvtg at the PCC is 0.806, whereas
λSCR at the PCC is 4.167.
When the STATCOM adopts the constant reactive power control and the constant active power control, the system’s Thevenin equivalent circuits are depicted in
Figure 10. In both scenarios, the equivalent circuit of the STATCOM is a constant current source. When calculating the Thevenin equivalent impedance, the independent current source is represented by the branch with an open circuit to the ground. Therefore, as shown in
Figure 10a,b,
Zth,nom =
Zth, flt =
xLine +
xT +
x′
d. Therefore,
Kvtg at the PCC is 0.806, whereas
λSCR at the PCC is 4.167.
5. New Exploration of Single infeed SCR and Multi-Infeed SCR
The concept of short circuit ratio has been used in the early development stage of HVDC transmission. In 1992 and 1997, the CIGRE working group on AC/DC interaction and the IEEE working group on the interaction between DC transmission systems and AC systems with low SCR jointly published research reports [
4,
5,
6] and provided a comprehensive and in-depth description of SCR, which has led to its widespread recognition and application in the field of HVDC transmission [
48,
49,
50,
51,
52].
The concept of single-infeed SCR proposed by CIGRE and IEEE joint Working Group in 1992 was defined based on the short circuit capacity [
4]. When there are only synchronous generators in the power grid, the SCR defined based on short circuit capacity is completely consistent with the SCR defined by the Thevenin equivalent impedance, as the short circuit current of the synchronous generator is entirely determined by its impedance, without any current limiters. However, the SCR based on the short circuit capacity definition and the SCR based on the Thevenin equivalent impedance definition is fundamentally different for the nonsynchronous-machine source. Due to overcurrent limiters, it is useless to describe SCR with the short circuit capacity for nonsynchronous-machine sources. In other words, for nonsynchronous-machine sources, the short circuit capacity cannot characterize the ability of a bus to maintain its loaded voltage close to its no-load voltage. When nonsynchronous-machine sources exist, it is more appropriate to define the SCR by the following expression.
Due to the uniform treatment of the synchronous generators and the nonsynchronous-machine sources in this definition, the application of the SCR can be extended to the power grid where synchronous generators and nonsynchronous-machine sources coexist.
In 2007, the CIGRE multiple DC infeed working group [
53,
54] introduced the notion of effective short circuit ratio (ESCR) to describe the voltage support strength of multiple DC infeed systems. Here we will give a new exploration of the voltage support strength of multiple DC infeed AC systems. The following example of the double DC infeed AC system demonstrates the new exploration.
The investigated double DC infeed AC system is shown in
Figure 11a. In accordance with the Thevenin equivalence concept of the two-port network [
55],
Figure 11b depicts the equivalent circuit of the double DC infeed AC system. In
Figure 9, the infeed bus of the double DC lines is represented by
i and
j, respectively, and
Uio and
Ujo represent the voltage phasors (i.e., no-load voltages) when the double DC lines are not connected to the power grid.
Zii,
Zjj, and
Zij are the equivalent impedances of the two-port Thevenin equivalent circuit for the fundamental-frequency positive-sequence AC grid.
ZDCi and
ZDCj are the equivalent impedances of the double DC lines in their rated operating states.
Consider the DC line i as an example. Firstly, the Thevenin equivalent electromotive force Eth and the Thevenin equivalent impedance Zth, seen from bus i to the grid when DC line j is not connected, are studied. Then the Thevenin equivalent electromotive force and the Thevenin equivalent impedance are examined when the DC line j is connected to the grid. The superscript “m” here represents the multiple DC infeed.
In the single DC infeed condition, that is, when the DC line
j is not connected, the
ZDCj branch in
Figure 9b is an open circuit, and
Eth and
Zth are calculated as (8).
In the multiple DC infeed condition, that is, when DC line
j is connected,
and
are calculated as (9).
The ratios of the Thevenin equivalent electromotive forces and the Thevenin equivalent impedances in the two conditions are shown in (10).
For the actual power grid parameters and operating states, the Thevenin equivalent electromotive force changes greatly in the two conditions, while the Thevenin equivalent impedance changes only slightly. Usually,
in (11)–(14),
is the ratio of the Thevenin equivalent electromotive forces seen from bus
i to the AC grid in the multiple DC infeed condition and in the single DC infeed condition, which is called the multiple DC infeed no-load voltage drop factor.
Uio is the no-load voltage phasor of bus
i in the single DC infeed condition and
is the no-load voltage phasor of bus
i in the multiple DC infeed condition.
is the ratio of the Thevenin equivalent impedances seen from bus
i to the AC grid in the multiple DC infeed condition and the single DC infeed condition.
λSCR is the SCR of DC line
i in the single DC infeed condition and
is the SCR of DC line
i in the multiple DC infeed condition.
Kvtg is the voltage stiffness of DC line
i in the single DC infeed condition and
is the voltage stiffness of DC line
i in the multiple DC infeed condition.
As shown in (13), it is insufficient to use the SCR index to characterize the voltage support strength in the multiple DC infeed condition because the values of SCR in single and multiple DC infeed conditions change slightly. However, it is of greater index significance to use voltage stiffness to characterize the voltage support strength in the multiple DC infeed condition because can reflect the change in the Thevenin equivalent electromotive force in the multiple DC infeed condition and is equal to Kvtg multiplied by in the multiple DC infeed condition.
It is meaningful to compare
with the multiple DC infeed ESCR proposed by the CIGRE working group [
53,
54]. It can be found that the multiple DC infeed ESCR cannot directly reflect the drop in the no-load voltage due to multiple DC infeed and does not convey the physical substance of the reduction in voltage support strength in the multiple DC infeed scenario. ESCR, as a voltage support strength index, is difficult to create a unified numerical criterion in practice.
If the DC infeed shown in
Figure 9 is generalized by a PQ-type grid-following nonsynchronous-machine source, such as a conventional PQ-type grid-following wind farm or photovoltaic station, the voltage support strength of the AC power grid can also use
as an index.
6. Definition and Calculation Method of Frequency Support Strength in the New Type Power System
The frequency support strength has two manifestations: the inertia support capability and the primary frequency regulation capability. The synchronous generator has both inertia support capability and primary frequency regulation capability. The inertia of the synchronous generator is independent of its operating point and is a constant value [
1,
2,
3]. The primary frequency regulation capability of the synchronous generator is closely related to its operating point and the droop of its governor. The load possesses a small amount of inertia support and frequency regulation effect. Different from the synchronous generator, the inertia support capability and primary frequency regulation capability of the nonsynchronous-machine source are entirely determined by its control modes and output power margin. The nonsynchronous-machine source in the early stage is usually controlled by MPPT, and its output power is decoupled from the frequency of the power grid. Under such circumstances, the nonsynchronous-machine source has no support for the frequency stability of the power grid. With the increasing proportion of the nonsynchronous-machine source, the control strategy of the nonsynchronous-machine source must be changed to couple its output power with the grid frequency so as to have inertia support capability and primary frequency regulation capability.
The inertia support and primary frequency regulation capabilities of the power grid can be characterized by the dynamic response curve after a large disturbance [
56,
57], as shown in
Figure 12, in which the actual frequency dynamic response curve is represented by segmented polylines. Line
Section 1 represents the inertia response period, while line
Section 2 and
Section 3 represent the inertia response and primary frequency regulation joint action period. Line
Section 4 represents the primary frequency regulation period. Based on the frequency dynamic response curve, three parameters are usually used to describe the inertia support and the primary frequency regulation capability of the power grid. The first parameter is the initial rate of change of frequency (RoCoF) of a disturbance, namely the slope of the line
Section 1. The second parameter is the highest or lowest frequency, denoted by
fzenith or
fnadir, respectively. The third parameter is the steady-state frequency deviation, denoted by Δ
f∞.
6.1. Implementation of Inertia and Primary Frequency Regulation of Nonsynchronous-Machine Sources
For the Vθ type grid-forming nonsynchronous-machine source shown in
Figure 2, it is the support source of the connected grid. Within the range of its current capacity, the grid frequency is entirely determined by it and is unaffected by various grid disturbances. Therefore, in the range of its current capacity, the inertia support provided by the Vθ type grid-forming nonsynchronous-machine source is infinite. However, once it hits the current limit as a result of the fault, the inertia support and primary frequency regulation capabilities are no longer available.
For the PV-type grid-forming nonsynchronous-machine source shown in
Figure 3, the inertia support capability is determined by the outermost loop controller, namely the V/θ generator, which usually adopts power synchronization control [
57,
58] or virtual synchronous machine control [
59,
60,
61,
62,
63,
64,
65,
66]. It has been proved that power synchronization control and virtual synchronous machine control are essentially consistent [
67,
68,
69]; hence, the distinction between the two is ignored in this article. After adopting the power synchronization control, the V/θ generator is implemented in accordance with the Vθ decoupling mode. The θ generator is the so-called power synchronization loop (PSL) [
57,
58], which imitates the swing equation of the synchronous generator. The V generator is usually implemented by a reactive power-voltage droop controller [
34].
The principle of PSL is to mimic the nonsynchronous-machine source as a synchronous generator, and the output of PSL is the rotor angle
θ [
34]. The swing equations of a synchronous generator are:
where
H is the inertia time constant of the generator (unit: s), which determines the inertia support capability of the nonsynchronous-machine source. Δ
ω =
ω0 −
ω is the generator speed deviation.
ω is the actual speed (per unit value), and
ω0 is the rated speed (per unit value).
t represents the time, where the unit is s.
Pm and
Pe are the mechanical power and electromagnetic power (in per unit value);
D is the damping coefficient (in per unit value);
θ is the generator’s electrical rotor angle, where the unit is rad. By substituting the
Pm of the generator for the active power reference value
of the nonsynchronous-machine source and
Pe of the generator for the actual active power,
Ps, of the nonsynchronous-machine source, the control block diagram of PSL is illustrated in
Figure 13 [
34].
Notably, the PV-type grid-forming nonsynchronous-machine source achieves its primary frequency regulation by changing the reference value of the DC voltage . It must have the ability to reduce power for frequency regulation but not necessarily have the ability to increase power for frequency regulation. For example, the initial value of corresponds to the maximum power output, but the frequency of the grid is too high, so the active power output must be decreased. Consequently, the primary frequency regulation is to make the nonsynchronous-machine source run away from the maximum power point by changing the value of the so as to reduce the active output. Conversely, power increase frequency regulation depends on whether the nonsynchronous-machine source has sufficient power support.
The V generator usually adopts the reactive power-voltage droop control [
34], and its typical control strategy is shown as (17).
where
is the reference value of the output voltage;
is the base voltage;
is the reference value of the reactive power;
Qs is the actual reactive power. Then, the diagram of the V generator can be obtained in
Figure 14.
For the PV-type grid-following nonsynchronous-machine source in
Figure 4, its inertia support and primary frequency regulation capabilities are determined by the outermost loop P/V generator. Still, the premise is that the nonsynchronous-machine source provides adequate power reserve. The P/V generator is usually implemented in PV decoupling mode, where the V generator is exactly the same as the V generator of the PV-type grid-forming nonsynchronous-machine source. When the output power reference value
of the P generator in the outermost loop in
Figure 4 is decoupled from the grid frequency, the nonsynchronous-machine source lacks inertia support and primary frequency regulation capabilities. When
is proportional to the derivative of the power grid frequency, the nonsynchronous-machine source has the inertia support capability. When
is related to the frequency deviation of the power grid, the nonsynchronous-machine source has the ability of primary frequency regulation.
When the nonsynchronous-machine source possesses both inertia support and primary frequency regulation capabilities, the active power reference value generated by the P generator is typically expressed as (18), where
Ps0 is the constant power component;
f0 is the rated frequency of the power grid;
f is the actual frequency of the power grid;
Mnon is the equivalent inertial time constant of the nonsynchronous-machine source; and
knon is the proportional coefficient of the primary frequency regulation of the nonsynchronous-machine source.
For the PQ-type grid-following nonsynchronous-machine source in
Figure 5, its inertia support and primary frequency regulation capabilities are determined by the outermost loop P/Q generator. Still, the premise is that the nonsynchronous-machine source provides adequate power reserve. The P/Q generator is usually implemented separately according to the PQ decoupling method, where the outermost P generator is the same as the PV-type grid-following nonsynchronous-machine source. When the PQ-type grid-following nonsynchronous-machine source has both inertia support and primary frequency regulation capabilities, the active power reference value generated by the P generator is also typically expressed as (18).
6.2. Definition and Calculation Method of the Inertia Support Strength of Nonsynchronous-Machine Sources
The direct manifestation of inertia is the RoCoF. Specifically, the initial RoCoF under a disturbance is exclusively associated with the inertia and the disturbance itself. Thus, the calculation of inertia can be transformed into the calculation of the initial RoCoF.
For a specific power system, there is a maximum limit for RoCoF [
56], such as limiting the maximum RoCoF to 1 Hz/s, etc. The minimum inertia requirement is usually calculated from the maximum limit value of the RoCoF and the anticipated maximum active power disturbance. Different power grids have different standards regarding the maximum anticipated active power disturbance. For instance, the maximum active power disturbance specified by the European power grid is the loss of 3000 MW generation power [
11], while the maximum active disturbance specified by the Chinese power grid is generally the bipolar blocking of a single maximum UHVDC transmission line [
70,
71].
In this paper, the Equivalent Inertia Lifting Factor (EILF) is utilized to characterize the inertia support strength of the nonsynchronous-machine source. The derivation process is as follows. Under the specified maximum active power disturbance, the initial RoCoF of a node in the grid is (19) [
12,
16].
where
kconst is a constant related to the operation state of the system;
Pmax is the unbalanced power under the specified maximum active power disturbance; and
Heq is the equivalent inertial time constant of the system under the investigated operation state.
For the investigated operation state of the system, we define
to represent
when all nonsynchronous-machine sources adopt the controllers without inertial support abilities. The controllers without inertial support abilities can be realized by setting
H and
Mnon to zero in
Figure 10 and (18). Then we define
to represent
when all nonsynchronous-machine sources adopt the controllers with inertial support abilities. Then, the equivalent inertia lifting value contributed by the nonsynchronous-machine sources with the inertial support controllers is defined as the Equivalent Inertia Lifting Factor
Hamp, as shown in (20).
In (20), represents the equivalent inertia time constant of the whole power system when all the nonsynchronous-machine sources are controlled without inertial support abilities. represents the equivalent inertia time constant of the whole power system when all the nonsynchronous-machine sources are controlled with inertial support abilities. Therefore, Hamp can represent the inertia support strength of the nonsynchronous-machine sources. According to (20), Hamp is suitable for digital simulation calculations, and the initial of a disturbance can be obtained by numerical differentiation. In addition, the grid nodes for evaluating the inertia support strength should be chosen based on the actual situation of the grid, and multiple nodes can be chosen simultaneously. Generally, the power grid regions with an insufficient number of synchronous generators are chosen because their RoCoFs are usually the largest; that is, their inertia support strength is the weakest.
6.3. Definition and Calculation Method of the Primary Frequency Regulation Capability of Nonsynchronous-Machine Sources
The primary frequency regulation capability can be represented by the frequency deviation factor [
2,
72]. In the new type of power system, the frequency deviation factor
β can be defined as (21).
where
Rgen is the equivalent droop of all synchronous generator governors, where the unit is Hz/MW;
Knon is the equivalent frequency regulation coefficient of all nonsynchronous-machine sources, where the unit is MW/Hz;
Dload is the frequency regulation coefficient of the system active power load, and its unit is MW/Hz. The common unit of
β is MW/0.1 Hz.
β represents the relationship between the active power disturbance Δ
P and the steady-state frequency deviation Δ
f∞, as shown in (22).
Imitating the definition of inertia support strength, the steady-state frequency deviation decreasing factor
Rdeltf is adopted to describe the primary frequency regulation capability of the nonsynchronous-machine sources in this paper.
Rdeltf is defined as (23).
where
and
β0 are the steady-state frequency deviation and the frequency deviation factor when all the nonsynchronous-machine sources are controlled without primary frequency regulation abilities.
and
β1 are the steady-state frequency deviation and frequency deviation factors when all the nonsynchronous-machine sources are controlled with primary frequency regulation abilities. Therefore,
Rdeltf can represent the primary frequency regulation capabilities of the nonsynchronous-machine sources. According to (23),
Rdeltf can be calculated easily using digital simulation. It is worth noting that the selected frequency monitoring point impacts both
Hamp and
Rdeltf because the frequency of different nodes in the network varies during the transient process.
6.4. Simulation Validation
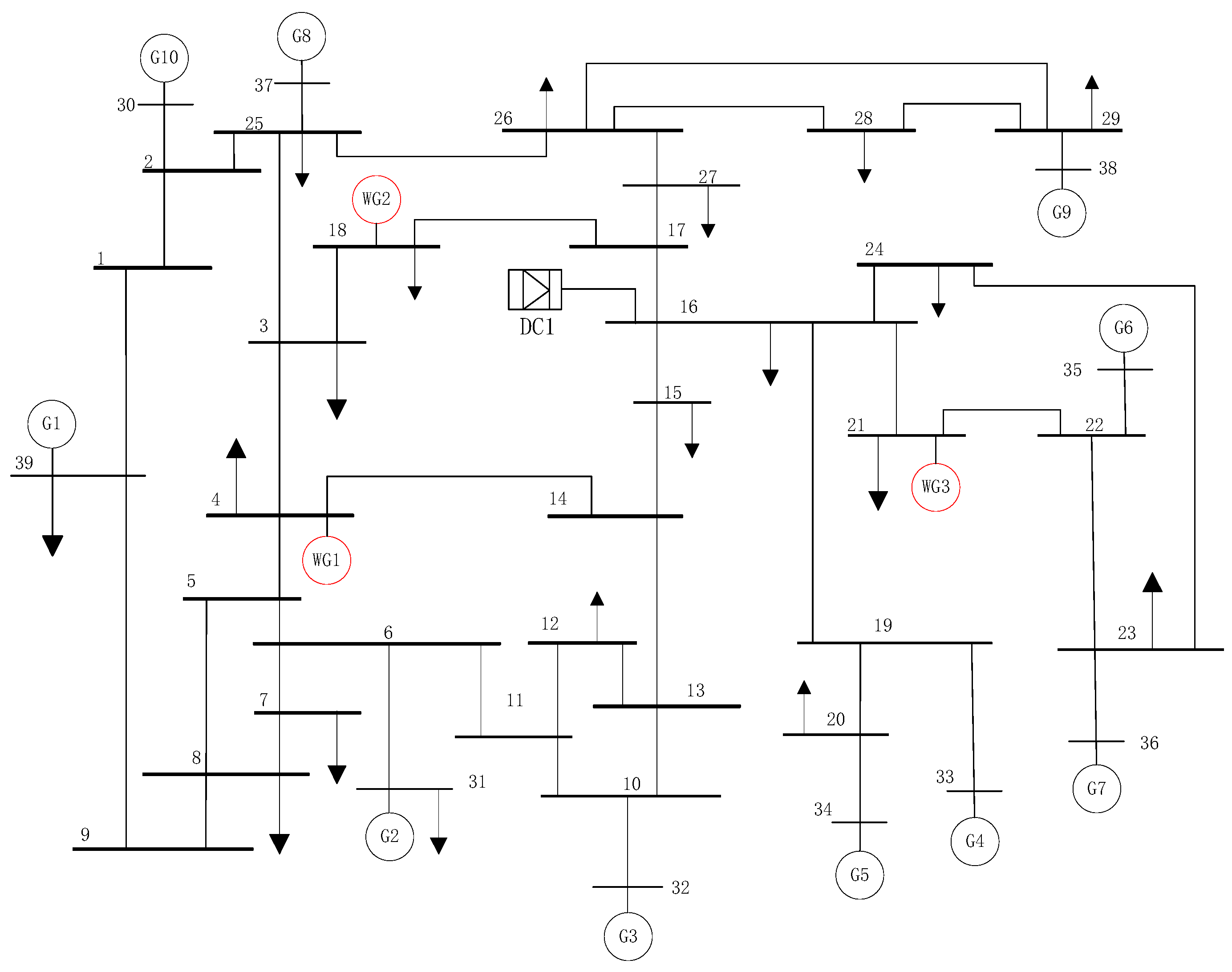
A modified IEEE 39-mode test system, as represented in
Figure 15, is built to assess the efficacy of the suggested frequency support strength indices. The installed capacity of the synchronous generator sources is 7600 MW, while the installed capacity of the nonsynchronous-machine sources is 2072 MW. The average inertia of the synchronous generator sources is 4.55, and the rotational reserve rate is 10%. In
Figure 15, the nonsynchronous-machine sources are connected to buses 4, 18, and 21 accordingly.
The following two scenarios are considered to calculate the equivalent inertia lifting factor and the steady-state frequency deviation decreasing factor. Firstly, when all the nonsynchronous-machine sources adopt the constant active power control and the constant reactive power control, they have no frequency support abilities. The RoCoF and the steady-state frequency deviation can be obtained by the simulation. As shown in
Figure 16,
, and
. Then, when all the nonsynchronous-machine sources adopt the PSL control and the constant reactive power control, they have both inertia support and primary frequency regulation.
Mnon of all the nonsynchronous-machine sources is set to 6.8, and
knon is set to 30. As shown in
Figure 16,
, and
. Therefore,
Hamp is 1.416, and
Rdeltf is 0.706.