Next Article in Journal
A Review of Magnetic Gear Technologies Used in Mechanical Power Transmission
Previous Article in Journal
Evaluation of Combustion Stability and Exhaust Emissions of a Stationary Compression Ignition Engine Powered by Diesel/n-Butanol and RME Biodiesel/n-Butanol Blends
 
 
Font Type:
Arial Georgia Verdana
Font Size:
Aa Aa Aa
Line Spacing:
Column Width:
Background:
Article

Optimal Transmission Expansion Planning with Long-Term Solar Photovoltaic Generation Forecast

by
Siripat Somchit
1,
Palamy Thongbouasy
1,
Chitchai Srithapon
2 and
Rongrit Chatthaworn
1,*
1
Department of Electrical Engineering, Khon Kaen University, Khon Kaen 40002, Thailand
2
Department of Electrical Engineering, KTH Royal Institute of Technology, 11428 Stockholm, Sweden
*
Author to whom correspondence should be addressed.
Energies 2023, 16(4), 1719; https://doi.org/10.3390/en16041719
Submission received: 26 December 2022 / Revised: 1 February 2023 / Accepted: 6 February 2023 / Published: 9 February 2023
(This article belongs to the Section F1: Electrical Power System)

Abstract

Solar PhotoVoltaics (PV) integration into the electricity grids significantly increases the complexity of Transmission Expansion Planning (TEP) because solar PV power generation is uncertain and difficult to predict. Therefore, this paper proposes the optimal planning method for transmission expansion combined with uncertain solar PV generation. The problem of uncertain solar PV generation is solved by using Long Short-Term Memory (LSTM) for forecasting solar radiation with high accuracy. The objective function is to minimize total system cost, including the investment cost of new transmission lines and the operating cost of power generation. The optimal TEP problem is solved by the Binary Differential Evolution (BDE) algorithm. To investigate and demonstrate the performance of the proposed method, the IEEE 24-bus system and solar radiation data in Thailand are selected as a study case for TEP. The MATPOWER program written in MATLAB software is used for solving optimal power flow problems. Simulation results show that the proposed optimal TEP method combined with forecasting solar PV power generation using the LSTM can reduce the total system cost of the transmission expansion by 9.12% compared with the cost obtained by the TEP using solar radiation from statistical data.

1. Introduction

Nowadays, electric power is very significant in subsistence, including communication, transportation, education, etc. Due to the growth in electric power demand, the Ministry of Energy in Thailand and the Electricity Generating Authority of Thailand (EGAT) prepared the Power Development Plan 2018 (PDP 2018) [1] to plan sufficient power generation for power demand growth and strengthen the country’s energy security. Moreover, the increasing demand for electricity affects transmission system operations. Thereby, transmission line expansions are required to support the increases in power generation and demand in the future. The TEP has been extensively researched in recent years. Typically, TEP problems are concerned with the reliability and security of power systems.
In addition, the Ministry of Energy created the Alternative Energy Development Plan 2018 (AEDP 2018) [2] to promote electricity generation from renewable energy resources such as solar PVs and wind turbine generators. This plan will encourage the use of renewable energy to generate electricity instead of fossil fuels. However, renewable energy resources are uncertain in terms of electricity generation. This is because electricity generation from renewable energy depends on the weather and the environment, which are difficult to control and predict. The uncertainty of renewable energy can impact transmission system operation. Additionally, many research works studied power system operation and control when uncertain generations of renewable energy resources were considered. For example, reference [3] proposed the sampled memory-event-triggered fuzzy to investigate the load frequency control issue when wind power systems penetrate. The proposed method led to mitigating measurement outliers and transmission delays. Besides, an adaptive memory-event-triggered mechanism combined with Takagi–Sugeno (T-S) fuzzy wind turbine systems was proposed to control the uncertainty of wind power generation and reduce the frequency of data communication. An adaptive memory-event-triggered mechanism was presented to select the “necessary” control signal [4]. These works were proposed to deal with the uncertainty of renewable energy resources and emphasize controlling the system in the short term. However, the TEP is usually long-term, which relies on forecasting to deal with the uncertainty of renewable energy resources. Hence, it is significant to consider the uncertainty of renewable energy in TEP. The primary motivation of this work is to expand the transmission lines to support the increases in electricity demand and uncertainty of solar PV generation so the system can operate without any violation of power system constraints.
The TEP is important in power system research and has been extensively studied in recent years. Commonly, TEP problems are concerned with the reliability and security of power systems [5]. Reference [6] proposed developing TEP methods and problem formulations for planning and compiling the modeling decisions and solutions for the TEP problem. Research work in reference [7] reviewed the TEP research, which includes information on the TEP problem such as modeling, solving methods, reliability constraints, distributed generation in TEP, etc. Reference [8] presented an outline literature review of the TEP research in more than 140 recent articles, which include literature review insights, the identified gap for guidelines on the TEP problem, and methods for solving TEP. In recent years, Generation Expansion Planning (GEP) and TEP have been extensively carried out. Reference [9] presented comprehensive reviews of GEP and TEP problems; for example, modeling, solving methods, TEP with reliability criteria, TEP with distributed generation, TEP with various electricity markets, etc. Reference [10] presented some challenges with the security-constrained TEP; these challenges include deregulation, uncertainties for the security-constrained transmission expansion planning (SCTEP), decision dynamics, a multi-objective problem, a power flow model, integrated planning with natural gas systems, High-Voltage Direct-Current (HVDC), solution methods, the selection of candidate lines, and the N-1 security criterion. Research work in reference [11] presented the TEP problem, which includes information about the solution method, the treatment of the planning horizon, and considering the electricity sector restructuring. As mentioned above, this paper integrates the comprehensive reviews of the TEP problem so that the guidelines for solving transmission planning can be provided.
For the model for solving the TEP problem, the AC power flow model and the DC power flow model are usually applied as presented in the following references. The TEP problem is solved using the AC power flow model [12,13,14]. The TEP problem is solved using the DC power flow model [12,15,16]. The DC power model is simple and only considers real power, while the AC power flow model considers both real and reactive powers. However, the AC power flow model consumes a lot of computational time, but it is a full model that is usually adapted to the actual system. In conclusion, applying the power system with the AC power flow model is necessary for the planning because the AC power flow model considers both real and reactive powers, which conforms to the actual power system operation. For the planning horizon, there are two types of TEP planning horizons, which are static TEP and dynamic TEP. The static TEP considers only one time for selecting the equipment of the planning horizon. On the other hand, the dynamic TEP considers several sub-periods for pre-selected equipment. As mentioned above, the dynamic TEP can provide the optimal solution for long-term planning, but it is complex and consumes a lot of computational time. Therefore, the static TEP approach is employed for this work. References [17,18,19] present the static TEP method to solve the TEP problem. In addition, the dynamic TEP method to solve the TEP problem was proposed in references [20,21,22].
Various approaches have been developed to solve the TEP problem. Generally, there are two main algorithms for solving TEP, consisting of mathematical and meta-heuristic methods. The mathematical method can find the accurate optimal solution with low computation time. However, it is necessary to convert the power flow equations into a mathematical optimization model, which is complicated. Moreover, because the power system model has to be transformed into linear and nonlinear equations, the mathematical method can only be used for the static approach, and the dynamic approach such as stability analysis cannot be performed. In addition, the advantage of meta-heuristic methods is very straightforward. It is not necessary to convert complex power flow equations into a mathematical optimization model. Although the meta-heuristic methods take a long time to compute, they can find optimal and sub-optimal solutions for large systems. Additionally, this method can also be used for static and dynamic approaches [7,8]. As mentioned above, this paper applies the meta-heuristic method to solve the TEP problem. For the reason that the meta-heuristic is one of the methods that has the potential to find the optimal solution within feasible spaces, it is suitable to solve the complex problem of the TEP task. The mathematical methods for the TEP problem were proposed in references [12,16,18,23,24,25]. Furthermore, the meta-heuristic methods for the TEP problem were proposed in reference [26], which include a Genetic Algorithm (GA), Orthogonal crossover-based Differential Evolution (OXDE), Grey Wolf Optimizer (GWO), Moth–Flame Optimization (MFO), Exchange Market Algorithm (EMA), Sine Cosine Algorithm (SCA) optimization, and Imperialistic Competitive Algorithm (ICA). Moreover, some examples that have been applied to solving the TEP problem were presented: Genetic Algorithm (GA) [25,27], Tabu Search (TS) [28], Particle Swarm Optimization (PSO) [22,29], Differential Evolution (DE) [30,31] and Imperialist Competitive Algorithm (ICA) [32].
Machine learning is a modern method for forecasting power system uncertainties. Furthermore, to reduce the uncertainties associated with the renewable energy used in TEP, the forecast for renewable energy uncertainties was considered in conjunction with transmission planning. Commonly, renewable energy sources are widely used for alternative electricity generation, especially solar PV generation. Furthermore, the trend of its installation cost continuously decreases. The Ministry of Energy in Thailand supports the increasing power generation of solar PV [2]. Thus, solar PV generation is considered in this work. Nowadays, machine learning is increasingly being used to forecast the generation of solar PV. An overview of the machine learning approach used in forecasting solar radiation to forecast solar PV generation was presented [33]. In addition, a comprehensive review of direct forecasting of PV power generation and optimization of the forecasting model were proposed [34]. Reference [35] proposed a comprehensive review of different forecasting solar PV techniques, including impact factors affecting solar PV forecasts and matrices to evaluate the forecast model. Among all forecasting models, the LSTM model is one of the most popular models for time series data prediction and is an appropriate method for forecasting solar PV generation. The LSTM model for forecasting solar PV was proposed in references [36,37,38,39,40]. As mentioned above, this paper employs the LSTM model for the prediction of solar radiation combined with the TEP to enhance the performance of solving the TEP problem.
In order to achieve the mentioned gap in the previous research works, this paper proposes a novel static optimization for TEP with the uncertainties of solar PV. The objective functions are to minimize the investment cost of new transmission lines and the operating cost. Additionally, this paper proposes a robust model for solar radiation prediction to estimate power generation and reduce the uncertainties of solar PV generation in the TEP problem. The major contributions of this work are summarized as follows:
  • In order to obtain the optimal solution of TEP, this paper introduces the BDE algorithm to solve the TEP problem because the BDE algorithm has already been proven to be an accurate convergence, simple structure, and robust method for many optimization problems [41].
  • This paper proposes a novel TEP combined with the LSTM model for forecasting solar radiation to deal with the uncertainty of solar PV generation. The proposed method leads to the increased performance of TEP when compared with TEP without solar PV consideration, conventional TEP, and TEP with statistical solar radiation.
This paper is organized as follows. Section 2 presents details of the TEP model, after which the model of solar PV generation is expressed in Section 3. The TEP method using the BDE algorithm is proposed in Section 4. Section 5 demonstrates the simulation results and provides a discussion. Finally, Section 6 is the conclusion of this work.

2. TEP Model

This section presents the formulation of the TEP problem, which includes the objective function and constraints. The target of TEP is to install new transmission lines to support the increase in demand and generation in the future with the minimum total system cost.
Furthermore, this paper considers case studies of TEP consisting of TEP without solar PV consideration and TEP with solar PV consideration. For the TEP without solar PV consideration, the existing transmission system with forecasted demand and forecasted generation from the conventional power plants is used. For the TEP with solar PV consideration, the existing transmission system with forecasted demand, forecasted generation from the conventional power plants, and the forecasted solar radiation for solar PV generation are used.
The objective function and constraints are presented in Equations (1)–(7) as follows [29]:
min f = t = 1 T C t o t , t = t = 1 T ( C i n v , t + C o p , t ) ,
where C t o t , t is the total system cost at time t (M$), C i n v , t is the investment cost of the new transmission line at time t (M$), C o p , t is the operating cost of generation at time t (M$), t and T are the indices of the initial and final times of the target year of planning (hour).
Moreover, the minimization of the above two objectives under system operation constraints can ensure a solution without any violations for all scenarios. The operation constraints used in this work can be formulated by using the following equations [29,42]:
  • Power balance equations:
    P G , i P L , i = j = 1 N b V i V j ( G i j cos δ i j + B i j sin δ i j ) ,
    Q G , i Q L , i = j = 1 N b V i V j ( G i j sin δ i j + B i j cos δ i j ) ,
  • The constraints of active power and reactive power generations:
    P G , i min P G , i P G , i max ,
    Q G , i min Q G , i Q G , i max ,
  • The constraint of bus voltage:
    V i min V i V i max ,
  • The constraint of the apparent power flow of each transmission line:
    S i j S i j max ,
    where P G , i and Q G , i are active power and reactive power generations at bus i, respectively. P L , i and Q L , i are active power and reactive power demands at bus i, respectively. N b is the number of buses. V i and V j are voltages at bus i and j, respectively. G i j is the conductance between bus i and j. B i j is the susceptance between bus i and j. δ i j is the voltage angle between bus i and j. P G , i min and P G , i max are the minimum and maximum limits of active power generations at bus i, respectively. Q G , i min and Q G , i max are the minimum and maximum limits of reactive power generations at bus i, respectively. V i min and V i max are the minimum and maximum limits of voltage at bus i, respectively. S i j is the apparent power flow of transmission lines connecting between bus i and j. S i j max is the maximum limit of apparent power flow of transmission lines connecting between bus i and j.

3. Model of Solar PV Generation

This section proposes the LSTM model for forecasting solar radiation and explains the model of solar PV generation as follows:

3.1. The LSTM Model for Forecasting Solar Radiation

Long Short-Term Memory (LSTM) was developed from a Recurrent Neuron Network (RNN) in order to increase stability and efficiency as well as simplify the adaptability of parameters into large systems with high accuracy [34]. The structure of the LSTM network consists of a short-term state and a long-term state, as well as an input gate, a forget gate, and an output gate, which are described in references [39,43]. The LSTM model is widely used for time series data prediction, which is appropriate for forecasting solar radiation. Furthermore, the forecast time horizon of solar radiation must be taken into consideration. The forecast time horizon is the period in the future in which solar radiation will be predicted. Typically, the forecast time horizon can be separated into three major categories which are short-term (1 h to 1 day ahead), medium-term (1 month to 1 year ahead), and long-term forecast (1–10 years ahead) [34,35]. In this paper, hourly solar radiation data in Thailand are used for long-term forecast by using the LSTM model to estimate solar PV generation in the planning [44]. The process of the LSTM model for forecasting solar radiation is presented in Figure 1.
The process of the LSTM model for forecasting solar radiation is described below:
Step 1: Preprocessing the dataset consists of averaging the previous three data points to interpolate missing values and normalizing the dataset using z-score normalization to control the training efficiency of the LSTM model. The normalization of the dataset is explained in Equation (8).
Z = X X σ ,
where Z is normalized value, X is the data in the dataset, X is the mean of data and σ is the standard deviation of data.
Step 2: Define the parameters and conditions of the LSTM model, which are composed of the number of timesteps based on the forecasting time horizon, the number of hidden nodes, the number of iterations, the loss function, and the optimizer algorithm. The parameters of the LSTM model are presented in Table 1 and are utilized for this work.
Step 3: In this paper, the data are separated into two parts: the training data part and test data part. The solar radiation data in Thailand accumulated from 2017–2019 are used as the training data, and the solar radiation data in Thailand accumulated from 2020 are used as the testing data.
Step 4: Predict and calculate the performance of the LSTM model for forecasting solar radiation. The performance of the LSTM model is assessed using Root Mean Square Error (RMSE) [37], which can indicate that the LSTM model can predict values that are close to the actual value, as presented in Equation (9).
R M S E = m = 1 n ( Y p r e d , m Y t e s t , m ) 2 n ,
where Y p r e d , m is the forecasted value from LSTM model at datapoint m, Y t e s t , m is actual value at datapoint m and n is the time horizon of the forecast.
Step 5: Calculate the generation power of solar PV as presented in Section 3.2 by using the forecasted solar radiation.

3.2. Solar PV Generation Model

Solar generation is directly influenced by solar radiation. In order to estimate the power generation from solar PV, an accurate model is necessary. The model of solar PV generation [45] used in this work is presented by Equations (10)–(12).
P p v = P s n × G b h 2 G s t d × R c ; 0 G b h < R c ,
P p v = P s n × G b h G s t d ; R c G b h < G s t d ,
P p v = P s n × G b h 2 G s t d × R c ; 0 G b h < R c ,
where P p v is the output power of solar PV (W) and P s n is the equivalent rated capacity of solar PV (W). G b h is the hourly solar radiation (W/m2), G s t d is the solar radiation in the standard environment which is 1000 (W/m2), R c is a certain radiation point which is 150 (W/m2).

4. Proposed Methodology

In this section, the proposed TEP is solved using a meta-heuristic method. Even with the high computation time of the method, the advantage of meta-heuristic methods is that they are very straightforward and it is not necessary to convert power system equations into the optimization model. Furthermore, a meta-heuristic method is particularly suited to solving complex problems. The Differential Evolution (DE) algorithm is widely used to solve the optimization planning and TEP problems [28,29]. This algorithm is straightforward, powerful, simple, and converges accurately with minor control variables. Nevertheless, the original DE algorithm cannot be used in the binary domain, which is the specialty of the TEP problem. Consequently, this paper selects the BDE algorithm to solve the optimal TEP problem. Commonly, the installation of new transmission lines is selected from transmission line candidate data using randomization in binary [0,1]. Moreover, the proposed BDE algorithm with parameter adaption in the binary mutation process can improve the algorithm’s performance [41]. The proposed optimal TEP method using the BDE algorithm is presented in Figure 2. The process of the TEP method using the BDE algorithm can be described below.
Step 1: Input data consisting of the existing IEEE 24 bus system, transmission line candidates, forecasted demand, and forecasted solar radiation.
Step 2: Set parameters and conditions for the BDE algorithm, consisting of the number of iterations, number of decision variables, number of populations, Scaling Factor (F) and Crossover Rate (CR).
Step 3: Initialize a binary set randomly, used to select the installation of new transmission lines to the IEEE 24 bus system. In addition, the initial F and CR are set to be 0.75.
Step 4: Run Optimal Power Flow (OPF) to evaluate the operating cost and check the constraints for each population.
Step 5: Generate a new population using the mutation process. Moreover, adjust F and CR for each population as described in Equations (13) and (14).
V k g = X b e s t g ^ D D p = ( i f   r a n d p < F ) & ( x 2 p g ^ x 1 p g ) ,
where ^ is the XOR operator, & is the AND operator, V k g is the mutation of k-th population in g-th generation, X b e s t g is the best value in the population in g-th generation, D is the dimension of the objective function, D p is the difference between two populations in the p-th component and x k p g is initialization at p-th component of k-th population in g-th generation.
F k g + 1 = { n o r m a l r n d ( m F , 0.05 ) , i f   r a n d k < 0.05 F k g , o t h e r w i s e C R k g + 1 = { n o r m a l r n d ( m C R , 0.05 ) , i f   r a n d k < 0.05 C R k g , o t h e r w i s e
where m F and m C R are the mean values of F and CR, respectively. normalrnd is a variable used for randomizing in normal distribution function which has mF and mCR as the mean while the standard deviation is fixed as 0.05. F k g is the scaling factor value of the k-th population in g-th generation and C R k g is the crossover rate value of the k-th population in g-th generation.
Step 6: Generate a new population using the crossover process which can be described in Equation (15).
u k p g = { v k p g , r a n d ( p ) C R ,   o r p = r a n d c a n d i d a t e ( k ) x k p g , r a n d ( p ) > C R   o r p r a n d c a n d i d a t e ( k ) p{1,2,3,,D} ,
where u i j g , v i j g are the binary mutation and crossover rate parameters at p-th component of k-th population in g-th generation, respectively. r a n d c a n d i d a t e ( k ) is a randomly chosen index { 1 , 2 , 3 , , D } .
Step 7: Run OPF to evaluate the operating cost and check the constraints for each population generated by the crossover process.
Step 8: Select the best population for the next generation as presented in Equation (16).
X k g + 1 = { U k g ,   i f   f ( X k g ) f ( U k g ) X k g ,   o t h e r w i s e ,
where X k g , U k g are the initialization and crossover vectors of the k-th population in g-th generation, respectively. X k g + 1 is the best population for the next generation.
Step 9: Collect the best solution of the population in each iteration for comparing with the best solutions of other iterations.
Step 10: If the maximum number of iterations is reached, the process is stopped and the best solutions are saved; otherwise, go to step 4.

5. Simulation Results and Discussion

In this section, the objective function of TEP is the minimization of the investment cost of new transmission lines and the operating cost of generation. All simulations are operated on the Intel(R) Core (TM) i7-7700 CPU @ 3.60 GHz with 8 GB RAM. The experiment is run in MATLAB R2021a using the MATPOWER tool [46]. The proposed algorithm is applied to the IEEE 24 bus system, which is provided in reference [47]. This system contains 24 buses, 38 transmission lines, and 33 generation units. The demand data considered in this paper is greater than three times the original demand [28]. The installation of solar PV generation is defined to 25% of the peak demand. Solar PV generation units are installed on buses 10, 13, 14, 15, and 18, which have the five highest demands. This paper proposes the TEP combined with the LSTM model for forecasting solar radiation to deal with the uncertainty of solar PV generation. In this work, TEP is solved using the BDE algorithm. The parameters of BDE are set as follows. The number of populations is 20, the number of decision variables is 41, and the maximum number of iterations is 50. 41 transmission line candidates, which are presented in Table 2 [32], can be selected for installation in the test system. The accuracy of forecasted solar radiation is investigated by RMSE. The accuracy of forecasted solar radiation and the calculation time of the LSTM model are presented in Table 3. From the results in Table 3, the RMSE value is close to 0, which indicates that the LSTM model could predict well. Moreover, the forecasted solar radiation compared with the actual solar radiation of Thailand in 2020 is presented in Figure 3. The result of the forecasted solar radiation from the LSTM demonstrates that the obtained solar radiation values are close to the actual solar radiation of Thailand in 2020, which can be implied by the RMSE (0.1211). Consequently, the LSTM model is used to forecast solar radiation in the target year of planning for the proposed TEP method, while the solar radiation of Thailand in 2020 is used in the planning for the TEP with statistical solar radiation.
Additionally, the TEP results are studied for two cases, including the TEP without solar PV consideration and the TEP with solar PV consideration, which are presented in Section 5.1 and Section 5.2, respectively. Finally, the results from the two cases are discussed in Section 5.3.

5.1. The TEP without Solar PV Consideration

To ensure that the proposed method for solving TEP can discover the optimal solution, the TEP without solar consideration is investigated by using the BDE algorithm compared with the ATS algorithm. This case is carried out by taking into account the existing system, which is the IEEE 24 bus system, and considering the peak demand of the system without solar PV generation. The result of TEP without solar PV generation is presented in Table 4. There are 18 transmission lines installed in the system. The total system cost is 1551.74 M$, which is composed of 770 M$ from the investment cost and 781.74 M$ from the operating cost.
In addition, the result of TEP without solar PV consideration is demonstrated when compared with TEP solved using Adaptive Tabu Search (ATS) [28]. From Table 4, the result of TEP without solar PV consideration shows that when compared with the TEP using the ATS method. The total cost obtained by the BDE algorithm is lower than the total cost provided by the ATS algorithm. Therefore, it confirms that the TEP without solar PV consideration utilizing the BDE algorithm can discover the optimal solution.

5.2. The TEP with Solar PV Consideration

To verify the contribution of the proposed method, there are three TEP methods with solar PV consideration to be compared. The first is the conventional TEP, which uses the maximum and minimum values of demand and solar PV generation as the considered scenarios for planning. The second is the TEP using hourly data of the solar radiation of Thailand in 2020 and the target year’s demand, called the TEP with statistical solar radiation. Lastly, the proposed method is the TEP combined with the LSTM model used to forecast the target year’s solar radiation. Furthermore, the hourly target year’s demand and the hourly target year’s solar radiation are taken into account in the proposed method. The result of these TEP methods with solar PV consideration can be presented as follows.

5.2.1. The Conventional TEP

Conventionally, in order to achieve a solution that ensures the security of the power system operation, the four worst-case scenarios consisting of maximum demands and maximum solar PV generations, maximum demands and minimum solar PV generations, minimum demands and maximum solar PV generations, and minimum demands and minimum solar PV generations are considered in the TEP problem [48]. The four worst-case scenarios defined as conventional TEP are shown below.
  • Scenario 1: maximum demand combined with minimum solar PV generation.
  • Scenario 2: maximum demand combined with maximum solar PV generation.
  • Scenario 3: minimum demand combined with minimum solar PV generation.
  • Scenario 4: minimum demand combined with maximum solar PV generation.
The result of conventional TEP is summarized in Table 5. There are 19 transmission lines selected to be installed in the system. The total system cost is 1567.3 M$, which is composed of 859 M$ from the investment cost and 708.3 M$ from the operating cost.

5.2.2. The TEP with Statistical Solar Radiation

The TEP with statistical solar radiation is performed by considering the hourly demand and the hourly statistical solar radiation of Thailand in 2020. The result of the TEP with statistical solar radiation is summarized in Table 6. There are 20 transmission lines selected to be installed in the system. The total system cost is 1651.4 M$, which is composed of 900 M$ from the investment cost and 751.4 M$ from the operating cost.
As mentioned above, the statistical solar radiation in Thailand in 2020 is utilized to estimate solar PV generation. For the reason that the solar radiation used in this case is not a value that will occur in the next 10 years, the obtained solutions may not be optimal. However, this problem can be mitigated when the highly accurate values of forecasted solar radiation for the next 10 years are utilized. Employing the LSTM, which is guaranteed by the training results in Table 3, to forecast solar radiation for the next 10 years along with TEP optimization should increase the opportunity for discovering the optimal solution.
To obtain the total system cost close to its actual value, the selected transmission line candidates from the result of TEP with the statistical solar radiation method are added to the test system under the forecasted solar radiation obtained from the LSTM. The simulation results show that the operating cost is decreased from 751.4 M$ to 715.8 M$, as noticed from the result in Table 7. The total system cost is 1615.8 M$, which is composed of 900 M$ from the investment cost and 715.8 M$ from the operating cost.

5.2.3. The Proposed TEP with the LSTM for Forecasting Solar Radiation

The proposed TEP with the LSTM for forecasting solar radiation is performed by considering the hourly demand and the hourly forecasted solar radiation obtained from the LSTM model for the target year planning. The result of the proposed TEP with the LSTM model for forecasting solar radiation is summarized in Table 8. There are 18 selected to be installed in the system. The total system cost is 1468.46 M$ which is composed of 814 M$ from the investment cost and 654.46 M$ from the operating cost.
As mentioned above, the TEP with statistical solar radiation and the proposed TEP with the LSTM model for forecasting solar radiation differ in the solar radiation value utilized. Therefore, two cases are compared to discover the difference. The result of the proposed TEP with the LSTM model for forecasting solar radiation can reduce the investment cost, operating cost, and total system cost by 9.55%, 8.57%, and 9.12%, respectively, when compared with the costs obtained by the TEP with statistical solar radiation when using the forecasted solar radiation from the LSTM.
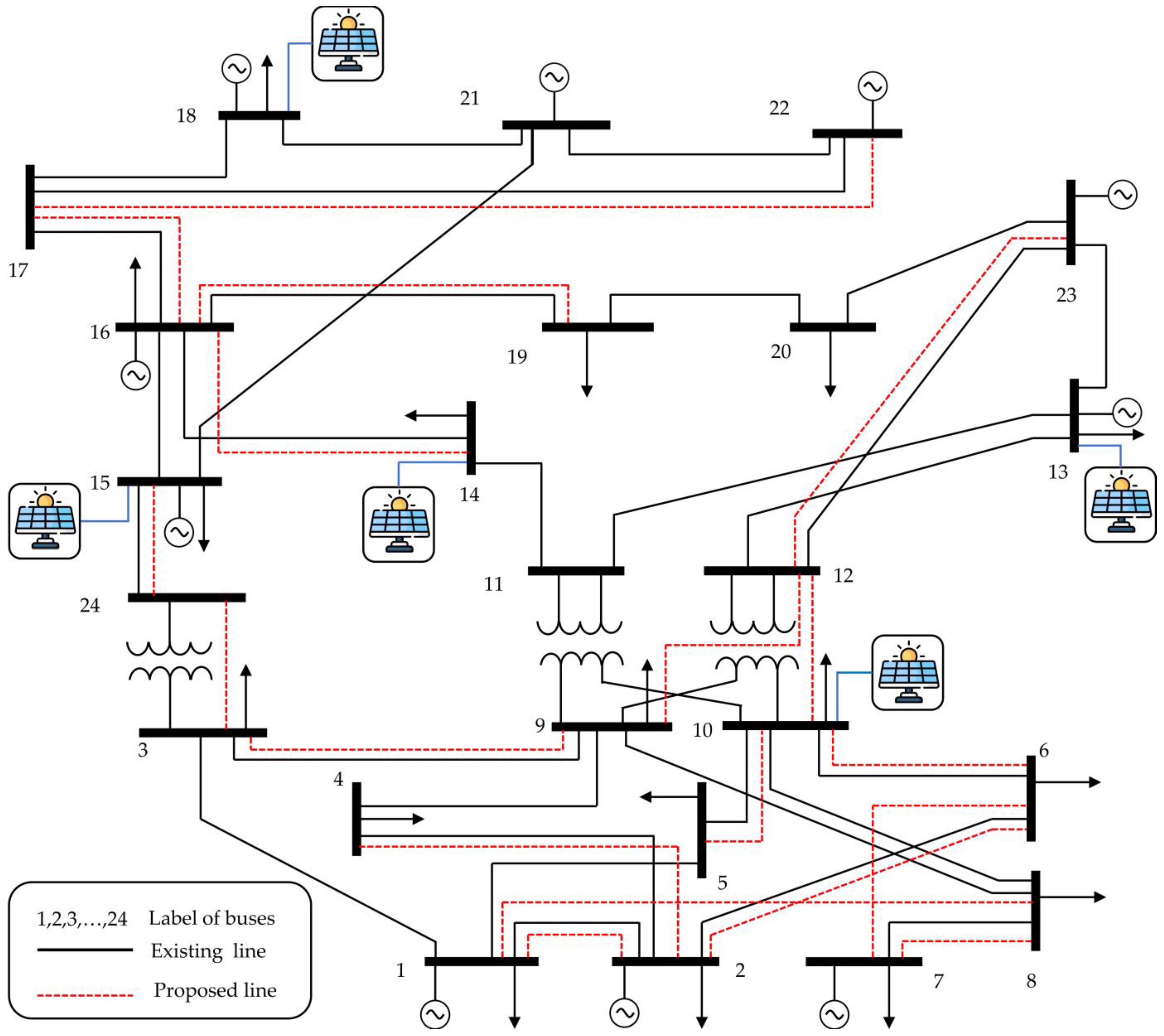
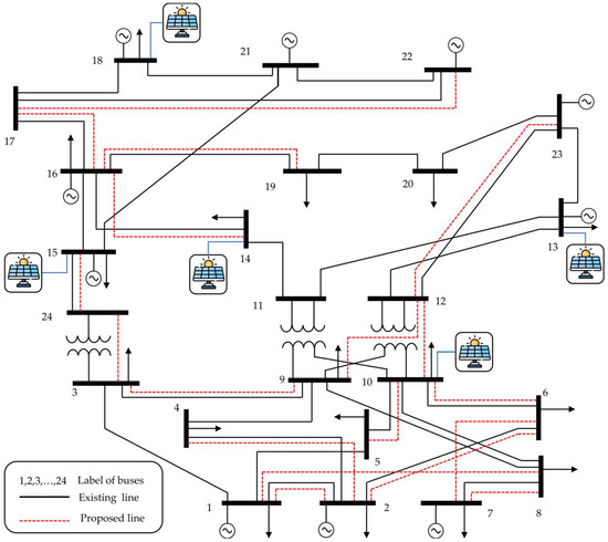
The comparison of the TEP with statistical solar radiation and the proposed TEP with the LSTM model for forecasting solar radiation is presented in Table 9. The transmission lines obtained from the proposed TEP with the LSTM model for forecasting solar radiation and the solar PV installation are illustrated in Figure 4. Figure 4 presents the installed transmission lines and installed solar PV generation units for the IEEE 24 bus system.

5.3. Discussion

According to the results of the above two studied cases, case 1 has new 18 installed transmission lines for the TEP without solar PV consideration, case 2 has new 19 installed transmission lines for the conventional TEP, new 20 installed transmission lines for the TEP with statistical solar radiation, and new 18 installed transmission lines for the proposed TEP with the LSTM model for forecasting solar radiation.
As mentioned above, the difference in investment costs is minor in these cases. Nevertheless, the operating cost of the proposed TEP with the LSTM model for forecasting solar radiation is significantly lower than the TEP without solar PV consideration, the conventional TEP, and the TEP with statistical solar radiation. This is because, during the planning process, the proposed TEP with the LSTM model for forecasting solar radiation considers the forecasted solar radiation with high accuracy in the planning, which can reduce the operating cost of power generation. Consequently, the total system cost of the proposed TEP is less than that of the TEP without solar PV consideration, the conventional TEP, and the TEP with statistical solar radiation. The result of the proposed TEP method shows the optimal solution plan with the minimum total system cost. In addition, a precise LSTM model can predict the solar radiation in the target year close to its statistical solar radiation value according to the RMSE value as presented in Table 3. Hence, it can increase the possibility of planning with high system security and minimize the total system cost of TEP.
Furthermore, the comparison of the TEP with statistical solar radiation and the proposed TEP with the LSTM model for forecasting solar radiation is shown in Table 9. The results show that the obtained result from the proposed TEP varies from the result obtained from the TEP with statistical solar radiation. When the proposed TEP with the LSTM model is employed, the system installing solar PV can advocate more output power of solar PV than the advocated output power of solar PV in the TEP with statistical solar radiation. Thereby, the proposed TEP can reduce the total system cost of TEP.

6. Conclusions

This paper proposes a novel TEP with the LSTM model for forecasting solar PV generation using the BDE algorithm. The solar radiation is forecasted using the LSTM model to estimate solar PV generation for the target year of planning. All simulations of TEP use the IEEE 24 bus system for a planning horizon of 10 years. The objective is to minimize the investment cost of new transmission lines and the operating cost of generators. In this paper, there are two case studies, including the TEP without solar PV consideration and the TEP with solar PV consideration. The TEP without solar PV consideration is carried out by taking into account the existing IEEE 24 bus system. Furthermore, peak demand is considered without solar PV generation. For the TEP without solar PV consideration, the BDE algorithm can reduce the total system cost by 10.98% compared with the TEP without solar PV consideration provided by the ATS algorithm. Consequently, it verifies that the TEP without solar PV consideration utilizing the BDE algorithm can discover the better optimal solution compared with utilizing the ATS algorithm.
For the TEP with solar PV consideration, three TEP methods consisting of the conventional TEP, the TEP with statistical solar radiation, and the proposed TEP with the LSTM for forecasting solar radiation are solved and compared. The conventional TEP is conducted by using the maximum and minimum values of the demand and solar PV generation, which are taken into account for planning. Then, the TEP with statistical solar radiation is performed by considering the hourly demand in the target year of planning and the hourly statistical solar radiation of Thailand in 2020. Finally, the proposed TEP with the LSTM for forecasting solar radiation is performed by considering the hourly demand in the target year of planning and the hourly forecasted solar radiation obtained from the LSTM model for the target year of planning. As mentioned previously, the difference in investment costs is minor in these cases. However, the proposed TEP with the LSTM model for forecasting solar radiation can support more output power of solar PV than the supported output power of solar PV in other cases, which can reduce the operating cost. Therefore, the total system cost of the proposed TEP is lower than the costs of TEP without solar PV consideration, conventional TEP, and TEP with statistical solar radiation. Moreover, an accurate LSTM model can predict solar radiation in the target year close to its statistical value. Furthermore, it can increase the potentiality of planning with high system security and reduce the total system cost of TEP.
Finally, the comparison of the TEP with statistical solar radiation and the proposed TEP with the LSTM model for forecasting solar radiation shows that the proposed TEP with forecasted solar radiation can reduce the investment cost, operating cost, and total system cost of transmission expansion by 9.55%, 8.57%, and 9.12%, respectively, when compared with the TEP with statistical solar radiation when using the forecasted solar radiation from the LSTM. To deal with the uncertain solar PV generation. It can be concluded that the proposed TEP with the LSTM is more appropriate than the TEP with statistical solar radiation. Moreover, future works should consider the LSTM model which has excellent forecasting capability to forecast electricity demand solar PV generation. This will fulfill the uncertain parameters forecast in the TEP. Finally, the system reliability and security of power system operation are very significant especially when uncertain generation from renewable energy sources is increased in the power system; thereby, with the increase in computer and software capabilities, reliability indices and the N-1 security criterion should be taken into account for TEP with uncertain generation from renewable energy sources in future works.

Author Contributions

Conceptualization, S.S., P.T. and R.C.; methodology, S.S. and R.C.; software, S.S.; validation, S.S., P.T., C.S. and R.C.; formal analysis, S.S., P.T., C.S. and R.C.; investigation, S.S., P.T., C.S. and R.C.; resources, S.S. and R.C.; data curation, S.S.; writing—original draft preparation, S.S.; writing—review and editing, C.S. and R.C.; visualization, S.S. and R.C.; supervision, R.C.; project administration, R.C.; funding acquisition, P.T. and R.C. All authors have read and agreed to the published version of the manuscript.

Funding

This research was financially supported by the Faculty of Engineering, Khon Kaen University under grant number: Mas. Ee-2565/4 and the Electricity Generating Authority of Thailand (EGAT).

Data Availability Statement

The study did not report any data.

Acknowledgments

The authors would like to thank the Department of Electrical Engineering, Faculty of Engineering, Khon Kaen University and the Electricity Generating Authority of Thailand for providing funds, laboratory and facility to do research.

Conflicts of Interest

The authors declare no conflict of interest.

References

  1. Energy Policy and Planning Office. Ministy of Energy Power Develop Plan 2018; Energy Policy and Planning Office: Bangkok, Thailand, 2018.
  2. Department of Alternative Energy Development and Efficiency. Ministy of Energy Alternative Energy Development Plan 2018; Department of Alternative Energy Development and Efficiency: Bangkok, Thailand, 2018.
  3. Yan, S.; Gu, Z.; Park, J.H.; Xie, X. Sampled Memory-Event-Triggered Fuzzy Load Frequency Control for Wind Power Systems Subject to Outliers and Transmission Delays. IEEE Trans. Cybern. 2022, 1–11. [Google Scholar] [CrossRef]
  4. Yan, S.; Gu, Z.; Park, J.H.; Xie, X. Adaptive Memory-Event-Triggered Static Output Control of T–S Fuzzy Wind Turbine Systems. IEEE Trans. Fuzzy Syst. 2022, 30, 3894–3904. [Google Scholar] [CrossRef]
  5. Zhang, H. Introduction to Transmission Expansion Planning in Power Systems. In Electric Power Engineering Research and Education; Springer: Berlin/Heidelberg, Germany, 2015; pp. 155–183. [Google Scholar]
  6. Lumbreras, S.; Ramos, A. The New Challenges to Transmission Expansion Planning. Survey of Recent Practice and Literature Review. Electr. Power Syst. Res. 2016, 134, 19–29. [Google Scholar] [CrossRef]
  7. Hemmati, R.; Hooshmand, R.-A.; Khodabakhshian, A. State-of-the-art of transmission expansion planning: Comprehensive review. Renew. Sustain. Energy Rev. 2013, 23, 312–319. [Google Scholar] [CrossRef]
  8. Gomes, P.V.; Saraiva, J.T. State-of-the-art of transmission expansion planning: A survey from restructuring to renewable and distributed electricity markets. Int. J. Electr. Power Energy Syst. 2019, 111, 411–424. [Google Scholar] [CrossRef]
  9. Hemmati, R.; Hooshmand, R.-A.; Khodabakhshian, A. Comprehensive Review of Generation and Transmission Expansion Planning. IET Gener. Transm. Distrib. 2013, 7, 11. [Google Scholar] [CrossRef]
  10. Shahzad, U. A Review of Challenges for Security—Constrained Transmission Expansion Planning. J. Electr. Eng. Electron. Control Comput. Sci. 2020, 7, 21–30. [Google Scholar]
  11. Latorre, G.; Cruz, R.; Areiza, J.; Villegas, A. Classification of publications and models on transmission expansion planning. IEEE Trans. Power Syst. 2003, 18, 938–946. [Google Scholar] [CrossRef]
  12. Farrag, M.A.; Ali, K.M.; Omran, S. AC load flow based model for transmission expansion planning. Electr. Power Syst. Res. 2019, 171, 26–35. [Google Scholar] [CrossRef]
  13. Hooshmand, R.-A.; Hemmati, R.; Parastegari, M. Combination of AC Transmission Expansion Planning and Reactive Power Planning in the restructured power system. Energy Convers. Manag. 2012, 55, 26–35. [Google Scholar] [CrossRef]
  14. Asadamongkol, S.; Eua-Arporn, B. Transmission expansion planning with AC model based on generalized Benders decomposition. Int. J. Electr. Power Energy Syst. 2013, 47, 402–407. [Google Scholar] [CrossRef]
  15. Akbari, T.; Heidarizadeh, M.; Siab, M.A.; Abroshan, M. Towards integrated planning: Simultaneous transmission and substation expansion planning. Electr. Power Syst. Res. 2012, 86, 131–139. [Google Scholar] [CrossRef]
  16. Nemati, H.; Latify, M.A.; Yousefi, G.R. Coordinated generation and transmission expansion planning for a power system under physical deliberate attacks. Int. J. Electr. Power Energy Syst. 2018, 96, 208–221. [Google Scholar] [CrossRef]
  17. Sousa, A.S.; Asada, E.N. Long-term transmission system expansion planning with multi-objective evolutionary algorithm. Electr. Power Syst. Res. 2015, 119, 149–156. [Google Scholar] [CrossRef]
  18. Domínguez, A.H.; Escobar, A.H.; Gallego, R.A. An MILP model for the static transmission expansion planning problem including HVAC/HVDC links, security constraints and power losses with a reduced search space. Electr. Power Syst. Res. 2017, 143, 611–623. [Google Scholar] [CrossRef]
  19. Fathy, A.A.; Elbages, M.S.; El-Sehiemy, R.A.; Bendary, F.M. Static transmission expansion planning for realistic networks in Egypt. Electr. Power Syst. Res. 2017, 151, 404–418. [Google Scholar] [CrossRef]
  20. da Rocha, M.C.; Saraiva, J.T. A discrete evolutionary PSO based approach to the multiyear transmission expansion planning problem considering demand uncertainties. Int. J. Electr. Power Energy Syst. 2013, 45, 427–442. [Google Scholar] [CrossRef]
  21. Kamyab, G.-R.; Fotuhi-Firuzabad, M.; Rashidinejad, M. A PSO based approach for multi-stage transmission expansion planning in electricity markets. Int. J. Electr. Power Energy Syst. 2014, 54, 91–100. [Google Scholar] [CrossRef]
  22. Mortaz, E.; Valenzuela, J. Evaluating the impact of renewable generation on transmission expansion planning. Electr. Power Syst. Res. 2018, 169, 35–44. [Google Scholar] [CrossRef]
  23. Akbari, T.; Bina, M.T. A linearized formulation of AC multi-year transmission expansion planning: A mixed-integer linear programming approach. Electr. Power Syst. Res. 2014, 114, 93–100. [Google Scholar] [CrossRef]
  24. Ansari, M.; Pirouzi, S.; Kazemi, M.; Naderipour, A.; Benbouzid, M. Renewable Generation and Transmission Expansion Planning Coordination with Energy Storage System: A Flexibility Point of View. Appl. Sci. 2021, 11, 3303. [Google Scholar] [CrossRef]
  25. Leou, R.-C. A multi-year transmission planning under a deregulated market. Int. J. Electr. Power Energy Syst. 2011, 33, 708–714. [Google Scholar] [CrossRef]
  26. Abdi, H.; Moradi, M.; Lumbreras, S. Metaheuristics and Transmission Expansion Planning: A Comparative Case Study. Energies 2021, 14, 3618. [Google Scholar] [CrossRef]
  27. Foroud, A.A.; Abdoos, A.A.; Keypour, R.; Amirahmadi, M. A Multi-Objective Framework for Dynamic Transmission Expansion Planning in Competitive Electricity Market. Int. J. Electr. Power Energy Syst. 2010, 32, 861–872. [Google Scholar] [CrossRef]
  28. Chatthaworn, R.; Chaitusaney, S. Improving Method of Robust Transmission Network Expansion Planning Considering Intermittent Renewable Energy Generation and Loads. IET Gener. Transm. Distrib. 2015, 9, 1621–1627. [Google Scholar] [CrossRef]
  29. Gomes, P.V. Impact of Decision-Making Models in Transmission Expansion Planning Considering Large Shares of Renewable Energy Sources. Electr. Power Syst. Res. 2019, 174, 105852. [Google Scholar] [CrossRef]
  30. Alhamrouni, I.; Khairuddin, A.; Ferdavani, A.K.; Salem, M. Transmission Expansion Planning Using AC-based Differential Evolution Algorithm. IET Gener. Transm. Distrib. 2014, 8, 1637–1644. [Google Scholar] [CrossRef]
  31. Torres, S.P.; Castro, C.A. Specialized Differential Evolution Technique to Solve the Alternating Current Model Based Transmission Expansion Planning Problem. Int. J. Electr. Power Energy Syst. 2015, 68, 243–251. [Google Scholar] [CrossRef]
  32. Moradi, M.; Abdi, H.; Lumbreras, S.; Ramos, A.; Karimi, S. Transmission Expansion Planning in the presence of wind farms with a mixed AC and DC power flow model using an Imperialist Competitive Algorithm. Electr. Power Syst. Res. 2016, 140, 493–506. [Google Scholar] [CrossRef]
  33. Voyant, C.; Notton, G.; Kalogirou, S.; Nivet, M.-L.; Paoli, C.; Motte, F.; Fouilloy, A. Machine learning methods for solar radiation forecasting: A review. Renew. Energy 2017, 105, 569–582. [Google Scholar] [CrossRef]
  34. Das, U.K.; Tey, K.S.; Seyedmahmoudian, M.; Mekhilef, S.; Idris, M.Y.I.; Van Deventer, W.; Horan, B.; Stojcevski, A. Forecasting of photovoltaic power generation and model optimization: A review. Renew. Sustain. Energy Rev. 2018, 81, 912–928. [Google Scholar] [CrossRef]
  35. Raza, M.Q.; Nadarajah, M.; Ekanayake, C. On recent advances in PV output power forecast. Sol. Energy 2016, 136, 125–144. [Google Scholar] [CrossRef]
  36. Konstantinou, M.; Peratikou, S.; Charalambides, A. Solar Photovoltaic Forecasting of Power Output Using LSTM Networks. Atmosphere 2021, 12, 124. [Google Scholar] [CrossRef]
  37. Sharma, J.; Soni, S.; Paliwal, P.; Saboor, S.; Chaurasiya, P.K.; Sharifpur, M.; Khalilpoor, N.; Afzal, A. A novel long term solar photovoltaic power forecasting approach using LSTM with Nadam optimizer: A case study of India. Energy Sci. Eng. 2022, 10, 2909–2929. [Google Scholar] [CrossRef]
  38. Yu, Y.; Cao, J.; Zhu, J. An LSTM Short-Term Solar Irradiance Forecasting Under Complicated Weather Conditions. IEEE Access 2019, 7, 145651–145666. [Google Scholar] [CrossRef]
  39. Hossain, M.S.; Mahmood, H. Short-Term Photovoltaic Power Forecasting Using an LSTM Neural Network and Synthetic Weather Forecast. IEEE Access 2020, 8, 172524–172533. [Google Scholar] [CrossRef]
  40. Costa, R.L. de C. Convolutional-LSTM Networks and Generalization in Forecasting of Household Photovoltaic Generation. Eng. Appl. Artif. Intell. 2022, 116, 105458. [Google Scholar] [CrossRef]
  41. Jia, D.; Duan, X.; Khan, M.K. An Efficient Binary Differential Evolution with Parameter Adaptation. IJCIS 2013, 6, 328. [Google Scholar] [CrossRef]
  42. Kaewdornhan, N.; Srithapon, C.; Chatthaworn, R. Electric Distribution Network With Multi-Microgrids Management Using Surrogate-Assisted Deep Reinforcement Learning Optimization. IEEE Access 2022, 10, 130373–130396. [Google Scholar] [CrossRef]
  43. Wang, F.; Yu, Y.; Zhang, Z.; Li, J.; Zhen, Z.; Li, K. Wavelet Decomposition and Convolutional LSTM Networks Based Improved Deep Learning Model for Solar Irradiance Forecasting. Appl. Sci. 2018, 8, 1286. [Google Scholar] [CrossRef]
  44. Department of Alternative Energy Development and Efficiency. Available online: https://weben.dede.go.th/webmax/ (accessed on 3 November 2022).
  45. Chatthaworn, R.; Chaitusaney, S. Transmission Network Expansion Planning Considering Renewable Energy Target. In Proceedings of the Conference on Electrical Engineering/Electronics, Computer, Telecommunications and Information Technology, Nakhon Ratchasima, Thailand, 14–17 May 2014; pp. 1–6. [Google Scholar]
  46. Zimmerman, R.D.; Murillo-Sanchez, C.E.; Thomas, R.J. MATPOWER: Steady-State Operations, Planning, and Analysis Tools for Power Systems Research and Education. IEEE Trans. Power Syst. 2011, 26, 12–19. [Google Scholar] [CrossRef]
  47. Subcommittee, P. IEEE Reliability Test System. IEEE Trans. Power Appar. Syst. 1979, PAS-98, 2047–2054. [Google Scholar] [CrossRef]
  48. Electricity Generating Authority of Thailand (EGAT). Transmission System Improvement Project in Northeast Thailand (Confidential) 2014; Electricity Generating Authority of Thailand: Nonthaburi, Thailand, 2014. [Google Scholar]
Figure 1. The process of LSTM model for forecasting solar radiation.
Figure 1. The process of LSTM model for forecasting solar radiation.
Energies 16 01719 g001
Figure 2. The proposed optimal TEP method using the BDE algorithm.
Figure 2. The proposed optimal TEP method using the BDE algorithm.
Energies 16 01719 g002
Figure 3. Forecasted solar radiation by the LSTM model compared with the actual solar radiation of Thailand in 2020.
Figure 3. Forecasted solar radiation by the LSTM model compared with the actual solar radiation of Thailand in 2020.
Energies 16 01719 g003
Figure 4. The transmission lines obtained from the proposed TEP with the LSTM model for forecasting solar radiation and the solar PV installation.
Figure 4. The transmission lines obtained from the proposed TEP with the LSTM model for forecasting solar radiation and the solar PV installation.
Energies 16 01719 g004
Table 1. The parameters of the LSTM model.
Table 1. The parameters of the LSTM model.
Number of Hidden NodesNumber of IterationsLoss FunctionOptimizer Algorithm
3001000RMSEAdam
Table 2. The list of transmission line candidates.
Table 2. The list of transmission line candidates.
Transmission Line Candidates
n 1 2 = 1 ,   n 1 3 = 1 ,   n 1 5 = 1   , n 1 8 = 1   , n 2 4 = 1 ,   n 2 6 = 1 ,   n 2 8 = 1 ,   n 3 9 = 1 ,   n 3 24 = 1 , n 4 9 = 1 ,   n 5 10 = 1 ,   n 6 7 = 1 ,   n 6 10 = 1 ,   n 7 8 = 1 ,   n 8 9 = 1 ,   n 8 10 = 1 ,   n 9 11 = 1 ,   n 9 12 = 1 , n 10 11 = 1 ,   n 10 12 = 1 ,   n 11 13 = 1 ,   n 11 14 = 1 ,   n 12 13 = 1 ,   n 12 23 = 1 ,   n 13 14 = 1 ,   n 13 23 = 1 , n 14 16 = 1 ,   n 14 23 = 1 ,   n 15 16 = 1 ,   n 15 21 = 1 ,   n 15 24 = 1 ,   n 16 17 = 1 ,   n 16 19 = 1 ,   n 16 23 = 1 , n 17 18 = 1 ,   n 17 22 = 1 ,   n 18 21 = 1 ,   n 19 20 = 1 ,   n 19 23 = 1 ,   n 20 23 = 1 ,   n 21 22 = 1
Table 3. The RMSE and time consumption of the LSTM model for forecasting solar radiation.
Table 3. The RMSE and time consumption of the LSTM model for forecasting solar radiation.
LSTM ModelRMSETime Consumption (s)
Forecasting solar PV radiation0.1211509
Table 4. The result of the TEP without solar PV consideration.
Table 4. The result of the TEP without solar PV consideration.
SolutionTEP without Solar PVConsideration by the Proposed MethodTEP without Solar PV ConsiderationSolved by Using ATS [28]
Number of added lines n 1 2 = 1 ,   n 1 3 = 1 ,   n 1 8 = 1 ,   n 2 4 = 1 ,   n 2 6 = 1 ,   n 3 24 = 1 ,   n 4 9 = 1 ,   n 6 7 = 1 ,   n 6 10 = 1 ,   n 7 8 = 1 ,   n 9 11 = 1 ,   n 9 12 = 1 ,   n 10 11 = 1 ,   n 12 23 = 1 ,   n 14 16 = 1 ,   n 15 16 = 1 ,   n 15 21 = 1 ,   n 15 24 = 1 n 6 10 = 2 ,   n 7 8 = 1 ,   n 2 8 = 1 ,   n 1 8 = 2 ,   n 10 11 = 1 ,   n 4 9 = 1 ,   n 3 24 = 1 ,   n 8 10 = 1 ,   n 15 24 = 1 ,   n 14 23 = 1 ,   n 6 7 = 1
Total transmission lines1813
Investment cost (M$)770529
Operating cost (M$)781.741214.3
Total system cost (M$)1551.74 1743.3
Table 5. The result of the conventional TEP.
Table 5. The result of the conventional TEP.
Solution Conventional TEP
Number of added lines n 1 3 = 1 ,   n 1 8 = 1 ,   n 2 8 = 1 ,   n 3 24 = 1 ,   n 4 9 = 1 ,   n 5 10 = 1 ,   n 6 7 = 1 ,   n 6 10 = 1 ,   n 7 8 = 1 ,   n 9 11 = 1 ,   n 9 12 = 1 ,   n 10 11 = 1 ,   n 11 14 = 1 ,   n 12 23 = 1 ,   n 14 16 = 1 ,   n 15 21 = 1 ,   n 15 24 = 1 ,   n 19 20 = 1 ,   n 20 23 = 1
Total transmission lines19
Investment cost (M$)859
Operating cost (M$)708.3
Total system cost (M$)1567.3
Table 6. The result of the TEP with statistical solar radiation.
Table 6. The result of the TEP with statistical solar radiation.
SolutionTEP with Statistical Solar Radiation
Number of added lines n 1 3 = 1 ,   n 1 8 = 1 ,   n 2 4 = 1 ,   n 2 6 = 1 ,   n 2 8 = 1 ,   n 3 24 = 1 ,   n 4 9 = 1 ,   n 6 7 = 1 ,   n 6 10 = 1 ,   n 7 8 = 1 ,   n 8 9 = 1 ,   n 9 11 = 1 ,   n 10 12 = 1 ,   n 12 23 = 1 ,   n 13 14 = 1 ,   n 14 16 = 1 ,   n 15 16 = 1 ,   n 15 24 = 1 ,   n 17 18 = 1 ,   n 21 22 = 1
Total transmission lines20
Investment cost (M$)900
Operating cost (M$)751.4
Total system cost (M$)1651.4
Table 7. The result of the TEP with statistical solar radiation when using the forecasted solar radiation from the LSTM.
Table 7. The result of the TEP with statistical solar radiation when using the forecasted solar radiation from the LSTM.
SolutionTEP with Statistical Solar Radiation
Number of added lines n 1 3 = 1 ,   n 1 8 = 1 ,   n 2 4 = 1 ,   n 2 6 = 1 ,   n 2 8 = 1 ,   n 3 24 = 1 ,   n 4 9 = 1 ,   n 6 7 = 1 ,   n 6 10 = 1 ,   n 7 8 = 1 ,   n 8 9 = 1 ,   n 9 11 = 1 ,   n 10 12 = 1 ,   n 12 23 = 1 ,   n 13 14 = 1 ,   n 14 16 = 1 ,   n 15 16 = 1 ,   n 15 24 = 1 ,   n 17 18 = 1 ,   n 21 22 = 1
Total transmission lines20
Investment cost (M$)900
Operating cost (M$)715.8
Total system cost (M$)1615.8
Table 8. The result of the proposed TEP with the LSTM model for forecasting solar radiation.
Table 8. The result of the proposed TEP with the LSTM model for forecasting solar radiation.
Solution The Proposed TEP with the LSTM Model
Number of added lines n 1 2 = 1 ,   n 1 8 = 1 ,   n 2 4 = 1 ,   n 2 6 = 1 ,   n 3 9 = 1 ,   n 3 24 = 1 ,   n 5 10 = 1 ,   n 6 7 = 1 ,   n 6 10 = 1 ,   n 7 8 = 1 ,   n 9 12 = 1 ,   n 10 12 = 1 ,   n 12 23 = 1 ,   n 14 16 = 1 ,   n 15 24 = 1 ,   n 16 17 = 1 ,   n 16 19 = 1 ,   n 17 22 = 1
Total transmission lines18
Investment cost (M$)814
Operating cost (M$)654.46
Total system cost (M$)1468.46
Table 9. The comparison of the TEP with statistical solar radiation when using the forecasted solar radiation from the LSTM and the proposed TEP with forecasted solar radiation using the LSTM.
Table 9. The comparison of the TEP with statistical solar radiation when using the forecasted solar radiation from the LSTM and the proposed TEP with forecasted solar radiation using the LSTM.
CaseThe TEP with Statistical Solar RadiationThe Proposed TEP with Forecasted Solar Radiation Using the LSTMDifference (%)
Transmission lines added2018-
Investment cost (M$)9008149.55
Operating cost (M$)715.8654.468.57
Total system cost (M$)1615.81468.469.12
Disclaimer/Publisher’s Note: The statements, opinions and data contained in all publications are solely those of the individual author(s) and contributor(s) and not of MDPI and/or the editor(s). MDPI and/or the editor(s) disclaim responsibility for any injury to people or property resulting from any ideas, methods, instructions or products referred to in the content.

Share and Cite

MDPI and ACS Style

Somchit, S.; Thongbouasy, P.; Srithapon, C.; Chatthaworn, R. Optimal Transmission Expansion Planning with Long-Term Solar Photovoltaic Generation Forecast. Energies 2023, 16, 1719. https://doi.org/10.3390/en16041719

AMA Style

Somchit S, Thongbouasy P, Srithapon C, Chatthaworn R. Optimal Transmission Expansion Planning with Long-Term Solar Photovoltaic Generation Forecast. Energies. 2023; 16(4):1719. https://doi.org/10.3390/en16041719

Chicago/Turabian Style

Somchit, Siripat, Palamy Thongbouasy, Chitchai Srithapon, and Rongrit Chatthaworn. 2023. "Optimal Transmission Expansion Planning with Long-Term Solar Photovoltaic Generation Forecast" Energies 16, no. 4: 1719. https://doi.org/10.3390/en16041719

APA Style

Somchit, S., Thongbouasy, P., Srithapon, C., & Chatthaworn, R. (2023). Optimal Transmission Expansion Planning with Long-Term Solar Photovoltaic Generation Forecast. Energies, 16(4), 1719. https://doi.org/10.3390/en16041719

Note that from the first issue of 2016, this journal uses article numbers instead of page numbers. See further details here.

Article Metrics

Back to TopTop