On the Feasibility of Market Manipulation and Energy Storage Arbitrage via Load-Altering Attacks
Abstract
:1. Introduction
Contributions
- We define the mathematical and threat models of realistic LAAs targeted at compromising IoT-connected high wattage loads (e.g., smart heating, ventilation, and air conditioning (HVAC) systems, EV charging stations, etc.) in a distribution system.
- We investigate the feasibility of LAA-assisted ES arbitrage performed by energy suppliers at the distribution-system level.
- We study the effects that a coordinated LAA has in the LMPs at both the transmission and distribution levels by analyzing the LMPs in the targeted distribution feeder and exploring how these effects propagate through the transmission system to adjacent distribution feeders.
2. Feasibility of Load-Altering Attacks in Power Networks
2.1. IoT High-Wattage HVAC Load-Altering Attack Scenario
2.1.1. Description of Potential Vulnerability
2.1.2. Attack Scenario
2.2. Mathematical ACP-ACPU OPF Formulation
2.3. Locational Marginal Prices
2.4. Energy Storage Arbitrage Optimization
2.5. Load-Altering Attack Model
2.5.1. Mathematical Model
2.5.2. Threat Model
3. Analysis of Energy Storage Arbitrage via Load Altering Attacks
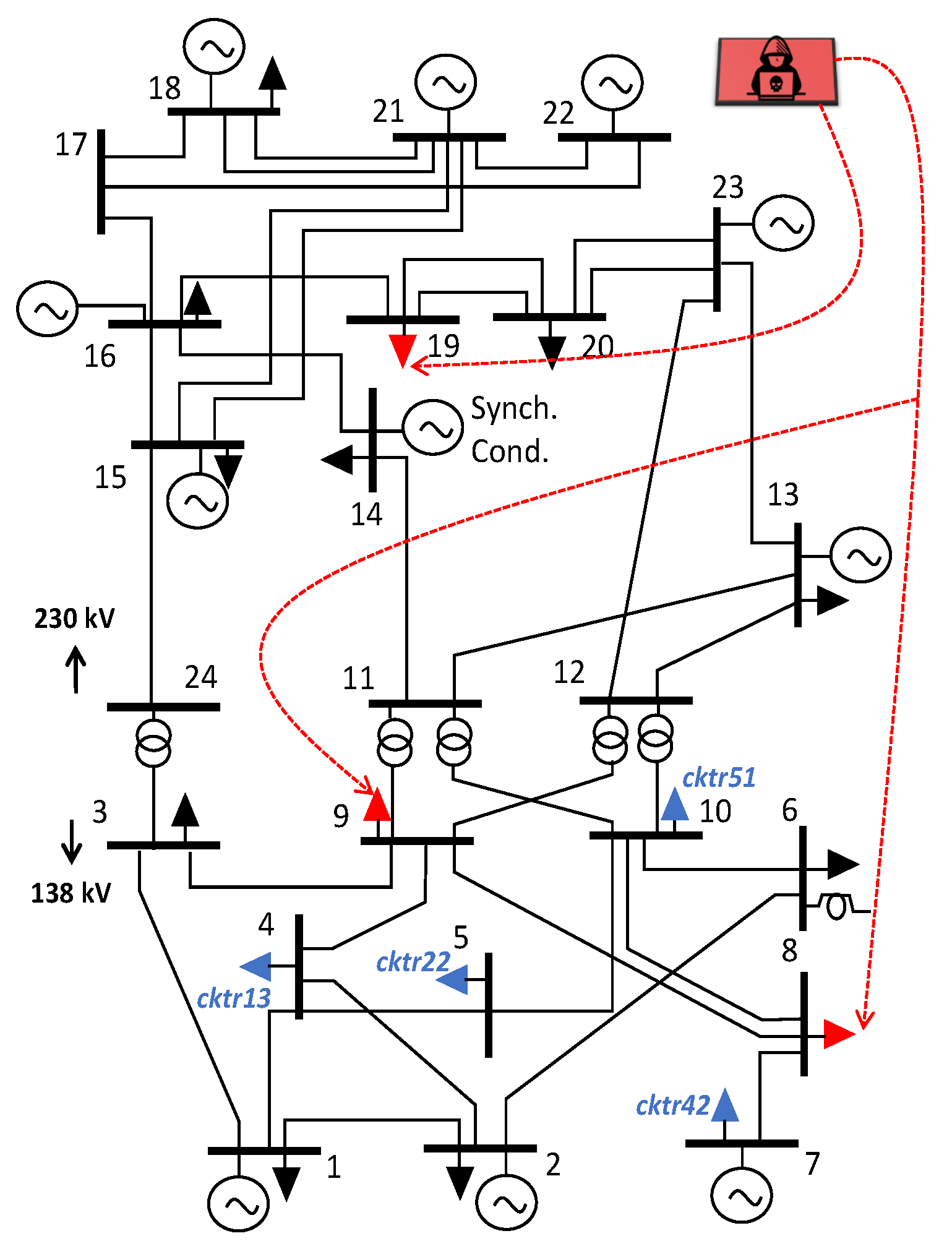
3.1. Test Systems
3.2. Case Studies
- Normal with ES: Load is nominal and ES system is optimized.
- 20% LAA increase with ES: Compromised loads are increased by 20%, and ES system is optimized.
- 50% LAA increase with ES: Compromised loads are increased by 50%, and ES system is optimized.
- 70% LAA increase with ES: Compromised loads are increased by 70%, and ES system is optimized.
- 100% LAA increase with ES: Compromised loads are increased by 100%, and ES system is optimized.
3.3. Results
4. Market Manipulation via Load Altering Attacks
4.1. Test Systems
4.2. Case Studies
4.3. Results
5. Conclusions
Author Contributions
Funding
Data Availability Statement
Acknowledgments
Conflicts of Interest
Nomenclature
| Belongs to transmission network. | |
| Belongs to distribution network. | |
| Set of boundary buses. | |
| Set of boundary links. | |
| N | Set of buses. |
| G | Set of generators. |
| Generator at bus i. | |
| ℜ | Real part. |
| ℑ | Imaginary part. |
| Multi-conductor phases. | |
| Belongs to or . | |
| Transmission gen. cost components. | |
| Distribution gen. cost components. | |
| Active power demand at bus i. | |
| Reactive power demand at bus i. | |
| ES energy rating. | |
| ES charge rating. | |
| ES discharge rating. | |
| ES charge efficiency. | |
| ES discharge efficiency. | |
| time elapsed. | |
| ES power losses. | |
| ES injection impedance. | |
| ES reactive power injection limits. | |
| ES thermal limit. | |
| ES current limit. | |
| Gen. k active power output. | |
| Gen. k reactive power output. | |
| Complex current flowing out of bus i. | |
| Complex voltage at bus i. | |
| Gen. m active power output on phase . | |
| Gen. m reactive power output on phase . | |
| Complex current flowing out of bus i phase . | |
| Complex voltage at bus i phase . | |
| Energy stored at time t. | |
| Charge power at time t. | |
| Discharge power at time t. | |
| Reactive power slack at time t. | |
| Complex bus power injection at time t. | |
| Complex bus current injection at time t. |
References
- Riley, M. Bloomberg Businessweek Technology. What Happens When Russian Hackers Come for the Electrical Grid. Available online: https://www.bloomberg.com/news/features/2022-01-26/what-happens-when-russian-hackers-cyberattack-the-u-s-electric-power-grid (accessed on 19 May 2022).
- Kovacs, E. SecurityWeek: Cybersecurity News, Insights & Analysis. High-Wattage IoT Botnets Can Manipulate Energy Market: Researchers. Available online: https://www.securityweek.com/high-wattage-iot-botnets-can-manipulate-energy-market-researchers (accessed on 19 May 2022).
- Haskell, M.R.; McAllister, L. Policing Market Manipulation: A Review of Evolving Federal Energy Regulatory Commission Policy. Electr. J. 2011, 24, 34–43. [Google Scholar] [CrossRef]
- Dvorkin, Y. IEEE Spectrum. Executive Order Shines a Light on Cyberattack Threat to the Power Grid. Available online: https://spectrum.ieee.org/executive-order-shines-a-light-on-cyberattack-threat-to-the-power-grid#toggle-gdpr (accessed on 19 May 2022).
- Office of the Director of National Intelligence. Annual Threat Assessment of the US Intelligence Community. Available online: https://www.odni.gov/files/ODNI/documents/assessments/ATA-2021-Unclassified-Report.pdf (accessed on 19 May 2022).
- Grasso Macola, I. Power Technology. The Five Worst Cyberattacks against the Power Industry Since 2014. Available online: https://www.power-technology.com/analysis/the-five-worst-cyberattacks-against-the-power-industry-since2014/ (accessed on 19 May 2022).
- Walton, R. Utility Dive Transmission & Distribution, Grid Security & Reliability. Sophisticated Hackers Could Crash the US Power Grid, but Money, Not Sabotage, Is Their Focus. Available online: https://www.utilitydive.com/news/sophisticated-hackers-could-crash-the-us-power-grid-but-money-not-sabotag/603764/ (accessed on 19 May 2022).
- Michael Kerner, S. TechTarget. Colonial Pipeline Hack Explained: Everything You Need to Know. Available online: https://www.techtarget.com/whatis/feature/Colonial-Pipeline-hack-explained-Everything-you-need-to-know (accessed on 19 May 2022).
- Klóters, J.; Neumann, C.; Hein, L.; Moser, A. Monitoring and Mitigation of Market Manipulation in Redispatch Markets. In Proceedings of the 2022 18th International Conference on the European Energy Market (EEM), Ljubljana, Slovenia, 13–15 September 2022; pp. 1–9. [Google Scholar] [CrossRef]
- McLean, B.; Elkind, P. The Smartest Guys in the Room: The Amazing Rise and Scandalous Fall of Enron; Portfolio: A Member of Penguin Group: New York, NY, USA, 2013. [Google Scholar]
- Shekari, T.; Irvene, C.; Cardenas, A.A.; Beyah, R. MaMIoT: Manipulation of Energy Market Leveraging High Wattage IoT Botnets. In CCS’21, Proceedings of the 2021 ACM SIGSAC Conference on Computer and Communications Security; Association for Computing Machinery: New York, NY, USA, 2021; pp. 1338–1356. [Google Scholar]
- Yankson, S.; Ghamkhari, M. Transactive energy to guard against a zero-day load altering attack on power distribution systems. In Proceedings of the 2019 IEEE 7th International Conference on Smart Energy Grid Engineering (SEGE), Oshawa, ON, Canada, 12–14 August 2019; pp. 171–177. [Google Scholar]
- Soltan, S.; Mittal, P.; Poor, H.V. BlackIoT: IoT Botnet of High Wattage Devices Can Disrupt the Power Grid. In Proceedings of the 27th USENIX Security Symposium (USENIX Security 18), Baltimore, MD, USA, 15–17 August 2018; pp. 15–32. [Google Scholar]
- Ospina, J.; Liu, X.; Konstantinou, C.; Dvorkin, Y. On the feasibility of load-changing attacks in power systems during the covid-19 pandemic. IEEE Access 2020, 9, 2545–2563. [Google Scholar] [CrossRef]
- Acharya, S.; Dvorkin, Y.; Karri, R. Public plug-in electric vehicles+ grid data: Is a new cyberattack vector viable? IEEE Trans. Smart Grid 2020, 11, 5099–5113. [Google Scholar]
- Soltan, S.; Mittal, P.; Poor, H.V. Protecting the grid against MAD attacks. IEEE Trans. Netw. Sci. Eng. 2019, 7, 1310–1326. [Google Scholar] [CrossRef]
- Yankson, S.; Ghamkhari, M. Transactive energy to thwart load altering attacks on power distribution systems. Future Internet 2019, 12, 4. [Google Scholar] [CrossRef]
- Lakshminarayana, S.; Ospina, J.; Konstantinou, C. Load-Altering Attacks Against Power Grids under COVID-19 Low-Inertia Conditions. IEEE Open Access J. Power Energy 2022, arXiv:2201.10505. [Google Scholar] [CrossRef]
- Amini, S.; Pasqualetti, F.; Mohsenian-Rad, H. Dynamic load altering attacks against power system stability: Attack models and protection schemes. IEEE Trans. Smart Grid 2016, 9, 2862–2872. [Google Scholar] [CrossRef]
- Lakshminarayana, S.; Sthapit, S.; Maple, C. Data-Driven Detection and Identification of IoT-Enabled Load-Altering Attacks in Power Grids. arXiv 2021, arXiv:2110.00667. [Google Scholar] [CrossRef]
- Germanà, R.; Giuseppi, A.; Di Giorgio, A. Ensuring the stability of power systems against dynamic load altering attacks: A robust control scheme using energy storage systems. In Proceedings of the 2020 European Control Conference (ECC), Saint Petersburg, Russia, 12–15 May 2020; pp. 1330–1335. [Google Scholar]
- U.S. Energy Information Administration. How Much Electricity is Used for Cooling in the United States? Available online: https://www.eia.gov/tools/faqs/faq.php?id=1174&t=1 (accessed on 2 June 2022).
- Marsh, R.; CNN. Energy Experts Sound Alarm about US Electric Grid: ‘Not Designed to Withstand the Impacts of Climate Change’. Available online: https://www.cnn.com/2022/05/31/us/power-outages-electric-grid-climate-change/index.html (accessed on 2 June 2022).
- Simonson, A.; Ward, T.; Paget, S.; Sanchez, R.; CNN. Texans Asked to Turn Up Thermostats after Sweltering Heat Knocks Six Power Plants Offline. Available online: https://www.cnn.com/2022/05/14/us/texas-heat-wave-ercot-conserve/index.html. (accessed on 2 June 2022).
- Ospina, J.; Fobes, D.M.; Bent, R.; Wächter, A. Modeling and Rapid Prototyping of Integrated Transmission-Distribution OPF Formulations with PowerModelsITD.jl. IEEE Trans. Power Syst. 2023, 1–14. [Google Scholar] [CrossRef]
- Yang, R.; Zhang, Y. Three-phase AC optimal power flow based distribution locational marginal price. In Proceedings of the 2017 IEEE Power & Energy Society Innovative Smart Grid Technologies Conference (ISGT), Washington, DC, USA, 23–26 April 2017; pp. 1–5. [Google Scholar]
- Liu, H.; Tesfatsion, L.; Chowdhury, A. Locational marginal pricing basics for restructured wholesale power markets. In Proceedings of the 2009 IEEE Power & Energy Society General Meeting, Calgary, AB, Canada, 26–30 July 2009; pp. 1–8. [Google Scholar]
- Ospina, J.; Gupta, N.; Newaz, A.; Harper, M.; Faruque, M.O.; Collins, E.G.; Meeker, R.; Lofman, G. Sampling-based model predictive control of PV-integrated energy storage system considering power generation forecast and real-time price. IEEE Power Energy Technol. Syst. J. 2019, 6, 195–207. [Google Scholar] [CrossRef]
- Coffrin, C.; Bent, R.; Sundar, K.; Ng, Y.; Lubin, M. PowerModels.jl: An open-source framework for exploring power flow formulations. In Proceedings of the 2018 Power Systems Computation Conference (PSCC), Dublin, Ireland, 11–15 June 2018; pp. 1–8. [Google Scholar]
- Zografopoulos, I.; Ospina, J.; Liu, X.; Konstantinou, C. Cyber-physical energy systems security: Threat modeling, risk assessment, resources, metrics, and case studies. IEEE Access 2021, 9, 29775–29818. [Google Scholar] [CrossRef]
- Schneider, K.P.; Chen, Y.; Chassin, D.P.; Pratt, R.G.; Engel, D.W.; Thompson, S.E. Modern Grid Initiative Distribution Taxonomy Final Report; Technical Report; Pacific Northwest National Lab. (PNNL): Richland, WA, USA, 2008. [Google Scholar]
- Khan, M.A.; Hayes, B. A Reduced Electrically-Equivalent Model of the IEEE European Low Voltage Test Feeder. In Proceedings of the 2022 IEEE Power & Energy Society General Meeting (PESGM), Denver, CO, USA, 17–21 July 2022. [Google Scholar]
- HOMER: Create a Synthetic Load from Profile. Available online: https://www.homerenergy.com/products/pro/docs/3.11/creating-a-synthetic-load-from-profile.html (accessed on 4 August 2022).
- Qadrdan, M.; Jenkins, N.; Wu, J. Chapter II-3-D - Smart Grid and Energy Storage. In McEvoy’s Handbook of Photovoltaics, 3rd ed.; Kalogirou, S.A., Ed.; Academic Press: Cambridge, MA, USA, 2018; pp. 915–928. [Google Scholar] [CrossRef]
- Cole, W.; Frazier, A.W.; Augustine, C. Cost Projections for Utility-Scale Battery Storage: 2021 Update; Technical Report; National Renewable Energy Lab. (NREL): Golden, CO, USA, 2021. [Google Scholar]






| Threat Model\Threat | LAA |
|---|---|
| Knowledge | Semi-Oblivious |
| Access | Non-possession |
| Specificity | Targeted |
| Resources | Class II |
| Frequency | Iterative |
| Reproducibility | Multiple-times |
| Attack Func. Level | L1 |
| Asset | High-wattage IoT devices |
| Technique | Control logic modification |
| Premise | Cyber: Integrity |
| Profit Difference (LAA Scenario—Normal Scenario) | 30 Days | 365 Days | |
|---|---|---|---|
| LAA 20% | USD 10.38 | USD 311.30 | USD 3787.49 |
| LAA 50% | USD 26.52 | USD 765.64 | USD 9680.23 |
| LAA 70% | USD 36.30 | USD 1088.97 | USD 13,249.14 |
| LAA 100% | USD 74.55 | USD 2236.44 | USD 27,210.02 |
Disclaimer/Publisher’s Note: The statements, opinions and data contained in all publications are solely those of the individual author(s) and contributor(s) and not of MDPI and/or the editor(s). MDPI and/or the editor(s) disclaim responsibility for any injury to people or property resulting from any ideas, methods, instructions or products referred to in the content. |
© 2023 by the authors. Licensee MDPI, Basel, Switzerland. This article is an open access article distributed under the terms and conditions of the Creative Commons Attribution (CC BY) license (https://creativecommons.org/licenses/by/4.0/).
Share and Cite
Ospina, J.; Fobes, D.M.; Bent, R. On the Feasibility of Market Manipulation and Energy Storage Arbitrage via Load-Altering Attacks. Energies 2023, 16, 1670. https://doi.org/10.3390/en16041670
Ospina J, Fobes DM, Bent R. On the Feasibility of Market Manipulation and Energy Storage Arbitrage via Load-Altering Attacks. Energies. 2023; 16(4):1670. https://doi.org/10.3390/en16041670
Chicago/Turabian StyleOspina, Juan, David M. Fobes, and Russell Bent. 2023. "On the Feasibility of Market Manipulation and Energy Storage Arbitrage via Load-Altering Attacks" Energies 16, no. 4: 1670. https://doi.org/10.3390/en16041670
APA StyleOspina, J., Fobes, D. M., & Bent, R. (2023). On the Feasibility of Market Manipulation and Energy Storage Arbitrage via Load-Altering Attacks. Energies, 16(4), 1670. https://doi.org/10.3390/en16041670

