Noise Measurement, Characterization, and Modeling for Broadband Indoor Power Communication System: A Comprehensive Survey
Abstract
:1. Introduction
2. Review of Related Works
2.1. Approaches for Noise Model
2.2. Middleton Class A Noise Model
2.3. Bernoulli–Gaussian Model
2.4. Poisson Model
3. Noise Characterization in PLC
3.1. Background Noise
3.2. Narrowband Noise
3.3. Impulse Noise
3.4. Periodic Impulse Noise Asynchronous to the Mains Frequency
3.5. Periodic Impulse Noise Synchronous to the Mains Frequency
4. PLC Regulations
5. Track for Future Work
5.1. Methodology
5.2. Descriptions of Relevant Components
5.2.1. Steval PLC Coupler Description
5.2.2. Digital Storage Oscilloscope Description
5.2.3. The GSP-930 Spectrum Analyzer Description
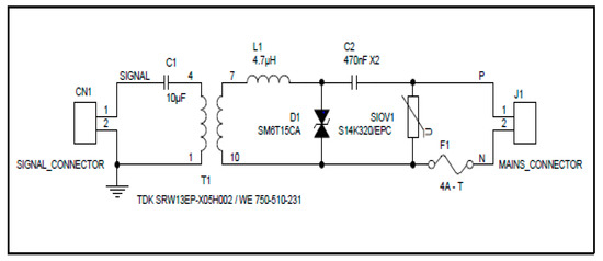
5.2.4. Coupling Circuit Set Up
6. Preliminary Results and Discussion
7. Conclusions
Author Contributions
Funding
Conflicts of Interest
References
- Oluwafemi, I.B.; Mneney, S.H. Improved Super-Orthogonal Space-time Trellis Coded MIMO-OFDM System. IETE J. Res. 2013, 59, 665–666. [Google Scholar] [CrossRef]
- Shukla, M.; Sharma, N.; Dwivedi, J.K. Power Line Communication: A Survey. In Proceedings of the International Conference On Recent Trends in Engineering, Technology & Management, Kochi, India, 10 March 2011; p. 499. [Google Scholar]
- Varma, M.K.; Jaffery, Z.A. Ibraheem Broadband power line communication: The channel and noise analysis for a power line network. Int. J. Comput. Netw. Commun. (IJCNC) 2019, 11, 85–92. [Google Scholar] [CrossRef]
- Shrotriya, A.; Saxena, D.K.; Singh, M.K. Noise in Power Line Communication Channel: An Overview. Int. J. Eng. Res. Dev. 2013, 9, 1–5. [Google Scholar]
- Esmailian, T.; Gulak, P.G.; Kschischang, F.R. A discrete multitone power line communications system. In Proceedings of the ICASSP, IEEE International Conference on Acoustics, Speech, and Signal Processing, Istanbul, Turkey, 5–9 June 2000; Volume 5, pp. 2953–2956. [Google Scholar] [CrossRef]
- Han Vinck, A.J.; Lindell, G. Summary of Contributions at ISPLC 1997–2001. In Proceedings of the 5th International Symposium on Power-Line Communications and Applications, Malmö, Sweden, 4 April 2001; pp. 383–413. [Google Scholar]
- Varda, V. Indoor Distribution Network Noise In The PLC Frequency Range From 10MHz To 30MHz. In Proceedings of the Seventh IASTED International Conference Power and Energy Systems, Clearwater Beach, FL, USA, 28 November–1 December 2004; pp. 249–254. [Google Scholar]
- Ishak, N.; Din, N.M.; Jamaludin, M.Z.; Thayoob, Y.H.M. Power line carrier technology and home automation. In Proceedings of the 2002 Student Conference on Research and Development, Shah Alam, Malaysia, 16–17 July 2002; pp. 505–508. [Google Scholar] [CrossRef]
- Apaza-Mamani, V.; Zenteno-Bolaaos, E. High-Speed audio communications in domestic power line channels. In Proceedings of the 2017 IEEE 24th International Conference on Electronics, Electrical Engineering and Computing, INTERCON 2017, Cusco, Peru, 15–18 August 2017; pp. 27–30. [Google Scholar] [CrossRef]
- Di Bert, L.; Caldera, P.; Schwingshackl, D.; Tonello, A.M. On noise modeling for power line communications. In Proceedings of the 2011 IEEE International Symposium on Power Line Communications and Its Applications, Australia, ISPLC 2011, Udine, Italy, 3–6 April 2011; pp. 283–288. [Google Scholar] [CrossRef]
- Adegoke, O.M.; Oluwafemi, I.B. In-home power line frequency domain noise measurement and analysis for broadband communication. ARPN J. Eng. Appl. Sci. 2021, 16, 1825–1828. [Google Scholar]
- Adegoke, O.A.O.M.; Oluwafemi, I.B. A time domain noise measurement and analysis for broadband indoor power line communications. Instrum. Mes. Metrol. 2020, 19, 103–105. [Google Scholar] [CrossRef]
- Fertonani, D.; Colavolpe, G. Theoretical limits and practical detection schemes for channels affected by Class-A impulse noise. In Proceedings of the GLOBECOM—IEEE Global Telecommunications Conference, Washington, DC, USA, 26–30 November 2007; pp. 146–150. [Google Scholar] [CrossRef]
- Al-Mawali, K.; Sadik, A.Z.; Hussain, Z.M. Joint time-domain/frequency-domain impulsive noise reduction in OFDM-based power line communications. In Proceedings of the 2008 Australasian Telecommunication Networks and Applications Conference, Adelaide, SA, Australia, 7–10 December 2008; pp. 138–142. [Google Scholar] [CrossRef]
- Zimmermann, M.; Dostert, K. Analysis and modeling of impulsive noise in broad-band powerline communications. IEEE Trans. Electromagn. Compat. 2002, 44, 248–258. [Google Scholar] [CrossRef]
- Familua, A.D.; Cheng, L. Modeling of in-house CENELEC A-band PLC channel using Fritchman model and Baum-Welch algorithm. In Proceedings of the 2013 IEEE 17th International Symposium on Power Line Communications and Its Applications, Johannesburg, South Africa, 24–27 March 2013; pp. 173–178. [Google Scholar] [CrossRef]
- Mann, T.K.I.; McLaughlin, S.; Henkel, W. Impulse Generation With Appropriate Amplitude, Length, Inter-Arrival, and Spectral Characteristics. IEEE J. Sel. Areas Commun. 2002, 20, 901–912. [Google Scholar] [CrossRef]
- Krejci, J.; Zeman, T. Analyses and modeling impulse noise generated by household appliances. Adv. Electr. Electron. Eng. 2014, 12, 20–29. [Google Scholar] [CrossRef]
- Tlich, P.P.M.; Chaouche, H.; Zeddam, A. Novel approach for PLC impulsive noise modelling. In Proceedings of the 2009 IEEE International Symposium on Power Line Communications and Its Applications, SPLC 2009, Dresden, Germany, 29 March–1 April 2009; pp. 20–25. [Google Scholar] [CrossRef]
- Nedev, N.H.; Mclaughlin, S.; Laurenson, D.I. Estimating errors in transmission systems due to impulse noise. IEE Proc.-Commun. 2006, 153, 651–657. [Google Scholar] [CrossRef]
- Degarding, P.D.V.; Lienard, M.; Zeddam, A.; Gauthier, F. Classification and Characterization of Impulsive Noise on Indoor Power Line Used for Data Communications. IEEE Trans. Consum. Electron. 2002, 48, 249–254. [Google Scholar]
- Chariag, L.D.; Guezgouz, D.; Raingeaud, Y.; Lebunetel, J.-C. Channel Modeling and Periodic Impulsive Noise Analysis in Indoor Power Line. In Proceedings of the IEEE International Symposium on Power Line Communication and Its Applications, Udine, Italy, 3–6 April 2011; pp. 277–282. [Google Scholar]
- Meng, H.; Guan, Y.L.; Chen, S. Modeling and analysis of noise effects on broadband power-line communications. IEEE Trans. Power Deliv. 2005, 20, 630–637. [Google Scholar] [CrossRef]
- Nyete, A.M.; Afullo, T.J.O.; Davidson, I.E. Power Line Noise Measurements and Statistical Modelling in the Time Domain. In Proceedings of the Progress in Electromagnetics Research Symposium, Prague, Czech Republic, 6–9 July 2015; pp. 1569–1574. [Google Scholar]
- Nyete, A.M. A Flexible Statistical Framework for the Characterization and Modelling of Noise in powerline Communication Channels. Ph.D. Thesis, University of Kwazulu-Natal, Durban, South Africa, December 2015. [Google Scholar]
- Nyete, A.M.; Afullo, T.J.O.; Davidson, I.E. Statistical analysis and characterization of low voltage power line noise for telecommunication applications. In Proceedings of the IEEE AFRICON Conference, Addis Ababa, Ethiopia, 14–17 September 2015; pp. 213–217. [Google Scholar] [CrossRef]
- Righi, M.B.; Yang, Y.; Ceretta, P.S. Nonparametric expectile regression for conditional autoregressive expected shortfall estimation. Contemp. Stud. Econ. Financ. Anal. 2014, 96, 83–95. [Google Scholar] [CrossRef]
- Mosalaosi, M.; Afullo, T.J.O. Broadband analysis and characterization of noise for in-door power-line communication channels. In Proceedings of the Progress in Electromagnetics Research Symposium, Guangzhou, China, 25–28 August 2014; pp. 719–723. [Google Scholar]
- Gotz, K.D.M.; Rapp, M. Power Line Channel Characteristics and Their Effect on Communication System Design. IEEE Commun. Mag. 2004, 42, 78–86. [Google Scholar] [CrossRef]
- Amirshahi, P.; Member, S.; Navidpour, S.M.; Kavehrad, M. Performance Analysis of Uncoded and Coded OFDM Broadband Transmission Over Low Voltage Power-Line Channels with Impulsive Noise. IEEE Trans. Power Deliv. 2006, 21, 1927–1934. [Google Scholar] [CrossRef]
- Khangosstar, J.; Zhang, L.; Mehboob, A. An experimental analysis in time and frequency domain of impulse noise over power lines. In Proceedings of the 2011 IEEE International Symposium on Power Line Communications and Its Applications ISPLC 2011, Udine, Italy, 3–6 April 2011; pp. 218–224. [Google Scholar] [CrossRef]
- Zhidkov, S. Performance Analysis and Optimization of OFDM Receiver with Blanking Nonlinearity in Impulsive Noise Environment. IEEE Trans. Veh. Technol. 2006, 55, 234–242. [Google Scholar] [CrossRef]
- Hossain, E.; Khan, S.; Ali, A. Low voltage power line characterization as a data transfer method in public electricity distribution networks and indoor distribution networks. In Proceedings of the 2008 IEEE Electrical Power and Energy Conference—Energy Innovation, Vancouver, BC, Canada, 6–7 October 2008; pp. 1–7. [Google Scholar] [CrossRef]
- Meng, H.; Chen, S.; Guan, Y.L.; Law, C.L.; So, P.L.; Gunawan, E.; Lie, T.T. Modeling of transfer characteristics for the broadband power line communication channel. IEEE Trans. Power Deliv. 2004, 19, 1057–1064. [Google Scholar] [CrossRef]
- Raponi, S.; Fernandez, J.H.; Omri, A.; Oligeri, G. Long-Term Noise Characterization of Narrowband Power Line Communications. IEEE Trans. Power Deliv. 2022, 37, 365–373. [Google Scholar] [CrossRef]
- Oyeleke, O.D.; Idowu-Bismark, O.; Andrew, A.; Dyaji, C.B.; Muhammad, I.; Adamu, T. Noise characterization and modelling for powerline communications in Nigeria. In Proceedings of the CIVEMSA 2021—IEEE International Conference on Computational Intelligence and Virtual Environments for Measurement Systems and Applications, Hong Kong, China, 18–20 June 2021; pp. 2–7. [Google Scholar] [CrossRef]
- Blazek, V.; Slanina, Z.; Petruzela, M.; Hrbáč, R.; Vysocký, J.; Prokop, L.; Misak, S.; Walendziuk, W. Error Analysis of Narrowband Power-Line Communication in the Off-Grid Electrical System. Sensors 2022, 22, 2265. [Google Scholar] [CrossRef]
- Ndolo, A.; Çavdar, İ.H. Current state of communication systems based on electrical power transmission lines. J. Electr. Syst. Inf. Technol. 2021, 8, 9. [Google Scholar] [CrossRef]
- Li, F.; Shen, H.; Shi, L.; Wang, H.; Gao, B. Noise Reduction Method for Low Voltage Power Line Carrier Communication. J. Phys. Conf. Ser. 2021, 1920, 012066. [Google Scholar] [CrossRef]
- Chariag, D.; Guezgouz, D.; Le Bunetel, J.C.; Raingeaud, Y. Modeling and simulation of temporal variation of channel and noise in indoor power-line network. IEEE Trans. Power Deliv. 2012, 27, 1800–1808. [Google Scholar] [CrossRef]
- Rajkumarsingh, B.; Prayagsing, K. Performance Analysis of Nonlinear Pre-Processors for Markov-Middleton Impulsive Noise Mitigation in OFDM Based Power-Line Communications. In Proceedings of the 2020 3rd International Conference on Emerging Trends in Electrical, Electronic, and Communications Engineering, ELECOM Proceedings, Balaclava, Mauritius, 25–27 November 2020; pp. 94–99. [Google Scholar] [CrossRef]
- Ma, Y.H.; So, P.L.; Gunawan, E.; Guan, Y.L. Analysis of Impulsive Noise and Multipath Effects on Broadband Power Line Communications. In Proceedings of the 2004 International Conference on Power System Technology-POWERCON 2004, Singapore, 21–24 November 2004; pp. 1404–1409. [Google Scholar]
- Gu, Z.T.Z.; Liu, H.; Liu, D.; Man, K.-L.; Liang, H.; Liu, D.; Man, K.; Liang, H.; Tan, Z. Modeling the Noise in NarrowBand Power Line Communication. Int. J. Control Autom. 2016, 9, 41–48. [Google Scholar] [CrossRef]
- Chen, G.; Yang, G. Empirical Noise Modelling in Power Line Communication Systems. Int. J. Comput. Commun. Eng. 2018, 7, 119–127. [Google Scholar] [CrossRef]
- Rouissi, F.; Gassara, H.; Ghazel, A.; Najjar, S. Comparative Study of Impulse Noise Models in the Narrow Band Indoor PLC Environment. In Proceedings of the Tenth Workshop on Power Line Communications, Paris, France, 10–11 October 2016; pp. 1–6. [Google Scholar]
- Cortes, J.A.; Sanz, A.; Estopinan, P.; Garcia, J.I. On the suitability of the Middleton class A noise model for narrowband PLC. In Proceedings of the 2016 International Symposium on Power Line Communications and its Applications, Spain, ISPLC 2016, Bottrop, Germany, 20–23 March 2016; pp. 58–63. [Google Scholar] [CrossRef]
- Karakuş, O.; Kuruoğlu, E.E.; Altınkaya, M.A. Modelling impulsive noise in indoor powerline communication systems. Signal Image Video Process. 2020, 14, 1655–1661. [Google Scholar] [CrossRef]
- Bai, T.; Zhang, H.; Wang, J.; Xu, C.; Elkashlan, M.; Nallanathan, A.; Hanzo, L. Fifty Years of Noise Modeling and Mitigation in Power-Line Communications. IEEE Commun. Surv. Tutor. 2021, 23, 41–69. [Google Scholar] [CrossRef]
- Shlezinger, N.; Shaked, R.; Dabora, R. On the capacity of MIMO broadband power line communications channels. IEEE Trans. Commun. 2018, 66, 4795–4810. [Google Scholar] [CrossRef]
- Masood, S.B.B.; Haider, A. Characterization of low voltage access network for narrowband powerline communications. J. Electr. Eng. Technol. 2017, 12, 443–450. [Google Scholar] [CrossRef]
- Spaulding, A.D.; Middleton, D. Optimum Reception in an Impulsive Interference Environment-Part I: Coherent Detection. IEEE Trans. Commun. 1977, 25, 911–923. [Google Scholar] [CrossRef]
- Ghosh, M. Analysis of the Effect of Impulse Noise on Multicamer and Single Carrier QAM Systems. IEEE Trans. Commun. 1996, 44, 1995–1997. [Google Scholar] [CrossRef]
- Zhidkov, S. Analysis and Comparison of Several Simple Impulsive Noise Mitigation Schemes for OFDM Receivers. IEEE Trans. Commun. 2008, 56, 5–9. [Google Scholar] [CrossRef]
- Vaseghi, S. Advanced Digital Signal Processing and Noise Reduction, 2nd ed.; Wiley and Sons Ltd.: New York, NY, USA, 2000; pp. 30–43. [Google Scholar]
- Pighi, R.R.R.; Franceschini, M.; Ferrari, G. Fundamental Performance Limits of Communications Systems Impaired by Impulse Noise. IEEE Trans. Commun. 2009, 57, 171–180. [Google Scholar] [CrossRef]
- Modisa, M. Power Line Communication (PLC) Channel Measurements and Characterization. Ph.D. Thesis, University of KwaZulu-Natal, Durban, South Africa, 2014; pp. 26–28. [Google Scholar]
- Amirshahi, P.; Navidpour, S.M.; Kavehrad, M. Performance analysis of OFDM broadband communications system over low voltage powerline with impulsive noise. In Proceedings of the 2006 IEEE International Conference on Communications, Istanbul, Turkey, 11–15 June 2006; pp. 1–6. [Google Scholar] [CrossRef]
- Ferreira, H.C.; Grove, H.M.; Hooijen, O.; Vinck, A.J.H. Power line communications: An overview. In Proceedings of the Proceedings of IEEE AFRICON ‘96, Stellenbosch, South Africa, 27 September 1996; pp. 558–563. [Google Scholar] [CrossRef]
- Carcelle, X.; Bourgeau, T. Power Line Communication Technology Overview. Pac. J. Sci. Technol. 2013, 8, 398–402. [Google Scholar] [CrossRef]
- Zimmermann, M.; Dostert, K. An analysis of the broadband noise scenario in powerline networks. In Proceedings of the International Symposium on Power Line Communications and Its Applications, Limerick, Ireland, 1 January 2000; pp. 130–137. [Google Scholar]
- Oborkhale, L.I.; Eng, M.; Shoewu, O.; Sc, M. Power Line Communication Technology. J. Sci. Technol. 2007, 8, 398–405. [Google Scholar]
- Khalil, K. Contributions to Indoor Broadband Power-Line Communications: Channel Modeling and Data Rate Optimization. Ph.D. Thesis, Université de Valenciennes et du Hainaut-Cambresis, Valenciennes, France, 2016; pp. 1–129. [Google Scholar]
- Sánchez-Martínez, J.J.; Cortés, J.A.; Díez, L.; Cañete, F.J.; Torres, L.M. Performance analysis of OFDM modulation on indoor PLC channels in the frequency band up to 210 MHz. In Proceedings of the IEEE ISPLC 2010—International Symposium on Power Line Communications and Its Applications, Rio de Janeiro, Brazil, 28–31 March 2010; pp. 38–43. [Google Scholar] [CrossRef]
- Oluwafemi, I.B.; Mneney, S.H. Review of Space-time Coded Orthogonal Frequency Division Multiplexing Systems for Wireless Communication. IETE Tech. Rev. 2013, 30, 417–418. [Google Scholar] [CrossRef]
- Ndjiongue, A.R.; Ferreira, H.C. Power line communications (PLC) technology: More than 20 years of intense research. Trans. Emerg. Telecommun. Technol. 2019, 30, e3575. [Google Scholar] [CrossRef]
- Oliveira, T.R.; De Sá, P.C.; Barbosa, S.L.D.P.; Ribeiro, M.V.; Marques, C.A.G. HOS-based impulsive noise detection technique for power line communication systems. In Proceedings of the IEEE ISPLC 2010—International Symposium on Power Line Communications and Its Applications, Rio de Janeiro, Brazil, 28–31 March 2010; pp. 125–130. [Google Scholar] [CrossRef]
- Bogdanovic, M.; Rupcic, S. Generalized background noise modeling in power line communication. In Proceedings of the 20th Telecommunications Forum (TELFOR), Belgrade, Serbia, 20–22 November 2012; pp. 241–244. [Google Scholar] [CrossRef]
- Zhang, G.A.; Gu, J.Y.; Bao, Z.H.; Xu, C.; Zhang, S.B. Joint routing and channel assignment algorithms in cognitive wireless mesh networks. Trans. Emerg. Telecommun. Technol. 2019, 25, 294–307. [Google Scholar] [CrossRef]
- Sagar, N. Powerline Communications Systems: Overview and Analysis. Ph.D. Thesis, The State University of New Jersey, New Brunswick, NJ, USA, May 2011; pp. 2–160. [Google Scholar]
- Fernandes, V.; Angelova, S.; Finamore, W.; Ribeiro, M. On modeling power-line communication noise. In Proceedings of the Simposio Brasileiro de Telecommunicacoes, Juiz de Fora, Brazil, 1–4 September 2015; p. XXXIII. [Google Scholar] [CrossRef]
- Tan, Z.; Cheng, Y.; Liu, H.; Ma, Z. Noise modelling for power line communication in harsh environment. In Proceedings of the 2017 4th International Conference on Information Science and Control Engineering, ICISCE 2017, Changsha, China, 21–23 July 2017; pp. 1559–1563. [Google Scholar] [CrossRef]
- Acakpovi, A.; Mohammed, H.; Nwulu, N.; Fifatin, F.X.N.; Nounangnonhou, T.C.; Abubakar, R. Evaluation of Noise Effects on Power Line Communication in a Narrow and Wide Band Frequency Spectrum: A Case Study of Electricity Distribution Network of Ghana. In Proceedings of the 2019 International Conference on Computing, Computational Modelling and Applications, ICCMA, Cape Coast, Ghana, 27–29 March 2019; pp. 27–33. [Google Scholar] [CrossRef]
- Akorede, M.; Eguaosa, G.; Thomas, C.; Pouresmaeil, E.; Taheri, S. Analysis and Characterization of End-User Equipment Noise Signals for Power Line Communication Applications. Jordan J. Electr. Eng. 2020, 6, 217. [Google Scholar] [CrossRef]
- Amuta, E.O.; Awelewa, A.; Olajube, A.; Somefun, T.E.; Afolabi, G.; Uyi, A.S. Power line carrier technologies: A review. In Proceedings of the IOP Conference Series: Materials Science and Engineering, Ota, Nigeria, 27–28 July 2020; Volume 1036, p. 012062. [Google Scholar] [CrossRef]
- Ajibade, A.O.; Oluwafemi, B.; Owolabi, I.E. Characterisation of signal amplitude-frequency for indoor power line communication channel in the 1–30 MHz broadband frequencies. Int. J. Electr. Comput. Eng. Syst. 2021, 12, 36–37. [Google Scholar] [CrossRef]


















| Noise Characterization and Modeling | Features and Modeling Methods | Merits | Demerits | Ref. |
|---|---|---|---|---|
| Techniques for Reducing Impulse noise in PLC. | Techniques based on signal processing, interleaving, and forward error correction were applied. | The most recent methods are highlighted in this survey, along with some important issues relating to present and potential developments in PLC signal protection systems. | The study was unable to address the core theoretical issues and simulate a comparison of the various methodologies employed in order to determine their strengths and limitations. | [15] |
| Impulse noise in broadband power line communication is analyzed and modeled. | The various methods for modeling noise were divided into two groups: frequency and time domain. | The noise was divided into five groups, which made analysis and modeling simpler. | Analytical derivations are particularly difficult to use to characterize the noise. | [16] |
| An innovative method for analyzing periodic impulse noise in indoor power lines and channel modeling. | Pure cable is modeled and validated in the time and frequency domains using an RLCG circuit. | By contrasting simulated and measured data, the global model that combines the channel model and noise variations is proven to be accurate. | No distinction is made between synchronous and asynchronous noise with the mains. Taking this kind of noise into account is crucial. | [22,23] |
| Modeling of the transfer characteristics of the broadband PLC channel. | Both a top-down and bottom-up approach were adopted. | Its capacity to consider every signal reflected from line discontinuities with respect to the network. | The measurement tools and methods used have an impact on the model’s accuracy. | [33,34] |
| Narrow-band PLC noise characterization at a large scale. | In addition to offering a statistical analysis of the long-term trends in power noise, the author presents the idea of large-scale noise characterization for narrowband PLC. | The author concentrates on modeling at a large scale. Most relevant studies have centered on modeling at small scales. | The importance of small-scale modeling for ensuring the dependability of communication across narrowband PLC was not taken into consideration. | [35] |
| Modeling and characterization of an indoor PLC. | The author characterized the different types of noise in PLC at home and elsewhere. Likewise, its source and effects on PLC data transmission. | The measurement was taken only in the time domain and the result confirm the presence of impulsive, white, and colored noise. | The outcome was not modeled and also, not validated and cannot be used to design a robust PLC MODEM. | [36] |
| The off-grid electrical system’s narrowband PLC error analysis. | The primary focus of the authors’ research was on determining how switching on household appliances and their combinations affected interruptions in data transmission. | The author was able to ascertain how turning ON different devices and their combinations affected the disruptions during data transfer | The author neglected to concentrate on examining the operation of a larger number of similar appliances. | [37] |
| The state of the art of electrical power transmission and line-based communication systems | A thorough summary of the current situation of Power Line Communication was provided by the author. | The categories of transmission channel models, modulation techniques, and PLC regulation rules were discussed. | PLC’s issues were addressed but no comprehensive solution was developed. | [38] |
| An innovative method for low voltage power line carrier communication noise reduction. | The author suggests a new approach that incorporates signal frequency domain restoration, noise reduction by filtering, and frequency domain decomposition of the carrier signal. | The suggested method efficiently increases SNR, ensures transmission performance, and upholds system dependability for the electricity data collection system | The result has not been validated or compared to other literature. | [39] |
| Developing a model for impulse noise in PLC | In addition to the Middleton Class A distribution, other distribution families were used, including the symmetric Stable (SS), generalized Gaussian, and Bernoulli Gaussian, among others. | The results showed that the SS distribution performed better than the others, and they also provided proof that it was a good choice for simulating PLC impulse noise. | The Middleton Class A model isn’t the best option because it can’t adequately simulate impulsivity in indoor PLC measurements | [40] |
| The statistical variation of power line noise is characterized and modeled using a frequency domain. | The model considered both impulse noise and background noise. Performance comparisons were made between single-carrier and multicarrier modulation. | When evaluated against the power line noise that has been found, multicarrier schemes surpass single carrier. | It is difficult to model the background noise using direct measurements. | [23,35] |
| Impulse noise on an indoor power line is classified and described. | The emphasis is on impulse noise measurements, whose statistical characteristics serve as the foundation for a noise model for improving a transmission method. | The inclusion of a noise model in simulation tools. | Unable to use the function model in a simulation tool to optimize the transmission scheme. | [21,36] |
| Transfer Characteristics of the power line. | Both an echo model and a series resonant circuit model were created. | The implementation of the algorithm and the computation are both rather simple. | Through purely analytical derivations, the noise is particularly hard to be characterized. | [34] |
| Estimating transmission system error due to impulse noise. | Multicarrier and single-carrier QAM were compared and analyzed. | Multicarrier QAM performs better. | Multicarrier was detrimental at a low signal-to-noise ratio | [20,37] |
| Impulse noise and multipath effects in broadband power line communications are analyzed. | Bit error rate was examined, and results on orthogonal frequency division multiplexing. | Computer simulations are used to confirm that the generated analytical formulas are accurate. | There is a bit error rate (BER) performance error floor, and the value of this error floor is based on the parameters of the OFDM system. | [37,38] |
| Noise modeling in narrowband power line communication systems. | The Markov Chain Monte Carlo (MCMC) model method was used. | The model provides a more accurate approximation of the noise. | This model only expressed the time-variant and No- Gaussian features of the noise. | [39,40] |
| Developing models for impulse noise in indoor PLC. | Symmetric α-Stable (SαS), generalized Gaussian, Bernoulli–Gaussian, and Middleton Class A distribution models were adopted. | In terms of the statistical error criterion, when compared to the other families, the (SαS) distribution has the best modeling success. | In terms of modeling impulsiveness in indoor PLC measurements, the Middleton Class A model is not the best option and has a restricted capacity. | [21,41,42] |
| An analysis of 50 years of noise modeling and reduction in power-line communications. | Both the simplified mathematical and the empirical models were used. | Techniques for reducing noise can be used on both the transmitter and receiver sides. | Despite these advancements, information theory suggests that the capacity of PLC has not yet been completely utilized, primarily as a result of impulse noise’s negative impacts. | [43,44] |
| Narrowband Powerline Communications Low Voltage Access Network Modeling and Characterization. | A Simulink model and transmission line (TL) theory were employed. | The effectiveness and precision of narrow-band PLC transceivers for smart grid communications have been greatly improved by this research. | The result is not validated using the existing literature elsewhere. | [45] |
| Modeling power-line communication noise. | Using a Bernoulli–Gaussian noise model, an algorithm was utilized to estimate the parameters of measured power line noise. | The efficiency of the approach is well demonstrated by Bernoulli models for noise from power lines. | However, no attempt has been made to identify the noise model parameters that most closely match the measured data. | [46] |
| Noise modeling in a harsh environment for PLC. | The proposed model’s performance was compared to that of Middleton’s noise model. | The simulation demonstrates that the suggested model’s outcomes closely resemble actual power line noise. | The results are not validated nor compared with existing literature. | [47] |
| The Effect of Noise on PLC in a Narrow and Wide Band Frequency Spectrum is Analyzed. | In contrast to the typical methods used for digital data transmission, the research recommended several noise reduction solutions that were based on the usage of OFDM-based modulation schemes. | According to this study, adopting an OFDM-based modulation scheme will increase the efficiency of broadband PLC communication and make it more noise-immune than narrowband PLC communication. | When using the low-voltage power line network, the frequency range of 1–500 kHz is consequently inadequate. | [48] |
| Signals from End-User Equipment for Power Line Communication Applications: Analysis and Characterization. | A PLC-specific algorithm is designed to classify various noise forms. | The results of this study will be helpful for the development and application of power line technologies in a way that reduces noise issues. | However, because of the employment of a low-pass filter, continuous noise was not characterized in this work. | [49] |
| Review of power line carrier technologies. | The operation of the Power Line Carrier, its features, and how it enables the transmission of power and information were all covered in the article. | It examines the power line carrier system’s different traits, attributes, and developments in addition to doing detailed component analyses. | The result was not validated | [50] |
| S/N | Resistive Loads | Inductive Loads | Capacitive Loads |
|---|---|---|---|
| 1 | Rice cooker | Fans | Radio circuit |
| 2 | Electric kettles | Washing machines | Cables |
| 3 | Electric Iron | Air conditional | Capacitor bank |
| 4 | Soldering Iron | Refrigerators | TV picture tube |
| 5 | Lamps | Speakers | Fluorescent lighting |
| 6 | Heating coil | Television | Phone charger etc. |
| 7 | Heaters etc. | Laptop etc. |
| Frequency (MHz) | Span (MHz) | Ref. Amplitude (dBm) | Noise Amplitude (dBm) | Noise Power (dBm) |
|---|---|---|---|---|
| 3.0 | 3.0 | −40 | −44.85 | 0.0000327 |
| 6.0 | 3.0 | −20 | −26.29 | 0.0023496 |
| 9.0 | 3.0 | −10 | −17.51 | 0.0177418 |
| 12.0 | 3.0 | −20 | −22.14 | 0.0061094 |
| 15.0 | 3.0 | −20 | −23.43 | 0.0045394 |
| 18.0 | 3.0 | −20 | −29.67 | 0.0010789 |
| 21.0 | 3.0 | −20 | −20.82 | 0.0082794 |
| 24.0 | 3.0 | −10 | −16.74 | 0.0021184 |
| 27.0 | 3.0 | −10 | −17.24 | 0.0188799 |
| 30.0 | 3.0 | −10 | −16.62 | 0.0217771 |
| Frequency (MHz) | Span (MHz) | Ref. Amplitude (dBm) | Noise Amplitude (dBm) | Noise Power (dBm) |
|---|---|---|---|---|
| 3.0 | 3.0 | −30 | −37.29 | 0.000187 |
| 6.0 | 3.0 | −20 | −21.86 | 0.00652 |
| 9.0 | 3.0 | −10 | −18.12 | 0.0154 |
| 12.0 | 3.0 | −10 | −15.80 | 0.0263 |
| 15.0 | 3.0 | −30 | −33.24 | 0.000474 |
| 18.0 | 3.0 | −10 | −17.26 | 0.0188 |
| 21.0 | 3.0 | −20 | −26.83 | 0.00207 |
| 24.0 | 3.0 | −10 | −11.95 | 0.0638 |
| 27.0 | 3.0 | −20 | −22.06 | 0.00622 |
| 30.0 | 3.0 | −30 | −35.99 | 0.000252 |
Disclaimer/Publisher’s Note: The statements, opinions and data contained in all publications are solely those of the individual author(s) and contributor(s) and not of MDPI and/or the editor(s). MDPI and/or the editor(s) disclaim responsibility for any injury to people or property resulting from any ideas, methods, instructions or products referred to in the content. |
© 2023 by the authors. Licensee MDPI, Basel, Switzerland. This article is an open access article distributed under the terms and conditions of the Creative Commons Attribution (CC BY) license (https://creativecommons.org/licenses/by/4.0/).
Share and Cite
Ogunlade, M.A.; Gbadamosi, S.L.; Owolabi, I.E.; Nwulu, N.I. Noise Measurement, Characterization, and Modeling for Broadband Indoor Power Communication System: A Comprehensive Survey. Energies 2023, 16, 1535. https://doi.org/10.3390/en16031535
Ogunlade MA, Gbadamosi SL, Owolabi IE, Nwulu NI. Noise Measurement, Characterization, and Modeling for Broadband Indoor Power Communication System: A Comprehensive Survey. Energies. 2023; 16(3):1535. https://doi.org/10.3390/en16031535
Chicago/Turabian StyleOgunlade, Michael Adegoke, Saheed Lekan Gbadamosi, Israel Esan Owolabi, and Nnamdi I. Nwulu. 2023. "Noise Measurement, Characterization, and Modeling for Broadband Indoor Power Communication System: A Comprehensive Survey" Energies 16, no. 3: 1535. https://doi.org/10.3390/en16031535
APA StyleOgunlade, M. A., Gbadamosi, S. L., Owolabi, I. E., & Nwulu, N. I. (2023). Noise Measurement, Characterization, and Modeling for Broadband Indoor Power Communication System: A Comprehensive Survey. Energies, 16(3), 1535. https://doi.org/10.3390/en16031535

