Reliability Assessment of the Configuration of Dynamic Uninterruptible Power Sources: A Case of Data Centers
Abstract
:1. Introduction
2. State-of-the-Art and Proposed Methods for Reliability Assessment
2.1. Reliability Block Diagram
2.2. Informational Analysis Concept
- The proposed method can be used for a preliminary assessment of options for the reconstruction of the PSS of different industrial enterprises;
- The proposed method can be used during the creation of complex multilevel reliability models, where there is a problem of the correctness of the mathematical description of the simulated objects;
- The proposed method can be used as a supplement to state-of-the-art methods in the formation of an enterprise PSS development strategy.
3. Use Cases
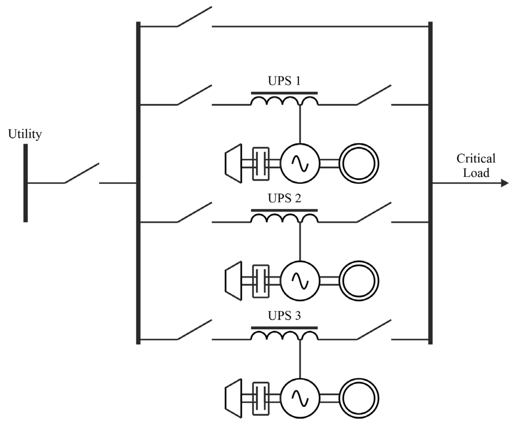
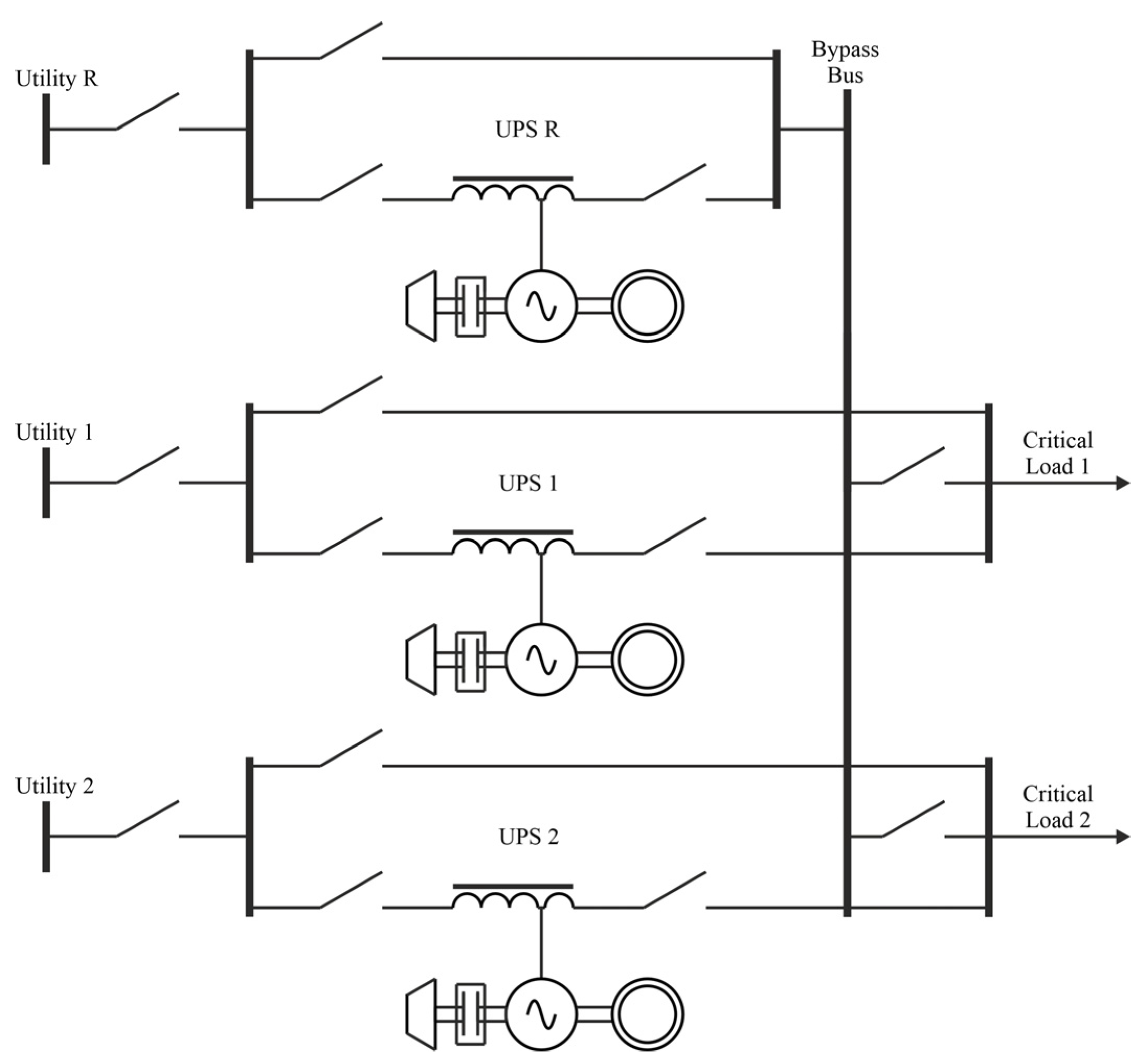
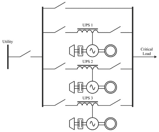
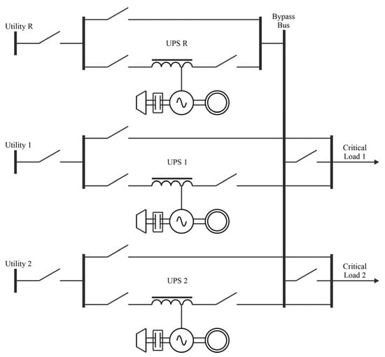
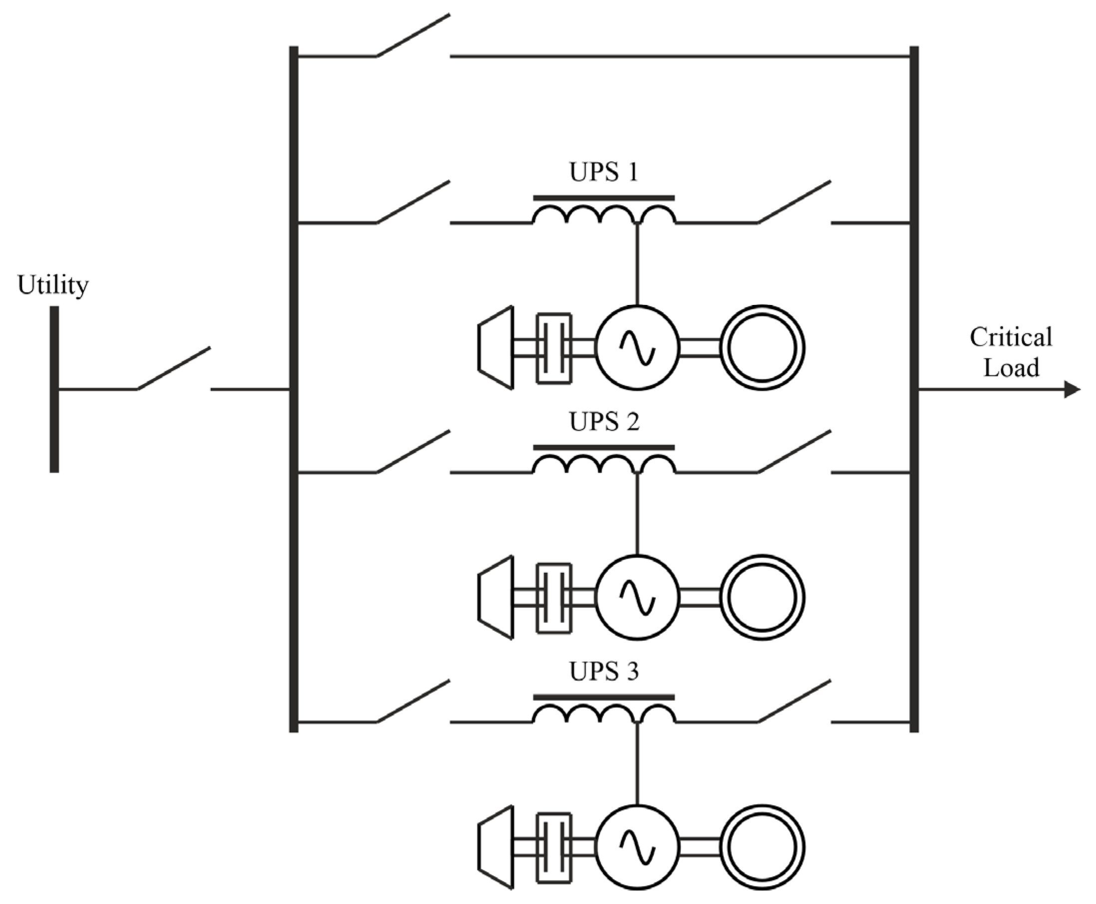
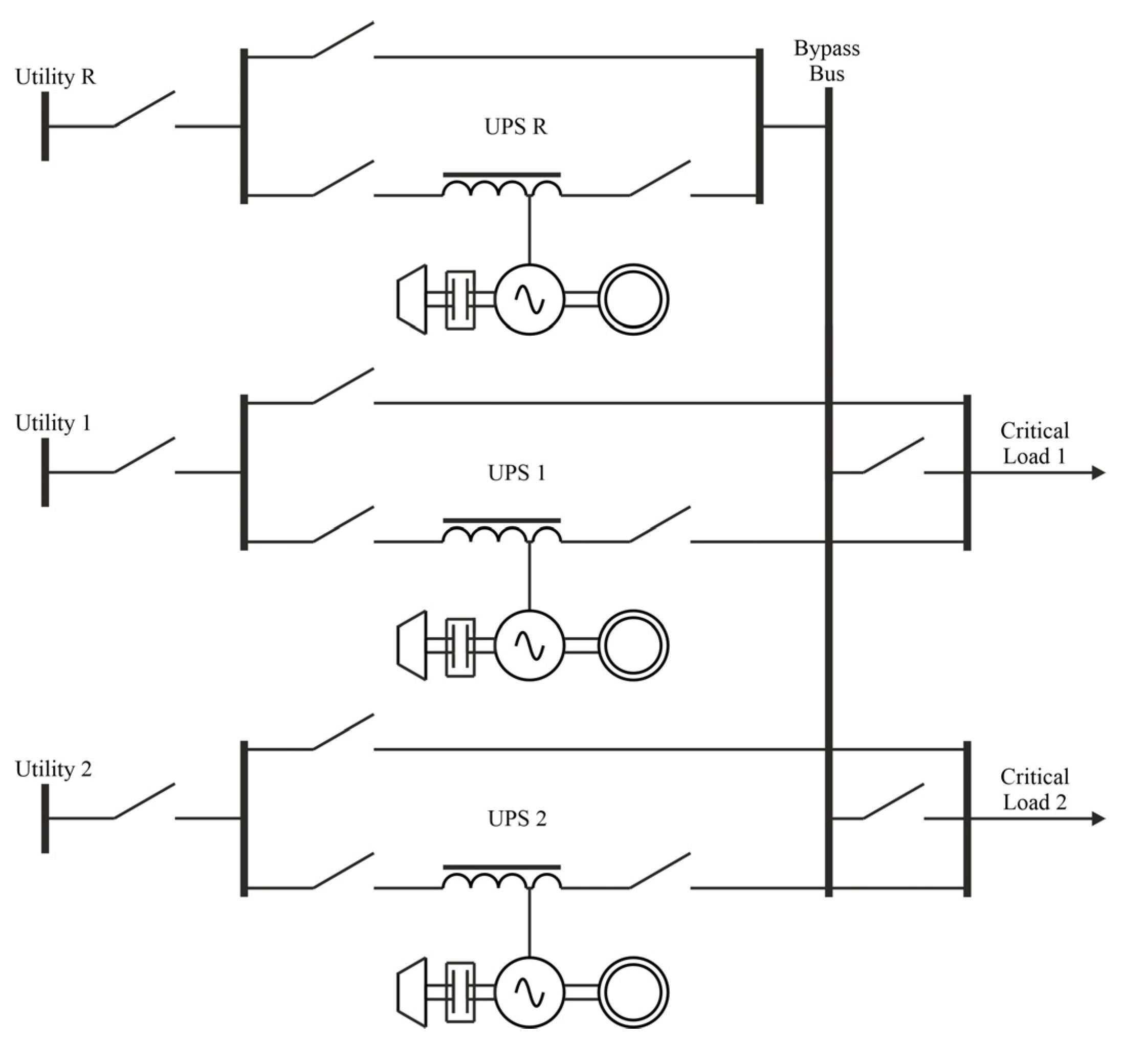
3.1. General Information
3.2. System Configurations Assessment
3.2.1. State-of-the-Art Reliability Indicators
3.2.2. PSS Informational Analysis
4. Results
5. Discussion
6. Conclusions
Author Contributions
Funding
Institutional Review Board Statement
Informed Consent Statement
Data Availability Statement
Conflicts of Interest
Abbreviations
| ANP | Analytic Network Process | 
| CL | Cross Link | 
| DR | Distributed Redundant | 
| DRUPS | Diesel Rotary Uninterruptible Power Supply | 
| FMECA | Failure Mode, Effects And Criticality Analysis | 
| FTA | Fault Tree Analysis | 
| IEM | Informational Energy Model | 
| IP | Isolated Parallel | 
| IR | Isolated Redundant | 
| IT | Information Technology | 
| MCMC | Markov Chain Monte Carlo | 
| MDT | Mean Down Time | 
| MTBF | Mean Time Between Failures | 
| MTTF | Mean Time To Failure | 
| MTTR | Mean Time To Repair | 
| PS | Parallel System | 
| PSS | Power Supply System | 
| RBD | Reliability Block Diagrams | 
| SS | Single System | 
| UPS | Uninterruptible Power Source | 
References
- Zio, E. Reliability engineering: Old problems and new challenges. Reliab. Eng. Syst. Saf. 2009, 94, 125–141. [Google Scholar] [CrossRef]
- Ahmed, K.M.U.; Alvarez, M.; Bollen, M.H. Reliability Analysis of Internal Power Supply Architecture of Data Centers in Terms of Power Losses. Electr. Power Syst. Res. 2021, 193, 107025. [Google Scholar] [CrossRef]
- Arno, R.; Friedl, A.; Gross, P.; Schuerger, R.J. Reliability of Data Centers by Tier Classification. IEEE Trans. Ind. Appl. 2011, 48, 777–783. [Google Scholar] [CrossRef]
- Turner, W.P.; Seader, J.H.; Renaud, V.; Brill, K.G. Tier Classification Define Site Infrastructure Performance; Uptime Institute: New York, NY, USA, 2006; Available online: https://fsta.dk/wp-content/uploads/2019/06/Tier-Classifications-Define-Site-Infrastructure-Performance.pdf (accessed on 26 December 2022).
- Ahmed, K.M.U.; Bollen, M.H.J.; Alvarez, M. A Review of Data Centers Energy Consumption and Reliability Modeling. IEEE Access 2021, 9, 152536–152563. [Google Scholar] [CrossRef]
- IEC 61078:2016; Reliability Block Diagrams. 2016. Available online: https://webstore.iec.ch/publication/25647 (accessed on 26 February 2022).
- IEC 61025:2006; Fault Tree Analysis (FTA). International Electrotechnical Commission: Geneva, Switzerland, 2006.
- Barthelme, A.; Xu, X.; Zhao, T. A hybrid AC and DC distribution architecture in data centers. In Proceedings of the IEEE Energy Conversion Congress and Exposition (ECCE), Cincinnati, OH, USA, 1–5 October 2017. [Google Scholar] [CrossRef]
- Thomas, M.S.; Ali, I. Reliable, Fast, and Deterministic Substation Communication Network Architecture and its Performance Simulation. IEEE Trans. Power Deliv. 2010, 25, 2364–2370. [Google Scholar] [CrossRef]
- Robidoux, R.; Xu, H.; Xing, L.; Zhou, M. Automated Modeling of Dynamic Reliability Block Diagrams Using Colored Petri Nets. IEEE Trans. Syst. Man, Cybern. Part A Syst. Humans 2009, 40, 337–351. [Google Scholar] [CrossRef]
- Rahmat, M.K.; Sani, M.N. Fault tree analysis in UPS reliability estimation. In Proceedings of the 4th International Conference on Engineering Technology and Technopreneuship (ICE2T), Kuala Lumpur, Malaysia, 27–29 August 2014. [Google Scholar] [CrossRef]
- Chalermarrewong, T.; Achalakul, T.; See, S.C.W. Failure Prediction of Data Centers Using Time Series and Fault Tree Analysis. In Proceedings of the IEEE 18th International Conference on Parallel and Distributed Systems, Singapore, 17–19 December 2012; pp. 794–799. [Google Scholar] [CrossRef]
- Leelipushpam, G.J.; Jebadurai, I.J.; Jebadurai, J. Fault Tree Analysis based Virtual Machine Migration for Fault-Tolerant Cloud Data Center. J. Integr. Des. Process. Sci. 2021, 23, 73–89. [Google Scholar] [CrossRef]
- Sanusi, A.; Yusuf, I. Reliability assessment and profit analysis of distributed data center network topology. Life Cycle Reliab. Saf. Eng. 2022, 11, 75–86. [Google Scholar] [CrossRef]
- Chaari, F.; Chiementin, X.; Zimroz, R.; Bolaers, F.; Haddar, M. (Eds.) Smart Monitoring of Rotating Machinery for Industry 4.0; Springer International Publishing: Cham, Switzerland, 2022; Volume 19. [Google Scholar] [CrossRef]
- Pinto, C.A.; Farinha, J.T.; Raposo, H.; Galar, D. Stochastic versus Fuzzy Models—A Discussion Centered on the Reliability of an Electrical Power Supply System in a Large European Hospital. Energies 2022, 15, 1024. [Google Scholar] [CrossRef]
- Rahmat, M.K.; Karim, A.Z.A.; Salleh, M.N. Uninterruptible Power Supply System Configurations: Reliability & Cost-Benefit Analysis. In Proceedings of the IEEE 7th International Conference on Power and Energy (PECon), Kuala Lumpur, Malaysia, 3–4 December 2018; pp. 252–256. [Google Scholar]
- Bennaceur, W.M.; Kloul, L. Formal models for safety and performance analysis of a data center system. Reliab. Eng. Syst. Saf. 2019, 193, 106643. [Google Scholar] [CrossRef]
- Xiahou, X.; Chen, J.; Zhao, B.; Yan, Z.; Cui, P.; Li, Q.; Yu, Z. Research on Safety Resilience Evaluation Model of Data Center Physical Infrastructure: An ANP-Based Approach. Buildings 2022, 12, 1911. [Google Scholar] [CrossRef]
- Koval, D.O.; O’Donnell, P.; Institutional Cooperation. IEEE Recommended Practice for the Design of Reliable Industrial and Commercial Power Systems. In IEEE Std 493-2007 (Revision of IEEE Std 493-1997); IEEE: New York, NY, USA, 2007; 383p. [Google Scholar] [CrossRef]
- Gang, W.; Mao-Sheng, D.; Xiao-Hua, L. Analysis of UPS system reliability based on Monte Carlo approach. In Proceedings of the IEEE Region 10 Conference TENCON 2004, Chiang Mai, Thailand, 24 November 2004. [Google Scholar] [CrossRef]
- Smith, W.E.; Trivedi, K.S.; Tomek, L.A.; Ackaret, J. Availability analysis of blade server systems. IBM Syst. J. 2008, 47, 621–640. [Google Scholar] [CrossRef]
- de Lima Melo, F.F.; de Almeida Callou, G.R.; Teixeira Gomes de Sousa, E. Sensitivity Analysis of Data Center Electrical Infrastructures Considering Aspects of Dependability and Cost. IEEE Lat. Am. Trans. 2021, 19, 235–242. [Google Scholar] [CrossRef]
- Ushakov, I.A. Course of the Theory of Systems Reliability; Drofa: Moscow, Russia, 2008. [Google Scholar]
- Kim, M.C. Reliability block diagram with general gates and its application to system reliability analysis. Ann. Nucl. Energy 2011, 38, 2456–2461. [Google Scholar] [CrossRef]
- Razgildeev, G.I. Reliability of Electromechanical Systems and Electrical Equipment: Training; Kuzbass State Technical University: Kemerovo, Russia, 2005. [Google Scholar]
- Varnavskiy, K.; Chen, Q.; Nepsha, F. Structure orderliness assessment of grid development to improve the reliability of coal mine external electrical power supply. Electr. Power Syst. Res. 2020, 183, 106283. [Google Scholar] [CrossRef]
- Heylen, E.; Deconinck, G.; Van Hertem, D. Review and classification of reliability indicators for power systems with a high share of renewable energy sources. Renew. Sustain. Energy Rev. 2018, 97, 554–568. [Google Scholar] [CrossRef]
- Ndawula, M.B.; Hernando-Gil, I.; Li, R.; Gu, C.; De Paola, A. Model order reduction for reliability assessment of flexible power networks. Int. J. Electr. Power Energy Syst. 2020, 127, 106623. [Google Scholar] [CrossRef]
- Chae, Y.H.; Kim, S.G.; Seong, P.H. Reliability of the system with loops: Factor graph based approach. Reliab. Eng. Syst. Saf. 2020, 208, 107407. [Google Scholar] [CrossRef]
- He, R.; Chen, G.; Shen, X.; Jiang, S. Reliability assessment of repairable closed-loop process systems under uncertainties. ISA Trans. 2020, 104, 222–232. [Google Scholar] [CrossRef]
- Turner, W.P.; Seader, J.H.; Brill, K.G. Industry Standard Tier Classifications Define Site Infrastructure Performance; The Uptime Institute: New York, NY, USA, 2005. [Google Scholar]
- Afsharnia, F. Failure Rate Analysis. In Failure Analysis and Prevention; IntechOpen: London, UK, 2017; p. 216. [Google Scholar]
- Matveev, V.N. Informational assessment of a system. Bull. KuzSTU 2001, 2, 63–68. [Google Scholar]
- Matveev, V.N. Mine Switching Devices of a New Safety Level; Kuzbass State Technical University: Kemerovo, Russia, 2001. [Google Scholar]
- Varnavskiy, K.; Matveev, V.N. Analysis of ways to improve the efficiency of operation of power supply systems of industrial enterprises. Ind. Power Eng. 2016, 4, 14–18. [Google Scholar]
- Shannon, C.E.; Weaver, W. The Mathematical Theory of Communication, 16th ed.; The University of Illinois Press: Urbana, IL, USA, 1971. [Google Scholar]
- Matveev, V.N.; Mikryukov, A.; Romanenko, T.Y. Assessment of the safety and efficiency of power supply of the ‘Kedrovskiy’ open pit coal mine. Bull. KuzSTU 2005, 2, 43–46. [Google Scholar]
- Handbook of Reliability Prediction Procedures for Mechanical Equipment; Naval Surface Warfare Center Carderock Division: West Bethesda, MD, USA, 2011; Available online: http://everyspec.com/USN/NSWC/download.php?spec=NSWC-10_RELIABILITY_HDBK_JAN2010.045818.pdf (accessed on 26 January 2023).
- Electronic Parts Reliability Data—EPRD-2014. Quanterion Solutions Incorporated. 2014. Available online: https://www.quanterion.com/product/publications/electronic-parts-reliability-data-eprd-2014/ (accessed on 19 January 2023).
- Nonelectronic Parts Reliability Data Publication (NPRD-2016). Quanterion Solutions Incorporated. 2016. Available online: https://www.quanterion.com/product/publications/nonelectronic-parts-reliability-data-publication-nprd-2016/ (accessed on 19 January 2023).
- Mrowca, B. Emergency Diesel Generator Failure Review 1999–2001; Information Systems Laboratories, Inc.: Rockville Pike, MD, USA, 2011. [Google Scholar]
- International Energy Agency. Generic Component Reliability Data for Research Reactor PSA, IAEA, IAEA-TECDOC-930. 1997. Available online: https://www.iaea.org/publications/5582/generic-component-reliability-data-for-research-reactor-psa (accessed on 19 January 2023).
- ISO 281:2007; Rolling Bearings—Dynamic Load Ratings and Rating Life. ISO: Geneva, Switzerland, 2007. Available online: https://www.iso.org/standard/38102.html (accessed on 19 January 2023).
- Jardine, A.K.S.; Tsang, A.H.C. Maintenance, Replacement, and Reliability: Theory and Applications, 2nd ed.; CRC Press: Boca Raton, FL, USA, 2013. [Google Scholar]
- Kececioglu, D. Maintainability, Availability and Operational Readiness Engineering Handbook; Prentice Hall: Upper Saddle River, NJ, USA, 1995. [Google Scholar]
- Wang, W.; Dell’Anno, M.; Zeh, C. Approximation of Mean Time Between Failures with Maintenance. Int. J. Perform. Eng. 2007, 3, 382. [Google Scholar] [CrossRef]










| Configuration | λ, 1/Hours | |||
|---|---|---|---|---|
| Single system | 3.10 × 10−6 | 0.999949 | 306,600 | 35 | 
| Parallel system (2/3) | 2.59 × 10−7 | 0.999997 | 3,810,600 | 435 | 
| Cross link (3/4) | 2.61 × 10−7 | 0.999997 | 3,793,080 | 433 | 
| Isolated Parallel (2/3) | 2.55 × 10−7 | 0.999997 | 3,898,200 | 445 | 
| Isolated Redundant (2/3) | 2.25 × 10−6 | 0.999949 | 420,480 | 48 | 
| Distributed Redundant (2/3) | 4.09 × 10−9 | 1.000000 | 243,659,400 | 27,815 | 
| Path | Path’s Edges | Qliв | Qlm | Il, Bit | 
|---|---|---|---|---|
| End-to-end path I | 1–2 | 3 | Q1 = (3 + 4 + 6)/3 = 4 | 2 | 
| 2–3 | 3 | |||
| 3–6 | 3 × 2 * | |||
| End-to-end path II | 1–2 | 3 | Q2 = (3 + 4 + 6)/3 = 4 | 2 | 
| 2–4 | 3 | |||
| 4–6 | 3 × 2 | |||
| End-to-end path III | 1–2 | 3 | Q3 = (3 + 4 + 6)/3 = 4 | 2 | 
| 2–5 | 3 | |||
| 5–6 | 3 × 2 | |||
| End-to-end path IV | 3–6 | 3 × 2 | Q4 = 6/1 = 6 | 2.585 | 
| End-to-end path V | 4–6 | 3 × 2 | Q5 = 6/1 = 6 | 2.585 | 
| End-to-end path VI | 5–6 | 3 × 2 | Q6 = 6/1 = 6 | 2.585 | 
| End-to-end path VII | 1–2 | 3 | Q7 = (3 + 3)/2 = 4.5 | 2.17 | 
| 2–6 | 3 | 
| Indicator | Paths | ||
|---|---|---|---|
| I–III | IV–VI | VII | |
| Il, bit | 2 | 2.585 | 2.17 | 
| pl | 0.9994864 | 0.9995838 | 0.9998790 | 
| fl, s−1 | 20 | 20 | 20 | 
| Dl, bit/s | 39.979 | 51.678 | 43.393 | 
| G = 0.819; D = 318.365 bit/s; R = 260.877 bit/s | |||
| Configuration | Indicators | MTBF (Years) | ||
|---|---|---|---|---|
| G | D, Bit/s | R, Bit/s | ||
| Single System (SS) | 0.715 | 186.682 | 133.405 | 35 | 
| Parallel System (PS) | 0.464 | 263.283 | 162.922 | 433 | 
| Cross Link (CL) | 0.464 | 1128.447 | 786.134 | 445 | 
| Isolated Parallel (IP) | 0.792 | 965.008 | 1146.229 | 48 | 
| Isolated Redundant (IR) | 0.723 | 526.542 | 444.442 | 27,815 | 
| Distributed Redundant (DR) | 0.686 | 1775.767 | 1740.166 | 435 | 
| Disclaimer/Publisher’s Note: The statements, opinions and data contained in all publications are solely those of the individual author(s) and contributor(s) and not of MDPI and/or the editor(s). MDPI and/or the editor(s) disclaim responsibility for any injury to people or property resulting from any ideas, methods, instructions or products referred to in the content. | 
© 2023 by the authors. Licensee MDPI, Basel, Switzerland. This article is an open access article distributed under the terms and conditions of the Creative Commons Attribution (CC BY) license (https://creativecommons.org/licenses/by/4.0/).
Share and Cite
Varnavskiy, K.; Nepsha, F.; Chen, Q.; Ermakov, A.; Zhironkin, S. Reliability Assessment of the Configuration of Dynamic Uninterruptible Power Sources: A Case of Data Centers. Energies 2023, 16, 1419. https://doi.org/10.3390/en16031419
Varnavskiy K, Nepsha F, Chen Q, Ermakov A, Zhironkin S. Reliability Assessment of the Configuration of Dynamic Uninterruptible Power Sources: A Case of Data Centers. Energies. 2023; 16(3):1419. https://doi.org/10.3390/en16031419
Chicago/Turabian StyleVarnavskiy, Kirill, Fedor Nepsha, Qingguang Chen, Alexander Ermakov, and Sergey Zhironkin. 2023. "Reliability Assessment of the Configuration of Dynamic Uninterruptible Power Sources: A Case of Data Centers" Energies 16, no. 3: 1419. https://doi.org/10.3390/en16031419
APA StyleVarnavskiy, K., Nepsha, F., Chen, Q., Ermakov, A., & Zhironkin, S. (2023). Reliability Assessment of the Configuration of Dynamic Uninterruptible Power Sources: A Case of Data Centers. Energies, 16(3), 1419. https://doi.org/10.3390/en16031419
 
        



 
       