Design of Uninterruptible Power Supply Inverters for Different Modulation Techniques Using Pareto Front for Cost and Efficiency Optimization
Abstract
1. Introduction
- Comparison of cost and efficiency in three PWM modulation techniques applied to full-bridge inverters in SOHO UPSs.
- Evaluation of power MOSFETs in the design of full-bridge inverters using Pareto fronts, while also comparing optimal and sub-optimal solutions based on a database of 47 devices.
- Comparison of the internal characteristics of MOSFETs manufactured for different voltage rating levels, presenting the part numbers selected in each design.
2. Experimental Validation of Computational and Thermal Models
2.1. Computational Models and UPS Waveforms
2.2. Losses and Thermal Models
3. Optimization Methodology Considering a Mosfet Database
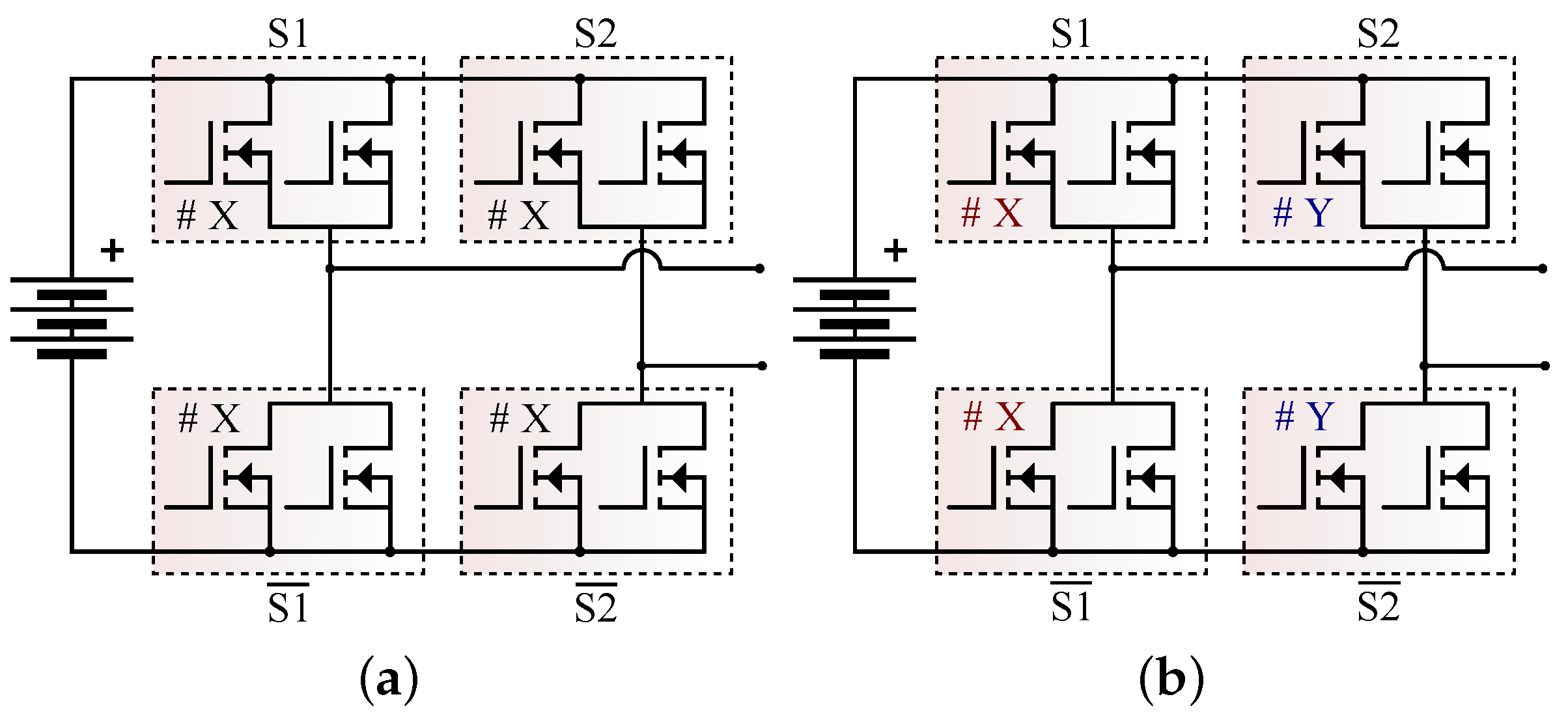
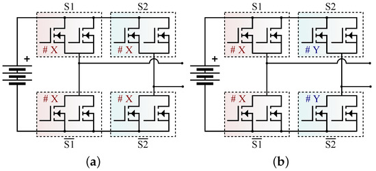
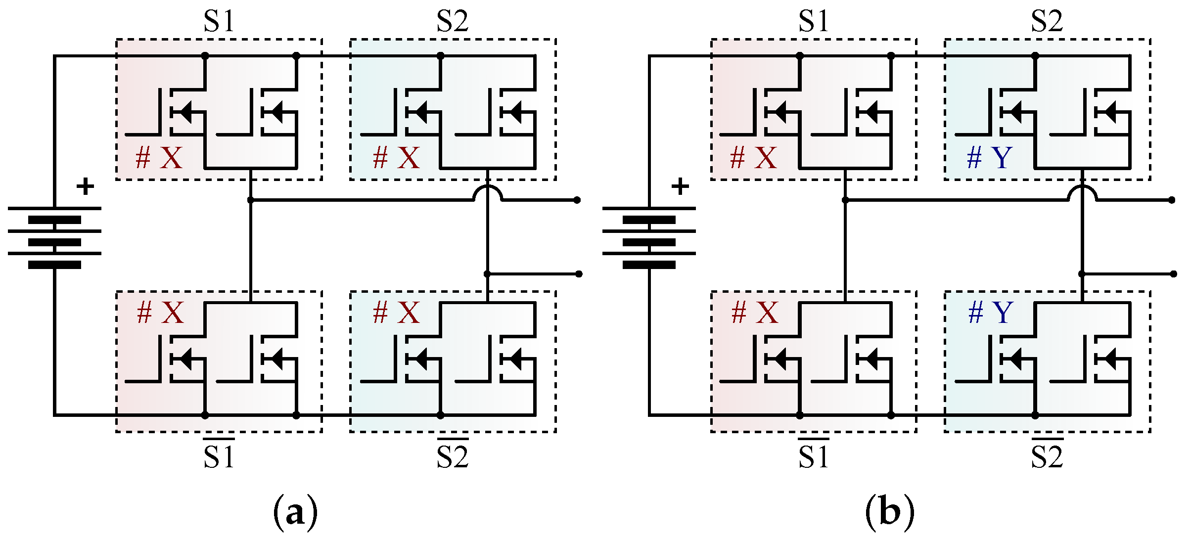
3.1. Discontinuous Modulation
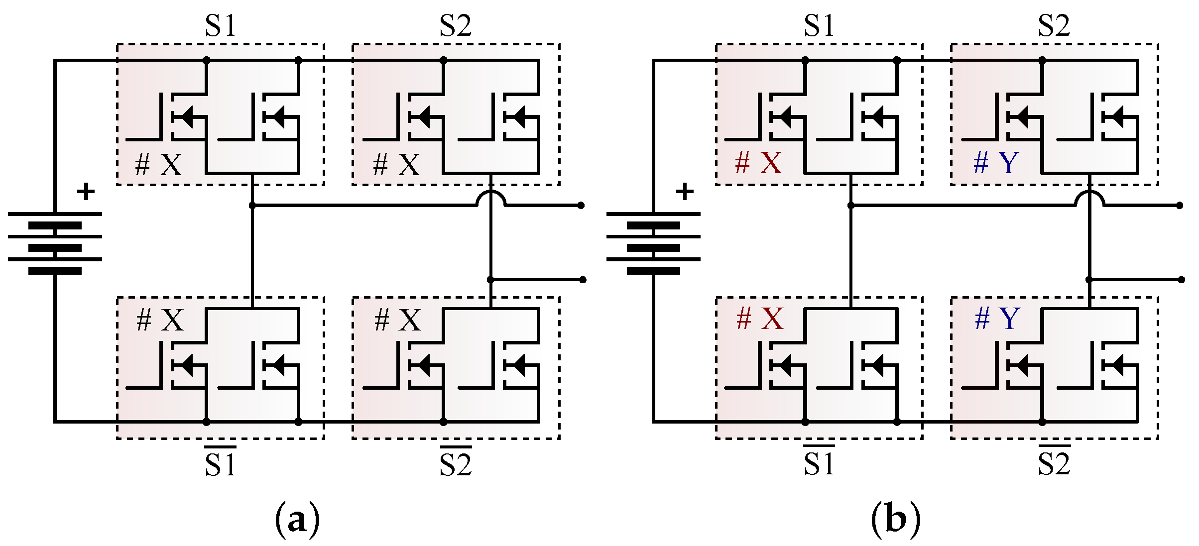
3.2. Phase-Shifted Modulation
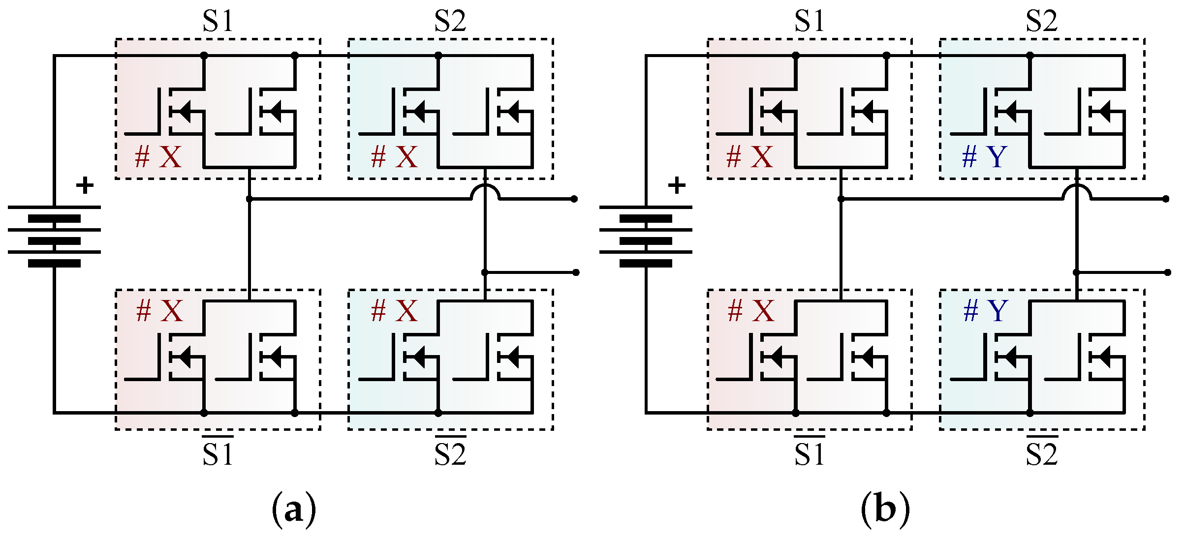
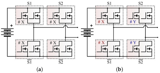
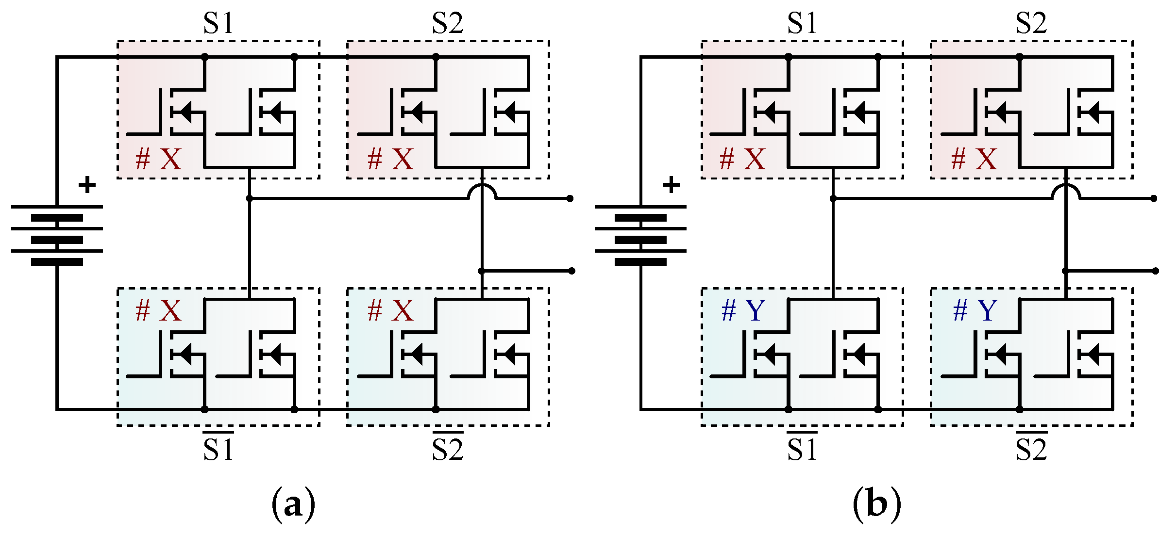
3.3. Discontinuous Single-Phase Leg Switched Modulation
4. Comparison of Pareto Front Solutions for the Three Evaluated Modulation Techniques
5. Conclusions
Author Contributions
Funding
Data Availability Statement
Conflicts of Interest
Appendix A
References
- IEC62040; Uninterruptible Power Systems (UPS) Part 3: Method of Specifying the Performance and Test Requirements. IEC: Geneva, Switzerland, 1999.
- Kwon, B.H.; Choi, J.H.; Kim, T.W. Improved single-phase line-interactive UPS. IEEE Trans. Ind. Electron. 2001, 48, 804–811. [Google Scholar] [CrossRef]
- Bekiarov, S.B.; Emadi, A. Uninterruptible power supplies: Classification, operation, dynamics, and control. In Proceedings of the APEC. Seventeenth Annual IEEE Applied Power Electronics Conference and Exposition (Cat. No. 02CH37335), Dallas, TX, USA, 10–14 March 2002; Volume 1, pp. 597–604. [Google Scholar]
- Yeh, C.C.; Manjrekar, M.D. A reconfigurable uninterruptible power supply system for multiple power quality applications. IEEE Trans. Power Electron. 2007, 22, 1361–1372. [Google Scholar] [CrossRef]
- Aamir, M.; Kalwar, K.A.; Mekhilef, S. Uninterruptible power supply (UPS) system. Renew. Sustain. Energy Rev. 2016, 58, 1395–1410. [Google Scholar] [CrossRef]
- Iftikhar, M.; Aamir, M.; Waqar, A.; Muslim, F.B.; Alam, I. Line-interactive transformerless uninterruptible power supply (UPS) with a fuel cell as the primary source. Energies 2018, 11, 542. [Google Scholar] [CrossRef]
- Al Kez, D.; Foley, A.M.; Ahmed, F.W.; O’Malley, M.; Muyeen, S. Potential of data centers for fast frequency response services in synchronously isolated power systems. Renew. Sustain. Energy Rev. 2021, 151, 111547. [Google Scholar] [CrossRef]
- Green, P.B. MOSFET Selection for Low Voltage UPS; Infineon Technologies AG: Neubiberg, Germany, 2019; Rev. 1.2. [Google Scholar]
- Green, P.B. Low Frequency Transformer Based SOHO UPS Design; Infineon Technologies AG: Neubiberg, Germany, 2020; Rev. 1.1. [Google Scholar]
- Ahmed, K.M.U.; Bollen, M.H.; Alvarez, M. A Review of Data Centers Energy Consumption And Reliability Modeling. IEEE Access 2021, 9, 152536–152563. [Google Scholar] [CrossRef]
- Prado, E.O.; Bolsi, P.C.; Sartori, H.C.; Pinheiro, J.R. Comparative Analysis of Modulation Techniques on the Losses and Thermal Limits of Uninterruptible Power Supply Systems. Micromachines 2022, 13, 1708. [Google Scholar] [CrossRef] [PubMed]
- Zhou, Z.J.; Zhang, X.; Xu, P.; Shen, W.X. Single-phase uninterruptible power supply based on Z-source inverter. IEEE Trans. Ind. Electron. 2008, 55, 2997–3004. [Google Scholar] [CrossRef]
- Racine, M.S.; Parham, J.D.; Rashid, M. An overview of uninterruptible power supplies. In Proceedings of the 37th Annual North American Power Symposium, Ames, IA, USA, 25 October 2005; pp. 159–164. [Google Scholar]
- Rahmat, M.K.; Jovanovic, S.; Lo, K.L. Reliability estimation of uninterruptible power supply systems: Boolean truth table method. In Proceedings of the INTELEC 06-Twenty-Eighth International Telecommunications Energy Conference, Providence, RI, USA, 10–14 September 2006; pp. 1–6. [Google Scholar]
- Rahmat, M.K.; Jovanovic, S.; Lo, K.L. Reliability and Availability modelling of Uninterruptible Power Supply (UPS) systems using Monte-Carlo simulation. In Proceedings of the 2011 5th International Power Engineering and Optimization Conference, Shah Alam, Malaysia, 6–7 June 2011; pp. 267–272. [Google Scholar]
- Rahmat, M.K.; Karim, A.Z.A.; Salleh, M.N.M. Sensitivity analysis of the AC uninterruptible power supply (UPS) reliability. In Proceedings of the 2017 International Conference on Engineering Technology and Technopreneurship (ICE2T), Kuala Lumpur, Malaysia, 18–20 September 2017; pp. 1–6. [Google Scholar]
- Holmes, D.G.; Lipo, T.A. Pulse Width Modulation for Power Converters: Principles and Practice; John Wiley & Sons: Hoboken, NJ, USA, 2014. [Google Scholar]
- Erickson, R.W.; Maksimovic, D. Fundamentals of Power Electronics; Springer Science & Business Media: Berlin/Heidelberg, Germany, 2007. [Google Scholar]
- Rashid, M.H. Power Electronics: Circuits, Devices, and Applications; Butterworth-Heinemann: Burlington, MA, USA, 2009. [Google Scholar]
- Bernacki, K.; Rymarski, Z. Electromagnetic compatibility of voltage source inverters for uninterruptible power supply system depending on the pulse-width modulation scheme. IET Power Electron. 2015, 8, 1026–1034. [Google Scholar] [CrossRef]
- Busquets-Monge, S.; Crebier, J.C.; Ragon, S.; Hertz, E.; Boroyevich, D.; Gurdal, Z.; Arpilliere, M.; Lindner, D.K. Design of a boost power factor correction converter using optimization techniques. IEEE Trans. Power Electron. 2004, 19, 1388–1396. [Google Scholar] [CrossRef]
- Biela, J.; Kolar, J.W.; Deboy, G. Optimal design of a compact 99.3% efficient single-phase PFC rectifier. In Proceedings of the 2010 Twenty-Fifth Annual IEEE Applied Power Electronics Conference and Exposition (APEC), Palm Springs, CA, USA, 21–25 February 2010; pp. 1397–1404. [Google Scholar]
- Sartori, H.C.; Hey, H.L.; Pinheiro, J.R. An optimum design of PFC Boost Converters. In Proceedings of the 2009 13th European Conference on Power Electronics and Applications, Barcelona, Spain, 8–10 September 2009; pp. 1–10. [Google Scholar]
- Chen, B.; Gu, B.; Zhang, L.; Zahid, Z.U.; Lai, J.S.; Liao, Z.; Hao, R. A high-efficiency MOSFET transformerless inverter for nonisolated microinverter applications. IEEE Trans. Power Electron. 2014, 30, 3610–3622. [Google Scholar] [CrossRef]
- Sartori, H.C.; Baggio, J.E.; Hey, H.L.; Pinheiro, J.R.; Beltrame, F. Integrated methodology design to improve the efficiency and reduce volume of the CCM PFC boost converters with pre-sizing settings. In Proceedings of the 2015 IEEE 24th International Symposium on Industrial Electronics (ISIE), Buzios, Brazil, 3–5 June 2015; pp. 1378–1385. [Google Scholar]
- Bolsi, P.C.; Prado, E.O.; Sartori, H.C.; Lenz, J.M.; Pinheiro, J.R. LCL Filter Parameter and Hardware Design Methodology for Minimum Volume Considering Capacitor Lifetimes. Energies 2022, 15, 4420. [Google Scholar] [CrossRef]
- Kolar, J.W.; Biela, J.; Minibock, J. Exploring the pareto front of multi-objective single-phase PFC rectifier design optimization-99.2% efficiency vs. 7kW/din 3 power density. In Proceedings of the 2009 IEEE 6th International Power Electronics and Motion Control Conference, Wuhan, China, 17–20 May 2009; pp. 1–21. [Google Scholar]
- Louvrier, Y.; Barrade, P.; Rufer, A. Weight and efficiency optimization strategy of an interleaved DC-DC converter for a solar aircraft. In Proceedings of the 2009 13th European Conference on Power Electronics and Applications, Barcelona, Spain, 8–10 September 2009; pp. 1–10. [Google Scholar]
- STMicroelectronics. N-Channel 60 V Power MOSFET in a TO-220 Package, STP220N6F7; STMicroelectronics: Geneva, Switzerland, 2015; Rev. 3. [Google Scholar]
- Lakkas, G. MOSFET power losses and how they affect power-supply efficiency. Analog Appl 2016, 10, 22–26. [Google Scholar]
- Graovac, D.; Purschel, M.; Kiep, A. MOSFET power losses calculation using the data-sheet parameters. Infineon Appl. Note 2006, 1, 1–23. [Google Scholar]
- Prado, E.O.; Sartori, H.C.; Pinheiro, J.R. How to select power transistors for static converters applications? In Proceedings of the 2018 13th IEEE International Conference on Industry Applications (INDUSCON), Sao Paulo, Brazil, 12–14 November 2018; pp. 138–143. [Google Scholar]
- Prado, E.O.; Bolsi, P.C.; Sartori, H.C.; Pinheiro, J.R. An Overview about Si, Superjunction, SiC and GaN Power MOSFET Technologies in Power Electronics Applications. Energies 2022, 15, 5244. [Google Scholar] [CrossRef]
- Prado, E.O.; Bolsi, P.C.; Sartori, H.C.; Pinheiro, J.R. Simple analytical model for accurate switching loss calculation in power MOSFETs using non-linearities of Miller capacitance. IET Power Electron. 2022, 15, 594–604. [Google Scholar] [CrossRef]
- Xiao, Y.; Shah, H.; Chow, T.; Gutmann, R. Analytical modeling and experimental evaluation of interconnect parasitic inductance on MOSFET switching characteristics. In Proceedings of the Nineteenth Annual IEEE Applied Power Electronics Conference and Exposition, 2004. APEC’04, Anaheim, CA, USA, 22–26 February 2004; Volume 1, pp. 516–521. [Google Scholar]
- Ren, Y.; Xu, M.; Zhou, J.; Lee, F.C. Analytical loss model of power MOSFET. IEEE Trans. Power Electron. 2006, 21, 310–319. [Google Scholar]
- de Paula, W.J.; Tavares, G.H.M.; Soares, G.M.; Almeida, P.S.; Braga, H.A.C. Switching losses prediction methods oriented to power MOSFETs–a review. IET Power Electron. 2020, 13, 2960–2970. [Google Scholar] [CrossRef]
- Brown, J. Modeling the switching performance of a MOSFET in the high side of a non-isolated buck converter. IEEE Trans. Power Electron. 2006, 21, 3–10. [Google Scholar] [CrossRef]
- Sartori, H.C.; Beltrame, F.; Figueira, H.H.; Baggio, J.E.; Pinheiro, J.R. Power density comparative analysis concerning to three transistor technologies applied to a CCM PFC BOOST converter using optimization techniques. In Proceedings of the 2013 Brazilian Power Electronics Conference, Gramado, Brazil, 27–31 October 2013; pp. 1317–1323. [Google Scholar]
- Beltrame, F.; Dupont, F.H.; Sartori, H.C.; Cancian, E.C.; Rech, C.; Pinheiro, J.R. Efficiency optimization of DC/DC boost converter applied to the photovoltaic system. In Proceedings of the IECON 2013-39th Annual Conference of the IEEE Industrial Electronics Society, Vienna, Austria, 10–13 November 2013; pp. 706–711. [Google Scholar]
- Guo, J.; Ge, H.; Ye, J.; Emadi, A. Improved method for MOSFET voltage rise-time and fall-time estimation in inverter switching loss calculation. In Proceedings of the 2015 IEEE Transportation Electrification Conference and Expo (ITEC), Dearborn, MI, USA, 14–17 June 2015; pp. 1–6. [Google Scholar]
- Seshasayee, N. Understanding Thermal Dissipation and Design of a Heatsink; Texas Instruments: Dallas, TX, USA, 2011; pp. 1–4. [Google Scholar]
- Chen, H.; Ji, B.; Pickert, V.; Cao, W. Real-time temperature estimation for power MOSFETs considering thermal aging effects. IEEE Trans. Device Mater. Reliab. 2013, 14, 220–228. [Google Scholar] [CrossRef]
- Yang, K.; Guo, J.; Ge, H.; Bilgin, B.; Loukanov, V.; Emadi, A. Transient electro-thermal analysis for a MOSFET based traction inverter. In Proceedings of the 2014 IEEE Transportation Electrification Conference and Expo (ITEC), Beijing, China, 31 August–3 September 2014; pp. 1–6. [Google Scholar]
- On Semiconductor. Heat Sink Selection Guide for Thermally Enhaced SO8-FL; On Semiconductor: Phoenix, AZ, USA, 2015; Rev. 1. [Google Scholar]
- Melito, M.; Gaito, A.; Sorrentino, G. Thermal effects and junction temperature evaluation of Power MOSFETs. DocID028570 Rev. 2015, 1, 141. [Google Scholar]














| Experimental 100 W | Simulation 100 W | Experimental 400 W | Simulation 400 W | |
|---|---|---|---|---|
| Current at the inverter output | 9.46 A | 10.2 A | 33.47 A | 33 A |
| Voltage at the inverter output | 16.55 A | 16.47 A | 16.49 V | 16.44 V |
| Current at the load | 0.95 A | 1.02 A | 3.4 A | 3.38 A |
| Voltage at the load | 119.6 A | 120.1 A | 119.6 V | 120 V |
| (°C/W) | (J/°C) | |||||
|---|---|---|---|---|---|---|
| 400 W | 600 W | Average | 400 W | 600 W | Average | |
| S1 | 10.5 | 10.5 | 10.5 | 0.85 | 0.85 | 0.85 |
| 7.2 | 7.2 | 7.2 | 1.1 | 1.1 | 1.1 | |
| S2 | 9.7 | 10.2 | 10 | 0.8 | 0.75 | 0.77 |
| 5.6 | 5.8 | 5.7 | 1.4 | 1.3 | 1.35 | |
| S1 | S2 | # S1 and S2 | # and | ||||
|---|---|---|---|---|---|---|---|
| 0.354067 | 98.7% | 40.2 °C | 49.9 °C | 40.2 °C | 49.9 °C | IRFB7446PbF | IRFB7446PbF |
| 0.385167 | 98.9% | 40.2 °C | 45.3 °C | 40.2 °C | 45.3 °C | IRFB7446PbF | IRFB7440PbF |
| 0.413876 | 99% | 40.2 °C | 42.6 °C | 40.2 °C | 42.6 °C | IRFB7446PbF | IPP120N04S4-02 |
| 0.444976 | 99.1% | 38.4 °C | 42.6 °C | 38.4 °C | 42.6 °C | IRFB7440PbF | IPP120N04S4-02 |
| 0.473684 | 99.1% | 37 °C | 42.6 °C | 37 °C | 42.6 °C | IPP120N04S4-02 | IPP120N04S4-02 |
| 0.535885 | 99.2% | 37 °C | 41.5 °C | 37 °C | 41.5 °C | IPP120N04S4-02 | SUP40012EL |
| 0.598086 | 99.2% | 36.8 °C | 41.5 °C | 36.8 °C | 41.5 °C | SUP40012EL | SUP40012EL |
| 0.978469 | 99.3% | 37 °C | 39.8 °C | 37 °C | 39.8 °C | IPP120N04S4-02 | IPP015N04N |
| 1.04067 | 99.3% | 36.8 °C | 39.8 °C | 36.8 °C | 39.8 °C | SUP40012EL | IPP015N04N |
| 1.48325 | 99.3% | 36 °C | 39.8 °C | 36 °C | 39.8 °C | IPP015N04N | IPP015N04N |
| S1 | S2 | # S1 and S2 | # and | ||||
|---|---|---|---|---|---|---|---|
| 0.354067 | 97.7% | 63.4 °C | 92.6 °C | 63.4 °C | 92.6 °C | IRFB7446PbF | IRFB7446PbF |
| 0.385167 | 98.2% | 63.4 °C | 75.7 °C | 63.4 °C | 75.7 °C | IRFB7446PbF | IRFB7440PbF |
| 0.413876 | 98.4% | 63.4 °C | 66.9 °C | 63.4 °C | 66.9 °C | IRFB7446PbF | IPP120N04S4-02 |
| 0.444976 | 98.5% | 56.7 °C | 66.9 °C | 56.7 °C | 66.9 °C | IRFB7440PbF | IPP120N04S4-02 |
| 0.473684 | 98.6% | 52.6 °C | 66.9 °C | 52.6 °C | 66.9 °C | IPP120N04S4-02 | IPP120N04S4-02 |
| 0.535885 | 98.7% | 52.6 °C | 63.6 °C | 52.6 °C | 63.6 °C | IPP120N04S4-02 | SUP40012EL |
| 0.598086 | 98.8% | 51.4 °C | 63.6 °C | 51.4 °C | 63.6 °C | SUP40012EL | SUP40012EL |
| 0.978469 | 98.9% | 52.6 °C | 58.5 °C | 52.6 °C | 58.5 °C | IPP120N04S4-02 | IPP015N04N |
| 1.04067 | 98.9% | 51.4 °C | 58.5 °C | 51.4 °C | 58.5 °C | SUP40012EL | IPP015N04N |
| 1.48325 | 99% | 49 °C | 58.5 °C | 49 °C | 58.5 °C | IPP015N04N | IPP015N04N |
| S1 | S2 | # S1 and S2 | # and | ||||
|---|---|---|---|---|---|---|---|
| 0.354067 | 98.7% | 44.9 °C | 44.9 °C | 44.9 °C | 44.9 °C | IRFB7446PbF | IRFB7446PbF |
| 0.385167 | 98.8% | 44.9 °C | 44.9 °C | 41.8 °C | 41.8 °C | IRFB7446PbF | IRFB7440PbF |
| 0.416268 | 99% | 41.8 °C | 41.8 °C | 41.8 °C | 41.8 °C | IRFB7440PbF | IRFB7440PbF |
| 0.444976 | 99% | 41.8 °C | 41.8 °C | 39.7 °C | 39.7 °C | IRFB7440PbF | IPP120N04S4-02 |
| 0.473684 | 99.1% | 39.7 °C | 39.7 °C | 39.7 °C | 39.7 °C | IPP120N04S4-02 | IPP120N04S4-02 |
| 0.535885 | 99.2% | 39.1 °C | 39.1 °C | 39.7 °C | 39.7 °C | SUP40012EL | IPP120N04S4-02 |
| 0.598086 | 99.2% | 39.1 °C | 39.1 °C | 39.1 °C | 39.1 °C | SUP40012EL | SUP40012EL |
| 0.978469 | 99.2% | 39.7 °C | 39.7 °C | 37.9 °C | 37.9 °C | IPP120N04S4-02 | IPP015N04N |
| 1.04067 | 99.2% | 39.1 °C | 39.1 °C | 37.9 °C | 37.9 °C | SUP40012EL | IPP015N04N |
| 1.48325 | 99.3% | 37.9 °C | 37.9 °C | 37.9 °C | 37.9 °C | IPP015N04N | IPP015N04N |
| S1 | S2 | # S1 and | # S2 and | ||||
|---|---|---|---|---|---|---|---|
| 0.354067 | 97.8% | 77.1 °C | 77.1 °C | 77.1 °C | 77.1 °C | IRFB7446PbF | IRFB7446PbF |
| 0.385167 | 98% | 77.1 °C | 77.1 °C | 65.9 °C | 65.9 °C | IRFB7446PbF | IRFB7440PbF |
| 0.416268 | 98.3% | 65.9 °C | 65.9 °C | 65.9 °C | 65.9 °C | IRFB7440PbF | IRFB7440PbF |
| 0.444976 | 98.5% | 65.9 °C | 65.9 °C | 59.4 °C | 59.4 °C | IRFB7440PbF | IPP120N04S4-02 |
| 0.473684 | 98.6% | 59.5 °C | 59.5 °C | 59.5 °C | 59.5 °C | IPP120N04S4-02 | IPP120N04S4-02 |
| 0.535885 | 98.7% | 57.3 °C | 57.3 °C | 59.4 °C | 59.4 °C | SUP40012EL | IPP120N04S4-02 |
| 0.598086 | 98.8% | 57.3 °C | 57.3 °C | 57.3 °C | 57.3 °C | SUP40012EL | SUP40012EL |
| 0.978469 | 98.8% | 59.5 °C | 59.5 °C | 53.7 °C | 53.7 °C | IPP120N04S4-02 | IPP015N04N |
| 1.04067 | 98.9% | 57.3 °C | 57.3 °C | 53.7 °C | 53.7 °C | SUP40012EL | IPP015N04N |
| 1.48325 | 99% | 53.7 °C | 53.7 °C | 53.7 °C | 53.7 °C | IPP015N04N | IPP015N04N |
| S1 | S2 | # S1 and | # S2 and | ||||
|---|---|---|---|---|---|---|---|
| 0.354067 | 98.7% | 45.8 °C | 46 °C | 44 °C | 44.4 °C | IRFB7446PbF | IRFB7446PbF |
| 0.385167 | 98.9% | 45.8 °C | 46 °C | 40.3 °C | 40.4 °C | IRFB7446PbF | IRFB7440PbF |
| 0.416268 | 98.9% | 43.4 °C | 43.5 °C | 40.3 °C | 40.4 °C | IRFB7440PbF | IRFB7440PbF |
| 0.444976 | 99% | 41 °C | 41.1 °C | 40.3 °C | 40.4 °C | IPP120N04S4-02 | IRFB7440PbF |
| 0.473684 | 99.1% | 41 °C | 41.1 °C | 38.5 °C | 38.6 °C | IPP120N04S4-02 | IPP120N04S4-02 |
| 0.535885 | 99.2% | 41 °C | 41.1 °C | 37.3 °C | 37.4 °C | IPP120N04S4-02 | SUP40012EL |
| 0.598086 | 99.2% | 40.9 °C | 40.9 °C | 37.3 °C | 37.4 °C | SUP40012EL | SUP40012EL |
| 0.62201 | 99.2% | 41 °C | 41.1 °C | 36.7 °C | 36.8 °C | IPP120N04S4-02 | PSMN1R9-40PL |
| 0.684219 | 99.2% | 40.7 °C | 40.9 °C | 36.7 °C | 36.8 °C | SUP40012EL | PSMN1R9-40PL |
| 0.70095 | 99.2% | 41 °C | 41.1 °C | 36.4 °C | 36.4 °C | SUP40012EL | PSMN1R5-40PS |
| 0.763158 | 99.2% | 40.9 °C | 40.9 °C | 36.4 °C | 36.4 °C | SUP40012EL | PSMN1R5-40PS |
| 0.940191 | 99.2% | 40.3 °C | 40.4 °C | 36.4 °C | 36.4 °C | SUP50010EL | PSMN1R5-40PS |
| 1.04067 | 99.3% | 40.9 °C | 40.9 °C | 36 °C | 36 °C | SUP40012E | IPP015N04N |
| 1.20574 | 99.3% | 39.7 °C | 39.7 °C | 36.4 °C | 36.4 °C | IPP015N04N | PSMN1R5-40PS |
| 1.48325 | 99.3% | 39.7 °C | 39.7 °C | 36 °C | 36 °C | IPP015N04N | IPP015N04N |
| S1 | S2 | # S1 and | # S2 and | ||||
|---|---|---|---|---|---|---|---|
| 0.354067 | 97.8% | 79 °C | 78.6 °C | 76 °C | 75.7 °C | IRFB7446PbF | IRFB7446PbF |
| 0.385167 | 98.1% | 79 °C | 78.6 °C | 63.5 °C | 63.3 °C | IRFB7446PbF | IRFB7440PbF |
| 0.416268 | 98.3% | 68.8 °C | 68.4 °C | 63.5 °C | 63.3 °C | IRFB7440PbF | IRFB7440PbF |
| 0.444976 | 98.5% | 61.8 °C | 61.4 °C | 63.5 °C | 63.3 °C | IPP120N04S4-02 | IRFB7440PbF |
| 0.473684 | 98.7% | 61.8 °C | 61.4 °C | 57.5 | 57.4 | IPP120N04S4-02 | IPP120N04S4-02 |
| 0.535885 | 98.8% | 61.8 °C | 61.4 °C | 54.4 °C | 54.3 °C | IPP120N04S4-02 | SUP40012EL |
| 0.598086 | 98.8% | 60.3 °C | 60 °C | 54.4 °C | 54.3 °C | SUP40012EL | SUP40012EL |
| 0.684219 | 98.8% | 60.3 °C | 60 °C | 52.9 °C | 52.7 °C | SUP40012EL | PSMN1R9-40PL |
| 0.763158 | 98.9% | 60.3 °C | 60 °C | 52 °C | 51.9 °C | SUP40012EL | PSMN1R5-40PS |
| 1.04067 | 98.9% | 60.3 °C | 60 °C | 50.7 °C | 50.6 °C | SUP40012EL | IPP015N04N |
| 1.12679 | 98.9% | 56.9 °C | 56.4 °C | 52.9 °C | 52.7 °C | IPP015N04N | PSMN1R9-40PL |
| 1.20574 | 98.9% | 56.9 °C | 56.4 °C | 52 °C | 51.9 °C | IPP015N04N | PSMN1R5-40PS |
| 1.48325 | 99% | 56.9 °C | 56.4 °C | 50.7 °C | 50.1 °C | IPP015N04N | IPP015N04N |
| Part Number | (pF) | (m) | (%) | ||||
|---|---|---|---|---|---|---|---|
| DM | PS | DSPLS | |||||
| 0.35 | IRFB7446PbF | 40 | 3183 | 3.3 | 97.7 | 97.8 | 97.8 |
| 0.41 | IRFB7440PbF | 40 | 4730 | 2.5 | 98.3 | 98.3 | 98.3 |
| 0.47 | IPP120N04S4-02 | 40 | 8260 | 2.1 | 98.6 | 98.6 | 98.7 |
| 0.59 | SUP40012EL | 40 | 10,930 | 1.8 | 98.8 | 98.8 | 98.8 |
| 1.48 | IPP015N04N | 40 | 15,000 | 1.5 | 99 | 99 | 99 |
| Part Number | (pF) | (m) | Efficiency (%) | ||||
|---|---|---|---|---|---|---|---|
| DM | PS | DSPLS | |||||
| 0.35 | IRFB7446PbF | 40 | 3183 | 3.3 | 97.7 | 97.8 | 97.8 |
| 0.41 | IRFB7440PbF | 40 | 4730 | 2.5 | 98.3 | 98.3 | 98.3 |
| 0.47 | IPP120N04S4-02 | 40 | 8260 | 2.1 | 98.6 | 98.6 | 98.7 |
| 0.59 | SUP40012EL | 40 | 10,930 | 1.8 | 98.8 | 98.8 | 98.8 |
| 0.71 | AOT2142L | 40 | 8320 | 1.7 | 98.7 | 98.7 | 98.7 |
| 0.77 | PSMN1R9-40PL | 40 | 13,200 | 1.6 | 98.7 | 98.7 | 98.7 |
| 0.84 | SUP40010EL | 40 | 11,165 | 1.8 | 98.7 | 98.7 | 98.7 |
| 0.92 | PSMN1R5-40PS | 40 | 9710 | 1.9 | 98.7 | 98.7 | 98.7 |
| 0.95 | SUP50010E | 60 | 10,895 | 2 | 98.7 | 98.7 | 98.7 |
| 1.48 | IPP015N04N | 40 | 15,000 | 1.5 | 99 | 99 | 99 |
| Part Number | (pF) | (m) | Efficiency (%) | ||||
|---|---|---|---|---|---|---|---|
| DM | PS | DSPLS | |||||
| 0.46 | BUK653R5-55C | 55 | 11,516 | 2.9 | 97.5 | 97.5 | 97.5 |
| 0.62 | IRFB3206PbF | 60 | 6540 | 3 | 97.9 | 97.9 | 97.9 |
| 0.66 | IPP024N06N3 | 60 | 17,000 | 2.4 | 98.4 | 98.4 | 98.4 |
| 0.83 | SUP50020E | 60 | 11,150 | 2.4 | 98.5 | 98.5 | 98.5 |
| 0.95 | SUP50010E | 60 | 10,895 | 2 | 98.7 | 98.7 | 98.7 |
Disclaimer/Publisher’s Note: The statements, opinions and data contained in all publications are solely those of the individual author(s) and contributor(s) and not of MDPI and/or the editor(s). MDPI and/or the editor(s) disclaim responsibility for any injury to people or property resulting from any ideas, methods, instructions or products referred to in the content. |
© 2023 by the authors. Licensee MDPI, Basel, Switzerland. This article is an open access article distributed under the terms and conditions of the Creative Commons Attribution (CC BY) license (https://creativecommons.org/licenses/by/4.0/).
Share and Cite
Prado, E.O.; Bolsi, P.C.; Sartori, H.C.; Pinheiro, J.R. Design of Uninterruptible Power Supply Inverters for Different Modulation Techniques Using Pareto Front for Cost and Efficiency Optimization. Energies 2023, 16, 1314. https://doi.org/10.3390/en16031314
Prado EO, Bolsi PC, Sartori HC, Pinheiro JR. Design of Uninterruptible Power Supply Inverters for Different Modulation Techniques Using Pareto Front for Cost and Efficiency Optimization. Energies. 2023; 16(3):1314. https://doi.org/10.3390/en16031314
Chicago/Turabian StylePrado, Edemar O., Pedro C. Bolsi, Hamiltom C. Sartori, and José R. Pinheiro. 2023. "Design of Uninterruptible Power Supply Inverters for Different Modulation Techniques Using Pareto Front for Cost and Efficiency Optimization" Energies 16, no. 3: 1314. https://doi.org/10.3390/en16031314
APA StylePrado, E. O., Bolsi, P. C., Sartori, H. C., & Pinheiro, J. R. (2023). Design of Uninterruptible Power Supply Inverters for Different Modulation Techniques Using Pareto Front for Cost and Efficiency Optimization. Energies, 16(3), 1314. https://doi.org/10.3390/en16031314

