A High-Efficiency QR Flyback DC–DC Converter with Reduced Switch Voltage Stress Realized by Applying a Self-Driven Active Snubber (SDAS)
Abstract
:1. Introduction
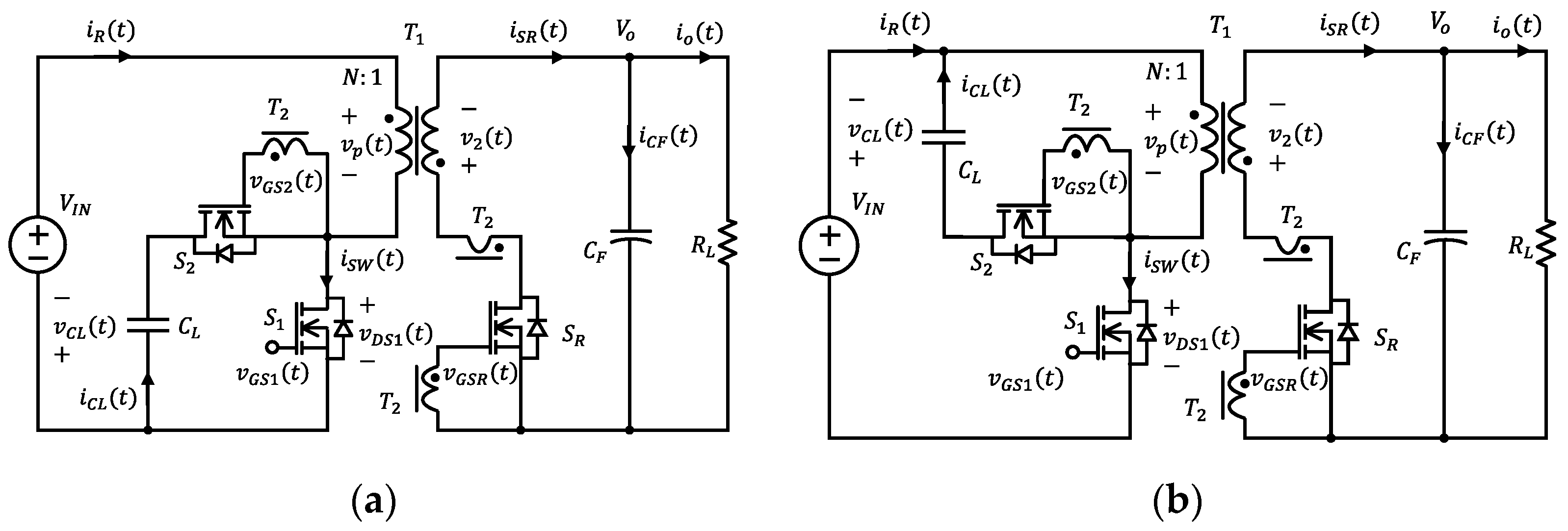
2. QR Flyback DC–DC Converter with SDAS
2.1. Basic Circuit Structure of QR Flyback Converter with SDAS
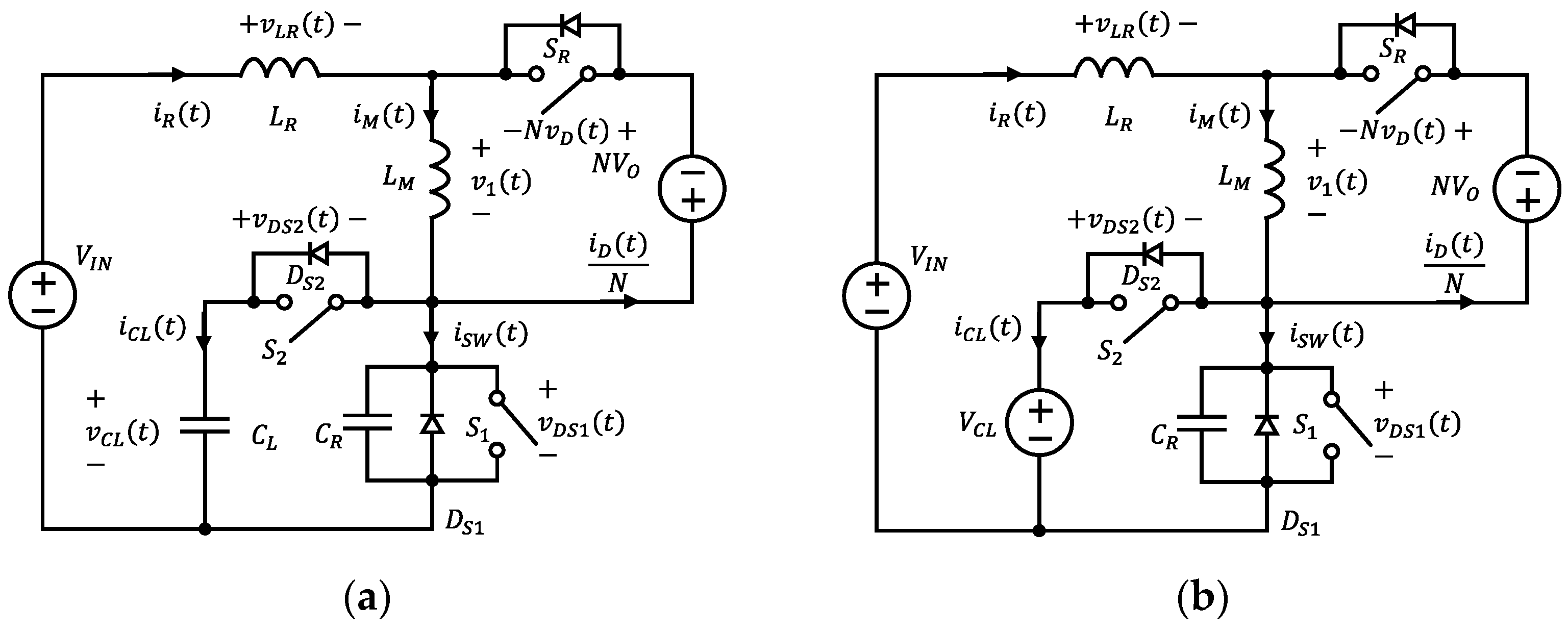
2.2. Steady-State Analysis
3. Design of QR Flyback DC–DC Converter with SDAS
3.1. Optimal Design Process for Major Devices
3.2. Circuit Simulation Results
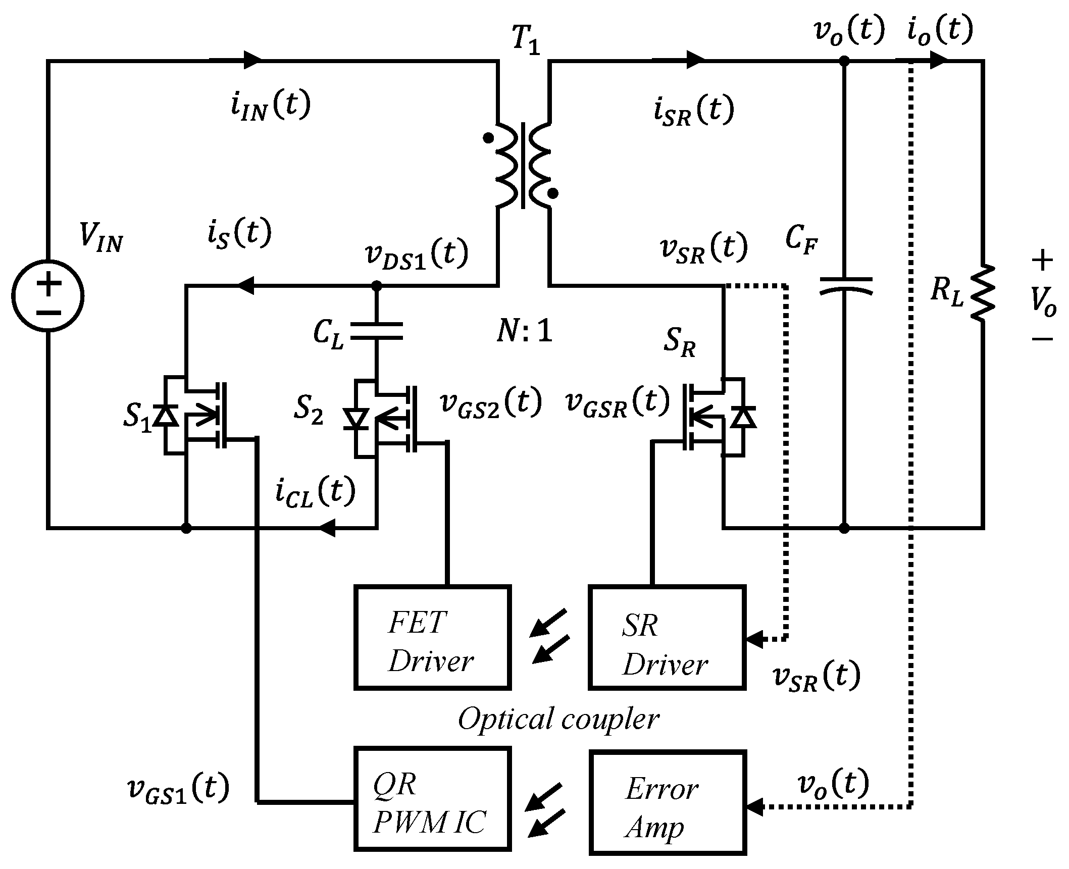
3.3. Compact AC–DC Adapter Design
4. Experimental Results
5. Conclusions
Author Contributions
Funding
Data Availability Statement
Conflicts of Interest
References
- Park, H.-P.; Jung, J.-H. Design Methodology of Quasi-Resonant Flyback Converter with a Divided Resonant Capacitor. IEEE Trans. Ind. Electron. 2020, 68, 10796–10805. [Google Scholar] [CrossRef]
- Wang, C.; Xu, S.; Shen, W.; Lu, S.; Sun, W. A Single-Switched High-Switching-Frequency Quasi-Resonant Flyback Converter. IEEE Trans. Power Electron. 2018, 34, 8775–8786. [Google Scholar] [CrossRef]
- Baek, J.-O. A Study on New Active Clamp Circuit and Control Method for High Efficiency Quasi Resonant Flyback Converter. Ph.D. Thesis, Cheongju University, Graduate School of Cheongju University, Cheongju, Republic of Korea, 2018. [Google Scholar]
- Wang, J.-M.; Lin, C.-W.; Huang, K.-Y.; Wong, J.-S. The Novel Quasi-Resonant Flyback Converter with Autoregulated Structure for Parallel/Serial Input. IEEE Trans. Ind. Electron. 2019, 67, 992–1004. [Google Scholar] [CrossRef]
- Mauromicale, G.; Raciti, A.; Rizzo, S.A.; Susinni, G.; Fusillo, F.; Palermo, A.; Scrimizzi, F.; Scollo, R. Si and GaN Devices in Quasi Resonant Flyback converters for Wall Charger Applications. In Proceedings of the 2019 IEEE Energy Conversion Congress and Exposition (ECCE), Baltimore, MD, USA, 29 September–3 October 2019. [Google Scholar] [CrossRef]
- Halil, O.; Sueel, V.; Hava, A. A comprehensive loss analysis of quasi resonant flyback converter for design purpose. In Proceedings of the PCIM Asia 2018 International Exhibition and Conference for Power Electronics, Intelligent Motion, Renewable Energy and Energy Management, Shanghai, China, 26–28 June 2018. [Google Scholar]
- Xu, S.; Wang, C.; Qian, Q.; Zhu, J.; Sun, W.; Li, H. A single-switched high-switching-frequency quasi-resonant flyback converter with zero-current-switching and valley-switching. In Proceedings of the 2019 IEEE Applied Power Electronics Conference and Exposition (APEC), Anaheim, CA, USA, 17–21 March 2019. [Google Scholar] [CrossRef]
- Min, G.-H.; Ha, J.-I. Inner Supply Data Transmission in Quasi-Resonant Flyback Converters for Li-Ion Battery Applications Using Multiplexing Mode. IEEE Trans. Power Electron. 2018, 34, 64–73. [Google Scholar] [CrossRef]
- Cheng, M.; Liu, L.; Liao, Z.; Yu, J.; Peng, S.; Zhang, Z.; Ye, T.; Wang, N. On Silicon-Integrated Micro-Transformers and Their Applications in Quasi-Resonant Flyback Converters. IEEE Trans. Magn. 2022, 58, 8401209. [Google Scholar] [CrossRef]
- Kang, B.; Low, K.-S.; Ng, K.J. Capacitor Charging by Quasi-Resonant Approach for a Pulsed Plasma Thruster in Nano-Satellite. IEEE Trans. Plasma Sci. 2020, 48, 1271–1278. [Google Scholar] [CrossRef]
- Vračar, D.; Pejovic, P.V. Active-Clamp Flyback Converter as Auxiliary Power-Supply of an 800 V Inductive-Charging System for Electric Vehicles. IEEE Access 2022, 10, 38254–38271. [Google Scholar] [CrossRef]
- Yao, J.; Li, Y.; Wang, S.; Huang, X.; Lyu, X. Analysis and Reduction of Radiated EMI in High-Frequency GaN IC-based Active Clamp Flyback Converters. In Proceedings of the 2020 IEEE Applied Power Electronics Conference and Exposition (APEC), New Orleans, LA, USA, 15–19 March 2020. [Google Scholar] [CrossRef]
- Wang, C.; Sun, D.; Zhang, X.; Hu, J.; Gu, W.; Gui, S. A Constant Current Digital Control Method for Primary-Side Regulation Active-Clamp Flyback Converter. IEEE Trans. Power Electron. 2020, 36, 7307–7318. [Google Scholar] [CrossRef]
- Kuo, C.-C.; Lee, J.-J.; He, Y.-H.; Wu, J.-Y.; Chen, K.-H.; Lin, Y.-H.; Lin, S.-R.; Tsai, T.-Y. A dynamic resonant period control technique for fast and zero voltage switching in GaN-based active clamp flyback converters. IEEE Trans. Power Electron. 2020, 36, 3323–3334. [Google Scholar] [CrossRef]
- Xue, L.; Zhang, J. Design considerations of highly-efficient active clamp flyback converter using GaN power ICs. In Proceedings of the 2018 IEEE Applied Power Electronics Conference and Exposition (APEC), San Antonio, TX, USA, 4–8 March 2018. [Google Scholar] [CrossRef]
- Hu, J.; Wen, B.; Burgos, R.; Kang, Y. Design of a Wide-Input-Voltage PCB-Embedded Transformer Based Active-Clamp Flyback Converter Considering Permeability Degradation. IEEE Trans. Power Electron. 2021, 36, 10355–10365. [Google Scholar] [CrossRef]
- Ma, Z.; Yao, J.; Wang, S.; Sheng, H.; Lakshmikanthan, S.; Osterhout, D. Radiated EMI Reduction with Double Shielding Techniques in Active-clamp Flyback Converters. In Proceedings of the 2021 IEEE International Joint EMC/SI/PI and EMC Europe Symposium, Raleigh, NC, USA, 26 July–13 August 2021. [Google Scholar] [CrossRef]
- Wu, S.-T.; Cheng, Y.-T. Design and Implementation of a Single-Stage PFC Active-Clamp Flyback Converter with Dual Transformers. Electronics 2021, 10, 2588. [Google Scholar] [CrossRef]
- Chen, M.; Xu, S.; Huang, L.; Sun, W.; Shi, L. A Novel Digital Control Method of Primary-Side Regulated Flyback with Active Clamping Technique. IEEE Trans. Circuits Syst. I Regul. Pap. 2020, 68, 950–962. [Google Scholar] [CrossRef]
- Xu, S.; Qian, Q.; Tao, T.; Lu, S.; Sun, W. Small Signal Modeling and Control Loop Design of Critical Conduction Mode Active Clamp Flyback Converter. IEEE Trans. Power Electron. 2020, 36, 7250–7263. [Google Scholar] [CrossRef]
- Nasiri, A.; Banaei, M.R.; Abadi, A.S.S. Phase-shifted active clamp flyback converter for driving a magnetron. In Proceedings of the 2019 27th Iranian Conference on Electrical Engineering (ICEE), Yazd, Iran, 30 April–2 May 2019. [Google Scholar]
- Nasiri, A.; Abadi, A.S.S. A New Driving Method for a Magnetron Using a Soft Switching Active Clamp Fly-back Converter. In Proceedings of the 2019 10th International Power Electronics, Drive Systems and Technologies Conference (PEDSTC), Shiraz, Iran, 12–14 February 2019. [Google Scholar] [CrossRef]
- Li, H.; Li, S.; Xiao, W.; Hui, S.Y.R. A Modulation Method for Capacitance Reduction in Active-Clamp Flyback-Based AC–DC Adapters. IEEE Trans. Power Electron. 2022, 37, 9455–9467. [Google Scholar] [CrossRef]
- Gao, S.; Song, H.; Wang, Y.; Xu, R.; Xu, D. A Secondary-Resonance MHz Active-Clamp Flyback Converter with Partial Power Processing. IEEE Trans. Ind. Appl. 2022, 58, 7988–7997. [Google Scholar] [CrossRef]
- Gu, D.; Xi, J.; He, L. Digitally controlled GaN-based MHz active clamp flyback converter with dynamic dead time optimisation for AC–DC adapter. IET Power Electron. 2020, 13, 3777–3786. [Google Scholar] [CrossRef]
- Xu, S.; Qian, Q.; Ren, B.; Liu, Q. An accurate small signal modeling and control loop design of active clamp flyback converter. In Proceedings of the 2019 10th International Conference on Power Electronics and ECCE Asia (ICPE 2019-ECCE Asia), Busan, Republic of Korea, 27–30 May 2019. [Google Scholar]
- Tang, C.-Y.; Lin, W.-Z.; Tan, Y.-C. An Active Clamp Flyback Converter with High Precision Primary-Side Regulation Strategy. IEEE Trans. Power Electron. 2022, 37, 10281–10289. [Google Scholar] [CrossRef]
- Xu, S.; Qian, Q.; Shi, R.; Shah, S.S.; Liu, Q.; Lu, S.; Sun, W. Sampled-Data Modeling for PCM and ZVS Controlled Critical Conduction Mode (CrCM) Active Clamp Flyback (ACF) Converter at Variable Switching Frequency. IEEE Trans. Circuits Syst. I: Regul. Pap. 2020, 67, 3588–3600. [Google Scholar] [CrossRef]
- Liu, Y.-C.; Huang, B.-S.; Lin, C.-H.; Kim, K.A.; Chiu, H.-J. Design and implementation of a high power density active-clamped flyback converter. In Proceedings of the 2018 International Power Electronics Conference (IPEC-Niigata 2018-ECCE Asia), Niigata, Japan, 20–24 May 2018. [Google Scholar]
- Zaman, A.; Radic, A. How to Design and Implement an Adapter Power Supply with Active Clamp Flyback: An All Silicon Design Methodology. IEEE Power Electron. Mag. 2020, 7, 36–43. [Google Scholar] [CrossRef]
- Dey, S.; Ray, M.B.; Soni, H.; Ghosh, R.; Shah, M. Comparison between Quasi-Resonant and Active Clamp Flyback topologies for GaN-based 65 W Wall Charger Application. In Proceedings of the 2021 IEEE Applied Power Electronics Conference and Exposition (APEC), Phoenix, AZ, USA, 14–17 June 2021. [Google Scholar]
- Hosseinabadi, F.; Soleymani, B.; Adib, E.; Islam, R.; Farzanehfard, H.; Kouzani, A.Z.; Mahmud, M.A.P. A soft-switching inverting high step-down converter with a pair of coupled inductors and self-driven synchronous rectifier. IET Power Electron. 2021, 14, 2441–2451. [Google Scholar] [CrossRef]
- Mahdi, G.J.; Allahyari, H.; Shoaei, A.; Adib, E.; Bahrami, H.; Zadeh, M.A.L.; Fahimifar, M.H. A self-driven synchronous rectification wide-range ZVS single-switch forward converter controlled using the variable inductance. IET Power Electron. 2022; preprint. [Google Scholar] [CrossRef]
- Liu, C.; Zhang, Z.; Liua, Y.; Si, Y.; Wang, M.; Lei, Q. A Universal Block of Series-Connected SiC MOSFETs Using Current-Source Gate Driver. IEEE J. Emerg. Sel. Top. Power Electron. 2021, 10, 3066–3086. [Google Scholar] [CrossRef]
- Li, X.; Ma, H.; Yi, J.; Lu, S.; Xu, J. A Comparative Study of GaN HEMT and Si MOSFET-Based Active Clamp Forward Converters. Energies 2020, 13, 4160. [Google Scholar] [CrossRef]
- Soleymani, B.; Adib, E. A High Step-Down Buck Converter with Self-Driven Synchronous Rectifier. IEEE Trans. Ind. Electron. 2019, 67, 10266–10273. [Google Scholar] [CrossRef]
- Li, M.; Ouyang, Z.; Andersen, M.A.E.; Zhao, B. Self-Driven Gate Driver for LLC Synchronous Rectification. IEEE Trans. Power Electron. 2020, 36, 56–60. [Google Scholar] [CrossRef]
- Di, Z.; Donglai, Z.; Zicai, W.; Hua, Z.; Ying, Z. Self-driven Active-Clamped Forward Power Converter with Output Ripple-Cancellation for Aerospace Applications. In Proceedings of the 2019 4th International Conference on Power and Renewable Energy (ICPRE), Chengdu, China, 21–23 September 2019. [Google Scholar] [CrossRef]
- Guan, Y.; Hu, X.; Wang, Y.; Xu, D.; Wang, W. A Single-Switch Self-Driving High Frequency Converter Based on Optimal Feedback Network. In Proceedings of the 2018 IEEE Energy Conversion Congress and Exposition (ECCE), Portland, OR, USA, 23–27 September 2018. [Google Scholar] [CrossRef]
- Konishi, A.; Umetani, K.; Hiraki, E. High-frequency self-driven synchronous rectifier controller for WPT systems. In Proceedings of the 2018 International Power Electronics Conference (IPEC-Niigata 2018-ECCE Asia), Niigata, Japan, 20–24 May 2018. [Google Scholar]
- Bahrami, H.; Allahyari, H.; Adib, E. A Self-Driven Synchronous Rectification ZCS PWM Two-Switch Forward Converter with Minimum Number of Components. IEEE Trans. Ind. Electron. 2021, 69, 12842–12850. [Google Scholar] [CrossRef]
- Nourieh, N.; Sun, Y.; Simpson, O. A novel resonant ZVS power converter with self-driven synchronous rectifier for low-voltage high-current applications. IET Power Electron. 2021, 14, 1397–1408. [Google Scholar] [CrossRef]
- Scortegagna, R.G.; Gules, R. Self-Driven Current-Doubler Synchronous Rectifier and Design Tuning for Maximizing Efficiency in IPT Systems. IEEE J. Emerg. Sel. Top. Power Electron. 2021, 10, 1007–1016. [Google Scholar] [CrossRef]


























| Parameter | Symbol | Value | Unit |
|---|---|---|---|
| Input voltage range | 90–264 | Vac | |
| Output voltage | 12 | Vdc | |
| Maximum output power | 60 | W | |
| Maximum output current | 5.0 | A | |
| Case size | mm | ||
| Efficiency | 90 | % |
| Parameter | Name | Model | Specifications | Shape |
|---|---|---|---|---|
| Main switch | TK31V60X | DFN8 N-ch | ||
| Clamp switch | FQP3P50 | TO-220 P-ch | ||
| SR switch | BUK9Y8R5-80E | LFPAK56 N-ch | ||
| QR controller | NCP1380 | SO-8 | ||
| SR controller | TAE1791 | SO-8 | ||
| Photo driver | TLP118 | SO-6 GaAlAs IRED |
| Parameter | Name | Unit | Value | Spec. |
|---|---|---|---|---|
| Core size | RM7 | |||
| Primary winding | Turn | 32 | ||
| Secondary winding | Turn | 5 | ||
| Auxiliary winding | turn | 5 | ||
| Magnetizing inductance | 260 | |||
| Leakage inductance | 5.3 |
Disclaimer/Publisher’s Note: The statements, opinions and data contained in all publications are solely those of the individual author(s) and contributor(s) and not of MDPI and/or the editor(s). MDPI and/or the editor(s) disclaim responsibility for any injury to people or property resulting from any ideas, methods, instructions or products referred to in the content. |
© 2023 by the authors. Licensee MDPI, Basel, Switzerland. This article is an open access article distributed under the terms and conditions of the Creative Commons Attribution (CC BY) license (https://creativecommons.org/licenses/by/4.0/).
Share and Cite
Yoo, J.-S.; Baek, J.-O.; Ahn, T.-Y. A High-Efficiency QR Flyback DC–DC Converter with Reduced Switch Voltage Stress Realized by Applying a Self-Driven Active Snubber (SDAS). Energies 2023, 16, 1068. https://doi.org/10.3390/en16031068
Yoo J-S, Baek J-O, Ahn T-Y. A High-Efficiency QR Flyback DC–DC Converter with Reduced Switch Voltage Stress Realized by Applying a Self-Driven Active Snubber (SDAS). Energies. 2023; 16(3):1068. https://doi.org/10.3390/en16031068
Chicago/Turabian StyleYoo, Jeong-Sang, Jong-Ok Baek, and Tae-Young Ahn. 2023. "A High-Efficiency QR Flyback DC–DC Converter with Reduced Switch Voltage Stress Realized by Applying a Self-Driven Active Snubber (SDAS)" Energies 16, no. 3: 1068. https://doi.org/10.3390/en16031068
APA StyleYoo, J.-S., Baek, J.-O., & Ahn, T.-Y. (2023). A High-Efficiency QR Flyback DC–DC Converter with Reduced Switch Voltage Stress Realized by Applying a Self-Driven Active Snubber (SDAS). Energies, 16(3), 1068. https://doi.org/10.3390/en16031068

